Избранное 0 Корзина 0 Личный кабинет
logo
Каталог
Каталог
  • Справочник
    • Грузовые автомобили
    • Автобусы
    • Сельхозтехника
    • Спецтехника
    • Двигатели
  • Доставка
  • Оплата
  • О компании
    • Реквизиты
    • Магазины
    • Оплата
    • Доставка
    • Лицензии и сертификаты
    • Новости
    • Вакансии
  • Контакты
Отправить заявку
Личный кабинет
8 (800) 700-35-68
sales@din76.ru
Избранное 0 Корзина 0
8 (800) 700-35-68
Оптовый прайс-лист
Каталог
  • Двигатели
  • Запчасти WEICHAI
  • Запчасти ЯМЗ, ТМЗ (V-образные)
  • Запчасти ЯМЗ-534, ЯМЗ-536
  • Запчасти ЯМЗ-650, ЯМЗ-651, DCi-11
  • Топливная аппаратура
  • Запчасти УРАЛ
  • Запчасти МАЗ
  • Запчасти КамАЗ
  • Запчасти ММЗ
  • Ремни
Автокаталог (справочник)
  • Доставка
  • Оплата
  • О компании
  • Контакты
8 (800) 700-35-68
Написать в Whatsapp
sales@din76.ru
Динамика 76
Меню  
  • Каталог
    • Двигатели  
      • Двигатели ТМЗ  
        • Двигатели ТМЗ для автомобилей
        • Двигатели ТМЗ для тракторов
        • Специальные двигатели ТМЗ
        • Промышленные двигатели ТМЗ
      • Двигатели ЯМЗ  
        • ЯМЗ 236
        • ЯМЗ 238
        • ЯМЗ 240
        • ЯМЗ 751
        • ЯМЗ 840
        • ЯМЗ 850
        • ЯМЗ 656
        • ЯМЗ 658
        • ЯМЗ 534
        • ЯМЗ 536
        • ЯМЗ 650
        • Двигатели ЯМЗ для электростанций
      • Двигатели КАМАЗ
      • Двигатели ММЗ
      • Двигатели индивидуальной сборки
      • Комплекты переоборудования
    • Запчасти WEICHAI  
      • Основные запчасти двигателя  
        • Клапаны и толкатели
        • Шатуны
        • Вал коленчатый и маховик
        • Вал распределительный
        • Цилиндро-поршневая группа
      • Система питания  
        • Форсунки
        • Турбокомпрессор
      • Система смазки  
        • Насос масляный
      • Головка блока
      • Ремкомплекты
      • Система охлаждения  
        • Насос водяной
        • Муфта вязкостная и крыльчатка
      • Фильтры
      • Электрооборудование  
        • Генератор
        • Стартер
    • Запчасти ЯМЗ, ТМЗ (V-образные)  
      • Основные запчасти двигателя  
        • Блок двигателя и комплектующие
        • Валы распределительные и клапаны
        • Головка блока и комплектующие
        • Цилиндро-поршневая группа
        • Маховики и комплектующие
        • Валы коленчатые и комплектующие
        • Шатуны и комплектующие
      • Система питания  
        • Коллекторы и патрубки
        • Топливные трубопроводы
        • Турбокомпрессор
        • Топливные фильтры
      • Электрооборудование двигателя
      • Система охлаждения  
        • Вязкостные муфты и крыльчатки
        • Приводы вентилятора
        • Водяные насосы
        • Водяные трубы и термостаты
      • Коробки переключения передач  
        • 8 Ступенчатые КПП
        • 5 Ступенчатые КПП
        • 9 Ступенчатые КПП
        • Запасные части КПП ЯМЗ, ТМЗ
      • Система смазки  
        • Теплообменник и комплектующие
        • Масляные насосы
        • Фильтры масляные (ФГОМ, ФЦОМ)
      • Сцепление  
        • Запасные части механизма сцепления
        • Муфты (подшипники выжимные)
        • Корзины (диски нажимные)
        • Диски ведомые
      • Прочие запчасти двигателя  
        • Ремкомплекты
        • Привод агрегатов
        • Натяжные устройства
        • Трубки
    • Запчасти ЯМЗ-534, ЯМЗ-536  
      • Основные запчасти двигателя  
        • Цилиндро-поршневая группа
        • Головка блока цилиндров и комплектующие
        • Блок цилиндров и комплектующие
        • Вал коленчатый и маховик
        • Вал распределительный
        • Клапаны и толкатели
        • ГУР (Гидроусилитель руля)
        • Система рециркуляции отработавших газов
        • Выпускной коллектор
      • Система питания  
        • Коллекторы и патрубки
        • Топливные фильтры
        • Турбокомпрессор
        • Топливные трубопроводы
      • Система смазки  
        • Масляный картер поддон
        • Масляный насос
        • Теплообменник /Водо-масляный радиатор
        • Фильтры масляные (ФГОМ, ФЦОМ)
      • Пневмокомпрессор и натяжное
      • Система охлаждения  
        • Водяной насос
        • Водяные трубы и патрубки
        • Муфты вязкостные, приводы, крыльчатки
      • Ремкомплекты
      • Сцепление
      • Электрооборудование
    • Запчасти ЯМЗ-650, ЯМЗ-651, DCi-11  
      • Основные запчасти двигателя  
        • Цилиндро-поршневая группа
        • Головка блока цилиндров и комплектующие
        • Блок цилиндров и комплектующие
        • Вал коленчатый и маховик
        • Выпускной коллектор
        • Вал распределительный
        • Клапаны и толкатели
        • ГУР (Гидроусилитель руля)
        • Система рециркуляции отработавших газов
      • Система питания  
        • Коллекторы и патрубки
        • Топливные трубопроводы
        • Топливные фильтры
        • Турбокомпрессор
      • Система смазки  
        • Масляный картер / поддон
        • Масляный насос
        • Теплообменник / Водо-масляный радиатор
        • Фильтры масляные (ФГОМ, ФЦОМ)
      • Система охлаждения  
        • Водяной насос
        • Водяные трубы и патрубки
        • Муфты вязкостные, приводы, крыльчатки
      • Ремкомплекты
      • Пневмокомпрессор и натяжное
      • Электрооборудование
      • Сцепление
    • Топливная аппаратура  
      • ЯЗДА  
        • Распылители
        • ТНВД
        • Форсунки
        • Топливный насос низкого давления
        • Пары плунжерные
        • Муфта опережения впрыска топлива
        • Запчасти и комплектующие ТНВД
      • НЗТА
      • АЗПИ  
        • Распылители
        • Форсунки
      • BOSCH
    • Запчасти УРАЛ  
      • Трансмиссия  
        • Коробка раздаточная
        • Передача карданная
        • Мост задний
        • Мост передний (ведущий)
        • Мост средний (промежуточный)
      • Кузов  
        • Дверь кабины
        • Капот, крылья, облицовка радиатора
        • Окно ветровое и заднее
        • Отопление и вентиляция кабины
        • Кабина
      • Механизмы управления  
        • Управление рулевое
        • Тормоза
      • Дополнительное оборудование  
        • Отбор мощности
        • Устройство седельное
      • Электрооборудование
      • Ходовая часть  
        • Колеса и ступицы
        • Ось передняя
        • Подвеска автомобиля
        • Рама
    • Запчасти МАЗ  
      • Трансмиссия  
        • Мост задний
        • Мост передний (ведущий)
        • Передача карданная
        • Мост средний (промежуточный)
      • Кузов  
        • Кабина
        • Дверь кабины
        • Детали основания кабины
        • Окно ветровое и заднее
        • Платформа
      • Механизмы управления  
        • Тормоза
        • Управление рулевое
      • Ходовая часть  
        • Колеса и ступицы
        • Ось передняя
        • Подвеска автомобиля
        • Рама
    • Запчасти КамАЗ  
      • Кузов  
        • Кабина
        • Капот, крылья, облицовка радиатора
        • Дверь кабины
        • Платформа
        • Окно ветровое и заднее
        • Устройство подъемное и опрокидывающее
        • Сиденье
        • Крыша кабины (крыша кузова)
        • Отопление и вентиляция кабины
      • Трансмиссия  
        • Коробка передач
        • Коробка раздаточная
        • Мост задний
        • Сцепление
        • Мост средний (промежуточный)
        • Передача карданная
        • Мост передний (ведущий)
      • Двигатель  
        • Основные запчасти двигателя
        • Система охлаждения
        • Система питания
        • Система смазки
      • Дополнительное оборудование  
        • Отбор мощности
        • Устройство седельное
      • Ходовая часть  
        • Подвеска автомобиля
        • Рама
        • Колеса и ступицы
        • Ось передняя
      • Механизмы управления  
        • Тормоза
        • Управление рулевое
      • Электрооборудование
    • Запчасти ММЗ
    • Ремни
  • Справочник
    • Грузовые автомобили
    • Автобусы
    • Сельхозтехника
    • Спецтехника
    • Двигатели
  • Как купить
    • Условия оплаты
    • Условия доставки
    • Гарантия на товар
    • Пункты выдачи
  • Услуги
    • Капитальный ремонт двигателей ЯМЗ
  • Акции
  • Статьи
  • Контакты
  • Компания
    • Реквизиты
    • Магазины
    • Оплата
    • Доставка
    • Лицензии и сертификаты
    • Новости
    • Вакансии
Избранное 0 Корзина 0
8-800-700-35-68

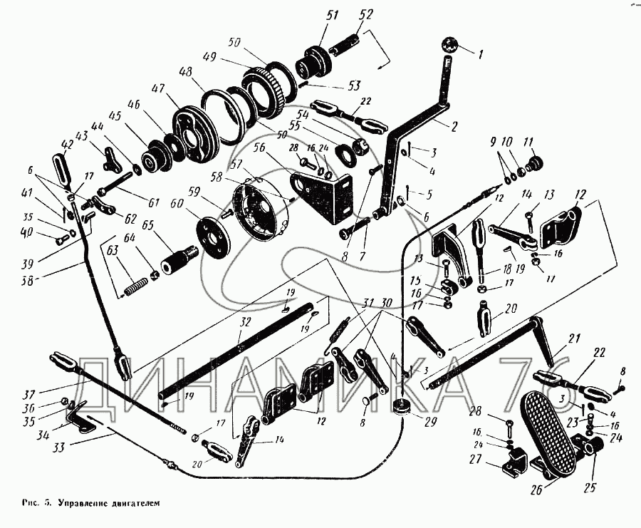
Управление двигателем на К-700

Справочник
Главная
-
Автокаталог
-
Сельхозтехника
-
Петербургский Трактор
-
К-700
Справочный каталог

Управление двигателем — К-700:

700.11.08.000-2 700.11.08.020-1 700.11.08.100 700.11.08.120-1 700.11.08.150 700.11.08.250-01 700.11.08.250-04 700.11.08.330-1 700.11.08.340 700.11.08.370-1 700.11.08.440 1 2 3 3 3 4 4 4 6 6 6 7 8 8 8 9 10 11 12 12 12 13 13 14 14 15 16 16 16 16 16 17 17 17 17 17 18 19 19 19 19 20 20 21 22 22 23 24 24 24 25 26 27 28 28 29 30 31 32 33 34 35 35 36 37 38 39 40 41 42 43 44 45 46 47 48 49 50 50 51 52 53 54 55 56 57 58 59 60 61 62 63 64 65
в наличии
нет в наличии
масштаб

В наличии
Нет в наличии

Перечень комплектующих от Управление двигателем на К-700

Схемы запчастей предназначены для справочных целей! Мы продаем не все запчасти от Управление двигателем на К-700, представленные в этом списке.
Наличие на складах по деталям с ценой смотрите в карточке товара.
Артикул: 700-11-08-000-2
нет в наличии
Управление двигателем
Количество на схеме: 1
Информация
Управление двигателем
Количество
1
Масса;Материал
11,32;;
Артикул: 700-11-08-020-1
нет в наличии
Акселератор в сборе
Количество на схеме: 1
Информация
Акселератор в сборе
Количество
1
Масса;Материал
5,5;;
Артикул: 700-11-08-100
нет в наличии
Тормозов акселератора в сборе
Количество на схеме: 1
Информация
Тормозов акселератора в сборе
Количество
1
Масса;Материал
1,2;;
Артикул: 700-11-08-120-1
нет в наличии
Кронштейн акселератора в сборе
Количество на схеме: 1
Информация
Кронштейн акселератора в сборе
Количество
1
Масса;Материал
0,652;;
Артикул: 700-11-08-150
нет в наличии
Стакан акселератора в сборе
Количество на схеме: 1
Информация
Стакан акселератора в сборе
Количество
1
Масса;Материал
0,405;;
Артикул: 700-11-08-250-01
нет в наличии
Тяга в сборе
Количество на схеме: 1
Информация
Тяга в сборе
Количество
1
Масса;Материал
0,17;;
Артикул: 700-11-08-250-04
нет в наличии
Тяга в сборе
Количество на схеме: 1
Информация
Тяга в сборе
Количество
1
Масса;Материал
0,32;;
Артикул: 700-11-08-330-1
нет в наличии
Валик рычагов в сборе
Количество на схеме: 1
Информация
Валик рычагов в сборе
Количество
1
Масса;Материал
1,17;;
Артикул: 700-11-08-340
нет в наличии
Кулиса
Количество на схеме: 1
Информация
Кулиса
Количество
1
Масса;Материал
0,30;;
Артикул: 700-11-08-370-1
нет в наличии
Рукоятка акселератора в сборе
Количество на схеме: 1
Информация
Рукоятка акселератора в сборе
Количество
1
Масса;Материал
0,39;;
Артикул: 700-11-08-440
нет в наличии
Валик в сборе
Количество на схеме: 1
Информация
Валик в сборе
Количество
1
Масса;Материал
1,15;;
1
1
Артикул: 700-17-17-035
нет в наличии
Ручка шаровая
Количество на схеме: 1
Информация
Ручка шаровая
Количество
1
Масса;Материал
0,04;Пенопласт;
2
2
Артикул: 700-11-08-090-2
нет в наличии
Рукоятка акселератора
Количество на схеме: 1
Информация
Рукоятка акселератора
Количество
1
Масса;Материал
0,35;;
3
3
Артикул: Шплинт-1,6Х16-00-ГОСТ-397-66
нет в наличии
Шплинт 1,6Х16-00 ГОСТ 397-66
Количество на схеме: 9
Информация
Шплинт 1,6Х16-00 ГОСТ 397-66
Количество
9
Масса;Материал
;;
4
4
Артикул: Шайба-6-001-ГОСТ-11371-68
нет в наличии
Шайба 6-001 ГОСТ 11371-68
Количество на схеме: 9
Информация
Шайба 6-001 ГОСТ 11371-68
Количество
9
Масса;Материал
;;
6
6
Артикул: Шайба-10-001-ГОСТ-11371-68
нет в наличии
Шайба 10-001 ГОСТ 11371-68
Количество на схеме: 3
Информация
Шайба 10-001 ГОСТ 11371-68
Количество
3
Масса;Материал
;;
6
6
Артикул: Шплинт-2,5Х20-001-ГОСТ-397-66
нет в наличии
Шплинт 2,5Х20-001 ГОСТ 397-66
Количество на схеме: 1
Информация
Шплинт 2,5Х20-001 ГОСТ 397-66
Количество
1
Масса;Материал
;;
7
7
Артикул: Ось-2-10Х5Х65-100-ГОСТ-9650-66
нет в наличии
Ось 2-10Х5Х65-100 ГОСТ 9650-66
Количество на схеме: 1
Информация
Ось 2-10Х5Х65-100 ГОСТ 9650-66
Количество
1
Масса;Материал
;;
8
8
Артикул: Ось-2-6Х5Х25-100-ГОСТ-9650-66
нет в наличии
Ось 2-6Х5Х25-100 ГОСТ 9650-66
Количество на схеме: 9
Информация
Ось 2-6Х5Х25-100 ГОСТ 9650-66
Количество
9
Масса;Материал
;;
9
9
Артикул: Шайба-12-001-ГОСТ-11371-68
нет в наличии
Шайба 12-001 ГОСТ 11371-68
Количество на схеме: 2
Информация
Шайба 12-001 ГОСТ 11371-68
Количество
2
Масса;Материал
;;
10
10
Артикул: Гайка-М12Х1,25-011-ГОСТ-5927-62
нет в наличии
Гайка М12Х1,25-011 ГОСТ 5927-62
Количество на схеме: 1
Информация
Гайка М12Х1,25-011 ГОСТ 5927-62
Количество
1
Масса;Материал
;;
11
11
Артикул: 700-11-08-190-1
нет в наличии
Рукоятка
Количество на схеме: 1
Информация
Рукоятка
Количество
1
Масса;Материал
1,011;;
12
12
Артикул: 700-11-08-066
нет в наличии
Кронштейн
Количество на схеме: 4
Информация
Кронштейн
Количество
4
Масса;Материал
0,297;Сталь 30Л-1;
13
13
Артикул: Болт-М8Х40-021-ГОСТ-7811-52
нет в наличии
Болт М8Х40-021 ГОСТ 7811-52
Количество на схеме: 6
Информация
Болт М8Х40-021 ГОСТ 7811-52
Количество
6
Масса;Материал
;;
14
14
Артикул: 700-11-08-093-02
нет в наличии
Рычаг
Количество на схеме: 2
Информация
Рычаг
Количество
2
Масса;Материал
0,16;МСт.5;
15
15
Артикул: 700-11-08-081
нет в наличии
Упор
Количество на схеме: 1
Информация
Упор
Количество
1
Масса;Материал
0,077;МСт.5;
16
16
Артикул: Шайба-пружинная-8Н-ГОСТ-6402-61
нет в наличии
Шайба пружинная 8Н ГОСТ 6402-61
Количество на схеме: 28
Информация
Шайба пружинная 8Н ГОСТ 6402-61
Количество
28
Масса;Материал
;;
17
17
Артикул: Гайка-М8-011-ГОСТ-5927-62
нет в наличии
Гайка М8-011 ГОСТ 5927-62
Количество на схеме: 9
Информация
Гайка М8-011 ГОСТ 5927-62
Количество
9
Масса;Материал
;;
18
18
Артикул: 700-11-08-240-01
нет в наличии
Тяга в сборе
Количество на схеме: 1
Информация
Тяга в сборе
Количество
1
Масса;Материал
0,10;;
19
19
Артикул: Шпонка-сегментная-3Х5-ГОСТ-8795-68
нет в наличии
Шпонка сегментная 3Х5 ГОСТ 8795-68
Количество на схеме: 4
Информация
Шпонка сегментная 3Х5 ГОСТ 8795-68
Количество
4
Масса;Материал
;;
20
20
Артикул: 700-11-08-062
нет в наличии
Вилка тяги регулирующая
Количество на схеме: 2
Информация
Вилка тяги регулирующая
Количество
2
Масса;Материал
0,070;Сталь 30Л-1;
21
21
Артикул: 700-11-08-450
нет в наличии
Валик с рычагом
Количество на схеме: 1
Информация
Валик с рычагом
Количество
1
Масса;Материал
0,62;;
22
22
Артикул: 700-11-08-350
нет в наличии
Тяга в сборе
Количество на схеме: 2
Информация
Тяга в сборе
Количество
2
Масса;Материал
0,16;;
23
23
Артикул: Болт-М8Х16-021-ГОСТ-7808-62
нет в наличии
Болт М8Х16-021 ГОСТ 7808- 62
Количество на схеме: 9
Информация
Болт М8Х16-021 ГОСТ 7808- 62
Количество
9
Масса;Материал
;;
24
24
Артикул: Шайба-8-001-ГОСТ-6958-68
нет в наличии
Шайба 8-001 ГОСТ 6958-68
Количество на схеме: 5
Информация
Шайба 8-001 ГОСТ 6958-68
Количество
5
Масса;Материал
;;
25
25
Артикул: 700-11-08-012-1
нет в наличии
Кронштейн
Количество на схеме: 1
Информация
Кронштейн
Количество
1
Масса;Материал
0,14;Сталь 30Л-1;
26
26
Артикул: 700-11-08-470
нет в наличии
Педаль с накладкой
Количество на схеме: 1
Информация
Педаль с накладкой
Количество
1
Масса;Материал
0,75;;
27
27
Артикул: 700-11-08-117
нет в наличии
Упор
Количество на схеме: 1
Информация
Упор
Количество
1
Масса;Материал
0,06;Сталь 10;
28
28
Артикул: Болт-М8Х25-021-ГОСТ-7808-62
нет в наличии
Болт М8Х25-021 ГОСТ 7808-62
Количество на схеме: 20
Информация
Болт М8Х25-021 ГОСТ 7808-62
Количество
20
Масса;Материал
;;
29
29
Артикул: 700-11-08-115
нет в наличии
Кольцо уплотнительное
Количество на схеме: 1
Информация
Кольцо уплотнительное
Количество
1
Масса;Материал
22;Резина;
30
30
Артикул: 700-11-08-093-01
нет в наличии
Рычаг
Количество на схеме: 3
Информация
Рычаг
Количество
3
Масса;Материал
0,13;МСт.З;
31
31
Артикул: 700-11-08-099-1
нет в наличии
Пружина
Количество на схеме: 1
Информация
Пружина
Количество
1
Масса;Материал
0,016;Проволока 1-1,2;
32
32
Артикул: 700-11-08-096-1
нет в наличии
Валик
Количество на схеме: 1
Информация
Валик
Количество
1
Масса;Материал
0,67;Сталь 25;
33
33
Артикул: 700-11-08-200-2
нет в наличии
Привод останова двигателя
Количество на схеме: 1
Информация
Привод останова двигателя
Количество
1
Масса;Материал
0,30;;
34
34
Артикул: 700-11-08-114
нет в наличии
Кронштейн
Количество на схеме: 1
Информация
Кронштейн
Количество
1
Масса;Материал
0,003;Сталь 10;
35
35
Артикул: Шайба-пружинная-10Н-ГОСТ-1402-61
нет в наличии
Шайба пружинная 10Н ГОСТ 1402-61
Количество на схеме: 4
Информация
Шайба пружинная 10Н ГОСТ 1402-61
Количество
4
Масса;Материал
;;
36
36
Артикул: Гайка-М10-011-ГОСТ-5927-62
нет в наличии
Гайка М10-011 ГОСТ 5927-62
Количество на схеме: 1
Информация
Гайка М10-011 ГОСТ 5927-62
Количество
1
Масса;Материал
;;
37
37
Артикул: 700-11-08-240-03
нет в наличии
Тяга в сборе
Количество на схеме: 1
Информация
Тяга в сборе
Количество
1
Масса;Материал
0,250;;
38
38
Артикул: 700-11-08-410
нет в наличии
Тяга в сборе
Количество на схеме: 1
Информация
Тяга в сборе
Количество
1
Масса;Материал
0,225;;
39
39
Артикул: Винт-М10Х20-001-ГОСТ-1490-62
нет в наличии
Винт М10Х20-001 ГОСТ 1490-62
Количество на схеме: 1
Информация
Винт М10Х20-001 ГОСТ 1490-62
Количество
1
Масса;Материал
;;
40
40
Артикул: Болт-М10Х18-021-ГОСТ-7803-62
нет в наличии
Болт М10Х18-021 ГОСТ 7803-62
Количество на схеме: 3
Информация
Болт М10Х18-021 ГОСТ 7803-62
Количество
3
Масса;Материал
;;
41
41
Артикул: Шплинт-3,2Х20-001-ГОСТ-397-66
нет в наличии
Шплинт 3,2Х20-001 ГОСТ 397-66
Количество на схеме: 1
Информация
Шплинт 3,2Х20-001 ГОСТ 397-66
Количество
1
Масса;Материал
;;
42
42
Артикул: 700-11-08-097-1
нет в наличии
Серьга
Количество на схеме: 1
Информация
Серьга
Количество
1
Масса;Материал
0,08;Сталь 30Л-1;
43
43
Артикул: 700-11-08-025-1
нет в наличии
Серьга
Количество на схеме: 1
Информация
Серьга
Количество
1
Масса;Материал
0,077;МСт.3;
44
44
Артикул: 700-11-08-045
нет в наличии
Прокладка
Количество на схеме: 1
Информация
Прокладка
Количество
1
Масса;Материал
0,0003;Картон прокладочный;
45
45
Артикул: 700-11-08-021
нет в наличии
Крышка-колпачок акселератора
Количество на схеме: 1
Информация
Крышка-колпачок акселератора
Количество
1
Масса;Материал
0,103;Сталь 10;
46
46
Артикул: 700-11-08-044
нет в наличии
Прокладка
Количество на схеме: 1
Информация
Прокладка
Количество
1
Масса;Материал
0,005;Фибра ФТ;
47
47
Артикул: 700-11-08-023
нет в наличии
Шайба
Количество на схеме: 1
Информация
Шайба
Количество
1
Масса;Материал
0,8;СЧ18-36;
48
48
Артикул: Кольцо-СТ126-115-4,5-ГОСТ-288-61
нет в наличии
Кольцо СТ126-115-4,5 ГОСТ 288-61
Количество на схеме: 1
Информация
Кольцо СТ126-115-4,5 ГОСТ 288-61
Количество
1
Масса;Материал
;;
49
49
Артикул: 700-11-08-017
нет в наличии
Шестерня храповая
Количество на схеме: 1
Информация
Шестерня храповая
Количество
1
Масса;Материал
0,44;Сталь 30Л-1;
50
50
Артикул: 700-11-08-019
нет в наличии
Диск акселератора фрикционный
Количество на схеме: 2
Информация
Диск акселератора фрикционный
Количество
2
Масса;Материал
0,026;Асбобакелит;
51
51
Артикул: 700-11-08-032
нет в наличии
Стакан
Количество на схеме: 1
Информация
Стакан
Количество
1
Масса;Материал
0,40;СЧ18-36;
52
52
Артикул: 700-11-08-027
нет в наличии
Направляющая акселератора
Количество на схеме: 1
Информация
Направляющая акселератора
Количество
1
Масса;Материал
0,028;Сталь 10;
53
53
Артикул: 700-11-08-063
нет в наличии
Штифт цилиндрический
Количество на схеме: 2
Информация
Штифт цилиндрический
Количество
2
Масса;Материал
0,005;Сталь 45;
54
54
Артикул: Гайка-М27Х2-021-ТОСТ-5929-62
нет в наличии
Гайка М27Х2-021 ТОСТ 5929-62
Количество на схеме: 1
Информация
Гайка М27Х2-021 ТОСТ 5929-62
Количество
1
Масса;Материал
;;
55
55
Артикул: 700-11-08-043
нет в наличии
Шайба замковая
Количество на схеме: 1
Информация
Шайба замковая
Количество
1
Масса;Материал
0,018;Сталь 10;
56
56
Артикул: 700-11-08-039-1
нет в наличии
Кронштейн
Количество на схеме: 1
Информация
Кронштейн
Количество
1
Масса;Материал
0,65;МСт.З;
57
57
Артикул: 700-11-08-110
нет в наличии
Корпус контроллера в сборе
Количество на схеме: 1
Информация
Корпус контроллера в сборе
Количество
1
Масса;Материал
0,612;;
58
58
Артикул: 700-11-08-046
нет в наличии
Штифт цилиндрический
Количество на схеме: 1
Информация
Штифт цилиндрический
Количество
1
Масса;Материал
0,002;Сталь 45;
59
59
Артикул: Винт-М8Х16-001-ГОСТ-1490-62
нет в наличии
Винт М8Х16-001 ГОСТ 1490-62
Количество на схеме: 4
Информация
Винт М8Х16-001 ГОСТ 1490-62
Количество
4
Масса;Материал
;;
60
60
Артикул: 700-11-08-026
нет в наличии
Крышка тормоза акселератора
Количество на схеме: 1
Информация
Крышка тормоза акселератора
Количество
1
Масса;Материал
0,223;МСт.3;
61
61
Артикул: 700-11-08-064
нет в наличии
Болт
Количество на схеме: 1
Информация
Болт
Количество
1
Масса;Материал
0,05;Сталь 25;
62
62
Артикул: 700-11-08-360
нет в наличии
Сектор
Количество на схеме: 1
Информация
Сектор
Количество
1
Масса;Материал
0,075;;
63
63
Артикул: 700-11-08-031
нет в наличии
Пружина акселератора
Количество на схеме: 1
Информация
Пружина акселератора
Количество
1
Масса;Материал
0,045;Проволока 114;
64
64
Артикул: 700-11-08-028
нет в наличии
Сухарик
Количество на схеме: 1
Информация
Сухарик
Количество
1
Масса;Материал
0,015;Сталь 25;
65
65
Артикул: 700-11-08-029-1
нет в наличии
Палец
Количество на схеме: 1
Информация
Палец
Количество
1
Масса;Материал
0,45;Сталь 45;
  • Грузовые автомобили
  • Автобусы
  • Сельхозтехника
  • Спецтехника
  • Двигатели
Получить оптовый прайс-лист
Скачать прайс-лист от 08.05.2026 12:00
Специальное предложение от 08.05.2026 09:00
Производители:


  • WEICHAI
  • Автодизель ПАО (ЯМЗ)
  • Тутаевский МЗ
  • ЯЗДА
  • УралАЗ
  • МАЗ
  • АЗПИ
  • BOSCH
  • ММЗ
  • ШААЗ
  • FEDERAL MOGUL
  • ПРАМО
  • Мотордеталь
  • ТАИМ
  • АвтоКрАЗ
  • БЕЛКАРД
  • CZ Strakonice
  • КамАЗ
  • БЗА
  • ЧМЗ
  • BMZ
Новости
Все новости
25 марта 2024
Флагманский седельный тягач «Валдай 45» на выставке «TransRussia»
10 марта 2024
Современные автобусы «CITYMAX 9» и ЛиАЗ-5292 CNG
25 февраля 2024
Серийное производство средних дизельных двигателей повышенной мощности от ЯМЗ
Статьи
Все статьи
Датчики двигателя: за что они отвечают, признаки неисправности и как не прогадать с выбором
Двигатели ЯМЗ-534: история, технические характеристики и области применения
Двигатели ЯМЗ 650: углублённый технический обзор и история
Компания
О компании
Реквизиты
Новости
Политика
Магазины
Информация
Условия оплаты
Условия доставки
Гарантия на товар
Обмен и возврат товара
Помощь
Как оформить заказ
Полезные статьи
Бренды
Пункты выдачи
Оставайтесь на связи
  • Вконтакте
  • YouTube
  • Одноклассники
  • Google Plus
Увидели ошибку?
Выделите, нажав Ctrl + Enter
Наши контакты
8-800-700-35-68
sales@din76.ru
г. Ярославль, Ленинградский пр-т 33, ТЦ "ОМЕГА"
2026 © ООО «Динамика 76» - Все права защищены ООО "Динамика 76"
Предложения на сайте не являются публичной офертой.
На сайте обнаружена ошибка

Текст с ошибкой