Избранное 0 Корзина 0 Личный кабинет
logo
Каталог
Каталог
  • Справочник
    • Грузовые автомобили
    • Автобусы
    • Сельхозтехника
    • Спецтехника
    • Двигатели
  • Доставка
  • Оплата
  • О компании
    • Реквизиты
    • Магазины
    • Оплата
    • Доставка
    • Лицензии и сертификаты
    • Новости
    • Вакансии
  • Контакты
Отправить заявку
Личный кабинет
8 (800) 700-35-68
sales@din76.ru
Избранное 0 Корзина 0
8 (800) 700-35-68
Оптовый прайс-лист
Каталог
  • Двигатели
  • Запчасти WEICHAI
  • Запчасти ЯМЗ, ТМЗ (V-образные)
  • Запчасти ЯМЗ-534, ЯМЗ-536
  • Запчасти ЯМЗ-650, ЯМЗ-651, DCi-11
  • Топливная аппаратура
  • Запчасти УРАЛ
  • Запчасти МАЗ
  • Запчасти КамАЗ
  • Запчасти ММЗ
  • Ремни
Автокаталог (справочник)
  • Доставка
  • Оплата
  • О компании
  • Контакты
8 (800) 700-35-68
Написать в Whatsapp
sales@din76.ru
Динамика 76
Меню  
  • Каталог
    • Двигатели  
      • Двигатели ТМЗ  
        • Двигатели ТМЗ для автомобилей
        • Двигатели ТМЗ для тракторов
        • Специальные двигатели ТМЗ
        • Промышленные двигатели ТМЗ
      • Двигатели ЯМЗ  
        • ЯМЗ 236
        • ЯМЗ 238
        • ЯМЗ 240
        • ЯМЗ 751
        • ЯМЗ 840
        • ЯМЗ 850
        • ЯМЗ 656
        • ЯМЗ 658
        • ЯМЗ 534
        • ЯМЗ 536
        • ЯМЗ 650
        • Двигатели ЯМЗ для электростанций
      • Двигатели КАМАЗ
      • Двигатели ММЗ
      • Двигатели индивидуальной сборки
      • Комплекты переоборудования
    • Запчасти WEICHAI  
      • Основные запчасти двигателя  
        • Клапаны и толкатели
        • Шатуны
        • Вал коленчатый и маховик
        • Вал распределительный
        • Цилиндро-поршневая группа
      • Система питания  
        • Форсунки
        • Турбокомпрессор
      • Система смазки  
        • Насос масляный
      • Головка блока
      • Ремкомплекты
      • Система охлаждения  
        • Насос водяной
        • Муфта вязкостная и крыльчатка
      • Фильтры
      • Электрооборудование  
        • Генератор
        • Стартер
    • Запчасти ЯМЗ, ТМЗ (V-образные)  
      • Основные запчасти двигателя  
        • Блок двигателя и комплектующие
        • Валы распределительные и клапаны
        • Головка блока и комплектующие
        • Цилиндро-поршневая группа
        • Маховики и комплектующие
        • Валы коленчатые и комплектующие
        • Шатуны и комплектующие
      • Система питания  
        • Коллекторы и патрубки
        • Топливные трубопроводы
        • Турбокомпрессор
        • Топливные фильтры
      • Электрооборудование двигателя
      • Система охлаждения  
        • Вязкостные муфты и крыльчатки
        • Приводы вентилятора
        • Водяные насосы
        • Водяные трубы и термостаты
      • Коробки переключения передач  
        • 8 Ступенчатые КПП
        • 5 Ступенчатые КПП
        • 9 Ступенчатые КПП
        • Запасные части КПП ЯМЗ, ТМЗ
      • Система смазки  
        • Теплообменник и комплектующие
        • Масляные насосы
        • Фильтры масляные (ФГОМ, ФЦОМ)
      • Сцепление  
        • Запасные части механизма сцепления
        • Муфты (подшипники выжимные)
        • Корзины (диски нажимные)
        • Диски ведомые
      • Прочие запчасти двигателя  
        • Ремкомплекты
        • Привод агрегатов
        • Натяжные устройства
        • Трубки
    • Запчасти ЯМЗ-534, ЯМЗ-536  
      • Основные запчасти двигателя  
        • Цилиндро-поршневая группа
        • Головка блока цилиндров и комплектующие
        • Блок цилиндров и комплектующие
        • Вал коленчатый и маховик
        • Вал распределительный
        • Клапаны и толкатели
        • ГУР (Гидроусилитель руля)
        • Система рециркуляции отработавших газов
        • Выпускной коллектор
      • Система питания  
        • Коллекторы и патрубки
        • Топливные фильтры
        • Турбокомпрессор
        • Топливные трубопроводы
      • Система смазки  
        • Масляный картер поддон
        • Масляный насос
        • Теплообменник /Водо-масляный радиатор
        • Фильтры масляные (ФГОМ, ФЦОМ)
      • Пневмокомпрессор и натяжное
      • Система охлаждения  
        • Водяной насос
        • Водяные трубы и патрубки
        • Муфты вязкостные, приводы, крыльчатки
      • Ремкомплекты
      • Сцепление
      • Электрооборудование
    • Запчасти ЯМЗ-650, ЯМЗ-651, DCi-11  
      • Основные запчасти двигателя  
        • Цилиндро-поршневая группа
        • Головка блока цилиндров и комплектующие
        • Блок цилиндров и комплектующие
        • Вал коленчатый и маховик
        • Выпускной коллектор
        • Вал распределительный
        • Клапаны и толкатели
        • ГУР (Гидроусилитель руля)
        • Система рециркуляции отработавших газов
      • Система питания  
        • Коллекторы и патрубки
        • Топливные трубопроводы
        • Топливные фильтры
        • Турбокомпрессор
      • Система смазки  
        • Масляный картер / поддон
        • Масляный насос
        • Теплообменник / Водо-масляный радиатор
        • Фильтры масляные (ФГОМ, ФЦОМ)
      • Система охлаждения  
        • Водяной насос
        • Водяные трубы и патрубки
        • Муфты вязкостные, приводы, крыльчатки
      • Ремкомплекты
      • Пневмокомпрессор и натяжное
      • Электрооборудование
      • Сцепление
    • Топливная аппаратура  
      • ЯЗДА  
        • Распылители
        • ТНВД
        • Форсунки
        • Топливный насос низкого давления
        • Пары плунжерные
        • Муфта опережения впрыска топлива
        • Запчасти и комплектующие ТНВД
      • НЗТА
      • АЗПИ  
        • Распылители
        • Форсунки
      • BOSCH
    • Запчасти УРАЛ  
      • Трансмиссия  
        • Коробка раздаточная
        • Передача карданная
        • Мост задний
        • Мост передний (ведущий)
        • Мост средний (промежуточный)
      • Кузов  
        • Дверь кабины
        • Капот, крылья, облицовка радиатора
        • Окно ветровое и заднее
        • Отопление и вентиляция кабины
        • Кабина
      • Механизмы управления  
        • Управление рулевое
        • Тормоза
      • Дополнительное оборудование  
        • Отбор мощности
        • Устройство седельное
      • Электрооборудование
      • Ходовая часть  
        • Колеса и ступицы
        • Ось передняя
        • Подвеска автомобиля
        • Рама
    • Запчасти МАЗ  
      • Трансмиссия  
        • Мост задний
        • Мост передний (ведущий)
        • Передача карданная
        • Мост средний (промежуточный)
      • Кузов  
        • Кабина
        • Дверь кабины
        • Детали основания кабины
        • Окно ветровое и заднее
        • Платформа
      • Механизмы управления  
        • Тормоза
        • Управление рулевое
      • Ходовая часть  
        • Колеса и ступицы
        • Ось передняя
        • Подвеска автомобиля
        • Рама
    • Запчасти КамАЗ  
      • Кузов  
        • Кабина
        • Капот, крылья, облицовка радиатора
        • Дверь кабины
        • Платформа
        • Окно ветровое и заднее
        • Устройство подъемное и опрокидывающее
        • Сиденье
        • Крыша кабины (крыша кузова)
        • Отопление и вентиляция кабины
      • Трансмиссия  
        • Коробка передач
        • Коробка раздаточная
        • Мост задний
        • Сцепление
        • Мост средний (промежуточный)
        • Передача карданная
        • Мост передний (ведущий)
      • Двигатель  
        • Основные запчасти двигателя
        • Система охлаждения
        • Система питания
        • Система смазки
      • Дополнительное оборудование  
        • Отбор мощности
        • Устройство седельное
      • Ходовая часть  
        • Подвеска автомобиля
        • Рама
        • Колеса и ступицы
        • Ось передняя
      • Механизмы управления  
        • Тормоза
        • Управление рулевое
      • Электрооборудование
    • Запчасти ММЗ
    • Ремни
  • Справочник
    • Грузовые автомобили
    • Автобусы
    • Сельхозтехника
    • Спецтехника
    • Двигатели
  • Как купить
    • Условия оплаты
    • Условия доставки
    • Гарантия на товар
    • Пункты выдачи
  • Услуги
    • Капитальный ремонт двигателей ЯМЗ
  • Акции
  • Статьи
  • Контакты
  • Компания
    • Реквизиты
    • Магазины
    • Оплата
    • Доставка
    • Лицензии и сертификаты
    • Новости
    • Вакансии
Избранное 0 Корзина 0
8-800-700-35-68

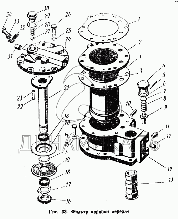
Фильтр коробки передач на К-700

Справочник
Главная
-
Автокаталог
-
Сельхозтехника
-
Петербургский Трактор
-
К-700
Справочный каталог

Фильтр коробки передач — К-700:

700.17.16.000-3 700.17.16.090 700.17.16.110 1 1 2 3 4 5 6 6 7 8 9 10 11 12 13 14 15 16 17 18 18 19 20 21 22 23 24 25 26 27 28 29 30 31 31 32 33 34
в наличии
нет в наличии
масштаб

В наличии
Нет в наличии

Перечень комплектующих от Фильтр коробки передач на К-700

Схемы запчастей предназначены для справочных целей! Мы продаем не все запчасти от Фильтр коробки передач на К-700, представленные в этом списке.
Наличие на складах по деталям с ценой смотрите в карточке товара.
Артикул: 700-17-16-000-3
нет в наличии
Фильтр коробка передач а сборе
Количество на схеме: 1
Информация
Фильтр коробка передач а сборе
Количество
1
Масса;Материал
13,73;;
Артикул: 700-17-16-090
нет в наличии
Корпус в сборе
Количество на схеме: 1
Информация
Корпус в сборе
Количество
1
Масса;Материал
7,18;;
Артикул: 700-17-16-110
нет в наличии
Крышка в сборе
Количество на схеме: 1
Информация
Крышка в сборе
Количество
1
Масса;Материал
2,025;;
1
1
Артикул: 700-17-16-078
нет в наличии
Прокладка
Количество на схеме: 2
Информация
Прокладка
Количество
2
Масса;Материал
0,01;Паронит УВ-10;
2
2
Артикул: 700-17-16-100
нет в наличии
Стакан в сборе
Количество на схеме: 1
Информация
Стакан в сборе
Количество
1
Масса;Материал
1,895;;
3
3
Артикул: Винт-М6Х12-001-ГОСТ-1489-62
нет в наличии
Винт М6Х12-001 ГОСТ 1489-62
Количество на схеме: 2
Информация
Винт М6Х12-001 ГОСТ 1489-62
Количество
2
Масса;Материал
;;
4
4
Артикул: 700-17-16-076
нет в наличии
Пробка
Количество на схеме: 1
Информация
Пробка
Количество
1
Масса;Материал
0,072;Сталь 45;
5
5
Артикул: Проволока-КО-1,2Х700-мм-ГОСТ-792-67
нет в наличии
Проволока КО 1,2Х700 мм ГОСТ 792-67
Количество на схеме: 1
Информация
Проволока КО 1,2Х700 мм ГОСТ 792-67
Количество
1
Масса;Материал
;;
6
6
Артикул: 700-17-16-094-02
нет в наличии
Прокладка
Количество на схеме: 26
Информация
Прокладка
Количество
26
Масса;Материал
0,002;А2;
7
7
Артикул: 700-17-16-082
нет в наличии
Прокладка
Количество на схеме: 10
Информация
Прокладка
Количество
10
Масса;Материал
0,002;Сталь 10;
8
8
Артикул: 700-39-16-015
нет в наличии
Пружина
Количество на схеме: 1
Информация
Пружина
Количество
1
Масса;Материал
0,02;Проволока П-2,5;
9
9
Артикул: 700-17-16-081
нет в наличии
Клапан
Количество на схеме: 1
Информация
Клапан
Количество
1
Масса;Материал
0,025;Сталь 45Х;
10
10
Артикул: Штифт-цилиндрический-10Пр2/2аХ28-ГОСТ-31
нет в наличии
Штифт цилиндрический 10Пр2/2аХ28 ГОСТ 3128-60
Количество на схеме: 2
Информация
Штифт цилиндрический 10Пр2/2аХ28 ГОСТ 3128-60
Количество
2
Масса;Материал
;;
11
11
Артикул: 700-17-16-033-02
нет в наличии
Заглушка
Количество на схеме: 1
Информация
Заглушка
Количество
1
Масса;Материал
0,01;Сталь 25;
12
12
Артикул: 700-17-16-034-3
нет в наличии
Корпус
Количество на схеме: 1
Информация
Корпус
Количество
1
Масса;Материал
6,72;СЧ13-36;
13
13
Артикул: 700-17-16-066
нет в наличии
Гильза
Количество на схеме: 1
Информация
Гильза
Количество
1
Масса;Материал
0,41;Сталь 45Х;
14
14
Артикул: Болт-М10Х25-ГОСТ-7808-62
нет в наличии
Болт М10Х25 ГОСТ 7808-62
Количество на схеме: 8
Информация
Болт М10Х25 ГОСТ 7808-62
Количество
8
Масса;Материал
;;
15
15
Артикул: Шайба-пружинная-10Н-ГОСТ-6402-61
нет в наличии
Шайба пружинная 10Н ГОСТ 6402-61
Количество на схеме: 8
Информация
Шайба пружинная 10Н ГОСТ 6402-61
Количество
8
Масса;Материал
;;
16
16
Артикул: 700-17-16-099
нет в наличии
Гайка
Количество на схеме: 1
Информация
Гайка
Количество
1
Масса;Материал
0,05;Сталь 25;
17
17
Артикул: Шайба-стопорная-27-001-ГОСТ-11872-66
нет в наличии
Шайба стопорная 27-001 ГОСТ 11872-66
Количество на схеме: 1
Информация
Шайба стопорная 27-001 ГОСТ 11872-66
Количество
1
Масса;Материал
;;
18
18
Артикул: 700-17-16-077
нет в наличии
Втулка
Количество на схеме: 2
Информация
Втулка
Количество
2
Масса;Материал
0,045;Сталь 20;
19
19
Артикул: 700-17-16-170
нет в наличии
Секция фильтра в сборе
Количество на схеме: 26
Информация
Секция фильтра в сборе
Количество
26
Масса;Материал
0,049;;
20
20
Артикул: 700-17-16-073
нет в наличии
Отражатель
Количество на схеме: 1
Информация
Отражатель
Количество
1
Масса;Материал
0,002;Сталь10;
21
21
Артикул: 700-17-16-120
нет в наличии
Основание в сборе
Количество на схеме: 1
Информация
Основание в сборе
Количество
1
Масса;Материал
0,48;;
22
22
Артикул: Болт-М6Х16-021-ГОСТ-7805-62
нет в наличии
Болт М6Х16-021 ГОСТ 7805-62
Количество на схеме: 3
Информация
Болт М6Х16-021 ГОСТ 7805-62
Количество
3
Масса;Материал
;;
23
23
Артикул: Шайба-пружинная-6Н-ГОСТ-6402-61
нет в наличии
Шайба пружинная 6Н ГОСТ 6402-61
Количество на схеме: 3
Информация
Шайба пружинная 6Н ГОСТ 6402-61
Количество
3
Масса;Материал
;;
24
24
Артикул: 700-17-16-036-4
нет в наличии
Крышка
Количество на схеме: 1
Информация
Крышка
Количество
1
Масса;Материал
2,5;СЧ18-36;
25
25
Артикул: Шайба-пружинная-10Н-ГОСТ-6402-61
нет в наличии
Шайба пружинная 10Н ГОСТ 6402-61
Количество на схеме: 7
Информация
Шайба пружинная 10Н ГОСТ 6402-61
Количество
7
Масса;Материал
;;
26
26
Артикул: Болт-М10Х35-021-ГОСТ-7808-62
нет в наличии
Болт М10Х35-021 ГОСТ 7808-62
Количество на схеме: 1
Информация
Болт М10Х35-021 ГОСТ 7808-62
Количество
1
Масса;Материал
;;
27
27
Артикул: Шарик-БV-16-мм-Н-ГОСТ-3722-60
нет в наличии
Шарик БV 16 мм Н ГОСТ 3722-60
Количество на схеме: 1
Информация
Шарик БV 16 мм Н ГОСТ 3722-60
Количество
1
Масса;Материал
;;
28
28
Артикул: 700-46-14-039
нет в наличии
Пружина
Количество на схеме: 1
Информация
Пружина
Количество
1
Масса;Материал
0,003;Проволока II- 1,2;
29
29
Артикул: 700-17-16-094-01
нет в наличии
Прокладка
Количество на схеме: 1
Информация
Прокладка
Количество
1
Масса;Материал
0,002;А2;
30
30
Артикул: 700-17-16-093
нет в наличии
Пробка
Количество на схеме: 1
Информация
Пробка
Количество
1
Масса;Материал
0,06;Сталь А12;
31
31
Артикул: 700-17-16-083-01
нет в наличии
Заглушка
Количество на схеме: 1
Информация
Заглушка
Количество
1
Масса;Материал
0,025;Сталь 25;
32
32
Артикул: Шайба-стопорная-13-2
нет в наличии
Шайба стопорная 13-2
Количество на схеме: 1
Информация
Шайба стопорная 13-2
Количество
1
Масса;Материал
;;
33
33
Артикул: Гайка-М12-010-ГОСТ-5927-62
нет в наличии
Гайка М12-010 ГОСТ 5927-62
Количество на схеме: 1
Информация
Гайка М12-010 ГОСТ 5927-62
Количество
1
Масса;Материал
;;
34
34
Артикул: Болт-М12Х40-021-ГОСТ-7808-52
нет в наличии
Болт М12Х40-021 ГОСТ 7808-52
Количество на схеме: 1
Информация
Болт М12Х40-021 ГОСТ 7808-52
Количество
1
Масса;Материал
;;
  • Грузовые автомобили
  • Автобусы
  • Сельхозтехника
  • Спецтехника
  • Двигатели
Получить оптовый прайс-лист
Скачать прайс-лист от 08.05.2026 12:00
Специальное предложение от 08.05.2026 09:00
Производители:


  • WEICHAI
  • Автодизель ПАО (ЯМЗ)
  • Тутаевский МЗ
  • ЯЗДА
  • УралАЗ
  • МАЗ
  • АЗПИ
  • BOSCH
  • ММЗ
  • ШААЗ
  • FEDERAL MOGUL
  • ПРАМО
  • Мотордеталь
  • ТАИМ
  • АвтоКрАЗ
  • БЕЛКАРД
  • CZ Strakonice
  • КамАЗ
  • БЗА
  • ЧМЗ
  • BMZ
Новости
Все новости
25 марта 2024
Флагманский седельный тягач «Валдай 45» на выставке «TransRussia»
10 марта 2024
Современные автобусы «CITYMAX 9» и ЛиАЗ-5292 CNG
25 февраля 2024
Серийное производство средних дизельных двигателей повышенной мощности от ЯМЗ
Статьи
Все статьи
Датчики двигателя: за что они отвечают, признаки неисправности и как не прогадать с выбором
Двигатели ЯМЗ-534: история, технические характеристики и области применения
Двигатели ЯМЗ 650: углублённый технический обзор и история
Компания
О компании
Реквизиты
Новости
Политика
Магазины
Информация
Условия оплаты
Условия доставки
Гарантия на товар
Обмен и возврат товара
Помощь
Как оформить заказ
Полезные статьи
Бренды
Пункты выдачи
Оставайтесь на связи
  • Вконтакте
  • YouTube
  • Одноклассники
  • Google Plus
Увидели ошибку?
Выделите, нажав Ctrl + Enter
Наши контакты
8-800-700-35-68
sales@din76.ru
г. Ярославль, Ленинградский пр-т 33, ТЦ "ОМЕГА"
2026 © ООО «Динамика 76» - Все права защищены ООО "Динамика 76"
Предложения на сайте не являются публичной офертой.
На сайте обнаружена ошибка

Текст с ошибкой