Избранное 0 Корзина 0 Личный кабинет
logo
Каталог
Каталог
  • Справочник
    • Грузовые автомобили
    • Автобусы
    • Сельхозтехника
    • Спецтехника
    • Двигатели
  • Доставка
  • Оплата
  • О компании
    • Реквизиты
    • Магазины
    • Оплата
    • Доставка
    • Лицензии и сертификаты
    • Новости
    • Вакансии
  • Контакты
Отправить заявку
Личный кабинет
8 (800) 700-35-68
sales@din76.ru
Избранное 0 Корзина 0
8 (800) 700-35-68
Оптовый прайс-лист
Каталог
  • Двигатели
  • Запчасти WEICHAI
  • Запчасти ЯМЗ, ТМЗ (V-образные)
  • Запчасти ЯМЗ-534, ЯМЗ-536
  • Запчасти ЯМЗ-650, ЯМЗ-651, DCi-11
  • Топливная аппаратура
  • Запчасти УРАЛ
  • Запчасти МАЗ
  • Запчасти КамАЗ
  • Запчасти ММЗ
  • Ремни
Автокаталог (справочник)
  • Доставка
  • Оплата
  • О компании
  • Контакты
8 (800) 700-35-68
Написать в Whatsapp
sales@din76.ru
Динамика 76
Меню  
  • Каталог
    • Двигатели  
      • Двигатели ТМЗ  
        • Двигатели ТМЗ для автомобилей
        • Двигатели ТМЗ для тракторов
        • Специальные двигатели ТМЗ
        • Промышленные двигатели ТМЗ
      • Двигатели ЯМЗ  
        • ЯМЗ 236
        • ЯМЗ 238
        • ЯМЗ 240
        • ЯМЗ 751
        • ЯМЗ 840
        • ЯМЗ 850
        • ЯМЗ 656
        • ЯМЗ 658
        • ЯМЗ 534
        • ЯМЗ 536
        • ЯМЗ 650
        • Двигатели ЯМЗ для электростанций
      • Двигатели КАМАЗ
      • Двигатели ММЗ
      • Двигатели индивидуальной сборки
      • Комплекты переоборудования
    • Запчасти WEICHAI  
      • Основные запчасти двигателя  
        • Клапаны и толкатели
        • Шатуны
        • Вал коленчатый и маховик
        • Вал распределительный
        • Цилиндро-поршневая группа
      • Система питания  
        • Форсунки
        • Турбокомпрессор
      • Система смазки  
        • Насос масляный
      • Головка блока
      • Ремкомплекты
      • Система охлаждения  
        • Насос водяной
        • Муфта вязкостная и крыльчатка
      • Фильтры
      • Электрооборудование  
        • Генератор
        • Стартер
    • Запчасти ЯМЗ, ТМЗ (V-образные)  
      • Основные запчасти двигателя  
        • Блок двигателя и комплектующие
        • Валы распределительные и клапаны
        • Головка блока и комплектующие
        • Цилиндро-поршневая группа
        • Маховики и комплектующие
        • Валы коленчатые и комплектующие
        • Шатуны и комплектующие
      • Система питания  
        • Коллекторы и патрубки
        • Топливные трубопроводы
        • Турбокомпрессор
        • Топливные фильтры
      • Электрооборудование двигателя
      • Система охлаждения  
        • Вязкостные муфты и крыльчатки
        • Приводы вентилятора
        • Водяные насосы
        • Водяные трубы и термостаты
      • Коробки переключения передач  
        • 8 Ступенчатые КПП
        • 5 Ступенчатые КПП
        • 9 Ступенчатые КПП
        • Запасные части КПП ЯМЗ, ТМЗ
      • Система смазки  
        • Теплообменник и комплектующие
        • Масляные насосы
        • Фильтры масляные (ФГОМ, ФЦОМ)
      • Сцепление  
        • Запасные части механизма сцепления
        • Муфты (подшипники выжимные)
        • Корзины (диски нажимные)
        • Диски ведомые
      • Прочие запчасти двигателя  
        • Ремкомплекты
        • Привод агрегатов
        • Натяжные устройства
        • Трубки
    • Запчасти ЯМЗ-534, ЯМЗ-536  
      • Основные запчасти двигателя  
        • Цилиндро-поршневая группа
        • Головка блока цилиндров и комплектующие
        • Блок цилиндров и комплектующие
        • Вал коленчатый и маховик
        • Вал распределительный
        • Клапаны и толкатели
        • ГУР (Гидроусилитель руля)
        • Система рециркуляции отработавших газов
        • Выпускной коллектор
      • Система питания  
        • Коллекторы и патрубки
        • Топливные фильтры
        • Турбокомпрессор
        • Топливные трубопроводы
      • Система смазки  
        • Масляный картер поддон
        • Масляный насос
        • Теплообменник /Водо-масляный радиатор
        • Фильтры масляные (ФГОМ, ФЦОМ)
      • Пневмокомпрессор и натяжное
      • Система охлаждения  
        • Водяной насос
        • Водяные трубы и патрубки
        • Муфты вязкостные, приводы, крыльчатки
      • Ремкомплекты
      • Сцепление
      • Электрооборудование
    • Запчасти ЯМЗ-650, ЯМЗ-651, DCi-11  
      • Основные запчасти двигателя  
        • Цилиндро-поршневая группа
        • Головка блока цилиндров и комплектующие
        • Блок цилиндров и комплектующие
        • Вал коленчатый и маховик
        • Выпускной коллектор
        • Вал распределительный
        • Клапаны и толкатели
        • ГУР (Гидроусилитель руля)
        • Система рециркуляции отработавших газов
      • Система питания  
        • Коллекторы и патрубки
        • Топливные трубопроводы
        • Топливные фильтры
        • Турбокомпрессор
      • Система смазки  
        • Масляный картер / поддон
        • Масляный насос
        • Теплообменник / Водо-масляный радиатор
        • Фильтры масляные (ФГОМ, ФЦОМ)
      • Система охлаждения  
        • Водяной насос
        • Водяные трубы и патрубки
        • Муфты вязкостные, приводы, крыльчатки
      • Ремкомплекты
      • Пневмокомпрессор и натяжное
      • Электрооборудование
      • Сцепление
    • Топливная аппаратура  
      • ЯЗДА  
        • Распылители
        • ТНВД
        • Форсунки
        • Топливный насос низкого давления
        • Пары плунжерные
        • Муфта опережения впрыска топлива
        • Запчасти и комплектующие ТНВД
      • НЗТА
      • АЗПИ  
        • Распылители
        • Форсунки
      • BOSCH
    • Запчасти УРАЛ  
      • Трансмиссия  
        • Коробка раздаточная
        • Передача карданная
        • Мост задний
        • Мост передний (ведущий)
        • Мост средний (промежуточный)
      • Кузов  
        • Дверь кабины
        • Капот, крылья, облицовка радиатора
        • Окно ветровое и заднее
        • Отопление и вентиляция кабины
        • Кабина
      • Механизмы управления  
        • Управление рулевое
        • Тормоза
      • Дополнительное оборудование  
        • Отбор мощности
        • Устройство седельное
      • Электрооборудование
      • Ходовая часть  
        • Колеса и ступицы
        • Ось передняя
        • Подвеска автомобиля
        • Рама
    • Запчасти МАЗ  
      • Трансмиссия  
        • Мост задний
        • Мост передний (ведущий)
        • Передача карданная
        • Мост средний (промежуточный)
      • Кузов  
        • Кабина
        • Дверь кабины
        • Детали основания кабины
        • Окно ветровое и заднее
        • Платформа
      • Механизмы управления  
        • Тормоза
        • Управление рулевое
      • Ходовая часть  
        • Колеса и ступицы
        • Ось передняя
        • Подвеска автомобиля
        • Рама
    • Запчасти КамАЗ  
      • Кузов  
        • Кабина
        • Капот, крылья, облицовка радиатора
        • Дверь кабины
        • Платформа
        • Окно ветровое и заднее
        • Устройство подъемное и опрокидывающее
        • Сиденье
        • Крыша кабины (крыша кузова)
        • Отопление и вентиляция кабины
      • Трансмиссия  
        • Коробка передач
        • Коробка раздаточная
        • Мост задний
        • Сцепление
        • Мост средний (промежуточный)
        • Передача карданная
        • Мост передний (ведущий)
      • Двигатель  
        • Основные запчасти двигателя
        • Система охлаждения
        • Система питания
        • Система смазки
      • Дополнительное оборудование  
        • Отбор мощности
        • Устройство седельное
      • Ходовая часть  
        • Подвеска автомобиля
        • Рама
        • Колеса и ступицы
        • Ось передняя
      • Механизмы управления  
        • Тормоза
        • Управление рулевое
      • Электрооборудование
    • Запчасти ММЗ
    • Ремни
  • Справочник
    • Грузовые автомобили
    • Автобусы
    • Сельхозтехника
    • Спецтехника
    • Двигатели
  • Как купить
    • Условия оплаты
    • Условия доставки
    • Гарантия на товар
    • Пункты выдачи
  • Услуги
    • Капитальный ремонт двигателей ЯМЗ
  • Акции
  • Статьи
  • Контакты
  • Компания
    • Реквизиты
    • Магазины
    • Оплата
    • Доставка
    • Лицензии и сертификаты
    • Новости
    • Вакансии
Избранное 0 Корзина 0
8-800-700-35-68

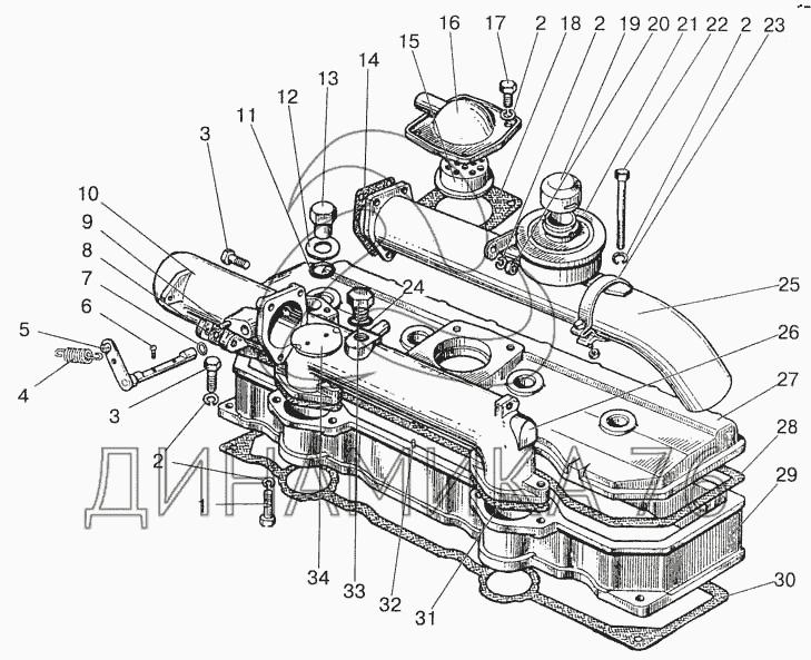
Головка цилиндров. Клапаны и толкатели клапанов на МТЗ-923 (до 2008 г.)

Справочник
Главная
-
Автокаталог
-
Сельхозтехника
-
МТЗ
-
МТЗ-923
Справочный каталог

Головка цилиндров. Клапаны и толкатели клапанов — МТЗ-923:

1 2 2 2 2 3 3 4 5 6 7 8 9 10 10 11 12 13 14 15 16 17 18 19 20 21 21 22 23 24 25 26 27 28 29 29 30 31 32 33 34
в наличии
нет в наличии
масштаб

В наличии
Нет в наличии

Перечень комплектующих от Головка цилиндров. Клапаны и толкатели клапанов на МТЗ-923

Схемы запчастей предназначены для справочных целей! Мы продаем не все запчасти от Головка цилиндров. Клапаны и толкатели клапанов на МТЗ-923, представленные в этом списке.
Наличие на складах по деталям с ценой смотрите в карточке товара.
1
1
Артикул: М8х35
нет в наличии
Болт
Количество на схеме: 5
Информация
Болт
Количество
5
Англ. номер;Масса
M8x35;0;
2
2
Артикул: ШП8
нет в наличии
Шайба
Количество на схеме: 10
Информация
Шайба
Количество
10
Англ. номер;Масса
SHP8;0;
3
3
Артикул: М8х30
нет в наличии
Болт
Количество на схеме: 5
Информация
Болт
Количество
5
Англ. номер;Масса
M8x30;0;
4
4
Артикул: 240-1003226-А1
нет в наличии
Пружина
Количество на схеме: 1
Информация
Пружина
Количество
1
Англ. номер;Масса
240-1003226-A1;0;
Модель
240
Группа
Двигатель
Подгруппа
Головка блока цилиндров
Порядковый номер детали
226
5
5
Артикул: 240-1003240-А1
нет в наличии
Валик
Количество на схеме: 1
Информация
Валик
Количество
1
Англ. номер;Масса
240-1003240-A1;0;
Модель
240
Группа
Двигатель
Подгруппа
Головка блока цилиндров
Порядковый номер детали
240
6
6
Артикул: ВМ4х10
нет в наличии
Винт
Количество на схеме: 2
Информация
Винт
Количество
2
Англ. номер;Масса
VM4x10;0;
7
7
Артикул: 009-013-25-2-1
нет в наличии
Кольцо
Количество на схеме: 2
Информация
Кольцо
Количество
2
Англ. номер;Масса
009-013-25-2-1;0,001;
8
8
Артикул: 240-1003264-А
нет в наличии
Прокладка
Количество на схеме: 2
Информация
Прокладка
Количество
2
Англ. номер;Масса
240-1003264-A;0,005;
Модель
240
Группа
Двигатель
Подгруппа
Головка блока цилиндров
Порядковый номер детали
264
9
9
Артикул: 240-1003227
нет в наличии
Штифт
Количество на схеме: 1
Информация
Штифт
Количество
1
Англ. номер;Масса
240-1003227;0;
Модель
240
Группа
Двигатель
Подгруппа
Головка блока цилиндров
Порядковый номер детали
227
10
10
Артикул: 240-1003220-В-03
нет в наличии
Патрубок
Количество на схеме: 1
Информация
Патрубок
Количество
1
Англ. номер;Масса
240-1003220-B-03;0;
Модель
240
Группа
Двигатель
Подгруппа
Головка блока цилиндров
Порядковый номер детали
220
10
10
Артикул: 240-1003222-В
в наличии
Патрубок
Количество на схеме: 2
Информация
Патрубок
Количество
2
Англ. номер;Масса
240-1003222-B;0;
Модель
240
Группа
Двигатель
Подгруппа
Головка блока цилиндров
Порядковый номер детали
222
Патрубок МТЗ,Д-243 коллектора впускного MMЗ
Артикул: 240-1003222-В
Патрубок МТЗ,Д-243 коллектора впускного MMЗ
Код для заказа: 00043718
Цена: 2 043 ₽/шт.
Под заказ
Патрубок МТЗ,Д-243 коллектора впускного MMЗ
Артикул: 240-1003222-В
Код для заказа: 00043718
Патрубок МТЗ,Д-243 коллектора впускного MMЗ
Цена: 2 043 ₽/шт.
Под заказ
11
11
Артикул: 50-1003107-А-01
нет в наличии
Кольцо
Количество на схеме: 4
Информация
Кольцо
Количество
4
Англ. номер;Масса
50-1003107-A-01;0,001;
Модель
50
Группа
Двигатель
Подгруппа
Головка блока цилиндров
Порядковый номер детали
107
12
12
Артикул: 50-1003106
нет в наличии
Шайба
Количество на схеме: 4
Информация
Шайба
Количество
4
Англ. номер;Масса
50-1003106;0,015;
Модель
50
Группа
Двигатель
Подгруппа
Головка блока цилиндров
Порядковый номер детали
106
13
13
Артикул: 50-1003104-А
в наличии
Гайка колпака
Количество на схеме: 4
Информация
Гайка колпака
Количество
4
Англ. номер;Масса
50-1003104-A;0,026000001;
Модель
50
Группа
Двигатель
Подгруппа
Головка блока цилиндров
Порядковый номер детали
104
Гайка ЗИЛ-5301 колпака головки блока ММЗ
Артикул: 50-1003104-А
Гайка ЗИЛ-5301 колпака головки блока ММЗ
Код для заказа: 00027236
Цена: 178 ₽/шт.
Под заказ
Гайка ЗИЛ-5301 колпака головки блока ММЗ
Артикул: 50-1003104-А
Код для заказа: 00027236
Гайка ЗИЛ-5301 колпака головки блока ММЗ
Цена: 178 ₽/шт.
Под заказ
14
14
Артикул: 240-1003264-А
нет в наличии
Прокладка
Количество на схеме: 2
Информация
Прокладка
Количество
2
Англ. номер;Масса
240-1003264-A;0,005;
Модель
240
Группа
Двигатель
Подгруппа
Головка блока цилиндров
Порядковый номер детали
264
15
15
Артикул: 240-1002440
нет в наличии
Фильтр
Количество на схеме: 1
Информация
Фильтр
Количество
1
Англ. номер;Масса
240-1002440;0,064000003;
Модель
240
Группа
Двигатель
Подгруппа
Блок цилиндров
Порядковый номер детали
440
16
16
Артикул: 240-1002430-В
нет в наличии
Корпус сапуна
Количество на схеме: 1
Информация
Корпус сапуна
Количество
1
Англ. номер;Масса
240-1002430-B;0;
Модель
240
Группа
Двигатель
Подгруппа
Блок цилиндров
Порядковый номер детали
430
17
17
Артикул: М8х16
нет в наличии
Болт
Количество на схеме: 4
Информация
Болт
Количество
4
Англ. номер;Масса
M8x16;0;
18
18
Артикул: 240-1002444-А
нет в наличии
Прокладка
Количество на схеме: 1
Информация
Прокладка
Количество
1
Англ. номер;Масса
240-1002444-A;0,006;
Модель
240
Группа
Двигатель
Подгруппа
Блок цилиндров
Порядковый номер детали
444
19
19
Артикул: 240-3707200-01
нет в наличии
Пробка
Количество на схеме: 1
Информация
Пробка
Количество
1
Англ. номер;Масса
240-3707200-01;0,119999997;
Модель
240
Группа
Электрооборудование
Подгруппа
Свечи зажигания (запальные) и провода
Порядковый номер детали
200
20
20
Артикул: М8
нет в наличии
Гайка
Количество на схеме: 2
Информация
Гайка
Количество
2
Англ. номер;Масса
M8;0;
21
21
Артикул: 240-3707140-А-01
нет в наличии
Бачок
Количество на схеме: 1
Информация
Бачок
Количество
1
Англ. номер;Масса
240-3707140-A-01;0,379999995;
Модель
240
Группа
Электрооборудование
Подгруппа
Свечи зажигания (запальные) и провода
Порядковый номер детали
140
21
21
Артикул: 240-3707220
нет в наличии
Бачок с пробкой
Количество на схеме: 1
Информация
Бачок с пробкой
Количество
1
Англ. номер;Масса
240-3707220;0;
Модель
240
Группа
Электрооборудование
Подгруппа
Свечи зажигания (запальные) и провода
Порядковый номер детали
220
22
22
Артикул: М3х30
нет в наличии
Болт
Количество на схеме: 1
Информация
Болт
Количество
1
Англ. номер;Масса
M3x30;0;
23
23
Артикул: ХС-61-019
нет в наличии
Хомут
Количество на схеме: 1
Информация
Хомут
Количество
1
Англ. номер;Масса
XS-61.019;0,029999999;
24
24
Артикул: Д18-055-А
в наличии
Шайба
Количество на схеме: 1
Информация
Шайба
Количество
1
Англ. номер;Масса
D18-055-A;0,004;
Кольцо Д-245 уплотнительное d=14мм медь ММЗ
Артикул: Д18-055-А
Кольцо Д-245 уплотнительное d=14мм медь ММЗ
Код для заказа: 00033464
Цена: 38 ₽/шт.
Под заказ
Кольцо Д-245 уплотнительное d=14мм медь ММЗ
Артикул: Д18-055-А
Код для заказа: 00033464
Кольцо Д-245 уплотнительное d=14мм медь ММЗ
Цена: 38 ₽/шт.
Под заказ
25
25
Артикул: 240-1003260
в наличии
Труба
Количество на схеме: 1
Информация
Труба
Количество
1
Англ. номер;Масса
240-1003260;0;
Модель
240
Группа
Двигатель
Подгруппа
Головка блока цилиндров
Порядковый номер детали
260
Труба МТЗ воздухоподводящая ММЗ
Артикул: 240-1003260
Труба МТЗ воздухоподводящая ММЗ
Код для заказа: 00057324
Цена: 1 616 ₽/шт.
Под заказ
Труба МТЗ воздухоподводящая ММЗ
Артикул: 240-1003260
Код для заказа: 00057324
Труба МТЗ воздухоподводящая ММЗ
Цена: 1 616 ₽/шт.
Под заказ
26
26
Артикул: 240-1003033
в наличии
Коллектор
Количество на схеме: 1
Информация
Коллектор
Количество
1
Англ. номер;Масса
240-1003033;0;
Модель
240
Группа
Двигатель
Подгруппа
Головка блока цилиндров
Порядковый номер детали
033
Коллектор МТЗ впускной ММЗ
Артикул: 240-1003033
Коллектор МТЗ впускной ММЗ
Код для заказа: 00032785
Цена: 5 075 ₽/шт.
Под заказ
Коллектор МТЗ впускной ММЗ
Артикул: 240-1003033
Код для заказа: 00032785
Коллектор МТЗ впускной ММЗ
Цена: 5 075 ₽/шт.
Под заказ
27
27
Артикул: 240-1003122-Б
в наличии
Колпак крышки
Количество на схеме: 1
Информация
Колпак крышки
Количество
1
Англ. номер;Масса
240-1003122-B;0;
Модель
240
Группа
Двигатель
Подгруппа
Головка блока цилиндров
Порядковый номер детали
122
Колпак МТЗ крышки головки блока ММЗ
Артикул: 240-1003122-Б
Колпак МТЗ крышки головки блока ММЗ
Код для заказа: 00033143
Цена: 6 299 ₽/шт.
Под заказ
Колпак МТЗ крышки головки блока ММЗ
Артикул: 240-1003122-Б
Код для заказа: 00033143
Колпак МТЗ крышки головки блока ММЗ
Цена: 6 299 ₽/шт.
Под заказ
28
28
Артикул: 240-1003109
нет в наличии
Прокладка
Количество на схеме: 1
Информация
Прокладка
Количество
1
Англ. номер;Масса
240-1003109;0,055;
Модель
240
Группа
Двигатель
Подгруппа
Головка блока цилиндров
Порядковый номер детали
109
29
29
Артикул: 240-1003030
нет в наличии
Крышка головки цилиндров
Количество на схеме: 1
Информация
Крышка головки цилиндров
Количество
1
Англ. номер;Масса
240-1003030;0;
Модель
240
Группа
Двигатель
Подгруппа
Головка блока цилиндров
Порядковый номер детали
030
29
29
Артикул: 240-1003032-А
в наличии
Крышка головки цилиндров
Количество на схеме: 1
Информация
Крышка головки цилиндров
Количество
1
Англ. номер;Масса
240-1003032-A;0;
Модель
240
Группа
Двигатель
Подгруппа
Головка блока цилиндров
Порядковый номер детали
032
Крышка клапанная ЗИЛ-5301 ММЗ
Артикул: 240-1003032-А
Крышка клапанная ЗИЛ-5301 ММЗ
Код для заказа: 00037227
Цена: 4 361 ₽/шт.
Под заказ
Крышка клапанная ЗИЛ-5301 ММЗ
Артикул: 240-1003032-А
Код для заказа: 00037227
Крышка клапанная ЗИЛ-5301 ММЗ
Цена: 4 361 ₽/шт.
Под заказ
30
30
Артикул: 240-1003108
нет в наличии
Прокладка
Количество на схеме: 1
Информация
Прокладка
Количество
1
Англ. номер;Масса
240-1003108;0,064999998;
Модель
240
Группа
Двигатель
Подгруппа
Головка блока цилиндров
Порядковый номер детали
108
31
31
Артикул: 240-1003031
нет в наличии
Прокладка
Количество на схеме: 2
Информация
Прокладка
Количество
2
Англ. номер;Масса
240-1003031;0,009;
Модель
240
Группа
Двигатель
Подгруппа
Головка блока цилиндров
Порядковый номер детали
031
32
32
Артикул: 2,5х10
нет в наличии
Штифт
Количество на схеме: 2
Информация
Штифт
Количество
2
Англ. номер;Масса
2,5x10;0;
33
33
Артикул: 50-1117028
нет в наличии
Пробка
Количество на схеме: 1
Информация
Пробка
Количество
1
Англ. номер;Масса
50-1117028;0,029999999;
Модель
50
Группа
Cистема питания двигателя
Подгруппа
Фильтр тонкой очистки топлива
Порядковый номер детали
028
34
34
Артикул: 240-1003221
нет в наличии
Заслонка
Количество на схеме: 1
Информация
Заслонка
Количество
1
Англ. номер;Масса
240-1003221;0;
Модель
240
Группа
Двигатель
Подгруппа
Головка блока цилиндров
Порядковый номер детали
221
  • Грузовые автомобили
  • Автобусы
  • Сельхозтехника
  • Спецтехника
  • Двигатели
Получить оптовый прайс-лист
Скачать прайс-лист от 08.05.2026 16:00
Специальное предложение от 08.05.2026 17:00
Производители:


  • WEICHAI
  • Автодизель ПАО (ЯМЗ)
  • Тутаевский МЗ
  • ЯЗДА
  • УралАЗ
  • МАЗ
  • АЗПИ
  • BOSCH
  • ММЗ
  • ШААЗ
  • FEDERAL MOGUL
  • ПРАМО
  • Мотордеталь
  • ТАИМ
  • АвтоКрАЗ
  • БЕЛКАРД
  • CZ Strakonice
  • КамАЗ
  • БЗА
  • ЧМЗ
  • BMZ
Новости
Все новости
25 марта 2024
Флагманский седельный тягач «Валдай 45» на выставке «TransRussia»
10 марта 2024
Современные автобусы «CITYMAX 9» и ЛиАЗ-5292 CNG
25 февраля 2024
Серийное производство средних дизельных двигателей повышенной мощности от ЯМЗ
Статьи
Все статьи
Датчики двигателя: за что они отвечают, признаки неисправности и как не прогадать с выбором
Двигатели ЯМЗ-534: история, технические характеристики и области применения
Двигатели ЯМЗ 650: углублённый технический обзор и история
Компания
О компании
Реквизиты
Новости
Политика
Магазины
Информация
Условия оплаты
Условия доставки
Гарантия на товар
Обмен и возврат товара
Помощь
Как оформить заказ
Полезные статьи
Бренды
Пункты выдачи
Оставайтесь на связи
  • Вконтакте
  • YouTube
  • Одноклассники
  • Google Plus
Увидели ошибку?
Выделите, нажав Ctrl + Enter
Наши контакты
8-800-700-35-68
sales@din76.ru
г. Ярославль, Ленинградский пр-т 33, ТЦ "ОМЕГА"
2026 © ООО «Динамика 76» - Все права защищены ООО "Динамика 76"
Предложения на сайте не являются публичной офертой.
На сайте обнаружена ошибка

Текст с ошибкой