Избранное 0 Корзина 0 Личный кабинет
logo
Каталог
Каталог
  • Справочник
    • Грузовые автомобили
    • Автобусы
    • Сельхозтехника
    • Спецтехника
    • Двигатели
  • Доставка
  • Оплата
  • О компании
    • Реквизиты
    • Магазины
    • Оплата
    • Доставка
    • Лицензии и сертификаты
    • Новости
    • Вакансии
  • Контакты
Отправить заявку
Личный кабинет
8 (800) 700-35-68
sales@din76.ru
Избранное 0 Корзина 0
8 (800) 700-35-68
Оптовый прайс-лист
Каталог
  • Двигатели
  • Запчасти WEICHAI
  • Запчасти ЯМЗ, ТМЗ (V-образные)
  • Запчасти ЯМЗ-534, ЯМЗ-536
  • Запчасти ЯМЗ-650, ЯМЗ-651, DCi-11
  • Топливная аппаратура
  • Запчасти УРАЛ
  • Запчасти МАЗ
  • Запчасти КамАЗ
  • Запчасти ММЗ
  • Ремни
Автокаталог (справочник)
  • Доставка
  • Оплата
  • О компании
  • Контакты
8 (800) 700-35-68
Написать в Whatsapp
sales@din76.ru
Динамика 76
Меню  
  • Каталог
    • Двигатели  
      • Двигатели ТМЗ  
        • Двигатели ТМЗ для автомобилей
        • Двигатели ТМЗ для тракторов
        • Специальные двигатели ТМЗ
        • Промышленные двигатели ТМЗ
      • Двигатели ЯМЗ  
        • ЯМЗ 236
        • ЯМЗ 238
        • ЯМЗ 240
        • ЯМЗ 751
        • ЯМЗ 840
        • ЯМЗ 850
        • ЯМЗ 656
        • ЯМЗ 658
        • ЯМЗ 534
        • ЯМЗ 536
        • ЯМЗ 650
        • Двигатели ЯМЗ для электростанций
      • Двигатели КАМАЗ
      • Двигатели ММЗ
      • Двигатели индивидуальной сборки
      • Комплекты переоборудования
    • Запчасти WEICHAI  
      • Основные запчасти двигателя  
        • Клапаны и толкатели
        • Шатуны
        • Вал коленчатый и маховик
        • Вал распределительный
        • Цилиндро-поршневая группа
      • Система питания  
        • Форсунки
        • Турбокомпрессор
      • Система смазки  
        • Насос масляный
      • Головка блока
      • Ремкомплекты
      • Система охлаждения  
        • Насос водяной
        • Муфта вязкостная и крыльчатка
      • Фильтры
      • Электрооборудование  
        • Генератор
        • Стартер
    • Запчасти ЯМЗ, ТМЗ (V-образные)  
      • Основные запчасти двигателя  
        • Блок двигателя и комплектующие
        • Валы распределительные и клапаны
        • Головка блока и комплектующие
        • Цилиндро-поршневая группа
        • Маховики и комплектующие
        • Валы коленчатые и комплектующие
        • Шатуны и комплектующие
      • Система питания  
        • Коллекторы и патрубки
        • Топливные трубопроводы
        • Турбокомпрессор
        • Топливные фильтры
      • Электрооборудование двигателя
      • Система охлаждения  
        • Вязкостные муфты и крыльчатки
        • Приводы вентилятора
        • Водяные насосы
        • Водяные трубы и термостаты
      • Коробки переключения передач  
        • 8 Ступенчатые КПП
        • 5 Ступенчатые КПП
        • 9 Ступенчатые КПП
        • Запасные части КПП ЯМЗ, ТМЗ
      • Система смазки  
        • Теплообменник и комплектующие
        • Масляные насосы
        • Фильтры масляные (ФГОМ, ФЦОМ)
      • Сцепление  
        • Запасные части механизма сцепления
        • Муфты (подшипники выжимные)
        • Корзины (диски нажимные)
        • Диски ведомые
      • Прочие запчасти двигателя  
        • Ремкомплекты
        • Привод агрегатов
        • Натяжные устройства
        • Трубки
    • Запчасти ЯМЗ-534, ЯМЗ-536  
      • Основные запчасти двигателя  
        • Цилиндро-поршневая группа
        • Головка блока цилиндров и комплектующие
        • Блок цилиндров и комплектующие
        • Вал коленчатый и маховик
        • Вал распределительный
        • Клапаны и толкатели
        • ГУР (Гидроусилитель руля)
        • Система рециркуляции отработавших газов
        • Выпускной коллектор
      • Система питания  
        • Коллекторы и патрубки
        • Топливные фильтры
        • Турбокомпрессор
        • Топливные трубопроводы
      • Система смазки  
        • Масляный картер поддон
        • Масляный насос
        • Теплообменник /Водо-масляный радиатор
        • Фильтры масляные (ФГОМ, ФЦОМ)
      • Пневмокомпрессор и натяжное
      • Система охлаждения  
        • Водяной насос
        • Водяные трубы и патрубки
        • Муфты вязкостные, приводы, крыльчатки
      • Ремкомплекты
      • Сцепление
      • Электрооборудование
    • Запчасти ЯМЗ-650, ЯМЗ-651, DCi-11  
      • Основные запчасти двигателя  
        • Цилиндро-поршневая группа
        • Головка блока цилиндров и комплектующие
        • Блок цилиндров и комплектующие
        • Вал коленчатый и маховик
        • Выпускной коллектор
        • Вал распределительный
        • Клапаны и толкатели
        • ГУР (Гидроусилитель руля)
        • Система рециркуляции отработавших газов
      • Система питания  
        • Коллекторы и патрубки
        • Топливные трубопроводы
        • Топливные фильтры
        • Турбокомпрессор
      • Система смазки  
        • Масляный картер / поддон
        • Масляный насос
        • Теплообменник / Водо-масляный радиатор
        • Фильтры масляные (ФГОМ, ФЦОМ)
      • Система охлаждения  
        • Водяной насос
        • Водяные трубы и патрубки
        • Муфты вязкостные, приводы, крыльчатки
      • Ремкомплекты
      • Пневмокомпрессор и натяжное
      • Электрооборудование
      • Сцепление
    • Топливная аппаратура  
      • ЯЗДА  
        • Распылители
        • ТНВД
        • Форсунки
        • Топливный насос низкого давления
        • Пары плунжерные
        • Муфта опережения впрыска топлива
        • Запчасти и комплектующие ТНВД
      • НЗТА
      • АЗПИ  
        • Распылители
        • Форсунки
      • BOSCH
    • Запчасти УРАЛ  
      • Трансмиссия  
        • Коробка раздаточная
        • Передача карданная
        • Мост задний
        • Мост передний (ведущий)
        • Мост средний (промежуточный)
      • Кузов  
        • Дверь кабины
        • Капот, крылья, облицовка радиатора
        • Окно ветровое и заднее
        • Отопление и вентиляция кабины
        • Кабина
      • Механизмы управления  
        • Управление рулевое
        • Тормоза
      • Дополнительное оборудование  
        • Отбор мощности
        • Устройство седельное
      • Электрооборудование
      • Ходовая часть  
        • Колеса и ступицы
        • Ось передняя
        • Подвеска автомобиля
        • Рама
    • Запчасти МАЗ  
      • Трансмиссия  
        • Мост задний
        • Мост передний (ведущий)
        • Передача карданная
        • Мост средний (промежуточный)
      • Кузов  
        • Кабина
        • Дверь кабины
        • Детали основания кабины
        • Окно ветровое и заднее
        • Платформа
      • Механизмы управления  
        • Тормоза
        • Управление рулевое
      • Ходовая часть  
        • Колеса и ступицы
        • Ось передняя
        • Подвеска автомобиля
        • Рама
    • Запчасти КамАЗ  
      • Кузов  
        • Кабина
        • Капот, крылья, облицовка радиатора
        • Дверь кабины
        • Платформа
        • Окно ветровое и заднее
        • Устройство подъемное и опрокидывающее
        • Сиденье
        • Крыша кабины (крыша кузова)
        • Отопление и вентиляция кабины
      • Трансмиссия  
        • Коробка передач
        • Коробка раздаточная
        • Мост задний
        • Сцепление
        • Мост средний (промежуточный)
        • Передача карданная
        • Мост передний (ведущий)
      • Двигатель  
        • Основные запчасти двигателя
        • Система охлаждения
        • Система питания
        • Система смазки
      • Дополнительное оборудование  
        • Отбор мощности
        • Устройство седельное
      • Ходовая часть  
        • Подвеска автомобиля
        • Рама
        • Колеса и ступицы
        • Ось передняя
      • Механизмы управления  
        • Тормоза
        • Управление рулевое
      • Электрооборудование
    • Запчасти ММЗ
    • Ремни
  • Справочник
    • Грузовые автомобили
    • Автобусы
    • Сельхозтехника
    • Спецтехника
    • Двигатели
  • Как купить
    • Условия оплаты
    • Условия доставки
    • Гарантия на товар
    • Пункты выдачи
  • Услуги
    • Капитальный ремонт двигателей ЯМЗ
  • Акции
  • Статьи
  • Контакты
  • Компания
    • Реквизиты
    • Магазины
    • Оплата
    • Доставка
    • Лицензии и сертификаты
    • Новости
    • Вакансии
Избранное 0 Корзина 0
8-800-700-35-68

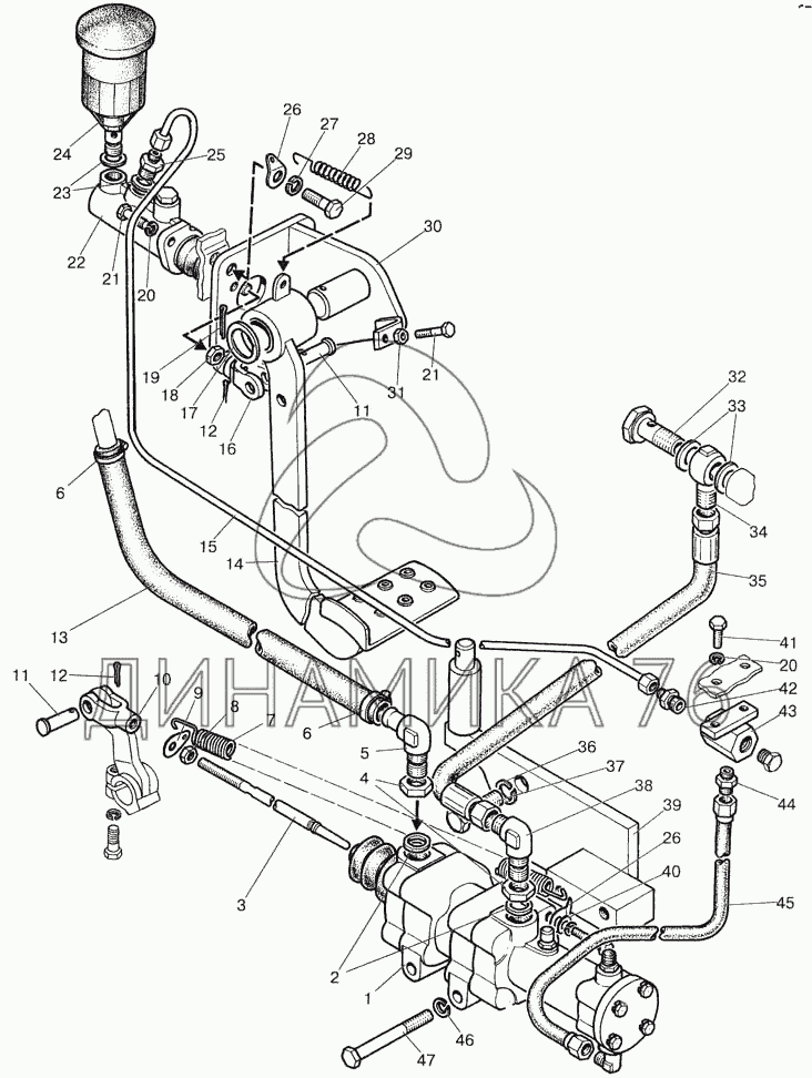
Управление сцеплением на МТЗ-922 (до 2008 г.)

Справочник
Главная
-
Автокаталог
-
Сельхозтехника
-
МТЗ
-
МТЗ-922
Справочный каталог

Управление сцеплением — МТЗ-922:

1 2 3 4 5 6 6 7 8 9 10 11 11 12 12 13 14 15 16 17 18 19 20 20 21 21 22 23 24 25 26 26 27 28 29 30 31 32 33 34 35 36 37 38 39 40 41 42 43 44 45 46 47
в наличии
нет в наличии
масштаб

В наличии
Нет в наличии

Перечень комплектующих от Управление сцеплением на МТЗ-922

Схемы запчастей предназначены для справочных целей! Мы продаем не все запчасти от Управление сцеплением на МТЗ-922, представленные в этом списке.
Наличие на складах по деталям с ценой смотрите в карточке товара.
1
1
Артикул: 1522-1602510
нет в наличии
Гидроусилитель
Количество на схеме: 1
Информация
Гидроусилитель
Количество
1
Англ. номер;Масса
1522-1602510;0;
Модель
1522
Группа
Сцепление
Подгруппа
Педаль и привод управления сцеплением
Порядковый номер детали
510
2
2
Артикул: 017-022-30-1-4
нет в наличии
Кольцо
Количество на схеме: 2
Информация
Кольцо
Количество
2
Англ. номер;Масса
017-022-30-1-4;0,001;
3
3
Артикул: 822-1602112
нет в наличии
Тяга
Количество на схеме: 1
Информация
Тяга
Количество
1
Англ. номер;Масса
822-1602112;0;
Модель
822
Группа
Сцепление
Подгруппа
Педаль и привод управления сцеплением
Порядковый номер детали
112
4
4
Артикул: 40-3405062
нет в наличии
Гайка
Количество на схеме: 2
Информация
Гайка
Количество
2
Англ. номер;Масса
40-3405062;0,016000001;
Модель
40
Группа
Управление рулевое
Подгруппа
Цилиндр силовой гидроусилителя
Порядковый номер детали
062
5
5
Артикул: 923-1602065
нет в наличии
Штуцер поворотный
Количество на схеме: 1
Информация
Штуцер поворотный
Количество
1
Англ. номер;Масса
923-1602065;0;
Модель
923
Группа
Сцепление
Подгруппа
Педаль и привод управления сцеплением
Порядковый номер детали
065
6
6
Артикул: ХС-23
нет в наличии
Хомут
Количество на схеме: 2
Информация
Хомут
Количество
2
Англ. номер;Масса
XS-23;0,029999999;
7
7
Артикул: 50-1605152
нет в наличии
Пружина
Количество на схеме: 1
Информация
Пружина
Количество
1
Англ. номер;Масса
50-1605152;0,112800002;
Модель
50
Группа
Сцепление
Подгруппа
1605
Порядковый номер детали
152
8
8
Артикул: М12
нет в наличии
Гайка
Количество на схеме: 1
Информация
Гайка
Количество
1
Англ. номер;Масса
M12;0;
9
9
Артикул: 923-1602116
нет в наличии
Ушко
Количество на схеме: 1
Информация
Ушко
Количество
1
Англ. номер;Масса
923-1602116;0;
Модель
923
Группа
Сцепление
Подгруппа
Педаль и привод управления сцеплением
Порядковый номер детали
116
10
10
Артикул: 50-3502203
нет в наличии
Вилка
Количество на схеме: 1
Информация
Вилка
Количество
1
Англ. номер;Масса
50-3502203;0,094999999;
Модель
50
Группа
Тормоза
Подгруппа
Тормоза рабочие задние ножные и тормозные барабаны
Порядковый номер детали
203
11
11
Артикул: 12х32
нет в наличии
Палец
Количество на схеме: 2
Информация
Палец
Количество
2
Англ. номер;Масса
12x32;0,032400001;
12
12
Артикул: 3,2х18
нет в наличии
Шплинт
Количество на схеме: 2
Информация
Шплинт
Количество
2
Англ. номер;Масса
3,2x18;0;
13
13
Артикул: 923-1602711
нет в наличии
Шланг
Количество на схеме: 1
Информация
Шланг
Количество
1
Англ. номер;Масса
923-1602711;0;
Модель
923
Группа
Сцепление
Подгруппа
Педаль и привод управления сцеплением
Порядковый номер детали
711
14
14
Артикул: 1522-1602090
нет в наличии
Педаль
Количество на схеме: 1
Информация
Педаль
Количество
1
Англ. номер;Масса
1522-1602090;0;
Модель
1522
Группа
Сцепление
Подгруппа
Педаль и привод управления сцеплением
Порядковый номер детали
090
15
15
Артикул: 1522-1602595
нет в наличии
Маслопровод
Количество на схеме: 1
Информация
Маслопровод
Количество
1
Англ. номер;Масса
1522-1602595;0;
Модель
1522
Группа
Сцепление
Подгруппа
Педаль и привод управления сцеплением
Порядковый номер детали
595
16
16
Артикул: 822-3502203
нет в наличии
Вилка
Количество на схеме: 1
Информация
Вилка
Количество
1
Англ. номер;Масса
822-3502203;0;
Модель
822
Группа
Тормоза
Подгруппа
Тормоза рабочие задние ножные и тормозные барабаны
Порядковый номер детали
203
17
17
Артикул: 50-3406037
нет в наличии
Шайба упорная
Количество на схеме: 1
Информация
Шайба упорная
Количество
1
Англ. номер;Масса
50-3406037;0,003;
Модель
50
Группа
Управление рулевое
Подгруппа
3406
Порядковый номер детали
037
18
18
Артикул: М10
нет в наличии
Гайка
Количество на схеме: 1
Информация
Гайка
Количество
1
Англ. номер;Масса
M10;0;
19
19
Артикул: 4х36
нет в наличии
Шплинт
Количество на схеме: 1
Информация
Шплинт
Количество
1
Англ. номер;Масса
4x36;0;
20
20
Артикул: ШП8
нет в наличии
Шайба
Количество на схеме: 4
Информация
Шайба
Количество
4
Англ. номер;Масса
SHP8;0;
21
21
Артикул: М8х35
нет в наличии
Болт
Количество на схеме: 3
Информация
Болт
Количество
3
Англ. номер;Масса
M8x35;0;
22
22
Артикул: А73067386
нет в наличии
Цилиндр «Meritor»
Количество на схеме: 1
Информация
Цилиндр «Meritor»
Количество
1
Англ. номер;Масса
A73067386;0;
Модель
Группа
Сиденье трехместное
Подгруппа
7306
Порядковый номер детали
738
23
23
Артикул: Д18-055А
нет в наличии
Кольцо
Количество на схеме: 2
Информация
Кольцо
Количество
2
Англ. номер;Масса
D18-055A;0;
24
24
Артикул: 822-1602120
нет в наличии
Бачок
Количество на схеме: 1
Информация
Бачок
Количество
1
Англ. номер;Масса
822-1602120;0;
Модель
822
Группа
Сцепление
Подгруппа
Педаль и привод управления сцеплением
Порядковый номер детали
120
25
25
Артикул: 822-3503083
нет в наличии
Штуцер
Количество на схеме: 1
Информация
Штуцер
Количество
1
Англ. номер;Масса
822-3503083;0;
Модель
822
Группа
Тормоза
Подгруппа
3503
Порядковый номер детали
083
26
26
Артикул: 80-1602116
нет в наличии
Ушко
Количество на схеме: 2
Информация
Ушко
Количество
2
Англ. номер;Масса
80-1602116;0,024;
Модель
80
Группа
Сцепление
Подгруппа
Педаль и привод управления сцеплением
Порядковый номер детали
116
27
27
Артикул: ШП10
нет в наличии
Шайба
Количество на схеме: 4
Информация
Шайба
Количество
4
Англ. номер;Масса
SHP10;0;
28
28
Артикул: 70-4616033-зам-
нет в наличии
Пружина
Количество на схеме: 1
Информация
Пружина
Количество
1
Англ. номер;Масса
70-4616033;0;
Модель
70
Подгруппа
4616
Порядковый номер детали
033
29
29
Артикул: М10х25
нет в наличии
Болт
Количество на схеме: 4
Информация
Болт
Количество
4
Англ. номер;Масса
M10x25;0;
30
30
Артикул: 1522-1602030
нет в наличии
Кронштейн
Количество на схеме: 1
Информация
Кронштейн
Количество
1
Англ. номер;Масса
1522-1602030;0;
Модель
1522
Группа
Сцепление
Подгруппа
Педаль и привод управления сцеплением
Порядковый номер детали
030
31
31
Артикул: М8
нет в наличии
Гайка
Количество на схеме: 1
Информация
Гайка
Количество
1
Англ. номер;Масса
M8;0;
32
32
Артикул: 40-4607032
нет в наличии
Болт
Количество на схеме: 1
Информация
Болт
Количество
1
Англ. номер;Масса
40-4607032;0,104999997;
Модель
40
Подгруппа
4607
Порядковый номер детали
032
33
33
Артикул: 40-4607038-А
нет в наличии
Шайба
Количество на схеме: 2
Информация
Шайба
Количество
2
Англ. номер;Масса
40-4607038-A;0,0065;
Модель
40
Подгруппа
4607
Порядковый номер детали
038
34
34
Артикул: 530-4614029
нет в наличии
Угольник
Количество на схеме: 1
Информация
Угольник
Количество
1
Англ. номер;Масса
530-4614029;0,116999999;
Модель
530
Подгруппа
4614
Порядковый номер детали
029
35
35
Артикул: Н036-83-090
нет в наличии
Рукав высокого давления L=1035 мм
Количество на схеме: 1
Информация
Рукав высокого давления L=1035 мм
Количество
1
Англ. номер;Масса
H036.83.090;0;
36
36
Артикул: ШП16
нет в наличии
Шайба
Количество на схеме: 2
Информация
Шайба
Количество
2
Англ. номер;Масса
SHP16;0;
37
37
Артикул: М16х45
нет в наличии
Болт
Количество на схеме: 2
Информация
Болт
Количество
2
Англ. номер;Масса
M16x45;0;
38
38
Артикул: 40-3405061-А
нет в наличии
Штуцер М20х1,5
Количество на схеме: 1
Информация
Штуцер М20х1,5
Количество
1
Англ. номер;Масса
40-3405061-A;0;
Модель
40
Группа
Управление рулевое
Подгруппа
Цилиндр силовой гидроусилителя
Порядковый номер детали
061
39
39
Артикул: 923-1602060
нет в наличии
Кронштейн
Количество на схеме: 1
Информация
Кронштейн
Количество
1
Англ. номер;Масса
923-1602060;0;
Модель
923
Группа
Сцепление
Подгруппа
Педаль и привод управления сцеплением
Порядковый номер детали
060
40
40
Артикул: ШЧ8
нет в наличии
Шайба
Количество на схеме: 1
Информация
Шайба
Количество
1
Англ. номер;Масса
SHCH8;0;
41
41
Артикул: М8х25
нет в наличии
Болт
Количество на схеме: 2
Информация
Болт
Количество
2
Англ. номер;Масса
M8x25;0;
42
42
Артикул: 822-3503155
нет в наличии
Штуцер
Количество на схеме: 1
Информация
Штуцер
Количество
1
Англ. номер;Масса
822-3503155;0;
Модель
822
Группа
Тормоза
Подгруппа
3503
Порядковый номер детали
155
43
43
Артикул: 922-1602110
нет в наличии
Угольник
Количество на схеме: 1
Информация
Угольник
Количество
1
Англ. номер;Масса
922-1602110;0;
Модель
922
Группа
Сцепление
Подгруппа
Педаль и привод управления сцеплением
Порядковый номер детали
110
44
44
Артикул: 822-3503701
нет в наличии
Штуцер
Количество на схеме: 1
Информация
Штуцер
Количество
1
Англ. номер;Масса
822-3503701;0;
Модель
822
Группа
Тормоза
Подгруппа
3503
Порядковый номер детали
701
45
45
Артикул: 2022-1602190
нет в наличии
Рукав гибкий
Количество на схеме: 1
Информация
Рукав гибкий
Количество
1
Англ. номер;Масса
2022-1602190;0;
Модель
2022
Группа
Сцепление
Подгруппа
Педаль и привод управления сцеплением
Порядковый номер детали
190
46
46
Артикул: ШП12
нет в наличии
Шайба
Количество на схеме: 2
Информация
Шайба
Количество
2
Англ. номер;Масса
SHP12;0;
47
47
Артикул: М12х100
нет в наличии
Болт
Количество на схеме: 2
Информация
Болт
Количество
2
Англ. номер;Масса
M12x100;0;
  • Грузовые автомобили
  • Автобусы
  • Сельхозтехника
  • Спецтехника
  • Двигатели
Получить оптовый прайс-лист
Скачать прайс-лист от 08.05.2026 16:00
Специальное предложение от 08.05.2026 17:00
Производители:


  • WEICHAI
  • Автодизель ПАО (ЯМЗ)
  • Тутаевский МЗ
  • ЯЗДА
  • УралАЗ
  • МАЗ
  • АЗПИ
  • BOSCH
  • ММЗ
  • ШААЗ
  • FEDERAL MOGUL
  • ПРАМО
  • Мотордеталь
  • ТАИМ
  • АвтоКрАЗ
  • БЕЛКАРД
  • CZ Strakonice
  • КамАЗ
  • БЗА
  • ЧМЗ
  • BMZ
Новости
Все новости
25 марта 2024
Флагманский седельный тягач «Валдай 45» на выставке «TransRussia»
10 марта 2024
Современные автобусы «CITYMAX 9» и ЛиАЗ-5292 CNG
25 февраля 2024
Серийное производство средних дизельных двигателей повышенной мощности от ЯМЗ
Статьи
Все статьи
Датчики двигателя: за что они отвечают, признаки неисправности и как не прогадать с выбором
Двигатели ЯМЗ-534: история, технические характеристики и области применения
Двигатели ЯМЗ 650: углублённый технический обзор и история
Компания
О компании
Реквизиты
Новости
Политика
Магазины
Информация
Условия оплаты
Условия доставки
Гарантия на товар
Обмен и возврат товара
Помощь
Как оформить заказ
Полезные статьи
Бренды
Пункты выдачи
Оставайтесь на связи
  • Вконтакте
  • YouTube
  • Одноклассники
  • Google Plus
Увидели ошибку?
Выделите, нажав Ctrl + Enter
Наши контакты
8-800-700-35-68
sales@din76.ru
г. Ярославль, Ленинградский пр-т 33, ТЦ "ОМЕГА"
2026 © ООО «Динамика 76» - Все права защищены ООО "Динамика 76"
Предложения на сайте не являются публичной офертой.
На сайте обнаружена ошибка

Текст с ошибкой