Избранное 0 Корзина 0 Личный кабинет
logo
Каталог
Каталог
  • Справочник
    • Грузовые автомобили
    • Автобусы
    • Сельхозтехника
    • Спецтехника
    • Двигатели
  • Доставка
  • Оплата
  • О компании
    • Реквизиты
    • Магазины
    • Оплата
    • Доставка
    • Лицензии и сертификаты
    • Новости
    • Вакансии
  • Контакты
Отправить заявку
Личный кабинет
8 (800) 700-35-68
sales@din76.ru
Избранное 0 Корзина 0
8 (800) 700-35-68
Оптовый прайс-лист
Каталог
  • Двигатели
  • Запчасти WEICHAI
  • Запчасти ЯМЗ, ТМЗ (V-образные)
  • Запчасти ЯМЗ-534, ЯМЗ-536
  • Запчасти ЯМЗ-650, ЯМЗ-651, DCi-11
  • Топливная аппаратура
  • Запчасти УРАЛ
  • Запчасти МАЗ
  • Запчасти КамАЗ
  • Запчасти ММЗ
  • Ремни
Автокаталог (справочник)
  • Доставка
  • Оплата
  • О компании
  • Контакты
8 (800) 700-35-68
Написать в Whatsapp
sales@din76.ru
Динамика 76
Меню  
  • Каталог
    • Двигатели  
      • Двигатели ТМЗ  
        • Двигатели ТМЗ для автомобилей
        • Двигатели ТМЗ для тракторов
        • Специальные двигатели ТМЗ
        • Промышленные двигатели ТМЗ
      • Двигатели ЯМЗ  
        • ЯМЗ 236
        • ЯМЗ 238
        • ЯМЗ 240
        • ЯМЗ 751
        • ЯМЗ 840
        • ЯМЗ 850
        • ЯМЗ 656
        • ЯМЗ 658
        • ЯМЗ 534
        • ЯМЗ 536
        • ЯМЗ 650
        • Двигатели ЯМЗ для электростанций
      • Двигатели КАМАЗ
      • Двигатели ММЗ
      • Двигатели индивидуальной сборки
      • Комплекты переоборудования
    • Запчасти WEICHAI  
      • Основные запчасти двигателя  
        • Клапаны и толкатели
        • Шатуны
        • Вал коленчатый и маховик
        • Вал распределительный
        • Цилиндро-поршневая группа
      • Система питания  
        • Форсунки
        • Турбокомпрессор
      • Система смазки  
        • Насос масляный
      • Головка блока
      • Ремкомплекты
      • Система охлаждения  
        • Насос водяной
        • Муфта вязкостная и крыльчатка
      • Фильтры
      • Электрооборудование  
        • Генератор
        • Стартер
    • Запчасти ЯМЗ, ТМЗ (V-образные)  
      • Основные запчасти двигателя  
        • Блок двигателя и комплектующие
        • Валы распределительные и клапаны
        • Головка блока и комплектующие
        • Цилиндро-поршневая группа
        • Маховики и комплектующие
        • Валы коленчатые и комплектующие
        • Шатуны и комплектующие
      • Система питания  
        • Коллекторы и патрубки
        • Топливные трубопроводы
        • Турбокомпрессор
        • Топливные фильтры
      • Электрооборудование двигателя
      • Система охлаждения  
        • Вязкостные муфты и крыльчатки
        • Приводы вентилятора
        • Водяные насосы
        • Водяные трубы и термостаты
      • Коробки переключения передач  
        • 8 Ступенчатые КПП
        • 5 Ступенчатые КПП
        • 9 Ступенчатые КПП
        • Запасные части КПП ЯМЗ, ТМЗ
      • Система смазки  
        • Теплообменник и комплектующие
        • Масляные насосы
        • Фильтры масляные (ФГОМ, ФЦОМ)
      • Сцепление  
        • Запасные части механизма сцепления
        • Муфты (подшипники выжимные)
        • Корзины (диски нажимные)
        • Диски ведомые
      • Прочие запчасти двигателя  
        • Ремкомплекты
        • Привод агрегатов
        • Натяжные устройства
        • Трубки
    • Запчасти ЯМЗ-534, ЯМЗ-536  
      • Основные запчасти двигателя  
        • Цилиндро-поршневая группа
        • Головка блока цилиндров и комплектующие
        • Блок цилиндров и комплектующие
        • Вал коленчатый и маховик
        • Вал распределительный
        • Клапаны и толкатели
        • ГУР (Гидроусилитель руля)
        • Система рециркуляции отработавших газов
        • Выпускной коллектор
      • Система питания  
        • Коллекторы и патрубки
        • Топливные фильтры
        • Турбокомпрессор
        • Топливные трубопроводы
      • Система смазки  
        • Масляный картер поддон
        • Масляный насос
        • Теплообменник /Водо-масляный радиатор
        • Фильтры масляные (ФГОМ, ФЦОМ)
      • Пневмокомпрессор и натяжное
      • Система охлаждения  
        • Водяной насос
        • Водяные трубы и патрубки
        • Муфты вязкостные, приводы, крыльчатки
      • Ремкомплекты
      • Сцепление
      • Электрооборудование
    • Запчасти ЯМЗ-650, ЯМЗ-651, DCi-11  
      • Основные запчасти двигателя  
        • Цилиндро-поршневая группа
        • Головка блока цилиндров и комплектующие
        • Блок цилиндров и комплектующие
        • Вал коленчатый и маховик
        • Выпускной коллектор
        • Вал распределительный
        • Клапаны и толкатели
        • ГУР (Гидроусилитель руля)
        • Система рециркуляции отработавших газов
      • Система питания  
        • Коллекторы и патрубки
        • Топливные трубопроводы
        • Топливные фильтры
        • Турбокомпрессор
      • Система смазки  
        • Масляный картер / поддон
        • Масляный насос
        • Теплообменник / Водо-масляный радиатор
        • Фильтры масляные (ФГОМ, ФЦОМ)
      • Система охлаждения  
        • Водяной насос
        • Водяные трубы и патрубки
        • Муфты вязкостные, приводы, крыльчатки
      • Ремкомплекты
      • Пневмокомпрессор и натяжное
      • Электрооборудование
      • Сцепление
    • Топливная аппаратура  
      • ЯЗДА  
        • Распылители
        • ТНВД
        • Форсунки
        • Топливный насос низкого давления
        • Пары плунжерные
        • Муфта опережения впрыска топлива
        • Запчасти и комплектующие ТНВД
      • НЗТА
      • АЗПИ  
        • Распылители
        • Форсунки
      • BOSCH
    • Запчасти УРАЛ  
      • Трансмиссия  
        • Коробка раздаточная
        • Передача карданная
        • Мост задний
        • Мост передний (ведущий)
        • Мост средний (промежуточный)
      • Кузов  
        • Дверь кабины
        • Капот, крылья, облицовка радиатора
        • Окно ветровое и заднее
        • Отопление и вентиляция кабины
        • Кабина
      • Механизмы управления  
        • Управление рулевое
        • Тормоза
      • Дополнительное оборудование  
        • Отбор мощности
        • Устройство седельное
      • Электрооборудование
      • Ходовая часть  
        • Колеса и ступицы
        • Ось передняя
        • Подвеска автомобиля
        • Рама
    • Запчасти МАЗ  
      • Трансмиссия  
        • Мост задний
        • Мост передний (ведущий)
        • Передача карданная
        • Мост средний (промежуточный)
      • Кузов  
        • Кабина
        • Дверь кабины
        • Детали основания кабины
        • Окно ветровое и заднее
        • Платформа
      • Механизмы управления  
        • Тормоза
        • Управление рулевое
      • Ходовая часть  
        • Колеса и ступицы
        • Ось передняя
        • Подвеска автомобиля
        • Рама
    • Запчасти КамАЗ  
      • Кузов  
        • Кабина
        • Капот, крылья, облицовка радиатора
        • Дверь кабины
        • Платформа
        • Окно ветровое и заднее
        • Устройство подъемное и опрокидывающее
        • Сиденье
        • Крыша кабины (крыша кузова)
        • Отопление и вентиляция кабины
      • Трансмиссия  
        • Коробка передач
        • Коробка раздаточная
        • Мост задний
        • Сцепление
        • Мост средний (промежуточный)
        • Передача карданная
        • Мост передний (ведущий)
      • Двигатель  
        • Основные запчасти двигателя
        • Система охлаждения
        • Система питания
        • Система смазки
      • Дополнительное оборудование  
        • Отбор мощности
        • Устройство седельное
      • Ходовая часть  
        • Подвеска автомобиля
        • Рама
        • Колеса и ступицы
        • Ось передняя
      • Механизмы управления  
        • Тормоза
        • Управление рулевое
      • Электрооборудование
    • Запчасти ММЗ
    • Ремни
  • Справочник
    • Грузовые автомобили
    • Автобусы
    • Сельхозтехника
    • Спецтехника
    • Двигатели
  • Как купить
    • Условия оплаты
    • Условия доставки
    • Гарантия на товар
    • Пункты выдачи
  • Услуги
    • Капитальный ремонт двигателей ЯМЗ
  • Акции
  • Статьи
  • Контакты
  • Компания
    • Реквизиты
    • Магазины
    • Оплата
    • Доставка
    • Лицензии и сертификаты
    • Новости
    • Вакансии
Избранное 0 Корзина 0
8-800-700-35-68

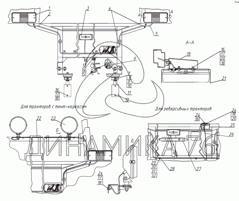
Установка фонарей задних на МТЗ-900/920/950/952 (до 2009 г.)

Справочник
Главная
-
Автокаталог
-
Сельхозтехника
-
МТЗ
-
МТЗ-900/920/950/952
Справочный каталог

Установка фонарей задних — МТЗ-900/920/950/952:

1 2 2 3 4 5 5 6 7 8 9 10 11 12 13 14 15 16 16 17 17 17 18 18 18 18 18 19 20 20 21 22 23 24 24 24 25 26 27 28 29 30 31 32
в наличии
нет в наличии
масштаб

В наличии
Нет в наличии

Перечень комплектующих от Установка фонарей задних на МТЗ-900/920/950/952

Схемы запчастей предназначены для справочных целей! Мы продаем не все запчасти от Установка фонарей задних на МТЗ-900/920/950/952, представленные в этом списке.
Наличие на складах по деталям с ценой смотрите в карточке товара.
1
1
Артикул: 3716-10
нет в наличии
Фонарь задний
Количество на схеме: 2
Информация
Фонарь задний
Количество
2
2
2
Артикул: 85-3724163
нет в наличии
Жгут
Количество на схеме: 1
Информация
Жгут
Количество
1
Примечание
с металлическими облицовками
Модель
85
Группа
Электрооборудование
Подгруппа
Электропровода
Порядковый номер детали
163
2
2
Артикул: 920-3724163
нет в наличии
Жгут
Количество на схеме: 1
Информация
Жгут
Количество
1
Примечание
с пластиковыми облицовками
Модель
920
Группа
Электрооборудование
Подгруппа
Электропровода
Порядковый номер детали
163
3
3
Артикул: 3717-10
нет в наличии
Фонарь освещения номерного знака
Количество на схеме: 1
Информация
Фонарь освещения номерного знака
Количество
1
4
4
Артикул: 70-3723042-02
нет в наличии
Втулка
Количество на схеме: 4
Информация
Втулка
Количество
4
Модель
70
Группа
Электрооборудование
Подгруппа
Соединители электропроводов
Порядковый номер детали
042
5
5
Артикул: 85-3724162
нет в наличии
Жгут
Количество на схеме: 1
Информация
Жгут
Количество
1
Примечание
с металлическими облицовками
Модель
85
Группа
Электрооборудование
Подгруппа
Электропровода
Порядковый номер детали
162
5
5
Артикул: 920-3724162
нет в наличии
Жгут
Количество на схеме: 1
Информация
Жгут
Количество
1
Примечание
с пластиковыми облицовками
Модель
920
Группа
Электрооборудование
Подгруппа
Электропровода
Порядковый номер детали
162
6
6
Артикул: 3723-10
нет в наличии
Розетка прицепа
Количество на схеме: 1
Информация
Розетка прицепа
Количество
1
7
7
Артикул: M10-6gx25-88-35-019
нет в наличии
Болт
Количество на схеме: 2
Информация
Болт
Количество
2
Примечание
ГОСТ 7796-70
8
8
Артикул: M10-6H-6-019
нет в наличии
Гайка
Количество на схеме: 2
Информация
Гайка
Количество
2
Примечание
ГОСТ 5915-70
9
9
Артикул: С10-01-019
нет в наличии
Шайба
Количество на схеме: 2
Информация
Шайба
Количество
2
Примечание
ГОСТ 6958-78
10
10
Артикул: 10ОТ
нет в наличии
Шайба ОСТ 37.001.115-75
Количество на схеме: 2
Информация
Шайба ОСТ 37.001.115-75
Количество
2
Примечание
ОСТ 37.001.115-75
11
11
Артикул: Ф50-3731011
нет в наличии
Кронштейн
Количество на схеме: 2
Информация
Кронштейн
Количество
2
Модель
Ф50
Группа
Электрооборудование
Подгруппа
Фонарь сигнальный
Порядковый номер детали
011
12
12
Артикул: 3731-10
нет в наличии
Световозвращатель
Количество на схеме: 2
Информация
Световозвращатель
Количество
2
13
13
Артикул: M12-6gx25-88-35-019
нет в наличии
Болт
Количество на схеме: 1
Информация
Болт
Количество
1
Примечание
ГОСТ 7796-70
14
14
Артикул: М12-6Н-6-019
нет в наличии
Гайка
Количество на схеме: 1
Информация
Гайка
Количество
1
Примечание
ГОСТ 5915-70
15
15
Артикул: 12ОТ
нет в наличии
Шайба ОСТ 37.001.115-75
Количество на схеме: 1
Информация
Шайба ОСТ 37.001.115-75
Количество
1
Примечание
ОСТ 37.001.115-75
16
16
Артикул: В-М6-6gx18-58-019
нет в наличии
Винт
Количество на схеме: 8
Информация
Винт
Количество
8
Примечание
ГОСТ 17473-80
17
17
Артикул: М6-6Н-6-019
нет в наличии
Гайка
Количество на схеме: 10
Информация
Гайка
Количество
10
Примечание
ГОСТ 5915-70
18
18
Артикул: 6Т
нет в наличии
Шайба
Количество на схеме: 10
Информация
Шайба
Количество
10
Примечание
ОСТ 37.001.115-75
19
19
Артикул: 85-3716012
нет в наличии
Кронштейн
Количество на схеме: 2
Информация
Кронштейн
Количество
2
Модель
85
Группа
Электрооборудование
Подгруппа
Фонари задние
Порядковый номер детали
012
20
20
Артикул: С6-01-019
нет в наличии
Шайба
Количество на схеме: 4
Информация
Шайба
Количество
4
Примечание
ГОСТ 11371-78
21
21
Артикул: 85-3716015
нет в наличии
Кожух
Количество на схеме: 2
Информация
Кожух
Количество
2
Модель
85
Группа
Электрооборудование
Подгруппа
Фонари задние
Порядковый номер детали
015
22
22
Артикул: 80-3724005
нет в наличии
Жгут
Количество на схеме: 1
Информация
Жгут
Количество
1
Модель
80
Группа
Электрооборудование
Подгруппа
Электропровода
Порядковый номер детали
005
23
23
Артикул: 8724-31/2021
нет в наличии
Фара рабочая
Количество на схеме: 2
Информация
Фара рабочая
Количество
2
24
24
Артикул: В-М6-6gx16-58-019
нет в наличии
Винт
Количество на схеме: 2
Информация
Винт
Количество
2
Примечание
ГОСТ 17473-80
25
25
Артикул: 80В-3710010
нет в наличии
Пульт
Количество на схеме: 1
Информация
Пульт
Количество
1
Модель
80В
Группа
Электрооборудование
Подгруппа
Выключатели электрические (переключатель света ножной)
Порядковый номер детали
010
26
26
Артикул: 80-3724036
нет в наличии
Провод
Количество на схеме: 1
Информация
Провод
Количество
1
Модель
80
Группа
Электрооборудование
Подгруппа
Электропровода
Порядковый номер детали
036
27
27
Артикул: 80В-3716020-Б
нет в наличии
Кронштейн
Количество на схеме: 1
Информация
Кронштейн
Количество
1
Модель
80В
Группа
Электрооборудование
Подгруппа
Фонари задние
Порядковый номер детали
020
28
28
Артикул: 80-3723043
нет в наличии
Скоба
Количество на схеме: 3
Информация
Скоба
Количество
3
Модель
80
Группа
Электрооборудование
Подгруппа
Соединители электропроводов
Порядковый номер детали
043
29
29
Артикул: В-М5-6gx12-58-019
нет в наличии
Винт
Количество на схеме: 3
Информация
Винт
Количество
3
Примечание
ГОСТ 17473-80
30
30
Артикул: М5-6Н-6-019
нет в наличии
Гайка ГОСТ 5915-70
Количество на схеме: 3
Информация
Гайка ГОСТ 5915-70
Количество
3
Примечание
ГОСТ 5927-70
31
31
Артикул: С5-01-019
нет в наличии
Шайба
Количество на схеме: 3
Информация
Шайба
Количество
3
Примечание
ГОСТ 11371-78
32
32
Артикул: 5Т
нет в наличии
Шайба
Количество на схеме: 3
Информация
Шайба
Количество
3
Примечание
ОСТ 37.001.115-75
  • Грузовые автомобили
  • Автобусы
  • Сельхозтехника
  • Спецтехника
  • Двигатели
Получить оптовый прайс-лист
Скачать прайс-лист от 06.05.2026 08:00
Специальное предложение от 06.05.2026 13:00
Производители:


  • WEICHAI
  • Автодизель ПАО (ЯМЗ)
  • Тутаевский МЗ
  • ЯЗДА
  • УралАЗ
  • МАЗ
  • АЗПИ
  • BOSCH
  • ММЗ
  • ШААЗ
  • FEDERAL MOGUL
  • ПРАМО
  • Мотордеталь
  • ТАИМ
  • АвтоКрАЗ
  • БЕЛКАРД
  • CZ Strakonice
  • КамАЗ
  • БЗА
  • ЧМЗ
  • BMZ
Новости
Все новости
25 марта 2024
Флагманский седельный тягач «Валдай 45» на выставке «TransRussia»
10 марта 2024
Современные автобусы «CITYMAX 9» и ЛиАЗ-5292 CNG
25 февраля 2024
Серийное производство средних дизельных двигателей повышенной мощности от ЯМЗ
Статьи
Все статьи
Датчики двигателя: за что они отвечают, признаки неисправности и как не прогадать с выбором
Двигатели ЯМЗ-534: история, технические характеристики и области применения
Двигатели ЯМЗ 650: углублённый технический обзор и история
Компания
О компании
Реквизиты
Новости
Политика
Магазины
Информация
Условия оплаты
Условия доставки
Гарантия на товар
Обмен и возврат товара
Помощь
Как оформить заказ
Полезные статьи
Бренды
Пункты выдачи
Оставайтесь на связи
  • Вконтакте
  • YouTube
  • Одноклассники
  • Google Plus
Увидели ошибку?
Выделите, нажав Ctrl + Enter
Наши контакты
8-800-700-35-68
sales@din76.ru
г. Ярославль, Ленинградский пр-т 33, ТЦ "ОМЕГА"
2026 © ООО «Динамика 76» - Все права защищены ООО "Динамика 76"
Предложения на сайте не являются публичной офертой.
На сайте обнаружена ошибка

Текст с ошибкой