Избранное 0 Корзина 0 Личный кабинет
logo
Каталог
Каталог
  • Справочник
    • Грузовые автомобили
    • Автобусы
    • Сельхозтехника
    • Спецтехника
    • Двигатели
  • Доставка
  • Оплата
  • О компании
    • Реквизиты
    • Магазины
    • Оплата
    • Доставка
    • Лицензии и сертификаты
    • Новости
    • Вакансии
  • Контакты
Отправить заявку
Личный кабинет
8 (800) 700-35-68
sales@din76.ru
Избранное 0 Корзина 0
8 (800) 700-35-68
Оптовый прайс-лист
Каталог
  • Двигатели
  • Запчасти WEICHAI
  • Запчасти ЯМЗ, ТМЗ (V-образные)
  • Запчасти ЯМЗ-534, ЯМЗ-536
  • Запчасти ЯМЗ-650, ЯМЗ-651, DCi-11
  • Топливная аппаратура
  • Запчасти УРАЛ
  • Запчасти МАЗ
  • Запчасти КамАЗ
  • Запчасти ММЗ
  • Ремни
Автокаталог (справочник)
  • Доставка
  • Оплата
  • О компании
  • Контакты
8 (800) 700-35-68
Написать в Whatsapp
sales@din76.ru
Динамика 76
Меню  
  • Каталог
    • Двигатели  
      • Двигатели ТМЗ  
        • Двигатели ТМЗ для автомобилей
        • Двигатели ТМЗ для тракторов
        • Специальные двигатели ТМЗ
        • Промышленные двигатели ТМЗ
      • Двигатели ЯМЗ  
        • ЯМЗ 236
        • ЯМЗ 238
        • ЯМЗ 240
        • ЯМЗ 751
        • ЯМЗ 840
        • ЯМЗ 850
        • ЯМЗ 656
        • ЯМЗ 658
        • ЯМЗ 534
        • ЯМЗ 536
        • ЯМЗ 650
        • Двигатели ЯМЗ для электростанций
      • Двигатели КАМАЗ
      • Двигатели ММЗ
      • Двигатели индивидуальной сборки
      • Комплекты переоборудования
    • Запчасти WEICHAI  
      • Основные запчасти двигателя  
        • Клапаны и толкатели
        • Шатуны
        • Вал коленчатый и маховик
        • Вал распределительный
        • Цилиндро-поршневая группа
      • Система питания  
        • Форсунки
        • Турбокомпрессор
      • Система смазки  
        • Насос масляный
      • Головка блока
      • Ремкомплекты
      • Система охлаждения  
        • Насос водяной
        • Муфта вязкостная и крыльчатка
      • Фильтры
      • Электрооборудование  
        • Генератор
        • Стартер
    • Запчасти ЯМЗ, ТМЗ (V-образные)  
      • Основные запчасти двигателя  
        • Блок двигателя и комплектующие
        • Валы распределительные и клапаны
        • Головка блока и комплектующие
        • Цилиндро-поршневая группа
        • Маховики и комплектующие
        • Валы коленчатые и комплектующие
        • Шатуны и комплектующие
      • Система питания  
        • Коллекторы и патрубки
        • Топливные трубопроводы
        • Турбокомпрессор
        • Топливные фильтры
      • Электрооборудование двигателя
      • Система охлаждения  
        • Вязкостные муфты и крыльчатки
        • Приводы вентилятора
        • Водяные насосы
        • Водяные трубы и термостаты
      • Коробки переключения передач  
        • 8 Ступенчатые КПП
        • 5 Ступенчатые КПП
        • 9 Ступенчатые КПП
        • Запасные части КПП ЯМЗ, ТМЗ
      • Система смазки  
        • Теплообменник и комплектующие
        • Масляные насосы
        • Фильтры масляные (ФГОМ, ФЦОМ)
      • Сцепление  
        • Запасные части механизма сцепления
        • Муфты (подшипники выжимные)
        • Корзины (диски нажимные)
        • Диски ведомые
      • Прочие запчасти двигателя  
        • Ремкомплекты
        • Привод агрегатов
        • Натяжные устройства
        • Трубки
    • Запчасти ЯМЗ-534, ЯМЗ-536  
      • Основные запчасти двигателя  
        • Цилиндро-поршневая группа
        • Головка блока цилиндров и комплектующие
        • Блок цилиндров и комплектующие
        • Вал коленчатый и маховик
        • Вал распределительный
        • Клапаны и толкатели
        • ГУР (Гидроусилитель руля)
        • Система рециркуляции отработавших газов
        • Выпускной коллектор
      • Система питания  
        • Коллекторы и патрубки
        • Топливные фильтры
        • Турбокомпрессор
        • Топливные трубопроводы
      • Система смазки  
        • Масляный картер поддон
        • Масляный насос
        • Теплообменник /Водо-масляный радиатор
        • Фильтры масляные (ФГОМ, ФЦОМ)
      • Пневмокомпрессор и натяжное
      • Система охлаждения  
        • Водяной насос
        • Водяные трубы и патрубки
        • Муфты вязкостные, приводы, крыльчатки
      • Ремкомплекты
      • Сцепление
      • Электрооборудование
    • Запчасти ЯМЗ-650, ЯМЗ-651, DCi-11  
      • Основные запчасти двигателя  
        • Цилиндро-поршневая группа
        • Головка блока цилиндров и комплектующие
        • Блок цилиндров и комплектующие
        • Вал коленчатый и маховик
        • Выпускной коллектор
        • Вал распределительный
        • Клапаны и толкатели
        • ГУР (Гидроусилитель руля)
        • Система рециркуляции отработавших газов
      • Система питания  
        • Коллекторы и патрубки
        • Топливные трубопроводы
        • Топливные фильтры
        • Турбокомпрессор
      • Система смазки  
        • Масляный картер / поддон
        • Масляный насос
        • Теплообменник / Водо-масляный радиатор
        • Фильтры масляные (ФГОМ, ФЦОМ)
      • Система охлаждения  
        • Водяной насос
        • Водяные трубы и патрубки
        • Муфты вязкостные, приводы, крыльчатки
      • Ремкомплекты
      • Пневмокомпрессор и натяжное
      • Электрооборудование
      • Сцепление
    • Топливная аппаратура  
      • ЯЗДА  
        • Распылители
        • ТНВД
        • Форсунки
        • Топливный насос низкого давления
        • Пары плунжерные
        • Муфта опережения впрыска топлива
        • Запчасти и комплектующие ТНВД
      • НЗТА
      • АЗПИ  
        • Распылители
        • Форсунки
      • BOSCH
    • Запчасти УРАЛ  
      • Трансмиссия  
        • Коробка раздаточная
        • Передача карданная
        • Мост задний
        • Мост передний (ведущий)
        • Мост средний (промежуточный)
      • Кузов  
        • Дверь кабины
        • Капот, крылья, облицовка радиатора
        • Окно ветровое и заднее
        • Отопление и вентиляция кабины
        • Кабина
      • Механизмы управления  
        • Управление рулевое
        • Тормоза
      • Дополнительное оборудование  
        • Отбор мощности
        • Устройство седельное
      • Электрооборудование
      • Ходовая часть  
        • Колеса и ступицы
        • Ось передняя
        • Подвеска автомобиля
        • Рама
    • Запчасти МАЗ  
      • Трансмиссия  
        • Мост задний
        • Мост передний (ведущий)
        • Передача карданная
        • Мост средний (промежуточный)
      • Кузов  
        • Кабина
        • Дверь кабины
        • Детали основания кабины
        • Окно ветровое и заднее
        • Платформа
      • Механизмы управления  
        • Тормоза
        • Управление рулевое
      • Ходовая часть  
        • Колеса и ступицы
        • Ось передняя
        • Подвеска автомобиля
        • Рама
    • Запчасти КамАЗ  
      • Кузов  
        • Кабина
        • Капот, крылья, облицовка радиатора
        • Дверь кабины
        • Платформа
        • Окно ветровое и заднее
        • Устройство подъемное и опрокидывающее
        • Сиденье
        • Крыша кабины (крыша кузова)
        • Отопление и вентиляция кабины
      • Трансмиссия  
        • Коробка передач
        • Коробка раздаточная
        • Мост задний
        • Сцепление
        • Мост средний (промежуточный)
        • Передача карданная
        • Мост передний (ведущий)
      • Двигатель  
        • Основные запчасти двигателя
        • Система охлаждения
        • Система питания
        • Система смазки
      • Дополнительное оборудование  
        • Отбор мощности
        • Устройство седельное
      • Ходовая часть  
        • Подвеска автомобиля
        • Рама
        • Колеса и ступицы
        • Ось передняя
      • Механизмы управления  
        • Тормоза
        • Управление рулевое
      • Электрооборудование
    • Запчасти ММЗ
    • Ремни
  • Справочник
    • Грузовые автомобили
    • Автобусы
    • Сельхозтехника
    • Спецтехника
    • Двигатели
  • Как купить
    • Условия оплаты
    • Условия доставки
    • Гарантия на товар
    • Пункты выдачи
  • Услуги
    • Капитальный ремонт двигателей ЯМЗ
  • Акции
  • Статьи
  • Контакты
  • Компания
    • Реквизиты
    • Магазины
    • Оплата
    • Доставка
    • Лицензии и сертификаты
    • Новости
    • Вакансии
Избранное 0 Корзина 0
8-800-700-35-68

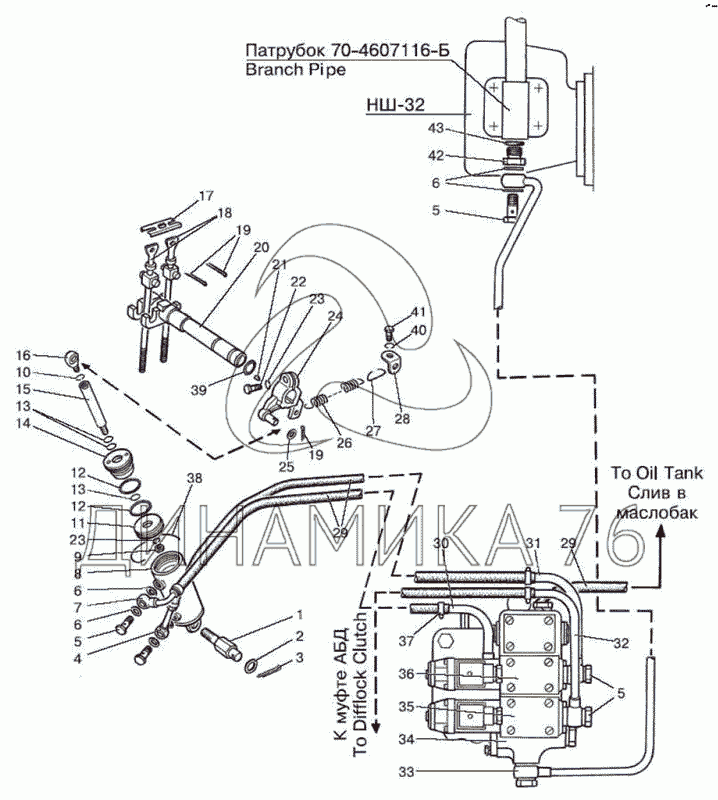
Управление задним валом отбора мощности на МТЗ-826 (до 2010 г.)

Справочник
Главная
-
Автокаталог
-
Сельхозтехника
-
МТЗ
-
МТЗ-826
Справочный каталог

Управление задним валом отбора мощности — МТЗ-826:

70-4607116-Б 80-4216100 920-4216010 920-4803150 НШ-32 1 2 3 4 5 5 5 6 6 6 7 8 9 10 11 12 12 13 13 14 15 16 17 18 19 19 20 21 22 23 23 24 25 26 27 28 29 29 30 31 32 33 34 35 36 37 38 39 40 41 42 43
в наличии
нет в наличии
масштаб

В наличии
Нет в наличии

Перечень комплектующих от Управление задним валом отбора мощности на МТЗ-826

Схемы запчастей предназначены для справочных целей! Мы продаем не все запчасти от Управление задним валом отбора мощности на МТЗ-826, представленные в этом списке.
Наличие на складах по деталям с ценой смотрите в карточке товара.
Артикул: 70-4607116-Б
нет в наличии
Патрубок
Информация
Патрубок
Подгруппа
4607
Порядковый номер детали
116
Артикул: 80-4216100
нет в наличии
Цилиндр
Количество на схеме: 1
Информация
Цилиндр
Количество
1
Модель
80
Группа
Спецоборудование
Подгруппа
Управление коробкой отбора мощности
Порядковый номер детали
100
Артикул: 920-4216010
нет в наличии
Управление ВОМ
Количество на схеме: 1
Информация
Управление ВОМ
Количество
1
Модель
920
Группа
Спецоборудование
Подгруппа
Управление коробкой отбора мощности
Порядковый номер детали
010
Артикул: 920-4803150
нет в наличии
Гидропривод АБД и ВОМ
Количество на схеме: 1
Информация
Гидропривод АБД и ВОМ
Количество
1
Модель
920
Подгруппа
4803
Порядковый номер детали
150
Артикул: НШ-32
нет в наличии
Насос шестеренный
Информация
Насос шестеренный
1
1
Артикул: 821-4216048
нет в наличии
Болт
Количество на схеме: 1
Информация
Болт
Количество
1
Модель
821
Группа
Спецоборудование
Подгруппа
Управление коробкой отбора мощности
Порядковый номер детали
048
2
2
Артикул: С-16-01-019
нет в наличии
Шайба
Количество на схеме: 1
Информация
Шайба
Количество
1
Примечание
ГОСТ 11371-78
3
3
Артикул: 4x36-019
нет в наличии
Шплинт
Количество на схеме: 1
Информация
Шплинт
Количество
1
Примечание
ГОСТ 397-79
4
4
Артикул: 85-4216125
нет в наличии
Маслопровод
Количество на схеме: 1
Информация
Маслопровод
Количество
1
Модель
85
Группа
Спецоборудование
Подгруппа
Управление коробкой отбора мощности
Порядковый номер детали
125
5
5
Артикул: Д18-051
нет в наличии
Болт
Количество на схеме: 8
Информация
Болт
Количество
8
6
6
Артикул: Д18-055-А
в наличии
Шайба
Количество на схеме: 16
Информация
Шайба
Количество
16
Кольцо Д-245 уплотнительное d=14мм медь ММЗ
Артикул: Д18-055-А
Кольцо Д-245 уплотнительное d=14мм медь ММЗ
Код для заказа: 00033464
Цена: 38 ₽/шт.
Под заказ
Кольцо Д-245 уплотнительное d=14мм медь ММЗ
Артикул: Д18-055-А
Код для заказа: 00033464
Кольцо Д-245 уплотнительное d=14мм медь ММЗ
Цена: 38 ₽/шт.
Под заказ
7
7
Артикул: 85-4216130
нет в наличии
Маслопровод
Количество на схеме: 1
Информация
Маслопровод
Количество
1
Модель
85
Группа
Спецоборудование
Подгруппа
Управление коробкой отбора мощности
Порядковый номер детали
130
8
8
Артикул: 80-4216115
нет в наличии
Корпус
Количество на схеме: 1
Информация
Корпус
Количество
1
Модель
80
Группа
Спецоборудование
Подгруппа
Управление коробкой отбора мощности
Порядковый номер детали
115
9
9
Артикул: М12-6Н-6-019
нет в наличии
Гайка
Количество на схеме: 1
Информация
Гайка
Количество
1
Примечание
ГОСТ 5915-70
10
10
Артикул: 10-ОТ
нет в наличии
Шайба
Количество на схеме: 1
Информация
Шайба
Количество
1
Примечание
ОСТ 37.001.115-75
11
11
Артикул: 80-4216118
нет в наличии
Поршень
Количество на схеме: 1
Информация
Поршень
Количество
1
Модель
80
Группа
Спецоборудование
Подгруппа
Управление коробкой отбора мощности
Порядковый номер детали
118
12
12
Артикул: 045-050-30-2-2
нет в наличии
Кольцо
Количество на схеме: 2
Информация
Кольцо
Количество
2
Примечание
ГОСТ 18829-73, 9833-73
13
13
Артикул: 15-54x2-62-DBS/AS-MS-29513
нет в наличии
Кольцо
Количество на схеме: 3
Информация
Кольцо
Количество
3
Примечание
ГОСТ 18829-73, 9833-73
14
14
Артикул: 80-4216116
нет в наличии
Крышка передняя
Количество на схеме: 1
Информация
Крышка передняя
Количество
1
Модель
80
Группа
Спецоборудование
Подгруппа
Управление коробкой отбора мощности
Порядковый номер детали
116
15
15
Артикул: 80-4216119
нет в наличии
Шток
Количество на схеме: 1
Информация
Шток
Количество
1
Модель
80
Группа
Спецоборудование
Подгруппа
Управление коробкой отбора мощности
Порядковый номер детали
119
16
16
Артикул: 80-4216121
нет в наличии
Наконечник
Количество на схеме: 1
Информация
Наконечник
Количество
1
Модель
80
Группа
Спецоборудование
Подгруппа
Управление коробкой отбора мощности
Порядковый номер детали
121
17
17
Артикул: 80-4216039
нет в наличии
Стопор
Количество на схеме: 1
Информация
Стопор
Количество
1
Модель
80
Группа
Спецоборудование
Подгруппа
Управление коробкой отбора мощности
Порядковый номер детали
039
18
18
Артикул: 70-4216028
нет в наличии
Винт
Количество на схеме: 2
Информация
Винт
Количество
2
Модель
70
Группа
Спецоборудование
Подгруппа
Управление коробкой отбора мощности
Порядковый номер детали
028
19
19
Артикул: 3,2x18-019
нет в наличии
Шплинт
Количество на схеме: 3
Информация
Шплинт
Количество
3
Примечание
ГОСТ 397-79
20
20
Артикул: 50-4216070-Б
нет в наличии
Валик управления с осью в сборе
Количество на схеме: 1
Информация
Валик управления с осью в сборе
Количество
1
Модель
50
Группа
Спецоборудование
Подгруппа
Управление коробкой отбора мощности
Порядковый номер детали
070
21
21
Артикул: СШ-611
нет в наличии
Шпонка
Количество на схеме: 1
Информация
Шпонка
Количество
1
22
22
Артикул: M12-6gx35-88-35-019
нет в наличии
Болт
Количество на схеме: 1
Информация
Болт
Количество
1
Примечание
ГОСТ 7796-70
23
23
Артикул: 12-ОТ
нет в наличии
Шайба
Количество на схеме: 2
Информация
Шайба
Количество
2
Примечание
ОСТ 37.001.115-75
24
24
Артикул: 821-4216020
нет в наличии
Рычаг
Количество на схеме: 1
Информация
Рычаг
Количество
1
Модель
821
Группа
Спецоборудование
Подгруппа
Управление коробкой отбора мощности
Порядковый номер детали
020
25
25
Артикул: С-12-01-019
нет в наличии
Шайба
Количество на схеме: 1
Информация
Шайба
Количество
1
Примечание
ГОСТ 11371-78
26
26
Артикул: 50-1605152
нет в наличии
Пружина
Количество на схеме: 1
Информация
Пружина
Количество
1
Модель
50
Группа
Сцепление
Подгруппа
1605
Порядковый номер детали
152
27
27
Артикул: 70-3514094
нет в наличии
Крюк
Количество на схеме: 1
Информация
Крюк
Количество
1
Модель
70
Группа
Тормоза
Подгруппа
Кран управления пневмотормозами (тормозной кран)
Порядковый номер детали
094
28
28
Артикул: 80-1602116
нет в наличии
Ушко
Количество на схеме: 1
Информация
Ушко
Количество
1
Модель
80
Группа
Сцепление
Подгруппа
Педаль и привод управления сцеплением
Порядковый номер детали
116
29
29
Артикул: 1221-2412026
нет в наличии
Рукав
Количество на схеме: 4
Информация
Рукав
Количество
4
Модель
1221
Группа
Мост задний
Подгруппа
2412
Порядковый номер детали
026
30
30
Артикул: 822-4801190
нет в наличии
Маслопровод
Количество на схеме: 1
Информация
Маслопровод
Количество
1
Примечание
ВОМ
Модель
822
Подгруппа
4801
Порядковый номер детали
190
31
31
Артикул: 822-4801195
нет в наличии
Маслопровод
Количество на схеме: 2
Информация
Маслопровод
Количество
2
Примечание
ВОМ
Модель
822
Подгруппа
4801
Порядковый номер детали
195
32
32
Артикул: 923-4803165
нет в наличии
Маслопровод
Количество на схеме: 1
Информация
Маслопровод
Количество
1
Примечание
АБД
Модель
923
Подгруппа
4803
Порядковый номер детали
165
33
33
Артикул: 920-4803155
нет в наличии
Маслопровод
Количество на схеме: 1
Информация
Маслопровод
Количество
1
Примечание
нагнетательный
Модель
920
Подгруппа
4803
Порядковый номер детали
155
34
34
Артикул: 822-4801180-Б-01
нет в наличии
Плита гидропривода
Количество на схеме: 1
Информация
Плита гидропривода
Количество
1
Модель
822
Подгруппа
4801
Порядковый номер детали
180
35
35
Артикул: РГ822-6/1-2-СЕ-В-574А-Г12-01
нет в наличии
Гидрораспределитель
Количество на схеме: 1
Информация
Гидрораспределитель
Количество
1
Примечание
АБД
36
36
Артикул: РГ822-6/1-2-СЕ-В-574А-Г12-01
нет в наличии
Гидрораспределитель
Количество на схеме: 1
Информация
Гидрораспределитель
Количество
1
Примечание
ВОМ
37
37
Артикул: НОРМА-TORRO-12-20/9-C6W
нет в наличии
Хомут
Количество на схеме: 8
Информация
Хомут
Количество
8
38
38
Артикул: 80-4216117
нет в наличии
Наконечник
Количество на схеме: 1
Информация
Наконечник
Количество
1
Модель
80
Группа
Спецоборудование
Подгруппа
Управление коробкой отбора мощности
Порядковый номер детали
117
39
39
Артикул: 025-030-30-1-4
нет в наличии
Кольцо
Количество на схеме: 1
Информация
Кольцо
Количество
1
Примечание
ГОСТ 18829-73, 9833-73
40
40
Артикул: 8Т
нет в наличии
Шайба
Количество на схеме: 1
Информация
Шайба
Количество
1
Примечание
ОСТ 37.001.115-75
41
41
Артикул: M8-6gx40-88-35-019
нет в наличии
Болт
Количество на схеме: 1
Информация
Болт
Количество
1
Примечание
ГОСТ 7795-70
42
42
Артикул: 1021-4803158
нет в наличии
Переходник
Количество на схеме: 1
Информация
Переходник
Количество
1
Модель
1021
Подгруппа
4803
Порядковый номер детали
158
43
43
Артикул: 017-022-30-1-4
нет в наличии
Кольцо
Количество на схеме: 1
Информация
Кольцо
Количество
1
Примечание
ГОСТ 18829-73, 9833-73
  • Грузовые автомобили
  • Автобусы
  • Сельхозтехника
  • Спецтехника
  • Двигатели
Получить оптовый прайс-лист
Скачать прайс-лист от 06.05.2026 16:00
Специальное предложение от 06.05.2026 17:00
Производители:


  • WEICHAI
  • Автодизель ПАО (ЯМЗ)
  • Тутаевский МЗ
  • ЯЗДА
  • УралАЗ
  • МАЗ
  • АЗПИ
  • BOSCH
  • ММЗ
  • ШААЗ
  • FEDERAL MOGUL
  • ПРАМО
  • Мотордеталь
  • ТАИМ
  • АвтоКрАЗ
  • БЕЛКАРД
  • CZ Strakonice
  • КамАЗ
  • БЗА
  • ЧМЗ
  • BMZ
Новости
Все новости
25 марта 2024
Флагманский седельный тягач «Валдай 45» на выставке «TransRussia»
10 марта 2024
Современные автобусы «CITYMAX 9» и ЛиАЗ-5292 CNG
25 февраля 2024
Серийное производство средних дизельных двигателей повышенной мощности от ЯМЗ
Статьи
Все статьи
Датчики двигателя: за что они отвечают, признаки неисправности и как не прогадать с выбором
Двигатели ЯМЗ-534: история, технические характеристики и области применения
Двигатели ЯМЗ 650: углублённый технический обзор и история
Компания
О компании
Реквизиты
Новости
Политика
Магазины
Информация
Условия оплаты
Условия доставки
Гарантия на товар
Обмен и возврат товара
Помощь
Как оформить заказ
Полезные статьи
Бренды
Пункты выдачи
Оставайтесь на связи
  • Вконтакте
  • YouTube
  • Одноклассники
  • Google Plus
Увидели ошибку?
Выделите, нажав Ctrl + Enter
Наши контакты
8-800-700-35-68
sales@din76.ru
г. Ярославль, Ленинградский пр-т 33, ТЦ "ОМЕГА"
2026 © ООО «Динамика 76» - Все права защищены ООО "Динамика 76"
Предложения на сайте не являются публичной офертой.
На сайте обнаружена ошибка

Текст с ошибкой