Избранное 0 Корзина 0 Личный кабинет
logo
Каталог
Каталог
  • Справочник
    • Грузовые автомобили
    • Автобусы
    • Сельхозтехника
    • Спецтехника
    • Двигатели
  • Доставка
  • Оплата
  • О компании
    • Реквизиты
    • Магазины
    • Оплата
    • Доставка
    • Лицензии и сертификаты
    • Новости
    • Вакансии
  • Контакты
Отправить заявку
Личный кабинет
8 (800) 700-35-68
sales@din76.ru
Избранное 0 Корзина 0
8 (800) 700-35-68
Оптовый прайс-лист
Каталог
  • Двигатели
  • Запчасти WEICHAI
  • Запчасти ЯМЗ, ТМЗ (V-образные)
  • Запчасти ЯМЗ-534, ЯМЗ-536
  • Запчасти ЯМЗ-650, ЯМЗ-651, DCi-11
  • Топливная аппаратура
  • Запчасти УРАЛ
  • Запчасти МАЗ
  • Запчасти КамАЗ
  • Запчасти ММЗ
  • Ремни
Автокаталог (справочник)
  • Доставка
  • Оплата
  • О компании
  • Контакты
8 (800) 700-35-68
Написать в Whatsapp
sales@din76.ru
Динамика 76
Меню  
  • Каталог
    • Двигатели  
      • Двигатели ТМЗ  
        • Двигатели ТМЗ для автомобилей
        • Двигатели ТМЗ для тракторов
        • Специальные двигатели ТМЗ
        • Промышленные двигатели ТМЗ
      • Двигатели ЯМЗ  
        • ЯМЗ 236
        • ЯМЗ 238
        • ЯМЗ 240
        • ЯМЗ 751
        • ЯМЗ 840
        • ЯМЗ 850
        • ЯМЗ 656
        • ЯМЗ 658
        • ЯМЗ 534
        • ЯМЗ 536
        • ЯМЗ 650
        • Двигатели ЯМЗ для электростанций
      • Двигатели КАМАЗ
      • Двигатели ММЗ
      • Двигатели индивидуальной сборки
      • Комплекты переоборудования
    • Запчасти WEICHAI  
      • Основные запчасти двигателя  
        • Клапаны и толкатели
        • Шатуны
        • Вал коленчатый и маховик
        • Вал распределительный
        • Цилиндро-поршневая группа
      • Система питания  
        • Форсунки
        • Турбокомпрессор
      • Система смазки  
        • Насос масляный
      • Головка блока
      • Ремкомплекты
      • Система охлаждения  
        • Насос водяной
        • Муфта вязкостная и крыльчатка
      • Фильтры
      • Электрооборудование  
        • Генератор
        • Стартер
    • Запчасти ЯМЗ, ТМЗ (V-образные)  
      • Основные запчасти двигателя  
        • Блок двигателя и комплектующие
        • Валы распределительные и клапаны
        • Головка блока и комплектующие
        • Цилиндро-поршневая группа
        • Маховики и комплектующие
        • Валы коленчатые и комплектующие
        • Шатуны и комплектующие
      • Система питания  
        • Коллекторы и патрубки
        • Топливные трубопроводы
        • Турбокомпрессор
        • Топливные фильтры
      • Электрооборудование двигателя
      • Система охлаждения  
        • Вязкостные муфты и крыльчатки
        • Приводы вентилятора
        • Водяные насосы
        • Водяные трубы и термостаты
      • Коробки переключения передач  
        • 8 Ступенчатые КПП
        • 5 Ступенчатые КПП
        • 9 Ступенчатые КПП
        • Запасные части КПП ЯМЗ, ТМЗ
      • Система смазки  
        • Теплообменник и комплектующие
        • Масляные насосы
        • Фильтры масляные (ФГОМ, ФЦОМ)
      • Сцепление  
        • Запасные части механизма сцепления
        • Муфты (подшипники выжимные)
        • Корзины (диски нажимные)
        • Диски ведомые
      • Прочие запчасти двигателя  
        • Ремкомплекты
        • Привод агрегатов
        • Натяжные устройства
        • Трубки
    • Запчасти ЯМЗ-534, ЯМЗ-536  
      • Основные запчасти двигателя  
        • Цилиндро-поршневая группа
        • Головка блока цилиндров и комплектующие
        • Блок цилиндров и комплектующие
        • Вал коленчатый и маховик
        • Вал распределительный
        • Клапаны и толкатели
        • ГУР (Гидроусилитель руля)
        • Система рециркуляции отработавших газов
        • Выпускной коллектор
      • Система питания  
        • Коллекторы и патрубки
        • Топливные фильтры
        • Турбокомпрессор
        • Топливные трубопроводы
      • Система смазки  
        • Масляный картер поддон
        • Масляный насос
        • Теплообменник /Водо-масляный радиатор
        • Фильтры масляные (ФГОМ, ФЦОМ)
      • Пневмокомпрессор и натяжное
      • Система охлаждения  
        • Водяной насос
        • Водяные трубы и патрубки
        • Муфты вязкостные, приводы, крыльчатки
      • Ремкомплекты
      • Сцепление
      • Электрооборудование
    • Запчасти ЯМЗ-650, ЯМЗ-651, DCi-11  
      • Основные запчасти двигателя  
        • Цилиндро-поршневая группа
        • Головка блока цилиндров и комплектующие
        • Блок цилиндров и комплектующие
        • Вал коленчатый и маховик
        • Выпускной коллектор
        • Вал распределительный
        • Клапаны и толкатели
        • ГУР (Гидроусилитель руля)
        • Система рециркуляции отработавших газов
      • Система питания  
        • Коллекторы и патрубки
        • Топливные трубопроводы
        • Топливные фильтры
        • Турбокомпрессор
      • Система смазки  
        • Масляный картер / поддон
        • Масляный насос
        • Теплообменник / Водо-масляный радиатор
        • Фильтры масляные (ФГОМ, ФЦОМ)
      • Система охлаждения  
        • Водяной насос
        • Водяные трубы и патрубки
        • Муфты вязкостные, приводы, крыльчатки
      • Ремкомплекты
      • Пневмокомпрессор и натяжное
      • Электрооборудование
      • Сцепление
    • Топливная аппаратура  
      • ЯЗДА  
        • Распылители
        • ТНВД
        • Форсунки
        • Топливный насос низкого давления
        • Пары плунжерные
        • Муфта опережения впрыска топлива
        • Запчасти и комплектующие ТНВД
      • НЗТА
      • АЗПИ  
        • Распылители
        • Форсунки
      • BOSCH
    • Запчасти УРАЛ  
      • Трансмиссия  
        • Коробка раздаточная
        • Передача карданная
        • Мост задний
        • Мост передний (ведущий)
        • Мост средний (промежуточный)
      • Кузов  
        • Дверь кабины
        • Капот, крылья, облицовка радиатора
        • Окно ветровое и заднее
        • Отопление и вентиляция кабины
        • Кабина
      • Механизмы управления  
        • Управление рулевое
        • Тормоза
      • Дополнительное оборудование  
        • Отбор мощности
        • Устройство седельное
      • Электрооборудование
      • Ходовая часть  
        • Колеса и ступицы
        • Ось передняя
        • Подвеска автомобиля
        • Рама
    • Запчасти МАЗ  
      • Трансмиссия  
        • Мост задний
        • Мост передний (ведущий)
        • Передача карданная
        • Мост средний (промежуточный)
      • Кузов  
        • Кабина
        • Дверь кабины
        • Детали основания кабины
        • Окно ветровое и заднее
        • Платформа
      • Механизмы управления  
        • Тормоза
        • Управление рулевое
      • Ходовая часть  
        • Колеса и ступицы
        • Ось передняя
        • Подвеска автомобиля
        • Рама
    • Запчасти КамАЗ  
      • Кузов  
        • Кабина
        • Капот, крылья, облицовка радиатора
        • Дверь кабины
        • Платформа
        • Окно ветровое и заднее
        • Устройство подъемное и опрокидывающее
        • Сиденье
        • Крыша кабины (крыша кузова)
        • Отопление и вентиляция кабины
      • Трансмиссия  
        • Коробка передач
        • Коробка раздаточная
        • Мост задний
        • Сцепление
        • Мост средний (промежуточный)
        • Передача карданная
        • Мост передний (ведущий)
      • Двигатель  
        • Основные запчасти двигателя
        • Система охлаждения
        • Система питания
        • Система смазки
      • Дополнительное оборудование  
        • Отбор мощности
        • Устройство седельное
      • Ходовая часть  
        • Подвеска автомобиля
        • Рама
        • Колеса и ступицы
        • Ось передняя
      • Механизмы управления  
        • Тормоза
        • Управление рулевое
      • Электрооборудование
    • Запчасти ММЗ
    • Ремни
  • Справочник
    • Грузовые автомобили
    • Автобусы
    • Сельхозтехника
    • Спецтехника
    • Двигатели
  • Как купить
    • Условия оплаты
    • Условия доставки
    • Гарантия на товар
    • Пункты выдачи
  • Услуги
    • Капитальный ремонт двигателей ЯМЗ
  • Акции
  • Статьи
  • Контакты
  • Компания
    • Реквизиты
    • Магазины
    • Оплата
    • Доставка
    • Лицензии и сертификаты
    • Новости
    • Вакансии
Избранное 0 Корзина 0
8-800-700-35-68

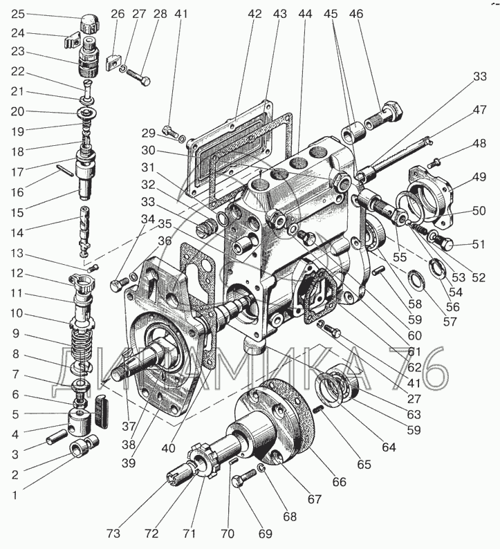
Насос топливный высокого давления на МТЗ-822 (до 2008 г.)

Справочник
Главная
-
Автокаталог
-
Сельхозтехника
-
МТЗ
-
МТЗ-822
Справочный каталог

Насос топливный высокого давления — МТЗ-822:

16-С13-1Б 4УТНИ-1111005-20 4УТНИ-Т-1111005-20 4УТНИ-Т-1111010 4УТНМ-1111090-01 4УТНМ-1111410-01 1 2 3 4 5 6 7 8 9 10 11 12 13 14 15 16 17 18 18 19 20 21 22 23 24 25 26 27 27 28 29 30 31 32 33 33 34 35 36 37 38 39 40 41 41 42 43 44 45 46 47 48 49 50 51 52 53 54 55 56 57 58 59 59 60 61 62 63 64 65 66 67 68 69 70 71 72 73
в наличии
нет в наличии
масштаб

В наличии
Нет в наличии

Перечень комплектующих от Насос топливный высокого давления на МТЗ-822

Схемы запчастей предназначены для справочных целей! Мы продаем не все запчасти от Насос топливный высокого давления на МТЗ-822, представленные в этом списке.
Наличие на складах по деталям с ценой смотрите в карточке товара.
Артикул: 16-С13-1Б
нет в наличии
Клапан перепускной в сборе
Количество на схеме: 1
Информация
Клапан перепускной в сборе
Количество
1
Англ. номер;Масса
16-S13-1B;0;
Артикул: 4УТНИ-1111005-20
в наличии
Насос топливный
Количество на схеме: 1
Информация
Насос топливный
Количество
1
Англ. номер;Масса
4UTNI-1111005-20;0;
Модель
4УТНИ
Группа
Cистема питания двигателя
Подгруппа
Насос топливный высокого давления
Порядковый номер детали
005
Дополнительно
Не взаимозаменяема с деталью, выпущенной ранее под этим же номером
Насос топливный Д-243 высокого давления НЗТА №
Артикул: 4УТНИ-1111005-20
Насос топливный Д-243 высокого давления НЗТА №
Код для заказа: 00040773
Цена: 67 500 ₽/шт.
Под заказ
Насос топливный Д-243 высокого давления НЗТА №
Артикул: 4УТНИ-1111005-20
Код для заказа: 00040773
Насос топливный Д-243 высокого давления НЗТА №
Цена: 67 500 ₽/шт.
Под заказ
Артикул: 4УТНИ-Т-1111005-20
нет в наличии
Насос топливный с регулятором
Количество на схеме: 1
Информация
Насос топливный с регулятором
Количество
1
Англ. номер;Масса
4UTNI-T-1111005-20;0;
Модель
4УТНИ-Т
Группа
Cистема питания двигателя
Подгруппа
Насос топливный высокого давления
Порядковый номер детали
005
Дополнительно
Не взаимозаменяема с деталью, выпущенной ранее под этим же номером
Артикул: 4УТНИ-Т-1111010
нет в наличии
Насос топливный (1-73)
Количество на схеме: 1
Информация
Насос топливный (1-73)
Количество
1
Англ. номер;Масса
4UTNI-T-1111010;0;
Модель
4УТНИ-Т
Группа
Cистема питания двигателя
Подгруппа
Насос топливный высокого давления
Порядковый номер детали
010
Артикул: 4УТНМ-1111090-01
нет в наличии
Толкатель в сборе
Количество на схеме: 4
Информация
Толкатель в сборе
Количество
4
Англ. номер;Масса
4UTNM-1111090-01;0,120999999;
Модель
4УТНМ
Группа
Cистема питания двигателя
Подгруппа
Насос топливный высокого давления
Порядковый номер детали
090
Артикул: 4УТНМ-1111410-01
в наличии
Плунжерная пара в сборе
Количество на схеме: 4
Информация
Плунжерная пара в сборе
Количество
4
Англ. номер;Масса
4UTNM-1111410-01;0,094999999;
Модель
4УТНМ
Группа
Cистема питания двигателя
Подгруппа
Насос топливный высокого давления
Порядковый номер детали
410
Пара плунжерная УТН, МТЗ d=9 мм. НЗТА
Артикул: 4УТНМ-1111410-01
Пара плунжерная УТН, МТЗ d=9 мм. НЗТА
Код для заказа: 00009602
Цена: 601 ₽/шт.
Под заказ
Пара плунжерная УТН, МТЗ d=9 мм. НЗТА
Артикул: 4УТНМ-1111410-01
Код для заказа: 00009602
Пара плунжерная УТН, МТЗ d=9 мм. НЗТА
Цена: 601 ₽/шт.
Под заказ
1
1
Артикул: УТН-5-1111264
нет в наличии
Втулка
Количество на схеме: 4
Информация
Втулка
Количество
4
Англ. номер;Масса
UTN-5-1111264;0,007;
Модель
УТН-5
Группа
Cистема питания двигателя
Подгруппа
Насос топливный высокого давления
Порядковый номер детали
264
2
2
Артикул: УТН-5-1111263
нет в наличии
Ролик
Количество на схеме: 4
Информация
Ролик
Количество
4
Англ. номер;Масса
UTN-5-1111263;0;
Модель
УТН-5
Группа
Cистема питания двигателя
Подгруппа
Насос топливный высокого давления
Порядковый номер детали
263
3
3
Артикул: 4УТНМ-1111266
нет в наличии
Ось
Количество на схеме: 4
Информация
Ось
Количество
4
Англ. номер;Масса
4UTNM-1111266;0,013;
Модель
4УТНМ
Группа
Cистема питания двигателя
Подгруппа
Насос топливный высокого давления
Порядковый номер детали
266
4
4
Артикул: 4УТНМ-1111262-01
нет в наличии
Корпус толкателя
Количество на схеме: 4
Информация
Корпус толкателя
Количество
4
Англ. номер;Масса
4UTNM-1111262-01;0;
Модель
4УТНМ
Группа
Cистема питания двигателя
Подгруппа
Насос топливный высокого давления
Порядковый номер детали
262
5
5
Артикул: 4УТНМ-1111426
нет в наличии
Фиксатор
Количество на схеме: 2
Информация
Фиксатор
Количество
2
Англ. номер;Масса
4UTNM-1111426;0;
Модель
4УТНМ
Группа
Cистема питания двигателя
Подгруппа
Насос топливный высокого давления
Порядковый номер детали
426
6
6
Артикул: УТН-5-1111267
нет в наличии
Контргайка
Количество на схеме: 4
Информация
Контргайка
Количество
4
Англ. номер;Масса
UTN-5-1111267;0,003;
Модель
УТН-5
Группа
Cистема питания двигателя
Подгруппа
Насос топливный высокого давления
Порядковый номер детали
267
7
7
Артикул: 4УТНМ-1111265
нет в наличии
Болт
Количество на схеме: 4
Информация
Болт
Количество
4
Англ. номер;Масса
4UTNM-1111265;0,012;
Модель
4УТНМ
Группа
Cистема питания двигателя
Подгруппа
Насос топливный высокого давления
Порядковый номер детали
265
8
8
Артикул: 4УТНМ-1111472
нет в наличии
Тарелка
Количество на схеме: 4
Информация
Тарелка
Количество
4
Англ. номер;Масса
4UTNM-1111472;0,01;
Модель
4УТНМ
Группа
Cистема питания двигателя
Подгруппа
Насос топливный высокого давления
Порядковый номер детали
472
9
9
Артикул: УТН-5-1111138
нет в наличии
Пружина
Количество на схеме: 4
Информация
Пружина
Количество
4
Англ. номер;Масса
UTN-5-1111138;0,041000001;
Модель
УТН-5
Группа
Cистема питания двигателя
Подгруппа
Насос топливный высокого давления
Порядковый номер детали
138
10
10
Артикул: УТН-5-1111473-А
нет в наличии
Тарелка
Количество на схеме: 4
Информация
Тарелка
Количество
4
Англ. номер;Масса
UTN-5-1111473-A;0,003;
Модель
УТН-5
Группа
Cистема питания двигателя
Подгруппа
Насос топливный высокого давления
Порядковый номер детали
473
11
11
Артикул: УТН-5-1111431-01
нет в наличии
Втулка
Количество на схеме: 4
Информация
Втулка
Количество
4
Англ. номер;Масса
UTN-5-1111431-01;0,030999999;
Модель
УТН-5
Группа
Cистема питания двигателя
Подгруппа
Насос топливный высокого давления
Порядковый номер детали
431
12
12
Артикул: 4УТНМ-1111432-01
нет в наличии
Венец
Количество на схеме: 4
Информация
Венец
Количество
4
Англ. номер;Масса
4UTNM-1111432-01;0,012;
Модель
4УТНМ
Группа
Cистема питания двигателя
Подгруппа
Насос топливный высокого давления
Порядковый номер детали
432
13
13
Артикул: УТН-5-1111433-А
нет в наличии
Винт
Количество на схеме: 4
Информация
Винт
Количество
4
Англ. номер;Масса
UTN-5-1111433-A;0,002;
Модель
УТН-5
Группа
Cистема питания двигателя
Подгруппа
Насос топливный высокого давления
Порядковый номер детали
433
14
14
Артикул: 4УТНМ-1111422
нет в наличии
Плунжер
Количество на схеме: 4
Информация
Плунжер
Количество
4
Англ. номер;Масса
4UTNM-1111422;0;
Модель
4УТНМ
Группа
Cистема питания двигателя
Подгруппа
Насос топливный высокого давления
Порядковый номер детали
422
15
15
Артикул: 4УТНМ-1111425-01
нет в наличии
Втулка
Количество на схеме: 4
Информация
Втулка
Количество
4
Англ. номер;Масса
4UTNM-1111425-01;0;
Модель
4УТНМ
Группа
Cистема питания двигателя
Подгруппа
Насос топливный высокого давления
Порядковый номер детали
425
16
16
Артикул: УТН-3-1111489
нет в наличии
Штифт
Количество на схеме: 4
Информация
Штифт
Количество
4
Англ. номер;Масса
UTN-3-1111489;0,015;
Модель
УТН-3
Группа
Cистема питания двигателя
Подгруппа
Насос топливный высокого давления
Порядковый номер детали
489
17
17
Артикул: УТНИ-1111226
нет в наличии
Седло
Количество на схеме: 4
Информация
Седло
Количество
4
Англ. номер;Масса
UTNI-1111226;0;
Модель
УТНИ
Группа
Cистема питания двигателя
Подгруппа
Насос топливный высокого давления
Порядковый номер детали
226
18
18
Артикул: 4УТНИ-1111220
в наличии
Клапан
Количество на схеме: 4
Информация
Клапан
Количество
4
Англ. номер;Масса
4UTNI-1111220;0;
Модель
4УТНИ
Группа
Cистема питания двигателя
Подгруппа
Насос топливный высокого давления
Порядковый номер детали
220
Клапан ЗИЛ-5301 ТНВД нагнетательный в сборе НЗТА
Артикул: 4УТНИ-1111220
Клапан ЗИЛ-5301 ТНВД нагнетательный в сборе НЗТА
Код для заказа: 00032171
Цена: 391 ₽/шт.
Под заказ
Клапан ЗИЛ-5301 ТНВД нагнетательный в сборе НЗТА
Артикул: 4УТНИ-1111220
Код для заказа: 00032171
Клапан ЗИЛ-5301 ТНВД нагнетательный в сборе НЗТА
Цена: 391 ₽/шт.
Под заказ
18
18
Артикул: УТНИ-1111224
нет в наличии
Клапан
Количество на схеме: 4
Информация
Клапан
Количество
4
Англ. номер;Масса
UTNI-1111224;0;
Модель
УТНИ
Группа
Cистема питания двигателя
Подгруппа
Насос топливный высокого давления
Порядковый номер детали
224
19
19
Артикул: 4УТНИ-1111225
нет в наличии
Пружина
Количество на схеме: 4
Информация
Пружина
Количество
4
Англ. номер;Масса
4UTNI-1111225;0;
Модель
4УТНИ
Группа
Cистема питания двигателя
Подгруппа
Насос топливный высокого давления
Порядковый номер детали
225
20
20
Артикул: 16-212-В1
нет в наличии
Прокладка
Количество на схеме: 4
Информация
Прокладка
Количество
4
Англ. номер;Масса
16-212-B1;0;
21
21
Артикул: 4УТНИ-1111487-01
нет в наличии
Прокладка
Количество на схеме: 8
Информация
Прокладка
Количество
8
Англ. номер;Масса
4UTNI-1111487-01;0;
Модель
4УТНИ
Группа
Cистема питания двигателя
Подгруппа
Насос топливный высокого давления
Порядковый номер детали
487
22
22
Артикул: 4УТНИ-1111486
нет в наличии
Вытеснитель
Количество на схеме: 4
Информация
Вытеснитель
Количество
4
Англ. номер;Масса
4UTNI-1111486;0;
Модель
4УТНИ
Группа
Cистема питания двигателя
Подгруппа
Насос топливный высокого давления
Порядковый номер детали
486
23
23
Артикул: УТНИ-1111485
нет в наличии
Штуцер
Количество на схеме: 4
Информация
Штуцер
Количество
4
Англ. номер;Масса
UTNI-1111485;0;
Модель
УТНИ
Группа
Cистема питания двигателя
Подгруппа
Насос топливный высокого давления
Порядковый номер детали
485
24
24
Артикул: УТН-3-1111478-А2
нет в наличии
Зажим
Количество на схеме: 2
Информация
Зажим
Количество
2
Англ. номер;Масса
UTN-3-1111478-A2;0,011;
Модель
УТН-3
Группа
Cистема питания двигателя
Подгруппа
Насос топливный высокого давления
Порядковый номер детали
478
25
25
Артикул: 119-73-В
нет в наличии
Колпачок (деталь технологическая)
Количество на схеме: 4
Информация
Колпачок (деталь технологическая)
Количество
4
Англ. номер;Масса
119-73-B;0;
26
26
Артикул: УТН-3-1111477-А2
нет в наличии
Зажим
Количество на схеме: 2
Информация
Зажим
Количество
2
Англ. номер;Масса
UTN-3-1111477-A2;0,01;
Модель
УТН-3
Группа
Cистема питания двигателя
Подгруппа
Насос топливный высокого давления
Порядковый номер детали
477
27
27
Артикул: ШП6
нет в наличии
Шайба
Количество на схеме: 5
Информация
Шайба
Количество
5
Англ. номер;Масса
SHP6;0;
28
28
Артикул: М6х30
нет в наличии
Болт
Количество на схеме: 2
Информация
Болт
Количество
2
Англ. номер;Масса
M6x30;0;
29
29
Артикул: УТН-3-1111488-01
нет в наличии
Шайба
Количество на схеме: 6
Информация
Шайба
Количество
6
Англ. номер;Масса
UTN-3-1111488-01;0,001;
Модель
УТН-3
Группа
Cистема питания двигателя
Подгруппа
Насос топливный высокого давления
Порядковый номер детали
488
30
30
Артикул: УТН-3-1111028-Г
нет в наличии
Футорка
Количество на схеме: 2
Информация
Футорка
Количество
2
Англ. номер;Масса
UTN-3-1111028-G;0,023;
Модель
УТН-3
Группа
Cистема питания двигателя
Подгруппа
Насос топливный высокого давления
Порядковый номер детали
028
31
31
Артикул: УТН-5-1111519
нет в наличии
Кольцо
Количество на схеме: 4
Информация
Кольцо
Количество
4
Англ. номер;Масса
UTN-5-1111519;0,001;
Модель
УТН-5
Группа
Cистема питания двигателя
Подгруппа
Насос топливный высокого давления
Порядковый номер детали
519
32
32
Артикул: УТН-5-1111023-А
нет в наличии
Пробка
Количество на схеме: 4
Информация
Пробка
Количество
4
Англ. номер;Масса
UTN-5-1111023-A;0,025;
Модель
УТН-5
Группа
Cистема питания двигателя
Подгруппа
Насос топливный высокого давления
Порядковый номер детали
023
33
33
Артикул: 4УТНМ-1111029
нет в наличии
Втулка
Количество на схеме: 2
Информация
Втулка
Количество
2
Англ. номер;Масса
4UTNM-1111029;0;
Модель
4УТНМ
Группа
Cистема питания двигателя
Подгруппа
Насос топливный высокого давления
Порядковый номер детали
029
34
34
Артикул: М8х16
нет в наличии
Болт
Количество на схеме: 2
Информация
Болт
Количество
2
Англ. номер;Масса
M8x16;0;
35
35
Артикул: УТН-3-1111022-Б
нет в наличии
Футорка
Количество на схеме: 1
Информация
Футорка
Количество
1
Англ. номер;Масса
UTN-3-1111022-B;0;
Модель
УТН-3
Группа
Cистема питания двигателя
Подгруппа
Насос топливный высокого давления
Порядковый номер детали
022
36
36
Артикул: УТН-5-1110242-В
нет в наличии
Шайба
Количество на схеме: 2
Информация
Шайба
Количество
2
Англ. номер;Масса
UTN-5-1110242-B;0,001;
Модель
УТН-5
Группа
Cистема питания двигателя
Подгруппа
Ограничитель частоты вращения коленчатого вала двигателя
Порядковый номер детали
242
37
37
Артикул: УТН-5-1111155
нет в наличии
Шпонка
Количество на схеме: 1
Информация
Шпонка
Количество
1
Англ. номер;Масса
UTN-5-1111155;0,002;
Модель
УТН-5
Группа
Cистема питания двигателя
Подгруппа
Насос топливный высокого давления
Порядковый номер детали
155
38
38
Артикул: УТНИ-1111152
нет в наличии
Вал кулачковый
Количество на схеме: 1
Информация
Вал кулачковый
Количество
1
Англ. номер;Масса
UTNI-1111152;0;
Модель
УТНИ
Группа
Cистема питания двигателя
Подгруппа
Насос топливный высокого давления
Порядковый номер детали
152
39
39
Артикул: 4УТНМ-1111082-11
в наличии
Плита
Количество на схеме: 1
Информация
Плита
Количество
1
Англ. номер;Масса
4UTNM-1111082-11;0;
Модель
4УТНМ
Группа
Cистема питания двигателя
Подгруппа
Насос топливный высокого давления
Порядковый номер детали
082
Дополнительно
Не взаимозаменяема с деталью, выпущенной ранее под этим же номером
Площадка ЗИЛ-5301 крепления ТНВД С/О НЗТА
Артикул: 4УТНМ-1111082-11
Площадка ЗИЛ-5301 крепления ТНВД С/О НЗТА
Код для заказа: 00044662
Цена: 4 254 ₽/шт.
Под заказ
Площадка ЗИЛ-5301 крепления ТНВД С/О НЗТА
Артикул: 4УТНМ-1111082-11
Код для заказа: 00044662
Площадка ЗИЛ-5301 крепления ТНВД С/О НЗТА
Цена: 4 254 ₽/шт.
Под заказ
40
40
Артикул: 4УТНМ-1111483-01
нет в наличии
Прокладка
Количество на схеме: 1
Информация
Прокладка
Количество
1
Англ. номер;Масса
4UTNM-1111483-01;0,007;
Модель
4УТНМ
Группа
Cистема питания двигателя
Подгруппа
Насос топливный высокого давления
Порядковый номер детали
483
41
41
Артикул: М6х20
нет в наличии
Винт
Количество на схеме: 9
Информация
Винт
Количество
9
Англ. номер;Масса
M6x20;0;
42
42
Артикул: УТН-5-1111475-А6
нет в наличии
Крышка
Количество на схеме: 1
Информация
Крышка
Количество
1
Англ. номер;Масса
UTN-5-1111475-A6;0,181999996;
Модель
УТН-5
Группа
Cистема питания двигателя
Подгруппа
Насос топливный высокого давления
Порядковый номер детали
475
43
43
Артикул: УТН-5-1111476-А5
нет в наличии
Прокладка
Количество на схеме: 1
Информация
Прокладка
Количество
1
Англ. номер;Масса
UTN-5-1111476-A5;0,011;
Модель
УТН-5
Группа
Cистема питания двигателя
Подгруппа
Насос топливный высокого давления
Порядковый номер детали
476
44
44
Артикул: 4УТНМ-1111025-30
нет в наличии
Корпус насоса
Количество на схеме: 1
Информация
Корпус насоса
Количество
1
Англ. номер;Масса
4UTNM-1111025-30;0;
Модель
4УТНМ
Группа
Cистема питания двигателя
Подгруппа
Насос топливный высокого давления
Порядковый номер детали
025
Дополнительно
Не взаимозаменяема с деталью, выпущенной ранее под этим же номером
45
45
Артикул: 119-85-1
нет в наличии
Втулка (деталь технологическая)
Количество на схеме: 2
Информация
Втулка (деталь технологическая)
Количество
2
Англ. номер;Масса
119-85-1;0;
Примечание
Деталь технологическая
46
46
Артикул: А12-01-013-02
нет в наличии
Болт
Количество на схеме: 1
Информация
Болт
Количество
1
Англ. номер;Масса
A12.01.013-02;0,035999998;
47
47
Артикул: 4УТНМ-1111350
нет в наличии
Рейка
Количество на схеме: 1
Информация
Рейка
Количество
1
Англ. номер;Масса
4UTNM-1111350;0,129999995;
Модель
4УТНМ
Группа
Cистема питания двигателя
Подгруппа
Насос топливный высокого давления
Порядковый номер детали
350
48
48
Артикул: ВМ6х12
нет в наличии
Винт
Количество на схеме: 4
Информация
Винт
Количество
4
Англ. номер;Масса
BM6x12;0;
49
49
Артикул: УТН-5-1111451-И
нет в наличии
Стакан
Количество на схеме: 1
Информация
Стакан
Количество
1
Англ. номер;Масса
UTN-5-1111451-I;0,143999994;
Модель
УТН-5
Группа
Cистема питания двигателя
Подгруппа
Насос топливный высокого давления
Порядковый номер детали
451
50
50
Артикул: 4УТНМ-1111213
нет в наличии
Прокладка регулировочная
Количество на схеме: 3
Информация
Прокладка регулировочная
Количество
3
Англ. номер;Масса
4UTNM-1111213;0,001;
Примечание
Макс. количество
Модель
4УТНМ
Группа
Cистема питания двигателя
Подгруппа
Насос топливный высокого давления
Порядковый номер детали
213
51
51
Артикул: 16-218
нет в наличии
Пробка
Количество на схеме: 1
Информация
Пробка
Количество
1
Англ. номер;Масса
16-218;0,011;
52
52
Артикул: 16-219
нет в наличии
Прокладка
Количество на схеме: 1
Информация
Прокладка
Количество
1
Англ. номер;Масса
16-219;0,001;
53
53
Артикул: 16-057
нет в наличии
Пружина
Количество на схеме: 1
Информация
Пружина
Количество
1
Англ. номер;Масса
16-057;0,001;
54
54
Артикул: 16-262
нет в наличии
Шарик
Количество на схеме: 1
Информация
Шарик
Количество
1
Англ. номер;Масса
16-262;0;
55
55
Артикул: 16-216-1
нет в наличии
Корпус
Количество на схеме: 1
Информация
Корпус
Количество
1
Англ. номер;Масса
16-216-1;0,034000002;
56
56
Артикул: УТН-5-1111153
нет в наличии
Шайба
Количество на схеме: 1
Информация
Шайба
Количество
1
Англ. номер;Масса
UTN-5-1111153;0,003;
Модель
УТН-5
Группа
Cистема питания двигателя
Подгруппа
Насос топливный высокого давления
Порядковый номер детали
153
57
57
Артикул: УТН-5-1111154
нет в наличии
Шайба
Количество на схеме: 1
Информация
Шайба
Количество
1
Англ. номер;Масса
UTN-5-1111154;0,001;
Модель
УТН-5
Группа
Cистема питания двигателя
Подгруппа
Насос топливный высокого давления
Порядковый номер детали
154
58
58
Артикул: 7204-К1
нет в наличии
Подшипник
Количество на схеме: 2
Информация
Подшипник
Количество
2
Англ. номер;Масса
7204-K1;0;
59
59
Артикул: Д40-1110026
нет в наличии
Штифт
Количество на схеме: 2
Информация
Штифт
Количество
2
Англ. номер;Масса
D40-1110026;0;
Модель
Д40
Группа
Cистема питания двигателя
Подгруппа
Ограничитель частоты вращения коленчатого вала двигателя
Порядковый номер детали
026
60
60
Артикул: ОНМ-019-2
нет в наличии
Болт
Количество на схеме: 1
Информация
Болт
Количество
1
Англ. номер;Масса
ONM-019-2;0,012;
61
61
Артикул: ОНМ-086-1
нет в наличии
Прокладка
Количество на схеме: 1
Информация
Прокладка
Количество
1
Англ. номер;Масса
ONM-086-1;0,001;
62
62
Артикул: 16-148-Б
нет в наличии
Прокладка
Количество на схеме: 1
Информация
Прокладка
Количество
1
Англ. номер;Масса
16-148-B;0;
63
63
Артикул: УТН-3-1111026-А2
нет в наличии
Пробка
Количество на схеме: 4
Информация
Пробка
Количество
4
Англ. номер;Масса
UTN-3-1111026-A2;0,01;
Модель
УТН-3
Группа
Cистема питания двигателя
Подгруппа
Насос топливный высокого давления
Порядковый номер детали
026
64
64
Артикул: 4УТНМ-1111244
нет в наличии
Пластина опорная
Количество на схеме: 2
Информация
Пластина опорная
Количество
2
Англ. номер;Масса
4UTNM-1111244;0,005;
Модель
4УТНМ
Группа
Cистема питания двигателя
Подгруппа
Насос топливный высокого давления
Порядковый номер детали
244
65
65
Артикул: 4УТНМ-1111243-10
нет в наличии
Пружина
Количество на схеме: 6
Информация
Пружина
Количество
6
Англ. номер;Масса
4UTNM-1111243-10;0;
Модель
4УТНМ
Группа
Cистема питания двигателя
Подгруппа
Насос топливный высокого давления
Порядковый номер детали
243
Дополнительно
Не взаимозаменяема с деталью, выпущенной ранее под этим же номером
66
66
Артикул: 4УТНМ-1111493-01
нет в наличии
Прокладка
Количество на схеме: 1
Информация
Прокладка
Количество
1
Англ. номер;Масса
4UTNM-1111493-01;0;
Модель
4УТНМ
Группа
Cистема питания двигателя
Подгруппа
Насос топливный высокого давления
Порядковый номер детали
493
67
67
Артикул: 4УТНМ-1111162-10
нет в наличии
Фланец
Количество на схеме: 1
Информация
Фланец
Количество
1
Англ. номер;Масса
4UTNM-1111162-10;0;
Модель
4УТНМ
Группа
Cистема питания двигателя
Подгруппа
Насос топливный высокого давления
Порядковый номер детали
162
Дополнительно
Не взаимозаменяема с деталью, выпущенной ранее под этим же номером
68
68
Артикул: ШП8
нет в наличии
Шайба
Количество на схеме: 6
Информация
Шайба
Количество
6
Англ. номер;Масса
SHP8;0;
69
69
Артикул: М8х30
нет в наличии
Болт
Количество на схеме: 4
Информация
Болт
Количество
4
Англ. номер;Масса
M8x30;0;
70
70
Артикул: УТН-5-1111163
нет в наличии
Заглушка
Количество на схеме: 1
Информация
Заглушка
Количество
1
Англ. номер;Масса
UTN-5-1111163;0;
Модель
УТН-5
Группа
Cистема питания двигателя
Подгруппа
Насос топливный высокого давления
Порядковый номер детали
163
71
71
Артикул: 4УТНМ-1111165
нет в наличии
Втулка
Количество на схеме: 1
Информация
Втулка
Количество
1
Англ. номер;Масса
4UTNM-1111165;0;
Модель
4УТНМ
Группа
Cистема питания двигателя
Подгруппа
Насос топливный высокого давления
Порядковый номер детали
165
72
72
Артикул: ШП14
нет в наличии
Шайба
Количество на схеме: 1
Информация
Шайба
Количество
1
Англ. номер;Масса
SHP14;0;
73
73
Артикул: 4УТНМ-1111144
нет в наличии
Гайка
Количество на схеме: 1
Информация
Гайка
Количество
1
Англ. номер;Масса
4UTNM-1111144;0;
Модель
4УТНМ
Группа
Cистема питания двигателя
Подгруппа
Насос топливный высокого давления
Порядковый номер детали
144
  • Грузовые автомобили
  • Автобусы
  • Сельхозтехника
  • Спецтехника
  • Двигатели
Получить оптовый прайс-лист
Скачать прайс-лист от 08.05.2026 16:00
Специальное предложение от 08.05.2026 17:00
Производители:


  • WEICHAI
  • Автодизель ПАО (ЯМЗ)
  • Тутаевский МЗ
  • ЯЗДА
  • УралАЗ
  • МАЗ
  • АЗПИ
  • BOSCH
  • ММЗ
  • ШААЗ
  • FEDERAL MOGUL
  • ПРАМО
  • Мотордеталь
  • ТАИМ
  • АвтоКрАЗ
  • БЕЛКАРД
  • CZ Strakonice
  • КамАЗ
  • БЗА
  • ЧМЗ
  • BMZ
Новости
Все новости
25 марта 2024
Флагманский седельный тягач «Валдай 45» на выставке «TransRussia»
10 марта 2024
Современные автобусы «CITYMAX 9» и ЛиАЗ-5292 CNG
25 февраля 2024
Серийное производство средних дизельных двигателей повышенной мощности от ЯМЗ
Статьи
Все статьи
Датчики двигателя: за что они отвечают, признаки неисправности и как не прогадать с выбором
Двигатели ЯМЗ-534: история, технические характеристики и области применения
Двигатели ЯМЗ 650: углублённый технический обзор и история
Компания
О компании
Реквизиты
Новости
Политика
Магазины
Информация
Условия оплаты
Условия доставки
Гарантия на товар
Обмен и возврат товара
Помощь
Как оформить заказ
Полезные статьи
Бренды
Пункты выдачи
Оставайтесь на связи
  • Вконтакте
  • YouTube
  • Одноклассники
  • Google Plus
Увидели ошибку?
Выделите, нажав Ctrl + Enter
Наши контакты
8-800-700-35-68
sales@din76.ru
г. Ярославль, Ленинградский пр-т 33, ТЦ "ОМЕГА"
2026 © ООО «Динамика 76» - Все права защищены ООО "Динамика 76"
Предложения на сайте не являются публичной офертой.
На сайте обнаружена ошибка

Текст с ошибкой