Избранное 0 Корзина 0 Личный кабинет
logo
Каталог
Каталог
  • Справочник
    • Грузовые автомобили
    • Автобусы
    • Сельхозтехника
    • Спецтехника
    • Двигатели
  • Доставка
  • Оплата
  • О компании
    • Реквизиты
    • Магазины
    • Оплата
    • Доставка
    • Лицензии и сертификаты
    • Новости
    • Вакансии
  • Контакты
Отправить заявку
Личный кабинет
8 (800) 700-35-68
sales@din76.ru
Избранное 0 Корзина 0
8 (800) 700-35-68
Оптовый прайс-лист
Каталог
  • Двигатели
  • Запчасти WEICHAI
  • Запчасти ЯМЗ, ТМЗ (V-образные)
  • Запчасти ЯМЗ-534, ЯМЗ-536
  • Запчасти ЯМЗ-650, ЯМЗ-651, DCi-11
  • Топливная аппаратура
  • Запчасти УРАЛ
  • Запчасти МАЗ
  • Запчасти КамАЗ
  • Запчасти ММЗ
  • Ремни
Автокаталог (справочник)
  • Доставка
  • Оплата
  • О компании
  • Контакты
8 (800) 700-35-68
Написать в Whatsapp
sales@din76.ru
Динамика 76
Меню  
  • Каталог
    • Двигатели  
      • Двигатели ТМЗ  
        • Двигатели ТМЗ для автомобилей
        • Двигатели ТМЗ для тракторов
        • Специальные двигатели ТМЗ
        • Промышленные двигатели ТМЗ
      • Двигатели ЯМЗ  
        • ЯМЗ 236
        • ЯМЗ 238
        • ЯМЗ 240
        • ЯМЗ 751
        • ЯМЗ 840
        • ЯМЗ 850
        • ЯМЗ 656
        • ЯМЗ 658
        • ЯМЗ 534
        • ЯМЗ 536
        • ЯМЗ 650
        • Двигатели ЯМЗ для электростанций
      • Двигатели КАМАЗ
      • Двигатели ММЗ
      • Двигатели индивидуальной сборки
      • Комплекты переоборудования
    • Запчасти WEICHAI  
      • Основные запчасти двигателя  
        • Клапаны и толкатели
        • Шатуны
        • Вал коленчатый и маховик
        • Вал распределительный
        • Цилиндро-поршневая группа
      • Система питания  
        • Форсунки
        • Турбокомпрессор
      • Система смазки  
        • Насос масляный
      • Головка блока
      • Ремкомплекты
      • Система охлаждения  
        • Насос водяной
        • Муфта вязкостная и крыльчатка
      • Фильтры
      • Электрооборудование  
        • Генератор
        • Стартер
    • Запчасти ЯМЗ, ТМЗ (V-образные)  
      • Основные запчасти двигателя  
        • Блок двигателя и комплектующие
        • Валы распределительные и клапаны
        • Головка блока и комплектующие
        • Цилиндро-поршневая группа
        • Маховики и комплектующие
        • Валы коленчатые и комплектующие
        • Шатуны и комплектующие
      • Система питания  
        • Коллекторы и патрубки
        • Топливные трубопроводы
        • Турбокомпрессор
        • Топливные фильтры
      • Электрооборудование двигателя
      • Система охлаждения  
        • Вязкостные муфты и крыльчатки
        • Приводы вентилятора
        • Водяные насосы
        • Водяные трубы и термостаты
      • Коробки переключения передач  
        • 8 Ступенчатые КПП
        • 5 Ступенчатые КПП
        • 9 Ступенчатые КПП
        • Запасные части КПП ЯМЗ, ТМЗ
      • Система смазки  
        • Теплообменник и комплектующие
        • Масляные насосы
        • Фильтры масляные (ФГОМ, ФЦОМ)
      • Сцепление  
        • Запасные части механизма сцепления
        • Муфты (подшипники выжимные)
        • Корзины (диски нажимные)
        • Диски ведомые
      • Прочие запчасти двигателя  
        • Ремкомплекты
        • Привод агрегатов
        • Натяжные устройства
        • Трубки
    • Запчасти ЯМЗ-534, ЯМЗ-536  
      • Основные запчасти двигателя  
        • Цилиндро-поршневая группа
        • Головка блока цилиндров и комплектующие
        • Блок цилиндров и комплектующие
        • Вал коленчатый и маховик
        • Вал распределительный
        • Клапаны и толкатели
        • ГУР (Гидроусилитель руля)
        • Система рециркуляции отработавших газов
        • Выпускной коллектор
      • Система питания  
        • Коллекторы и патрубки
        • Топливные фильтры
        • Турбокомпрессор
        • Топливные трубопроводы
      • Система смазки  
        • Масляный картер поддон
        • Масляный насос
        • Теплообменник /Водо-масляный радиатор
        • Фильтры масляные (ФГОМ, ФЦОМ)
      • Пневмокомпрессор и натяжное
      • Система охлаждения  
        • Водяной насос
        • Водяные трубы и патрубки
        • Муфты вязкостные, приводы, крыльчатки
      • Ремкомплекты
      • Сцепление
      • Электрооборудование
    • Запчасти ЯМЗ-650, ЯМЗ-651, DCi-11  
      • Основные запчасти двигателя  
        • Цилиндро-поршневая группа
        • Головка блока цилиндров и комплектующие
        • Блок цилиндров и комплектующие
        • Вал коленчатый и маховик
        • Выпускной коллектор
        • Вал распределительный
        • Клапаны и толкатели
        • ГУР (Гидроусилитель руля)
        • Система рециркуляции отработавших газов
      • Система питания  
        • Коллекторы и патрубки
        • Топливные трубопроводы
        • Топливные фильтры
        • Турбокомпрессор
      • Система смазки  
        • Масляный картер / поддон
        • Масляный насос
        • Теплообменник / Водо-масляный радиатор
        • Фильтры масляные (ФГОМ, ФЦОМ)
      • Система охлаждения  
        • Водяной насос
        • Водяные трубы и патрубки
        • Муфты вязкостные, приводы, крыльчатки
      • Ремкомплекты
      • Пневмокомпрессор и натяжное
      • Электрооборудование
      • Сцепление
    • Топливная аппаратура  
      • ЯЗДА  
        • Распылители
        • ТНВД
        • Форсунки
        • Топливный насос низкого давления
        • Пары плунжерные
        • Муфта опережения впрыска топлива
        • Запчасти и комплектующие ТНВД
      • НЗТА
      • АЗПИ  
        • Распылители
        • Форсунки
      • BOSCH
    • Запчасти УРАЛ  
      • Трансмиссия  
        • Коробка раздаточная
        • Передача карданная
        • Мост задний
        • Мост передний (ведущий)
        • Мост средний (промежуточный)
      • Кузов  
        • Дверь кабины
        • Капот, крылья, облицовка радиатора
        • Окно ветровое и заднее
        • Отопление и вентиляция кабины
        • Кабина
      • Механизмы управления  
        • Управление рулевое
        • Тормоза
      • Дополнительное оборудование  
        • Отбор мощности
        • Устройство седельное
      • Электрооборудование
      • Ходовая часть  
        • Колеса и ступицы
        • Ось передняя
        • Подвеска автомобиля
        • Рама
    • Запчасти МАЗ  
      • Трансмиссия  
        • Мост задний
        • Мост передний (ведущий)
        • Передача карданная
        • Мост средний (промежуточный)
      • Кузов  
        • Кабина
        • Дверь кабины
        • Детали основания кабины
        • Окно ветровое и заднее
        • Платформа
      • Механизмы управления  
        • Тормоза
        • Управление рулевое
      • Ходовая часть  
        • Колеса и ступицы
        • Ось передняя
        • Подвеска автомобиля
        • Рама
    • Запчасти КамАЗ  
      • Кузов  
        • Кабина
        • Капот, крылья, облицовка радиатора
        • Дверь кабины
        • Платформа
        • Окно ветровое и заднее
        • Устройство подъемное и опрокидывающее
        • Сиденье
        • Крыша кабины (крыша кузова)
        • Отопление и вентиляция кабины
      • Трансмиссия  
        • Коробка передач
        • Коробка раздаточная
        • Мост задний
        • Сцепление
        • Мост средний (промежуточный)
        • Передача карданная
        • Мост передний (ведущий)
      • Двигатель  
        • Основные запчасти двигателя
        • Система охлаждения
        • Система питания
        • Система смазки
      • Дополнительное оборудование  
        • Отбор мощности
        • Устройство седельное
      • Ходовая часть  
        • Подвеска автомобиля
        • Рама
        • Колеса и ступицы
        • Ось передняя
      • Механизмы управления  
        • Тормоза
        • Управление рулевое
      • Электрооборудование
    • Запчасти ММЗ
    • Ремни
  • Справочник
    • Грузовые автомобили
    • Автобусы
    • Сельхозтехника
    • Спецтехника
    • Двигатели
  • Как купить
    • Условия оплаты
    • Условия доставки
    • Гарантия на товар
    • Пункты выдачи
  • Услуги
    • Капитальный ремонт двигателей ЯМЗ
  • Акции
  • Статьи
  • Контакты
  • Компания
    • Реквизиты
    • Магазины
    • Оплата
    • Доставка
    • Лицензии и сертификаты
    • Новости
    • Вакансии
Избранное 0 Корзина 0
8-800-700-35-68

Тормозной кран на МТЗ-80 (до 1998 г.)

Справочник
Главная
-
Автокаталог
-
Сельхозтехника
-
МТЗ
-
МТЗ-80
Справочный каталог

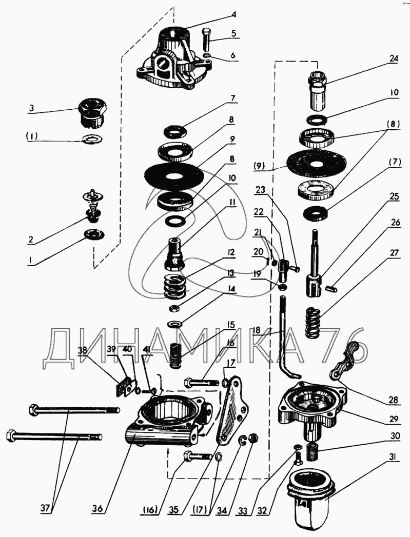
Тормозной кран — МТЗ-80:

А29.61.000-В А29.61.450 А29.61.750 1 1 2 3 4 5 6 7 7 8 8 8 9 9 10 10 11 12 13 14 15 16 16 17 17 18 19 20 21 22 23 24 25 26 27 28 29 30 31 32 33 34 35 36 37 38 39 40 41
в наличии
нет в наличии
масштаб

В наличии
Нет в наличии

Перечень комплектующих от Тормозной кран на МТЗ-80

Схемы запчастей предназначены для справочных целей! Мы продаем не все запчасти от Тормозной кран на МТЗ-80, представленные в этом списке.
Наличие на складах по деталям с ценой смотрите в карточке товара.
Артикул: А29-61-000-В
нет в наличии
Кран тормозной в сборе
Количество на схеме: 1
Информация
Кран тормозной в сборе
Количество
1
Вес агрегата, кг;
1,65;
Артикул: А29-61-450
нет в наличии
Диафрагма в сборе
Количество на схеме: 1
Информация
Диафрагма в сборе
Количество
1
Вес агрегата, кг;
0,127;
Артикул: А29-61-750
нет в наличии
Диафрагма с шайбами, кольцом и седлом в сборе
Количество на схеме: 1
Информация
Диафрагма с шайбами, кольцом и седлом в сборе
Количество
1
Вес агрегата, кг;
;
1
1
Артикул: 127-3514237-А
нет в наличии
Прокладка (для регулировки допускается изменение количества деталей)
Количество на схеме: 5
Информация
Прокладка (для регулировки допускается изменение количества деталей)
Количество
5
Вес агрегата, кг;
0,001;
Примечание
Лист АОМ
Модель
127
Группа
Тормоза
Подгруппа
Кран управления пневмотормозами (тормозной кран)
Порядковый номер детали
237
2
2
Артикул: 130-3514210-А2
нет в наличии
Клапан
Количество на схеме: 1
Информация
Клапан
Количество
1
Вес агрегата, кг;
0,03;
Модель
130
Группа
Тормоза
Подгруппа
Кран управления пневмотормозами (тормозной кран)
Порядковый номер детали
210
3
3
Артикул: А29-61-004
нет в наличии
Пробка
Количество на схеме: 1
Информация
Пробка
Количество
1
Вес агрегата, кг;
0.137;
Примечание
Сталь А12
4
4
Артикул: А29-61-005
нет в наличии
Крышка
Количество на схеме: 1
Информация
Крышка
Количество
1
Вес агрегата, кг;
0,26;
Примечание
Алюминий
5
5
Артикул: Болт-М8-6gх25-58-016-ГОСТ-7796-70
нет в наличии
Болт М8-6gх25.58.016 ГОСТ 7796-70
Количество на схеме: 8
Информация
Болт М8-6gх25.58.016 ГОСТ 7796-70
Количество
8
Вес агрегата, кг;
;
6
6
Артикул: Шайба-8-65Г-016-ГОСТ-6402-70
нет в наличии
Шайба 8 65Г 016 ГОСТ 6402-70
Количество на схеме: 8
Информация
Шайба 8 65Г 016 ГОСТ 6402-70
Количество
8
Вес агрегата, кг;
;
7
7
Артикул: А29-61-459
нет в наличии
Шайба
Количество на схеме: 2
Информация
Шайба
Количество
2
Вес агрегата, кг;
0,012;
Примечание
Сталь 08кп
8
8
Артикул: А29-61-501
нет в наличии
Шайба
Количество на схеме: 2
Информация
Шайба
Количество
2
Вес агрегата, кг;
0,013;
Примечание
Сталь 08кп
9
9
Артикул: А29-61-551
нет в наличии
Диафрагма
Количество на схеме: 4
Информация
Диафрагма
Количество
4
Вес агрегата, кг;
0,003;
Примечание
Мембранная ткань 0,4
10
10
Артикул: 130-3514239
нет в наличии
Кольцо
Количество на схеме: 3
Информация
Кольцо
Количество
3
Вес агрегата, кг;
0,0003;
Примечание
Резина 7-3109
Модель
130
Группа
Тормоза
Подгруппа
Кран управления пневмотормозами (тормозной кран)
Порядковый номер детали
239
11
11
Артикул: А29-61-552
нет в наличии
Седло
Количество на схеме: 1
Информация
Седло
Количество
1
Вес агрегата, кг;
0,036;
Примечание
Сталь 35
12
12
Артикул: А29-61-009
нет в наличии
Пружина
Количество на схеме: 1
Информация
Пружина
Количество
1
Вес агрегата, кг;
0,052;
Примечание
Проволока 6,0
13
13
Артикул: Гайка-М6-6Н-06-016-ГОСТ-5916-70
нет в наличии
Гайка М6-6Н.06.016 ГОСТ 5916-70
Количество на схеме: 1
Информация
Гайка М6-6Н.06.016 ГОСТ 5916-70
Количество
1
Вес агрегата, кг;
;
14
14
Артикул: А29-61-455
нет в наличии
Шайба
Количество на схеме: 1
Информация
Шайба
Количество
1
Вес агрегата, кг;
0,002;
Примечание
Сталь 08кп
15
15
Артикул: А29-61-454
нет в наличии
Пружина
Количество на схеме: 1
Информация
Пружина
Количество
1
Вес агрегата, кг;
0,007;
Примечание
Проволока I-2,5
16
16
Артикул: Болт-М10-6gх40-88-35-019-ГОСТ-7795-70
нет в наличии
Болт М10-6gх40.88.35.019 ГОСТ 7795-70
Количество на схеме: 2
Информация
Болт М10-6gх40.88.35.019 ГОСТ 7795-70
Количество
2
Вес агрегата, кг;
;
17
17
Артикул: Шайба-10-ОТ-ОСТ-37-001-115-75
нет в наличии
Шайба 10 ОТ ОСТ 37.001.115-75
Количество на схеме: 4
Информация
Шайба 10 ОТ ОСТ 37.001.115-75
Количество
4
Вес агрегата, кг;
;
18
18
Артикул: 70-3514121
нет в наличии
Тяга
Количество на схеме: 1
Информация
Тяга
Количество
1
Вес агрегата, кг;
0,19;
Примечание
Сталь 45
Модель
70
Группа
Тормоза
Подгруппа
Кран управления пневмотормозами (тормозной кран)
Порядковый номер детали
121
19
19
Артикул: Гайка-М12х1,25-6Н-6-019-ГОСТ-5916-70
нет в наличии
Гайка М12х1,25-6Н.6.019 ГОСТ 5916-70
Количество на схеме: 1
Информация
Гайка М12х1,25-6Н.6.019 ГОСТ 5916-70
Количество
1
Вес агрегата, кг;
;
20
20
Артикул: Шплинт-3,2х18-016-ГОСТ-397-79
нет в наличии
Шплинт 3,2х18.016 ГОСТ 397-79
Количество на схеме: 1
Информация
Шплинт 3,2х18.016 ГОСТ 397-79
Количество
1
Вес агрегата, кг;
;
21
21
Артикул: Шайба-12-01-019-ГОСТ-11371-78
нет в наличии
Шайба 12 01 019 ГОСТ 11371-78
Количество на схеме: 1
Информация
Шайба 12 01 019 ГОСТ 11371-78
Количество
1
Вес агрегата, кг;
;
22
22
Артикул: 70-3514022
нет в наличии
Вилка
Количество на схеме: 1
Информация
Вилка
Количество
1
Вес агрегата, кг;
0,11;
Примечание
Сталь 45Л
Модель
70
Группа
Тормоза
Подгруппа
Кран управления пневмотормозами (тормозной кран)
Порядковый номер детали
022
23
23
Артикул: Палец-12х-ОСТ-37-001-163-75
нет в наличии
Палец 12х ОСТ 37.001.163-75
Количество на схеме: 1
Информация
Палец 12х ОСТ 37.001.163-75
Количество
1
Вес агрегата, кг;
;
24
24
Артикул: А29-61-451
нет в наличии
Шток
Количество на схеме: 1
Информация
Шток
Количество
1
Вес агрегата, кг;
0,04;
Примечание
Сталь 35
25
25
Артикул: А29-61-452
нет в наличии
Тяга
Количество на схеме: 1
Информация
Тяга
Количество
1
Вес агрегата, кг;
0,038;
Примечание
Сталь 35
26
26
Артикул: А29-61-012
нет в наличии
Палец
Количество на схеме: 1
Информация
Палец
Количество
1
Вес агрегата, кг;
0,003;
Примечание
Сталь 45
27
27
Артикул: А29-61-023
нет в наличии
Пружина
Количество на схеме: 1
Информация
Пружина
Количество
1
Вес агрегата, кг;
0,025;
Примечание
Проволока II-5,0
28
28
Артикул: А29-61
нет в наличии
Рычаг
Количество на схеме: 1
Информация
Рычаг
Количество
1
Вес агрегата, кг;
;
29
29
Артикул: А29-61-016
нет в наличии
Корпус
Количество на схеме: 1
Информация
Корпус
Количество
1
Вес агрегата, кг;
0,15;
Примечание
Алюминий
30
30
Артикул: А29-61-018
нет в наличии
Пробка
Количество на схеме: 1
Информация
Пробка
Количество
1
Вес агрегата, кг;
0,0029;
Примечание
Сталь 20
31
31
Артикул: А29-61-013
нет в наличии
Чехол
Количество на схеме: 1
Информация
Чехол
Количество
1
Вес агрегата, кг;
;
Примечание
Резина
32
32
Артикул: А29-61-010
нет в наличии
Болт
Количество на схеме: 2
Информация
Болт
Количество
2
Вес агрегата, кг;
0,008;
Примечание
Сталь 35
33
33
Артикул: Гайка-М8-6Н-019-ГОСТ-7795-70
нет в наличии
Гайка М8-6Н.019 ГОСТ 7795-70
Количество на схеме: 2
Информация
Гайка М8-6Н.019 ГОСТ 7795-70
Количество
2
Вес агрегата, кг;
;
34
34
Артикул: Гайка-М10-6Н-019-ГОСТ-7795-70
нет в наличии
Гайка М10-6Н.019 ГОСТ 7795-70
Количество на схеме: 2
Информация
Гайка М10-6Н.019 ГОСТ 7795-70
Количество
2
Вес агрегата, кг;
;
35
35
Артикул: 70-3514108-Б1
нет в наличии
Кронштейн
Количество на схеме: 1
Информация
Кронштейн
Количество
1
Вес агрегата, кг;
0,46;
Примечание
Сталь 20
Модель
70
Группа
Тормоза
Подгруппа
Кран управления пневмотормозами (тормозной кран)
Порядковый номер детали
108
36
36
Артикул: А29-61-001
нет в наличии
Вставка
Количество на схеме: 1
Информация
Вставка
Количество
1
Вес агрегата, кг;
0,29;
Примечание
Алюминий 4
37
37
Артикул: Болт-М10-6gх105-58-35-019-ГОСТ-7795-70
нет в наличии
Болт М10-6gх105.58.35.019 ГОСТ 7795-70
Количество на схеме: 2
Информация
Болт М10-6gх105.58.35.019 ГОСТ 7795-70
Количество
2
Вес агрегата, кг;
;
38
38
Артикул: А29-61-002
нет в наличии
Клапан
Количество на схеме: 1
Информация
Клапан
Количество
1
Вес агрегата, кг;
0,001;
Примечание
Резина
39
39
Артикул: А29-61-003
нет в наличии
Прижим
Количество на схеме: 1
Информация
Прижим
Количество
1
Вес агрегата, кг;
0,004;
Примечание
Сталь 08кп
40
40
Артикул: Шайба-5ОТ-ОСТ-37-001-115-74
нет в наличии
Шайба 5ОТ ОСТ 37.001.115-74
Количество на схеме: 1
Информация
Шайба 5ОТ ОСТ 37.001.115-74
Количество
1
Вес агрегата, кг;
;
41
41
Артикул: Винт-М5
нет в наличии
Винт М5
Количество на схеме: 1
Информация
Винт М5
Количество
1
Вес агрегата, кг;
;
  • Грузовые автомобили
  • Автобусы
  • Сельхозтехника
  • Спецтехника
  • Двигатели
Получить оптовый прайс-лист
Скачать прайс-лист от 07.05.2026 16:00
Специальное предложение от 07.05.2026 17:00
Производители:


  • WEICHAI
  • Автодизель ПАО (ЯМЗ)
  • Тутаевский МЗ
  • ЯЗДА
  • УралАЗ
  • МАЗ
  • АЗПИ
  • BOSCH
  • ММЗ
  • ШААЗ
  • FEDERAL MOGUL
  • ПРАМО
  • Мотордеталь
  • ТАИМ
  • АвтоКрАЗ
  • БЕЛКАРД
  • CZ Strakonice
  • КамАЗ
  • БЗА
  • ЧМЗ
  • BMZ
Новости
Все новости
25 марта 2024
Флагманский седельный тягач «Валдай 45» на выставке «TransRussia»
10 марта 2024
Современные автобусы «CITYMAX 9» и ЛиАЗ-5292 CNG
25 февраля 2024
Серийное производство средних дизельных двигателей повышенной мощности от ЯМЗ
Статьи
Все статьи
Датчики двигателя: за что они отвечают, признаки неисправности и как не прогадать с выбором
Двигатели ЯМЗ-534: история, технические характеристики и области применения
Двигатели ЯМЗ 650: углублённый технический обзор и история
Компания
О компании
Реквизиты
Новости
Политика
Магазины
Информация
Условия оплаты
Условия доставки
Гарантия на товар
Обмен и возврат товара
Помощь
Как оформить заказ
Полезные статьи
Бренды
Пункты выдачи
Оставайтесь на связи
  • Вконтакте
  • YouTube
  • Одноклассники
  • Google Plus
Увидели ошибку?
Выделите, нажав Ctrl + Enter
Наши контакты
8-800-700-35-68
sales@din76.ru
г. Ярославль, Ленинградский пр-т 33, ТЦ "ОМЕГА"
2026 © ООО «Динамика 76» - Все права защищены ООО "Динамика 76"
Предложения на сайте не являются публичной офертой.
На сайте обнаружена ошибка

Текст с ошибкой