Избранное 0 Корзина 0 Личный кабинет
logo
Каталог
Каталог
  • Справочник
    • Грузовые автомобили
    • Автобусы
    • Сельхозтехника
    • Спецтехника
    • Двигатели
  • Доставка
  • Оплата
  • О компании
    • Реквизиты
    • Магазины
    • Оплата
    • Доставка
    • Лицензии и сертификаты
    • Новости
    • Вакансии
  • Контакты
Отправить заявку
Личный кабинет
8 (800) 700-35-68
sales@din76.ru
Избранное 0 Корзина 0
8 (800) 700-35-68
Оптовый прайс-лист
Каталог
  • Двигатели
  • Запчасти WEICHAI
  • Запчасти ЯМЗ, ТМЗ (V-образные)
  • Запчасти ЯМЗ-534, ЯМЗ-536
  • Запчасти ЯМЗ-650, ЯМЗ-651, DCi-11
  • Топливная аппаратура
  • Запчасти УРАЛ
  • Запчасти МАЗ
  • Запчасти КамАЗ
  • Запчасти ММЗ
  • Ремни
Автокаталог (справочник)
  • Доставка
  • Оплата
  • О компании
  • Контакты
8 (800) 700-35-68
Написать в Whatsapp
sales@din76.ru
Динамика 76
Меню  
  • Каталог
    • Двигатели  
      • Двигатели ТМЗ  
        • Двигатели ТМЗ для автомобилей
        • Двигатели ТМЗ для тракторов
        • Специальные двигатели ТМЗ
        • Промышленные двигатели ТМЗ
      • Двигатели ЯМЗ  
        • ЯМЗ 236
        • ЯМЗ 238
        • ЯМЗ 240
        • ЯМЗ 751
        • ЯМЗ 840
        • ЯМЗ 850
        • ЯМЗ 656
        • ЯМЗ 658
        • ЯМЗ 534
        • ЯМЗ 536
        • ЯМЗ 650
        • Двигатели ЯМЗ для электростанций
      • Двигатели КАМАЗ
      • Двигатели ММЗ
      • Двигатели индивидуальной сборки
      • Комплекты переоборудования
    • Запчасти WEICHAI  
      • Основные запчасти двигателя  
        • Клапаны и толкатели
        • Шатуны
        • Вал коленчатый и маховик
        • Вал распределительный
        • Цилиндро-поршневая группа
      • Система питания  
        • Форсунки
        • Турбокомпрессор
      • Система смазки  
        • Насос масляный
      • Головка блока
      • Ремкомплекты
      • Система охлаждения  
        • Насос водяной
        • Муфта вязкостная и крыльчатка
      • Фильтры
      • Электрооборудование  
        • Генератор
        • Стартер
    • Запчасти ЯМЗ, ТМЗ (V-образные)  
      • Основные запчасти двигателя  
        • Блок двигателя и комплектующие
        • Валы распределительные и клапаны
        • Головка блока и комплектующие
        • Цилиндро-поршневая группа
        • Маховики и комплектующие
        • Валы коленчатые и комплектующие
        • Шатуны и комплектующие
      • Система питания  
        • Коллекторы и патрубки
        • Топливные трубопроводы
        • Турбокомпрессор
        • Топливные фильтры
      • Электрооборудование двигателя
      • Система охлаждения  
        • Вязкостные муфты и крыльчатки
        • Приводы вентилятора
        • Водяные насосы
        • Водяные трубы и термостаты
      • Коробки переключения передач  
        • 8 Ступенчатые КПП
        • 5 Ступенчатые КПП
        • 9 Ступенчатые КПП
        • Запасные части КПП ЯМЗ, ТМЗ
      • Система смазки  
        • Теплообменник и комплектующие
        • Масляные насосы
        • Фильтры масляные (ФГОМ, ФЦОМ)
      • Сцепление  
        • Запасные части механизма сцепления
        • Муфты (подшипники выжимные)
        • Корзины (диски нажимные)
        • Диски ведомые
      • Прочие запчасти двигателя  
        • Ремкомплекты
        • Привод агрегатов
        • Натяжные устройства
        • Трубки
    • Запчасти ЯМЗ-534, ЯМЗ-536  
      • Основные запчасти двигателя  
        • Цилиндро-поршневая группа
        • Головка блока цилиндров и комплектующие
        • Блок цилиндров и комплектующие
        • Вал коленчатый и маховик
        • Вал распределительный
        • Клапаны и толкатели
        • ГУР (Гидроусилитель руля)
        • Система рециркуляции отработавших газов
        • Выпускной коллектор
      • Система питания  
        • Коллекторы и патрубки
        • Топливные фильтры
        • Турбокомпрессор
        • Топливные трубопроводы
      • Система смазки  
        • Масляный картер поддон
        • Масляный насос
        • Теплообменник /Водо-масляный радиатор
        • Фильтры масляные (ФГОМ, ФЦОМ)
      • Пневмокомпрессор и натяжное
      • Система охлаждения  
        • Водяной насос
        • Водяные трубы и патрубки
        • Муфты вязкостные, приводы, крыльчатки
      • Ремкомплекты
      • Сцепление
      • Электрооборудование
    • Запчасти ЯМЗ-650, ЯМЗ-651, DCi-11  
      • Основные запчасти двигателя  
        • Цилиндро-поршневая группа
        • Головка блока цилиндров и комплектующие
        • Блок цилиндров и комплектующие
        • Вал коленчатый и маховик
        • Выпускной коллектор
        • Вал распределительный
        • Клапаны и толкатели
        • ГУР (Гидроусилитель руля)
        • Система рециркуляции отработавших газов
      • Система питания  
        • Коллекторы и патрубки
        • Топливные трубопроводы
        • Топливные фильтры
        • Турбокомпрессор
      • Система смазки  
        • Масляный картер / поддон
        • Масляный насос
        • Теплообменник / Водо-масляный радиатор
        • Фильтры масляные (ФГОМ, ФЦОМ)
      • Система охлаждения  
        • Водяной насос
        • Водяные трубы и патрубки
        • Муфты вязкостные, приводы, крыльчатки
      • Ремкомплекты
      • Пневмокомпрессор и натяжное
      • Электрооборудование
      • Сцепление
    • Топливная аппаратура  
      • ЯЗДА  
        • Распылители
        • ТНВД
        • Форсунки
        • Топливный насос низкого давления
        • Пары плунжерные
        • Муфта опережения впрыска топлива
        • Запчасти и комплектующие ТНВД
      • НЗТА
      • АЗПИ  
        • Распылители
        • Форсунки
      • BOSCH
    • Запчасти УРАЛ  
      • Трансмиссия  
        • Коробка раздаточная
        • Передача карданная
        • Мост задний
        • Мост передний (ведущий)
        • Мост средний (промежуточный)
      • Кузов  
        • Дверь кабины
        • Капот, крылья, облицовка радиатора
        • Окно ветровое и заднее
        • Отопление и вентиляция кабины
        • Кабина
      • Механизмы управления  
        • Управление рулевое
        • Тормоза
      • Дополнительное оборудование  
        • Отбор мощности
        • Устройство седельное
      • Электрооборудование
      • Ходовая часть  
        • Колеса и ступицы
        • Ось передняя
        • Подвеска автомобиля
        • Рама
    • Запчасти МАЗ  
      • Трансмиссия  
        • Мост задний
        • Мост передний (ведущий)
        • Передача карданная
        • Мост средний (промежуточный)
      • Кузов  
        • Кабина
        • Дверь кабины
        • Детали основания кабины
        • Окно ветровое и заднее
        • Платформа
      • Механизмы управления  
        • Тормоза
        • Управление рулевое
      • Ходовая часть  
        • Колеса и ступицы
        • Ось передняя
        • Подвеска автомобиля
        • Рама
    • Запчасти КамАЗ  
      • Кузов  
        • Кабина
        • Капот, крылья, облицовка радиатора
        • Дверь кабины
        • Платформа
        • Окно ветровое и заднее
        • Устройство подъемное и опрокидывающее
        • Сиденье
        • Крыша кабины (крыша кузова)
        • Отопление и вентиляция кабины
      • Трансмиссия  
        • Коробка передач
        • Коробка раздаточная
        • Мост задний
        • Сцепление
        • Мост средний (промежуточный)
        • Передача карданная
        • Мост передний (ведущий)
      • Двигатель  
        • Основные запчасти двигателя
        • Система охлаждения
        • Система питания
        • Система смазки
      • Дополнительное оборудование  
        • Отбор мощности
        • Устройство седельное
      • Ходовая часть  
        • Подвеска автомобиля
        • Рама
        • Колеса и ступицы
        • Ось передняя
      • Механизмы управления  
        • Тормоза
        • Управление рулевое
      • Электрооборудование
    • Запчасти ММЗ
    • Ремни
  • Справочник
    • Грузовые автомобили
    • Автобусы
    • Сельхозтехника
    • Спецтехника
    • Двигатели
  • Как купить
    • Условия оплаты
    • Условия доставки
    • Гарантия на товар
    • Пункты выдачи
  • Услуги
    • Капитальный ремонт двигателей ЯМЗ
  • Акции
  • Статьи
  • Контакты
  • Компания
    • Реквизиты
    • Магазины
    • Оплата
    • Доставка
    • Лицензии и сертификаты
    • Новости
    • Вакансии
Избранное 0 Корзина 0
8-800-700-35-68

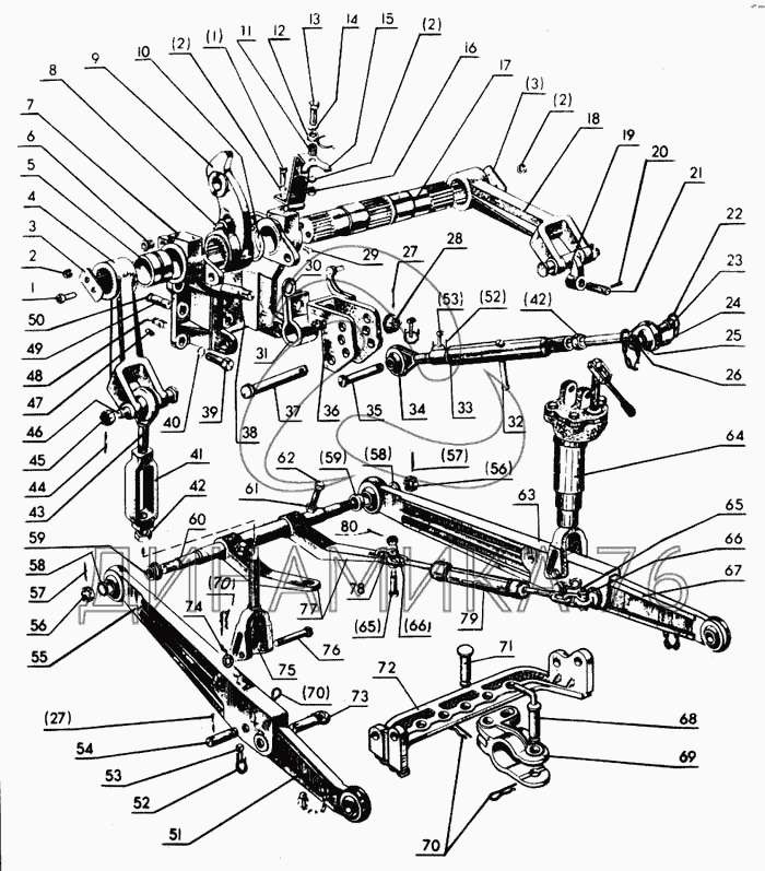
Механизм задней навески на МТЗ-80 (до 1998 г.)

Справочник
Главная
-
Автокаталог
-
Сельхозтехника
-
МТЗ
-
МТЗ-80
Справочный каталог

Механизм задней навески — МТЗ-80:

50-4605012 50-4605030-А3 50-4605035-А3 50-46050У5-А 50-4605105-А 70-4605010 70-4605145 70-4605340 80-4605025 А61.03.000 А61.03.200 1 1 1 2 2 2 2 3 3 4 5 6 7 9 11 11 12 13 14 15 16 17 18 19 20 21 22 23 24 25 26 27 27 28 29 30 31 32 33 34 35 36 37 38 39 40 41 42 42 43 44 45 46 47 48 49 50 51 52 52 53 53 54 55 56 56 57 57 58 58 59 59 60 61 62 63 64 65 65 66 66 67 68 69 70 70 70 71 72 73 74 75 76 77 78 79 80
в наличии
нет в наличии
масштаб

В наличии
Нет в наличии

Перечень комплектующих от Механизм задней навески на МТЗ-80

Схемы запчастей предназначены для справочных целей! Мы продаем не все запчасти от Механизм задней навески на МТЗ-80, представленные в этом списке.
Наличие на складах по деталям с ценой смотрите в карточке товара.
Артикул: 50-4605012
нет в наличии
Раскос в сборе
Количество на схеме: 1
Информация
Раскос в сборе
Количество
1
Вес агрегата, кг;
6,17;
Модель
50
Подгруппа
4605
Порядковый номер детали
012
Артикул: 50-4605030-А3
нет в наличии
Тяга правая в сборе
Количество на схеме: 1
Информация
Тяга правая в сборе
Количество
1
Вес агрегата, кг;
14,79;
Модель
50
Подгруппа
4605
Порядковый номер детали
030
Артикул: 50-4605035-А3
нет в наличии
Тяга левая в сборе
Количество на схеме: 1
Информация
Тяга левая в сборе
Количество
1
Вес агрегата, кг;
14,79;
Модель
50
Подгруппа
4605
Порядковый номер детали
035
Артикул: 50-46050У5-А
нет в наличии
Палец со шплинтом в сборе
Количество на схеме: 1
Информация
Палец со шплинтом в сборе
Количество
1
Вес агрегата, кг;
0,655;
Артикул: 50-4605105-А
нет в наличии
Шкворень прицепа со шплинтом в сборе
Количество на схеме: 1
Информация
Шкворень прицепа со шплинтом в сборе
Количество
1
Вес агрегата, кг;
1,085;
Модель
50
Подгруппа
4605
Порядковый номер детали
105
Артикул: 70-4605010
нет в наличии
Механизм задней навески в сборе
Количество на схеме: 1
Информация
Механизм задней навески в сборе
Количество
1
Вес агрегата, кг;
;
Модель
70
Подгруппа
4605
Порядковый номер детали
010
Артикул: 70-4605145
нет в наличии
Кронштейн в сборе
Количество на схеме: 1
Информация
Кронштейн в сборе
Количество
1
Вес агрегата, кг;
1,2;
Модель
70
Подгруппа
4605
Порядковый номер детали
145
Артикул: 70-4605340
нет в наличии
Рычаг с пальцем в сборе
Количество на схеме: 1
Информация
Рычаг с пальцем в сборе
Количество
1
Вес агрегата, кг;
3,923;
Модель
70
Подгруппа
4605
Порядковый номер детали
340
Артикул: 80-4605025
нет в наличии
Поперечина в сборе
Количество на схеме: 1
Информация
Поперечина в сборе
Количество
1
Вес агрегата, кг;
25,035;
Модель
80
Подгруппа
4605
Порядковый номер детали
025
Артикул: А61-03-000
нет в наличии
Тяга в сборе
Количество на схеме: 1
Информация
Тяга в сборе
Количество
1
Вес агрегата, кг;
6,75;
Артикул: А61-03-200
нет в наличии
Винт в сборе
Количество на схеме: 1
Информация
Винт в сборе
Количество
1
Вес агрегата, кг;
2,63;
1
1
Артикул: 70-4605313
нет в наличии
Палец
Количество на схеме: 1
Информация
Палец
Количество
1
Вес агрегата, кг;
0,055;
Примечание
Сталь 40Х
Модель
70
Подгруппа
4605
Порядковый номер детали
313
1
1
Артикул: Болт-М12-6gх25-88-35-019-ГОСТ-7796-70
нет в наличии
Болт М12-6gх25.88.35.019 ГОСТ 7796-70
Количество на схеме: 6
Информация
Болт М12-6gх25.88.35.019 ГОСТ 7796-70
Количество
6
Вес агрегата, кг;
;
2
2
Артикул: Шайба-12ОТ-ОСТ-37-001-115-75
нет в наличии
Шайба 12ОТ ОСТ 37.001.115-75
Количество на схеме: 7
Информация
Шайба 12ОТ ОСТ 37.001.115-75
Количество
7
Вес агрегата, кг;
;
3
3
Артикул: 40-4605023-А2
нет в наличии
Шайба
Количество на схеме: 2
Информация
Шайба
Количество
2
Вес агрегата, кг;
0,06;
Примечание
Сталь Ст.3
Модель
40
Подгруппа
4605
Порядковый номер детали
023
4
4
Артикул: 40-4605021-А2
нет в наличии
Рычаг
Количество на схеме: 1
Информация
Рычаг
Количество
1
Вес агрегата, кг;
5,102;
Примечание
Сталь 45
Модель
40
Подгруппа
4605
Порядковый номер детали
021
5
5
Артикул: 70-4605032
нет в наличии
Втулка
Количество на схеме: 2
Информация
Втулка
Количество
2
Вес агрегата, кг;
0,446;
Примечание
Сталь 40Х
Модель
70
Подгруппа
4605
Порядковый номер детали
032
6
6
Артикул: 70-4605308-Б
нет в наличии
Втулка
Количество на схеме: 2
Информация
Втулка
Количество
2
Вес агрегата, кг;
0,004;
Примечание
Капрон
Модель
70
Подгруппа
4605
Порядковый номер детали
308
7
7
Артикул: 70-4605016-Б
нет в наличии
Кронштейн
Количество на схеме: 1
Информация
Кронштейн
Количество
1
Вес агрегата, кг;
16,4;
Примечание
Сталь 45Л
Модель
70
Подгруппа
4605
Порядковый номер детали
016
9
9
Артикул: 70-4605024-А
нет в наличии
Рычаг поворотный
Количество на схеме: 1
Информация
Рычаг поворотный
Количество
1
Вес агрегата, кг;
4,25;
Примечание
Сталь 40Х
Модель
70
Подгруппа
4605
Порядковый номер детали
024
11
11
Артикул: 50-4605069
нет в наличии
Втулка
Количество на схеме: 1
Информация
Втулка
Количество
1
Вес агрегата, кг;
0,0045;
Примечание
Сталь 20
Модель
50
Подгруппа
4605
Порядковый номер детали
069
11
11
Артикул: Кольцо-2Б65-ГОСТ-1394-68
нет в наличии
Кольцо 2Б65 ГОСТ 1394-68
Количество на схеме: 1
Информация
Кольцо 2Б65 ГОСТ 1394-68
Количество
1
Вес агрегата, кг;
;
12
12
Артикул: 50-4605077-Б
нет в наличии
Пружина
Количество на схеме: 1
Информация
Пружина
Количество
1
Вес агрегата, кг;
0,043;
Примечание
Проволока II-0,5
Модель
50
Подгруппа
4605
Порядковый номер детали
077
13
13
Артикул: Болт-М12-6gх35-88-35-019-ГОСТ-7796-70
нет в наличии
Болт М12-6gх35.88.35.019 ГОСТ 7796-70
Количество на схеме: 1
Информация
Болт М12-6gх35.88.35.019 ГОСТ 7796-70
Количество
1
Вес агрегата, кг;
;
14
14
Артикул: Шайба-12-02-019-ГОСТ-11371-78
нет в наличии
Шайба 12.02.019 ГОСТ 11371-78
Количество на схеме: 1
Информация
Шайба 12.02.019 ГОСТ 11371-78
Количество
1
Вес агрегата, кг;
;
15
15
Артикул: 70-4605240-А
нет в наличии
Кронштейн
Количество на схеме: 1
Информация
Кронштейн
Количество
1
Вес агрегата, кг;
0,885;
Примечание
Сталь 45
Модель
70
Подгруппа
4605
Порядковый номер детали
240
16
16
Артикул: Гайка-М12-6Н-6-019-ГОСТ-5915-70
нет в наличии
Гайка М12.6Н.6.019 ГОСТ 5915-70
Количество на схеме: 1
Информация
Гайка М12.6Н.6.019 ГОСТ 5915-70
Количество
1
Вес агрегата, кг;
;
17
17
Артикул: 70-4605023
нет в наличии
Вал поворотный
Количество на схеме: 1
Информация
Вал поворотный
Количество
1
Вес агрегата, кг;
9;
Примечание
Сталь 40Х
Модель
70
Подгруппа
4605
Порядковый номер детали
023
18
18
Артикул: 40-4605022-А
нет в наличии
Рычаг
Количество на схеме: 1
Информация
Рычаг
Количество
1
Вес агрегата, кг;
5,102;
Примечание
Сталь 45
Модель
40
Подгруппа
4605
Порядковый номер детали
022
19
19
Артикул: 70-4605168
нет в наличии
Серьга
Количество на схеме: 1
Информация
Серьга
Количество
1
Вес агрегата, кг;
0,73;
Примечание
Сталь 45
Модель
70
Подгруппа
4605
Порядковый номер детали
168
20
20
Артикул: Штифт-пружинный-8х45-ГОСТ-14229-69
нет в наличии
Штифт пружинный 8х45 ГОСТ 14229-69
Количество на схеме: 1
Информация
Штифт пружинный 8х45 ГОСТ 14229-69
Количество
1
Вес агрегата, кг;
;
21
21
Артикул: А61-01-004
нет в наличии
Палец
Количество на схеме: 1
Информация
Палец
Количество
1
Вес агрегата, кг;
0,132;
Примечание
Сталь 45
22
22
Артикул: А61-03-002
нет в наличии
Кольцо
Количество на схеме: 2
Информация
Кольцо
Количество
2
Вес агрегата, кг;
0,016;
Примечание
Проволока II-4,0
23
23
Артикул: А61-03-001-02
нет в наличии
Палец
Количество на схеме: 1
Информация
Палец
Количество
1
Вес агрегата, кг;
0,385;
Примечание
Сталь 40Х
24
24
Артикул: А61-03-001-02
нет в наличии
Палец
Количество на схеме: 1
Информация
Палец
Количество
1
Вес агрегата, кг;
;
25
25
Артикул: А61-02-100-04
нет в наличии
Винт
Количество на схеме: 1
Информация
Винт
Количество
1
Вес агрегата, кг;
2,09;
26
26
Артикул: А61-05-002
нет в наличии
Чека
Количество на схеме: 1
Информация
Чека
Количество
1
Вес агрегата, кг;
0,043;
Примечание
Сталь 45Л
27
27
Артикул: Шплинт-5х36-001-ГОСТ-397-79
нет в наличии
Шплинт 5х36-001 ГОСТ 397-79
Количество на схеме: 3
Информация
Шплинт 5х36-001 ГОСТ 397-79
Количество
3
Вес агрегата, кг;
0,042;
28
28
Артикул: 70-4605316
нет в наличии
Гайка упорная
Количество на схеме: 1
Информация
Гайка упорная
Количество
1
Вес агрегата, кг;
;
Примечание
Сталь 45
Модель
70
Подгруппа
4605
Порядковый номер детали
316
29
29
Артикул: Масленка-1-3-Ц6-хр-ГОСТ-19853-74
нет в наличии
Масленка 1.3.Ц6.хр ГОСТ 19853-74
Количество на схеме: 3
Информация
Масленка 1.3.Ц6.хр ГОСТ 19853-74
Количество
3
Вес агрегата, кг;
1;
30
30
Артикул: 70-4605304-Б
нет в наличии
Шайба
Количество на схеме: 1
Информация
Шайба
Количество
1
Вес агрегата, кг;
0,066;
Примечание
Сталь 65Г
Модель
70
Подгруппа
4605
Порядковый номер детали
304
31
31
Артикул: 70-4605302-Б
нет в наличии
Пружина
Количество на схеме: 1
Информация
Пружина
Количество
1
Вес агрегата, кг;
1,78;
Примечание
Сталь 60С2А
Модель
70
Подгруппа
4605
Порядковый номер детали
302
32
32
Артикул: А61-03-102
нет в наличии
Рукоятка
Количество на схеме: 1
Информация
Рукоятка
Количество
1
Вес агрегата, кг;
0,168;
Примечание
Сталь 45
33
33
Артикул: А61-03-101
нет в наличии
Труба
Количество на схеме: 1
Информация
Труба
Количество
1
Вес агрегата, кг;
1,84;
Примечание
Сталь 45
34
34
Артикул: А61-02-100-03
нет в наличии
Винт
Количество на схеме: 1
Информация
Винт
Количество
1
Вес агрегата, кг;
2,09;
35
35
Артикул: 70-4605312
нет в наличии
Палец
Количество на схеме: 1
Информация
Палец
Количество
1
Вес агрегата, кг;
0,338;
Примечание
Сталь 40Х
Модель
70
Подгруппа
4605
Порядковый номер детали
312
36
36
Артикул: 70-4605330-Б
нет в наличии
Серьга
Количество на схеме: 1
Информация
Серьга
Количество
1
Вес агрегата, кг;
3;
Модель
70
Подгруппа
4605
Порядковый номер детали
330
37
37
Артикул: 70-4605071-01
нет в наличии
Палец
Количество на схеме: 1
Информация
Палец
Количество
1
Вес агрегата, кг;
0,405;
Примечание
Сталь 40Х
Модель
70
Подгруппа
4605
Порядковый номер детали
071
38
38
Артикул: 70-4605320
нет в наличии
Болт
Количество на схеме: 1
Информация
Болт
Количество
1
Вес агрегата, кг;
0,61;
Примечание
Сталь 45
Модель
70
Подгруппа
4605
Порядковый номер детали
320
39
39
Артикул: 70-4605036
нет в наличии
Болт
Количество на схеме: 5
Информация
Болт
Количество
5
Вес агрегата, кг;
;
Модель
70
Подгруппа
4605
Порядковый номер детали
036
40
40
Артикул: Шайба-20ОТ-65Г-06-ГОСТ-6402-70
нет в наличии
Шайба 20ОТ 65Г 06 ГОСТ 6402-70
Количество на схеме: 5
Информация
Шайба 20ОТ 65Г 06 ГОСТ 6402-70
Количество
5
Вес агрегата, кг;
;
41
41
Артикул: А61-02-001
нет в наличии
Стяжка раскоса
Количество на схеме: 1
Информация
Стяжка раскоса
Количество
1
Вес агрегата, кг;
1,92;
Примечание
Сталь 45
42
42
Артикул: А61-02-003
нет в наличии
Контргайка
Количество на схеме: 2
Информация
Контргайка
Количество
2
Вес агрегата, кг;
0,035;
Примечание
Сталь 45
43
43
Артикул: А61-02-100
нет в наличии
Винт
Количество на схеме: 1
Информация
Винт
Количество
1
Вес агрегата, кг;
1,705;
44
44
Артикул: Шплинт-4х36-001-ГОСТ-397-79
нет в наличии
Шплинт 4х36-001 ГОСТ 397-79
Количество на схеме: 2
Информация
Шплинт 4х36-001 ГОСТ 397-79
Количество
2
Вес агрегата, кг;
;
45
45
Артикул: 70-3003032
нет в наличии
Гайка
Количество на схеме: 2
Информация
Гайка
Количество
2
Вес агрегата, кг;
;
Модель
70
Группа
Тяги рулевые. Оси передняя и задняя
Подгруппа
Тяги рулевые
Порядковый номер детали
032
46
46
Артикул: F50-4605084
нет в наличии
Палец
Количество на схеме: 2
Информация
Палец
Количество
2
Вес агрегата, кг;
0,395;
Примечание
Сталь 45
Модель
F50
Подгруппа
4605
Порядковый номер детали
084
47
47
Артикул: 70-4605317
нет в наличии
Ограничитель
Количество на схеме: 2
Информация
Ограничитель
Количество
2
Вес агрегата, кг;
0,015;
Примечание
Сталь 45
Модель
70
Подгруппа
4605
Порядковый номер детали
317
48
48
Артикул: 21А-1601150
нет в наличии
Пружина
Количество на схеме: 4
Информация
Пружина
Количество
4
Вес агрегата, кг;
0,022;
Примечание
Проволока I-4,0
Модель
21А
Группа
Сцепление
Подгруппа
Сцепление
Порядковый номер детали
150
49
49
Артикул: 50-4605027
нет в наличии
Штифт
Количество на схеме: 2
Информация
Штифт
Количество
2
Вес агрегата, кг;
0,117;
Примечание
Сталь 40Х
Модель
50
Подгруппа
4605
Порядковый номер детали
027
50
50
Артикул: 54-38-619
нет в наличии
Кольцо
Количество на схеме: 2
Информация
Кольцо
Количество
2
Вес агрегата, кг;
0,0015;
Примечание
Проволока II-2,0
51
51
Артикул: 80-4605045-01
нет в наличии
Тяга левая
Количество на схеме: 1
Информация
Тяга левая
Количество
1
Вес агрегата, кг;
5,098;
Модель
80
Подгруппа
4605
Порядковый номер детали
045
52
52
Артикул: А61-05-004
нет в наличии
Кольцо
Количество на схеме: 8
Информация
Кольцо
Количество
8
Вес агрегата, кг;
0,004;
Примечание
Проволока II-2,0
53
53
Артикул: А61-05-005
нет в наличии
Чека
Количество на схеме: 4
Информация
Чека
Количество
4
Вес агрегата, кг;
0,0475;
Примечание
Сталь 45Л
54
54
Артикул: 50-4605049-Б
нет в наличии
Палец
Количество на схеме: 2
Информация
Палец
Количество
2
Вес агрегата, кг;
0,2;
Примечание
Сталь 45
Модель
50
Подгруппа
4605
Порядковый номер детали
049
55
55
Артикул: 70-4605055
нет в наличии
Тяга
Количество на схеме: 1
Информация
Тяга
Количество
1
Вес агрегата, кг;
8,18;
Примечание
Сталь А12
Модель
70
Подгруппа
4605
Порядковый номер детали
055
56
56
Артикул: А04-02-020-01
нет в наличии
Гайка
Количество на схеме: 2
Информация
Гайка
Количество
2
Вес агрегата, кг;
0,1;
Примечание
Сталь А12
57
57
Артикул: Шплинт-5х45-019-ГОСТ-397-79
нет в наличии
Шплинт 5х45-019 ГОСТ 397-79
Количество на схеме: 2
Информация
Шплинт 5х45-019 ГОСТ 397-79
Количество
2
Вес агрегата, кг;
;
58
58
Артикул: 70-4605047
нет в наличии
Втулка
Количество на схеме: 2
Информация
Втулка
Количество
2
Вес агрегата, кг;
0,015;
Примечание
Сталь 40Х
Модель
70
Подгруппа
4605
Порядковый номер детали
047
59
59
Артикул: 50-4605068-Б1
нет в наличии
Втулка
Количество на схеме: 2
Информация
Втулка
Количество
2
Вес агрегата, кг;
0,042;
Примечание
Сталь 40Х
Модель
50
Подгруппа
4605
Порядковый номер детали
068
60
60
Артикул: 70-4605026
нет в наличии
Ось
Количество на схеме: 1
Информация
Ось
Количество
1
Вес агрегата, кг;
3,5;
Примечание
Сталь 45Х
Модель
70
Подгруппа
4605
Порядковый номер детали
026
61
61
Артикул: Гайка-М16-6Н-6-019-ГОСТ-5916-70
нет в наличии
Гайка М16.6Н.6.019 ГОСТ 5916-70
Количество на схеме: 2
Информация
Гайка М16.6Н.6.019 ГОСТ 5916-70
Количество
2
Вес агрегата, кг;
;
62
62
Артикул: 50-4605019
нет в наличии
Болт
Количество на схеме: 2
Информация
Болт
Количество
2
Вес агрегата, кг;
0,1;
Примечание
Сталь 45
Модель
50
Подгруппа
4605
Порядковый номер детали
019
63
63
Артикул: 70-4605050
нет в наличии
Тяга
Количество на схеме: 1
Информация
Тяга
Количество
1
Вес агрегата, кг;
8,18;
Модель
70
Подгруппа
4605
Порядковый номер детали
050
64
64
Артикул: 80-4605150
нет в наличии
Раскос
Количество на схеме: 1
Информация
Раскос
Количество
1
Вес агрегата, кг;
11,3;
Модель
80
Подгруппа
4605
Порядковый номер детали
150
65
65
Артикул: 50-4605086
нет в наличии
Болт серьги
Количество на схеме: 4
Информация
Болт серьги
Количество
4
Вес агрегата, кг;
0,087;
Примечание
Сталь 45
Модель
50
Подгруппа
4605
Порядковый номер детали
086
66
66
Артикул: Гайка-М12-6Н-6-019-ГОСТ-5919-73
нет в наличии
Гайка М12.6Н.6.019 ГОСТ 5919-73
Количество на схеме: 4
Информация
Гайка М12.6Н.6.019 ГОСТ 5919-73
Количество
4
Вес агрегата, кг;
;
67
67
Артикул: 80-4605040-01
нет в наличии
Тяга
Количество на схеме: 1
Информация
Тяга
Количество
1
Вес агрегата, кг;
5,098;
Модель
80
Подгруппа
4605
Порядковый номер детали
040
68
68
Артикул: 50-4605079-Б
нет в наличии
Шкворень
Количество на схеме: 1
Информация
Шкворень
Количество
1
Вес агрегата, кг;
1,055;
Модель
50
Подгруппа
4605
Порядковый номер детали
079
69
69
Артикул: 36-2701036-А3
нет в наличии
Вилка
Количество на схеме: 1
Информация
Вилка
Количество
1
Вес агрегата, кг;
7,8;
Примечание
Сталь 45
Модель
36
Группа
Устройство седельное
Подгруппа
2701
Порядковый номер детали
036
70
70
Артикул: А61-07-001
нет в наличии
Шплинт
Количество на схеме: 6
Информация
Шплинт
Количество
6
Вес агрегата, кг;
0,025;
Примечание
Сталь 45Л
71
71
Артикул: А61-10-002
нет в наличии
Палец
Количество на схеме: 2
Информация
Палец
Количество
2
Вес агрегата, кг;
0,63;
Примечание
Сталь 45
72
72
Артикул: 80-4605046
нет в наличии
Поперечина
Количество на схеме: 1
Информация
Поперечина
Количество
1
Вес агрегата, кг;
15,8;
Примечание
Сталь 45ЛШ
Модель
80
Подгруппа
4605
Порядковый номер детали
046
73
73
Артикул: 70-4605048-А
нет в наличии
Проушина
Количество на схеме: 2
Информация
Проушина
Количество
2
Вес агрегата, кг;
0,49;
Примечание
Сталь 40Х
Модель
70
Подгруппа
4605
Порядковый номер детали
048
74
74
Артикул: Шайба-18-01-019-ГОСТ-11371-78
нет в наличии
Шайба 18 01 019 ГОСТ 11371-78
Количество на схеме: 2
Информация
Шайба 18 01 019 ГОСТ 11371-78
Количество
2
Вес агрегата, кг;
;
75
75
Артикул: 50-4605100-Б
нет в наличии
Вилка раскоса
Количество на схеме: 1
Информация
Вилка раскоса
Количество
1
Вес агрегата, кг;
2,716;
Модель
50
Подгруппа
4605
Порядковый номер детали
100
76
76
Артикул: Ф50-4605084
нет в наличии
Палец
Количество на схеме: 2
Информация
Палец
Количество
2
Вес агрегата, кг;
0,238;
Примечание
Сталь 45
Модель
Ф50
Подгруппа
4605
Порядковый номер детали
084
77
77
Артикул: 50-4605033-Б1
нет в наличии
Кронштейн
Количество на схеме: 2
Информация
Кронштейн
Количество
2
Вес агрегата, кг;
2,4;
Примечание
Сталь 45Л
Модель
50
Подгруппа
4605
Порядковый номер детали
033
78
78
Артикул: А61-09-002
нет в наличии
Серьга
Количество на схеме: 4
Информация
Серьга
Количество
4
Вес агрегата, кг;
0,205;
Примечание
Сталь 65
79
79
Артикул: 80-4605080
нет в наличии
Растяжка
Количество на схеме: 2
Информация
Растяжка
Количество
2
Вес агрегата, кг;
0,255;
Примечание
Сталь 45
Модель
80
Подгруппа
4605
Порядковый номер детали
080
80
80
Артикул: Шплинт-3,2х18-019-ГОСТ-397-79
нет в наличии
Шплинт 3,2х18-019 ГОСТ 397-79
Количество на схеме: 4
Информация
Шплинт 3,2х18-019 ГОСТ 397-79
Количество
4
Вес агрегата, кг;
;
  • Грузовые автомобили
  • Автобусы
  • Сельхозтехника
  • Спецтехника
  • Двигатели
Получить оптовый прайс-лист
Скачать прайс-лист от 07.05.2026 16:00
Специальное предложение от 07.05.2026 17:00
Производители:


  • WEICHAI
  • Автодизель ПАО (ЯМЗ)
  • Тутаевский МЗ
  • ЯЗДА
  • УралАЗ
  • МАЗ
  • АЗПИ
  • BOSCH
  • ММЗ
  • ШААЗ
  • FEDERAL MOGUL
  • ПРАМО
  • Мотордеталь
  • ТАИМ
  • АвтоКрАЗ
  • БЕЛКАРД
  • CZ Strakonice
  • КамАЗ
  • БЗА
  • ЧМЗ
  • BMZ
Новости
Все новости
25 марта 2024
Флагманский седельный тягач «Валдай 45» на выставке «TransRussia»
10 марта 2024
Современные автобусы «CITYMAX 9» и ЛиАЗ-5292 CNG
25 февраля 2024
Серийное производство средних дизельных двигателей повышенной мощности от ЯМЗ
Статьи
Все статьи
Датчики двигателя: за что они отвечают, признаки неисправности и как не прогадать с выбором
Двигатели ЯМЗ-534: история, технические характеристики и области применения
Двигатели ЯМЗ 650: углублённый технический обзор и история
Компания
О компании
Реквизиты
Новости
Политика
Магазины
Информация
Условия оплаты
Условия доставки
Гарантия на товар
Обмен и возврат товара
Помощь
Как оформить заказ
Полезные статьи
Бренды
Пункты выдачи
Оставайтесь на связи
  • Вконтакте
  • YouTube
  • Одноклассники
  • Google Plus
Увидели ошибку?
Выделите, нажав Ctrl + Enter
Наши контакты
8-800-700-35-68
sales@din76.ru
г. Ярославль, Ленинградский пр-т 33, ТЦ "ОМЕГА"
2026 © ООО «Динамика 76» - Все права защищены ООО "Динамика 76"
Предложения на сайте не являются публичной офертой.
На сайте обнаружена ошибка

Текст с ошибкой