Избранное 0 Корзина 0 Личный кабинет
logo
Каталог
Каталог
  • Справочник
    • Грузовые автомобили
    • Автобусы
    • Сельхозтехника
    • Спецтехника
    • Двигатели
  • Доставка
  • Оплата
  • О компании
    • Реквизиты
    • Магазины
    • Оплата
    • Доставка
    • Лицензии и сертификаты
    • Новости
    • Вакансии
  • Контакты
Отправить заявку
Личный кабинет
8 (800) 700-35-68
sales@din76.ru
Избранное 0 Корзина 0
8 (800) 700-35-68
Оптовый прайс-лист
Каталог
  • Двигатели
  • Запчасти WEICHAI
  • Запчасти ЯМЗ, ТМЗ (V-образные)
  • Запчасти ЯМЗ-534, ЯМЗ-536
  • Запчасти ЯМЗ-650, ЯМЗ-651, DCi-11
  • Топливная аппаратура
  • Запчасти УРАЛ
  • Запчасти МАЗ
  • Запчасти КамАЗ
  • Запчасти ММЗ
  • Ремни
Автокаталог (справочник)
  • Доставка
  • Оплата
  • О компании
  • Контакты
8 (800) 700-35-68
Написать в Whatsapp
sales@din76.ru
Динамика 76
Меню  
  • Каталог
    • Двигатели  
      • Двигатели ТМЗ  
        • Двигатели ТМЗ для автомобилей
        • Двигатели ТМЗ для тракторов
        • Специальные двигатели ТМЗ
        • Промышленные двигатели ТМЗ
      • Двигатели ЯМЗ  
        • ЯМЗ 236
        • ЯМЗ 238
        • ЯМЗ 240
        • ЯМЗ 751
        • ЯМЗ 840
        • ЯМЗ 850
        • ЯМЗ 656
        • ЯМЗ 658
        • ЯМЗ 534
        • ЯМЗ 536
        • ЯМЗ 650
        • Двигатели ЯМЗ для электростанций
      • Двигатели КАМАЗ
      • Двигатели ММЗ
      • Двигатели индивидуальной сборки
      • Комплекты переоборудования
    • Запчасти WEICHAI  
      • Основные запчасти двигателя  
        • Клапаны и толкатели
        • Шатуны
        • Вал коленчатый и маховик
        • Вал распределительный
        • Цилиндро-поршневая группа
      • Система питания  
        • Форсунки
        • Турбокомпрессор
      • Система смазки  
        • Насос масляный
      • Головка блока
      • Ремкомплекты
      • Система охлаждения  
        • Насос водяной
        • Муфта вязкостная и крыльчатка
      • Фильтры
      • Электрооборудование  
        • Генератор
        • Стартер
    • Запчасти ЯМЗ, ТМЗ (V-образные)  
      • Основные запчасти двигателя  
        • Блок двигателя и комплектующие
        • Валы распределительные и клапаны
        • Головка блока и комплектующие
        • Цилиндро-поршневая группа
        • Маховики и комплектующие
        • Валы коленчатые и комплектующие
        • Шатуны и комплектующие
      • Система питания  
        • Коллекторы и патрубки
        • Топливные трубопроводы
        • Турбокомпрессор
        • Топливные фильтры
      • Электрооборудование двигателя
      • Система охлаждения  
        • Вязкостные муфты и крыльчатки
        • Приводы вентилятора
        • Водяные насосы
        • Водяные трубы и термостаты
      • Коробки переключения передач  
        • 8 Ступенчатые КПП
        • 5 Ступенчатые КПП
        • 9 Ступенчатые КПП
        • Запасные части КПП ЯМЗ, ТМЗ
      • Система смазки  
        • Теплообменник и комплектующие
        • Масляные насосы
        • Фильтры масляные (ФГОМ, ФЦОМ)
      • Сцепление  
        • Запасные части механизма сцепления
        • Муфты (подшипники выжимные)
        • Корзины (диски нажимные)
        • Диски ведомые
      • Прочие запчасти двигателя  
        • Ремкомплекты
        • Привод агрегатов
        • Натяжные устройства
        • Трубки
    • Запчасти ЯМЗ-534, ЯМЗ-536  
      • Основные запчасти двигателя  
        • Цилиндро-поршневая группа
        • Головка блока цилиндров и комплектующие
        • Блок цилиндров и комплектующие
        • Вал коленчатый и маховик
        • Вал распределительный
        • Клапаны и толкатели
        • ГУР (Гидроусилитель руля)
        • Система рециркуляции отработавших газов
        • Выпускной коллектор
      • Система питания  
        • Коллекторы и патрубки
        • Топливные фильтры
        • Турбокомпрессор
        • Топливные трубопроводы
      • Система смазки  
        • Масляный картер поддон
        • Масляный насос
        • Теплообменник /Водо-масляный радиатор
        • Фильтры масляные (ФГОМ, ФЦОМ)
      • Пневмокомпрессор и натяжное
      • Система охлаждения  
        • Водяной насос
        • Водяные трубы и патрубки
        • Муфты вязкостные, приводы, крыльчатки
      • Ремкомплекты
      • Сцепление
      • Электрооборудование
    • Запчасти ЯМЗ-650, ЯМЗ-651, DCi-11  
      • Основные запчасти двигателя  
        • Цилиндро-поршневая группа
        • Головка блока цилиндров и комплектующие
        • Блок цилиндров и комплектующие
        • Вал коленчатый и маховик
        • Выпускной коллектор
        • Вал распределительный
        • Клапаны и толкатели
        • ГУР (Гидроусилитель руля)
        • Система рециркуляции отработавших газов
      • Система питания  
        • Коллекторы и патрубки
        • Топливные трубопроводы
        • Топливные фильтры
        • Турбокомпрессор
      • Система смазки  
        • Масляный картер / поддон
        • Масляный насос
        • Теплообменник / Водо-масляный радиатор
        • Фильтры масляные (ФГОМ, ФЦОМ)
      • Система охлаждения  
        • Водяной насос
        • Водяные трубы и патрубки
        • Муфты вязкостные, приводы, крыльчатки
      • Ремкомплекты
      • Пневмокомпрессор и натяжное
      • Электрооборудование
      • Сцепление
    • Топливная аппаратура  
      • ЯЗДА  
        • Распылители
        • ТНВД
        • Форсунки
        • Топливный насос низкого давления
        • Пары плунжерные
        • Муфта опережения впрыска топлива
        • Запчасти и комплектующие ТНВД
      • НЗТА
      • АЗПИ  
        • Распылители
        • Форсунки
      • BOSCH
    • Запчасти УРАЛ  
      • Трансмиссия  
        • Коробка раздаточная
        • Передача карданная
        • Мост задний
        • Мост передний (ведущий)
        • Мост средний (промежуточный)
      • Кузов  
        • Дверь кабины
        • Капот, крылья, облицовка радиатора
        • Окно ветровое и заднее
        • Отопление и вентиляция кабины
        • Кабина
      • Механизмы управления  
        • Управление рулевое
        • Тормоза
      • Дополнительное оборудование  
        • Отбор мощности
        • Устройство седельное
      • Электрооборудование
      • Ходовая часть  
        • Колеса и ступицы
        • Ось передняя
        • Подвеска автомобиля
        • Рама
    • Запчасти МАЗ  
      • Трансмиссия  
        • Мост задний
        • Мост передний (ведущий)
        • Передача карданная
        • Мост средний (промежуточный)
      • Кузов  
        • Кабина
        • Дверь кабины
        • Детали основания кабины
        • Окно ветровое и заднее
        • Платформа
      • Механизмы управления  
        • Тормоза
        • Управление рулевое
      • Ходовая часть  
        • Колеса и ступицы
        • Ось передняя
        • Подвеска автомобиля
        • Рама
    • Запчасти КамАЗ  
      • Кузов  
        • Кабина
        • Капот, крылья, облицовка радиатора
        • Дверь кабины
        • Платформа
        • Окно ветровое и заднее
        • Устройство подъемное и опрокидывающее
        • Сиденье
        • Крыша кабины (крыша кузова)
        • Отопление и вентиляция кабины
      • Трансмиссия  
        • Коробка передач
        • Коробка раздаточная
        • Мост задний
        • Сцепление
        • Мост средний (промежуточный)
        • Передача карданная
        • Мост передний (ведущий)
      • Двигатель  
        • Основные запчасти двигателя
        • Система охлаждения
        • Система питания
        • Система смазки
      • Дополнительное оборудование  
        • Отбор мощности
        • Устройство седельное
      • Ходовая часть  
        • Подвеска автомобиля
        • Рама
        • Колеса и ступицы
        • Ось передняя
      • Механизмы управления  
        • Тормоза
        • Управление рулевое
      • Электрооборудование
    • Запчасти ММЗ
    • Ремни
  • Справочник
    • Грузовые автомобили
    • Автобусы
    • Сельхозтехника
    • Спецтехника
    • Двигатели
  • Как купить
    • Условия оплаты
    • Условия доставки
    • Гарантия на товар
    • Пункты выдачи
  • Услуги
    • Капитальный ремонт двигателей ЯМЗ
  • Акции
  • Статьи
  • Контакты
  • Компания
    • Реквизиты
    • Магазины
    • Оплата
    • Доставка
    • Лицензии и сертификаты
    • Новости
    • Вакансии
Избранное 0 Корзина 0
8-800-700-35-68

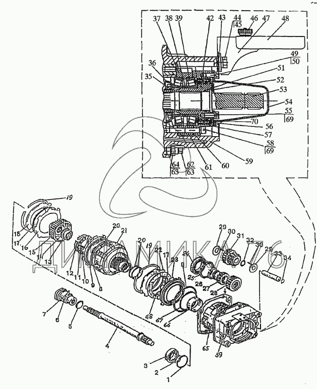
Вал отбора мощности задний на МТЗ-2022 (до 2010 г.)

Справочник
Главная
-
Автокаталог
-
Сельхозтехника
-
МТЗ
-
МТЗ-2022
Справочный каталог

Вал отбора мощности задний — МТЗ-2022:

2022-4202010-08 2022-4202030-А 1 2 3 4 4 5 6 6 7 8 8 9 10 11 12 13 14 15 16 17 17 17 17 18 19 19 20 20 21 22 23 24 25 26 27 28 29 29 30 30 31 32 33 34 35 36 37 38 38 38 38 38 38 38 38 38 38 38 38 39 42 43 44 45 46 47 48 49 50 51 52 53 53 53 53 53 53 54 55 56 57 58 59 59 60 61 62 63 63 64 65 66 67 68 69 69 70
в наличии
нет в наличии
масштаб

В наличии
Нет в наличии

Перечень комплектующих от Вал отбора мощности задний на МТЗ-2022

Схемы запчастей предназначены для справочных целей! Мы продаем не все запчасти от Вал отбора мощности задний на МТЗ-2022, представленные в этом списке.
Наличие на складах по деталям с ценой смотрите в карточке товара.
Артикул: 2022-4202010-08
нет в наличии
ВОМ задний
Количество на схеме: 1
Информация
ВОМ задний
Количество
1
Модель
2022
Группа
Спецоборудование
Подгруппа
Коробка отбора мощности односкоростная
Порядковый номер детали
010
Артикул: 2022-4202030-А
нет в наличии
Фрикцион
Количество на схеме: 1
Информация
Фрикцион
Количество
1
Модель
2022
Группа
Спецоборудование
Подгруппа
Коробка отбора мощности односкоростная
Порядковый номер детали
030
1
1
Артикул: С80
нет в наличии
Кольцо
Количество на схеме: 1
Информация
Кольцо
Количество
1
2
2
Артикул: С40
нет в наличии
Кольцо
Количество на схеме: 1
Информация
Кольцо
Количество
1
3
3
Артикул: 208А
нет в наличии
Подшипник
Количество на схеме: 1
Информация
Подшипник
Количество
1
4
4
Артикул: 1822-4202011
нет в наличии
Вал ведущий
Количество на схеме: 1
Информация
Вал ведущий
Количество
1
Модель
1822
Группа
Спецоборудование
Подгруппа
Коробка отбора мощности односкоростная
Порядковый номер детали
011
4
4
Артикул: 1822-4202060
нет в наличии
Вал ведущий
Количество на схеме: 1
Информация
Вал ведущий
Количество
1
Модель
1822
Группа
Спецоборудование
Подгруппа
Коробка отбора мощности односкоростная
Порядковый номер детали
060
5
5
Артикул: А61-03-002
нет в наличии
Кольцо
Количество на схеме: 1
Информация
Кольцо
Количество
1
6
6
Артикул: 1822-4202046
нет в наличии
Муфта переключения
Количество на схеме: 1
Информация
Муфта переключения
Количество
1
Модель
1822
Группа
Спецоборудование
Подгруппа
Коробка отбора мощности односкоростная
Порядковый номер детали
046
6
6
Артикул: 1822-4202080
нет в наличии
Муфта переключения
Количество на схеме: 1
Информация
Муфта переключения
Количество
1
Модель
1822
Группа
Спецоборудование
Подгруппа
Коробка отбора мощности односкоростная
Порядковый номер детали
080
7
7
Артикул: 7,938-100
нет в наличии
Шарик
Количество на схеме: 1
Информация
Шарик
Количество
1
8
8
Артикул: 80-1701382
нет в наличии
Кольцо
Количество на схеме: 2
Информация
Кольцо
Количество
2
Модель
80
Группа
Коробка передач
Подгруппа
Коробка передач
Порядковый номер детали
382
9
9
Артикул: 80-1701374-01
нет в наличии
Поршень
Количество на схеме: 1
Информация
Поршень
Количество
1
Модель
80
Группа
Коробка передач
Подгруппа
Коробка передач
Порядковый номер детали
374
10
10
Артикул: 80-1701373
нет в наличии
Опора
Количество на схеме: 1
Информация
Опора
Количество
1
Модель
80
Группа
Коробка передач
Подгруппа
Коробка передач
Порядковый номер детали
373
11
11
Артикул: 80-1701395
нет в наличии
Пружина
Количество на схеме: 16
Информация
Пружина
Количество
16
Модель
80
Группа
Коробка передач
Подгруппа
Коробка передач
Порядковый номер детали
395
12
12
Артикул: С80
нет в наличии
Кольцо
Количество на схеме: 1
Информация
Кольцо
Количество
1
13
13
Артикул: 305А
нет в наличии
Подшипник
Количество на схеме: 1
Информация
Подшипник
Количество
1
14
14
Артикул: С62
нет в наличии
Кольцо
Количество на схеме: 1
Информация
Кольцо
Количество
1
15
15
Артикул: 1522-4202034-А-01
нет в наличии
Муфта шлицевая
Количество на схеме: 1
Информация
Муфта шлицевая
Количество
1
Модель
1522
Группа
Спецоборудование
Подгруппа
Коробка отбора мощности односкоростная
Порядковый номер детали
034
16
16
Артикул: LD-2220087
нет в наличии
Диск ведущий
Количество на схеме: 5
Информация
Диск ведущий
Количество
5
Модель
LD
Группа
Валы карданные
Подгруппа
2220
Порядковый номер детали
087
17
17
Артикул: 2022-4202375
нет в наличии
Диск фрикционный
Количество на схеме: 6
Информация
Диск фрикционный
Количество
6
Модель
2022
Группа
Спецоборудование
Подгруппа
Коробка отбора мощности односкоростная
Порядковый номер детали
375
17
17
Артикул: 2522-1802035-А
нет в наличии
Диск ведущий
Количество на схеме: 6
Информация
Диск ведущий
Количество
6
Модель
2522
Группа
Коробка раздаточная
Подгруппа
Коробка раздаточная
Порядковый номер детали
035
17
17
Артикул: 696392AOc«MIBA»
нет в наличии
Диск фрикционный
Количество на схеме: 6
Информация
Диск фрикционный
Количество
6
Покрытие
без покрытия
18
18
Артикул: 80-1701379-01
нет в наличии
Диск
Количество на схеме: 1
Информация
Диск
Количество
1
Модель
80
Группа
Коробка передач
Подгруппа
Коробка передач
Порядковый номер детали
379
19
19
Артикул: 80-1701392
нет в наличии
Кольцо
Количество на схеме: 2
Информация
Кольцо
Количество
2
Модель
80
Группа
Коробка передач
Подгруппа
Коробка передач
Порядковый номер детали
392
20
20
Артикул: 142-1701381
нет в наличии
Кольцо
Количество на схеме: 3
Информация
Кольцо
Количество
3
Модель
142
Группа
Коробка передач
Подгруппа
Коробка передач
Порядковый номер детали
381
21
21
Артикул: 2022-4202031
нет в наличии
Барабан
Количество на схеме: 1
Информация
Барабан
Количество
1
Модель
2022
Группа
Спецоборудование
Подгруппа
Коробка отбора мощности односкоростная
Порядковый номер детали
031
22
22
Артикул: 80-1701379
нет в наличии
Диск упорный
Количество на схеме: 1
Информация
Диск упорный
Количество
1
Модель
80
Группа
Коробка передач
Подгруппа
Коробка передач
Порядковый номер детали
379
23
23
Артикул: 2022-4202033
нет в наличии
Поршень тормоза
Количество на схеме: 1
Информация
Поршень тормоза
Количество
1
Модель
2022
Группа
Спецоборудование
Подгруппа
Коробка отбора мощности односкоростная
Порядковый номер детали
033
24
24
Артикул: 114
нет в наличии
Подшипник
Количество на схеме: 1
Информация
Подшипник
Количество
1
25
25
Артикул: 2С70
нет в наличии
Кольцо
Количество на схеме: 1
Информация
Кольцо
Количество
1
26
26
Артикул: 2С110
нет в наличии
Кольцо
Количество на схеме: 1
Информация
Кольцо
Количество
1
27
27
Артикул: 1021-4202026-БА
нет в наличии
Шестерня
Количество на схеме: 1
Информация
Шестерня
Количество
1
Модель
1021
Группа
Спецоборудование
Подгруппа
Коробка отбора мощности односкоростная
Порядковый номер детали
026
28
28
Артикул: 1021-4202021-Б
нет в наличии
Шестерня
Количество на схеме: 1
Информация
Шестерня
Количество
1
Модель
1021
Группа
Спецоборудование
Подгруппа
Коробка отбора мощности односкоростная
Порядковый номер детали
021
29
29
Артикул: 1522-4202023
нет в наличии
Шайба упорная
Количество на схеме: 6
Информация
Шайба упорная
Количество
6
Модель
1522
Группа
Спецоборудование
Подгруппа
Коробка отбора мощности односкоростная
Порядковый номер детали
023
30
30
Артикул: 5x27,8АЗ
нет в наличии
Ролик
Количество на схеме: 114
Информация
Ролик
Количество
114
31
31
Артикул: 1522-4202028-Б
нет в наличии
Шестерня
Количество на схеме: 3
Информация
Шестерня
Количество
3
Модель
1522
Группа
Спецоборудование
Подгруппа
Коробка отбора мощности односкоростная
Порядковый номер детали
028
32
32
Артикул: 1522-4202024-01
нет в наличии
Втулка
Количество на схеме: 3
Информация
Втулка
Количество
3
Модель
1522
Группа
Спецоборудование
Подгруппа
Коробка отбора мощности односкоростная
Порядковый номер детали
024
33
33
Артикул: 1522-4202022
нет в наличии
Ось промежуточная
Количество на схеме: 3
Информация
Ось промежуточная
Количество
3
Модель
1522
Группа
Спецоборудование
Подгруппа
Коробка отбора мощности односкоростная
Порядковый номер детали
022
34
34
Артикул: 021-025-25-1-4
нет в наличии
Кольцо
Количество на схеме: 3
Информация
Кольцо
Количество
3
35
35
Артикул: 80-1701047
нет в наличии
Гайка
Количество на схеме: 1
Информация
Гайка
Количество
1
Модель
80
Группа
Коробка передач
Подгруппа
Коробка передач
Порядковый номер детали
047
36
36
Артикул: 2022-4202069
нет в наличии
Шайба
Количество на схеме: 1
Информация
Шайба
Количество
1
Модель
2022
Группа
Спецоборудование
Подгруппа
Коробка отбора мощности односкоростная
Порядковый номер детали
069
37
37
Артикул: 2022-4202042
нет в наличии
Стакан
Количество на схеме: 1
Информация
Стакан
Количество
1
Модель
2022
Группа
Спецоборудование
Подгруппа
Коробка отбора мощности односкоростная
Порядковый номер детали
042
38
38
Артикул: 72-2308121
нет в наличии
Кольцо регулировочное В = 5,8 (подбираются при регулировке подшипников)
Количество на схеме: 2
Информация
Кольцо регулировочное В = 5,8 (подбираются при регулировке подшипников)
Количество
2
Модель
72
Группа
Мост ведущий передний
Подгруппа
2308
Порядковый номер детали
121
38
38
Артикул: 72-2308121-01
нет в наличии
Кольцо регулировочное В = 5,95 (подбираются при регулировке подшипников)
Количество на схеме: 2
Информация
Кольцо регулировочное В = 5,95 (подбираются при регулировке подшипников)
Количество
2
Модель
72
Группа
Мост ведущий передний
Подгруппа
2308
Порядковый номер детали
121
38
38
Артикул: 72-2308121-02
нет в наличии
Кольцо регулировочное В = 6,10 (подбираются при регулировке подшипников)
Количество на схеме: 2
Информация
Кольцо регулировочное В = 6,10 (подбираются при регулировке подшипников)
Количество
2
Модель
72
Группа
Мост ведущий передний
Подгруппа
2308
Порядковый номер детали
121
38
38
Артикул: 72-2308121-03
нет в наличии
Кольцо регулировочное В = 6,25 (к-во дет. - по потребности)
Количество на схеме: 2
Информация
Кольцо регулировочное В = 6,25 (к-во дет. - по потребности)
Количество
2
Модель
72
Группа
Мост ведущий передний
Подгруппа
2308
Порядковый номер детали
121
38
38
Артикул: 72-2308121-04
нет в наличии
Кольцо регулировочное В = 6,40 (к-во дет. - по потребности)
Количество на схеме: 2
Информация
Кольцо регулировочное В = 6,40 (к-во дет. - по потребности)
Количество
2
Модель
72
Группа
Мост ведущий передний
Подгруппа
2308
Порядковый номер детали
121
38
38
Артикул: 72-2308121-05
нет в наличии
Кольцо регулировочное В = 6,55 (к-во дет. - по потребности)
Количество на схеме: 2
Информация
Кольцо регулировочное В = 6,55 (к-во дет. - по потребности)
Количество
2
Модель
72
Группа
Мост ведущий передний
Подгруппа
2308
Порядковый номер детали
121
38
38
Артикул: 72-2308121-06
нет в наличии
Кольцо регулировочное В = 6,70 (к-во дет. - по потребности)
Количество на схеме: 2
Информация
Кольцо регулировочное В = 6,70 (к-во дет. - по потребности)
Количество
2
Модель
72
Группа
Мост ведущий передний
Подгруппа
2308
Порядковый номер детали
121
38
38
Артикул: 72-2308121-07
нет в наличии
Кольцо регулировочное В=6,85 мм
Количество на схеме: 2
Информация
Кольцо регулировочное В=6,85 мм
Количество
2
Модель
72
Группа
Мост ведущий передний
Подгруппа
2308
Порядковый номер детали
121
38
38
Артикул: 72-2308121-08
нет в наличии
Кольцо регулировочное В=7,00 мм
Количество на схеме: 2
Информация
Кольцо регулировочное В=7,00 мм
Количество
2
Модель
72
Группа
Мост ведущий передний
Подгруппа
2308
Порядковый номер детали
121
38
38
Артикул: 72-2308121-09
нет в наличии
Кольцо регулировочное В=7,15 мм
Количество на схеме: 2
Информация
Кольцо регулировочное В=7,15 мм
Количество
2
Модель
72
Группа
Мост ведущий передний
Подгруппа
2308
Порядковый номер детали
121
38
38
Артикул: 72-2308121-10
нет в наличии
Кольцо регулировочное В=7,30 мм
Количество на схеме: 2
Информация
Кольцо регулировочное В=7,30 мм
Количество
2
Модель
72
Группа
Мост ведущий передний
Подгруппа
2308
Порядковый номер детали
121
Дополнительно
Не взаимозаменяема с деталью, выпущенной ранее под этим же номером
38
38
Артикул: 72-2308121-11
нет в наличии
Кольцо регулировочное В=7,45 мм
Количество на схеме: 2
Информация
Кольцо регулировочное В=7,45 мм
Количество
2
Модель
72
Группа
Мост ведущий передний
Подгруппа
2308
Порядковый номер детали
121
Дополнительно
Не взаимозаменяема с деталью, выпущенной ранее под этим же номером
39
39
Артикул: 7212А
нет в наличии
Подшипник
Количество на схеме: 2
Информация
Подшипник
Количество
2
42
42
Артикул: 2022-4202062
нет в наличии
Втулка
Количество на схеме: 1
Информация
Втулка
Количество
1
Модель
2022
Группа
Спецоборудование
Подгруппа
Коробка отбора мощности односкоростная
Порядковый номер детали
062
43
43
Артикул: С16-01-08
нет в наличии
Шайба
Количество на схеме: 2
Информация
Шайба
Количество
2
44
44
Артикул: М16х25
нет в наличии
Болт
Количество на схеме: 2
Информация
Болт
Количество
2
45
45
Артикул: 16-ОТ
нет в наличии
Шайба
Количество на схеме: 2
Информация
Шайба
Количество
2
46
46
Артикул: 1522-4202094
нет в наличии
Маховичок
Количество на схеме: 2
Информация
Маховичок
Количество
2
Модель
1522
Группа
Спецоборудование
Подгруппа
Коробка отбора мощности односкоростная
Порядковый номер детали
094
47
47
Артикул: 2022-4202095
нет в наличии
Кожух
Количество на схеме: 1
Информация
Кожух
Количество
1
Модель
2022
Группа
Спецоборудование
Подгруппа
Коробка отбора мощности односкоростная
Порядковый номер детали
095
48
48
Артикул: 2022-4202092
нет в наличии
Щиток
Количество на схеме: 1
Информация
Щиток
Количество
1
Модель
2022
Группа
Спецоборудование
Подгруппа
Коробка отбора мощности односкоростная
Порядковый номер детали
092
49
49
Артикул: М10x20
нет в наличии
Болт
Количество на схеме: 2
Информация
Болт
Количество
2
50
50
Артикул: С10-01-019
нет в наличии
Шайба
Количество на схеме: 2
Информация
Шайба
Количество
2
51
51
Артикул: 044-050-36-2-2
нет в наличии
Кольцо
Количество на схеме: 1
Информация
Кольцо
Количество
1
52
52
Артикул: 1822-4202027
нет в наличии
Шайба упорная
Количество на схеме: 1
Информация
Шайба упорная
Количество
1
Модель
1822
Группа
Спецоборудование
Подгруппа
Коробка отбора мощности односкоростная
Порядковый номер детали
027
53
53
Артикул: 2022-4202016
нет в наличии
Хвостовик ВОМ1С
Количество на схеме: 1
Информация
Хвостовик ВОМ1С
Количество
1
Примечание
8 шлиц - 540 об/мин
Модель
2022
Группа
Спецоборудование
Подгруппа
Коробка отбора мощности односкоростная
Порядковый номер детали
016
53
53
Артикул: 2022-4202016-01
нет в наличии
Хвостовик ВОМ1
Количество на схеме: 1
Информация
Хвостовик ВОМ1
Количество
1
Примечание
6 шлиц - 540 об/мин
Модель
2022
Группа
Спецоборудование
Подгруппа
Коробка отбора мощности односкоростная
Порядковый номер детали
016
53
53
Артикул: 2022-4202017
нет в наличии
Хвостовик ВОМ3
Количество на схеме: 1
Информация
Хвостовик ВОМ3
Количество
1
Примечание
20 шлиц, 1000 об/мин
Модель
2022
Группа
Спецоборудование
Подгруппа
Коробка отбора мощности односкоростная
Порядковый номер детали
017
53
53
Артикул: 2022-4202017-02
нет в наличии
Хвостовик ВОМ2
Количество на схеме: 1
Информация
Хвостовик ВОМ2
Количество
1
Примечание
21 шлиц, 1000 об/мин
Модель
2022
Группа
Спецоборудование
Подгруппа
Коробка отбора мощности односкоростная
Порядковый номер детали
017
53
53
Артикул: 2022-4202017-03
нет в наличии
Хвостовик ВОМ2С1
Количество на схеме: ;
Информация
Хвостовик ВОМ2С1
Количество
;
Модель
2022
Группа
Спецоборудование
Подгруппа
Коробка отбора мощности односкоростная
Порядковый номер детали
017
53
53
Артикул: 2022-4282017-01
нет в наличии
Хвостовик ВОМ2С
Количество на схеме: 1
Информация
Хвостовик ВОМ2С
Количество
1
Примечание
8 шлиц, 1000 об/мин
Модель
2022
Группа
Спецоборудование
Подгруппа
4282
Порядковый номер детали
017
54
54
Артикул: 2022-4202065
нет в наличии
Колпак
Количество на схеме: 1
Информация
Колпак
Количество
1
Модель
2022
Группа
Спецоборудование
Подгруппа
Коробка отбора мощности односкоростная
Порядковый номер детали
065
55
55
Артикул: М10х25
нет в наличии
Болт
Количество на схеме: 4
Информация
Болт
Количество
4
56
56
Артикул: 2-2-80x105
нет в наличии
Манжета
Количество на схеме: 1
Информация
Манжета
Количество
1
57
57
Артикул: 2022-4202018
нет в наличии
Крышка
Количество на схеме: 1
Информация
Крышка
Количество
1
Модель
2022
Группа
Спецоборудование
Подгруппа
Коробка отбора мощности односкоростная
Порядковый номер детали
018
58
58
Артикул: М-10x70
нет в наличии
Винт
Количество на схеме: 6
Информация
Винт
Количество
6
59
59
Артикул: 2022-4202015
нет в наличии
Корпус
Количество на схеме: 1
Информация
Корпус
Количество
1
Модель
2022
Группа
Спецоборудование
Подгруппа
Коробка отбора мощности односкоростная
Порядковый номер детали
015
60
60
Артикул: 2022-4202012
нет в наличии
Прокладка
Количество на схеме: 2
Информация
Прокладка
Количество
2
Модель
2022
Группа
Спецоборудование
Подгруппа
Коробка отбора мощности односкоростная
Порядковый номер детали
012
61
61
Артикул: 2022-4202042
нет в наличии
Стакан
Количество на схеме: 1
Информация
Стакан
Количество
1
Модель
2022
Группа
Спецоборудование
Подгруппа
Коробка отбора мощности односкоростная
Порядковый номер детали
042
62
62
Артикул: М12x50
нет в наличии
Болт
Количество на схеме: 2
Информация
Болт
Количество
2
63
63
Артикул: 12-ОТ
нет в наличии
Шайба
Количество на схеме: 6
Информация
Шайба
Количество
6
64
64
Артикул: М12x40
нет в наличии
Болт
Количество на схеме: 4
Информация
Болт
Количество
4
65
65
Артикул: 1522-4202013-А
нет в наличии
Прокладка
Количество на схеме: 1
Информация
Прокладка
Количество
1
Модель
1522
Группа
Спецоборудование
Подгруппа
Коробка отбора мощности односкоростная
Порядковый номер детали
013
66
66
Артикул: 142-4202042
нет в наличии
Втулка
Количество на схеме: 1
Информация
Втулка
Количество
1
Модель
142
Группа
Спецоборудование
Подгруппа
Коробка отбора мощности односкоростная
Порядковый номер детали
042
67
67
Артикул: 86-1802047
нет в наличии
Кольцо
Количество на схеме: 1
Информация
Кольцо
Количество
1
Модель
86
Группа
Коробка раздаточная
Подгруппа
Коробка раздаточная
Порядковый номер детали
047
68
68
Артикул: 8020-4202041
нет в наличии
Пружина
Количество на схеме: 4
Информация
Пружина
Количество
4
Модель
8020
Группа
Спецоборудование
Подгруппа
Коробка отбора мощности односкоростная
Порядковый номер детали
041
69
69
Артикул: 10-ОТ
нет в наличии
Шайба
Количество на схеме: 10
Информация
Шайба
Количество
10
70
70
Артикул: 2-2-80x105
нет в наличии
Манжета
Количество на схеме: 1
Информация
Манжета
Количество
1
  • Грузовые автомобили
  • Автобусы
  • Сельхозтехника
  • Спецтехника
  • Двигатели
Получить оптовый прайс-лист
Скачать прайс-лист от 07.05.2026 16:00
Специальное предложение от 07.05.2026 17:00
Производители:


  • WEICHAI
  • Автодизель ПАО (ЯМЗ)
  • Тутаевский МЗ
  • ЯЗДА
  • УралАЗ
  • МАЗ
  • АЗПИ
  • BOSCH
  • ММЗ
  • ШААЗ
  • FEDERAL MOGUL
  • ПРАМО
  • Мотордеталь
  • ТАИМ
  • АвтоКрАЗ
  • БЕЛКАРД
  • CZ Strakonice
  • КамАЗ
  • БЗА
  • ЧМЗ
  • BMZ
Новости
Все новости
25 марта 2024
Флагманский седельный тягач «Валдай 45» на выставке «TransRussia»
10 марта 2024
Современные автобусы «CITYMAX 9» и ЛиАЗ-5292 CNG
25 февраля 2024
Серийное производство средних дизельных двигателей повышенной мощности от ЯМЗ
Статьи
Все статьи
Датчики двигателя: за что они отвечают, признаки неисправности и как не прогадать с выбором
Двигатели ЯМЗ-534: история, технические характеристики и области применения
Двигатели ЯМЗ 650: углублённый технический обзор и история
Компания
О компании
Реквизиты
Новости
Политика
Магазины
Информация
Условия оплаты
Условия доставки
Гарантия на товар
Обмен и возврат товара
Помощь
Как оформить заказ
Полезные статьи
Бренды
Пункты выдачи
Оставайтесь на связи
  • Вконтакте
  • YouTube
  • Одноклассники
  • Google Plus
Увидели ошибку?
Выделите, нажав Ctrl + Enter
Наши контакты
8-800-700-35-68
sales@din76.ru
г. Ярославль, Ленинградский пр-т 33, ТЦ "ОМЕГА"
2026 © ООО «Динамика 76» - Все права защищены ООО "Динамика 76"
Предложения на сайте не являются публичной офертой.
На сайте обнаружена ошибка

Текст с ошибкой