Избранное 0 Корзина 0 Личный кабинет
logo
Каталог
Каталог
  • Справочник
    • Грузовые автомобили
    • Автобусы
    • Сельхозтехника
    • Спецтехника
    • Двигатели
  • Доставка
  • Оплата
  • О компании
    • Реквизиты
    • Магазины
    • Оплата
    • Доставка
    • Лицензии и сертификаты
    • Новости
    • Вакансии
  • Контакты
Отправить заявку
Личный кабинет
8 (800) 700-35-68
sales@din76.ru
Избранное 0 Корзина 0
8 (800) 700-35-68
Оптовый прайс-лист
Каталог
  • Двигатели
  • Запчасти WEICHAI
  • Запчасти ЯМЗ, ТМЗ (V-образные)
  • Запчасти ЯМЗ-534, ЯМЗ-536
  • Запчасти ЯМЗ-650, ЯМЗ-651, DCi-11
  • Топливная аппаратура
  • Запчасти УРАЛ
  • Запчасти МАЗ
  • Запчасти КамАЗ
  • Запчасти ММЗ
  • Ремни
Автокаталог (справочник)
  • Доставка
  • Оплата
  • О компании
  • Контакты
8 (800) 700-35-68
Написать в Whatsapp
sales@din76.ru
Динамика 76
Меню  
  • Каталог
    • Двигатели  
      • Двигатели ТМЗ  
        • Двигатели ТМЗ для автомобилей
        • Двигатели ТМЗ для тракторов
        • Специальные двигатели ТМЗ
        • Промышленные двигатели ТМЗ
      • Двигатели ЯМЗ  
        • ЯМЗ 236
        • ЯМЗ 238
        • ЯМЗ 240
        • ЯМЗ 751
        • ЯМЗ 840
        • ЯМЗ 850
        • ЯМЗ 656
        • ЯМЗ 658
        • ЯМЗ 534
        • ЯМЗ 536
        • ЯМЗ 650
        • Двигатели ЯМЗ для электростанций
      • Двигатели КАМАЗ
      • Двигатели ММЗ
      • Двигатели индивидуальной сборки
      • Комплекты переоборудования
    • Запчасти WEICHAI  
      • Основные запчасти двигателя  
        • Клапаны и толкатели
        • Шатуны
        • Вал коленчатый и маховик
        • Вал распределительный
        • Цилиндро-поршневая группа
      • Система питания  
        • Форсунки
        • Турбокомпрессор
      • Система смазки  
        • Насос масляный
      • Головка блока
      • Ремкомплекты
      • Система охлаждения  
        • Насос водяной
        • Муфта вязкостная и крыльчатка
      • Фильтры
      • Электрооборудование  
        • Генератор
        • Стартер
    • Запчасти ЯМЗ, ТМЗ (V-образные)  
      • Основные запчасти двигателя  
        • Блок двигателя и комплектующие
        • Валы распределительные и клапаны
        • Головка блока и комплектующие
        • Цилиндро-поршневая группа
        • Маховики и комплектующие
        • Валы коленчатые и комплектующие
        • Шатуны и комплектующие
      • Система питания  
        • Коллекторы и патрубки
        • Топливные трубопроводы
        • Турбокомпрессор
        • Топливные фильтры
      • Электрооборудование двигателя
      • Система охлаждения  
        • Вязкостные муфты и крыльчатки
        • Приводы вентилятора
        • Водяные насосы
        • Водяные трубы и термостаты
      • Коробки переключения передач  
        • 8 Ступенчатые КПП
        • 5 Ступенчатые КПП
        • 9 Ступенчатые КПП
        • Запасные части КПП ЯМЗ, ТМЗ
      • Система смазки  
        • Теплообменник и комплектующие
        • Масляные насосы
        • Фильтры масляные (ФГОМ, ФЦОМ)
      • Сцепление  
        • Запасные части механизма сцепления
        • Муфты (подшипники выжимные)
        • Корзины (диски нажимные)
        • Диски ведомые
      • Прочие запчасти двигателя  
        • Ремкомплекты
        • Привод агрегатов
        • Натяжные устройства
        • Трубки
    • Запчасти ЯМЗ-534, ЯМЗ-536  
      • Основные запчасти двигателя  
        • Цилиндро-поршневая группа
        • Головка блока цилиндров и комплектующие
        • Блок цилиндров и комплектующие
        • Вал коленчатый и маховик
        • Вал распределительный
        • Клапаны и толкатели
        • ГУР (Гидроусилитель руля)
        • Система рециркуляции отработавших газов
        • Выпускной коллектор
      • Система питания  
        • Коллекторы и патрубки
        • Топливные фильтры
        • Турбокомпрессор
        • Топливные трубопроводы
      • Система смазки  
        • Масляный картер поддон
        • Масляный насос
        • Теплообменник /Водо-масляный радиатор
        • Фильтры масляные (ФГОМ, ФЦОМ)
      • Пневмокомпрессор и натяжное
      • Система охлаждения  
        • Водяной насос
        • Водяные трубы и патрубки
        • Муфты вязкостные, приводы, крыльчатки
      • Ремкомплекты
      • Сцепление
      • Электрооборудование
    • Запчасти ЯМЗ-650, ЯМЗ-651, DCi-11  
      • Основные запчасти двигателя  
        • Цилиндро-поршневая группа
        • Головка блока цилиндров и комплектующие
        • Блок цилиндров и комплектующие
        • Вал коленчатый и маховик
        • Выпускной коллектор
        • Вал распределительный
        • Клапаны и толкатели
        • ГУР (Гидроусилитель руля)
        • Система рециркуляции отработавших газов
      • Система питания  
        • Коллекторы и патрубки
        • Топливные трубопроводы
        • Топливные фильтры
        • Турбокомпрессор
      • Система смазки  
        • Масляный картер / поддон
        • Масляный насос
        • Теплообменник / Водо-масляный радиатор
        • Фильтры масляные (ФГОМ, ФЦОМ)
      • Система охлаждения  
        • Водяной насос
        • Водяные трубы и патрубки
        • Муфты вязкостные, приводы, крыльчатки
      • Ремкомплекты
      • Пневмокомпрессор и натяжное
      • Электрооборудование
      • Сцепление
    • Топливная аппаратура  
      • ЯЗДА  
        • Распылители
        • ТНВД
        • Форсунки
        • Топливный насос низкого давления
        • Пары плунжерные
        • Муфта опережения впрыска топлива
        • Запчасти и комплектующие ТНВД
      • НЗТА
      • АЗПИ  
        • Распылители
        • Форсунки
      • BOSCH
    • Запчасти УРАЛ  
      • Трансмиссия  
        • Коробка раздаточная
        • Передача карданная
        • Мост задний
        • Мост передний (ведущий)
        • Мост средний (промежуточный)
      • Кузов  
        • Дверь кабины
        • Капот, крылья, облицовка радиатора
        • Окно ветровое и заднее
        • Отопление и вентиляция кабины
        • Кабина
      • Механизмы управления  
        • Управление рулевое
        • Тормоза
      • Дополнительное оборудование  
        • Отбор мощности
        • Устройство седельное
      • Электрооборудование
      • Ходовая часть  
        • Колеса и ступицы
        • Ось передняя
        • Подвеска автомобиля
        • Рама
    • Запчасти МАЗ  
      • Трансмиссия  
        • Мост задний
        • Мост передний (ведущий)
        • Передача карданная
        • Мост средний (промежуточный)
      • Кузов  
        • Кабина
        • Дверь кабины
        • Детали основания кабины
        • Окно ветровое и заднее
        • Платформа
      • Механизмы управления  
        • Тормоза
        • Управление рулевое
      • Ходовая часть  
        • Колеса и ступицы
        • Ось передняя
        • Подвеска автомобиля
        • Рама
    • Запчасти КамАЗ  
      • Кузов  
        • Кабина
        • Капот, крылья, облицовка радиатора
        • Дверь кабины
        • Платформа
        • Окно ветровое и заднее
        • Устройство подъемное и опрокидывающее
        • Сиденье
        • Крыша кабины (крыша кузова)
        • Отопление и вентиляция кабины
      • Трансмиссия  
        • Коробка передач
        • Коробка раздаточная
        • Мост задний
        • Сцепление
        • Мост средний (промежуточный)
        • Передача карданная
        • Мост передний (ведущий)
      • Двигатель  
        • Основные запчасти двигателя
        • Система охлаждения
        • Система питания
        • Система смазки
      • Дополнительное оборудование  
        • Отбор мощности
        • Устройство седельное
      • Ходовая часть  
        • Подвеска автомобиля
        • Рама
        • Колеса и ступицы
        • Ось передняя
      • Механизмы управления  
        • Тормоза
        • Управление рулевое
      • Электрооборудование
    • Запчасти ММЗ
    • Ремни
  • Справочник
    • Грузовые автомобили
    • Автобусы
    • Сельхозтехника
    • Спецтехника
    • Двигатели
  • Как купить
    • Условия оплаты
    • Условия доставки
    • Гарантия на товар
    • Пункты выдачи
  • Услуги
    • Капитальный ремонт двигателей ЯМЗ
  • Акции
  • Статьи
  • Контакты
  • Компания
    • Реквизиты
    • Магазины
    • Оплата
    • Доставка
    • Лицензии и сертификаты
    • Новости
    • Вакансии
Избранное 0 Корзина 0
8-800-700-35-68

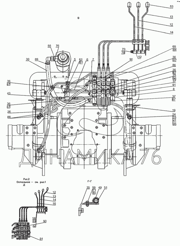
Гидроагрегаты и арматура на МТЗ-2022 (до 2010 г.)

Справочник
Главная
-
Автокаталог
-
Сельхозтехника
-
МТЗ
-
МТЗ-2022
Справочный каталог

Гидроагрегаты и арматура — МТЗ-2022:

Б2022-4600010 Б2022-4600010-01 1 2 4 5 6 6 7 8 9 10 12 12 12 13 13 13 14 14 14 15 15 16 17 18 19 20 21 23 24 25 26 27 29 30 31 32 33 34 34 35 36 36 36 36 37 37 38 39 40 41 42 43 44 45 46 47 48 49 50 51 52 53 55 56 58 59 60 61 62 65 66 68 69 70 71 72 73 74 75 76 77 78 79 80 80 81 82 83 84 85 85 85 86 86 87 87 87 87 87 88 89 90 90 91 91 95 96
в наличии
нет в наличии
масштаб

В наличии
Нет в наличии

Перечень комплектующих от Гидроагрегаты и арматура на МТЗ-2022

Схемы запчастей предназначены для справочных целей! Мы продаем не все запчасти от Гидроагрегаты и арматура на МТЗ-2022, представленные в этом списке.
Наличие на складах по деталям с ценой смотрите в карточке товара.
Артикул: Б2022-4600010
нет в наличии
Гидросистема
Количество на схеме: 1
Информация
Гидросистема
Количество
1
Модель
Б2022
Подгруппа
4600
Порядковый номер детали
010
Артикул: Б2022-4600010-01
нет в наличии
Гидросистема
Количество на схеме: 1
Информация
Гидросистема
Количество
1
Модель
Б2022
Подгруппа
4600
Порядковый номер детали
010
1
1
Артикул: 2022-4608210
нет в наличии
Бак
Количество на схеме: 1
Информация
Бак
Количество
1
Модель
2022
Подгруппа
4608
Порядковый номер детали
210
2
2
Артикул: Б2022-4608310
нет в наличии
Фильтр
Количество на схеме: 1
Информация
Фильтр
Количество
1
Модель
Б2022
Подгруппа
4608
Порядковый номер детали
310
4
4
Артикул: 1523-4607085
нет в наличии
Труба
Количество на схеме: 1
Информация
Труба
Количество
1
Модель
1523
Подгруппа
4607
Порядковый номер детали
085
5
5
Артикул: 1523-4607040
нет в наличии
Кронштейн
Количество на схеме: 1
Информация
Кронштейн
Количество
1
Модель
1523
Подгруппа
4607
Порядковый номер детали
040
6
6
Артикул: 1523-4607075
нет в наличии
Труба
Количество на схеме: 1
Информация
Труба
Количество
1
Модель
1523
Подгруппа
4607
Порядковый номер детали
075
6
6
Артикул: 2022-4607075
нет в наличии
Труба
Количество на схеме: 1
Информация
Труба
Количество
1
Примечание
Для Б2022-4600010-01
Модель
2022
Подгруппа
4607
Порядковый номер детали
075
7
7
Артикул: 1523-4607150
нет в наличии
Труба
Количество на схеме: 1
Информация
Труба
Количество
1
Модель
1523
Подгруппа
4607
Порядковый номер детали
150
8
8
Артикул: 1523-4607160
нет в наличии
Труба
Количество на схеме: 1
Информация
Труба
Количество
1
Модель
1523
Подгруппа
4607
Порядковый номер детали
160
9
9
Артикул: 1522-4607020
нет в наличии
Патрубок
Количество на схеме: 1
Информация
Патрубок
Количество
1
Модель
1522
Подгруппа
4607
Порядковый номер детали
020
10
10
Артикул: 1522-4607090
нет в наличии
Патрубок
Количество на схеме: 1
Информация
Патрубок
Количество
1
Модель
1522
Подгруппа
4607
Порядковый номер детали
090
12
12
Артикул: 1522-4607230
нет в наличии
Рычаг
Количество на схеме: 1
Информация
Рычаг
Количество
1
Модель
1522
Подгруппа
4607
Порядковый номер детали
230
12
12
Артикул: 2022-4607230
нет в наличии
Рычаг
Количество на схеме: 1
Информация
Рычаг
Количество
1
Примечание
Для Б2022-4600010-01
Модель
2022
Подгруппа
4607
Порядковый номер детали
230
13
13
Артикул: 1522-4607230-01
нет в наличии
Рычаг
Количество на схеме: 1
Информация
Рычаг
Количество
1
Модель
1522
Подгруппа
4607
Порядковый номер детали
230
13
13
Артикул: 2022-4607230-01
нет в наличии
Рычаг
Количество на схеме: 1
Информация
Рычаг
Количество
1
Примечание
Для Б2022-4600010-01
Модель
2022
Подгруппа
4607
Порядковый номер детали
230
14
14
Артикул: 1522-4607230-02
нет в наличии
Рычаг
Количество на схеме: 1
Информация
Рычаг
Количество
1
Модель
1522
Подгруппа
4607
Порядковый номер детали
230
14
14
Артикул: 2022-4607230-02
нет в наличии
Рычаг
Количество на схеме: 1
Информация
Рычаг
Количество
1
Примечание
Для Б2022-4600010-01
Модель
2022
Подгруппа
4607
Порядковый номер детали
230
15
15
Артикул: 1522-4607250
нет в наличии
Кронштейн
Количество на схеме: 1
Информация
Кронштейн
Количество
1
Модель
1522
Подгруппа
4607
Порядковый номер детали
250
15
15
Артикул: 2022-4607250
нет в наличии
Кронштейн
Количество на схеме: 1
Информация
Кронштейн
Количество
1
Примечание
Для Б2022-4600010-01
Модель
2022
Подгруппа
4607
Порядковый номер детали
250
16
16
Артикул: 2022-4607230-03
нет в наличии
Рычаг
Количество на схеме: 1
Информация
Рычаг
Количество
1
Примечание
Для Б2022-4600010-01
Модель
2022
Подгруппа
4607
Порядковый номер детали
230
17
17
Артикул: 1522-4608230
нет в наличии
Стяжка
Количество на схеме: 1
Информация
Стяжка
Количество
1
Модель
1522
Подгруппа
4608
Порядковый номер детали
230
18
18
Артикул: П80-4607120-01
нет в наличии
Рукав
Количество на схеме: 1
Информация
Рукав
Количество
1
Примечание
диам.16x2 армированный
Модель
П80
Подгруппа
4607
Порядковый номер детали
120
19
19
Артикул: 680-4607140-06
нет в наличии
Рукав высокого давления
Количество на схеме: 1
Информация
Рукав высокого давления
Количество
1
Примечание
диам. 10x1 армированный
Модель
680
Подгруппа
4607
Порядковый номер детали
140
20
20
Артикул: 680-4607140-13
нет в наличии
Рукав высокого давления
Количество на схеме: 1
Информация
Рукав высокого давления
Количество
1
Примечание
диам. 10x1 армированный
Модель
680
Подгруппа
4607
Порядковый номер детали
140
Дополнительно
Не взаимозаменяема с деталью, выпущенной ранее под этим же номером
21
21
Артикул: 680-4607510
нет в наличии
Патрубок
Количество на схеме: 1
Информация
Патрубок
Количество
1
Модель
680
Подгруппа
4607
Порядковый номер детали
510
23
23
Артикул: 100-4617110-01
нет в наличии
Привод насоса
Количество на схеме: 1
Информация
Привод насоса
Количество
1
Модель
100
Подгруппа
4617
Порядковый номер детали
110
24
24
Артикул: Ф80-3407720
нет в наличии
Маслопровод
Количество на схеме: 3
Информация
Маслопровод
Количество
3
Модель
Ф80
Группа
Управление рулевое
Подгруппа
Насос гидроусилителя механизма рулевого управления
Порядковый номер детали
720
25
25
Артикул: 1523-4607019
нет в наличии
Штуцер
Количество на схеме: 1
Информация
Штуцер
Количество
1
Модель
1523
Подгруппа
4607
Порядковый номер детали
019
26
26
Артикул: 1523-4607063
нет в наличии
Рукав
Количество на схеме: 1
Информация
Рукав
Количество
1
Примечание
ГОСТ 10362-76 L=(910±5) мм, 10x18,5-1,6
Модель
1523
Подгруппа
4607
Порядковый номер детали
063
27
27
Артикул: 1523-4607063-01
нет в наличии
Рукав
Количество на схеме: 1
Информация
Рукав
Количество
1
Примечание
ГОСТ 10362-76 L=(1520±5) мм, 10x18,5-1,6
Модель
1523
Подгруппа
4607
Порядковый номер детали
063
29
29
Артикул: 2022-4607061
нет в наличии
Рукав
Количество на схеме: 1
Информация
Рукав
Количество
1
Примечание
ГОСТ 10362-76 L=(1200±5) мм, 25x35-1,6
Модель
2022
Подгруппа
4607
Порядковый номер детали
061
30
30
Артикул: 2022-4607061-01
нет в наличии
Рукав
Количество на схеме: 1
Информация
Рукав
Количество
1
Примечание
ГОСТ 10362-76 L=(700±5) мм, 25x35-1,6
Модель
2022
Подгруппа
4607
Порядковый номер детали
061
31
31
Артикул: 2022-4607062
нет в наличии
Рукав
Количество на схеме: 1
Информация
Рукав
Количество
1
Примечание
ГОСТ 10362-76 L=(900±5) мм, 14x23-1,6
Модель
2022
Подгруппа
4607
Порядковый номер детали
062
32
32
Артикул: 2022-4607237
нет в наличии
Шайба
Количество на схеме: 1
Информация
Шайба
Количество
1
Примечание
Для Б2022-4600010-01
Модель
2022
Подгруппа
4607
Порядковый номер детали
237
33
33
Артикул: 1021-4803158
нет в наличии
Переходник
Количество на схеме: 2
Информация
Переходник
Количество
2
Модель
1021
Подгруппа
4803
Порядковый номер детали
158
34
34
Артикул: 1523-4607121
нет в наличии
Кронштейн
Количество на схеме: 1
Информация
Кронштейн
Количество
1
Модель
1523
Подгруппа
4607
Порядковый номер детали
121
34
34
Артикул: 2022-4607121
нет в наличии
Кронштейн
Количество на схеме: 1
Информация
Кронштейн
Количество
1
Примечание
Для Б2022-4600010-01
Модель
2022
Подгруппа
4607
Порядковый номер детали
121
35
35
Артикул: 1523-4607013
нет в наличии
Кронштейн
Количество на схеме: 1
Информация
Кронштейн
Количество
1
Модель
1523
Подгруппа
4607
Порядковый номер детали
013
36
36
Артикул: 1522-4607011-А
нет в наличии
Болт
Количество на схеме: 4
Информация
Болт
Количество
4
Модель
1522
Подгруппа
4607
Порядковый номер детали
011
37
37
Артикул: 1522-4607012-А
нет в наличии
Болт
Количество на схеме: 6
Информация
Болт
Количество
6
Модель
1522
Подгруппа
4607
Порядковый номер детали
012
38
38
Артикул: 1522-4607017
нет в наличии
Палец
Количество на схеме: 3
Информация
Палец
Количество
3
Примечание
Кол-во 4 для Б2022-4600010-01
Модель
1522
Подгруппа
4607
Порядковый номер детали
017
39
39
Артикул: 2522-4607018
нет в наличии
Плита
Количество на схеме: 4
Информация
Плита
Количество
4
Модель
2522
Подгруппа
4607
Порядковый номер детали
018
40
40
Артикул: 2522-4607019
нет в наличии
Штуцер
Количество на схеме: 2
Информация
Штуцер
Количество
2
Примечание
Кол-во 4 для Б2022-4600010-01
Модель
2522
Подгруппа
4607
Порядковый номер детали
019
41
41
Артикул: Д18-051
нет в наличии
Болт
Количество на схеме: 1
Информация
Болт
Количество
1
42
42
Артикул: 1522-4607062
нет в наличии
Шланг
Количество на схеме: 1
Информация
Шланг
Количество
1
Примечание
ГОСТ 10362-76 L=(340±3) мм, 25x35-1,6
Модель
1522
Подгруппа
4607
Порядковый номер детали
062
43
43
Артикул: 1522-4607078
нет в наличии
Угольник
Количество на схеме: 1
Информация
Угольник
Количество
1
Модель
1522
Подгруппа
4607
Порядковый номер детали
078
44
44
Артикул: 240-1111103
нет в наличии
Болт
Количество на схеме: 1
Информация
Болт
Количество
1
Модель
240
Группа
Cистема питания двигателя
Подгруппа
Насос топливный высокого давления
Порядковый номер детали
103
45
45
Артикул: 1522-4608234
нет в наличии
Прокладка
Количество на схеме: 2
Информация
Прокладка
Количество
2
Модель
1522
Подгруппа
4608
Порядковый номер детали
234
46
46
Артикул: 1522-4608237
нет в наличии
Кронштейн
Количество на схеме: 1
Информация
Кронштейн
Количество
1
Модель
1522
Подгруппа
4608
Порядковый номер детали
237
47
47
Артикул: 1522-4608238
нет в наличии
Кронштейн
Количество на схеме: 1
Информация
Кронштейн
Количество
1
Модель
1522
Подгруппа
4608
Порядковый номер детали
238
48
48
Артикул: 1522-4607252
нет в наличии
Втулка
Количество на схеме: 5
Информация
Втулка
Количество
5
Модель
1522
Подгруппа
4607
Порядковый номер детали
252
49
49
Артикул: 50-4607041
нет в наличии
Кронштейн
Количество на схеме: 1
Информация
Кронштейн
Количество
1
Модель
50
Подгруппа
4607
Порядковый номер детали
041
50
50
Артикул: 70-1405089
нет в наличии
Штуцер
Количество на схеме: 2
Информация
Штуцер
Количество
2
Модель
70
Группа
Система управления двигателем электронная
Подгруппа
1405
Порядковый номер детали
089
51
51
Артикул: 70-3506027
нет в наличии
Втулка
Количество на схеме: 1
Информация
Втулка
Количество
1
Модель
70
Группа
Тормоза
Подгруппа
Трубопроводы пневмотормозов
Порядковый номер детали
027
52
52
Артикул: А61-01-017
нет в наличии
Втулка
Количество на схеме: 6
Информация
Втулка
Количество
6
Примечание
Кол-во 8 для Б2022-4600010-01
53
53
Артикул: А13-11-000
нет в наличии
Рукоятка
Количество на схеме: 3
Информация
Рукоятка
Количество
3
Примечание
Кол-во 4 для Б2022-4600010-01
55
55
Артикул: С80-4607034
нет в наличии
Штуцер
Количество на схеме: 1
Информация
Штуцер
Количество
1
Модель
С80
Подгруппа
4607
Порядковый номер детали
034
56
56
Артикул: ПР-43-02
нет в наличии
Прокладка
Количество на схеме: 2
Информация
Прокладка
Количество
2
58
58
Артикул: M8-6gx20-88-35-019
нет в наличии
Болт
Количество на схеме: 4
Информация
Болт
Количество
4
Примечание
ГОСТ 7796-70, кол-во 5 для Б2022-4600010-01
59
59
Артикул: M8-6gx25-88-35-019
нет в наличии
Болт
Количество на схеме: 9
Информация
Болт
Количество
9
Примечание
ГОСТ 7796-70
60
60
Артикул: M8-6gx40-88-35-019
нет в наличии
Болт
Количество на схеме: 5
Информация
Болт
Количество
5
Примечание
ГОСТ 7795-70
61
61
Артикул: M10-6gx16-88-35-019
нет в наличии
Болт
Количество на схеме: 3
Информация
Болт
Количество
3
Примечание
ГОСТ 7796-70
62
62
Артикул: M10-6gx20-88-35-019
нет в наличии
Болт
Количество на схеме: 2
Информация
Болт
Количество
2
Примечание
ГОСТ 7796-70
65
65
Артикул: M12-6gx30-88-35-019
нет в наличии
Болт
Количество на схеме: 2
Информация
Болт
Количество
2
Примечание
ГОСТ 7796-70
66
66
Артикул: M12-6gx150-58-019
нет в наличии
Болт
Количество на схеме: 2
Информация
Болт
Количество
2
Примечание
ГОСТ 7795-70
68
68
Артикул: M16-6gx32-88-35-019
нет в наличии
Болт
Количество на схеме: 6
Информация
Болт
Количество
6
Примечание
ГОСТ 7796-70
69
69
Артикул: M6-6gx16-88-35-019
нет в наличии
Болт
Количество на схеме: 6
Информация
Болт
Количество
6
Примечание
ГОСТ 7798-70, Кол-во 8 для Б2022-4600010-01
70
70
Артикул: M10-6H-6-019
нет в наличии
Гайка
Количество на схеме: 4
Информация
Гайка
Количество
4
Примечание
ГОСТ 5915-70, Кол-во 2 для Б2022-4600010-01
71
71
Артикул: M8-6H-6-019
нет в наличии
Гайка
Количество на схеме: 1
Информация
Гайка
Количество
1
Примечание
ГОСТ 5915-70
72
72
Артикул: M6-6H-6-019
нет в наличии
Гайка
Количество на схеме: 3
Информация
Гайка
Количество
3
Примечание
ГОСТ 5915-70, Кол-во 4 для Б2022-4600010-01
73
73
Артикул: 017-022-30-1-4
нет в наличии
Кольцо
Количество на схеме: 10
Информация
Кольцо
Количество
10
Примечание
ГОСТ 18829-73, ГОСТ 9833-73, Кол-во 12 для Б2022-4600010-01
74
74
Артикул: 021-024-19-2-2
в наличии
Кольцо
Количество на схеме: 1
Информация
Кольцо
Количество
1
Примечание
ГОСТ 18829-73, ГОСТ 9833-73
Кольцо УРАЛ уплотнительное ручки двери ПФ АМТ
Артикул: 021-024-19-2-2
Кольцо УРАЛ уплотнительное ручки двери ПФ АМТ
Код для заказа: 00033960
Цена: 22 ₽/шт.
Под заказ
Кольцо УРАЛ уплотнительное ручки двери ПФ АМТ
Артикул: 021-024-19-2-2
Код для заказа: 00033960
Кольцо УРАЛ уплотнительное ручки двери ПФ АМТ
Цена: 22 ₽/шт.
Под заказ
75
75
Артикул: 025-029-25-2-2
нет в наличии
Кольцо
Количество на схеме: 3
Информация
Кольцо
Количество
3
Примечание
ГОСТ 18829-73, ГОСТ 9833-73, Кол-во 5 для Б2022-4600010-01
76
76
Артикул: 027-032-30-1-4
нет в наличии
Кольцо
Количество на схеме: 1
Информация
Кольцо
Количество
1
Примечание
ГОСТ 18829-73, ГОСТ 9833-73
77
77
Артикул: 035-040-30-1-4
нет в наличии
Кольцо
Количество на схеме: 2
Информация
Кольцо
Количество
2
Примечание
ГОСТ 18829-73, ГОСТ 9833-73
78
78
Артикул: С-10-01-019
нет в наличии
Шайба
Количество на схеме: 1
Информация
Шайба
Количество
1
Примечание
ГОСТ 11371-78
79
79
Артикул: 3,2x18-019
нет в наличии
Шплинт
Количество на схеме: 3
Информация
Шплинт
Количество
3
Примечание
ГОСТ 397-79, Кол-во 4 для Б2022-4600010-01
80
80
Артикул: 8T
нет в наличии
Шайба
Количество на схеме: 18
Информация
Шайба
Количество
18
Примечание
ОСТ 37.001.115-75, Кол-во 19 для Б2022-4600010-01
81
81
Артикул: 10-ОТ
нет в наличии
Шайба
Количество на схеме: 7
Информация
Шайба
Количество
7
Примечание
ОСТ 37.001.115-75
82
82
Артикул: 12-ОТ
нет в наличии
Шайба
Количество на схеме: 4
Информация
Шайба
Количество
4
Примечание
ОСТ 37.001.115-75
83
83
Артикул: 16-ОТ
нет в наличии
Шайба
Количество на схеме: 6
Информация
Шайба
Количество
6
Примечание
ОСТ 37.001.115-75
84
84
Артикул: 6Т
нет в наличии
Шайба
Количество на схеме: 6
Информация
Шайба
Количество
6
Примечание
ОСТ 37.001.115-75, Кол-во 8 для Б2022-4600010-01
85
85
Артикул: 100-М4(40)22-01500
нет в наличии
Трос
Количество на схеме: 4
Информация
Трос
Количество
4
Примечание
ТУ У 29.3-31765778-002-2003, Кол-во 4 для Б2022-4600010-01
85
85
Артикул: 772-L-TS-40-1500
нет в наличии
Трос
Количество на схеме: ;
Информация
Трос
Количество
;
85
85
Артикул: ЕААВ-303635-001
нет в наличии
Трос
Количество на схеме: 3
Информация
Трос
Количество
3
Покрытие
без покрытия
86
86
Артикул: R17-001-488
нет в наличии
Блок интегральный
Количество на схеме: 1
Информация
Блок интегральный
Количество
1
Примечание
ZMS23-LS
86
86
Артикул: R917-001-562
нет в наличии
Блок интегральный
Количество на схеме: 1
Информация
Блок интегральный
Количество
1
Примечание
Б2022-4600010-01, ZMS23-LS
87
87
Артикул: РМ22
нет в наличии
Шайба
Количество на схеме: 20
Информация
Шайба
Количество
20
88
88
Артикул: 16-27
нет в наличии
Хомут
Количество на схеме: 6
Информация
Хомут
Количество
6
89
89
Артикул: 25-40
нет в наличии
Хомут
Количество на схеме: 6
Информация
Хомут
Количество
6
90
90
Артикул: 4600-11
нет в наличии
Муфта быстросоединяемая красная
Количество на схеме: 3
Информация
Муфта быстросоединяемая красная
Количество
3
Примечание
Кол-во 4 для Б2022-4600010-01
91
91
Артикул: 4600-12
нет в наличии
Муфта быстросоединяемая зеленая
Количество на схеме: 3
Информация
Муфта быстросоединяемая зеленая
Количество
3
Примечание
Кол-во 4 для Б2022-4600010-01
95
95
Артикул: РМ14
нет в наличии
Шайба
Количество на схеме: 5
Информация
Шайба
Количество
5
96
96
Артикул: 4600-70
нет в наличии
Муфта
Количество на схеме: 1
Информация
Муфта
Количество
1
Примечание
Dy = 20 мм
  • Грузовые автомобили
  • Автобусы
  • Сельхозтехника
  • Спецтехника
  • Двигатели
Получить оптовый прайс-лист
Скачать прайс-лист от 07.05.2026 16:00
Специальное предложение от 07.05.2026 17:00
Производители:


  • WEICHAI
  • Автодизель ПАО (ЯМЗ)
  • Тутаевский МЗ
  • ЯЗДА
  • УралАЗ
  • МАЗ
  • АЗПИ
  • BOSCH
  • ММЗ
  • ШААЗ
  • FEDERAL MOGUL
  • ПРАМО
  • Мотордеталь
  • ТАИМ
  • АвтоКрАЗ
  • БЕЛКАРД
  • CZ Strakonice
  • КамАЗ
  • БЗА
  • ЧМЗ
  • BMZ
Новости
Все новости
25 марта 2024
Флагманский седельный тягач «Валдай 45» на выставке «TransRussia»
10 марта 2024
Современные автобусы «CITYMAX 9» и ЛиАЗ-5292 CNG
25 февраля 2024
Серийное производство средних дизельных двигателей повышенной мощности от ЯМЗ
Статьи
Все статьи
Датчики двигателя: за что они отвечают, признаки неисправности и как не прогадать с выбором
Двигатели ЯМЗ-534: история, технические характеристики и области применения
Двигатели ЯМЗ 650: углублённый технический обзор и история
Компания
О компании
Реквизиты
Новости
Политика
Магазины
Информация
Условия оплаты
Условия доставки
Гарантия на товар
Обмен и возврат товара
Помощь
Как оформить заказ
Полезные статьи
Бренды
Пункты выдачи
Оставайтесь на связи
  • Вконтакте
  • YouTube
  • Одноклассники
  • Google Plus
Увидели ошибку?
Выделите, нажав Ctrl + Enter
Наши контакты
8-800-700-35-68
sales@din76.ru
г. Ярославль, Ленинградский пр-т 33, ТЦ "ОМЕГА"
2026 © ООО «Динамика 76» - Все права защищены ООО "Динамика 76"
Предложения на сайте не являются публичной офертой.
На сайте обнаружена ошибка

Текст с ошибкой