Избранное 0 Корзина 0 Личный кабинет
logo
Каталог
Каталог
  • Справочник
    • Грузовые автомобили
    • Автобусы
    • Сельхозтехника
    • Спецтехника
    • Двигатели
  • Доставка
  • Оплата
  • О компании
    • Реквизиты
    • Магазины
    • Оплата
    • Доставка
    • Лицензии и сертификаты
    • Новости
    • Вакансии
  • Контакты
Отправить заявку
Личный кабинет
8 (800) 700-35-68
sales@din76.ru
Избранное 0 Корзина 0
8 (800) 700-35-68
Оптовый прайс-лист
Каталог
  • Двигатели
  • Запчасти WEICHAI
  • Запчасти ЯМЗ, ТМЗ (V-образные)
  • Запчасти ЯМЗ-534, ЯМЗ-536
  • Запчасти ЯМЗ-650, ЯМЗ-651, DCi-11
  • Топливная аппаратура
  • Запчасти УРАЛ
  • Запчасти МАЗ
  • Запчасти КамАЗ
  • Запчасти ММЗ
  • Ремни
Автокаталог (справочник)
  • Доставка
  • Оплата
  • О компании
  • Контакты
8 (800) 700-35-68
Написать в Whatsapp
sales@din76.ru
Динамика 76
Меню  
  • Каталог
    • Двигатели  
      • Двигатели ТМЗ  
        • Двигатели ТМЗ для автомобилей
        • Двигатели ТМЗ для тракторов
        • Специальные двигатели ТМЗ
        • Промышленные двигатели ТМЗ
      • Двигатели ЯМЗ  
        • ЯМЗ 236
        • ЯМЗ 238
        • ЯМЗ 240
        • ЯМЗ 751
        • ЯМЗ 840
        • ЯМЗ 850
        • ЯМЗ 656
        • ЯМЗ 658
        • ЯМЗ 534
        • ЯМЗ 536
        • ЯМЗ 650
        • Двигатели ЯМЗ для электростанций
      • Двигатели КАМАЗ
      • Двигатели ММЗ
      • Двигатели индивидуальной сборки
      • Комплекты переоборудования
    • Запчасти WEICHAI  
      • Основные запчасти двигателя  
        • Клапаны и толкатели
        • Шатуны
        • Вал коленчатый и маховик
        • Вал распределительный
        • Цилиндро-поршневая группа
      • Система питания  
        • Форсунки
        • Турбокомпрессор
      • Система смазки  
        • Насос масляный
      • Головка блока
      • Ремкомплекты
      • Система охлаждения  
        • Насос водяной
        • Муфта вязкостная и крыльчатка
      • Фильтры
      • Электрооборудование  
        • Генератор
        • Стартер
    • Запчасти ЯМЗ, ТМЗ (V-образные)  
      • Основные запчасти двигателя  
        • Блок двигателя и комплектующие
        • Валы распределительные и клапаны
        • Головка блока и комплектующие
        • Цилиндро-поршневая группа
        • Маховики и комплектующие
        • Валы коленчатые и комплектующие
        • Шатуны и комплектующие
      • Система питания  
        • Коллекторы и патрубки
        • Топливные трубопроводы
        • Турбокомпрессор
        • Топливные фильтры
      • Электрооборудование двигателя
      • Система охлаждения  
        • Вязкостные муфты и крыльчатки
        • Приводы вентилятора
        • Водяные насосы
        • Водяные трубы и термостаты
      • Коробки переключения передач  
        • 8 Ступенчатые КПП
        • 5 Ступенчатые КПП
        • 9 Ступенчатые КПП
        • Запасные части КПП ЯМЗ, ТМЗ
      • Система смазки  
        • Теплообменник и комплектующие
        • Масляные насосы
        • Фильтры масляные (ФГОМ, ФЦОМ)
      • Сцепление  
        • Запасные части механизма сцепления
        • Муфты (подшипники выжимные)
        • Корзины (диски нажимные)
        • Диски ведомые
      • Прочие запчасти двигателя  
        • Ремкомплекты
        • Привод агрегатов
        • Натяжные устройства
        • Трубки
    • Запчасти ЯМЗ-534, ЯМЗ-536  
      • Основные запчасти двигателя  
        • Цилиндро-поршневая группа
        • Головка блока цилиндров и комплектующие
        • Блок цилиндров и комплектующие
        • Вал коленчатый и маховик
        • Вал распределительный
        • Клапаны и толкатели
        • ГУР (Гидроусилитель руля)
        • Система рециркуляции отработавших газов
        • Выпускной коллектор
      • Система питания  
        • Коллекторы и патрубки
        • Топливные фильтры
        • Турбокомпрессор
        • Топливные трубопроводы
      • Система смазки  
        • Масляный картер поддон
        • Масляный насос
        • Теплообменник /Водо-масляный радиатор
        • Фильтры масляные (ФГОМ, ФЦОМ)
      • Пневмокомпрессор и натяжное
      • Система охлаждения  
        • Водяной насос
        • Водяные трубы и патрубки
        • Муфты вязкостные, приводы, крыльчатки
      • Ремкомплекты
      • Сцепление
      • Электрооборудование
    • Запчасти ЯМЗ-650, ЯМЗ-651, DCi-11  
      • Основные запчасти двигателя  
        • Цилиндро-поршневая группа
        • Головка блока цилиндров и комплектующие
        • Блок цилиндров и комплектующие
        • Вал коленчатый и маховик
        • Выпускной коллектор
        • Вал распределительный
        • Клапаны и толкатели
        • ГУР (Гидроусилитель руля)
        • Система рециркуляции отработавших газов
      • Система питания  
        • Коллекторы и патрубки
        • Топливные трубопроводы
        • Топливные фильтры
        • Турбокомпрессор
      • Система смазки  
        • Масляный картер / поддон
        • Масляный насос
        • Теплообменник / Водо-масляный радиатор
        • Фильтры масляные (ФГОМ, ФЦОМ)
      • Система охлаждения  
        • Водяной насос
        • Водяные трубы и патрубки
        • Муфты вязкостные, приводы, крыльчатки
      • Ремкомплекты
      • Пневмокомпрессор и натяжное
      • Электрооборудование
      • Сцепление
    • Топливная аппаратура  
      • ЯЗДА  
        • Распылители
        • ТНВД
        • Форсунки
        • Топливный насос низкого давления
        • Пары плунжерные
        • Муфта опережения впрыска топлива
        • Запчасти и комплектующие ТНВД
      • НЗТА
      • АЗПИ  
        • Распылители
        • Форсунки
      • BOSCH
    • Запчасти УРАЛ  
      • Трансмиссия  
        • Коробка раздаточная
        • Передача карданная
        • Мост задний
        • Мост передний (ведущий)
        • Мост средний (промежуточный)
      • Кузов  
        • Дверь кабины
        • Капот, крылья, облицовка радиатора
        • Окно ветровое и заднее
        • Отопление и вентиляция кабины
        • Кабина
      • Механизмы управления  
        • Управление рулевое
        • Тормоза
      • Дополнительное оборудование  
        • Отбор мощности
        • Устройство седельное
      • Электрооборудование
      • Ходовая часть  
        • Колеса и ступицы
        • Ось передняя
        • Подвеска автомобиля
        • Рама
    • Запчасти МАЗ  
      • Трансмиссия  
        • Мост задний
        • Мост передний (ведущий)
        • Передача карданная
        • Мост средний (промежуточный)
      • Кузов  
        • Кабина
        • Дверь кабины
        • Детали основания кабины
        • Окно ветровое и заднее
        • Платформа
      • Механизмы управления  
        • Тормоза
        • Управление рулевое
      • Ходовая часть  
        • Колеса и ступицы
        • Ось передняя
        • Подвеска автомобиля
        • Рама
    • Запчасти КамАЗ  
      • Кузов  
        • Кабина
        • Капот, крылья, облицовка радиатора
        • Дверь кабины
        • Платформа
        • Окно ветровое и заднее
        • Устройство подъемное и опрокидывающее
        • Сиденье
        • Крыша кабины (крыша кузова)
        • Отопление и вентиляция кабины
      • Трансмиссия  
        • Коробка передач
        • Коробка раздаточная
        • Мост задний
        • Сцепление
        • Мост средний (промежуточный)
        • Передача карданная
        • Мост передний (ведущий)
      • Двигатель  
        • Основные запчасти двигателя
        • Система охлаждения
        • Система питания
        • Система смазки
      • Дополнительное оборудование  
        • Отбор мощности
        • Устройство седельное
      • Ходовая часть  
        • Подвеска автомобиля
        • Рама
        • Колеса и ступицы
        • Ось передняя
      • Механизмы управления  
        • Тормоза
        • Управление рулевое
      • Электрооборудование
    • Запчасти ММЗ
    • Ремни
  • Справочник
    • Грузовые автомобили
    • Автобусы
    • Сельхозтехника
    • Спецтехника
    • Двигатели
  • Как купить
    • Условия оплаты
    • Условия доставки
    • Гарантия на товар
    • Пункты выдачи
  • Услуги
    • Капитальный ремонт двигателей ЯМЗ
  • Акции
  • Статьи
  • Контакты
  • Компания
    • Реквизиты
    • Магазины
    • Оплата
    • Доставка
    • Лицензии и сертификаты
    • Новости
    • Вакансии
Избранное 0 Корзина 0
8-800-700-35-68

Кабина трактора на МТЗ-1523.6 (до 2018 г.)

Справочник
Главная
-
Автокаталог
-
Сельхозтехника
-
МТЗ
-
МТЗ-1523.6
Справочный каталог

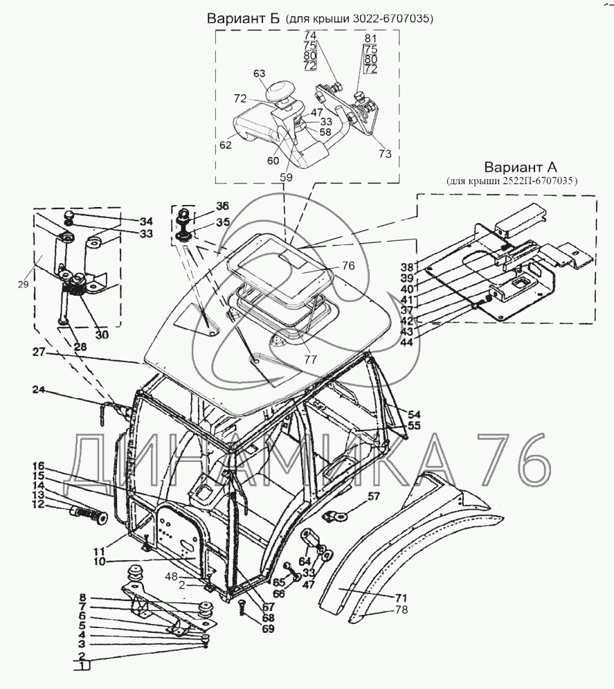
Кабина трактора — МТЗ-1523.6:

1523.6-6700010 1 2 2 3 4 5 6 7 8 10 11 12 13 14 15 16 24 27 27 27 28 29 30 33 33 33 34 35 36 37 38 39 40 41 42 43 44 47 47 48 49 54 57 57 57 60 62 63 64 65 66 67 68 69 71 71 71 72 72 72 73 74 75 75 76 76 76 77 78 78 78 80 80 81
в наличии
нет в наличии
масштаб

В наличии
Нет в наличии

Перечень комплектующих от Кабина трактора на МТЗ-1523.6

Схемы запчастей предназначены для справочных целей! Мы продаем не все запчасти от Кабина трактора на МТЗ-1523.6, представленные в этом списке.
Наличие на складах по деталям с ценой смотрите в карточке товара.
Артикул: 1523-6-6700010
нет в наличии
Кабина в сборе
Количество на схеме: 1
Информация
Кабина в сборе
Количество
1
Модель
1523.6
Подгруппа
6700
Порядковый номер детали
010
1
1
Артикул: Шплинт4х36-019
нет в наличии
Шплинт
Количество на схеме: 4
Информация
Шплинт
Количество
4
Примечание
ГОСТ 397-79
2
2
Артикул: М16-6Н-6-019
нет в наличии
Гайка
Количество на схеме: 4
Информация
Гайка
Количество
4
Примечание
ГОСТ 5918-73
3
3
Артикул: Шайба16-ОТ
нет в наличии
Шайба
Количество на схеме: 4
Информация
Шайба
Количество
4
Примечание
ОСТ.001.115-75
4
4
Артикул: ШайбаС16-01-019
нет в наличии
Шайба С 16.01.019
Количество на схеме: 4
Информация
Шайба С 16.01.019
Количество
4
Примечание
ГОСТ 11371-78
5
5
Артикул: 130-5001364-В
нет в наличии
Подушка нижняя
Количество на схеме: 4
Информация
Подушка нижняя
Количество
4
Модель
130
Группа
Кабина (Кузов)
Подгруппа
Крепление кабины (кузова)
Порядковый номер детали
364
6
6
Артикул: 1525-5-6700030
нет в наличии
Кронштейн
Количество на схеме: 1
Информация
Кронштейн
Количество
1
Модель
1525.5
Подгруппа
6700
Порядковый номер детали
030
7
7
Артикул: 80-6700160
нет в наличии
Виброизолятор
Количество на схеме: 4
Информация
Виброизолятор
Количество
4
Модель
80
Подгруппа
6700
Порядковый номер детали
160
8
8
Артикул: 80-6700163
нет в наличии
Обойма
Количество на схеме: 4
Информация
Обойма
Количество
4
Модель
80
Подгруппа
6700
Порядковый номер детали
163
10
10
Артикул: 2522-6703031-Б
нет в наличии
Прокладка
Количество на схеме: 1
Информация
Прокладка
Количество
1
Модель
2522
Подгруппа
6703
Порядковый номер детали
031
11
11
Артикул: 2522-6702001-01
нет в наличии
Прижим
Количество на схеме: 1
Информация
Прижим
Количество
1
Модель
2522
Подгруппа
6702
Порядковый номер детали
001
12
12
Артикул: ВМ10x35
нет в наличии
Винт
Количество на схеме: 4
Информация
Винт
Количество
4
13
13
Артикул: ШайбаС10-01-019
нет в наличии
Шайба С10.01.019
Количество на схеме: 4
Информация
Шайба С10.01.019
Количество
4
Примечание
ГОСТ 11371-78
14
14
Артикул: Шайба10-ОТ
нет в наличии
Шайба
Количество на схеме: 4
Информация
Шайба
Количество
4
Примечание
ОСТ 37.001.115-75
15
15
Артикул: 2522-5-6703115
нет в наличии
Поручень правый
Количество на схеме: 1
Информация
Поручень правый
Количество
1
Модель
2522.5
Подгруппа
6703
Порядковый номер детали
115
16
16
Артикул: 2522-6702466
нет в наличии
Прижим
Количество на схеме: 1
Информация
Прижим
Количество
1
Модель
2522
Подгруппа
6702
Порядковый номер детали
466
24
24
Артикул: 2522-8201200
нет в наличии
Кронштейн
Количество на схеме: 2
Информация
Кронштейн
Количество
2
Модель
2522
Группа
Принадлежности кабины
Подгруппа
Зеркало заднего вида
Порядковый номер детали
200
27
27
Артикул: 2522П-6707035
нет в наличии
Крыша
Количество на схеме: 1
Информация
Крыша
Количество
1
Модель
2522П
Подгруппа
6707
Порядковый номер детали
035
27
27
Артикул: 3022-6707035
нет в наличии
Крыша
Количество на схеме: 1
Информация
Крыша
Количество
1
Модель
3022
Подгруппа
6707
Порядковый номер детали
035
28
28
Артикул: 2522-8201219
нет в наличии
Винт
Количество на схеме: 2
Информация
Винт
Количество
2
Модель
2522
Группа
Принадлежности кабины
Подгруппа
Зеркало заднего вида
Порядковый номер детали
219
29
29
Артикул: 2522-8201205
нет в наличии
Кронштейн
Количество на схеме: 2
Информация
Кронштейн
Количество
2
Модель
2522
Группа
Принадлежности кабины
Подгруппа
Зеркало заднего вида
Порядковый номер детали
205
30
30
Артикул: 2522-8201204
нет в наличии
Валик
Количество на схеме: 2
Информация
Валик
Количество
2
Модель
2522
Группа
Принадлежности кабины
Подгруппа
Зеркало заднего вида
Порядковый номер детали
204
33
33
Артикул: Шайба8Т
нет в наличии
Шайба 8Т
Количество на схеме: 2
Информация
Шайба 8Т
Количество
2
Примечание
ОСТ 37.001.115-75
34
34
Артикул: 2522-6708029
нет в наличии
Гайка
Количество на схеме: 2
Информация
Гайка
Количество
2
Модель
2522
Подгруппа
6708
Порядковый номер детали
029
35
35
Артикул: 2522-6707081
нет в наличии
Шайба
Количество на схеме: 3
Информация
Шайба
Количество
3
Модель
2522
Подгруппа
6707
Порядковый номер детали
081
36
36
Артикул: 2522-6707033
нет в наличии
Рым-болт
Количество на схеме: 3
Информация
Рым-болт
Количество
3
Модель
2522
Подгруппа
6707
Порядковый номер детали
033
37
37
Артикул: 822-6707051
нет в наличии
Кронштейн
Количество на схеме: 1
Информация
Кронштейн
Количество
1
Модель
822
Подгруппа
6707
Порядковый номер детали
051
38
38
Артикул: 822-6707065
нет в наличии
Панель
Количество на схеме: 1
Информация
Панель
Количество
1
Модель
822
Подгруппа
6707
Порядковый номер детали
065
39
39
Артикул: 822-6707066
нет в наличии
Крышка
Количество на схеме: 1
Информация
Крышка
Количество
1
Модель
822
Подгруппа
6707
Порядковый номер детали
066
40
40
Артикул: 55-17-27
нет в наличии
Пружина
Количество на схеме: 1
Информация
Пружина
Количество
1
41
41
Артикул: 822-6707061
нет в наличии
Зацеп
Количество на схеме: 1
Информация
Зацеп
Количество
1
Модель
822
Подгруппа
6707
Порядковый номер детали
061
42
42
Артикул: 822-6707067
нет в наличии
Кронштейн
Количество на схеме: 1
Информация
Кронштейн
Количество
1
Модель
822
Подгруппа
6707
Порядковый номер детали
067
43
43
Артикул: ВинтВ-М6-6gх10-58-019
нет в наличии
Винт В.М6-6gх10.58.019
Количество на схеме: 1
Информация
Винт В.М6-6gх10.58.019
Количество
1
Примечание
ГОСТ 17475- 80
44
44
Артикул: ШайбаС6-01-019
нет в наличии
Шайба
Количество на схеме: 1
Информация
Шайба
Количество
1
Примечание
ГОСТ 11371-78
47
47
Артикул: ШайбаС8-01-019
нет в наличии
Шайба
Количество на схеме: 1
Информация
Шайба
Количество
1
Примечание
ГОСТ 6958-78
48
48
Артикул: 2522-6700029
нет в наличии
Болт
Количество на схеме: 4
Информация
Болт
Количество
4
Модель
2522
Подгруппа
6700
Порядковый номер детали
029
49
49
Артикул: ШайбаС-10-01-019
нет в наличии
Шайба С.10.01.019
Количество на схеме: 2
Информация
Шайба С.10.01.019
Количество
2
Примечание
ГОСТ 11371-78
54
54
Артикул: 583875
нет в наличии
Пружина газовая
Количество на схеме: 2
Информация
Пружина газовая
Количество
2
Примечание
11.4.6308010 , ТУ РБ 500032891.095-2003
Покрытие
без покрытия
57
57
Артикул: 1522-6700037
нет в наличии
Кронштейн
Количество на схеме: 1
Информация
Кронштейн
Количество
1
Примечание
левый
Модель
1522
Подгруппа
6700
Порядковый номер детали
037
57
57
Артикул: 1522-6700037-01
нет в наличии
Кронштейн
Количество на схеме: 1
Информация
Кронштейн
Количество
1
Примечание
правый
Модель
1522
Подгруппа
6700
Порядковый номер детали
037
60
60
Артикул: 822-6708152
нет в наличии
Кронштейн
Количество на схеме: 2
Информация
Кронштейн
Количество
2
Модель
822
Подгруппа
6708
Порядковый номер детали
152
62
62
Артикул: 822-6708160-01
нет в наличии
Рукоятка
Количество на схеме: 1
Информация
Рукоятка
Количество
1
Примечание
правая
Модель
822
Подгруппа
6708
Порядковый номер детали
160
63
63
Артикул: 2522-6708165
нет в наличии
Винт
Количество на схеме: 1
Информация
Винт
Количество
1
Модель
2522
Подгруппа
6708
Порядковый номер детали
165
64
64
Артикул: 2522-6708032
нет в наличии
Втулка
Количество на схеме: 2
Информация
Втулка
Количество
2
Модель
2522
Подгруппа
6708
Порядковый номер детали
032
65
65
Артикул: 80-6700168-01
нет в наличии
Клин
Количество на схеме: 9
Информация
Клин
Количество
9
Модель
80
Подгруппа
6700
Порядковый номер детали
168
66
66
Артикул: 80-6700169-01
нет в наличии
Бонка
Количество на схеме: 9
Информация
Бонка
Количество
9
Модель
80
Подгруппа
6700
Порядковый номер детали
169
67
67
Артикул: 3522-6703115-02
нет в наличии
Поручень
Количество на схеме: 1
Информация
Поручень
Количество
1
Примечание
левый
Модель
3522
Подгруппа
6703
Порядковый номер детали
115
68
68
Артикул: 2522-6702001
нет в наличии
Прижим левый
Количество на схеме: 1
Информация
Прижим левый
Количество
1
Примечание
левый
Модель
2522
Подгруппа
6702
Порядковый номер детали
001
69
69
Артикул: 912072
нет в наличии
Винт В.М6-6gх16.58.019
Количество на схеме: 4
Информация
Винт В.М6-6gх16.58.019
Количество
4
Примечание
ГОСТ 17474- 80
Покрытие
без покрытия
71
71
Артикул: 923-8404010
нет в наличии
Крыло левое
Количество на схеме: 1
Информация
Крыло левое
Количество
1
Примечание
левое
Модель
923
Группа
Оперение
Подгруппа
Крыло заднее
Порядковый номер детали
010
71
71
Артикул: 923-8404010-01
нет в наличии
Крыло правое
Количество на схеме: 1
Информация
Крыло правое
Количество
1
Примечание
правое
Модель
923
Группа
Оперение
Подгруппа
Крыло заднее
Порядковый номер детали
010
72
72
Артикул: 923-6707086
нет в наличии
Прокладка
Количество на схеме: 4
Информация
Прокладка
Количество
4
Модель
923
Подгруппа
6707
Порядковый номер детали
086
73
73
Артикул: 3022-6707055
нет в наличии
Кронштейн
Количество на схеме: 1
Информация
Кронштейн
Количество
1
Модель
3022
Подгруппа
6707
Порядковый номер детали
055
74
74
Артикул: БолтМ6-6gх20-88-35-019
нет в наличии
Болт
Количество на схеме: 2
Информация
Болт
Количество
2
Примечание
ГОСТ 7798-70
75
75
Артикул: Шайба6Т
нет в наличии
Шайба
Количество на схеме: 3
Информация
Шайба
Количество
3
Примечание
ОСТ 37.001.115-75
76
76
Артикул: 2522П-6707040
нет в наличии
Люк
Количество на схеме: 1
Информация
Люк
Количество
1
Примечание
Для крыши 2522П-6707035
Модель
2522П
Подгруппа
6707
Порядковый номер детали
040
76
76
Артикул: 3022-6707040
нет в наличии
Люк
Количество на схеме: 1
Информация
Люк
Количество
1
Примечание
Для крыши 3022-6707035
Модель
3022
Подгруппа
6707
Порядковый номер детали
040
77
77
Артикул: А37-08-045
нет в наличии
Уплотнитель
Количество на схеме: 1
Информация
Уплотнитель
Количество
1
78
78
Артикул: 923-8404030
нет в наличии
Уширитель левый
Количество на схеме: 1
Информация
Уширитель левый
Количество
1
Примечание
левый
Модель
923
Группа
Оперение
Подгруппа
Крыло заднее
Порядковый номер детали
030
78
78
Артикул: 923-8404030-01
нет в наличии
Уширитель правый
Количество на схеме: 1
Информация
Уширитель правый
Количество
1
Примечание
правый
Модель
923
Группа
Оперение
Подгруппа
Крыло заднее
Порядковый номер детали
030
80
80
Артикул: ШайбаС6-01-019
нет в наличии
Шайба
Количество на схеме: 3
Информация
Шайба
Количество
3
Примечание
ГОСТ 6958-78
81
81
Артикул: БолтМ6-6gх30-88-35-019
нет в наличии
Болт М6-6gх30.88.35.019
Количество на схеме: 1
Информация
Болт М6-6gх30.88.35.019
Количество
1
Примечание
ГОСТ 7798-70
  • Грузовые автомобили
  • Автобусы
  • Сельхозтехника
  • Спецтехника
  • Двигатели
Получить оптовый прайс-лист
Скачать прайс-лист от 07.05.2026 16:00
Специальное предложение от 07.05.2026 17:00
Производители:


  • WEICHAI
  • Автодизель ПАО (ЯМЗ)
  • Тутаевский МЗ
  • ЯЗДА
  • УралАЗ
  • МАЗ
  • АЗПИ
  • BOSCH
  • ММЗ
  • ШААЗ
  • FEDERAL MOGUL
  • ПРАМО
  • Мотордеталь
  • ТАИМ
  • АвтоКрАЗ
  • БЕЛКАРД
  • CZ Strakonice
  • КамАЗ
  • БЗА
  • ЧМЗ
  • BMZ
Новости
Все новости
25 марта 2024
Флагманский седельный тягач «Валдай 45» на выставке «TransRussia»
10 марта 2024
Современные автобусы «CITYMAX 9» и ЛиАЗ-5292 CNG
25 февраля 2024
Серийное производство средних дизельных двигателей повышенной мощности от ЯМЗ
Статьи
Все статьи
Датчики двигателя: за что они отвечают, признаки неисправности и как не прогадать с выбором
Двигатели ЯМЗ-534: история, технические характеристики и области применения
Двигатели ЯМЗ 650: углублённый технический обзор и история
Компания
О компании
Реквизиты
Новости
Политика
Магазины
Информация
Условия оплаты
Условия доставки
Гарантия на товар
Обмен и возврат товара
Помощь
Как оформить заказ
Полезные статьи
Бренды
Пункты выдачи
Оставайтесь на связи
  • Вконтакте
  • YouTube
  • Одноклассники
  • Google Plus
Увидели ошибку?
Выделите, нажав Ctrl + Enter
Наши контакты
8-800-700-35-68
sales@din76.ru
г. Ярославль, Ленинградский пр-т 33, ТЦ "ОМЕГА"
2026 © ООО «Динамика 76» - Все права защищены ООО "Динамика 76"
Предложения на сайте не являются публичной офертой.
На сайте обнаружена ошибка

Текст с ошибкой