Избранное 0 Корзина 0 Личный кабинет
logo
Каталог
Каталог
  • Справочник
    • Грузовые автомобили
    • Автобусы
    • Сельхозтехника
    • Спецтехника
    • Двигатели
  • Доставка
  • Оплата
  • О компании
    • Реквизиты
    • Магазины
    • Оплата
    • Доставка
    • Лицензии и сертификаты
    • Новости
    • Вакансии
  • Контакты
Отправить заявку
Личный кабинет
8 (800) 700-35-68
sales@din76.ru
Избранное 0 Корзина 0
8 (800) 700-35-68
Оптовый прайс-лист
Каталог
  • Двигатели
  • Запчасти WEICHAI
  • Запчасти ЯМЗ, ТМЗ (V-образные)
  • Запчасти ЯМЗ-534, ЯМЗ-536
  • Запчасти ЯМЗ-650, ЯМЗ-651, DCi-11
  • Топливная аппаратура
  • Запчасти УРАЛ
  • Запчасти МАЗ
  • Запчасти КамАЗ
  • Запчасти ММЗ
  • Ремни
Автокаталог (справочник)
  • Доставка
  • Оплата
  • О компании
  • Контакты
8 (800) 700-35-68
Написать в Whatsapp
sales@din76.ru
Динамика 76
Меню  
  • Каталог
    • Двигатели  
      • Двигатели ТМЗ  
        • Двигатели ТМЗ для автомобилей
        • Двигатели ТМЗ для тракторов
        • Специальные двигатели ТМЗ
        • Промышленные двигатели ТМЗ
      • Двигатели ЯМЗ  
        • ЯМЗ 236
        • ЯМЗ 238
        • ЯМЗ 240
        • ЯМЗ 751
        • ЯМЗ 840
        • ЯМЗ 850
        • ЯМЗ 656
        • ЯМЗ 658
        • ЯМЗ 534
        • ЯМЗ 536
        • ЯМЗ 650
        • Двигатели ЯМЗ для электростанций
      • Двигатели КАМАЗ
      • Двигатели ММЗ
      • Двигатели индивидуальной сборки
      • Комплекты переоборудования
    • Запчасти WEICHAI  
      • Основные запчасти двигателя  
        • Клапаны и толкатели
        • Шатуны
        • Вал коленчатый и маховик
        • Вал распределительный
        • Цилиндро-поршневая группа
      • Система питания  
        • Форсунки
        • Турбокомпрессор
      • Система смазки  
        • Насос масляный
      • Головка блока
      • Ремкомплекты
      • Система охлаждения  
        • Насос водяной
        • Муфта вязкостная и крыльчатка
      • Фильтры
      • Электрооборудование  
        • Генератор
        • Стартер
    • Запчасти ЯМЗ, ТМЗ (V-образные)  
      • Основные запчасти двигателя  
        • Блок двигателя и комплектующие
        • Валы распределительные и клапаны
        • Головка блока и комплектующие
        • Цилиндро-поршневая группа
        • Маховики и комплектующие
        • Валы коленчатые и комплектующие
        • Шатуны и комплектующие
      • Система питания  
        • Коллекторы и патрубки
        • Топливные трубопроводы
        • Турбокомпрессор
        • Топливные фильтры
      • Электрооборудование двигателя
      • Система охлаждения  
        • Вязкостные муфты и крыльчатки
        • Приводы вентилятора
        • Водяные насосы
        • Водяные трубы и термостаты
      • Коробки переключения передач  
        • 8 Ступенчатые КПП
        • 5 Ступенчатые КПП
        • 9 Ступенчатые КПП
        • Запасные части КПП ЯМЗ, ТМЗ
      • Система смазки  
        • Теплообменник и комплектующие
        • Масляные насосы
        • Фильтры масляные (ФГОМ, ФЦОМ)
      • Сцепление  
        • Запасные части механизма сцепления
        • Муфты (подшипники выжимные)
        • Корзины (диски нажимные)
        • Диски ведомые
      • Прочие запчасти двигателя  
        • Ремкомплекты
        • Привод агрегатов
        • Натяжные устройства
        • Трубки
    • Запчасти ЯМЗ-534, ЯМЗ-536  
      • Основные запчасти двигателя  
        • Цилиндро-поршневая группа
        • Головка блока цилиндров и комплектующие
        • Блок цилиндров и комплектующие
        • Вал коленчатый и маховик
        • Вал распределительный
        • Клапаны и толкатели
        • ГУР (Гидроусилитель руля)
        • Система рециркуляции отработавших газов
        • Выпускной коллектор
      • Система питания  
        • Коллекторы и патрубки
        • Топливные фильтры
        • Турбокомпрессор
        • Топливные трубопроводы
      • Система смазки  
        • Масляный картер поддон
        • Масляный насос
        • Теплообменник /Водо-масляный радиатор
        • Фильтры масляные (ФГОМ, ФЦОМ)
      • Пневмокомпрессор и натяжное
      • Система охлаждения  
        • Водяной насос
        • Водяные трубы и патрубки
        • Муфты вязкостные, приводы, крыльчатки
      • Ремкомплекты
      • Сцепление
      • Электрооборудование
    • Запчасти ЯМЗ-650, ЯМЗ-651, DCi-11  
      • Основные запчасти двигателя  
        • Цилиндро-поршневая группа
        • Головка блока цилиндров и комплектующие
        • Блок цилиндров и комплектующие
        • Вал коленчатый и маховик
        • Выпускной коллектор
        • Вал распределительный
        • Клапаны и толкатели
        • ГУР (Гидроусилитель руля)
        • Система рециркуляции отработавших газов
      • Система питания  
        • Коллекторы и патрубки
        • Топливные трубопроводы
        • Топливные фильтры
        • Турбокомпрессор
      • Система смазки  
        • Масляный картер / поддон
        • Масляный насос
        • Теплообменник / Водо-масляный радиатор
        • Фильтры масляные (ФГОМ, ФЦОМ)
      • Система охлаждения  
        • Водяной насос
        • Водяные трубы и патрубки
        • Муфты вязкостные, приводы, крыльчатки
      • Ремкомплекты
      • Пневмокомпрессор и натяжное
      • Электрооборудование
      • Сцепление
    • Топливная аппаратура  
      • ЯЗДА  
        • Распылители
        • ТНВД
        • Форсунки
        • Топливный насос низкого давления
        • Пары плунжерные
        • Муфта опережения впрыска топлива
        • Запчасти и комплектующие ТНВД
      • НЗТА
      • АЗПИ  
        • Распылители
        • Форсунки
      • BOSCH
    • Запчасти УРАЛ  
      • Трансмиссия  
        • Коробка раздаточная
        • Передача карданная
        • Мост задний
        • Мост передний (ведущий)
        • Мост средний (промежуточный)
      • Кузов  
        • Дверь кабины
        • Капот, крылья, облицовка радиатора
        • Окно ветровое и заднее
        • Отопление и вентиляция кабины
        • Кабина
      • Механизмы управления  
        • Управление рулевое
        • Тормоза
      • Дополнительное оборудование  
        • Отбор мощности
        • Устройство седельное
      • Электрооборудование
      • Ходовая часть  
        • Колеса и ступицы
        • Ось передняя
        • Подвеска автомобиля
        • Рама
    • Запчасти МАЗ  
      • Трансмиссия  
        • Мост задний
        • Мост передний (ведущий)
        • Передача карданная
        • Мост средний (промежуточный)
      • Кузов  
        • Кабина
        • Дверь кабины
        • Детали основания кабины
        • Окно ветровое и заднее
        • Платформа
      • Механизмы управления  
        • Тормоза
        • Управление рулевое
      • Ходовая часть  
        • Колеса и ступицы
        • Ось передняя
        • Подвеска автомобиля
        • Рама
    • Запчасти КамАЗ  
      • Кузов  
        • Кабина
        • Капот, крылья, облицовка радиатора
        • Дверь кабины
        • Платформа
        • Окно ветровое и заднее
        • Устройство подъемное и опрокидывающее
        • Сиденье
        • Крыша кабины (крыша кузова)
        • Отопление и вентиляция кабины
      • Трансмиссия  
        • Коробка передач
        • Коробка раздаточная
        • Мост задний
        • Сцепление
        • Мост средний (промежуточный)
        • Передача карданная
        • Мост передний (ведущий)
      • Двигатель  
        • Основные запчасти двигателя
        • Система охлаждения
        • Система питания
        • Система смазки
      • Дополнительное оборудование  
        • Отбор мощности
        • Устройство седельное
      • Ходовая часть  
        • Подвеска автомобиля
        • Рама
        • Колеса и ступицы
        • Ось передняя
      • Механизмы управления  
        • Тормоза
        • Управление рулевое
      • Электрооборудование
    • Запчасти ММЗ
    • Ремни
  • Справочник
    • Грузовые автомобили
    • Автобусы
    • Сельхозтехника
    • Спецтехника
    • Двигатели
  • Как купить
    • Условия оплаты
    • Условия доставки
    • Гарантия на товар
    • Пункты выдачи
  • Услуги
    • Капитальный ремонт двигателей ЯМЗ
  • Акции
  • Статьи
  • Контакты
  • Компания
    • Реквизиты
    • Магазины
    • Оплата
    • Доставка
    • Лицензии и сертификаты
    • Новости
    • Вакансии
Избранное 0 Корзина 0
8-800-700-35-68

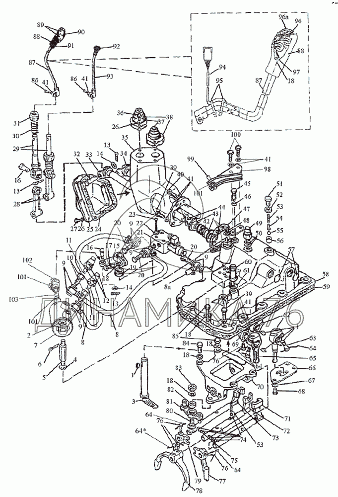
Механизм управления коробкой передач на МТЗ-1523.4 (до 2010 г.)

Справочник
Главная
-
Автокаталог
-
Сельхозтехника
-
МТЗ
-
МТЗ-1523.4
Справочный каталог

Механизм управления коробкой передач — МТЗ-1523.4:

1222-1702010-01 1 1 2 3 4 5 6 7 8 8 8 8 9 9 9 9 9 10 11 11 12 13 13 13 14 14 15 16 16 17 18 18 18 18 18 18 19 20 20 20 21 22 23 24 25 26 26 27 28 29 30 31 32 33 34 35 36 37 38 39 39 40 41 41 41 41 41 42 43 44 45 46 47 48 49 50 51 52 53 53 54 55 56 57 58 59 60 61 62 63 64 64 64 64 64 65 66 67 68 69 70 70 71 72 73 74 75 76 76 76 77 78 79 80 81 82 83 84 85 86 86 87 87 88 88 89 90 91 92 93 94 95 96 96 96 97 98 99 100 101 101 101 102 103
в наличии
нет в наличии
масштаб

В наличии
Нет в наличии

Перечень комплектующих от Механизм управления коробкой передач на МТЗ-1523.4

Схемы запчастей предназначены для справочных целей! Мы продаем не все запчасти от Механизм управления коробкой передач на МТЗ-1523.4, представленные в этом списке.
Наличие на складах по деталям с ценой смотрите в карточке товара.
Артикул: 1222-1702010-01
нет в наличии
Механизм управления коробкой передач
Количество на схеме: 1
Информация
Механизм управления коробкой передач
Количество
1
Модель
1222
Группа
Коробка передач
Подгруппа
Механизм переключения передач
Порядковый номер детали
010
1
1
Артикул: 6x10
нет в наличии
Шпонка
Количество на схеме: 4
Информация
Шпонка
Количество
4
2
2
Артикул: ШЧ16
нет в наличии
Шайба
Количество на схеме: 1
Информация
Шайба
Количество
1
3
3
Артикул: 1222-1702093
нет в наличии
Рычаг
Количество на схеме: 1
Информация
Рычаг
Количество
1
Модель
1222
Группа
Коробка передач
Подгруппа
Механизм переключения передач
Порядковый номер детали
093
4
4
Артикул: ШП16
нет в наличии
Шайба
Количество на схеме: 1
Информация
Шайба
Количество
1
5
5
Артикул: 1222-1702096
нет в наличии
Ось
Количество на схеме: 1
Информация
Ось
Количество
1
Модель
1222
Группа
Коробка передач
Подгруппа
Механизм переключения передач
Порядковый номер детали
096
6
6
Артикул: 3,2x25
нет в наличии
Шплинт
Количество на схеме: 1
Информация
Шплинт
Количество
1
7
7
Артикул: 2102-4216110-Б
нет в наличии
Цилиндр
Количество на схеме: 1
Информация
Цилиндр
Количество
1
Модель
2102
Группа
Спецоборудование
Подгруппа
Управление коробкой отбора мощности
Порядковый номер детали
110
8
8
Артикул: 1222-1702130
нет в наличии
Маслопровод
Количество на схеме: 2
Информация
Маслопровод
Количество
2
Модель
1222
Группа
Коробка передач
Подгруппа
Механизм переключения передач
Порядковый номер детали
130
8
8
Артикул: 1222-1702130-01
нет в наличии
Маслопровод
Количество на схеме: 1
Информация
Маслопровод
Количество
1
Модель
1222
Группа
Коробка передач
Подгруппа
Механизм переключения передач
Порядковый номер детали
130
9
9
Артикул: Д18-055-А
в наличии
Шайба
Количество на схеме: 10
Информация
Шайба
Количество
10
Кольцо Д-245 уплотнительное d=14мм медь ММЗ
Артикул: Д18-055-А
Кольцо Д-245 уплотнительное d=14мм медь ММЗ
Код для заказа: 00033464
Цена: 38 ₽/шт.
Под заказ
Кольцо Д-245 уплотнительное d=14мм медь ММЗ
Артикул: Д18-055-А
Код для заказа: 00033464
Кольцо Д-245 уплотнительное d=14мм медь ММЗ
Цена: 38 ₽/шт.
Под заказ
10
10
Артикул: 1222-1702114
нет в наличии
Штуцер
Количество на схеме: 2
Информация
Штуцер
Количество
2
Модель
1222
Группа
Коробка передач
Подгруппа
Механизм переключения передач
Порядковый номер детали
114
11
11
Артикул: 009-012-19-1-4
нет в наличии
Кольцо
Количество на схеме: 2
Информация
Кольцо
Количество
2
12
12
Артикул: ДСДМ-М
в наличии
Датчик сигнализатора давления
Количество на схеме: 2
Информация
Датчик сигнализатора давления
Количество
2
Датчик сигнализатора МАЗ давления масла 24V ЭКРАН
Артикул: ДСДМ-М
Датчик сигнализатора МАЗ давления масла 24V ЭКРАН
Код для заказа: 00029245
Цена: 1 169 ₽/шт.
Под заказ
Датчик сигнализатора МАЗ давления масла 24V ЭКРАН
Артикул: ДСДМ-М
Код для заказа: 00029245
Датчик сигнализатора МАЗ давления масла 24V ЭКРАН
Цена: 1 169 ₽/шт.
Под заказ
13
13
Артикул: 3,2x18
нет в наличии
Шплинт
Количество на схеме: 5
Информация
Шплинт
Количество
5
14
14
Артикул: 85-4619014
нет в наличии
Шайба
Количество на схеме: 3
Информация
Шайба
Количество
3
Модель
85
Подгруппа
4619
Порядковый номер детали
014
15
15
Артикул: 1222-1702092
нет в наличии
Рычаг
Количество на схеме: 1
Информация
Рычаг
Количество
1
Модель
1222
Группа
Коробка передач
Подгруппа
Механизм переключения передач
Порядковый номер детали
092
16
16
Артикул: 12x32
нет в наличии
Палец
Количество на схеме: 3
Информация
Палец
Количество
3
17
17
Артикул: М12x35
нет в наличии
Болт
Количество на схеме: 1
Информация
Болт
Количество
1
18
18
Артикул: ШП12
нет в наличии
Шайба
Количество на схеме: 8
Информация
Шайба
Количество
8
19
19
Артикул: 2-2-25x42-1
нет в наличии
Манжета
Количество на схеме: 1
Информация
Манжета
Количество
1
20
20
Артикул: Д18-051
нет в наличии
Болт
Количество на схеме: 3
Информация
Болт
Количество
3
21
21
Артикул: RH-06101-012/00GA-AMP
нет в наличии
Гидрораспределитель
Количество на схеме: 1
Информация
Гидрораспределитель
Количество
1
22
22
Артикул: ШП5
нет в наличии
Шайба
Количество на схеме: 4
Информация
Шайба
Количество
4
23
23
Артикул: В-М5х50
нет в наличии
Винт
Количество на схеме: 4
Информация
Винт
Количество
4
24
24
Артикул: 80-1702068
нет в наличии
Прокладка
Количество на схеме: 1
Информация
Прокладка
Количество
1
Модель
80
Группа
Коробка передач
Подгруппа
Механизм переключения передач
Порядковый номер детали
068
25
25
Артикул: 80-1702067
нет в наличии
Крышка
Количество на схеме: 1
Информация
Крышка
Количество
1
Модель
80
Группа
Коробка передач
Подгруппа
Механизм переключения передач
Порядковый номер детали
067
26
26
Артикул: ШП6
нет в наличии
Шайба
Количество на схеме: 11
Информация
Шайба
Количество
11
27
27
Артикул: М6х16
нет в наличии
Винт
Количество на схеме: 7
Информация
Винт
Количество
7
28
28
Артикул: 80С-1702073
нет в наличии
Рычаг
Количество на схеме: 2
Информация
Рычаг
Количество
2
Модель
80С
Группа
Коробка передач
Подгруппа
Механизм переключения передач
Порядковый номер детали
073
29
29
Артикул: 80С-1702074
нет в наличии
Вилка
Количество на схеме: 2
Информация
Вилка
Количество
2
Модель
80С
Группа
Коробка передач
Подгруппа
Механизм переключения передач
Порядковый номер детали
074
30
30
Артикул: 77-37-117
нет в наличии
Пружина
Количество на схеме: 2
Информация
Пружина
Количество
2
31
31
Артикул: 142-1702032
нет в наличии
Сфера
Количество на схеме: 2
Информация
Сфера
Количество
2
Модель
142
Группа
Коробка передач
Подгруппа
Механизм переключения передач
Порядковый номер детали
032
32
32
Артикул: 12x55
нет в наличии
Палец
Количество на схеме: 2
Информация
Палец
Количество
2
33
33
Артикул: 1222-1702070
нет в наличии
Вал
Количество на схеме: 1
Информация
Вал
Количество
1
Модель
1222
Группа
Коробка передач
Подгруппа
Механизм переключения передач
Порядковый номер детали
070
34
34
Артикул: 80С-1702060
нет в наличии
Вал
Количество на схеме: 1
Информация
Вал
Количество
1
Модель
80С
Группа
Коробка передач
Подгруппа
Механизм переключения передач
Порядковый номер детали
060
35
35
Артикул: 80-1702078-А
нет в наличии
Корпус
Количество на схеме: 1
Информация
Корпус
Количество
1
Модель
80
Группа
Коробка передач
Подгруппа
Механизм переключения передач
Порядковый номер детали
078
36
36
Артикул: М6х20
нет в наличии
Винт
Количество на схеме: 4
Информация
Винт
Количество
4
37
37
Артикул: 55-47-569-А
нет в наличии
Чехол
Количество на схеме: 2
Информация
Чехол
Количество
2
38
38
Артикул: 80С-1702075
нет в наличии
Шайба
Количество на схеме: 2
Информация
Шайба
Количество
2
Модель
80С
Группа
Коробка передач
Подгруппа
Механизм переключения передач
Порядковый номер детали
075
39
39
Артикул: М10x35
нет в наличии
Болт
Количество на схеме: 14
Информация
Болт
Количество
14
40
40
Артикул: М10x40
нет в наличии
Болт
Количество на схеме: 2
Информация
Болт
Количество
2
41
41
Артикул: ШП10
нет в наличии
Шайба
Количество на схеме: 20
Информация
Шайба
Количество
20
42
42
Артикул: 80-4608057
нет в наличии
Пружина
Количество на схеме: 1
Информация
Пружина
Количество
1
Модель
80
Подгруппа
4608
Порядковый номер детали
057
43
43
Артикул: 1222-1702064
нет в наличии
Втулка
Количество на схеме: 2
Информация
Втулка
Количество
2
Модель
1222
Группа
Коробка передач
Подгруппа
Механизм переключения передач
Порядковый номер детали
064
44
44
Артикул: С25
нет в наличии
Кольцо
Количество на схеме: 2
Информация
Кольцо
Количество
2
45
45
Артикул: 1222-1702048
нет в наличии
Винт
Количество на схеме: 1
Информация
Винт
Количество
1
Модель
1222
Группа
Коробка передач
Подгруппа
Механизм переключения передач
Порядковый номер детали
048
46
46
Артикул: 85-1702051
нет в наличии
Шайба
Количество на схеме: 1
Информация
Шайба
Количество
1
Модель
85
Группа
Коробка передач
Подгруппа
Механизм переключения передач
Порядковый номер детали
051
47
47
Артикул: 80С-1702066
нет в наличии
Прокладка
Количество на схеме: 1
Информация
Прокладка
Количество
1
Модель
80С
Группа
Коробка передач
Подгруппа
Механизм переключения передач
Порядковый номер детали
066
48
48
Артикул: 8x16
нет в наличии
Штифт
Количество на схеме: 2
Информация
Штифт
Количество
2
49
49
Артикул: ВК-12-41
нет в наличии
Выключатель
Количество на схеме: 1
Информация
Выключатель
Количество
1
50
50
Артикул: 50-1702048
нет в наличии
Прокладка
Количество на схеме: 10
Информация
Прокладка
Количество
10
Модель
50
Группа
Коробка передач
Подгруппа
Механизм переключения передач
Порядковый номер детали
048
51
51
Артикул: 70-1703204
нет в наличии
Болт
Количество на схеме: 1
Информация
Болт
Количество
1
Модель
70
Группа
Коробка передач
Подгруппа
Механизм управления КПП
Порядковый номер детали
204
52
52
Артикул: М16
нет в наличии
Гайка
Количество на схеме: 1
Информация
Гайка
Количество
1
53
53
Артикул: 50-1702148-А
нет в наличии
Пружина фиксатора
Количество на схеме: 2
Информация
Пружина фиксатора
Количество
2
Модель
50
Группа
Коробка передач
Подгруппа
Механизм переключения передач
Порядковый номер детали
148
54
54
Артикул: 80-1704039
нет в наличии
Направляющая
Количество на схеме: 1
Информация
Направляющая
Количество
1
Модель
80
Группа
Коробка передач
Подгруппа
1704
Порядковый номер детали
039
55
55
Артикул: 10,0-60
нет в наличии
Шарик ГОСТ 3722-81
Количество на схеме: 1
Информация
Шарик ГОСТ 3722-81
Количество
1
56
56
Артикул: 70-1703013
нет в наличии
Втулка
Количество на схеме: 1
Информация
Втулка
Количество
1
Модель
70
Группа
Коробка передач
Подгруппа
Механизм управления КПП
Порядковый номер детали
013
57
57
Артикул: 28-10
нет в наличии
Заглушка
Количество на схеме: 2
Информация
Заглушка
Количество
2
58
58
Артикул: 1222-1702030
нет в наличии
Крышка
Количество на схеме: 1
Информация
Крышка
Количество
1
Модель
1222
Группа
Коробка передач
Подгруппа
Механизм переключения передач
Порядковый номер детали
030
59
59
Артикул: 85-1702026
нет в наличии
Прокладка
Количество на схеме: 1
Информация
Прокладка
Количество
1
Модель
85
Группа
Коробка передач
Подгруппа
Механизм переключения передач
Порядковый номер детали
026
60
60
Артикул: 85-1702270
нет в наличии
Сапун
Количество на схеме: 1
Информация
Сапун
Количество
1
Модель
85
Группа
Коробка передач
Подгруппа
Механизм переключения передач
Порядковый номер детали
270
61
61
Артикул: В50-3522023
нет в наличии
Прокладка
Количество на схеме: 1
Информация
Прокладка
Количество
1
Модель
В50
Группа
Тормоза
Подгруппа
Клапаны управления тормозами прицепа
Порядковый номер детали
023
62
62
Артикул: 85-1702055
нет в наличии
Рычаг
Количество на схеме: 2
Информация
Рычаг
Количество
2
Модель
85
Группа
Коробка передач
Подгруппа
Механизм переключения передач
Порядковый номер детали
055
63
63
Артикул: 80-1702108
нет в наличии
Болт
Количество на схеме: 3
Информация
Болт
Количество
3
Модель
80
Группа
Коробка передач
Подгруппа
Механизм переключения передач
Порядковый номер детали
108
64
64
Артикул: 1,6-О-С
нет в наличии
Проволока
Количество на схеме: ;
Информация
Проволока
Количество
;
65
65
Артикул: 1222-1702055
нет в наличии
Рычаг
Количество на схеме: 1
Информация
Рычаг
Количество
1
Модель
1222
Группа
Коробка передач
Подгруппа
Механизм переключения передач
Порядковый номер детали
055
66
66
Артикул: 1222-1702052
нет в наличии
Кулиса
Количество на схеме: 1
Информация
Кулиса
Количество
1
Модель
1222
Группа
Коробка передач
Подгруппа
Механизм переключения передач
Порядковый номер детали
052
67
67
Артикул: 80-3401013
нет в наличии
Шайба
Количество на схеме: 3
Информация
Шайба
Количество
3
Модель
80
Группа
Управление рулевое
Подгруппа
Управление рулевое (механизм рулевого управления)
Порядковый номер детали
013
68
68
Артикул: М10х20
нет в наличии
Болт
Количество на схеме: 3
Информация
Болт
Количество
3
69
69
Артикул: 1222-1702074
нет в наличии
Втулка
Количество на схеме: 1
Информация
Втулка
Количество
1
Модель
1222
Группа
Коробка передач
Подгруппа
Механизм переключения передач
Порядковый номер детали
074
70
70
Артикул: 1222-1702080
нет в наличии
Корпус вилок
Количество на схеме: 1
Информация
Корпус вилок
Количество
1
Модель
1222
Группа
Коробка передач
Подгруппа
Механизм переключения передач
Порядковый номер детали
080
70
70
Артикул: 1222-1702081
нет в наличии
Корпус вилок
Количество на схеме: 1
Информация
Корпус вилок
Количество
1
Модель
1222
Группа
Коробка передач
Подгруппа
Механизм переключения передач
Порядковый номер детали
081
71
71
Артикул: 1222-1702084
нет в наличии
Поводок
Количество на схеме: 1
Информация
Поводок
Количество
1
Модель
1222
Группа
Коробка передач
Подгруппа
Механизм переключения передач
Порядковый номер детали
084
72
72
Артикул: 1222-1702086
нет в наличии
Поводок
Количество на схеме: 1
Информация
Поводок
Количество
1
Модель
1222
Группа
Коробка передач
Подгруппа
Механизм переключения передач
Порядковый номер детали
086
73
73
Артикул: 1222-1702083
нет в наличии
Поводок
Количество на схеме: 1
Информация
Поводок
Количество
1
Модель
1222
Группа
Коробка передач
Подгруппа
Механизм переключения передач
Порядковый номер детали
083
74
74
Артикул: 9,922-100
нет в наличии
Шарик
Количество на схеме: 5
Информация
Шарик
Количество
5
75
75
Артикул: 85-1702301
нет в наличии
Ось
Количество на схеме: 1
Информация
Ось
Количество
1
Модель
85
Группа
Коробка передач
Подгруппа
Механизм переключения передач
Порядковый номер детали
301
76
76
Артикул: 220-1702061
нет в наличии
Болт
Количество на схеме: 5
Информация
Болт
Количество
5
Модель
220
Группа
Коробка передач
Подгруппа
Механизм переключения передач
Порядковый номер детали
061
77
77
Артикул: 1222-1702109
нет в наличии
Поводок
Количество на схеме: 1
Информация
Поводок
Количество
1
Модель
1222
Группа
Коробка передач
Подгруппа
Механизм переключения передач
Порядковый номер детали
109
78
78
Артикул: 1222-1702091
нет в наличии
Вилка
Количество на схеме: 1
Информация
Вилка
Количество
1
Модель
1222
Группа
Коробка передач
Подгруппа
Механизм переключения передач
Порядковый номер детали
091
79
79
Артикул: 1222-1702107
нет в наличии
Ограничитель
Количество на схеме: 1
Информация
Ограничитель
Количество
1
Модель
1222
Группа
Коробка передач
Подгруппа
Механизм переключения передач
Порядковый номер детали
107
80
80
Артикул: 1222-1702112
нет в наличии
Ось
Количество на схеме: 1
Информация
Ось
Количество
1
Модель
1222
Группа
Коробка передач
Подгруппа
Механизм переключения передач
Порядковый номер детали
112
81
81
Артикул: 1222-1702105
нет в наличии
Коромысло
Количество на схеме: 1
Информация
Коромысло
Количество
1
Модель
1222
Группа
Коробка передач
Подгруппа
Механизм переключения передач
Порядковый номер детали
105
82
82
Артикул: 941/20
нет в наличии
Подшипник
Количество на схеме: 1
Информация
Подшипник
Количество
1
83
83
Артикул: М12
нет в наличии
Гайка
Количество на схеме: 1
Информация
Гайка
Количество
1
84
84
Артикул: М12x30
нет в наличии
Болт
Количество на схеме: 2
Информация
Болт
Количество
2
85
85
Артикул: 50-1702092
нет в наличии
Болт призонный М12х42
Количество на схеме: 4
Информация
Болт призонный М12х42
Количество
4
Модель
50
Группа
Коробка передач
Подгруппа
Механизм переключения передач
Порядковый номер детали
092
86
86
Артикул: М10х30
нет в наличии
Болт
Количество на схеме: 2
Информация
Болт
Количество
2
87
87
Артикул: 1222-1702610-А1
нет в наличии
Рычаг
Количество на схеме: 1
Информация
Рычаг
Количество
1
Модель
1222
Группа
Коробка передач
Подгруппа
Механизм переключения передач
Порядковый номер детали
610
88
88
Артикул: 75-1702505
нет в наличии
Рукоятка
Количество на схеме: 1
Информация
Рукоятка
Количество
1
Модель
75
Группа
Коробка передач
Подгруппа
Механизм переключения передач
Порядковый номер детали
505
89
89
Артикул: ВК12-1
нет в наличии
Выключатель
Количество на схеме: 2
Информация
Выключатель
Количество
2
90
90
Артикул: 4x30
нет в наличии
Винт
Количество на схеме: 4
Информация
Винт
Количество
4
Примечание
ГОСТ 10621-80
91
91
Артикул: 75-1702502
нет в наличии
Крышка
Количество на схеме: 1
Информация
Крышка
Количество
1
Модель
75
Группа
Коробка передач
Подгруппа
Механизм переключения передач
Порядковый номер детали
502
92
92
Артикул: А15-05-020
нет в наличии
Рукоятка
Количество на схеме: 1
Информация
Рукоятка
Количество
1
93
93
Артикул: 2022-1702500-А
нет в наличии
Рычаг
Количество на схеме: 1
Информация
Рычаг
Количество
1
Модель
2022
Группа
Коробка передач
Подгруппа
Механизм переключения передач
Порядковый номер детали
500
94
94
Артикул: 1221-3724925-А
нет в наличии
Жгут
Количество на схеме: 1
Информация
Жгут
Количество
1
Модель
1221
Группа
Электрооборудование
Подгруппа
Электропровода
Порядковый номер детали
925
95
95
Артикул: 80-3723045
нет в наличии
Манжета
Количество на схеме: 2
Информация
Манжета
Количество
2
Модель
80
Группа
Электрооборудование
Подгруппа
Соединители электропроводов
Порядковый номер детали
045
96
96
Артикул: АЛ-307-KM-АО-336-076-ТУ
нет в наличии
Светодиод
Количество на схеме: 1
Информация
Светодиод
Количество
1
Примечание
красный
96
96
Артикул: АЛ-307ЧМ-АО-336-076-ТУ
нет в наличии
Светодиод
Количество на схеме: 1
Информация
Светодиод
Количество
1
Примечание
желтый
97
97
Артикул: М12х1,25-6Н-6-019
нет в наличии
Гайка
Количество на схеме: 1
Информация
Гайка
Количество
1
Примечание
ГОСТ 5915-70
98
98
Артикул: 2022-1702090
нет в наличии
Кронштейн
Количество на схеме: 1
Информация
Кронштейн
Количество
1
Модель
2022
Группа
Коробка передач
Подгруппа
Механизм переключения передач
Порядковый номер детали
090
99
99
Артикул: 2022-1702093
нет в наличии
Болт
Количество на схеме: 1
Информация
Болт
Количество
1
Модель
2022
Группа
Коробка передач
Подгруппа
Механизм переключения передач
Порядковый номер детали
093
100
100
Артикул: М10x25
нет в наличии
Болт
Количество на схеме: 2
Информация
Болт
Количество
2
101
101
Артикул: М10
нет в наличии
Гайка
Количество на схеме: 3
Информация
Гайка
Количество
3
102
102
Артикул: 822-3502203
нет в наличии
Вилка
Количество на схеме: 1
Информация
Вилка
Количество
1
Модель
822
Группа
Тормоза
Подгруппа
Тормоза рабочие задние ножные и тормозные барабаны
Порядковый номер детали
203
103
103
Артикул: 2022-1702094
нет в наличии
Шпилька
Количество на схеме: 1
Информация
Шпилька
Количество
1
Модель
2022
Группа
Коробка передач
Подгруппа
Механизм переключения передач
Порядковый номер детали
094
  • Грузовые автомобили
  • Автобусы
  • Сельхозтехника
  • Спецтехника
  • Двигатели
Получить оптовый прайс-лист
Скачать прайс-лист от 07.05.2026 16:00
Специальное предложение от 07.05.2026 17:00
Производители:


  • WEICHAI
  • Автодизель ПАО (ЯМЗ)
  • Тутаевский МЗ
  • ЯЗДА
  • УралАЗ
  • МАЗ
  • АЗПИ
  • BOSCH
  • ММЗ
  • ШААЗ
  • FEDERAL MOGUL
  • ПРАМО
  • Мотордеталь
  • ТАИМ
  • АвтоКрАЗ
  • БЕЛКАРД
  • CZ Strakonice
  • КамАЗ
  • БЗА
  • ЧМЗ
  • BMZ
Новости
Все новости
25 марта 2024
Флагманский седельный тягач «Валдай 45» на выставке «TransRussia»
10 марта 2024
Современные автобусы «CITYMAX 9» и ЛиАЗ-5292 CNG
25 февраля 2024
Серийное производство средних дизельных двигателей повышенной мощности от ЯМЗ
Статьи
Все статьи
Датчики двигателя: за что они отвечают, признаки неисправности и как не прогадать с выбором
Двигатели ЯМЗ-534: история, технические характеристики и области применения
Двигатели ЯМЗ 650: углублённый технический обзор и история
Компания
О компании
Реквизиты
Новости
Политика
Магазины
Информация
Условия оплаты
Условия доставки
Гарантия на товар
Обмен и возврат товара
Помощь
Как оформить заказ
Полезные статьи
Бренды
Пункты выдачи
Оставайтесь на связи
  • Вконтакте
  • YouTube
  • Одноклассники
  • Google Plus
Увидели ошибку?
Выделите, нажав Ctrl + Enter
Наши контакты
8-800-700-35-68
sales@din76.ru
г. Ярославль, Ленинградский пр-т 33, ТЦ "ОМЕГА"
2026 © ООО «Динамика 76» - Все права защищены ООО "Динамика 76"
Предложения на сайте не являются публичной офертой.
На сайте обнаружена ошибка

Текст с ошибкой