Избранное 0 Корзина 0 Личный кабинет
logo
Каталог
Каталог
  • Справочник
    • Грузовые автомобили
    • Автобусы
    • Сельхозтехника
    • Спецтехника
    • Двигатели
  • Доставка
  • Оплата
  • О компании
    • Реквизиты
    • Магазины
    • Оплата
    • Доставка
    • Лицензии и сертификаты
    • Новости
    • Вакансии
  • Контакты
Отправить заявку
Личный кабинет
8 (800) 700-35-68
sales@din76.ru
Избранное 0 Корзина 0
8 (800) 700-35-68
Оптовый прайс-лист
Каталог
  • Двигатели
  • Запчасти WEICHAI
  • Запчасти ЯМЗ, ТМЗ (V-образные)
  • Запчасти ЯМЗ-534, ЯМЗ-536
  • Запчасти ЯМЗ-650, ЯМЗ-651, DCi-11
  • Топливная аппаратура
  • Запчасти УРАЛ
  • Запчасти МАЗ
  • Запчасти КамАЗ
  • Запчасти ММЗ
  • Ремни
Автокаталог (справочник)
  • Доставка
  • Оплата
  • О компании
  • Контакты
8 (800) 700-35-68
Написать в Whatsapp
sales@din76.ru
Динамика 76
Меню  
  • Каталог
    • Двигатели  
      • Двигатели ТМЗ  
        • Двигатели ТМЗ для автомобилей
        • Двигатели ТМЗ для тракторов
        • Специальные двигатели ТМЗ
        • Промышленные двигатели ТМЗ
      • Двигатели ЯМЗ  
        • ЯМЗ 236
        • ЯМЗ 238
        • ЯМЗ 240
        • ЯМЗ 751
        • ЯМЗ 840
        • ЯМЗ 850
        • ЯМЗ 656
        • ЯМЗ 658
        • ЯМЗ 534
        • ЯМЗ 536
        • ЯМЗ 650
        • Двигатели ЯМЗ для электростанций
      • Двигатели КАМАЗ
      • Двигатели ММЗ
      • Двигатели индивидуальной сборки
      • Комплекты переоборудования
    • Запчасти WEICHAI  
      • Основные запчасти двигателя  
        • Клапаны и толкатели
        • Шатуны
        • Вал коленчатый и маховик
        • Вал распределительный
        • Цилиндро-поршневая группа
      • Система питания  
        • Форсунки
        • Турбокомпрессор
      • Система смазки  
        • Насос масляный
      • Головка блока
      • Ремкомплекты
      • Система охлаждения  
        • Насос водяной
        • Муфта вязкостная и крыльчатка
      • Фильтры
      • Электрооборудование  
        • Генератор
        • Стартер
    • Запчасти ЯМЗ, ТМЗ (V-образные)  
      • Основные запчасти двигателя  
        • Блок двигателя и комплектующие
        • Валы распределительные и клапаны
        • Головка блока и комплектующие
        • Цилиндро-поршневая группа
        • Маховики и комплектующие
        • Валы коленчатые и комплектующие
        • Шатуны и комплектующие
      • Система питания  
        • Коллекторы и патрубки
        • Топливные трубопроводы
        • Турбокомпрессор
        • Топливные фильтры
      • Электрооборудование двигателя
      • Система охлаждения  
        • Вязкостные муфты и крыльчатки
        • Приводы вентилятора
        • Водяные насосы
        • Водяные трубы и термостаты
      • Коробки переключения передач  
        • 8 Ступенчатые КПП
        • 5 Ступенчатые КПП
        • 9 Ступенчатые КПП
        • Запасные части КПП ЯМЗ, ТМЗ
      • Система смазки  
        • Теплообменник и комплектующие
        • Масляные насосы
        • Фильтры масляные (ФГОМ, ФЦОМ)
      • Сцепление  
        • Запасные части механизма сцепления
        • Муфты (подшипники выжимные)
        • Корзины (диски нажимные)
        • Диски ведомые
      • Прочие запчасти двигателя  
        • Ремкомплекты
        • Привод агрегатов
        • Натяжные устройства
        • Трубки
    • Запчасти ЯМЗ-534, ЯМЗ-536  
      • Основные запчасти двигателя  
        • Цилиндро-поршневая группа
        • Головка блока цилиндров и комплектующие
        • Блок цилиндров и комплектующие
        • Вал коленчатый и маховик
        • Вал распределительный
        • Клапаны и толкатели
        • ГУР (Гидроусилитель руля)
        • Система рециркуляции отработавших газов
        • Выпускной коллектор
      • Система питания  
        • Коллекторы и патрубки
        • Топливные фильтры
        • Турбокомпрессор
        • Топливные трубопроводы
      • Система смазки  
        • Масляный картер поддон
        • Масляный насос
        • Теплообменник /Водо-масляный радиатор
        • Фильтры масляные (ФГОМ, ФЦОМ)
      • Пневмокомпрессор и натяжное
      • Система охлаждения  
        • Водяной насос
        • Водяные трубы и патрубки
        • Муфты вязкостные, приводы, крыльчатки
      • Ремкомплекты
      • Сцепление
      • Электрооборудование
    • Запчасти ЯМЗ-650, ЯМЗ-651, DCi-11  
      • Основные запчасти двигателя  
        • Цилиндро-поршневая группа
        • Головка блока цилиндров и комплектующие
        • Блок цилиндров и комплектующие
        • Вал коленчатый и маховик
        • Выпускной коллектор
        • Вал распределительный
        • Клапаны и толкатели
        • ГУР (Гидроусилитель руля)
        • Система рециркуляции отработавших газов
      • Система питания  
        • Коллекторы и патрубки
        • Топливные трубопроводы
        • Топливные фильтры
        • Турбокомпрессор
      • Система смазки  
        • Масляный картер / поддон
        • Масляный насос
        • Теплообменник / Водо-масляный радиатор
        • Фильтры масляные (ФГОМ, ФЦОМ)
      • Система охлаждения  
        • Водяной насос
        • Водяные трубы и патрубки
        • Муфты вязкостные, приводы, крыльчатки
      • Ремкомплекты
      • Пневмокомпрессор и натяжное
      • Электрооборудование
      • Сцепление
    • Топливная аппаратура  
      • ЯЗДА  
        • Распылители
        • ТНВД
        • Форсунки
        • Топливный насос низкого давления
        • Пары плунжерные
        • Муфта опережения впрыска топлива
        • Запчасти и комплектующие ТНВД
      • НЗТА
      • АЗПИ  
        • Распылители
        • Форсунки
      • BOSCH
    • Запчасти УРАЛ  
      • Трансмиссия  
        • Коробка раздаточная
        • Передача карданная
        • Мост задний
        • Мост передний (ведущий)
        • Мост средний (промежуточный)
      • Кузов  
        • Дверь кабины
        • Капот, крылья, облицовка радиатора
        • Окно ветровое и заднее
        • Отопление и вентиляция кабины
        • Кабина
      • Механизмы управления  
        • Управление рулевое
        • Тормоза
      • Дополнительное оборудование  
        • Отбор мощности
        • Устройство седельное
      • Электрооборудование
      • Ходовая часть  
        • Колеса и ступицы
        • Ось передняя
        • Подвеска автомобиля
        • Рама
    • Запчасти МАЗ  
      • Трансмиссия  
        • Мост задний
        • Мост передний (ведущий)
        • Передача карданная
        • Мост средний (промежуточный)
      • Кузов  
        • Кабина
        • Дверь кабины
        • Детали основания кабины
        • Окно ветровое и заднее
        • Платформа
      • Механизмы управления  
        • Тормоза
        • Управление рулевое
      • Ходовая часть  
        • Колеса и ступицы
        • Ось передняя
        • Подвеска автомобиля
        • Рама
    • Запчасти КамАЗ  
      • Кузов  
        • Кабина
        • Капот, крылья, облицовка радиатора
        • Дверь кабины
        • Платформа
        • Окно ветровое и заднее
        • Устройство подъемное и опрокидывающее
        • Сиденье
        • Крыша кабины (крыша кузова)
        • Отопление и вентиляция кабины
      • Трансмиссия  
        • Коробка передач
        • Коробка раздаточная
        • Мост задний
        • Сцепление
        • Мост средний (промежуточный)
        • Передача карданная
        • Мост передний (ведущий)
      • Двигатель  
        • Основные запчасти двигателя
        • Система охлаждения
        • Система питания
        • Система смазки
      • Дополнительное оборудование  
        • Отбор мощности
        • Устройство седельное
      • Ходовая часть  
        • Подвеска автомобиля
        • Рама
        • Колеса и ступицы
        • Ось передняя
      • Механизмы управления  
        • Тормоза
        • Управление рулевое
      • Электрооборудование
    • Запчасти ММЗ
    • Ремни
  • Справочник
    • Грузовые автомобили
    • Автобусы
    • Сельхозтехника
    • Спецтехника
    • Двигатели
  • Как купить
    • Условия оплаты
    • Условия доставки
    • Гарантия на товар
    • Пункты выдачи
  • Услуги
    • Капитальный ремонт двигателей ЯМЗ
  • Акции
  • Статьи
  • Контакты
  • Компания
    • Реквизиты
    • Магазины
    • Оплата
    • Доставка
    • Лицензии и сертификаты
    • Новости
    • Вакансии
Избранное 0 Корзина 0
8-800-700-35-68

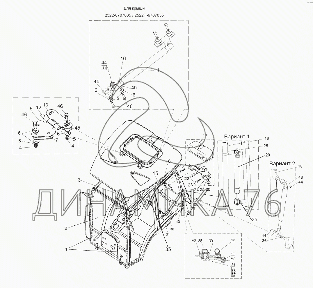
Кабина. Стекла кабины. на МТЗ-1523 (до 2013 г.)

Справочник
Главная
-
Автокаталог
-
Сельхозтехника
-
МТЗ
-
МТЗ-1523
Справочный каталог

Кабина. Стекла кабины. — МТЗ-1523:

1 1 1 1 2 2 2 2 2 2 2 2 3 3 3 3 3 3 3 3 4 4 5 5 5 5 6 6 6 6 7 8 9 10 11 12 13 15 16 17 18 18 18 20 20 22 23 24 24 25 25 25 25 26 27 27 27 27 28 28 30 31 31 34 35 36 36 37 38 39 40 41 43 44 44 44 45 45 45 46 46 46 47 48
в наличии
нет в наличии
масштаб

В наличии
Нет в наличии

Перечень комплектующих от Кабина. Стекла кабины. на МТЗ-1523

Схемы запчастей предназначены для справочных целей! Мы продаем не все запчасти от Кабина. Стекла кабины. на МТЗ-1523, представленные в этом списке.
Наличие на складах по деталям с ценой смотрите в карточке товара.
1
1
Артикул: 2522-6703012
нет в наличии
Стекло левое
Количество на схеме: 1
Информация
Стекло левое
Количество
1
Модель
2522
Подгруппа
6703
Порядковый номер детали
012
1
1
Артикул: 2522-6703012-A
нет в наличии
Стекло левое
Количество на схеме: 1
Информация
Стекло левое
Количество
1
Модель
2522
Подгруппа
6703
Порядковый номер детали
012
Дополнительно
Конструкция детали модернизирована, но сохранена взаимозаменяемость с ранее выпущенными
1
1
Артикул: 2522-6703012-A2
нет в наличии
Стекло левое
Количество на схеме: 1
Информация
Стекло левое
Количество
1
Модель
2522
Подгруппа
6703
Порядковый номер детали
012
Дополнительно
Конструкция детали модернизирована, но сохранена взаимозаменяемость с ранее выпущенными
1
1
Артикул: 2522-6703012-AL
нет в наличии
Стекло
Количество на схеме: 1
Информация
Стекло
Количество
1
Модель
2522
Подгруппа
6703
Порядковый номер детали
012
Дополнительно
Конструкция детали модернизирована, но сохранена взаимозаменяемость с ранее выпущенными
2
2
Артикул: 2522-6703011
нет в наличии
Стекло
Количество на схеме: 1
Информация
Стекло
Количество
1
Модель
2522
Подгруппа
6703
Порядковый номер детали
011
2
2
Артикул: 2522-6703011-A
нет в наличии
Стекло
Количество на схеме: 1
Информация
Стекло
Количество
1
Модель
2522
Подгруппа
6703
Порядковый номер детали
011
Дополнительно
Конструкция детали модернизирована, но сохранена взаимозаменяемость с ранее выпущенными
2
2
Артикул: 2522-6703011-AL
нет в наличии
Стекло
Количество на схеме: 1
Информация
Стекло
Количество
1
Модель
2522
Подгруппа
6703
Порядковый номер детали
011
Дополнительно
Конструкция детали модернизирована, но сохранена взаимозаменяемость с ранее выпущенными
2
2
Артикул: 2522-6703011-А2-1
нет в наличии
Стекло
Количество на схеме: 1
Информация
Стекло
Количество
1
Модель
2522
Подгруппа
6703
Порядковый номер детали
011
2
2
Артикул: 2522-6703012-01
нет в наличии
Стекло правое
Количество на схеме: 1
Информация
Стекло правое
Количество
1
Модель
2522
Подгруппа
6703
Порядковый номер детали
012
2
2
Артикул: 2522-6703012-AL-01
нет в наличии
Стекло
Количество на схеме: 1
Информация
Стекло
Количество
1
Модель
2522
Подгруппа
6703
Порядковый номер детали
012
Дополнительно
Конструкция детали модернизирована, но сохранена взаимозаменяемость с ранее выпущенными
2
2
Артикул: 2522-6703012-А-01
нет в наличии
Стекло
Количество на схеме: 1
Информация
Стекло
Количество
1
Модель
2522
Подгруппа
6703
Порядковый номер детали
012
2
2
Артикул: 2522-6703012-А2-01
нет в наличии
Стекло правое
Количество на схеме: 1
Информация
Стекло правое
Количество
1
Модель
2522
Подгруппа
6703
Порядковый номер детали
012
3
3
Артикул: 2522-6708111
нет в наличии
Стекло левое
Количество на схеме: 1
Информация
Стекло левое
Количество
1
Модель
2522
Подгруппа
6708
Порядковый номер детали
111
3
3
Артикул: 2522-6708111-01
нет в наличии
Стекло правое
Количество на схеме: 1
Информация
Стекло правое
Количество
1
Модель
2522
Подгруппа
6708
Порядковый номер детали
111
3
3
Артикул: 2522-6708111-A
нет в наличии
Стекло левое
Количество на схеме: 1
Информация
Стекло левое
Количество
1
Модель
2522
Подгруппа
6708
Порядковый номер детали
111
Дополнительно
Конструкция детали модернизирована, но сохранена взаимозаменяемость с ранее выпущенными
3
3
Артикул: 2522-6708111-AL
нет в наличии
Стекло
Количество на схеме: 1
Информация
Стекло
Количество
1
Модель
2522
Подгруппа
6708
Порядковый номер детали
111
Дополнительно
Конструкция детали модернизирована, но сохранена взаимозаменяемость с ранее выпущенными
3
3
Артикул: 2522-6708111-AL-01
нет в наличии
Стекло
Количество на схеме: 1
Информация
Стекло
Количество
1
Модель
2522
Подгруппа
6708
Порядковый номер детали
111
Дополнительно
Конструкция детали модернизирована, но сохранена взаимозаменяемость с ранее выпущенными
3
3
Артикул: 2522-6708111-А-01
нет в наличии
Стекло
Количество на схеме: 1
Информация
Стекло
Количество
1
Модель
2522
Подгруппа
6708
Порядковый номер детали
111
3
3
Артикул: 2522-6708111-А2
нет в наличии
Стекло левое
Количество на схеме: 1
Информация
Стекло левое
Количество
1
Модель
2522
Подгруппа
6708
Порядковый номер детали
111
3
3
Артикул: 2522-6708111-А2-01
нет в наличии
Стекло правое
Количество на схеме: 1
Информация
Стекло правое
Количество
1
Модель
2522
Подгруппа
6708
Порядковый номер детали
111
4
4
Артикул: ГайкаМ6-6Н-6-019
нет в наличии
Гайка
Количество на схеме: 10
Информация
Гайка
Количество
10
Примечание
ГОСТ 5915-70
5
5
Артикул: Шайба6Т
нет в наличии
Шайба
Количество на схеме: 22
Информация
Шайба
Количество
22
Примечание
ОСТ 37.001.115-75
6
6
Артикул: ШайбаС6-01-019
нет в наличии
Шайба
Количество на схеме: 28
Информация
Шайба
Количество
28
Примечание
ГОСТ 6958-78
7
7
Артикул: 923-6707087
нет в наличии
Прокладка
Количество на схеме: 2
Информация
Прокладка
Количество
2
Модель
923
Подгруппа
6707
Порядковый номер детали
087
8
8
Артикул: 822-6707082
нет в наличии
Петля
Количество на схеме: 2
Информация
Петля
Количество
2
Модель
822
Подгруппа
6707
Порядковый номер детали
082
9
9
Артикул: ВинтВ-М6-6gx25-58-019
нет в наличии
Винт В.М6-6gx25.58.019
Количество на схеме: 10
Информация
Винт В.М6-6gx25.58.019
Количество
10
Примечание
ГОСТ 17473-80
10
10
Артикул: 822-6707075
нет в наличии
Кронштейн
Количество на схеме: 4
Информация
Кронштейн
Количество
4
Модель
822
Подгруппа
6707
Порядковый номер детали
075
11
11
Артикул: 586563
нет в наличии
Пружина газовая
Количество на схеме: 2
Информация
Пружина газовая
Количество
2
Примечание
4969UO
Покрытие
без покрытия
12
12
Артикул: 70-6708189
нет в наличии
Ось
Количество на схеме: 2
Информация
Ось
Количество
2
Модель
70
Подгруппа
6708
Порядковый номер детали
189
13
13
Артикул: 822-6707081
нет в наличии
Петля
Количество на схеме: 2
Информация
Петля
Количество
2
Модель
822
Подгруппа
6707
Порядковый номер детали
081
15
15
Артикул: 1522-8104060
нет в наличии
Решетка
Количество на схеме: 2
Информация
Решетка
Количество
2
Модель
1522
Группа
Отопление и вентиляция кабины
Подгруппа
Вентиляция кабины (кузова)
Порядковый номер детали
060
16
16
Артикул: 80-8104060
нет в наличии
Фильтр
Количество на схеме: 2
Информация
Фильтр
Количество
2
Модель
80
Группа
Отопление и вентиляция кабины
Подгруппа
Вентиляция кабины (кузова)
Порядковый номер детали
060
17
17
Артикул: 822-6708279
нет в наличии
Крышка
Количество на схеме: 1
Информация
Крышка
Количество
1
Модель
822
Подгруппа
6708
Порядковый номер детали
279
18
18
Артикул: 2522-6708215
нет в наличии
Дуга
Количество на схеме: 1
Информация
Дуга
Количество
1
Модель
2522
Подгруппа
6708
Порядковый номер детали
215
20
20
Артикул: 11-4-6308010
нет в наличии
Пружина
Количество на схеме: ;
Информация
Пружина
Количество
;
Модель
11.4
Группа
Дверь задка кузова
Подгруппа
Упор двери задка
Порядковый номер детали
010
20
20
Артикул: 586564
нет в наличии
Пружина газовая 6288 VJ
Количество на схеме: 2
Информация
Пружина газовая 6288 VJ
Количество
2
Примечание
6288 VJ
Покрытие
без покрытия
22
22
Артикул: 822-6708270-А
нет в наличии
Замок
Количество на схеме: 1
Информация
Замок
Количество
1
Модель
822
Подгруппа
6708
Порядковый номер детали
270
23
23
Артикул: ВинтВ-М4-6gx10-58-019
нет в наличии
Винт В.М4-6gx10.58.019
Количество на схеме: 2
Информация
Винт В.М4-6gx10.58.019
Количество
2
Примечание
ГОСТ 17473-80
24
24
Артикул: БолтМ8-6gx25-88-35-019
нет в наличии
Болт М8-6gx25.88.35.019
Количество на схеме: 4
Информация
Болт М8-6gx25.88.35.019
Количество
4
Примечание
ГОСТ 7796-70
25
25
Артикул: Шайба8Т
нет в наличии
Шайба 8Т
Количество на схеме: 4
Информация
Шайба 8Т
Количество
4
Примечание
ОСТ 37.001.115-75
26
26
Артикул: ШайбаС8-01-019
нет в наличии
Шайба
Количество на схеме: 2
Информация
Шайба
Количество
2
Примечание
ГОСТ 6958-78
27
27
Артикул: 2522-6708211
нет в наличии
Стекло
Количество на схеме: 1
Информация
Стекло
Количество
1
Модель
2522
Подгруппа
6708
Порядковый номер детали
211
27
27
Артикул: 2522-6708211-A
нет в наличии
Стекло
Количество на схеме: 1
Информация
Стекло
Количество
1
Модель
2522
Подгруппа
6708
Порядковый номер детали
211
Дополнительно
Конструкция детали модернизирована, но сохранена взаимозаменяемость с ранее выпущенными
27
27
Артикул: 2522-6708211-A2
нет в наличии
Стекло
Количество на схеме: 1
Информация
Стекло
Количество
1
Модель
2522
Подгруппа
6708
Порядковый номер детали
211
Дополнительно
Конструкция детали модернизирована, но сохранена взаимозаменяемость с ранее выпущенными
27
27
Артикул: 2522-6708211-AL
нет в наличии
Стекло
Количество на схеме: 1
Информация
Стекло
Количество
1
Модель
2522
Подгруппа
6708
Порядковый номер детали
211
Дополнительно
Конструкция детали модернизирована, но сохранена взаимозаменяемость с ранее выпущенными
28
28
Артикул: В-716
нет в наличии
Профиль
Количество на схеме: 2
Информация
Профиль
Количество
2
30
30
Артикул: 2522-6708952-Б
нет в наличии
Стекло
Количество на схеме: 1
Информация
Стекло
Количество
1
Модель
2522
Подгруппа
6708
Порядковый номер детали
952
31
31
Артикул: 2522-6708150
нет в наличии
Фиксатор левый
Количество на схеме: 1
Информация
Фиксатор левый
Количество
1
Модель
2522
Подгруппа
6708
Порядковый номер детали
150
31
31
Артикул: 2522-6708150-01
нет в наличии
Фиксатор правый
Количество на схеме: 1
Информация
Фиксатор правый
Количество
1
Модель
2522
Подгруппа
6708
Порядковый номер детали
150
34
34
Артикул: Шайба16-ОТ
нет в наличии
Шайба
Количество на схеме: 16
Информация
Шайба
Количество
16
Примечание
ОСТ 37.001.115-75
35
35
Артикул: 2522-6702400
нет в наличии
Установка панели
Количество на схеме: 1
Информация
Установка панели
Количество
1
Модель
2522
Подгруппа
6702
Порядковый номер детали
400
36
36
Артикул: ШайбаС8-01-019
нет в наличии
Шайба
Количество на схеме: 6
Информация
Шайба
Количество
6
Примечание
ГОСТ 11371-78
37
37
Артикул: ГайкаМ8-6Н-6-019
нет в наличии
Гайка
Количество на схеме: 2
Информация
Гайка
Количество
2
Примечание
ГОСТ 5915-70
38
38
Артикул: А30-04-017-02
нет в наличии
Колпачок
Количество на схеме: 2
Информация
Колпачок
Количество
2
39
39
Артикул: 80-6708904-Б
нет в наличии
Прокладка
Количество на схеме: 2
Информация
Прокладка
Количество
2
Модель
80
Подгруппа
6708
Порядковый номер детали
904
40
40
Артикул: 80-6708903
нет в наличии
Втулка
Количество на схеме: 2
Информация
Втулка
Количество
2
Модель
80
Подгруппа
6708
Порядковый номер детали
903
41
41
Артикул: 2522-6708914-01
нет в наличии
Петля
Количество на схеме: 1
Информация
Петля
Количество
1
Модель
2522
Подгруппа
6708
Порядковый номер детали
914
43
43
Артикул: 2522-6708914
нет в наличии
Петля
Количество на схеме: 1
Информация
Петля
Количество
1
Модель
2522
Подгруппа
6708
Порядковый номер детали
914
44
44
Артикул: Шайба5-65Г-07-6
нет в наличии
Шайба 5.65Г.07.6
Количество на схеме: 8
Информация
Шайба 5.65Г.07.6
Количество
8
Примечание
ГОСТ 11648-75
45
45
Артикул: 923-6707086
нет в наличии
Прокладка
Количество на схеме: 12
Информация
Прокладка
Количество
12
Модель
923
Подгруппа
6707
Порядковый номер детали
086
46
46
Артикул: БолтМ6-6gх30-88-35-019
нет в наличии
Болт М6-6gх30.88.35.019
Количество на схеме: 18
Информация
Болт М6-6gх30.88.35.019
Количество
18
Примечание
ГОСТ 7798-70
47
47
Артикул: 822-8700011
нет в наличии
Палец
Количество на схеме: 6
Информация
Палец
Количество
6
Модель
822
Подгруппа
8700
Порядковый номер детали
011
48
48
Артикул: 2154
нет в наличии
Пневмоподъемник
Количество на схеме: 2
Информация
Пневмоподъемник
Количество
2
  • Грузовые автомобили
  • Автобусы
  • Сельхозтехника
  • Спецтехника
  • Двигатели
Получить оптовый прайс-лист
Скачать прайс-лист от 07.05.2026 16:00
Специальное предложение от 07.05.2026 17:00
Производители:


  • WEICHAI
  • Автодизель ПАО (ЯМЗ)
  • Тутаевский МЗ
  • ЯЗДА
  • УралАЗ
  • МАЗ
  • АЗПИ
  • BOSCH
  • ММЗ
  • ШААЗ
  • FEDERAL MOGUL
  • ПРАМО
  • Мотордеталь
  • ТАИМ
  • АвтоКрАЗ
  • БЕЛКАРД
  • CZ Strakonice
  • КамАЗ
  • БЗА
  • ЧМЗ
  • BMZ
Новости
Все новости
25 марта 2024
Флагманский седельный тягач «Валдай 45» на выставке «TransRussia»
10 марта 2024
Современные автобусы «CITYMAX 9» и ЛиАЗ-5292 CNG
25 февраля 2024
Серийное производство средних дизельных двигателей повышенной мощности от ЯМЗ
Статьи
Все статьи
Датчики двигателя: за что они отвечают, признаки неисправности и как не прогадать с выбором
Двигатели ЯМЗ-534: история, технические характеристики и области применения
Двигатели ЯМЗ 650: углублённый технический обзор и история
Компания
О компании
Реквизиты
Новости
Политика
Магазины
Информация
Условия оплаты
Условия доставки
Гарантия на товар
Обмен и возврат товара
Помощь
Как оформить заказ
Полезные статьи
Бренды
Пункты выдачи
Оставайтесь на связи
  • Вконтакте
  • YouTube
  • Одноклассники
  • Google Plus
Увидели ошибку?
Выделите, нажав Ctrl + Enter
Наши контакты
8-800-700-35-68
sales@din76.ru
г. Ярославль, Ленинградский пр-т 33, ТЦ "ОМЕГА"
2026 © ООО «Динамика 76» - Все права защищены ООО "Динамика 76"
Предложения на сайте не являются публичной офертой.
На сайте обнаружена ошибка

Текст с ошибкой