Избранное 0 Корзина 0 Личный кабинет
logo
Каталог
Каталог
  • Справочник
    • Грузовые автомобили
    • Автобусы
    • Сельхозтехника
    • Спецтехника
    • Двигатели
  • Доставка
  • Оплата
  • О компании
    • Реквизиты
    • Магазины
    • Оплата
    • Доставка
    • Лицензии и сертификаты
    • Новости
    • Вакансии
  • Контакты
Отправить заявку
Личный кабинет
8 (800) 700-35-68
sales@din76.ru
Избранное 0 Корзина 0
8 (800) 700-35-68
Оптовый прайс-лист
Каталог
  • Двигатели
  • Запчасти WEICHAI
  • Запчасти ЯМЗ, ТМЗ (V-образные)
  • Запчасти ЯМЗ-534, ЯМЗ-536
  • Запчасти ЯМЗ-650, ЯМЗ-651, DCi-11
  • Топливная аппаратура
  • Запчасти УРАЛ
  • Запчасти МАЗ
  • Запчасти КамАЗ
  • Запчасти ММЗ
  • Ремни
Автокаталог (справочник)
  • Доставка
  • Оплата
  • О компании
  • Контакты
8 (800) 700-35-68
Написать в Whatsapp
sales@din76.ru
Динамика 76
Меню  
  • Каталог
    • Двигатели  
      • Двигатели ТМЗ  
        • Двигатели ТМЗ для автомобилей
        • Двигатели ТМЗ для тракторов
        • Специальные двигатели ТМЗ
        • Промышленные двигатели ТМЗ
      • Двигатели ЯМЗ  
        • ЯМЗ 236
        • ЯМЗ 238
        • ЯМЗ 240
        • ЯМЗ 751
        • ЯМЗ 840
        • ЯМЗ 850
        • ЯМЗ 656
        • ЯМЗ 658
        • ЯМЗ 534
        • ЯМЗ 536
        • ЯМЗ 650
        • Двигатели ЯМЗ для электростанций
      • Двигатели КАМАЗ
      • Двигатели ММЗ
      • Двигатели индивидуальной сборки
      • Комплекты переоборудования
    • Запчасти WEICHAI  
      • Основные запчасти двигателя  
        • Клапаны и толкатели
        • Шатуны
        • Вал коленчатый и маховик
        • Вал распределительный
        • Цилиндро-поршневая группа
      • Система питания  
        • Форсунки
        • Турбокомпрессор
      • Система смазки  
        • Насос масляный
      • Головка блока
      • Ремкомплекты
      • Система охлаждения  
        • Насос водяной
        • Муфта вязкостная и крыльчатка
      • Фильтры
      • Электрооборудование  
        • Генератор
        • Стартер
    • Запчасти ЯМЗ, ТМЗ (V-образные)  
      • Основные запчасти двигателя  
        • Блок двигателя и комплектующие
        • Валы распределительные и клапаны
        • Головка блока и комплектующие
        • Цилиндро-поршневая группа
        • Маховики и комплектующие
        • Валы коленчатые и комплектующие
        • Шатуны и комплектующие
      • Система питания  
        • Коллекторы и патрубки
        • Топливные трубопроводы
        • Турбокомпрессор
        • Топливные фильтры
      • Электрооборудование двигателя
      • Система охлаждения  
        • Вязкостные муфты и крыльчатки
        • Приводы вентилятора
        • Водяные насосы
        • Водяные трубы и термостаты
      • Коробки переключения передач  
        • 8 Ступенчатые КПП
        • 5 Ступенчатые КПП
        • 9 Ступенчатые КПП
        • Запасные части КПП ЯМЗ, ТМЗ
      • Система смазки  
        • Теплообменник и комплектующие
        • Масляные насосы
        • Фильтры масляные (ФГОМ, ФЦОМ)
      • Сцепление  
        • Запасные части механизма сцепления
        • Муфты (подшипники выжимные)
        • Корзины (диски нажимные)
        • Диски ведомые
      • Прочие запчасти двигателя  
        • Ремкомплекты
        • Привод агрегатов
        • Натяжные устройства
        • Трубки
    • Запчасти ЯМЗ-534, ЯМЗ-536  
      • Основные запчасти двигателя  
        • Цилиндро-поршневая группа
        • Головка блока цилиндров и комплектующие
        • Блок цилиндров и комплектующие
        • Вал коленчатый и маховик
        • Вал распределительный
        • Клапаны и толкатели
        • ГУР (Гидроусилитель руля)
        • Система рециркуляции отработавших газов
        • Выпускной коллектор
      • Система питания  
        • Коллекторы и патрубки
        • Топливные фильтры
        • Турбокомпрессор
        • Топливные трубопроводы
      • Система смазки  
        • Масляный картер поддон
        • Масляный насос
        • Теплообменник /Водо-масляный радиатор
        • Фильтры масляные (ФГОМ, ФЦОМ)
      • Пневмокомпрессор и натяжное
      • Система охлаждения  
        • Водяной насос
        • Водяные трубы и патрубки
        • Муфты вязкостные, приводы, крыльчатки
      • Ремкомплекты
      • Сцепление
      • Электрооборудование
    • Запчасти ЯМЗ-650, ЯМЗ-651, DCi-11  
      • Основные запчасти двигателя  
        • Цилиндро-поршневая группа
        • Головка блока цилиндров и комплектующие
        • Блок цилиндров и комплектующие
        • Вал коленчатый и маховик
        • Выпускной коллектор
        • Вал распределительный
        • Клапаны и толкатели
        • ГУР (Гидроусилитель руля)
        • Система рециркуляции отработавших газов
      • Система питания  
        • Коллекторы и патрубки
        • Топливные трубопроводы
        • Топливные фильтры
        • Турбокомпрессор
      • Система смазки  
        • Масляный картер / поддон
        • Масляный насос
        • Теплообменник / Водо-масляный радиатор
        • Фильтры масляные (ФГОМ, ФЦОМ)
      • Система охлаждения  
        • Водяной насос
        • Водяные трубы и патрубки
        • Муфты вязкостные, приводы, крыльчатки
      • Ремкомплекты
      • Пневмокомпрессор и натяжное
      • Электрооборудование
      • Сцепление
    • Топливная аппаратура  
      • ЯЗДА  
        • Распылители
        • ТНВД
        • Форсунки
        • Топливный насос низкого давления
        • Пары плунжерные
        • Муфта опережения впрыска топлива
        • Запчасти и комплектующие ТНВД
      • НЗТА
      • АЗПИ  
        • Распылители
        • Форсунки
      • BOSCH
    • Запчасти УРАЛ  
      • Трансмиссия  
        • Коробка раздаточная
        • Передача карданная
        • Мост задний
        • Мост передний (ведущий)
        • Мост средний (промежуточный)
      • Кузов  
        • Дверь кабины
        • Капот, крылья, облицовка радиатора
        • Окно ветровое и заднее
        • Отопление и вентиляция кабины
        • Кабина
      • Механизмы управления  
        • Управление рулевое
        • Тормоза
      • Дополнительное оборудование  
        • Отбор мощности
        • Устройство седельное
      • Электрооборудование
      • Ходовая часть  
        • Колеса и ступицы
        • Ось передняя
        • Подвеска автомобиля
        • Рама
    • Запчасти МАЗ  
      • Трансмиссия  
        • Мост задний
        • Мост передний (ведущий)
        • Передача карданная
        • Мост средний (промежуточный)
      • Кузов  
        • Кабина
        • Дверь кабины
        • Детали основания кабины
        • Окно ветровое и заднее
        • Платформа
      • Механизмы управления  
        • Тормоза
        • Управление рулевое
      • Ходовая часть  
        • Колеса и ступицы
        • Ось передняя
        • Подвеска автомобиля
        • Рама
    • Запчасти КамАЗ  
      • Кузов  
        • Кабина
        • Капот, крылья, облицовка радиатора
        • Дверь кабины
        • Платформа
        • Окно ветровое и заднее
        • Устройство подъемное и опрокидывающее
        • Сиденье
        • Крыша кабины (крыша кузова)
        • Отопление и вентиляция кабины
      • Трансмиссия  
        • Коробка передач
        • Коробка раздаточная
        • Мост задний
        • Сцепление
        • Мост средний (промежуточный)
        • Передача карданная
        • Мост передний (ведущий)
      • Двигатель  
        • Основные запчасти двигателя
        • Система охлаждения
        • Система питания
        • Система смазки
      • Дополнительное оборудование  
        • Отбор мощности
        • Устройство седельное
      • Ходовая часть  
        • Подвеска автомобиля
        • Рама
        • Колеса и ступицы
        • Ось передняя
      • Механизмы управления  
        • Тормоза
        • Управление рулевое
      • Электрооборудование
    • Запчасти ММЗ
    • Ремни
  • Справочник
    • Грузовые автомобили
    • Автобусы
    • Сельхозтехника
    • Спецтехника
    • Двигатели
  • Как купить
    • Условия оплаты
    • Условия доставки
    • Гарантия на товар
    • Пункты выдачи
  • Услуги
    • Капитальный ремонт двигателей ЯМЗ
  • Акции
  • Статьи
  • Контакты
  • Компания
    • Реквизиты
    • Магазины
    • Оплата
    • Доставка
    • Лицензии и сертификаты
    • Новости
    • Вакансии
Избранное 0 Корзина 0
8-800-700-35-68

Устройство навесное на МТЗ-1222/1523 (до 2009 г.)

Справочник
Главная
-
Автокаталог
-
Сельхозтехника
-
МТЗ
-
МТЗ-1222/1523
Справочный каталог

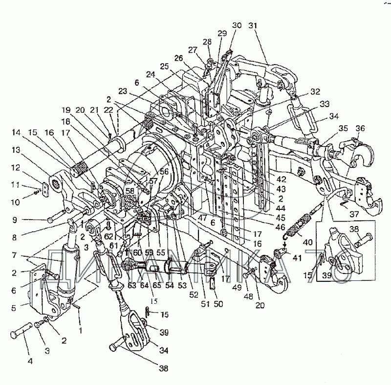
Устройство навесное — МТЗ-1222/1523:

1 1 2 2 2 2 2 3 3 4 5 5 6 6 6 7 8 9 10 11 12 13 14 15 15 15 15 16 16 17 17 17 18 19 20 20 21 22 23 24 25 26 27 28 29 30 31 32 33 34 34 35 36 37 38 38 39 39 40 41 42 43 44 45 46 47 48 49 50 51 52 53 54 55 55 56 57 58 59 60 61 62 63 64 64 65
в наличии
нет в наличии
масштаб

В наличии
Нет в наличии

Перечень комплектующих от Устройство навесное на МТЗ-1222/1523

Схемы запчастей предназначены для справочных целей! Мы продаем не все запчасти от Устройство навесное на МТЗ-1222/1523, представленные в этом списке.
Наличие на складах по деталям с ценой смотрите в карточке товара.
1
1
Артикул: 6-3x50
нет в наличии
Шплинт
Количество на схеме: 2
Информация
Шплинт
Количество
2
2
2
Артикул: ШП20
нет в наличии
Шайба
Количество на схеме: 30
Информация
Шайба
Количество
30
3
3
Артикул: 680-42707024
нет в наличии
Болт
Количество на схеме: 12
Информация
Болт
Количество
12
Модель
680
Группа
Спецоборудование
Подгруппа
4270
Порядковый номер детали
702
4
4
Артикул: 1522-4605009
нет в наличии
Палец
Количество на схеме: 2
Информация
Палец
Количество
2
Модель
1522
Подгруппа
4605
Порядковый номер детали
009
5
5
Артикул: 1522-4605015
нет в наличии
Кронштейн
Количество на схеме: 1
Информация
Кронштейн
Количество
1
Модель
1522
Подгруппа
4605
Порядковый номер детали
015
5
5
Артикул: 1522-4605015-01
нет в наличии
Кронштейн
Количество на схеме: 1
Информация
Кронштейн
Количество
1
Модель
1522
Подгруппа
4605
Порядковый номер детали
015
6
6
Артикул: 70-4605036
нет в наличии
Болт
Количество на схеме: 18
Информация
Болт
Количество
18
Модель
70
Подгруппа
4605
Порядковый номер детали
036
7
7
Артикул: Ц90Х250-010
нет в наличии
Цилиндр
Количество на схеме: 2
Информация
Цилиндр
Количество
2
8
8
Артикул: 1522-4605008
нет в наличии
Палец
Количество на схеме: 2
Информация
Палец
Количество
2
Модель
1522
Подгруппа
4605
Порядковый номер детали
008
9
9
Артикул: 1522-4605037
нет в наличии
Палец
Количество на схеме: 2
Информация
Палец
Количество
2
Модель
1522
Подгруппа
4605
Порядковый номер детали
037
10
10
Артикул: М12х25
нет в наличии
Болт
Количество на схеме: 4
Информация
Болт
Количество
4
11
11
Артикул: ШП12
нет в наличии
Шайба
Количество на схеме: 4
Информация
Шайба
Количество
4
12
12
Артикул: 1522-4605024-Б
нет в наличии
Шайба
Количество на схеме: 2
Информация
Шайба
Количество
2
Модель
1522
Подгруппа
4605
Порядковый номер детали
024
13
13
Артикул: 1522-4605021
нет в наличии
Рычаг
Количество на схеме: 1
Информация
Рычаг
Количество
1
Модель
1522
Подгруппа
4605
Порядковый номер детали
021
14
14
Артикул: 1522-4605023
нет в наличии
Вал
Количество на схеме: 1
Информация
Вал
Количество
1
Модель
1522
Подгруппа
4605
Порядковый номер детали
023
15
15
Артикул: А61-07-001
нет в наличии
Шплинт
Количество на схеме: 6
Информация
Шплинт
Количество
6
16
16
Артикул: А04-02-020
нет в наличии
Гайка
Количество на схеме: 4
Информация
Гайка
Количество
4
17
17
Артикул: 6,3x36
нет в наличии
Шплинт
Количество на схеме: 6
Информация
Шплинт
Количество
6
18
18
Артикул: 50-4605027
нет в наличии
Штифт
Количество на схеме: 4
Информация
Штифт
Количество
4
Модель
50
Подгруппа
4605
Порядковый номер детали
027
19
19
Артикул: 54-38-619
нет в наличии
Кольцо
Количество на схеме: 4
Информация
Кольцо
Количество
4
20
20
Артикул: ШП10
нет в наличии
Шайба
Количество на схеме: 7
Информация
Шайба
Количество
7
21
21
Артикул: M10x45
нет в наличии
Болт
Количество на схеме: 1
Информация
Болт
Количество
1
22
22
Артикул: 1522-4605025
нет в наличии
Эксцентрик
Количество на схеме: 1
Информация
Эксцентрик
Количество
1
Модель
1522
Подгруппа
4605
Порядковый номер детали
025
23
23
Артикул: 1,3Ц9хр
нет в наличии
Масленка
Количество на схеме: 2
Информация
Масленка
Количество
2
24
24
Артикул: А61-05-100-05
нет в наличии
Чека
Количество на схеме: 1
Информация
Чека
Количество
1
25
25
Артикул: 1522-2401028
нет в наличии
Прокладка
Количество на схеме: 1
Информация
Прокладка
Количество
1
Модель
1522
Группа
Мост задний
Подгруппа
Картер заднего моста
Порядковый номер детали
028
26
26
Артикул: 1522-4605145
нет в наличии
Крышка
Количество на схеме: 1
Информация
Крышка
Количество
1
Модель
1522
Подгруппа
4605
Порядковый номер детали
145
27
27
Артикул: 1522-4605149
нет в наличии
Гайка
Количество на схеме: 1
Информация
Гайка
Количество
1
Модель
1522
Подгруппа
4605
Порядковый номер детали
149
28
28
Артикул: 917001941
нет в наличии
Датчик позиционный
Количество на схеме: 1
Информация
Датчик позиционный
Количество
1
Подгруппа
9170
Порядковый номер детали
019
Дополнительно
Не взаимозаменяема с деталью, выпущенной ранее под этим же номером
29
29
Артикул: ШП8
нет в наличии
Шайба
Количество на схеме: 8
Информация
Шайба
Количество
8
30
30
Артикул: М8х25
нет в наличии
Болт
Количество на схеме: 8
Информация
Болт
Количество
8
31
31
Артикул: 1522-4605021-01
нет в наличии
Рычаг
Количество на схеме: 1
Информация
Рычаг
Количество
1
Модель
1522
Подгруппа
4605
Порядковый номер детали
021
32
32
Артикул: 1522-4605036
нет в наличии
Палец
Количество на схеме: 1
Информация
Палец
Количество
1
Модель
1522
Подгруппа
4605
Порядковый номер детали
036
33
33
Артикул: 1522-4605091
нет в наличии
Втулка
Количество на схеме: 2
Информация
Втулка
Количество
2
Модель
1522
Подгруппа
4605
Порядковый номер детали
091
34
34
Артикул: 1522-4605060
нет в наличии
Раскос
Количество на схеме: 2
Информация
Раскос
Количество
2
Модель
1522
Подгруппа
4605
Порядковый номер детали
060
35
35
Артикул: 1522-4605090-Б
нет в наличии
Тяга верхняя
Количество на схеме: 1
Информация
Тяга верхняя
Количество
1
Модель
1522
Подгруппа
4605
Порядковый номер детали
090
36
36
Артикул: 1522-4605030
нет в наличии
Тяга нижняя
Количество на схеме: 1
Информация
Тяга нижняя
Количество
1
Модель
1522
Подгруппа
4605
Порядковый номер детали
030
37
37
Артикул: 3,2x25
нет в наличии
Шплинт
Количество на схеме: 1
Информация
Шплинт
Количество
1
38
38
Артикул: 1522-4605033
нет в наличии
Палец
Количество на схеме: 2
Информация
Палец
Количество
2
Модель
1522
Подгруппа
4605
Порядковый номер детали
033
39
39
Артикул: 1522-4605032
нет в наличии
Шайба
Количество на схеме: 2
Информация
Шайба
Количество
2
Модель
1522
Подгруппа
4605
Порядковый номер детали
032
40
40
Артикул: 090243
нет в наличии
Штанга
Количество на схеме: 1
Информация
Штанга
Количество
1
Покрытие
без покрытия
41
41
Артикул: 1522-4605038
нет в наличии
Проушина
Количество на схеме: 2
Информация
Проушина
Количество
2
Модель
1522
Подгруппа
4605
Порядковый номер детали
038
42
42
Артикул: 1522-2707062-Б
нет в наличии
Направляющая
Количество на схеме: 1
Информация
Направляющая
Количество
1
Модель
1522
Группа
Устройство седельное
Подгруппа
Устройство тягово-сцепное
Порядковый номер детали
062
43
43
Артикул: 1522-2707149-01
нет в наличии
Болт
Количество на схеме: 12
Информация
Болт
Количество
12
Модель
1522
Группа
Устройство седельное
Подгруппа
Устройство тягово-сцепное
Порядковый номер детали
149
44
44
Артикул: M20x1,5
нет в наличии
Гайка
Количество на схеме: 12
Информация
Гайка
Количество
12
45
45
Артикул: 1522-2707062-Б-01
нет в наличии
Направляющая
Количество на схеме: 1
Информация
Направляющая
Количество
1
Модель
1522
Группа
Устройство седельное
Подгруппа
Устройство тягово-сцепное
Порядковый номер детали
062
46
46
Артикул: 1522-2707061-Б
нет в наличии
Кронштейн
Количество на схеме: 1
Информация
Кронштейн
Количество
1
Модель
1522
Группа
Устройство седельное
Подгруппа
Устройство тягово-сцепное
Порядковый номер детали
061
47
47
Артикул: 1220-4605507
нет в наличии
Штифт
Количество на схеме: 2
Информация
Штифт
Количество
2
Модель
1220
Подгруппа
4605
Порядковый номер детали
507
48
48
Артикул: М10х50
нет в наличии
Болт
Количество на схеме: 2
Информация
Болт
Количество
2
49
49
Артикул: 1522-4605035
нет в наличии
Тяга нижняя
Количество на схеме: 1
Информация
Тяга нижняя
Количество
1
Модель
1522
Подгруппа
4605
Порядковый номер детали
035
50
50
Артикул: 1522-4605121
нет в наличии
Палец
Количество на схеме: 2
Информация
Палец
Количество
2
Модель
1522
Подгруппа
4605
Порядковый номер детали
121
51
51
Артикул: 1522-4605034
нет в наличии
Проушина
Количество на схеме: 2
Информация
Проушина
Количество
2
Модель
1522
Подгруппа
4605
Порядковый номер детали
034
52
52
Артикул: ШП16
нет в наличии
Шайба
Количество на схеме: 8
Информация
Шайба
Количество
8
53
53
Артикул: 1522-4605039
нет в наличии
Втулка
Количество на схеме: 2
Информация
Втулка
Количество
2
Модель
1522
Подгруппа
4605
Порядковый номер детали
039
54
54
Артикул: 1220-4605506
нет в наличии
Болт
Количество на схеме: 8
Информация
Болт
Количество
8
Модель
1220
Подгруппа
4605
Порядковый номер детали
506
55
55
Артикул: 1522-4605011
нет в наличии
Кронштейн левый
Количество на схеме: 1
Информация
Кронштейн левый
Количество
1
Модель
1522
Подгруппа
4605
Порядковый номер детали
011
55
55
Артикул: 1522-4605011-01
нет в наличии
Кронштейн правый
Количество на схеме: 1
Информация
Кронштейн правый
Количество
1
Модель
1522
Подгруппа
4605
Порядковый номер детали
011
56
56
Артикул: 1522-4605701
нет в наличии
Скоба
Количество на схеме: 2
Информация
Скоба
Количество
2
Модель
1522
Подгруппа
4605
Порядковый номер детали
701
57
57
Артикул: 1522-4605702
нет в наличии
Втулка
Количество на схеме: 4
Информация
Втулка
Количество
4
Модель
1522
Подгруппа
4605
Порядковый номер детали
702
58
58
Артикул: 917000165
нет в наличии
Датчик силовой
Количество на схеме: 2
Информация
Датчик силовой
Количество
2
Подгруппа
9170
Порядковый номер детали
001
Дополнительно
Не взаимозаменяема с деталью, выпущенной ранее под этим же номером
59
59
Артикул: 1522-4605006
нет в наличии
Крышка
Количество на схеме: 2
Информация
Крышка
Количество
2
Модель
1522
Подгруппа
4605
Порядковый номер детали
006
60
60
Артикул: 70-3723042-01
нет в наличии
Втулка
Количество на схеме: 2
Информация
Втулка
Количество
2
Модель
70
Группа
Электрооборудование
Подгруппа
Соединители электропроводов
Порядковый номер детали
042
61
61
Артикул: ШЧ10
нет в наличии
Шайба
Количество на схеме: 4
Информация
Шайба
Количество
4
62
62
Артикул: ВМ10х35
нет в наличии
Винт
Количество на схеме: 4
Информация
Винт
Количество
4
63
63
Артикул: 1220-4605084-01
нет в наличии
Палец
Количество на схеме: 2
Информация
Палец
Количество
2
Модель
1220
Подгруппа
4605
Порядковый номер детали
084
64
64
Артикул: 1522-4605012
нет в наличии
Кронштейн левый
Количество на схеме: 1
Информация
Кронштейн левый
Количество
1
Модель
1522
Подгруппа
4605
Порядковый номер детали
012
64
64
Артикул: 1522-4605012-01
нет в наличии
Кронштейн правый
Количество на схеме: 1
Информация
Кронштейн правый
Количество
1
Модель
1522
Подгруппа
4605
Порядковый номер детали
012
65
65
Артикул: 1522-4605120
нет в наличии
Стяжка
Количество на схеме: 2
Информация
Стяжка
Количество
2
Модель
1522
Подгруппа
4605
Порядковый номер детали
120
  • Грузовые автомобили
  • Автобусы
  • Сельхозтехника
  • Спецтехника
  • Двигатели
Получить оптовый прайс-лист
Скачать прайс-лист от 07.05.2026 12:00
Специальное предложение от 07.05.2026 13:00
Производители:


  • WEICHAI
  • Автодизель ПАО (ЯМЗ)
  • Тутаевский МЗ
  • ЯЗДА
  • УралАЗ
  • МАЗ
  • АЗПИ
  • BOSCH
  • ММЗ
  • ШААЗ
  • FEDERAL MOGUL
  • ПРАМО
  • Мотордеталь
  • ТАИМ
  • АвтоКрАЗ
  • БЕЛКАРД
  • CZ Strakonice
  • КамАЗ
  • БЗА
  • ЧМЗ
  • BMZ
Новости
Все новости
25 марта 2024
Флагманский седельный тягач «Валдай 45» на выставке «TransRussia»
10 марта 2024
Современные автобусы «CITYMAX 9» и ЛиАЗ-5292 CNG
25 февраля 2024
Серийное производство средних дизельных двигателей повышенной мощности от ЯМЗ
Статьи
Все статьи
Датчики двигателя: за что они отвечают, признаки неисправности и как не прогадать с выбором
Двигатели ЯМЗ-534: история, технические характеристики и области применения
Двигатели ЯМЗ 650: углублённый технический обзор и история
Компания
О компании
Реквизиты
Новости
Политика
Магазины
Информация
Условия оплаты
Условия доставки
Гарантия на товар
Обмен и возврат товара
Помощь
Как оформить заказ
Полезные статьи
Бренды
Пункты выдачи
Оставайтесь на связи
  • Вконтакте
  • YouTube
  • Одноклассники
  • Google Plus
Увидели ошибку?
Выделите, нажав Ctrl + Enter
Наши контакты
8-800-700-35-68
sales@din76.ru
г. Ярославль, Ленинградский пр-т 33, ТЦ "ОМЕГА"
2026 © ООО «Динамика 76» - Все права защищены ООО "Динамика 76"
Предложения на сайте не являются публичной офертой.
На сайте обнаружена ошибка

Текст с ошибкой