Избранное 0 Корзина 0 Личный кабинет
logo
Каталог
Каталог
  • Справочник
    • Грузовые автомобили
    • Автобусы
    • Сельхозтехника
    • Спецтехника
    • Двигатели
  • Доставка
  • Оплата
  • О компании
    • Реквизиты
    • Магазины
    • Оплата
    • Доставка
    • Лицензии и сертификаты
    • Новости
    • Вакансии
  • Контакты
Отправить заявку
Личный кабинет
8 (800) 700-35-68
sales@din76.ru
Избранное 0 Корзина 0
8 (800) 700-35-68
Оптовый прайс-лист
Каталог
  • Двигатели
  • Запчасти WEICHAI
  • Запчасти ЯМЗ, ТМЗ (V-образные)
  • Запчасти ЯМЗ-534, ЯМЗ-536
  • Запчасти ЯМЗ-650, ЯМЗ-651, DCi-11
  • Топливная аппаратура
  • Запчасти УРАЛ
  • Запчасти МАЗ
  • Запчасти КамАЗ
  • Запчасти ММЗ
  • Ремни
Автокаталог (справочник)
  • Доставка
  • Оплата
  • О компании
  • Контакты
8 (800) 700-35-68
Написать в Whatsapp
sales@din76.ru
Динамика 76
Меню  
  • Каталог
    • Двигатели  
      • Двигатели ТМЗ  
        • Двигатели ТМЗ для автомобилей
        • Двигатели ТМЗ для тракторов
        • Специальные двигатели ТМЗ
        • Промышленные двигатели ТМЗ
      • Двигатели ЯМЗ  
        • ЯМЗ 236
        • ЯМЗ 238
        • ЯМЗ 240
        • ЯМЗ 751
        • ЯМЗ 840
        • ЯМЗ 850
        • ЯМЗ 656
        • ЯМЗ 658
        • ЯМЗ 534
        • ЯМЗ 536
        • ЯМЗ 650
        • Двигатели ЯМЗ для электростанций
      • Двигатели КАМАЗ
      • Двигатели ММЗ
      • Двигатели индивидуальной сборки
      • Комплекты переоборудования
    • Запчасти WEICHAI  
      • Основные запчасти двигателя  
        • Клапаны и толкатели
        • Шатуны
        • Вал коленчатый и маховик
        • Вал распределительный
        • Цилиндро-поршневая группа
      • Система питания  
        • Форсунки
        • Турбокомпрессор
      • Система смазки  
        • Насос масляный
      • Головка блока
      • Ремкомплекты
      • Система охлаждения  
        • Насос водяной
        • Муфта вязкостная и крыльчатка
      • Фильтры
      • Электрооборудование  
        • Генератор
        • Стартер
    • Запчасти ЯМЗ, ТМЗ (V-образные)  
      • Основные запчасти двигателя  
        • Блок двигателя и комплектующие
        • Валы распределительные и клапаны
        • Головка блока и комплектующие
        • Цилиндро-поршневая группа
        • Маховики и комплектующие
        • Валы коленчатые и комплектующие
        • Шатуны и комплектующие
      • Система питания  
        • Коллекторы и патрубки
        • Топливные трубопроводы
        • Турбокомпрессор
        • Топливные фильтры
      • Электрооборудование двигателя
      • Система охлаждения  
        • Вязкостные муфты и крыльчатки
        • Приводы вентилятора
        • Водяные насосы
        • Водяные трубы и термостаты
      • Коробки переключения передач  
        • 8 Ступенчатые КПП
        • 5 Ступенчатые КПП
        • 9 Ступенчатые КПП
        • Запасные части КПП ЯМЗ, ТМЗ
      • Система смазки  
        • Теплообменник и комплектующие
        • Масляные насосы
        • Фильтры масляные (ФГОМ, ФЦОМ)
      • Сцепление  
        • Запасные части механизма сцепления
        • Муфты (подшипники выжимные)
        • Корзины (диски нажимные)
        • Диски ведомые
      • Прочие запчасти двигателя  
        • Ремкомплекты
        • Привод агрегатов
        • Натяжные устройства
        • Трубки
    • Запчасти ЯМЗ-534, ЯМЗ-536  
      • Основные запчасти двигателя  
        • Цилиндро-поршневая группа
        • Головка блока цилиндров и комплектующие
        • Блок цилиндров и комплектующие
        • Вал коленчатый и маховик
        • Вал распределительный
        • Клапаны и толкатели
        • ГУР (Гидроусилитель руля)
        • Система рециркуляции отработавших газов
        • Выпускной коллектор
      • Система питания  
        • Коллекторы и патрубки
        • Топливные фильтры
        • Турбокомпрессор
        • Топливные трубопроводы
      • Система смазки  
        • Масляный картер поддон
        • Масляный насос
        • Теплообменник /Водо-масляный радиатор
        • Фильтры масляные (ФГОМ, ФЦОМ)
      • Пневмокомпрессор и натяжное
      • Система охлаждения  
        • Водяной насос
        • Водяные трубы и патрубки
        • Муфты вязкостные, приводы, крыльчатки
      • Ремкомплекты
      • Сцепление
      • Электрооборудование
    • Запчасти ЯМЗ-650, ЯМЗ-651, DCi-11  
      • Основные запчасти двигателя  
        • Цилиндро-поршневая группа
        • Головка блока цилиндров и комплектующие
        • Блок цилиндров и комплектующие
        • Вал коленчатый и маховик
        • Выпускной коллектор
        • Вал распределительный
        • Клапаны и толкатели
        • ГУР (Гидроусилитель руля)
        • Система рециркуляции отработавших газов
      • Система питания  
        • Коллекторы и патрубки
        • Топливные трубопроводы
        • Топливные фильтры
        • Турбокомпрессор
      • Система смазки  
        • Масляный картер / поддон
        • Масляный насос
        • Теплообменник / Водо-масляный радиатор
        • Фильтры масляные (ФГОМ, ФЦОМ)
      • Система охлаждения  
        • Водяной насос
        • Водяные трубы и патрубки
        • Муфты вязкостные, приводы, крыльчатки
      • Ремкомплекты
      • Пневмокомпрессор и натяжное
      • Электрооборудование
      • Сцепление
    • Топливная аппаратура  
      • ЯЗДА  
        • Распылители
        • ТНВД
        • Форсунки
        • Топливный насос низкого давления
        • Пары плунжерные
        • Муфта опережения впрыска топлива
        • Запчасти и комплектующие ТНВД
      • НЗТА
      • АЗПИ  
        • Распылители
        • Форсунки
      • BOSCH
    • Запчасти УРАЛ  
      • Трансмиссия  
        • Коробка раздаточная
        • Передача карданная
        • Мост задний
        • Мост передний (ведущий)
        • Мост средний (промежуточный)
      • Кузов  
        • Дверь кабины
        • Капот, крылья, облицовка радиатора
        • Окно ветровое и заднее
        • Отопление и вентиляция кабины
        • Кабина
      • Механизмы управления  
        • Управление рулевое
        • Тормоза
      • Дополнительное оборудование  
        • Отбор мощности
        • Устройство седельное
      • Электрооборудование
      • Ходовая часть  
        • Колеса и ступицы
        • Ось передняя
        • Подвеска автомобиля
        • Рама
    • Запчасти МАЗ  
      • Трансмиссия  
        • Мост задний
        • Мост передний (ведущий)
        • Передача карданная
        • Мост средний (промежуточный)
      • Кузов  
        • Кабина
        • Дверь кабины
        • Детали основания кабины
        • Окно ветровое и заднее
        • Платформа
      • Механизмы управления  
        • Тормоза
        • Управление рулевое
      • Ходовая часть  
        • Колеса и ступицы
        • Ось передняя
        • Подвеска автомобиля
        • Рама
    • Запчасти КамАЗ  
      • Кузов  
        • Кабина
        • Капот, крылья, облицовка радиатора
        • Дверь кабины
        • Платформа
        • Окно ветровое и заднее
        • Устройство подъемное и опрокидывающее
        • Сиденье
        • Крыша кабины (крыша кузова)
        • Отопление и вентиляция кабины
      • Трансмиссия  
        • Коробка передач
        • Коробка раздаточная
        • Мост задний
        • Сцепление
        • Мост средний (промежуточный)
        • Передача карданная
        • Мост передний (ведущий)
      • Двигатель  
        • Основные запчасти двигателя
        • Система охлаждения
        • Система питания
        • Система смазки
      • Дополнительное оборудование  
        • Отбор мощности
        • Устройство седельное
      • Ходовая часть  
        • Подвеска автомобиля
        • Рама
        • Колеса и ступицы
        • Ось передняя
      • Механизмы управления  
        • Тормоза
        • Управление рулевое
      • Электрооборудование
    • Запчасти ММЗ
    • Ремни
  • Справочник
    • Грузовые автомобили
    • Автобусы
    • Сельхозтехника
    • Спецтехника
    • Двигатели
  • Как купить
    • Условия оплаты
    • Условия доставки
    • Гарантия на товар
    • Пункты выдачи
  • Услуги
    • Капитальный ремонт двигателей ЯМЗ
  • Акции
  • Статьи
  • Контакты
  • Компания
    • Реквизиты
    • Магазины
    • Оплата
    • Доставка
    • Лицензии и сертификаты
    • Новости
    • Вакансии
Избранное 0 Корзина 0
8-800-700-35-68

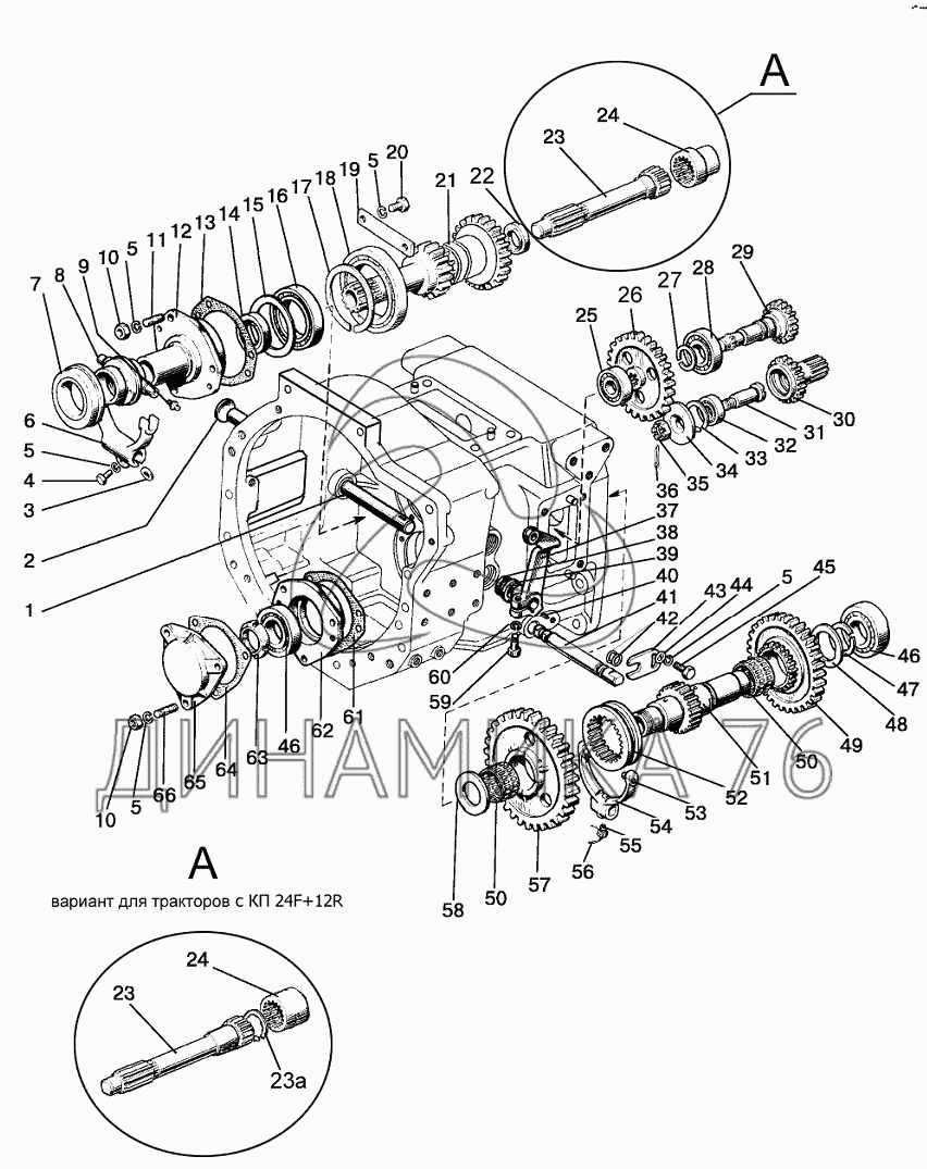
Корпус сцепления на МТЗ-1221.5 (до 2013 г.)

Справочник
Главная
-
Автокаталог
-
Сельхозтехника
-
МТЗ
-
МТЗ-1221.5
Справочный каталог

Корпус сцепления — МТЗ-1221.5:

020-025-30-1-4 1.1.Ц9.хр 112-1701343 115К5 1222-1601113 2022-1601061 204А 207 209А 209А 240-1002055 2С50 3,2х25.019 305А 36-1601016 50-1601022 50-1601180-А 50-1601185-А 50-1601218 50-4604046 70-1601114 70-3003032 76-1000921 80-1601021 80-1601030-01 80-1601040 80-1601041 80-1601050-01 80-1601070 80-1601071-Б 80-1601082 80-1601083 80-1601086-A 80-1601088-A 80-1601089 80-1601091 80-1601092 80-1601113-01 80-1601160 80-1601173 80-1601180 80-1601181 80-1601182 80-1601190 80-1601191 80-1601219-Б 80-1601318 80-1601319 80-1601356 80-1601357-Б 80-1701045 80-4608024 80С-1601061 85-1601026 85-1601099 85-1601111 85-1601172 85-1601203 85-1601215 986714К1С23 БолтМ10-6gх20.88.35.019 БолтМ10-6gх25.88.35.019 БолтМ10-6gх30.88.35.019 БолтМ12-6gх35.88.35.019 ГайкаМ10-6Н.6.019 ГайкаМ10-6Н.6.019 КК52х60х39Е КК52х60х39Е Манжета2.2-38х58-1 Проволока1,0-О-С С10.01.019 С105 С35 С45 С47 СШ-611 Шайба10.ОТ Шайба10.ОТ Шайба10.ОТ Шайба10.ОТ Шайба10.ОТ Шайба12.ОТ ШпилькаМ103р,6gх25.66.019 ШпилькаМ103р,6gх35.66.019
в наличии
нет в наличии
масштаб

В наличии
Нет в наличии

Перечень комплектующих от Корпус сцепления на МТЗ-1221.5

Схемы запчастей предназначены для справочных целей! Мы продаем не все запчасти от Корпус сцепления на МТЗ-1221.5, представленные в этом списке.
Наличие на складах по деталям с ценой смотрите в карточке товара.
Артикул: 020-025-30-1-4
нет в наличии
Кольцо
Количество на схеме: 2
Информация
Кольцо
Количество
2
Примечание
ГОСТ 18829-73, ГОСТ 9833-73
Артикул: 1-1-Ц9-хр
нет в наличии
Масленка
Количество на схеме: 1
Информация
Масленка
Количество
1
Примечание
ГОСТ 19853-74
Артикул: 112-1701343
нет в наличии
Муфта
Количество на схеме: 1
Информация
Муфта
Количество
1
Модель
112
Группа
Коробка передач
Подгруппа
Коробка передач
Порядковый номер детали
343
Артикул: 115К5
нет в наличии
Подшипник
Количество на схеме: 1
Информация
Подшипник
Количество
1
Примечание
ГОСТ 8338-75
Артикул: 1222-1601113
нет в наличии
Вал
Количество на схеме: 1
Информация
Вал
Количество
1
Примечание
Совместно с КП 24F+12R
Модель
1222
Группа
Сцепление
Подгруппа
Сцепление
Порядковый номер детали
113
Артикул: 2022-1601061
нет в наличии
Втулка
Количество на схеме: 1
Информация
Втулка
Количество
1
Примечание
Совместно с КП 24F+12R
Модель
2022
Группа
Сцепление
Подгруппа
Сцепление
Порядковый номер детали
061
Артикул: 204А
нет в наличии
Подшипник
Количество на схеме: 1
Информация
Подшипник
Количество
1
Примечание
ГОСТ 8338-75
Артикул: 207
в наличии
Шарикоподшипник
Количество на схеме: 1
Информация
Шарикоподшипник
Количество
1
Примечание
ГОСТ 8338-75
Подшипник компрессора ЗИЛ,МАЗ; привода ТНВД ГАЗ-4301
Артикул: 207
Подшипник компрессора ЗИЛ,МАЗ; привода ТНВД ГАЗ-4301
Код для заказа: 00045380
Цена: 194 ₽/шт.
Под заказ
Подшипник компрессора ЗИЛ,МАЗ; привода ТНВД ГАЗ-4301
Артикул: 207
Код для заказа: 00045380
Подшипник компрессора ЗИЛ,МАЗ; привода ТНВД ГАЗ-4301
Цена: 194 ₽/шт.
Под заказ
Артикул: 209А
нет в наличии
Подшипник
Количество на схеме: 2
Информация
Подшипник
Количество
2
Примечание
ГОСТ 8338-75
Артикул: 240-1002055
нет в наличии
Манжета 2.1-50х70-4
Количество на схеме: 1
Информация
Манжета 2.1-50х70-4
Количество
1
Модель
240
Группа
Двигатель
Подгруппа
Блок цилиндров
Порядковый номер детали
055
Артикул: 2С50
нет в наличии
Кольцо
Количество на схеме: 1
Информация
Кольцо
Количество
1
Примечание
ГОСТ 13940-86
Артикул: 3,2х25-019
нет в наличии
Шплинт
Количество на схеме: 1
Информация
Шплинт
Количество
1
Примечание
ГОСТ 397-79
Артикул: 305А
нет в наличии
Подшипник
Количество на схеме: 1
Информация
Подшипник
Количество
1
Примечание
ГОСТ 8338-75
Артикул: 36-1601016
нет в наличии
Корпус пылеотражателя
Количество на схеме: 1
Информация
Корпус пылеотражателя
Количество
1
Модель
36
Группа
Сцепление
Подгруппа
Сцепление
Порядковый номер детали
016
Артикул: 50-1601022
нет в наличии
Заглушка
Количество на схеме: 1
Информация
Заглушка
Количество
1
Модель
50
Группа
Сцепление
Подгруппа
Сцепление
Порядковый номер детали
022
Артикул: 50-1601180-А
нет в наличии
Отводка с масленкой и подшипником упорным в сборе
Количество на схеме: 1
Информация
Отводка с масленкой и подшипником упорным в сборе
Количество
1
Примечание
7-9
Модель
50
Группа
Сцепление
Подгруппа
Сцепление
Порядковый номер детали
180
Артикул: 50-1601185-А
нет в наличии
Отводка
Количество на схеме: 1
Информация
Отводка
Количество
1
Модель
50
Группа
Сцепление
Подгруппа
Сцепление
Порядковый номер детали
185
Артикул: 50-1601218
нет в наличии
Шпонка
Количество на схеме: 1
Информация
Шпонка
Количество
1
Модель
50
Группа
Сцепление
Подгруппа
Сцепление
Порядковый номер детали
218
Артикул: 50-4604046
нет в наличии
Болт вилки
Количество на схеме: 1
Информация
Болт вилки
Количество
1
Модель
50
Подгруппа
4604
Порядковый номер детали
046
Артикул: 70-1601114
нет в наличии
Штифт
Количество на схеме: 2
Информация
Штифт
Количество
2
Модель
70
Группа
Сцепление
Подгруппа
Сцепление
Порядковый номер детали
114
Артикул: 70-3003032
нет в наличии
Гайка
Количество на схеме: 1
Информация
Гайка
Количество
1
Модель
70
Группа
Тяги рулевые. Оси передняя и задняя
Подгруппа
Тяги рулевые
Порядковый номер детали
032
Артикул: 76-1000921
нет в наличии
Подшипник
Количество на схеме: 1
Информация
Подшипник
Количество
1
Примечание
ГОСТ 8338-75
Модель
76
Группа
Двигатель
Подгруппа
Двигатель в сборе
Порядковый номер детали
921
Артикул: 80-1601021
нет в наличии
Вал
Количество на схеме: 1
Информация
Вал
Количество
1
Модель
80
Группа
Сцепление
Подгруппа
Сцепление
Порядковый номер детали
021
Артикул: 80-1601030-01
нет в наличии
Кронштейн отводки
Количество на схеме: 1
Информация
Кронштейн отводки
Количество
1
Примечание
12, 14
Модель
80
Группа
Сцепление
Подгруппа
Сцепление
Порядковый номер детали
030
Артикул: 80-1601040
нет в наличии
Стакан с гайкой в сборе
Количество на схеме: 1
Информация
Стакан с гайкой в сборе
Количество
1
Примечание
46-1 шт., 62
Модель
80
Группа
Сцепление
Подгруппа
Сцепление
Порядковый номер детали
040
Артикул: 80-1601041
нет в наличии
Стакан
Количество на схеме: 1
Информация
Стакан
Количество
1
Модель
80
Группа
Сцепление
Подгруппа
Сцепление
Порядковый номер детали
041
Артикул: 80-1601050-01
нет в наличии
Вал
Количество на схеме: 1
Информация
Вал
Количество
1
Примечание
16-18, 21, 22
Модель
80
Группа
Сцепление
Подгруппа
Сцепление
Порядковый номер детали
050
Артикул: 80-1601070
нет в наличии
Шестерня с кольцом и подшипником в сборе
Количество на схеме: 1
Информация
Шестерня с кольцом и подшипником в сборе
Количество
1
Примечание
27-29
Модель
80
Группа
Сцепление
Подгруппа
Сцепление
Порядковый номер детали
070
Артикул: 80-1601071-Б
нет в наличии
Шестерня
Количество на схеме: 1
Информация
Шестерня
Количество
1
Модель
80
Группа
Сцепление
Подгруппа
Сцепление
Порядковый номер детали
071
Артикул: 80-1601082
нет в наличии
Шайба
Количество на схеме: 1
Информация
Шайба
Количество
1
Модель
80
Группа
Сцепление
Подгруппа
Сцепление
Порядковый номер детали
082
Артикул: 80-1601083
нет в наличии
Шайба
Количество на схеме: 1
Информация
Шайба
Количество
1
Модель
80
Группа
Сцепление
Подгруппа
Сцепление
Порядковый номер детали
083
Артикул: 80-1601086-A
нет в наличии
Шестерня
Количество на схеме: 1
Информация
Шестерня
Количество
1
Модель
80
Группа
Сцепление
Подгруппа
Сцепление
Порядковый номер детали
086
Дополнительно
Конструкция детали модернизирована, но сохранена взаимозаменяемость с ранее выпущенными
Артикул: 80-1601088-A
нет в наличии
Шестерня
Количество на схеме: 1
Информация
Шестерня
Количество
1
Модель
80
Группа
Сцепление
Подгруппа
Сцепление
Порядковый номер детали
088
Дополнительно
Конструкция детали модернизирована, но сохранена взаимозаменяемость с ранее выпущенными
Артикул: 80-1601089
нет в наличии
Крышка
Количество на схеме: 1
Информация
Крышка
Количество
1
Модель
80
Группа
Сцепление
Подгруппа
Сцепление
Порядковый номер детали
089
Артикул: 80-1601091
нет в наличии
Прикладка
Количество на схеме: 1
Информация
Прикладка
Количество
1
Модель
80
Группа
Сцепление
Подгруппа
Сцепление
Порядковый номер детали
091
Артикул: 80-1601092
нет в наличии
Прокладка
Количество на схеме: 1
Информация
Прокладка
Количество
1
Модель
80
Группа
Сцепление
Подгруппа
Сцепление
Порядковый номер детали
092
Артикул: 80-1601113-01
нет в наличии
Вал
Количество на схеме: 1
Информация
Вал
Количество
1
Примечание
Совместно с КП 16F+8R
Модель
80
Группа
Сцепление
Подгруппа
Сцепление
Порядковый номер детали
113
Артикул: 80-1601160
нет в наличии
Вал с подшипниками в сборе
Количество на схеме: 1
Информация
Вал с подшипниками в сборе
Количество
1
Примечание
46-1шт., 47-49, 50-1 шт., 51
Модель
80
Группа
Сцепление
Подгруппа
Сцепление
Порядковый номер детали
160
Артикул: 80-1601173
нет в наличии
Прокладка
Количество на схеме: 1
Информация
Прокладка
Количество
1
Модель
80
Группа
Сцепление
Подгруппа
Сцепление
Порядковый номер детали
173
Артикул: 80-1601180
нет в наличии
Шестерня 80-1601182 с осью, подшипником и кольцом в сборе
Количество на схеме: 1
Информация
Шестерня 80-1601182 с осью, подшипником и кольцом в сборе
Количество
1
Примечание
30-33
Модель
80
Группа
Сцепление
Подгруппа
Сцепление
Порядковый номер детали
180
Артикул: 80-1601181
нет в наличии
Ось
Количество на схеме: 1
Информация
Ось
Количество
1
Модель
80
Группа
Сцепление
Подгруппа
Сцепление
Порядковый номер детали
181
Артикул: 80-1601182
нет в наличии
Шестерня
Количество на схеме: 1
Информация
Шестерня
Количество
1
Модель
80
Группа
Сцепление
Подгруппа
Сцепление
Порядковый номер детали
182
Артикул: 80-1601190
нет в наличии
Вилка со штифтом в сборе
Количество на схеме: 1
Информация
Вилка со штифтом в сборе
Количество
1
Примечание
53, 54
Модель
80
Группа
Сцепление
Подгруппа
Сцепление
Порядковый номер детали
190
Артикул: 80-1601191
нет в наличии
Вилка
Количество на схеме: 1
Информация
Вилка
Количество
1
Модель
80
Группа
Сцепление
Подгруппа
Сцепление
Порядковый номер детали
191
Артикул: 80-1601219-Б
нет в наличии
Рычаг
Количество на схеме: 1
Информация
Рычаг
Количество
1
Модель
80
Группа
Сцепление
Подгруппа
Сцепление
Порядковый номер детали
219
Артикул: 80-1601318
нет в наличии
Планка
Количество на схеме: 1
Информация
Планка
Количество
1
Модель
80
Группа
Сцепление
Подгруппа
Сцепление
Порядковый номер детали
318
Артикул: 80-1601319
нет в наличии
Шайба
Количество на схеме: 1
Информация
Шайба
Количество
1
Модель
80
Группа
Сцепление
Подгруппа
Сцепление
Порядковый номер детали
319
Артикул: 80-1601356
нет в наличии
Шайба упорная
Количество на схеме: 1
Информация
Шайба упорная
Количество
1
Модель
80
Группа
Сцепление
Подгруппа
Сцепление
Порядковый номер детали
356
Артикул: 80-1601357-Б
нет в наличии
Шестерня
Количество на схеме: 1
Информация
Шестерня
Количество
1
Модель
80
Группа
Сцепление
Подгруппа
Сцепление
Порядковый номер детали
357
Артикул: 80-1701045
нет в наличии
Гайка
Количество на схеме: 1
Информация
Гайка
Количество
1
Модель
80
Группа
Коробка передач
Подгруппа
Коробка передач
Порядковый номер детали
045
Артикул: 80-4608024
нет в наличии
Кольцо
Количество на схеме: 1
Информация
Кольцо
Количество
1
Модель
80
Подгруппа
4608
Порядковый номер детали
024
Артикул: 80С-1601061
нет в наличии
Втулка
Количество на схеме: 1
Информация
Втулка
Количество
1
Примечание
Совместно с КП 16F+8R
Модель
80С
Группа
Сцепление
Подгруппа
Сцепление
Порядковый номер детали
061
Артикул: 85-1601026
нет в наличии
Вал
Количество на схеме: 1
Информация
Вал
Количество
1
Модель
85
Группа
Сцепление
Подгруппа
Сцепление
Порядковый номер детали
026
Артикул: 85-1601099
нет в наличии
Пластина
Количество на схеме: 1
Информация
Пластина
Количество
1
Модель
85
Группа
Сцепление
Подгруппа
Сцепление
Порядковый номер детали
099
Артикул: 85-1601111
нет в наличии
Валик
Количество на схеме: 1
Информация
Валик
Количество
1
Модель
85
Группа
Сцепление
Подгруппа
Сцепление
Порядковый номер детали
111
Артикул: 85-1601172
нет в наличии
Кронштейн
Количество на схеме: 1
Информация
Кронштейн
Количество
1
Модель
85
Группа
Сцепление
Подгруппа
Сцепление
Порядковый номер детали
172
Артикул: 85-1601203
нет в наличии
Вилка
Количество на схеме: 1
Информация
Вилка
Количество
1
Модель
85
Группа
Сцепление
Подгруппа
Сцепление
Порядковый номер детали
203
Артикул: 85-1601215
нет в наличии
Вал
Количество на схеме: 1
Информация
Вал
Количество
1
Модель
85
Группа
Сцепление
Подгруппа
Сцепление
Порядковый номер детали
215
Артикул: 986714К1С23
нет в наличии
Подшипник отводки
Количество на схеме: 1
Информация
Подшипник отводки
Количество
1
Покрытие
Артикул: БолтМ10-6gх20-88-35-019
нет в наличии
Болт
Количество на схеме: 1
Информация
Болт
Количество
1
Примечание
ГОСТ 7796-70
Артикул: БолтМ10-6gх25-88-35-019
нет в наличии
Болт
Количество на схеме: 2
Информация
Болт
Количество
2
Примечание
ГОСТ 7796-70
Артикул: БолтМ10-6gх30-88-35-019
нет в наличии
Болт
Количество на схеме: 1
Информация
Болт
Количество
1
Примечание
ГОСТ 7796-70
Артикул: БолтМ12-6gх35-88-35-019
нет в наличии
Болт
Количество на схеме: 1
Информация
Болт
Количество
1
Примечание
ГОСТ 7796-70
Артикул: ГайкаМ10-6Н-6-019
нет в наличии
Гайка
Количество на схеме: 6
Информация
Гайка
Количество
6
Примечание
ГОСТ 5915-70
Артикул: КК52х60х39Е
нет в наличии
Подшипник
Количество на схеме: 2
Информация
Подшипник
Количество
2
Примечание
664910Е ТУ РБ 00234873.003-99
Артикул: Манжета2-2-38х58-1
нет в наличии
Манжета
Количество на схеме: 1
Информация
Манжета
Количество
1
Примечание
ГОСТ 8752-79,ОСТ 3805146-78
Артикул: Проволока1,0-О-С
нет в наличии
Проволока 1,0-О-С
Количество на схеме: 1
Информация
Проволока 1,0-О-С
Количество
1
Примечание
ГОСТ 3282-74 L=150 мм
Артикул: С10-01-019
нет в наличии
Шайба
Количество на схеме: 1
Информация
Шайба
Количество
1
Примечание
ГОСТ 6958-78
Артикул: С105
нет в наличии
Кольцо
Количество на схеме: 1
Информация
Кольцо
Количество
1
Примечание
ГОСТ 13940-86
Артикул: С35
нет в наличии
Кольцо
Количество на схеме: 1
Информация
Кольцо
Количество
1
Примечание
ГОСТ 13940-86
Артикул: С45
нет в наличии
Кольцо
Количество на схеме: 1
Информация
Кольцо
Количество
1
Примечание
Совместно с КП 24F+12R, ГОСТ 13941-86
Артикул: С47
нет в наличии
Кольцо
Количество на схеме: 1
Информация
Кольцо
Количество
1
Примечание
ГОСТ 13943-86
Артикул: СШ-611
нет в наличии
Шпонка
Количество на схеме: 1
Информация
Шпонка
Количество
1
Примечание
6x11
Артикул: Шайба10-ОТ
нет в наличии
Шайба
Количество на схеме: 10
Информация
Шайба
Количество
10
Примечание
ОСТ 37.001.115-75
Артикул: Шайба12-ОТ
нет в наличии
Шайба
Количество на схеме: 1
Информация
Шайба
Количество
1
Примечание
ОСТ 37.001.115-75
Артикул: ШпилькаМ103р,6gх25-66-019
нет в наличии
Шпилька
Количество на схеме: 3
Информация
Шпилька
Количество
3
Примечание
ГОСТ 22034-76
Артикул: ШпилькаМ103р,6gх35-66-019
нет в наличии
Шпилька
Количество на схеме: 3
Информация
Шпилька
Количество
3
Примечание
ГОСТ 22034-76
  • Грузовые автомобили
  • Автобусы
  • Сельхозтехника
  • Спецтехника
  • Двигатели
Получить оптовый прайс-лист
Скачать прайс-лист от 07.05.2026 16:00
Специальное предложение от 07.05.2026 17:00
Производители:


  • WEICHAI
  • Автодизель ПАО (ЯМЗ)
  • Тутаевский МЗ
  • ЯЗДА
  • УралАЗ
  • МАЗ
  • АЗПИ
  • BOSCH
  • ММЗ
  • ШААЗ
  • FEDERAL MOGUL
  • ПРАМО
  • Мотордеталь
  • ТАИМ
  • АвтоКрАЗ
  • БЕЛКАРД
  • CZ Strakonice
  • КамАЗ
  • БЗА
  • ЧМЗ
  • BMZ
Новости
Все новости
25 марта 2024
Флагманский седельный тягач «Валдай 45» на выставке «TransRussia»
10 марта 2024
Современные автобусы «CITYMAX 9» и ЛиАЗ-5292 CNG
25 февраля 2024
Серийное производство средних дизельных двигателей повышенной мощности от ЯМЗ
Статьи
Все статьи
Датчики двигателя: за что они отвечают, признаки неисправности и как не прогадать с выбором
Двигатели ЯМЗ-534: история, технические характеристики и области применения
Двигатели ЯМЗ 650: углублённый технический обзор и история
Компания
О компании
Реквизиты
Новости
Политика
Магазины
Информация
Условия оплаты
Условия доставки
Гарантия на товар
Обмен и возврат товара
Помощь
Как оформить заказ
Полезные статьи
Бренды
Пункты выдачи
Оставайтесь на связи
  • Вконтакте
  • YouTube
  • Одноклассники
  • Google Plus
Увидели ошибку?
Выделите, нажав Ctrl + Enter
Наши контакты
8-800-700-35-68
sales@din76.ru
г. Ярославль, Ленинградский пр-т 33, ТЦ "ОМЕГА"
2026 © ООО «Динамика 76» - Все права защищены ООО "Динамика 76"
Предложения на сайте не являются публичной офертой.
На сайте обнаружена ошибка

Текст с ошибкой