Избранное 0 Корзина 0 Личный кабинет
logo
Каталог
Каталог
  • Справочник
    • Грузовые автомобили
    • Автобусы
    • Сельхозтехника
    • Спецтехника
    • Двигатели
  • Доставка
  • Оплата
  • О компании
    • Реквизиты
    • Магазины
    • Оплата
    • Доставка
    • Лицензии и сертификаты
    • Новости
    • Вакансии
  • Контакты
Отправить заявку
Личный кабинет
8 (800) 700-35-68
sales@din76.ru
Избранное 0 Корзина 0
8 (800) 700-35-68
Оптовый прайс-лист
Каталог
  • Двигатели
  • Запчасти WEICHAI
  • Запчасти ЯМЗ, ТМЗ (V-образные)
  • Запчасти ЯМЗ-534, ЯМЗ-536
  • Запчасти ЯМЗ-650, ЯМЗ-651, DCi-11
  • Топливная аппаратура
  • Запчасти УРАЛ
  • Запчасти МАЗ
  • Запчасти КамАЗ
  • Запчасти ММЗ
  • Ремни
Автокаталог (справочник)
  • Доставка
  • Оплата
  • О компании
  • Контакты
8 (800) 700-35-68
Написать в Whatsapp
sales@din76.ru
Динамика 76
Меню  
  • Каталог
    • Двигатели  
      • Двигатели ТМЗ  
        • Двигатели ТМЗ для автомобилей
        • Двигатели ТМЗ для тракторов
        • Специальные двигатели ТМЗ
        • Промышленные двигатели ТМЗ
      • Двигатели ЯМЗ  
        • ЯМЗ 236
        • ЯМЗ 238
        • ЯМЗ 240
        • ЯМЗ 751
        • ЯМЗ 840
        • ЯМЗ 850
        • ЯМЗ 656
        • ЯМЗ 658
        • ЯМЗ 534
        • ЯМЗ 536
        • ЯМЗ 650
        • Двигатели ЯМЗ для электростанций
      • Двигатели КАМАЗ
      • Двигатели ММЗ
      • Двигатели индивидуальной сборки
      • Комплекты переоборудования
    • Запчасти WEICHAI  
      • Основные запчасти двигателя  
        • Клапаны и толкатели
        • Шатуны
        • Вал коленчатый и маховик
        • Вал распределительный
        • Цилиндро-поршневая группа
      • Система питания  
        • Форсунки
        • Турбокомпрессор
      • Система смазки  
        • Насос масляный
      • Головка блока
      • Ремкомплекты
      • Система охлаждения  
        • Насос водяной
        • Муфта вязкостная и крыльчатка
      • Фильтры
      • Электрооборудование  
        • Генератор
        • Стартер
    • Запчасти ЯМЗ, ТМЗ (V-образные)  
      • Основные запчасти двигателя  
        • Блок двигателя и комплектующие
        • Валы распределительные и клапаны
        • Головка блока и комплектующие
        • Цилиндро-поршневая группа
        • Маховики и комплектующие
        • Валы коленчатые и комплектующие
        • Шатуны и комплектующие
      • Система питания  
        • Коллекторы и патрубки
        • Топливные трубопроводы
        • Турбокомпрессор
        • Топливные фильтры
      • Электрооборудование двигателя
      • Система охлаждения  
        • Вязкостные муфты и крыльчатки
        • Приводы вентилятора
        • Водяные насосы
        • Водяные трубы и термостаты
      • Коробки переключения передач  
        • 8 Ступенчатые КПП
        • 5 Ступенчатые КПП
        • 9 Ступенчатые КПП
        • Запасные части КПП ЯМЗ, ТМЗ
      • Система смазки  
        • Теплообменник и комплектующие
        • Масляные насосы
        • Фильтры масляные (ФГОМ, ФЦОМ)
      • Сцепление  
        • Запасные части механизма сцепления
        • Муфты (подшипники выжимные)
        • Корзины (диски нажимные)
        • Диски ведомые
      • Прочие запчасти двигателя  
        • Ремкомплекты
        • Привод агрегатов
        • Натяжные устройства
        • Трубки
    • Запчасти ЯМЗ-534, ЯМЗ-536  
      • Основные запчасти двигателя  
        • Цилиндро-поршневая группа
        • Головка блока цилиндров и комплектующие
        • Блок цилиндров и комплектующие
        • Вал коленчатый и маховик
        • Вал распределительный
        • Клапаны и толкатели
        • ГУР (Гидроусилитель руля)
        • Система рециркуляции отработавших газов
        • Выпускной коллектор
      • Система питания  
        • Коллекторы и патрубки
        • Топливные фильтры
        • Турбокомпрессор
        • Топливные трубопроводы
      • Система смазки  
        • Масляный картер поддон
        • Масляный насос
        • Теплообменник /Водо-масляный радиатор
        • Фильтры масляные (ФГОМ, ФЦОМ)
      • Пневмокомпрессор и натяжное
      • Система охлаждения  
        • Водяной насос
        • Водяные трубы и патрубки
        • Муфты вязкостные, приводы, крыльчатки
      • Ремкомплекты
      • Сцепление
      • Электрооборудование
    • Запчасти ЯМЗ-650, ЯМЗ-651, DCi-11  
      • Основные запчасти двигателя  
        • Цилиндро-поршневая группа
        • Головка блока цилиндров и комплектующие
        • Блок цилиндров и комплектующие
        • Вал коленчатый и маховик
        • Выпускной коллектор
        • Вал распределительный
        • Клапаны и толкатели
        • ГУР (Гидроусилитель руля)
        • Система рециркуляции отработавших газов
      • Система питания  
        • Коллекторы и патрубки
        • Топливные трубопроводы
        • Топливные фильтры
        • Турбокомпрессор
      • Система смазки  
        • Масляный картер / поддон
        • Масляный насос
        • Теплообменник / Водо-масляный радиатор
        • Фильтры масляные (ФГОМ, ФЦОМ)
      • Система охлаждения  
        • Водяной насос
        • Водяные трубы и патрубки
        • Муфты вязкостные, приводы, крыльчатки
      • Ремкомплекты
      • Пневмокомпрессор и натяжное
      • Электрооборудование
      • Сцепление
    • Топливная аппаратура  
      • ЯЗДА  
        • Распылители
        • ТНВД
        • Форсунки
        • Топливный насос низкого давления
        • Пары плунжерные
        • Муфта опережения впрыска топлива
        • Запчасти и комплектующие ТНВД
      • НЗТА
      • АЗПИ  
        • Распылители
        • Форсунки
      • BOSCH
    • Запчасти УРАЛ  
      • Трансмиссия  
        • Коробка раздаточная
        • Передача карданная
        • Мост задний
        • Мост передний (ведущий)
        • Мост средний (промежуточный)
      • Кузов  
        • Дверь кабины
        • Капот, крылья, облицовка радиатора
        • Окно ветровое и заднее
        • Отопление и вентиляция кабины
        • Кабина
      • Механизмы управления  
        • Управление рулевое
        • Тормоза
      • Дополнительное оборудование  
        • Отбор мощности
        • Устройство седельное
      • Электрооборудование
      • Ходовая часть  
        • Колеса и ступицы
        • Ось передняя
        • Подвеска автомобиля
        • Рама
    • Запчасти МАЗ  
      • Трансмиссия  
        • Мост задний
        • Мост передний (ведущий)
        • Передача карданная
        • Мост средний (промежуточный)
      • Кузов  
        • Кабина
        • Дверь кабины
        • Детали основания кабины
        • Окно ветровое и заднее
        • Платформа
      • Механизмы управления  
        • Тормоза
        • Управление рулевое
      • Ходовая часть  
        • Колеса и ступицы
        • Ось передняя
        • Подвеска автомобиля
        • Рама
    • Запчасти КамАЗ  
      • Кузов  
        • Кабина
        • Капот, крылья, облицовка радиатора
        • Дверь кабины
        • Платформа
        • Окно ветровое и заднее
        • Устройство подъемное и опрокидывающее
        • Сиденье
        • Крыша кабины (крыша кузова)
        • Отопление и вентиляция кабины
      • Трансмиссия  
        • Коробка передач
        • Коробка раздаточная
        • Мост задний
        • Сцепление
        • Мост средний (промежуточный)
        • Передача карданная
        • Мост передний (ведущий)
      • Двигатель  
        • Основные запчасти двигателя
        • Система охлаждения
        • Система питания
        • Система смазки
      • Дополнительное оборудование  
        • Отбор мощности
        • Устройство седельное
      • Ходовая часть  
        • Подвеска автомобиля
        • Рама
        • Колеса и ступицы
        • Ось передняя
      • Механизмы управления  
        • Тормоза
        • Управление рулевое
      • Электрооборудование
    • Запчасти ММЗ
    • Ремни
  • Справочник
    • Грузовые автомобили
    • Автобусы
    • Сельхозтехника
    • Спецтехника
    • Двигатели
  • Как купить
    • Условия оплаты
    • Условия доставки
    • Гарантия на товар
    • Пункты выдачи
  • Услуги
    • Капитальный ремонт двигателей ЯМЗ
  • Акции
  • Статьи
  • Контакты
  • Компания
    • Реквизиты
    • Магазины
    • Оплата
    • Доставка
    • Лицензии и сертификаты
    • Новости
    • Вакансии
Избранное 0 Корзина 0
8-800-700-35-68

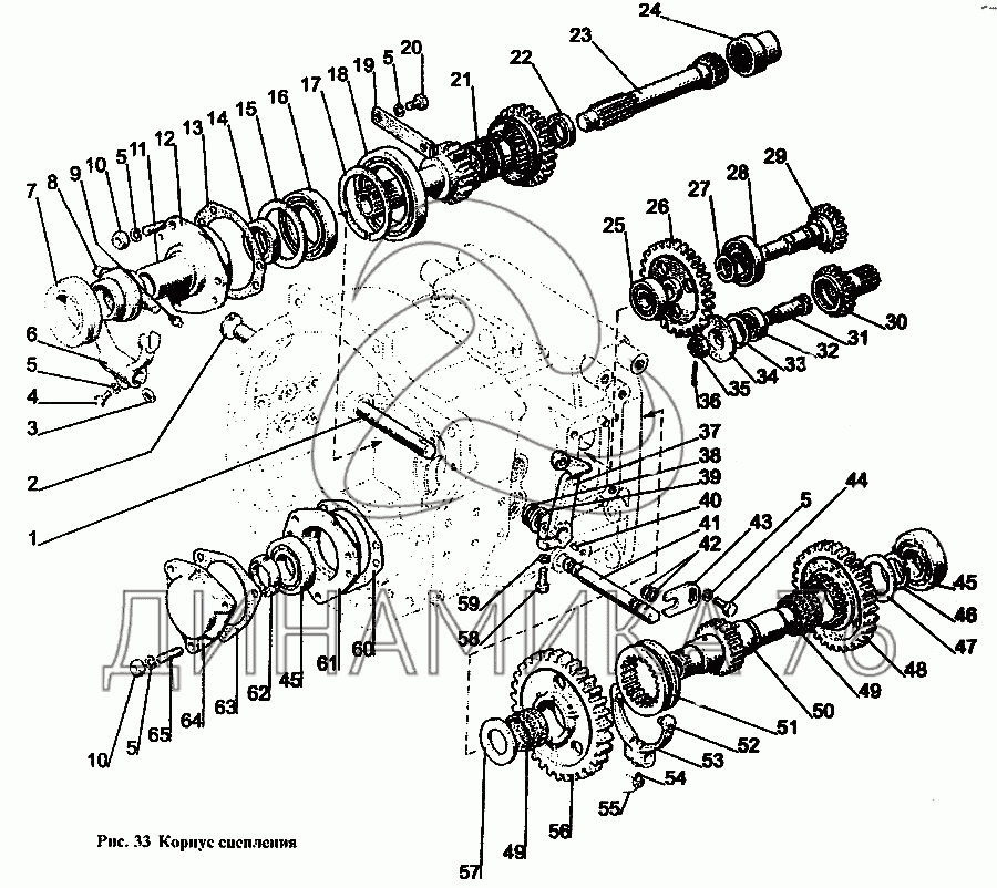
Корпус сцепления на МТЗ-1221 (до 1997 г.)

Справочник
Главная
-
Автокаталог
-
Сельхозтехника
-
МТЗ
-
МТЗ-1221
Справочный каталог

Корпус сцепления — МТЗ-1221:

50-1601180-А 80-1601040 80-1601050 80-1601070 80-1601160 80-1601180 80-1601190 85-1601030 1 2 3 4 5 5 5 5 5 6 7 8 9 10 10 11 12 13 14 15 16 17 18 19 20 21 22 23 24 25 26 27 28 29 30 31 32 33 34 35 36 37 38 39 40 41 42 43 44 45 45 46 47 48 49 49 50 51 52 53 54 55 56 57 58 59 60 61 62 63 64 65
в наличии
нет в наличии
масштаб

В наличии
Нет в наличии

Перечень комплектующих от Корпус сцепления на МТЗ-1221

Схемы запчастей предназначены для справочных целей! Мы продаем не все запчасти от Корпус сцепления на МТЗ-1221, представленные в этом списке.
Наличие на складах по деталям с ценой смотрите в карточке товара.
Артикул: 50-1601180-А
нет в наличии
Отводка с масленкой и подшипником упорным в сборе
Количество на схеме: 1
Информация
Отводка с масленкой и подшипником упорным в сборе
Количество
1
Модель
50
Группа
Сцепление
Подгруппа
Сцепление
Порядковый номер детали
180
Артикул: 80-1601040
нет в наличии
Стакан с гайкой в сборе
Количество на схеме: 1
Информация
Стакан с гайкой в сборе
Количество
1
Модель
80
Группа
Сцепление
Подгруппа
Сцепление
Порядковый номер детали
040
Артикул: 80-1601050
нет в наличии
Вал в сборе
Количество на схеме: 1
Информация
Вал в сборе
Количество
1
Модель
80
Группа
Сцепление
Подгруппа
Сцепление
Порядковый номер детали
050
Артикул: 80-1601070
нет в наличии
Шестерня с кольцом и подшипником в сборе
Количество на схеме: 1
Информация
Шестерня с кольцом и подшипником в сборе
Количество
1
Модель
80
Группа
Сцепление
Подгруппа
Сцепление
Порядковый номер детали
070
Артикул: 80-1601160
нет в наличии
Вал с подшипниками в сборе
Количество на схеме: 1
Информация
Вал с подшипниками в сборе
Количество
1
Модель
80
Группа
Сцепление
Подгруппа
Сцепление
Порядковый номер детали
160
Артикул: 80-1601180
нет в наличии
Шестерня 80-1601182 с осью, подшипником и кольцом в сборе
Количество на схеме: 1
Информация
Шестерня 80-1601182 с осью, подшипником и кольцом в сборе
Количество
1
Модель
80
Группа
Сцепление
Подгруппа
Сцепление
Порядковый номер детали
180
Артикул: 80-1601190
нет в наличии
Вилка со штифтом в сборе
Количество на схеме: 1
Информация
Вилка со штифтом в сборе
Количество
1
Модель
80
Группа
Сцепление
Подгруппа
Сцепление
Порядковый номер детали
190
Артикул: 85-1601030
нет в наличии
Кронштейн с манжетой в сборе
Количество на схеме: 1
Информация
Кронштейн с манжетой в сборе
Количество
1
Модель
85
Группа
Сцепление
Подгруппа
Сцепление
Порядковый номер детали
030
1
1
Артикул: 85-1601215
нет в наличии
Вал
Количество на схеме: 1
Информация
Вал
Количество
1
Модель
85
Группа
Сцепление
Подгруппа
Сцепление
Порядковый номер детали
215
2
2
Артикул: 35-005
нет в наличии
Заглушка
Количество на схеме: 1
Информация
Заглушка
Количество
1
3
3
Артикул: 50-1601218
нет в наличии
Шпонка
Количество на схеме: 1
Информация
Шпонка
Количество
1
Модель
50
Группа
Сцепление
Подгруппа
Сцепление
Порядковый номер детали
218
4
4
Артикул: М10х30
нет в наличии
Болт
Количество на схеме: 1
Информация
Болт
Количество
1
5
5
Артикул: SНР10
нет в наличии
Шайба
Количество на схеме: 8
Информация
Шайба
Количество
8
6
6
Артикул: 85-1601203
нет в наличии
Вилка
Количество на схеме: 1
Информация
Вилка
Количество
1
Модель
85
Группа
Сцепление
Подгруппа
Сцепление
Порядковый номер детали
203
7
7
Артикул: 986714КS17
нет в наличии
Подшипник упорный
Количество на схеме: 1
Информация
Подшипник упорный
Количество
1
Покрытие
8
8
Артикул: 50-1601185-А
нет в наличии
Отводка
Количество на схеме: 1
Информация
Отводка
Количество
1
Модель
50
Группа
Сцепление
Подгруппа
Сцепление
Порядковый номер детали
185
9
9
Артикул: 1-1-С6-hr
нет в наличии
Масленка
Количество на схеме: 1
Информация
Масленка
Количество
1
10
10
Артикул: М10
нет в наличии
Гайка
Количество на схеме: 6
Информация
Гайка
Количество
6
11
11
Артикул: М10х3Р/6х25
нет в наличии
Шпилька
Количество на схеме: 3
Информация
Шпилька
Количество
3
12
12
Артикул: 85-1601172
нет в наличии
Кронштейн
Количество на схеме: 1
Информация
Кронштейн
Количество
1
Модель
85
Группа
Сцепление
Подгруппа
Сцепление
Порядковый номер детали
172
13
13
Артикул: 80-1601173
нет в наличии
Прокладка
Количество на схеме: 1
Информация
Прокладка
Количество
1
Модель
80
Группа
Сцепление
Подгруппа
Сцепление
Порядковый номер детали
173
14
14
Артикул: 240-1002055
нет в наличии
Манжета 2.1-50х70-4
Количество на схеме: 1
Информация
Манжета 2.1-50х70-4
Количество
1
Модель
240
Группа
Двигатель
Подгруппа
Блок цилиндров
Порядковый номер детали
055
15
15
Артикул: 80-1601319
нет в наличии
Шайба
Количество на схеме: 1
Информация
Шайба
Количество
1
Модель
80
Группа
Сцепление
Подгруппа
Сцепление
Порядковый номер детали
319
16
16
Артикул: 115К5
нет в наличии
Подшипник
Количество на схеме: 1
Информация
Подшипник
Количество
1
17
17
Артикул: В105
нет в наличии
Кольцо
Количество на схеме: 1
Информация
Кольцо
Количество
1
18
18
Артикул: 5-1000921
нет в наличии
Подшипник
Количество на схеме: 1
Информация
Подшипник
Количество
1
Модель
5
Группа
Двигатель
Подгруппа
Двигатель в сборе
Порядковый номер детали
921
19
19
Артикул: 80-1601318
нет в наличии
Планка
Количество на схеме: 1
Информация
Планка
Количество
1
Модель
80
Группа
Сцепление
Подгруппа
Сцепление
Порядковый номер детали
318
20
20
Артикул: М10х25
нет в наличии
Болт
Количество на схеме: 2
Информация
Болт
Количество
2
21
21
Артикул: 80-1601026
нет в наличии
Вал
Количество на схеме: 1
Информация
Вал
Количество
1
Модель
80
Группа
Сцепление
Подгруппа
Сцепление
Порядковый номер детали
026
22
22
Артикул: 2-2-38х58-1
нет в наличии
Манжета
Количество на схеме: 1
Информация
Манжета
Количество
1
23
23
Артикул: 85-1601113
нет в наличии
Вал
Количество на схеме: 1
Информация
Вал
Количество
1
Модель
85
Группа
Сцепление
Подгруппа
Сцепление
Порядковый номер детали
113
24
24
Артикул: 80S-1601061
нет в наличии
Втулка
Количество на схеме: 1
Информация
Втулка
Количество
1
Модель
80S
Группа
Сцепление
Подгруппа
Сцепление
Порядковый номер детали
061
25
25
Артикул: 305А
нет в наличии
Подшипник
Количество на схеме: 1
Информация
Подшипник
Количество
1
26
26
Артикул: 80-1601357
нет в наличии
Шестерня
Количество на схеме: 1
Информация
Шестерня
Количество
1
Модель
80
Группа
Сцепление
Подгруппа
Сцепление
Порядковый номер детали
357
27
27
Артикул: 2В35
нет в наличии
Кольцо
Количество на схеме: 1
Информация
Кольцо
Количество
1
28
28
Артикул: 207
в наличии
Шарикоподшипник
Количество на схеме: 1
Информация
Шарикоподшипник
Количество
1
Подшипник компрессора ЗИЛ,МАЗ; привода ТНВД ГАЗ-4301
Артикул: 207
Подшипник компрессора ЗИЛ,МАЗ; привода ТНВД ГАЗ-4301
Код для заказа: 00045380
Цена: 194 ₽/шт.
Под заказ
Подшипник компрессора ЗИЛ,МАЗ; привода ТНВД ГАЗ-4301
Артикул: 207
Код для заказа: 00045380
Подшипник компрессора ЗИЛ,МАЗ; привода ТНВД ГАЗ-4301
Цена: 194 ₽/шт.
Под заказ
29
29
Артикул: 80-1601071
нет в наличии
Шестерня
Количество на схеме: 1
Информация
Шестерня
Количество
1
Модель
80
Группа
Сцепление
Подгруппа
Сцепление
Порядковый номер детали
071
30
30
Артикул: 80-1601182
нет в наличии
Шестерня
Количество на схеме: 1
Информация
Шестерня
Количество
1
Модель
80
Группа
Сцепление
Подгруппа
Сцепление
Порядковый номер детали
182
31
31
Артикул: 80-1601181
нет в наличии
Ось
Количество на схеме: 1
Информация
Ось
Количество
1
Модель
80
Группа
Сцепление
Подгруппа
Сцепление
Порядковый номер детали
181
32
32
Артикул: 204А
нет в наличии
Подшипник
Количество на схеме: 1
Информация
Подшипник
Количество
1
33
33
Артикул: В47
нет в наличии
Кольцо
Количество на схеме: 1
Информация
Кольцо
Количество
1
34
34
Артикул: 80-1601356
нет в наличии
Шайба упорная
Количество на схеме: 1
Информация
Шайба упорная
Количество
1
Модель
80
Группа
Сцепление
Подгруппа
Сцепление
Порядковый номер детали
356
35
35
Артикул: 70-3003032
нет в наличии
Гайка
Количество на схеме: 1
Информация
Гайка
Количество
1
Модель
70
Группа
Тяги рулевые. Оси передняя и задняя
Подгруппа
Тяги рулевые
Порядковый номер детали
032
36
36
Артикул: 3,2х25-001
нет в наличии
Шплинт
Количество на схеме: 1
Информация
Шплинт
Количество
1
37
37
Артикул: 85-1601217
нет в наличии
Рычаг
Количество на схеме: 1
Информация
Рычаг
Количество
1
Модель
85
Группа
Сцепление
Подгруппа
Сцепление
Порядковый номер детали
217
38
38
Артикул: SР-38-25-8
нет в наличии
Кольцо
Количество на схеме: 1
Информация
Кольцо
Количество
1
39
39
Артикул: 36-1601016
нет в наличии
Корпус пылеотражателя
Количество на схеме: 1
Информация
Корпус пылеотражателя
Количество
1
Модель
36
Группа
Сцепление
Подгруппа
Сцепление
Порядковый номер детали
016
40
40
Артикул: 6х11
нет в наличии
Шпонка сегментная
Количество на схеме: 1
Информация
Шпонка сегментная
Количество
1
41
41
Артикул: 85-1601111
нет в наличии
Валик
Количество на схеме: 1
Информация
Валик
Количество
1
Модель
85
Группа
Сцепление
Подгруппа
Сцепление
Порядковый номер детали
111
42
42
Артикул: 020-025-30-1-6
нет в наличии
Кольцо
Количество на схеме: 2
Информация
Кольцо
Количество
2
43
43
Артикул: 85-1601099
нет в наличии
Пластина
Количество на схеме: 1
Информация
Пластина
Количество
1
Модель
85
Группа
Сцепление
Подгруппа
Сцепление
Порядковый номер детали
099
44
44
Артикул: М10х20
нет в наличии
Болт
Количество на схеме: 1
Информация
Болт
Количество
1
45
45
Артикул: 209А
нет в наличии
Подшипник
Количество на схеме: 2
Информация
Подшипник
Количество
2
46
46
Артикул: 2V50
нет в наличии
Кольцо
Количество на схеме: 1
Информация
Кольцо
Количество
1
47
47
Артикул: 80-1601083
нет в наличии
Шайба
Количество на схеме: 1
Информация
Шайба
Количество
1
Модель
80
Группа
Сцепление
Подгруппа
Сцепление
Порядковый номер детали
083
48
48
Артикул: 80-1601086
нет в наличии
Шестерня
Количество на схеме: 1
Информация
Шестерня
Количество
1
Модель
80
Группа
Сцепление
Подгруппа
Сцепление
Порядковый номер детали
086
49
49
Артикул: 664910Е
в наличии
Подшипник
Количество на схеме: 2
Информация
Подшипник
Количество
2
Покрытие
без покрытия
Подшипник КПП ГАЗ-66,3310 вала вторичного, редуктора моста МАЗ-5440,6430 (ОАО ГАЗ)
Артикул: 664910Е
Подшипник КПП ГАЗ-66,3310 вала вторичного, редуктора моста МАЗ-5440,6430 (ОАО ГАЗ)
Код для заказа: 00045435
Цена: 211 ₽/шт.
Под заказ
Подшипник КПП ГАЗ-66,3310 вала вторичного, редуктора моста МАЗ-5440,6430 (ОАО ГАЗ)
Артикул: 664910Е
Код для заказа: 00045435
Подшипник КПП ГАЗ-66,3310 вала вторичного, редуктора моста МАЗ-5440,6430 (ОАО ГАЗ)
Цена: 211 ₽/шт.
Под заказ
Подшипник КПП ГАЗ-66,3310 вала вторичного; редуктора моста МАЗ-5440,6430
Артикул: 664910Е
Подшипник КПП ГАЗ-66,3310 вала вторичного; редуктора моста МАЗ-5440,6430
Код для заказа: 00045436
Цена: 242 ₽/шт.
Под заказ
Подшипник КПП ГАЗ-66,3310 вала вторичного; редуктора моста МАЗ-5440,6430
Артикул: 664910Е
Код для заказа: 00045436
Подшипник КПП ГАЗ-66,3310 вала вторичного; редуктора моста МАЗ-5440,6430
Цена: 242 ₽/шт.
Под заказ
50
50
Артикул: 80-1601021
нет в наличии
Вал
Количество на схеме: 1
Информация
Вал
Количество
1
Модель
80
Группа
Сцепление
Подгруппа
Сцепление
Порядковый номер детали
021
51
51
Артикул: 112-1701343
нет в наличии
Муфта
Количество на схеме: 1
Информация
Муфта
Количество
1
Модель
112
Группа
Коробка передач
Подгруппа
Коробка передач
Порядковый номер детали
343
52
52
Артикул: 70-1601114
нет в наличии
Штифт
Количество на схеме: 2
Информация
Штифт
Количество
2
Модель
70
Группа
Сцепление
Подгруппа
Сцепление
Порядковый номер детали
114
53
53
Артикул: 80-1601191
нет в наличии
Вилка
Количество на схеме: 1
Информация
Вилка
Количество
1
Модель
80
Группа
Сцепление
Подгруппа
Сцепление
Порядковый номер детали
191
54
54
Артикул: 50-4604046
нет в наличии
Болт вилки
Количество на схеме: 1
Информация
Болт вилки
Количество
1
Модель
50
Подгруппа
4604
Порядковый номер детали
046
55
55
Артикул: 1,0SН150
нет в наличии
Проволока
Количество на схеме: 1
Информация
Проволока
Количество
1
56
56
Артикул: 80-1601088
нет в наличии
Шестерня
Количество на схеме: 1
Информация
Шестерня
Количество
1
Модель
80
Группа
Сцепление
Подгруппа
Сцепление
Порядковый номер детали
088
57
57
Артикул: 80-1601082
нет в наличии
Шайба
Количество на схеме: 1
Информация
Шайба
Количество
1
Модель
80
Группа
Сцепление
Подгруппа
Сцепление
Порядковый номер детали
082
58
58
Артикул: М12х35
нет в наличии
Болт
Количество на схеме: 1
Информация
Болт
Количество
1
59
59
Артикул: SНР12
нет в наличии
Шайба
Количество на схеме: 1
Информация
Шайба
Количество
1
60
60
Артикул: 80-1601091
нет в наличии
Прикладка
Количество на схеме: 1
Информация
Прикладка
Количество
1
Модель
80
Группа
Сцепление
Подгруппа
Сцепление
Порядковый номер детали
091
61
61
Артикул: 80-1601041
нет в наличии
Стакан
Количество на схеме: 1
Информация
Стакан
Количество
1
Модель
80
Группа
Сцепление
Подгруппа
Сцепление
Порядковый номер детали
041
62
62
Артикул: 80-1701045
нет в наличии
Гайка
Количество на схеме: 1
Информация
Гайка
Количество
1
Модель
80
Группа
Коробка передач
Подгруппа
Коробка передач
Порядковый номер детали
045
63
63
Артикул: 80-1601092
нет в наличии
Прокладка
Количество на схеме: 1
Информация
Прокладка
Количество
1
Модель
80
Группа
Сцепление
Подгруппа
Сцепление
Порядковый номер детали
092
64
64
Артикул: 80-1601089
нет в наличии
Крышка
Количество на схеме: 1
Информация
Крышка
Количество
1
Модель
80
Группа
Сцепление
Подгруппа
Сцепление
Порядковый номер детали
089
65
65
Артикул: М10х3Р/6х35
нет в наличии
Шпилька
Количество на схеме: 3
Информация
Шпилька
Количество
3
  • Грузовые автомобили
  • Автобусы
  • Сельхозтехника
  • Спецтехника
  • Двигатели
Получить оптовый прайс-лист
Скачать прайс-лист от 06.05.2026 16:00
Специальное предложение от 06.05.2026 17:00
Производители:


  • WEICHAI
  • Автодизель ПАО (ЯМЗ)
  • Тутаевский МЗ
  • ЯЗДА
  • УралАЗ
  • МАЗ
  • АЗПИ
  • BOSCH
  • ММЗ
  • ШААЗ
  • FEDERAL MOGUL
  • ПРАМО
  • Мотордеталь
  • ТАИМ
  • АвтоКрАЗ
  • БЕЛКАРД
  • CZ Strakonice
  • КамАЗ
  • БЗА
  • ЧМЗ
  • BMZ
Новости
Все новости
25 марта 2024
Флагманский седельный тягач «Валдай 45» на выставке «TransRussia»
10 марта 2024
Современные автобусы «CITYMAX 9» и ЛиАЗ-5292 CNG
25 февраля 2024
Серийное производство средних дизельных двигателей повышенной мощности от ЯМЗ
Статьи
Все статьи
Датчики двигателя: за что они отвечают, признаки неисправности и как не прогадать с выбором
Двигатели ЯМЗ-534: история, технические характеристики и области применения
Двигатели ЯМЗ 650: углублённый технический обзор и история
Компания
О компании
Реквизиты
Новости
Политика
Магазины
Информация
Условия оплаты
Условия доставки
Гарантия на товар
Обмен и возврат товара
Помощь
Как оформить заказ
Полезные статьи
Бренды
Пункты выдачи
Оставайтесь на связи
  • Вконтакте
  • YouTube
  • Одноклассники
  • Google Plus
Увидели ошибку?
Выделите, нажав Ctrl + Enter
Наши контакты
8-800-700-35-68
sales@din76.ru
г. Ярославль, Ленинградский пр-т 33, ТЦ "ОМЕГА"
2026 © ООО «Динамика 76» - Все права защищены ООО "Динамика 76"
Предложения на сайте не являются публичной офертой.
На сайте обнаружена ошибка

Текст с ошибкой