Избранное 0 Корзина 0 Личный кабинет
logo
Каталог
Каталог
  • Справочник
    • Грузовые автомобили
    • Автобусы
    • Сельхозтехника
    • Спецтехника
    • Двигатели
  • Доставка
  • Оплата
  • О компании
    • Реквизиты
    • Магазины
    • Оплата
    • Доставка
    • Лицензии и сертификаты
    • Новости
    • Вакансии
  • Контакты
Отправить заявку
Личный кабинет
8 (800) 700-35-68
sales@din76.ru
Избранное 0 Корзина 0
8 (800) 700-35-68
Оптовый прайс-лист
Каталог
  • Двигатели
  • Запчасти WEICHAI
  • Запчасти ЯМЗ, ТМЗ (V-образные)
  • Запчасти ЯМЗ-534, ЯМЗ-536
  • Запчасти ЯМЗ-650, ЯМЗ-651, DCi-11
  • Топливная аппаратура
  • Запчасти УРАЛ
  • Запчасти МАЗ
  • Запчасти КамАЗ
  • Запчасти ММЗ
  • Ремни
Автокаталог (справочник)
  • Доставка
  • Оплата
  • О компании
  • Контакты
8 (800) 700-35-68
Написать в Whatsapp
sales@din76.ru
Динамика 76
Меню  
  • Каталог
    • Двигатели  
      • Двигатели ТМЗ  
        • Двигатели ТМЗ для автомобилей
        • Двигатели ТМЗ для тракторов
        • Специальные двигатели ТМЗ
        • Промышленные двигатели ТМЗ
      • Двигатели ЯМЗ  
        • ЯМЗ 236
        • ЯМЗ 238
        • ЯМЗ 240
        • ЯМЗ 751
        • ЯМЗ 840
        • ЯМЗ 850
        • ЯМЗ 656
        • ЯМЗ 658
        • ЯМЗ 534
        • ЯМЗ 536
        • ЯМЗ 650
        • Двигатели ЯМЗ для электростанций
      • Двигатели КАМАЗ
      • Двигатели ММЗ
      • Двигатели индивидуальной сборки
      • Комплекты переоборудования
    • Запчасти WEICHAI  
      • Основные запчасти двигателя  
        • Клапаны и толкатели
        • Шатуны
        • Вал коленчатый и маховик
        • Вал распределительный
        • Цилиндро-поршневая группа
      • Система питания  
        • Форсунки
        • Турбокомпрессор
      • Система смазки  
        • Насос масляный
      • Головка блока
      • Ремкомплекты
      • Система охлаждения  
        • Насос водяной
        • Муфта вязкостная и крыльчатка
      • Фильтры
      • Электрооборудование  
        • Генератор
        • Стартер
    • Запчасти ЯМЗ, ТМЗ (V-образные)  
      • Основные запчасти двигателя  
        • Блок двигателя и комплектующие
        • Валы распределительные и клапаны
        • Головка блока и комплектующие
        • Цилиндро-поршневая группа
        • Маховики и комплектующие
        • Валы коленчатые и комплектующие
        • Шатуны и комплектующие
      • Система питания  
        • Коллекторы и патрубки
        • Топливные трубопроводы
        • Турбокомпрессор
        • Топливные фильтры
      • Электрооборудование двигателя
      • Система охлаждения  
        • Вязкостные муфты и крыльчатки
        • Приводы вентилятора
        • Водяные насосы
        • Водяные трубы и термостаты
      • Коробки переключения передач  
        • 8 Ступенчатые КПП
        • 5 Ступенчатые КПП
        • 9 Ступенчатые КПП
        • Запасные части КПП ЯМЗ, ТМЗ
      • Система смазки  
        • Теплообменник и комплектующие
        • Масляные насосы
        • Фильтры масляные (ФГОМ, ФЦОМ)
      • Сцепление  
        • Запасные части механизма сцепления
        • Муфты (подшипники выжимные)
        • Корзины (диски нажимные)
        • Диски ведомые
      • Прочие запчасти двигателя  
        • Ремкомплекты
        • Привод агрегатов
        • Натяжные устройства
        • Трубки
    • Запчасти ЯМЗ-534, ЯМЗ-536  
      • Основные запчасти двигателя  
        • Цилиндро-поршневая группа
        • Головка блока цилиндров и комплектующие
        • Блок цилиндров и комплектующие
        • Вал коленчатый и маховик
        • Вал распределительный
        • Клапаны и толкатели
        • ГУР (Гидроусилитель руля)
        • Система рециркуляции отработавших газов
        • Выпускной коллектор
      • Система питания  
        • Коллекторы и патрубки
        • Топливные фильтры
        • Турбокомпрессор
        • Топливные трубопроводы
      • Система смазки  
        • Масляный картер поддон
        • Масляный насос
        • Теплообменник /Водо-масляный радиатор
        • Фильтры масляные (ФГОМ, ФЦОМ)
      • Пневмокомпрессор и натяжное
      • Система охлаждения  
        • Водяной насос
        • Водяные трубы и патрубки
        • Муфты вязкостные, приводы, крыльчатки
      • Ремкомплекты
      • Сцепление
      • Электрооборудование
    • Запчасти ЯМЗ-650, ЯМЗ-651, DCi-11  
      • Основные запчасти двигателя  
        • Цилиндро-поршневая группа
        • Головка блока цилиндров и комплектующие
        • Блок цилиндров и комплектующие
        • Вал коленчатый и маховик
        • Выпускной коллектор
        • Вал распределительный
        • Клапаны и толкатели
        • ГУР (Гидроусилитель руля)
        • Система рециркуляции отработавших газов
      • Система питания  
        • Коллекторы и патрубки
        • Топливные трубопроводы
        • Топливные фильтры
        • Турбокомпрессор
      • Система смазки  
        • Масляный картер / поддон
        • Масляный насос
        • Теплообменник / Водо-масляный радиатор
        • Фильтры масляные (ФГОМ, ФЦОМ)
      • Система охлаждения  
        • Водяной насос
        • Водяные трубы и патрубки
        • Муфты вязкостные, приводы, крыльчатки
      • Ремкомплекты
      • Пневмокомпрессор и натяжное
      • Электрооборудование
      • Сцепление
    • Топливная аппаратура  
      • ЯЗДА  
        • Распылители
        • ТНВД
        • Форсунки
        • Топливный насос низкого давления
        • Пары плунжерные
        • Муфта опережения впрыска топлива
        • Запчасти и комплектующие ТНВД
      • НЗТА
      • АЗПИ  
        • Распылители
        • Форсунки
      • BOSCH
    • Запчасти УРАЛ  
      • Трансмиссия  
        • Коробка раздаточная
        • Передача карданная
        • Мост задний
        • Мост передний (ведущий)
        • Мост средний (промежуточный)
      • Кузов  
        • Дверь кабины
        • Капот, крылья, облицовка радиатора
        • Окно ветровое и заднее
        • Отопление и вентиляция кабины
        • Кабина
      • Механизмы управления  
        • Управление рулевое
        • Тормоза
      • Дополнительное оборудование  
        • Отбор мощности
        • Устройство седельное
      • Электрооборудование
      • Ходовая часть  
        • Колеса и ступицы
        • Ось передняя
        • Подвеска автомобиля
        • Рама
    • Запчасти МАЗ  
      • Трансмиссия  
        • Мост задний
        • Мост передний (ведущий)
        • Передача карданная
        • Мост средний (промежуточный)
      • Кузов  
        • Кабина
        • Дверь кабины
        • Детали основания кабины
        • Окно ветровое и заднее
        • Платформа
      • Механизмы управления  
        • Тормоза
        • Управление рулевое
      • Ходовая часть  
        • Колеса и ступицы
        • Ось передняя
        • Подвеска автомобиля
        • Рама
    • Запчасти КамАЗ  
      • Кузов  
        • Кабина
        • Капот, крылья, облицовка радиатора
        • Дверь кабины
        • Платформа
        • Окно ветровое и заднее
        • Устройство подъемное и опрокидывающее
        • Сиденье
        • Крыша кабины (крыша кузова)
        • Отопление и вентиляция кабины
      • Трансмиссия  
        • Коробка передач
        • Коробка раздаточная
        • Мост задний
        • Сцепление
        • Мост средний (промежуточный)
        • Передача карданная
        • Мост передний (ведущий)
      • Двигатель  
        • Основные запчасти двигателя
        • Система охлаждения
        • Система питания
        • Система смазки
      • Дополнительное оборудование  
        • Отбор мощности
        • Устройство седельное
      • Ходовая часть  
        • Подвеска автомобиля
        • Рама
        • Колеса и ступицы
        • Ось передняя
      • Механизмы управления  
        • Тормоза
        • Управление рулевое
      • Электрооборудование
    • Запчасти ММЗ
    • Ремни
  • Справочник
    • Грузовые автомобили
    • Автобусы
    • Сельхозтехника
    • Спецтехника
    • Двигатели
  • Как купить
    • Условия оплаты
    • Условия доставки
    • Гарантия на товар
    • Пункты выдачи
  • Услуги
    • Капитальный ремонт двигателей ЯМЗ
  • Акции
  • Статьи
  • Контакты
  • Компания
    • Реквизиты
    • Магазины
    • Оплата
    • Доставка
    • Лицензии и сертификаты
    • Новости
    • Вакансии
Избранное 0 Корзина 0
8-800-700-35-68

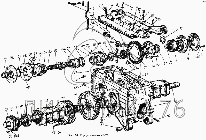
Корпус заднего моста на МТЗ-100

Справочник
Главная
-
Автокаталог
-
Сельхозтехника
-
МТЗ
-
МТЗ-100
Справочный каталог

Корпус заднего моста — МТЗ-100:

50-2401015 50-2401040 85-2401010 85-2403010 85-2403014-А 85-2403015 85-2403055 85-2407020 85-2407030-А 85-2407060-01 1 2 3 4 5 6 7 8 9 10 11 12 13 14 15 15 15 15 16 17 18 18 19 19 20 21 22 23 24 25 26 27 28 28 29 30 31 32 33 34 35 36 37 38 39 40 41 42 43 44 45 46 47 48 49 50 51 52 53 54 54 55 56 57 58 59 60 61 61 62 62 63 64 65 66 67 68 69 70
в наличии
нет в наличии
масштаб

В наличии
Нет в наличии

Перечень комплектующих от Корпус заднего моста на МТЗ-100

Схемы запчастей предназначены для справочных целей! Мы продаем не все запчасти от Корпус заднего моста на МТЗ-100, представленные в этом списке.
Наличие на складах по деталям с ценой смотрите в карточке товара.
Артикул: 50-2401015
нет в наличии
Корпус заднего моста в сборе
Количество на схеме: 1
Информация
Корпус заднего моста в сборе
Количество
1
Модель
50
Группа
Мост задний
Подгруппа
Картер заднего моста
Порядковый номер детали
015
Артикул: 50-2401040
нет в наличии
Валик управления в сборе
Количество на схеме: 1
Информация
Валик управления в сборе
Количество
1
Модель
50
Группа
Мост задний
Подгруппа
Картер заднего моста
Порядковый номер детали
040
Артикул: 85-2401010
нет в наличии
Задний мост в сборе
Количество на схеме: 1
Информация
Задний мост в сборе
Количество
1
Модель
85
Группа
Мост задний
Подгруппа
Картер заднего моста
Порядковый номер детали
010
Артикул: 85-2403010
нет в наличии
Дифференциал в сборе
Количество на схеме: 1
Информация
Дифференциал в сборе
Количество
1
Модель
85
Группа
Мост задний
Подгруппа
Дифференциал и полуоси заднего моста
Порядковый номер детали
010
Артикул: 85-2403014-А
нет в наличии
Комплект шестерен главной передачи
Количество на схеме: 1
Информация
Комплект шестерен главной передачи
Количество
1
Примечание
13
Модель
85
Группа
Мост задний
Подгруппа
Дифференциал и полуоси заднего моста
Порядковый номер детали
014
Артикул: 85-2403015
нет в наличии
Корпус дифференциала в сборе
Количество на схеме: 1
Информация
Корпус дифференциала в сборе
Количество
1
Модель
85
Группа
Мост задний
Подгруппа
Дифференциал и полуоси заднего моста
Порядковый номер детали
015
Артикул: 85-2403055
нет в наличии
Сателлит со втулкой в сборе
Количество на схеме: 4
Информация
Сателлит со втулкой в сборе
Количество
4
Модель
85
Группа
Мост задний
Подгруппа
Дифференциал и полуоси заднего моста
Порядковый номер детали
055
Артикул: 85-2407020
нет в наличии
Рукав полуоси в сборе
Количество на схеме: 2
Информация
Рукав полуоси в сборе
Количество
2
Модель
85
Группа
Мост задний
Подгруппа
2407
Порядковый номер детали
020
Артикул: 85-2407030-А
нет в наличии
Крышка рукава с манжетой в сборе
Количество на схеме: 2
Информация
Крышка рукава с манжетой в сборе
Количество
2
Модель
85
Группа
Мост задний
Подгруппа
2407
Порядковый номер детали
030
Артикул: 85-2407060-01
нет в наличии
Стакан в сборе
Количество на схеме: 1
Информация
Стакан в сборе
Количество
1
Модель
85
Группа
Мост задний
Подгруппа
2407
Порядковый номер детали
060
1
1
Артикул: 36-1310139
нет в наличии
Шарик
Количество на схеме: 1
Информация
Шарик
Количество
1
Модель
36
Группа
Система охлаждения
Подгруппа
Жалюзи радиатора
Порядковый номер детали
139
2
2
Артикул: 85-2401080
нет в наличии
Рычаг
Количество на схеме: 1
Информация
Рычаг
Количество
1
Модель
85
Группа
Мост задний
Подгруппа
Картер заднего моста
Порядковый номер детали
080
3
3
Артикул: 85-2401050
нет в наличии
Стойка
Количество на схеме: 1
Информация
Стойка
Количество
1
Модель
85
Группа
Мост задний
Подгруппа
Картер заднего моста
Порядковый номер детали
050
4
4
Артикул: 50-2401019-Б
нет в наличии
Валик управления
Количество на схеме: 1
Информация
Валик управления
Количество
1
Модель
50
Группа
Мост задний
Подгруппа
Картер заднего моста
Порядковый номер детали
019
5
5
Артикул: 020-025-30-1-4
нет в наличии
Кольцо
Количество на схеме: 1
Информация
Кольцо
Количество
1
6
6
Артикул: 50-2401031
нет в наличии
Шайба
Количество на схеме: 2
Информация
Шайба
Количество
2
Модель
50
Группа
Мост задний
Подгруппа
Картер заднего моста
Порядковый номер детали
031
7
7
Артикул: М20х60
нет в наличии
Болт
Количество на схеме: 4
Информация
Болт
Количество
4
8
8
Артикул: ШП20
нет в наличии
Шайба
Количество на схеме: 4
Информация
Шайба
Количество
4
9
9
Артикул: 85-2401024
нет в наличии
Крышка
Количество на схеме: 1
Информация
Крышка
Количество
1
Модель
85
Группа
Мост задний
Подгруппа
Картер заднего моста
Порядковый номер детали
024
10
10
Артикул: М10х25
нет в наличии
Болт
Количество на схеме: 2
Информация
Болт
Количество
2
11
11
Артикул: ШП10
нет в наличии
Шайба
Количество на схеме: 2
Информация
Шайба
Количество
2
12
12
Артикул: 85-2401026
нет в наличии
Крышка
Количество на схеме: 1
Информация
Крышка
Количество
1
Модель
85
Группа
Мост задний
Подгруппа
Картер заднего моста
Порядковый номер детали
026
13
13
Артикул: 85-4616031
нет в наличии
Прокладка
Количество на схеме: 1
Информация
Прокладка
Количество
1
Модель
85
Подгруппа
4616
Порядковый номер детали
031
14
14
Артикул: М12х40
нет в наличии
Болт
Количество на схеме: 17
Информация
Болт
Количество
17
15
15
Артикул: ШП12
нет в наличии
Шайба
Количество на схеме: 37
Информация
Шайба
Количество
37
16
16
Артикул: 85-2407043
нет в наличии
Кольцо
Количество на схеме: 1
Информация
Кольцо
Количество
1
Модель
85
Группа
Мост задний
Подгруппа
2407
Порядковый номер детали
043
17
17
Артикул: М12х35
нет в наличии
Болт
Количество на схеме: 4
Информация
Болт
Количество
4
18
18
Артикул: 50-2407059-А
нет в наличии
Крышка стакана
Количество на схеме: 2
Информация
Крышка стакана
Количество
2
Модель
50
Группа
Мост задний
Подгруппа
2407
Порядковый номер детали
059
19
19
Артикул: 50Х-2407042
нет в наличии
Стакан подшипников
Количество на схеме: 2
Информация
Стакан подшипников
Количество
2
Модель
50Х
Группа
Мост задний
Подгруппа
2407
Порядковый номер детали
042
20
20
Артикул: 70-2407053-05
нет в наличии
Шестерня
Количество на схеме: 1
Информация
Шестерня
Количество
1
Модель
70
Группа
Мост задний
Подгруппа
2407
Порядковый номер детали
053
21
21
Артикул: 7515-А
нет в наличии
Подшипник
Количество на схеме: 1
Информация
Подшипник
Количество
1
22
22
Артикул: 50-1702092
нет в наличии
Болт призонный М12х42
Количество на схеме: 1
Информация
Болт призонный М12х42
Количество
1
Модель
50
Группа
Коробка передач
Подгруппа
Механизм переключения передач
Порядковый номер детали
092
23
23
Артикул: 85-2403018
нет в наличии
Корпус
Количество на схеме: 1
Информация
Корпус
Количество
1
Модель
85
Группа
Мост задний
Подгруппа
Дифференциал и полуоси заднего моста
Порядковый номер детали
018
24
24
Артикул: 50-2403021-Б
нет в наличии
Шестерня ведомая главной передачи (в запасные части поставляется только в комплекте 50-2403014-А)
Количество на схеме: 1
Информация
Шестерня ведомая главной передачи (в запасные части поставляется только в комплекте 50-2403014-А)
Количество
1
Модель
50
Группа
Мост задний
Подгруппа
Дифференциал и полуоси заднего моста
Порядковый номер детали
021
25
25
Артикул: 50-2403023
нет в наличии
Пластина стопорная
Количество на схеме: 6
Информация
Пластина стопорная
Количество
6
Модель
50
Группа
Мост задний
Подгруппа
Дифференциал и полуоси заднего моста
Порядковый номер детали
023
26
26
Артикул: М12
нет в наличии
Гайка
Количество на схеме: 12
Информация
Гайка
Количество
12
27
27
Артикул: Д01-015
нет в наличии
Штифт установочный
Количество на схеме: 6
Информация
Штифт установочный
Количество
6
28
28
Артикул: 85-2047082
нет в наличии
Полуось
Количество на схеме: 2
Информация
Полуось
Количество
2
Модель
85
Группа
Привод гидравлический мостов полуприцепа
Подгруппа
2047
Порядковый номер детали
082
29
29
Артикул: 50-2401015-1
нет в наличии
Корпус
Количество на схеме: 1
Информация
Корпус
Количество
1
Модель
50
Группа
Мост задний
Подгруппа
Картер заднего моста
Порядковый номер детали
015
Дополнительно
Не взаимозаменяема с деталью, выпущенной ранее под этим же номером
30
30
Артикул: 50-2401028
нет в наличии
Шпилька
Количество на схеме: 4
Информация
Шпилька
Количество
4
Модель
50
Группа
Мост задний
Подгруппа
Картер заднего моста
Порядковый номер детали
028
31
31
Артикул: 80-2401032
нет в наличии
Втулка
Количество на схеме: 2
Информация
Втулка
Количество
2
Модель
80
Группа
Мост задний
Подгруппа
Картер заднего моста
Порядковый номер детали
032
32
32
Артикул: ПСМ1,1/4"
нет в наличии
Пробка магнитная
Количество на схеме: 1
Информация
Пробка магнитная
Количество
1
33
33
Артикул: 314
нет в наличии
Подшипник
Количество на схеме: 2
Информация
Подшипник
Количество
2
34
34
Артикул: ШП16
нет в наличии
Шайба
Количество на схеме: 11
Информация
Шайба
Количество
11
35
35
Артикул: М16х50
нет в наличии
Болт
Количество на схеме: 11
Информация
Болт
Количество
11
36
36
Артикул: М12х30
нет в наличии
Болт
Количество на схеме: 8
Информация
Болт
Количество
8
37
37
Артикул: 50-2407028-А
нет в наличии
Крышка
Количество на схеме: 2
Информация
Крышка
Количество
2
Модель
50
Группа
Мост задний
Подгруппа
2407
Порядковый номер детали
028
38
38
Артикул: 50-2407029
нет в наличии
Прокладка
Количество на схеме: 2
Информация
Прокладка
Количество
2
Модель
50
Группа
Мост задний
Подгруппа
2407
Порядковый номер детали
029
39
39
Артикул: 2-80х105-1
нет в наличии
Манжета
Количество на схеме: 4
Информация
Манжета
Количество
4
40
40
Артикул: В85
нет в наличии
Кольцо
Количество на схеме: 2
Информация
Кольцо
Количество
2
41
41
Артикул: 217КБ
нет в наличии
Подшипник
Количество на схеме: 2
Информация
Подшипник
Количество
2
42
42
Артикул: 50-2407018-А
нет в наличии
Рукав полуоси
Количество на схеме: 2
Информация
Рукав полуоси
Количество
2
Модель
50
Группа
Мост задний
Подгруппа
2407
Порядковый номер детали
018
43
43
Артикул: 50-2407031-Б
нет в наличии
Прокладка
Количество на схеме: 2
Информация
Прокладка
Количество
2
Модель
50
Группа
Мост задний
Подгруппа
2407
Порядковый номер детали
031
44
44
Артикул: 50-2407122-02
нет в наличии
Шестерня ведомая
Количество на схеме: 2
Информация
Шестерня ведомая
Количество
2
Модель
50
Группа
Мост задний
Подгруппа
2407
Порядковый номер детали
122
45
45
Артикул: 50-4605027
нет в наличии
Штифт
Количество на схеме: 2
Информация
Штифт
Количество
2
Модель
50
Подгруппа
4605
Порядковый номер детали
027
46
46
Артикул: 36-3502037-А
нет в наличии
Втулка
Количество на схеме: 2
Информация
Втулка
Количество
2
Модель
36
Группа
Тормоза
Подгруппа
Тормоза рабочие задние ножные и тормозные барабаны
Порядковый номер детали
037
47
47
Артикул: 50-2401016-Б
нет в наличии
Прокладка
Количество на схеме: 2
Информация
Прокладка
Количество
2
Модель
50
Группа
Мост задний
Подгруппа
Картер заднего моста
Порядковый номер детали
016
48
48
Артикул: 50-1601352
нет в наличии
Штифт
Количество на схеме: 4
Информация
Штифт
Количество
4
Модель
50
Группа
Сцепление
Подгруппа
Сцепление
Порядковый номер детали
352
49
49
Артикул: 2-50х70-1
нет в наличии
Манжета
Количество на схеме: 4
Информация
Манжета
Количество
4
50
50
Артикул: 104-110-40-1-4
нет в наличии
Кольцо
Количество на схеме: 2
Информация
Кольцо
Количество
2
51
51
Артикул: 50-2407056
нет в наличии
Прокладка (0,5 мм)
Количество на схеме: 12
Информация
Прокладка (0,5 мм)
Количество
12
Модель
50
Группа
Мост задний
Подгруппа
2407
Порядковый номер детали
056
52
52
Артикул: 50-2407057
нет в наличии
Прокладка (0,2 мм)
Количество на схеме: 10
Информация
Прокладка (0,2 мм)
Количество
10
Модель
50
Группа
Мост задний
Подгруппа
2407
Порядковый номер детали
057
53
53
Артикул: 160-165-36-1-4
нет в наличии
Кольцо
Количество на схеме: 2
Информация
Кольцо
Количество
2
54
54
Артикул: 6-42212КМ
нет в наличии
Подшипник
Количество на схеме: 4
Информация
Подшипник
Количество
4
55
55
Артикул: 035-040-30-1-4
нет в наличии
Кольцо
Количество на схеме: 4
Информация
Кольцо
Количество
4
56
56
Артикул: 70-2407053-04
нет в наличии
Шестерня
Количество на схеме: 1
Информация
Шестерня
Количество
1
Модель
70
Группа
Мост задний
Подгруппа
2407
Порядковый номер детали
053
57
57
Артикул: 50-2407043
нет в наличии
Кольцо упорное
Количество на схеме: 1
Информация
Кольцо упорное
Количество
1
Модель
50
Группа
Мост задний
Подгруппа
2407
Порядковый номер детали
043
58
58
Артикул: 7215НК1
нет в наличии
Подшипник
Количество на схеме: 1
Информация
Подшипник
Количество
1
59
59
Артикул: 50-2403034
нет в наличии
Болт
Количество на схеме: 8
Информация
Болт
Количество
8
Модель
50
Группа
Мост задний
Подгруппа
Дифференциал и полуоси заднего моста
Порядковый номер детали
034
60
60
Артикул: 85-2403019
нет в наличии
Крышка
Количество на схеме: 1
Информация
Крышка
Количество
1
Модель
85
Группа
Мост задний
Подгруппа
Дифференциал и полуоси заднего моста
Порядковый номер детали
019
61
61
Артикул: 50-2403049-Б
нет в наличии
Шайба опорная
Количество на схеме: 2
Информация
Шайба опорная
Количество
2
Модель
50
Группа
Мост задний
Подгруппа
Дифференциал и полуоси заднего моста
Порядковый номер детали
049
62
62
Артикул: 50-2403048
нет в наличии
Шестерня полуосевая
Количество на схеме: 2
Информация
Шестерня полуосевая
Количество
2
Модель
50
Группа
Мост задний
Подгруппа
Дифференциал и полуоси заднего моста
Порядковый номер детали
048
63
63
Артикул: 50-2403062-А2
нет в наличии
Крестовина
Количество на схеме: 1
Информация
Крестовина
Количество
1
Модель
50
Группа
Мост задний
Подгруппа
Дифференциал и полуоси заднего моста
Порядковый номер детали
062
64
64
Артикул: 85-2403057
нет в наличии
Сателлит
Количество на схеме: 4
Информация
Сателлит
Количество
4
Модель
85
Группа
Мост задний
Подгруппа
Дифференциал и полуоси заднего моста
Порядковый номер детали
057
65
65
Артикул: 85-2403025
нет в наличии
Шайба опорная
Количество на схеме: 4
Информация
Шайба опорная
Количество
4
Модель
85
Группа
Мост задний
Подгруппа
Дифференциал и полуоси заднего моста
Порядковый номер детали
025
66
66
Артикул: 85-2403056
нет в наличии
Втулка
Количество на схеме: 4
Информация
Втулка
Количество
4
Модель
85
Группа
Мост задний
Подгруппа
Дифференциал и полуоси заднего моста
Порядковый номер детали
056
67
67
Артикул: 50-2401020
нет в наличии
Поводок
Количество на схеме: 1
Информация
Поводок
Количество
1
Модель
50
Группа
Мост задний
Подгруппа
Картер заднего моста
Порядковый номер детали
020
68
68
Артикул: 36-1702110
нет в наличии
Винт установочный
Количество на схеме: 1
Информация
Винт установочный
Количество
1
Модель
36
Группа
Коробка передач
Подгруппа
Механизм переключения передач
Порядковый номер детали
110
69
69
Артикул: 1,6х200
нет в наличии
Проволока
Количество на схеме: 1
Информация
Проволока
Количество
1
70
70
Артикул: КЛТ-75Т
нет в наличии
Прокладка
Количество на схеме: 1
Информация
Прокладка
Количество
1
  • Грузовые автомобили
  • Автобусы
  • Сельхозтехника
  • Спецтехника
  • Двигатели
Получить оптовый прайс-лист
Скачать прайс-лист от 06.05.2026 16:00
Специальное предложение от 06.05.2026 17:00
Производители:


  • WEICHAI
  • Автодизель ПАО (ЯМЗ)
  • Тутаевский МЗ
  • ЯЗДА
  • УралАЗ
  • МАЗ
  • АЗПИ
  • BOSCH
  • ММЗ
  • ШААЗ
  • FEDERAL MOGUL
  • ПРАМО
  • Мотордеталь
  • ТАИМ
  • АвтоКрАЗ
  • БЕЛКАРД
  • CZ Strakonice
  • КамАЗ
  • БЗА
  • ЧМЗ
  • BMZ
Новости
Все новости
25 марта 2024
Флагманский седельный тягач «Валдай 45» на выставке «TransRussia»
10 марта 2024
Современные автобусы «CITYMAX 9» и ЛиАЗ-5292 CNG
25 февраля 2024
Серийное производство средних дизельных двигателей повышенной мощности от ЯМЗ
Статьи
Все статьи
Датчики двигателя: за что они отвечают, признаки неисправности и как не прогадать с выбором
Двигатели ЯМЗ-534: история, технические характеристики и области применения
Двигатели ЯМЗ 650: углублённый технический обзор и история
Компания
О компании
Реквизиты
Новости
Политика
Магазины
Информация
Условия оплаты
Условия доставки
Гарантия на товар
Обмен и возврат товара
Помощь
Как оформить заказ
Полезные статьи
Бренды
Пункты выдачи
Оставайтесь на связи
  • Вконтакте
  • YouTube
  • Одноклассники
  • Google Plus
Увидели ошибку?
Выделите, нажав Ctrl + Enter
Наши контакты
8-800-700-35-68
sales@din76.ru
г. Ярославль, Ленинградский пр-т 33, ТЦ "ОМЕГА"
2026 © ООО «Динамика 76» - Все права защищены ООО "Динамика 76"
Предложения на сайте не являются публичной офертой.
На сайте обнаружена ошибка

Текст с ошибкой