Избранное 0 Корзина 0 Личный кабинет
logo
Каталог
Каталог
  • Справочник
    • Грузовые автомобили
    • Автобусы
    • Сельхозтехника
    • Спецтехника
    • Двигатели
  • Доставка
  • Оплата
  • О компании
    • Реквизиты
    • Магазины
    • Оплата
    • Доставка
    • Лицензии и сертификаты
    • Новости
    • Вакансии
  • Контакты
Отправить заявку
Личный кабинет
8 (800) 700-35-68
sales@din76.ru
Избранное 0 Корзина 0
8 (800) 700-35-68
Оптовый прайс-лист
Каталог
  • Двигатели
  • Запчасти WEICHAI
  • Запчасти ЯМЗ, ТМЗ (V-образные)
  • Запчасти ЯМЗ-534, ЯМЗ-536
  • Запчасти ЯМЗ-650, ЯМЗ-651, DCi-11
  • Топливная аппаратура
  • Запчасти УРАЛ
  • Запчасти МАЗ
  • Запчасти КамАЗ
  • Запчасти ММЗ
  • Ремни
Автокаталог (справочник)
  • Доставка
  • Оплата
  • О компании
  • Контакты
8 (800) 700-35-68
Написать в Whatsapp
sales@din76.ru
Динамика 76
Меню  
  • Каталог
    • Двигатели  
      • Двигатели ТМЗ  
        • Двигатели ТМЗ для автомобилей
        • Двигатели ТМЗ для тракторов
        • Специальные двигатели ТМЗ
        • Промышленные двигатели ТМЗ
      • Двигатели ЯМЗ  
        • ЯМЗ 236
        • ЯМЗ 238
        • ЯМЗ 240
        • ЯМЗ 751
        • ЯМЗ 840
        • ЯМЗ 850
        • ЯМЗ 656
        • ЯМЗ 658
        • ЯМЗ 534
        • ЯМЗ 536
        • ЯМЗ 650
        • Двигатели ЯМЗ для электростанций
      • Двигатели КАМАЗ
      • Двигатели ММЗ
      • Двигатели индивидуальной сборки
      • Комплекты переоборудования
    • Запчасти WEICHAI  
      • Основные запчасти двигателя  
        • Клапаны и толкатели
        • Шатуны
        • Вал коленчатый и маховик
        • Вал распределительный
        • Цилиндро-поршневая группа
      • Система питания  
        • Форсунки
        • Турбокомпрессор
      • Система смазки  
        • Насос масляный
      • Головка блока
      • Ремкомплекты
      • Система охлаждения  
        • Насос водяной
        • Муфта вязкостная и крыльчатка
      • Фильтры
      • Электрооборудование  
        • Генератор
        • Стартер
    • Запчасти ЯМЗ, ТМЗ (V-образные)  
      • Основные запчасти двигателя  
        • Блок двигателя и комплектующие
        • Валы распределительные и клапаны
        • Головка блока и комплектующие
        • Цилиндро-поршневая группа
        • Маховики и комплектующие
        • Валы коленчатые и комплектующие
        • Шатуны и комплектующие
      • Система питания  
        • Коллекторы и патрубки
        • Топливные трубопроводы
        • Турбокомпрессор
        • Топливные фильтры
      • Электрооборудование двигателя
      • Система охлаждения  
        • Вязкостные муфты и крыльчатки
        • Приводы вентилятора
        • Водяные насосы
        • Водяные трубы и термостаты
      • Коробки переключения передач  
        • 8 Ступенчатые КПП
        • 5 Ступенчатые КПП
        • 9 Ступенчатые КПП
        • Запасные части КПП ЯМЗ, ТМЗ
      • Система смазки  
        • Теплообменник и комплектующие
        • Масляные насосы
        • Фильтры масляные (ФГОМ, ФЦОМ)
      • Сцепление  
        • Запасные части механизма сцепления
        • Муфты (подшипники выжимные)
        • Корзины (диски нажимные)
        • Диски ведомые
      • Прочие запчасти двигателя  
        • Ремкомплекты
        • Привод агрегатов
        • Натяжные устройства
        • Трубки
    • Запчасти ЯМЗ-534, ЯМЗ-536  
      • Основные запчасти двигателя  
        • Цилиндро-поршневая группа
        • Головка блока цилиндров и комплектующие
        • Блок цилиндров и комплектующие
        • Вал коленчатый и маховик
        • Вал распределительный
        • Клапаны и толкатели
        • ГУР (Гидроусилитель руля)
        • Система рециркуляции отработавших газов
        • Выпускной коллектор
      • Система питания  
        • Коллекторы и патрубки
        • Топливные фильтры
        • Турбокомпрессор
        • Топливные трубопроводы
      • Система смазки  
        • Масляный картер поддон
        • Масляный насос
        • Теплообменник /Водо-масляный радиатор
        • Фильтры масляные (ФГОМ, ФЦОМ)
      • Пневмокомпрессор и натяжное
      • Система охлаждения  
        • Водяной насос
        • Водяные трубы и патрубки
        • Муфты вязкостные, приводы, крыльчатки
      • Ремкомплекты
      • Сцепление
      • Электрооборудование
    • Запчасти ЯМЗ-650, ЯМЗ-651, DCi-11  
      • Основные запчасти двигателя  
        • Цилиндро-поршневая группа
        • Головка блока цилиндров и комплектующие
        • Блок цилиндров и комплектующие
        • Вал коленчатый и маховик
        • Выпускной коллектор
        • Вал распределительный
        • Клапаны и толкатели
        • ГУР (Гидроусилитель руля)
        • Система рециркуляции отработавших газов
      • Система питания  
        • Коллекторы и патрубки
        • Топливные трубопроводы
        • Топливные фильтры
        • Турбокомпрессор
      • Система смазки  
        • Масляный картер / поддон
        • Масляный насос
        • Теплообменник / Водо-масляный радиатор
        • Фильтры масляные (ФГОМ, ФЦОМ)
      • Система охлаждения  
        • Водяной насос
        • Водяные трубы и патрубки
        • Муфты вязкостные, приводы, крыльчатки
      • Ремкомплекты
      • Пневмокомпрессор и натяжное
      • Электрооборудование
      • Сцепление
    • Топливная аппаратура  
      • ЯЗДА  
        • Распылители
        • ТНВД
        • Форсунки
        • Топливный насос низкого давления
        • Пары плунжерные
        • Муфта опережения впрыска топлива
        • Запчасти и комплектующие ТНВД
      • НЗТА
      • АЗПИ  
        • Распылители
        • Форсунки
      • BOSCH
    • Запчасти УРАЛ  
      • Трансмиссия  
        • Коробка раздаточная
        • Передача карданная
        • Мост задний
        • Мост передний (ведущий)
        • Мост средний (промежуточный)
      • Кузов  
        • Дверь кабины
        • Капот, крылья, облицовка радиатора
        • Окно ветровое и заднее
        • Отопление и вентиляция кабины
        • Кабина
      • Механизмы управления  
        • Управление рулевое
        • Тормоза
      • Дополнительное оборудование  
        • Отбор мощности
        • Устройство седельное
      • Электрооборудование
      • Ходовая часть  
        • Колеса и ступицы
        • Ось передняя
        • Подвеска автомобиля
        • Рама
    • Запчасти МАЗ  
      • Трансмиссия  
        • Мост задний
        • Мост передний (ведущий)
        • Передача карданная
        • Мост средний (промежуточный)
      • Кузов  
        • Кабина
        • Дверь кабины
        • Детали основания кабины
        • Окно ветровое и заднее
        • Платформа
      • Механизмы управления  
        • Тормоза
        • Управление рулевое
      • Ходовая часть  
        • Колеса и ступицы
        • Ось передняя
        • Подвеска автомобиля
        • Рама
    • Запчасти КамАЗ  
      • Кузов  
        • Кабина
        • Капот, крылья, облицовка радиатора
        • Дверь кабины
        • Платформа
        • Окно ветровое и заднее
        • Устройство подъемное и опрокидывающее
        • Сиденье
        • Крыша кабины (крыша кузова)
        • Отопление и вентиляция кабины
      • Трансмиссия  
        • Коробка передач
        • Коробка раздаточная
        • Мост задний
        • Сцепление
        • Мост средний (промежуточный)
        • Передача карданная
        • Мост передний (ведущий)
      • Двигатель  
        • Основные запчасти двигателя
        • Система охлаждения
        • Система питания
        • Система смазки
      • Дополнительное оборудование  
        • Отбор мощности
        • Устройство седельное
      • Ходовая часть  
        • Подвеска автомобиля
        • Рама
        • Колеса и ступицы
        • Ось передняя
      • Механизмы управления  
        • Тормоза
        • Управление рулевое
      • Электрооборудование
    • Запчасти ММЗ
    • Ремни
  • Справочник
    • Грузовые автомобили
    • Автобусы
    • Сельхозтехника
    • Спецтехника
    • Двигатели
  • Как купить
    • Условия оплаты
    • Условия доставки
    • Гарантия на товар
    • Пункты выдачи
  • Услуги
    • Капитальный ремонт двигателей ЯМЗ
  • Акции
  • Статьи
  • Контакты
  • Компания
    • Реквизиты
    • Магазины
    • Оплата
    • Доставка
    • Лицензии и сертификаты
    • Новости
    • Вакансии
Избранное 0 Корзина 0
8-800-700-35-68

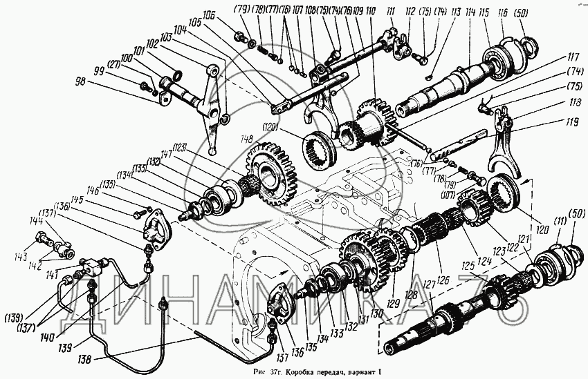
Коробка передач (вариант 1) на МТЗ-100

Справочник
Главная
-
Автокаталог
-
Сельхозтехника
-
МТЗ
-
МТЗ-100
Справочный каталог

Коробка передач (вариант 1) — МТЗ-100:

80-1700010 80-1701050 80-1701140 80-1701200 80-1701310 80-1701320 80-1701380 80-1701520 82-1700010 85-1700010 86-1700010 98 99 100 101 102 103 104 105 106 107 107 108 109 110 111 112 113 114 115 116 117 118 119 120 120 121 122 123 123 124 125 126 127 128 129 130 131 132 132 133 133 134 134 135 135 136 136 137 137 137 138 139 139 140 141 142 143 144 145 146 147 148
в наличии
нет в наличии
масштаб

В наличии
Нет в наличии

Перечень комплектующих от Коробка передач (вариант 1) на МТЗ-100

Схемы запчастей предназначены для справочных целей! Мы продаем не все запчасти от Коробка передач (вариант 1) на МТЗ-100, представленные в этом списке.
Наличие на складах по деталям с ценой смотрите в карточке товара.
Артикул: 80-1700010
нет в наличии
Коробка передач в сборе
Количество на схеме: 1
Информация
Коробка передач в сборе
Количество
1
Модель
80
Группа
Коробка передач
Подгруппа
Коробка передач в сборе
Порядковый номер детали
010
Артикул: 80-1701050
нет в наличии
Вал 80-1701252 в сборе
Количество на схеме: 1
Информация
Вал 80-1701252 в сборе
Количество
1
Модель
80
Группа
Коробка передач
Подгруппа
Коробка передач
Порядковый номер детали
050
Артикул: 80-1701140
нет в наличии
Гнездо с валом и подшипником в сборе
Количество на схеме: 1
Информация
Гнездо с валом и подшипником в сборе
Количество
1
Модель
80
Группа
Коробка передач
Подгруппа
Коробка передач
Порядковый номер детали
140
Артикул: 80-1701200
нет в наличии
Шестерня в сборе
Количество на схеме: 1
Информация
Шестерня в сборе
Количество
1
Модель
80
Группа
Коробка передач
Подгруппа
Коробка передач
Порядковый номер детали
200
Артикул: 80-1701310
нет в наличии
Стакан со штуцером и трубкой в сборе
Количество на схеме: 2
Информация
Стакан со штуцером и трубкой в сборе
Количество
2
Модель
80
Группа
Коробка передач
Подгруппа
Коробка передач
Порядковый номер детали
310
Артикул: 80-1701320
нет в наличии
Вал в сборе
Количество на схеме: 1
Информация
Вал в сборе
Количество
1
Модель
80
Группа
Коробка передач
Подгруппа
Коробка передач
Порядковый номер детали
320
Артикул: 80-1701380
нет в наличии
Поршень с шариком в сборе
Количество на схеме: 1
Информация
Поршень с шариком в сборе
Количество
1
Модель
80
Группа
Коробка передач
Подгруппа
Коробка передач
Порядковый номер детали
380
Артикул: 80-1701520
нет в наличии
Вал в сборе
Количество на схеме: 1
Информация
Вал в сборе
Количество
1
Модель
80
Группа
Коробка передач
Подгруппа
Коробка передач
Порядковый номер детали
520
Артикул: 82-1700010
нет в наличии
Коробка передач
Количество на схеме: 1
Информация
Коробка передач
Количество
1
Модель
82
Группа
Коробка передач
Подгруппа
Коробка передач в сборе
Порядковый номер детали
010
Артикул: 85-1700010
нет в наличии
Коробка передач
Количество на схеме: 1
Информация
Коробка передач
Количество
1
Модель
85
Группа
Коробка передач
Подгруппа
Коробка передач в сборе
Порядковый номер детали
010
Артикул: 86-1700010
нет в наличии
Коробка передач
Количество на схеме: 1
Информация
Коробка передач
Количество
1
Модель
86
Группа
Коробка передач
Подгруппа
Коробка передач в сборе
Порядковый номер детали
010
98
98
Артикул: 85-1702043
нет в наличии
Пластина
Количество на схеме: 1
Информация
Пластина
Количество
1
Модель
85
Группа
Коробка передач
Подгруппа
Механизм переключения передач
Порядковый номер детали
043
99
99
Артикул: М10х20
нет в наличии
Болт
Количество на схеме: 1
Информация
Болт
Количество
1
100
100
Артикул: 85-1702042
нет в наличии
Ось
Количество на схеме: 1
Информация
Ось
Количество
1
Модель
85
Группа
Коробка передач
Подгруппа
Механизм переключения передач
Порядковый номер детали
042
101
101
Артикул: 026-030-25-1-4
нет в наличии
Кольцо
Количество на схеме: 1
Информация
Кольцо
Количество
1
102
102
Артикул: 85-1702041
нет в наличии
Коромысло
Количество на схеме: 1
Информация
Коромысло
Количество
1
Модель
85
Группа
Коробка передач
Подгруппа
Механизм переключения передач
Порядковый номер детали
041
103
103
Артикул: 2625
нет в наличии
Кольцо
Количество на схеме: 1
Информация
Кольцо
Количество
1
104
104
Артикул: 85-5702049
нет в наличии
Палец сферический
Количество на схеме: 1
Информация
Палец сферический
Количество
1
Модель
85
Группа
Крыша кабины (кузова)
Подгруппа
Обивка крыши внутренняя
Порядковый номер детали
049
105
105
Артикул: 85-1702039
нет в наличии
Поводок
Количество на схеме: 1
Информация
Поводок
Количество
1
Модель
85
Группа
Коробка передач
Подгруппа
Механизм переключения передач
Порядковый номер детали
039
106
106
Артикул: 4М12х25
нет в наличии
Болт
Количество на схеме: 3
Информация
Болт
Количество
3
107
107
Артикул: 1-4h12х16
нет в наличии
Ось
Количество на схеме: 1
Информация
Ось
Количество
1
108
108
Артикул: 85-1702028
нет в наличии
Вилка
Количество на схеме: 1
Информация
Вилка
Количество
1
Модель
85
Группа
Коробка передач
Подгруппа
Механизм переключения передач
Порядковый номер детали
028
109
109
Артикул: 85-1702036
нет в наличии
Поводок
Количество на схеме: 1
Информация
Поводок
Количество
1
Модель
85
Группа
Коробка передач
Подгруппа
Механизм переключения передач
Порядковый номер детали
036
110
110
Артикул: 80-1701347
нет в наличии
Шестерня
Количество на схеме: 1
Информация
Шестерня
Количество
1
Модель
80
Группа
Коробка передач
Подгруппа
Коробка передач
Порядковый номер детали
347
111
111
Артикул: 85-1702044
нет в наличии
Поводок
Количество на схеме: 1
Информация
Поводок
Количество
1
Модель
85
Группа
Коробка передач
Подгруппа
Механизм переключения передач
Порядковый номер детали
044
112
112
Артикул: 85-1702045
нет в наличии
Поводок
Количество на схеме: 1
Информация
Поводок
Количество
1
Модель
85
Группа
Коробка передач
Подгруппа
Механизм переключения передач
Порядковый номер детали
045
113
113
Артикул: 6х10
нет в наличии
Заклепка
Количество на схеме: 1
Информация
Заклепка
Количество
1
114
114
Артикул: 80-1701325
нет в наличии
Вал
Количество на схеме: 1
Информация
Вал
Количество
1
Модель
80
Группа
Коробка передач
Подгруппа
Коробка передач
Порядковый номер детали
325
115
115
Артикул: 50309-К
нет в наличии
Подшипник
Количество на схеме: 2
Информация
Подшипник
Количество
2
116
116
Артикул: 100
нет в наличии
Кольцо
Количество на схеме: 2
Информация
Кольцо
Количество
2
117
117
Артикул: 85-1702046
нет в наличии
Палец
Количество на схеме: 1
Информация
Палец
Количество
1
Модель
85
Группа
Коробка передач
Подгруппа
Механизм переключения передач
Порядковый номер детали
046
118
118
Артикул: 85-1702027
нет в наличии
Вилка
Количество на схеме: 1
Информация
Вилка
Количество
1
Модель
85
Группа
Коробка передач
Подгруппа
Механизм переключения передач
Порядковый номер детали
027
119
119
Артикул: 85-1702035
нет в наличии
Поводок
Количество на схеме: 1
Информация
Поводок
Количество
1
Модель
85
Группа
Коробка передач
Подгруппа
Механизм переключения передач
Порядковый номер детали
035
120
120
Артикул: 80-1701343
нет в наличии
Муфта
Количество на схеме: 2
Информация
Муфта
Количество
2
Модель
80
Группа
Коробка передач
Подгруппа
Коробка передач
Порядковый номер детали
343
121
121
Артикул: 80-1701339
нет в наличии
Втулка
Количество на схеме: 1
Информация
Втулка
Количество
1
Модель
80
Группа
Коробка передач
Подгруппа
Коробка передач
Порядковый номер детали
339
122
122
Артикул: 80-1701351
нет в наличии
Шестерня
Количество на схеме: 1
Информация
Шестерня
Количество
1
Модель
80
Группа
Коробка передач
Подгруппа
Коробка передач
Порядковый номер детали
351
123
123
Артикул: 664910-Д
нет в наличии
Подшипник
Количество на схеме: 2
Информация
Подшипник
Количество
2
Покрытие
без покрытия
124
124
Артикул: 664714-Д
нет в наличии
Подшипник
Количество на схеме: 2
Информация
Подшипник
Количество
2
Покрытие
без покрытия
125
125
Артикул: 80-1701361
нет в наличии
Шестерня
Количество на схеме: 1
Информация
Шестерня
Количество
1
Модель
80
Группа
Коробка передач
Подгруппа
Коробка передач
Порядковый номер детали
361
126
126
Артикул: 80-1701346
нет в наличии
Втулка
Количество на схеме: 1
Информация
Втулка
Количество
1
Модель
80
Группа
Коробка передач
Подгруппа
Коробка передач
Порядковый номер детали
346
127
127
Артикул: 80-1701335
нет в наличии
Вал
Количество на схеме: 1
Информация
Вал
Количество
1
Модель
80
Группа
Коробка передач
Подгруппа
Коробка передач
Порядковый номер детали
335
128
128
Артикул: 2В70
нет в наличии
Кольцо
Количество на схеме: 1
Информация
Кольцо
Количество
1
129
129
Артикул: 80-1701344
нет в наличии
Шестерня
Количество на схеме: 1
Информация
Шестерня
Количество
1
Модель
80
Группа
Коробка передач
Подгруппа
Коробка передач
Порядковый номер детали
344
130
130
Артикул: 80-1701340
нет в наличии
Шестерня
Количество на схеме: 1
Информация
Шестерня
Количество
1
Модель
80
Группа
Коробка передач
Подгруппа
Коробка передач
Порядковый номер детали
340
131
131
Артикул: 80-1701306
нет в наличии
Шайба
Количество на схеме: 1
Информация
Шайба
Количество
1
Модель
80
Группа
Коробка передач
Подгруппа
Коробка передач
Порядковый номер детали
306
132
132
Артикул: 12507-КМ
нет в наличии
Подшипник
Количество на схеме: 2
Информация
Подшипник
Количество
2
133
133
Артикул: 80-1701305
нет в наличии
Шайба
Количество на схеме: 2
Информация
Шайба
Количество
2
Модель
80
Группа
Коробка передач
Подгруппа
Коробка передач
Порядковый номер детали
305
134
134
Артикул: 52-2308097
нет в наличии
Гайка
Количество на схеме: 2
Информация
Гайка
Количество
2
Модель
52
Группа
Мост ведущий передний
Подгруппа
2308
Порядковый номер детали
097
135
135
Артикул: 86-1701053
нет в наличии
Дроссель
Количество на схеме: 3
Информация
Дроссель
Количество
3
Модель
86
Группа
Коробка передач
Подгруппа
Коробка передач
Порядковый номер детали
053
136
136
Артикул: 80-1701311
нет в наличии
Стакан
Количество на схеме: 2
Информация
Стакан
Количество
2
Модель
80
Группа
Коробка передач
Подгруппа
Коробка передач
Порядковый номер детали
311
137
137
Артикул: 240-1404093
нет в наличии
Штуцер
Количество на схеме: 4
Информация
Штуцер
Количество
4
Модель
240
Группа
Система управления двигателем электронная
Подгруппа
1404
Порядковый номер детали
093
138
138
Артикул: 80-1701420
нет в наличии
Трубка
Количество на схеме: 1
Информация
Трубка
Количество
1
Модель
80
Группа
Коробка передач
Подгруппа
Коробка передач
Порядковый номер детали
420
139
139
Артикул: 80-1701430
нет в наличии
Трубка
Количество на схеме: 1
Информация
Трубка
Количество
1
Модель
80
Группа
Коробка передач
Подгруппа
Коробка передач
Порядковый номер детали
430
140
140
Артикул: 80-1701590
нет в наличии
Трубка
Количество на схеме: 1
Информация
Трубка
Количество
1
Модель
80
Группа
Коробка передач
Подгруппа
Коробка передач
Порядковый номер детали
590
141
141
Артикул: 80-1701057
нет в наличии
Штуцер
Количество на схеме: 1
Информация
Штуцер
Количество
1
Модель
80
Группа
Коробка передач
Подгруппа
Коробка передач
Порядковый номер детали
057
142
142
Артикул: Д18-055
нет в наличии
Шайба
Количество на схеме: 2
Информация
Шайба
Количество
2
143
143
Артикул: Д18-051
нет в наличии
Болт
Количество на схеме: 1
Информация
Болт
Количество
1
144
144
Артикул: 80-1701426
нет в наличии
Переходник
Количество на схеме: 1
Информация
Переходник
Количество
1
Модель
80
Группа
Коробка передач
Подгруппа
Коробка передач
Порядковый номер детали
426
145
145
Артикул: 4М8х25
нет в наличии
Болт
Количество на схеме: 4
Информация
Болт
Количество
4
146
146
Артикул: ШП8
нет в наличии
Шайба
Количество на схеме: 4
Информация
Шайба
Количество
4
147
147
Артикул: 80-1701332
нет в наличии
Шайба
Количество на схеме: 1
Информация
Шайба
Количество
1
Модель
80
Группа
Коробка передач
Подгруппа
Коробка передач
Порядковый номер детали
332
148
148
Артикул: 80-1701331
нет в наличии
Шестерня
Количество на схеме: 1
Информация
Шестерня
Количество
1
Модель
80
Группа
Коробка передач
Подгруппа
Коробка передач
Порядковый номер детали
331
  • Грузовые автомобили
  • Автобусы
  • Сельхозтехника
  • Спецтехника
  • Двигатели
Получить оптовый прайс-лист
Скачать прайс-лист от 06.05.2026 16:00
Специальное предложение от 06.05.2026 17:00
Производители:


  • WEICHAI
  • Автодизель ПАО (ЯМЗ)
  • Тутаевский МЗ
  • ЯЗДА
  • УралАЗ
  • МАЗ
  • АЗПИ
  • BOSCH
  • ММЗ
  • ШААЗ
  • FEDERAL MOGUL
  • ПРАМО
  • Мотордеталь
  • ТАИМ
  • АвтоКрАЗ
  • БЕЛКАРД
  • CZ Strakonice
  • КамАЗ
  • БЗА
  • ЧМЗ
  • BMZ
Новости
Все новости
25 марта 2024
Флагманский седельный тягач «Валдай 45» на выставке «TransRussia»
10 марта 2024
Современные автобусы «CITYMAX 9» и ЛиАЗ-5292 CNG
25 февраля 2024
Серийное производство средних дизельных двигателей повышенной мощности от ЯМЗ
Статьи
Все статьи
Датчики двигателя: за что они отвечают, признаки неисправности и как не прогадать с выбором
Двигатели ЯМЗ-534: история, технические характеристики и области применения
Двигатели ЯМЗ 650: углублённый технический обзор и история
Компания
О компании
Реквизиты
Новости
Политика
Магазины
Информация
Условия оплаты
Условия доставки
Гарантия на товар
Обмен и возврат товара
Помощь
Как оформить заказ
Полезные статьи
Бренды
Пункты выдачи
Оставайтесь на связи
  • Вконтакте
  • YouTube
  • Одноклассники
  • Google Plus
Увидели ошибку?
Выделите, нажав Ctrl + Enter
Наши контакты
8-800-700-35-68
sales@din76.ru
г. Ярославль, Ленинградский пр-т 33, ТЦ "ОМЕГА"
2026 © ООО «Динамика 76» - Все права защищены ООО "Динамика 76"
Предложения на сайте не являются публичной офертой.
На сайте обнаружена ошибка

Текст с ошибкой