Избранное 0 Корзина 0 Личный кабинет
logo
Каталог
Каталог
  • Справочник
    • Грузовые автомобили
    • Автобусы
    • Сельхозтехника
    • Спецтехника
    • Двигатели
  • Доставка
  • Оплата
  • О компании
    • Реквизиты
    • Магазины
    • Оплата
    • Доставка
    • Лицензии и сертификаты
    • Новости
    • Вакансии
  • Контакты
Отправить заявку
Личный кабинет
8 (800) 700-35-68
sales@din76.ru
Избранное 0 Корзина 0
8 (800) 700-35-68
Оптовый прайс-лист
Каталог
  • Двигатели
  • Запчасти WEICHAI
  • Запчасти ЯМЗ, ТМЗ (V-образные)
  • Запчасти ЯМЗ-534, ЯМЗ-536
  • Запчасти ЯМЗ-650, ЯМЗ-651, DCi-11
  • Топливная аппаратура
  • Запчасти УРАЛ
  • Запчасти МАЗ
  • Запчасти КамАЗ
  • Запчасти ММЗ
  • Ремни
Автокаталог (справочник)
  • Доставка
  • Оплата
  • О компании
  • Контакты
8 (800) 700-35-68
Написать в Whatsapp
sales@din76.ru
Динамика 76
Меню  
  • Каталог
    • Двигатели  
      • Двигатели ТМЗ  
        • Двигатели ТМЗ для автомобилей
        • Двигатели ТМЗ для тракторов
        • Специальные двигатели ТМЗ
        • Промышленные двигатели ТМЗ
      • Двигатели ЯМЗ  
        • ЯМЗ 236
        • ЯМЗ 238
        • ЯМЗ 240
        • ЯМЗ 751
        • ЯМЗ 840
        • ЯМЗ 850
        • ЯМЗ 656
        • ЯМЗ 658
        • ЯМЗ 534
        • ЯМЗ 536
        • ЯМЗ 650
        • Двигатели ЯМЗ для электростанций
      • Двигатели КАМАЗ
      • Двигатели ММЗ
      • Двигатели индивидуальной сборки
      • Комплекты переоборудования
    • Запчасти WEICHAI  
      • Основные запчасти двигателя  
        • Клапаны и толкатели
        • Шатуны
        • Вал коленчатый и маховик
        • Вал распределительный
        • Цилиндро-поршневая группа
      • Система питания  
        • Форсунки
        • Турбокомпрессор
      • Система смазки  
        • Насос масляный
      • Головка блока
      • Ремкомплекты
      • Система охлаждения  
        • Насос водяной
        • Муфта вязкостная и крыльчатка
      • Фильтры
      • Электрооборудование  
        • Генератор
        • Стартер
    • Запчасти ЯМЗ, ТМЗ (V-образные)  
      • Основные запчасти двигателя  
        • Блок двигателя и комплектующие
        • Валы распределительные и клапаны
        • Головка блока и комплектующие
        • Цилиндро-поршневая группа
        • Маховики и комплектующие
        • Валы коленчатые и комплектующие
        • Шатуны и комплектующие
      • Система питания  
        • Коллекторы и патрубки
        • Топливные трубопроводы
        • Турбокомпрессор
        • Топливные фильтры
      • Электрооборудование двигателя
      • Система охлаждения  
        • Вязкостные муфты и крыльчатки
        • Приводы вентилятора
        • Водяные насосы
        • Водяные трубы и термостаты
      • Коробки переключения передач  
        • 8 Ступенчатые КПП
        • 5 Ступенчатые КПП
        • 9 Ступенчатые КПП
        • Запасные части КПП ЯМЗ, ТМЗ
      • Система смазки  
        • Теплообменник и комплектующие
        • Масляные насосы
        • Фильтры масляные (ФГОМ, ФЦОМ)
      • Сцепление  
        • Запасные части механизма сцепления
        • Муфты (подшипники выжимные)
        • Корзины (диски нажимные)
        • Диски ведомые
      • Прочие запчасти двигателя  
        • Ремкомплекты
        • Привод агрегатов
        • Натяжные устройства
        • Трубки
    • Запчасти ЯМЗ-534, ЯМЗ-536  
      • Основные запчасти двигателя  
        • Цилиндро-поршневая группа
        • Головка блока цилиндров и комплектующие
        • Блок цилиндров и комплектующие
        • Вал коленчатый и маховик
        • Вал распределительный
        • Клапаны и толкатели
        • ГУР (Гидроусилитель руля)
        • Система рециркуляции отработавших газов
        • Выпускной коллектор
      • Система питания  
        • Коллекторы и патрубки
        • Топливные фильтры
        • Турбокомпрессор
        • Топливные трубопроводы
      • Система смазки  
        • Масляный картер поддон
        • Масляный насос
        • Теплообменник /Водо-масляный радиатор
        • Фильтры масляные (ФГОМ, ФЦОМ)
      • Пневмокомпрессор и натяжное
      • Система охлаждения  
        • Водяной насос
        • Водяные трубы и патрубки
        • Муфты вязкостные, приводы, крыльчатки
      • Ремкомплекты
      • Сцепление
      • Электрооборудование
    • Запчасти ЯМЗ-650, ЯМЗ-651, DCi-11  
      • Основные запчасти двигателя  
        • Цилиндро-поршневая группа
        • Головка блока цилиндров и комплектующие
        • Блок цилиндров и комплектующие
        • Вал коленчатый и маховик
        • Выпускной коллектор
        • Вал распределительный
        • Клапаны и толкатели
        • ГУР (Гидроусилитель руля)
        • Система рециркуляции отработавших газов
      • Система питания  
        • Коллекторы и патрубки
        • Топливные трубопроводы
        • Топливные фильтры
        • Турбокомпрессор
      • Система смазки  
        • Масляный картер / поддон
        • Масляный насос
        • Теплообменник / Водо-масляный радиатор
        • Фильтры масляные (ФГОМ, ФЦОМ)
      • Система охлаждения  
        • Водяной насос
        • Водяные трубы и патрубки
        • Муфты вязкостные, приводы, крыльчатки
      • Ремкомплекты
      • Пневмокомпрессор и натяжное
      • Электрооборудование
      • Сцепление
    • Топливная аппаратура  
      • ЯЗДА  
        • Распылители
        • ТНВД
        • Форсунки
        • Топливный насос низкого давления
        • Пары плунжерные
        • Муфта опережения впрыска топлива
        • Запчасти и комплектующие ТНВД
      • НЗТА
      • АЗПИ  
        • Распылители
        • Форсунки
      • BOSCH
    • Запчасти УРАЛ  
      • Трансмиссия  
        • Коробка раздаточная
        • Передача карданная
        • Мост задний
        • Мост передний (ведущий)
        • Мост средний (промежуточный)
      • Кузов  
        • Дверь кабины
        • Капот, крылья, облицовка радиатора
        • Окно ветровое и заднее
        • Отопление и вентиляция кабины
        • Кабина
      • Механизмы управления  
        • Управление рулевое
        • Тормоза
      • Дополнительное оборудование  
        • Отбор мощности
        • Устройство седельное
      • Электрооборудование
      • Ходовая часть  
        • Колеса и ступицы
        • Ось передняя
        • Подвеска автомобиля
        • Рама
    • Запчасти МАЗ  
      • Трансмиссия  
        • Мост задний
        • Мост передний (ведущий)
        • Передача карданная
        • Мост средний (промежуточный)
      • Кузов  
        • Кабина
        • Дверь кабины
        • Детали основания кабины
        • Окно ветровое и заднее
        • Платформа
      • Механизмы управления  
        • Тормоза
        • Управление рулевое
      • Ходовая часть  
        • Колеса и ступицы
        • Ось передняя
        • Подвеска автомобиля
        • Рама
    • Запчасти КамАЗ  
      • Кузов  
        • Кабина
        • Капот, крылья, облицовка радиатора
        • Дверь кабины
        • Платформа
        • Окно ветровое и заднее
        • Устройство подъемное и опрокидывающее
        • Сиденье
        • Крыша кабины (крыша кузова)
        • Отопление и вентиляция кабины
      • Трансмиссия  
        • Коробка передач
        • Коробка раздаточная
        • Мост задний
        • Сцепление
        • Мост средний (промежуточный)
        • Передача карданная
        • Мост передний (ведущий)
      • Двигатель  
        • Основные запчасти двигателя
        • Система охлаждения
        • Система питания
        • Система смазки
      • Дополнительное оборудование  
        • Отбор мощности
        • Устройство седельное
      • Ходовая часть  
        • Подвеска автомобиля
        • Рама
        • Колеса и ступицы
        • Ось передняя
      • Механизмы управления  
        • Тормоза
        • Управление рулевое
      • Электрооборудование
    • Запчасти ММЗ
    • Ремни
  • Справочник
    • Грузовые автомобили
    • Автобусы
    • Сельхозтехника
    • Спецтехника
    • Двигатели
  • Как купить
    • Условия оплаты
    • Условия доставки
    • Гарантия на товар
    • Пункты выдачи
  • Услуги
    • Капитальный ремонт двигателей ЯМЗ
  • Акции
  • Статьи
  • Контакты
  • Компания
    • Реквизиты
    • Магазины
    • Оплата
    • Доставка
    • Лицензии и сертификаты
    • Новости
    • Вакансии
Избранное 0 Корзина 0
8-800-700-35-68

Кабина трактора на МТЗ-100

Справочник
Главная
-
Автокаталог
-
Сельхозтехника
-
МТЗ
-
МТЗ-100
Справочный каталог

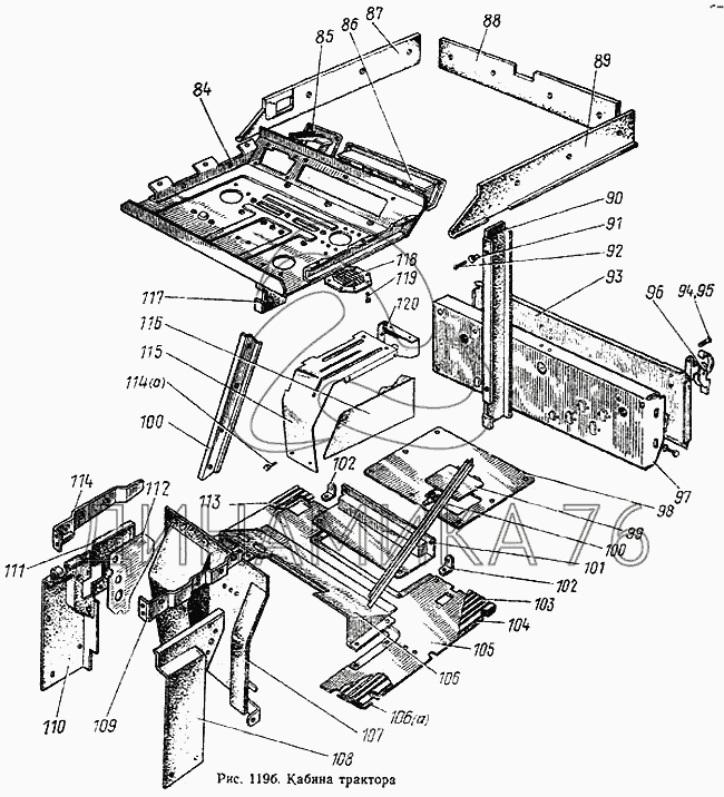
Кабина трактора — МТЗ-100:

84 85 86 87 88 89 90 91 92 93 94 95 96 97 98 99 100 100 101 102 102 103 104 105 106 107 108 109 110 111 112 113 114 115 116 117 118 119 120 1060 1060 1140
в наличии
нет в наличии
масштаб

В наличии
Нет в наличии

Перечень комплектующих от Кабина трактора на МТЗ-100

Схемы запчастей предназначены для справочных целей! Мы продаем не все запчасти от Кабина трактора на МТЗ-100, представленные в этом списке.
Наличие на складах по деталям с ценой смотрите в карточке товара.
84
84
Артикул: 80-8101020
нет в наличии
Панель
Количество на схеме: 1
Информация
Панель
Количество
1
Модель
80
Группа
Отопление и вентиляция кабины
Подгруппа
Отопитель (кузова)
Порядковый номер детали
020
85
85
Артикул: 80-3801328
нет в наличии
Щиток
Количество на схеме: 1
Информация
Щиток
Количество
1
Модель
80
Группа
Приборы
Подгруппа
Щиток приборов (комбинация)
Порядковый номер детали
328
86
86
Артикул: 80-3801311
нет в наличии
Щиток
Количество на схеме: 1
Информация
Щиток
Количество
1
Модель
80
Группа
Приборы
Подгруппа
Щиток приборов (комбинация)
Порядковый номер детали
311
87
87
Артикул: 80-6700050
нет в наличии
Накладка
Количество на схеме: 1
Информация
Накладка
Количество
1
Модель
80
Подгруппа
6700
Порядковый номер детали
050
88
88
Артикул: 80-6700070
нет в наличии
Накладка
Количество на схеме: 1
Информация
Накладка
Количество
1
Модель
80
Подгруппа
6700
Порядковый номер детали
070
89
89
Артикул: 80-6700065
нет в наличии
Накладка
Количество на схеме: 1
Информация
Накладка
Количество
1
Модель
80
Подгруппа
6700
Порядковый номер детали
065
90
90
Артикул: 85-6700060
нет в наличии
Накладка
Количество на схеме: 1
Информация
Накладка
Количество
1
Модель
85
Подгруппа
6700
Порядковый номер детали
060
91
91
Артикул: А37-10-031
нет в наличии
Бонка
Количество на схеме: 32
Информация
Бонка
Количество
32
92
92
Артикул: 2Б4х25
нет в наличии
Шуруп
Количество на схеме: 32
Информация
Шуруп
Количество
32
93
93
Артикул: 85-6702125
нет в наличии
Панель
Количество на схеме: 1
Информация
Панель
Количество
1
Модель
85
Подгруппа
6702
Порядковый номер детали
125
94
94
Артикул: М4х12
нет в наличии
Винт
Количество на схеме: 4
Информация
Винт
Количество
4
95
95
Артикул: М4
нет в наличии
Гайка
Количество на схеме: 4
Информация
Гайка
Количество
4
96
96
Артикул: А37-09-060
нет в наличии
Защелка
Количество на схеме: 2
Информация
Защелка
Количество
2
97
97
Артикул: 80-6702135
нет в наличии
Панель
Количество на схеме: 1
Информация
Панель
Количество
1
Модель
80
Подгруппа
6702
Порядковый номер детали
135
98
98
Артикул: 85-6702195
нет в наличии
Крышка
Количество на схеме: 1
Информация
Крышка
Количество
1
Модель
85
Подгруппа
6702
Порядковый номер детали
195
99
99
Артикул: 80-6702190
нет в наличии
Крышка
Количество на схеме: 1
Информация
Крышка
Количество
1
Модель
80
Подгруппа
6702
Порядковый номер детали
190
100
100
Артикул: 80-6702111
нет в наличии
Прижим
Количество на схеме: 2
Информация
Прижим
Количество
2
Модель
80
Подгруппа
6702
Порядковый номер детали
111
101
101
Артикул: 80-6702085
нет в наличии
Крышка
Количество на схеме: 1
Информация
Крышка
Количество
1
Модель
80
Подгруппа
6702
Порядковый номер детали
085
102
102
Артикул: 70-6702111
нет в наличии
Угольник
Количество на схеме: 2
Информация
Угольник
Количество
2
Модель
70
Подгруппа
6702
Порядковый номер детали
111
103
103
Артикул: 85-6702132
нет в наличии
Уплотнитель пола
Количество на схеме: 1
Информация
Уплотнитель пола
Количество
1
Модель
85
Подгруппа
6702
Порядковый номер детали
132
104
104
Артикул: 85-6702147
нет в наличии
Прокладка
Количество на схеме: 1
Информация
Прокладка
Количество
1
Модель
85
Подгруппа
6702
Порядковый номер детали
147
105
105
Артикул: 85-6702095
нет в наличии
Панель
Количество на схеме: 1
Информация
Панель
Количество
1
Модель
85
Подгруппа
6702
Порядковый номер детали
095
106
106
Артикул: 85-6702105
нет в наличии
Полик
Количество на схеме: 1
Информация
Полик
Количество
1
Модель
85
Подгруппа
6702
Порядковый номер детали
105
107
107
Артикул: 85-6700115
нет в наличии
Панель
Количество на схеме: 1
Информация
Панель
Количество
1
Модель
85
Подгруппа
6700
Порядковый номер детали
115
108
108
Артикул: 85-6700120
нет в наличии
Панель
Количество на схеме: 1
Информация
Панель
Количество
1
Модель
85
Подгруппа
6700
Порядковый номер детали
120
109
109
Артикул: 80-6700130
нет в наличии
Кронштейн
Количество на схеме: 1
Информация
Кронштейн
Количество
1
Модель
80
Подгруппа
6700
Порядковый номер детали
130
110
110
Артикул: 85-6700130
нет в наличии
Панель
Количество на схеме: 1
Информация
Панель
Количество
1
Модель
85
Подгруппа
6700
Порядковый номер детали
130
111
111
Артикул: 85-6700131
нет в наличии
Стенка
Количество на схеме: 1
Информация
Стенка
Количество
1
Модель
85
Подгруппа
6700
Порядковый номер детали
131
112
112
Артикул: 85-6700132
нет в наличии
Прокладка
Количество на схеме: 2
Информация
Прокладка
Количество
2
Модель
85
Подгруппа
6700
Порядковый номер детали
132
113
113
Артикул: 85-6702133
нет в наличии
Уплотнитель пола
Количество на схеме: 1
Информация
Уплотнитель пола
Количество
1
Модель
85
Подгруппа
6702
Порядковый номер детали
133
114
114
Артикул: 80-6700110
нет в наличии
Кронштейн
Количество на схеме: 1
Информация
Кронштейн
Количество
1
Модель
80
Подгруппа
6700
Порядковый номер детали
110
115
115
Артикул: 85-6700040
нет в наличии
Пульт
Количество на схеме: 1
Информация
Пульт
Количество
1
Модель
85
Подгруппа
6700
Порядковый номер детали
040
116
116
Артикул: 85-6700036
нет в наличии
Крышка
Количество на схеме: 1
Информация
Крышка
Количество
1
Модель
85
Подгруппа
6700
Порядковый номер детали
036
117
117
Артикул: 80-6700060-01
нет в наличии
Накладка
Количество на схеме: 1
Информация
Накладка
Количество
1
Модель
80
Подгруппа
6700
Порядковый номер детали
060
118
118
Артикул: 80-6700085
нет в наличии
Кронштейн
Количество на схеме: 1
Информация
Кронштейн
Количество
1
Модель
80
Подгруппа
6700
Порядковый номер детали
085
119
119
Артикул: М6х20
нет в наличии
Винт
Количество на схеме: 4
Информация
Винт
Количество
4
120
120
Артикул: 80-7909019-А
нет в наличии
Решетка
Количество на схеме: 1
Информация
Решетка
Количество
1
Модель
80
Группа
Радиооборудование
Подгруппа
Громкоговоритель
Порядковый номер детали
019
1060
1060
Артикул: 80-6702077
нет в наличии
Прокладка левая
Количество на схеме: 1
Информация
Прокладка левая
Количество
1
Модель
80
Подгруппа
6702
Порядковый номер детали
077
1060
1060
Артикул: 80-6702078
нет в наличии
Прокладка правая
Количество на схеме: 1
Информация
Прокладка правая
Количество
1
Модель
80
Подгруппа
6702
Порядковый номер детали
078
1140
1140
Артикул: ВМ6х16
нет в наличии
Винт
Количество на схеме: ;;;
Информация
Винт
Количество
;;;
  • Грузовые автомобили
  • Автобусы
  • Сельхозтехника
  • Спецтехника
  • Двигатели
Получить оптовый прайс-лист
Скачать прайс-лист от 06.05.2026 16:00
Специальное предложение от 06.05.2026 17:00
Производители:


  • WEICHAI
  • Автодизель ПАО (ЯМЗ)
  • Тутаевский МЗ
  • ЯЗДА
  • УралАЗ
  • МАЗ
  • АЗПИ
  • BOSCH
  • ММЗ
  • ШААЗ
  • FEDERAL MOGUL
  • ПРАМО
  • Мотордеталь
  • ТАИМ
  • АвтоКрАЗ
  • БЕЛКАРД
  • CZ Strakonice
  • КамАЗ
  • БЗА
  • ЧМЗ
  • BMZ
Новости
Все новости
25 марта 2024
Флагманский седельный тягач «Валдай 45» на выставке «TransRussia»
10 марта 2024
Современные автобусы «CITYMAX 9» и ЛиАЗ-5292 CNG
25 февраля 2024
Серийное производство средних дизельных двигателей повышенной мощности от ЯМЗ
Статьи
Все статьи
Датчики двигателя: за что они отвечают, признаки неисправности и как не прогадать с выбором
Двигатели ЯМЗ-534: история, технические характеристики и области применения
Двигатели ЯМЗ 650: углублённый технический обзор и история
Компания
О компании
Реквизиты
Новости
Политика
Магазины
Информация
Условия оплаты
Условия доставки
Гарантия на товар
Обмен и возврат товара
Помощь
Как оформить заказ
Полезные статьи
Бренды
Пункты выдачи
Оставайтесь на связи
  • Вконтакте
  • YouTube
  • Одноклассники
  • Google Plus
Увидели ошибку?
Выделите, нажав Ctrl + Enter
Наши контакты
8-800-700-35-68
sales@din76.ru
г. Ярославль, Ленинградский пр-т 33, ТЦ "ОМЕГА"
2026 © ООО «Динамика 76» - Все права защищены ООО "Динамика 76"
Предложения на сайте не являются публичной офертой.
На сайте обнаружена ошибка

Текст с ошибкой