Избранное 0 Корзина 0 Личный кабинет
logo
Каталог
Каталог
  • Справочник
    • Грузовые автомобили
    • Автобусы
    • Сельхозтехника
    • Спецтехника
    • Двигатели
  • Доставка
  • Оплата
  • О компании
    • Реквизиты
    • Магазины
    • Оплата
    • Доставка
    • Лицензии и сертификаты
    • Новости
    • Вакансии
  • Контакты
Отправить заявку
Личный кабинет
8 (800) 700-35-68
sales@din76.ru
Избранное 0 Корзина 0
8 (800) 700-35-68
Оптовый прайс-лист
Каталог
  • Двигатели
  • Запчасти WEICHAI
  • Запчасти ЯМЗ, ТМЗ (V-образные)
  • Запчасти ЯМЗ-534, ЯМЗ-536
  • Запчасти ЯМЗ-650, ЯМЗ-651, DCi-11
  • Топливная аппаратура
  • Запчасти УРАЛ
  • Запчасти МАЗ
  • Запчасти КамАЗ
  • Запчасти ММЗ
  • Ремни
Автокаталог (справочник)
  • Доставка
  • Оплата
  • О компании
  • Контакты
8 (800) 700-35-68
Написать в Whatsapp
sales@din76.ru
Динамика 76
Меню  
  • Каталог
    • Двигатели  
      • Двигатели ТМЗ  
        • Двигатели ТМЗ для автомобилей
        • Двигатели ТМЗ для тракторов
        • Специальные двигатели ТМЗ
        • Промышленные двигатели ТМЗ
      • Двигатели ЯМЗ  
        • ЯМЗ 236
        • ЯМЗ 238
        • ЯМЗ 240
        • ЯМЗ 751
        • ЯМЗ 840
        • ЯМЗ 850
        • ЯМЗ 656
        • ЯМЗ 658
        • ЯМЗ 534
        • ЯМЗ 536
        • ЯМЗ 650
        • Двигатели ЯМЗ для электростанций
      • Двигатели КАМАЗ
      • Двигатели ММЗ
      • Двигатели индивидуальной сборки
      • Комплекты переоборудования
    • Запчасти WEICHAI  
      • Основные запчасти двигателя  
        • Клапаны и толкатели
        • Шатуны
        • Вал коленчатый и маховик
        • Вал распределительный
        • Цилиндро-поршневая группа
      • Система питания  
        • Форсунки
        • Турбокомпрессор
      • Система смазки  
        • Насос масляный
      • Головка блока
      • Ремкомплекты
      • Система охлаждения  
        • Насос водяной
        • Муфта вязкостная и крыльчатка
      • Фильтры
      • Электрооборудование  
        • Генератор
        • Стартер
    • Запчасти ЯМЗ, ТМЗ (V-образные)  
      • Основные запчасти двигателя  
        • Блок двигателя и комплектующие
        • Валы распределительные и клапаны
        • Головка блока и комплектующие
        • Цилиндро-поршневая группа
        • Маховики и комплектующие
        • Валы коленчатые и комплектующие
        • Шатуны и комплектующие
      • Система питания  
        • Коллекторы и патрубки
        • Топливные трубопроводы
        • Турбокомпрессор
        • Топливные фильтры
      • Электрооборудование двигателя
      • Система охлаждения  
        • Вязкостные муфты и крыльчатки
        • Приводы вентилятора
        • Водяные насосы
        • Водяные трубы и термостаты
      • Коробки переключения передач  
        • 8 Ступенчатые КПП
        • 5 Ступенчатые КПП
        • 9 Ступенчатые КПП
        • Запасные части КПП ЯМЗ, ТМЗ
      • Система смазки  
        • Теплообменник и комплектующие
        • Масляные насосы
        • Фильтры масляные (ФГОМ, ФЦОМ)
      • Сцепление  
        • Запасные части механизма сцепления
        • Муфты (подшипники выжимные)
        • Корзины (диски нажимные)
        • Диски ведомые
      • Прочие запчасти двигателя  
        • Ремкомплекты
        • Привод агрегатов
        • Натяжные устройства
        • Трубки
    • Запчасти ЯМЗ-534, ЯМЗ-536  
      • Основные запчасти двигателя  
        • Цилиндро-поршневая группа
        • Головка блока цилиндров и комплектующие
        • Блок цилиндров и комплектующие
        • Вал коленчатый и маховик
        • Вал распределительный
        • Клапаны и толкатели
        • ГУР (Гидроусилитель руля)
        • Система рециркуляции отработавших газов
        • Выпускной коллектор
      • Система питания  
        • Коллекторы и патрубки
        • Топливные фильтры
        • Турбокомпрессор
        • Топливные трубопроводы
      • Система смазки  
        • Масляный картер поддон
        • Масляный насос
        • Теплообменник /Водо-масляный радиатор
        • Фильтры масляные (ФГОМ, ФЦОМ)
      • Пневмокомпрессор и натяжное
      • Система охлаждения  
        • Водяной насос
        • Водяные трубы и патрубки
        • Муфты вязкостные, приводы, крыльчатки
      • Ремкомплекты
      • Сцепление
      • Электрооборудование
    • Запчасти ЯМЗ-650, ЯМЗ-651, DCi-11  
      • Основные запчасти двигателя  
        • Цилиндро-поршневая группа
        • Головка блока цилиндров и комплектующие
        • Блок цилиндров и комплектующие
        • Вал коленчатый и маховик
        • Выпускной коллектор
        • Вал распределительный
        • Клапаны и толкатели
        • ГУР (Гидроусилитель руля)
        • Система рециркуляции отработавших газов
      • Система питания  
        • Коллекторы и патрубки
        • Топливные трубопроводы
        • Топливные фильтры
        • Турбокомпрессор
      • Система смазки  
        • Масляный картер / поддон
        • Масляный насос
        • Теплообменник / Водо-масляный радиатор
        • Фильтры масляные (ФГОМ, ФЦОМ)
      • Система охлаждения  
        • Водяной насос
        • Водяные трубы и патрубки
        • Муфты вязкостные, приводы, крыльчатки
      • Ремкомплекты
      • Пневмокомпрессор и натяжное
      • Электрооборудование
      • Сцепление
    • Топливная аппаратура  
      • ЯЗДА  
        • Распылители
        • ТНВД
        • Форсунки
        • Топливный насос низкого давления
        • Пары плунжерные
        • Муфта опережения впрыска топлива
        • Запчасти и комплектующие ТНВД
      • НЗТА
      • АЗПИ  
        • Распылители
        • Форсунки
      • BOSCH
    • Запчасти УРАЛ  
      • Трансмиссия  
        • Коробка раздаточная
        • Передача карданная
        • Мост задний
        • Мост передний (ведущий)
        • Мост средний (промежуточный)
      • Кузов  
        • Дверь кабины
        • Капот, крылья, облицовка радиатора
        • Окно ветровое и заднее
        • Отопление и вентиляция кабины
        • Кабина
      • Механизмы управления  
        • Управление рулевое
        • Тормоза
      • Дополнительное оборудование  
        • Отбор мощности
        • Устройство седельное
      • Электрооборудование
      • Ходовая часть  
        • Колеса и ступицы
        • Ось передняя
        • Подвеска автомобиля
        • Рама
    • Запчасти МАЗ  
      • Трансмиссия  
        • Мост задний
        • Мост передний (ведущий)
        • Передача карданная
        • Мост средний (промежуточный)
      • Кузов  
        • Кабина
        • Дверь кабины
        • Детали основания кабины
        • Окно ветровое и заднее
        • Платформа
      • Механизмы управления  
        • Тормоза
        • Управление рулевое
      • Ходовая часть  
        • Колеса и ступицы
        • Ось передняя
        • Подвеска автомобиля
        • Рама
    • Запчасти КамАЗ  
      • Кузов  
        • Кабина
        • Капот, крылья, облицовка радиатора
        • Дверь кабины
        • Платформа
        • Окно ветровое и заднее
        • Устройство подъемное и опрокидывающее
        • Сиденье
        • Крыша кабины (крыша кузова)
        • Отопление и вентиляция кабины
      • Трансмиссия  
        • Коробка передач
        • Коробка раздаточная
        • Мост задний
        • Сцепление
        • Мост средний (промежуточный)
        • Передача карданная
        • Мост передний (ведущий)
      • Двигатель  
        • Основные запчасти двигателя
        • Система охлаждения
        • Система питания
        • Система смазки
      • Дополнительное оборудование  
        • Отбор мощности
        • Устройство седельное
      • Ходовая часть  
        • Подвеска автомобиля
        • Рама
        • Колеса и ступицы
        • Ось передняя
      • Механизмы управления  
        • Тормоза
        • Управление рулевое
      • Электрооборудование
    • Запчасти ММЗ
    • Ремни
  • Справочник
    • Грузовые автомобили
    • Автобусы
    • Сельхозтехника
    • Спецтехника
    • Двигатели
  • Как купить
    • Условия оплаты
    • Условия доставки
    • Гарантия на товар
    • Пункты выдачи
  • Услуги
    • Капитальный ремонт двигателей ЯМЗ
  • Акции
  • Статьи
  • Контакты
  • Компания
    • Реквизиты
    • Магазины
    • Оплата
    • Доставка
    • Лицензии и сертификаты
    • Новости
    • Вакансии
Избранное 0 Корзина 0
8-800-700-35-68

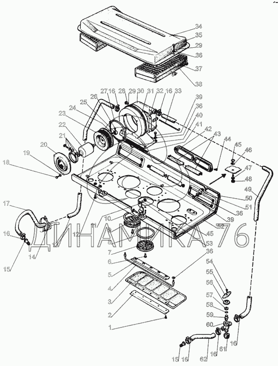
Установка отопителя на МТЗ-1005 (до 2008 г.)

Справочник
Главная
-
Автокаталог
-
Сельхозтехника
-
МТЗ
-
МТЗ-1005
Справочный каталог

Установка отопителя — МТЗ-1005:

80-8101710 80-8101720 80-8101750 80-8101790 1 2 3 3 4 5 6 7 8 9 10 11 12 13 14 15 15 16 16 16 16 16 16 17 18 19 20 21 22 23 24 25 26 27 28 29 29 30 31 32 33 34 35 36 36 36 36 37 38 39 39 40 41 42 43 44 45 45 46 47 48 49 50 51 52 53 54 55 56 57 58 59 60 61 62
в наличии
нет в наличии
масштаб

В наличии
Нет в наличии

Перечень комплектующих от Установка отопителя на МТЗ-1005

Схемы запчастей предназначены для справочных целей! Мы продаем не все запчасти от Установка отопителя на МТЗ-1005, представленные в этом списке.
Наличие на складах по деталям с ценой смотрите в карточке товара.
Артикул: 80-8101710
нет в наличии
Бак отопителя в сборе
Количество на схеме: 1
Информация
Бак отопителя в сборе
Количество
1
Англ. номер;Масса
80-8101710;11,97999954;
Модель
80
Группа
Отопление и вентиляция кабины
Подгруппа
Отопитель (кузова)
Порядковый номер детали
710
Артикул: 80-8101720
нет в наличии
Отопитель в сборе
Количество на схеме: 1
Информация
Отопитель в сборе
Количество
1
Англ. номер;Масса
80-8101720;4,199999809;
Модель
80
Группа
Отопление и вентиляция кабины
Подгруппа
Отопитель (кузова)
Порядковый номер детали
720
Артикул: 80-8101750
нет в наличии
Кран в сборе
Количество на схеме: 2
Информация
Кран в сборе
Количество
2
Англ. номер;Масса
80-8101750;0,07;
Модель
80
Группа
Отопление и вентиляция кабины
Подгруппа
Отопитель (кузова)
Порядковый номер детали
750
Артикул: 80-8101790
нет в наличии
Вентилятор в сборе
Количество на схеме: 1
Информация
Вентилятор в сборе
Количество
1
Англ. номер;Масса
80-8101790;2,230000019;
Модель
80
Группа
Отопление и вентиляция кабины
Подгруппа
Отопитель (кузова)
Порядковый номер детали
790
1
1
Артикул: М4х8
нет в наличии
Винт
Количество на схеме: 5
Информация
Винт
Количество
5
Англ. номер;Масса
M4x8;0;
2
2
Артикул: 70-8204014
нет в наличии
Держатель
Количество на схеме: 1
Информация
Держатель
Количество
1
Англ. номер;Масса
70-8204014;0,079999998;
Модель
70
Группа
Принадлежности кабины
Подгруппа
Козырек противосолнечный
Порядковый номер детали
014
3
3
Артикул: 70-8204011-А
нет в наличии
Козырек
Количество на схеме: 1
Информация
Козырек
Количество
1
Англ. номер;Масса
70-8204011-A;0,25;
Модель
70
Группа
Принадлежности кабины
Подгруппа
Козырек противосолнечный
Порядковый номер детали
011
3
3
Артикул: 80Р-8204010
нет в наличии
Козырек в сборе
Количество на схеме: 1
Информация
Козырек в сборе
Количество
1
Англ. номер;Масса
80R-8204010;0,577000022;
Модель
80Р
Группа
Принадлежности кабины
Подгруппа
Козырек противосолнечный
Порядковый номер детали
010
4
4
Артикул: 70Р-8204011
нет в наличии
Ось
Количество на схеме: 1
Информация
Ось
Количество
1
Англ. номер;Масса
70R-8204011;0;
Модель
70Р
Группа
Принадлежности кабины
Подгруппа
Козырек противосолнечный
Порядковый номер детали
011
5
5
Артикул: 70-8204015
нет в наличии
Держатель
Количество на схеме: 1
Информация
Держатель
Количество
1
Англ. номер;Масса
70-8204015;0,096000001;
Модель
70
Группа
Принадлежности кабины
Подгруппа
Козырек противосолнечный
Порядковый номер детали
015
6
6
Артикул: 6х18
нет в наличии
Палец
Количество на схеме: 2
Информация
Палец
Количество
2
Англ. номер;Масса
6x18;0;
7
7
Артикул: 150-95-301
нет в наличии
Воздухораспределитель
Количество на схеме: 2
Информация
Воздухораспределитель
Количество
2
Англ. номер;Масса
150.95.301;0;
8
8
Артикул: 80-8100013
нет в наличии
Накладка
Количество на схеме: 2
Информация
Накладка
Количество
2
Англ. номер;Масса
80-8100013;0,022;
Модель
80
Группа
Отопление и вентиляция кабины
Подгруппа
Отопление и вентиляция
Порядковый номер детали
013
9
9
Артикул: 2х12
нет в наличии
Шплинт
Количество на схеме: 2
Информация
Шплинт
Количество
2
Англ. номер;Масса
2x12;0;
10
10
Артикул: 50-8400031
нет в наличии
Ось
Количество на схеме: 2
Информация
Ось
Количество
2
Англ. номер;Масса
50-8400031;0,012;
Модель
50
Группа
Оперение
Подгруппа
Оперение в сборе
Порядковый номер детали
031
11
11
Артикул: 80-8100048
нет в наличии
Петля
Количество на схеме: 2
Информация
Петля
Количество
2
Англ. номер;Масса
80-8100048;0,077;
Модель
80
Группа
Отопление и вентиляция кабины
Подгруппа
Отопление и вентиляция
Порядковый номер детали
048
12
12
Артикул: ВМ6х20
нет в наличии
Винт
Количество на схеме: 2
Информация
Винт
Количество
2
Англ. номер;Масса
VM6x20;0;
13
13
Артикул: 80-8102015
нет в наличии
Шланг L=700 мм
Количество на схеме: 1
Информация
Шланг L=700 мм
Количество
1
Англ. номер;Масса
80-8102015;1,203999996;
Модель
80
Группа
Отопление и вентиляция кабины
Подгруппа
Обогрев ветрового стекла
Порядковый номер детали
015
14
14
Артикул: 1М100
нет в наличии
Манжета
Количество на схеме: 2
Информация
Манжета
Количество
2
Англ. номер;Масса
1M100;0;
15
15
Артикул: 80-8100023
нет в наличии
Штуцер
Количество на схеме: 2
Информация
Штуцер
Количество
2
Англ. номер;Масса
80-8100023;0,029999999;
Модель
80
Группа
Отопление и вентиляция кабины
Подгруппа
Отопление и вентиляция
Порядковый номер детали
023
16
16
Артикул: ХС-23
нет в наличии
Хомут
Количество на схеме: 8
Информация
Хомут
Количество
8
Англ. номер;Масса
HS-23;0,029999999;
17
17
Артикул: 80-8102015-08
нет в наличии
Шланг
Количество на схеме: 1
Информация
Шланг
Количество
1
Англ. номер;Масса
80-8102015-08;0,64200002;
Модель
80
Группа
Отопление и вентиляция кабины
Подгруппа
Обогрев ветрового стекла
Порядковый номер детали
015
18
18
Артикул: М6х14
нет в наличии
Болт
Количество на схеме: 3
Информация
Болт
Количество
3
Англ. номер;Масса
M6x14;0;
19
19
Артикул: ШЧ6
нет в наличии
Шайба
Количество на схеме: 3
Информация
Шайба
Количество
3
Англ. номер;Масса
SHCH6;0;
20
20
Артикул: 80-8101791
нет в наличии
Фланец
Количество на схеме: 1
Информация
Фланец
Количество
1
Англ. номер;Масса
80-8101791;0,209000006;
Модель
80
Группа
Отопление и вентиляция кабины
Подгруппа
Отопитель (кузова)
Порядковый номер детали
791
21
21
Артикул: ХС-76
нет в наличии
Хомут
Количество на схеме: 1
Информация
Хомут
Количество
1
Англ. номер;Масса
HS-76;0,039999999;
22
22
Артикул: 9742-3730
нет в наличии
Электродвигатель
Количество на схеме: 1
Информация
Электродвигатель
Количество
1
Англ. номер;Масса
9742.3730;1,600000024;
23
23
Артикул: 80-8104034
нет в наличии
Ротор
Количество на схеме: 1
Информация
Ротор
Количество
1
Англ. номер;Масса
80-8104034;0,061999999;
Модель
80
Группа
Отопление и вентиляция кабины
Подгруппа
Вентиляция кабины (кузова)
Порядковый номер детали
034
24
24
Артикул: М4
нет в наличии
Гайка
Количество на схеме: 1
Информация
Гайка
Количество
1
Англ. номер;Масса
M4;0;
25
25
Артикул: 80-8104039
нет в наличии
Кольцо
Количество на схеме: 1
Информация
Кольцо
Количество
1
Англ. номер;Масса
80-8104039;0,009;
Модель
80
Группа
Отопление и вентиляция кабины
Подгруппа
Вентиляция кабины (кузова)
Порядковый номер детали
039
26
26
Артикул: ВМ4х10
нет в наличии
Винт
Количество на схеме: 1
Информация
Винт
Количество
1
Англ. номер;Масса
VM4x10;0;
27
27
Артикул: 70-8115168
нет в наличии
Прокладка
Количество на схеме: 1
Информация
Прокладка
Количество
1
Англ. номер;Масса
70-8115168;0,017999999;
Модель
70
Группа
Отопление и вентиляция кабины
Подгруппа
8115
Порядковый номер детали
168
28
28
Артикул: М6
нет в наличии
Гайка
Количество на схеме: 2
Информация
Гайка
Количество
2
Англ. номер;Масса
M6;0;
29
29
Артикул: ШП6
нет в наличии
Шайба
Количество на схеме: 3
Информация
Шайба
Количество
3
Англ. номер;Масса
SHP6;0;
30
30
Артикул: 70У-8101060-А
нет в наличии
Радиатор отопителя
Количество на схеме: 1
Информация
Радиатор отопителя
Количество
1
Англ. номер;Масса
70U-8101060-A;0;
Модель
70У
Группа
Отопление и вентиляция кабины
Подгруппа
Отопитель (кузова)
Порядковый номер детали
060
31
31
Артикул: 80-8101730
нет в наличии
Кожух
Количество на схеме: 1
Информация
Кожух
Количество
1
Англ. номер;Масса
80-8101730;0,569999993;
Модель
80
Группа
Отопление и вентиляция кабины
Подгруппа
Отопитель (кузова)
Порядковый номер детали
730
32
32
Артикул: 80-8100016-01
нет в наличии
Уплотнитель
Количество на схеме: 2
Информация
Уплотнитель
Количество
2
Англ. номер;Масса
80-8100016-01;0,021;
Модель
80
Группа
Отопление и вентиляция кабины
Подгруппа
Отопление и вентиляция
Порядковый номер детали
016
33
33
Артикул: 80-3703046-А
нет в наличии
Шпилька
Количество на схеме: 1
Информация
Шпилька
Количество
1
Англ. номер;Масса
80-3703046-A;0,057999998;
Модель
80
Группа
Электрооборудование
Подгруппа
Батарея аккумуляторная
Порядковый номер детали
046
34
34
Артикул: 80-8101740
нет в наличии
Крышка
Количество на схеме: 1
Информация
Крышка
Количество
1
Англ. номер;Масса
80-8101740;1,100000024;
Модель
80
Группа
Отопление и вентиляция кабины
Подгруппа
Отопитель (кузова)
Порядковый номер детали
740
35
35
Артикул: М6х20
нет в наличии
Винт
Количество на схеме: 2
Информация
Винт
Количество
2
Англ. номер;Масса
M6x20;0;
36
36
Артикул: ШЧ6
нет в наличии
Шайба
Количество на схеме: 9
Информация
Шайба
Количество
9
Англ. номер;Масса
SHCH6;0;
37
37
Артикул: 80-8101714-04
нет в наличии
Уплотнитель
Количество на схеме: 2
Информация
Уплотнитель
Количество
2
Англ. номер;Масса
80-8101714-04;0,0063;
Модель
80
Группа
Отопление и вентиляция кабины
Подгруппа
Отопитель (кузова)
Порядковый номер детали
714
38
38
Артикул: 80-8104070
нет в наличии
Фильтр
Количество на схеме: 2
Информация
Фильтр
Количество
2
Англ. номер;Масса
80-8104070;0,681999981;
Модель
80
Группа
Отопление и вентиляция кабины
Подгруппа
Вентиляция кабины (кузова)
Порядковый номер детали
070
39
39
Артикул: М6х16
нет в наличии
Винт
Количество на схеме: 5
Информация
Винт
Количество
5
Англ. номер;Масса
M6x16;0;
40
40
Артикул: 80-8101716-02
нет в наличии
Уплотнитель
Количество на схеме: 1
Информация
Уплотнитель
Количество
1
Англ. номер;Масса
80-8101716-02;0,01;
Модель
80
Группа
Отопление и вентиляция кабины
Подгруппа
Отопитель (кузова)
Порядковый номер детали
716
41
41
Артикул: 80-8100014
нет в наличии
Стержень
Количество на схеме: 1
Информация
Стержень
Количество
1
Англ. номер;Масса
80-8100014;0,004;
Модель
80
Группа
Отопление и вентиляция кабины
Подгруппа
Отопление и вентиляция
Порядковый номер детали
014
42
42
Артикул: 80-8100011
нет в наличии
Крышка
Количество на схеме: 1
Информация
Крышка
Количество
1
Англ. номер;Масса
80-8100011;0,088;
Модель
80
Группа
Отопление и вентиляция кабины
Подгруппа
Отопление и вентиляция
Порядковый номер детали
011
43
43
Артикул: 80-8100012
нет в наличии
Заслонка
Количество на схеме: 2
Информация
Заслонка
Количество
2
Англ. номер;Масса
80-8100012;0,018999999;
Модель
80
Группа
Отопление и вентиляция кабины
Подгруппа
Отопление и вентиляция
Порядковый номер детали
012
44
44
Артикул: ВМ6х16
нет в наличии
Винт
Количество на схеме: 3
Информация
Винт
Количество
3
Англ. номер;Масса
VM6x16;0;
45
45
Артикул: М8
нет в наличии
Гайка
Количество на схеме: 4
Информация
Гайка
Количество
4
Англ. номер;Масса
M8;0;
46
46
Артикул: ШЧ8
нет в наличии
Шайба
Количество на схеме: 2
Информация
Шайба
Количество
2
Англ. номер;Масса
SHCH8;0;
47
47
Артикул: М8х25
нет в наличии
Болт
Количество на схеме: 2
Информация
Болт
Количество
2
Англ. номер;Масса
M8x25;0;
48
48
Артикул: А30-04-017-01
нет в наличии
Колпачок
Количество на схеме: 2
Информация
Колпачок
Количество
2
Англ. номер;Масса
A30.04.017-01;0,001;
49
49
Артикул: 80-8101015
нет в наличии
Шланг
Количество на схеме: 1
Информация
Шланг
Количество
1
Англ. номер;Масса
80-8101015;0,801999986;
Модель
80
Группа
Отопление и вентиляция кабины
Подгруппа
Отопитель (кузова)
Порядковый номер детали
015
50
50
Артикул: 80-8100100
нет в наличии
Панель
Количество на схеме: 1
Информация
Панель
Количество
1
Англ. номер;Масса
80-8100100;5,699999809;
Модель
80
Группа
Отопление и вентиляция кабины
Подгруппа
Отопление и вентиляция
Порядковый номер детали
100
51
51
Артикул: 70-6702111
нет в наличии
Угольник
Количество на схеме: 2
Информация
Угольник
Количество
2
Англ. номер;Масса
70-6702111;0,041999999;
Модель
70
Подгруппа
6702
Порядковый номер детали
111
52
52
Артикул: 80-8101713
нет в наличии
Обивка
Количество на схеме: 1
Информация
Обивка
Количество
1
Англ. номер;Масса
80-8101713;1,36500001;
Модель
80
Группа
Отопление и вентиляция кабины
Подгруппа
Отопитель (кузова)
Порядковый номер детали
713
53
53
Артикул: ШП8
нет в наличии
Шайба
Количество на схеме: 2
Информация
Шайба
Количество
2
Англ. номер;Масса
SHP8;0;
54
54
Артикул: 4х16
нет в наличии
Шуруп
Количество на схеме: 2
Информация
Шуруп
Количество
2
Англ. номер;Масса
4x16;0;
55
55
Артикул: 80-8101756
нет в наличии
Маховичок
Количество на схеме: 2
Информация
Маховичок
Количество
2
Англ. номер;Масса
80-8101756;0;
Модель
80
Группа
Отопление и вентиляция кабины
Подгруппа
Отопитель (кузова)
Порядковый номер детали
756
56
56
Артикул: 80-8101753
нет в наличии
Гайка
Количество на схеме: 2
Информация
Гайка
Количество
2
Англ. номер;Масса
80-8101753;0;
Модель
80
Группа
Отопление и вентиляция кабины
Подгруппа
Отопитель (кузова)
Порядковый номер детали
753
57
57
Артикул: 80-8101754
нет в наличии
Втулка
Количество на схеме: 2
Информация
Втулка
Количество
2
Англ. номер;Масса
80-8101754;0;
Модель
80
Группа
Отопление и вентиляция кабины
Подгруппа
Отопитель (кузова)
Порядковый номер детали
754
58
58
Артикул: 020-025-30-1-4
нет в наличии
Кольцо
Количество на схеме: 2
Информация
Кольцо
Количество
2
Англ. номер;Масса
020-025-30-1-4;0,001;
59
59
Артикул: 80-8101752
нет в наличии
Пробка
Количество на схеме: 2
Информация
Пробка
Количество
2
Англ. номер;Масса
80-8101752;0;
Модель
80
Группа
Отопление и вентиляция кабины
Подгруппа
Отопитель (кузова)
Порядковый номер детали
752
60
60
Артикул: 80-8101751
нет в наличии
Корпус
Количество на схеме: 2
Информация
Корпус
Количество
2
Англ. номер;Масса
80-8101751;0;
Модель
80
Группа
Отопление и вентиляция кабины
Подгруппа
Отопитель (кузова)
Порядковый номер детали
751
61
61
Артикул: 80-8100052
нет в наличии
Пробка
Количество на схеме: 2
Информация
Пробка
Количество
2
Англ. номер;Масса
80-8100052;0,01;
Модель
80
Группа
Отопление и вентиляция кабины
Подгруппа
Отопление и вентиляция
Порядковый номер детали
052
62
62
Артикул: 80-8102015-03
нет в наличии
Шланг L=500 мм
Количество на схеме: 1
Информация
Шланг L=500 мм
Количество
1
Англ. номер;Масса
80-8102015-03;0,293000013;
Модель
80
Группа
Отопление и вентиляция кабины
Подгруппа
Обогрев ветрового стекла
Порядковый номер детали
015
  • Грузовые автомобили
  • Автобусы
  • Сельхозтехника
  • Спецтехника
  • Двигатели
Получить оптовый прайс-лист
Скачать прайс-лист от 06.05.2026 16:00
Специальное предложение от 06.05.2026 17:00
Производители:


  • WEICHAI
  • Автодизель ПАО (ЯМЗ)
  • Тутаевский МЗ
  • ЯЗДА
  • УралАЗ
  • МАЗ
  • АЗПИ
  • BOSCH
  • ММЗ
  • ШААЗ
  • FEDERAL MOGUL
  • ПРАМО
  • Мотордеталь
  • ТАИМ
  • АвтоКрАЗ
  • БЕЛКАРД
  • CZ Strakonice
  • КамАЗ
  • БЗА
  • ЧМЗ
  • BMZ
Новости
Все новости
25 марта 2024
Флагманский седельный тягач «Валдай 45» на выставке «TransRussia»
10 марта 2024
Современные автобусы «CITYMAX 9» и ЛиАЗ-5292 CNG
25 февраля 2024
Серийное производство средних дизельных двигателей повышенной мощности от ЯМЗ
Статьи
Все статьи
Датчики двигателя: за что они отвечают, признаки неисправности и как не прогадать с выбором
Двигатели ЯМЗ-534: история, технические характеристики и области применения
Двигатели ЯМЗ 650: углублённый технический обзор и история
Компания
О компании
Реквизиты
Новости
Политика
Магазины
Информация
Условия оплаты
Условия доставки
Гарантия на товар
Обмен и возврат товара
Помощь
Как оформить заказ
Полезные статьи
Бренды
Пункты выдачи
Оставайтесь на связи
  • Вконтакте
  • YouTube
  • Одноклассники
  • Google Plus
Увидели ошибку?
Выделите, нажав Ctrl + Enter
Наши контакты
8-800-700-35-68
sales@din76.ru
г. Ярославль, Ленинградский пр-т 33, ТЦ "ОМЕГА"
2026 © ООО «Динамика 76» - Все права защищены ООО "Динамика 76"
Предложения на сайте не являются публичной офертой.
На сайте обнаружена ошибка

Текст с ошибкой