Избранное 0 Корзина 0 Личный кабинет
logo
Каталог
Каталог
  • Справочник
    • Грузовые автомобили
    • Автобусы
    • Сельхозтехника
    • Спецтехника
    • Двигатели
  • Доставка
  • Оплата
  • О компании
    • Реквизиты
    • Магазины
    • Оплата
    • Доставка
    • Лицензии и сертификаты
    • Новости
    • Вакансии
  • Контакты
Отправить заявку
Личный кабинет
8 (800) 700-35-68
sales@din76.ru
Избранное 0 Корзина 0
8 (800) 700-35-68
Оптовый прайс-лист
Каталог
  • Двигатели
  • Запчасти WEICHAI
  • Запчасти ЯМЗ, ТМЗ (V-образные)
  • Запчасти ЯМЗ-534, ЯМЗ-536
  • Запчасти ЯМЗ-650, ЯМЗ-651, DCi-11
  • Топливная аппаратура
  • Запчасти УРАЛ
  • Запчасти МАЗ
  • Запчасти КамАЗ
  • Запчасти ММЗ
  • Ремни
Автокаталог (справочник)
  • Доставка
  • Оплата
  • О компании
  • Контакты
8 (800) 700-35-68
Написать в Whatsapp
sales@din76.ru
Динамика 76
Меню  
  • Каталог
    • Двигатели  
      • Двигатели ТМЗ  
        • Двигатели ТМЗ для автомобилей
        • Двигатели ТМЗ для тракторов
        • Специальные двигатели ТМЗ
        • Промышленные двигатели ТМЗ
      • Двигатели ЯМЗ  
        • ЯМЗ 236
        • ЯМЗ 238
        • ЯМЗ 240
        • ЯМЗ 751
        • ЯМЗ 840
        • ЯМЗ 850
        • ЯМЗ 656
        • ЯМЗ 658
        • ЯМЗ 534
        • ЯМЗ 536
        • ЯМЗ 650
        • Двигатели ЯМЗ для электростанций
      • Двигатели КАМАЗ
      • Двигатели ММЗ
      • Двигатели индивидуальной сборки
      • Комплекты переоборудования
    • Запчасти WEICHAI  
      • Основные запчасти двигателя  
        • Клапаны и толкатели
        • Шатуны
        • Вал коленчатый и маховик
        • Вал распределительный
        • Цилиндро-поршневая группа
      • Система питания  
        • Форсунки
        • Турбокомпрессор
      • Система смазки  
        • Насос масляный
      • Головка блока
      • Ремкомплекты
      • Система охлаждения  
        • Насос водяной
        • Муфта вязкостная и крыльчатка
      • Фильтры
      • Электрооборудование  
        • Генератор
        • Стартер
    • Запчасти ЯМЗ, ТМЗ (V-образные)  
      • Основные запчасти двигателя  
        • Блок двигателя и комплектующие
        • Валы распределительные и клапаны
        • Головка блока и комплектующие
        • Цилиндро-поршневая группа
        • Маховики и комплектующие
        • Валы коленчатые и комплектующие
        • Шатуны и комплектующие
      • Система питания  
        • Коллекторы и патрубки
        • Топливные трубопроводы
        • Турбокомпрессор
        • Топливные фильтры
      • Электрооборудование двигателя
      • Система охлаждения  
        • Вязкостные муфты и крыльчатки
        • Приводы вентилятора
        • Водяные насосы
        • Водяные трубы и термостаты
      • Коробки переключения передач  
        • 8 Ступенчатые КПП
        • 5 Ступенчатые КПП
        • 9 Ступенчатые КПП
        • Запасные части КПП ЯМЗ, ТМЗ
      • Система смазки  
        • Теплообменник и комплектующие
        • Масляные насосы
        • Фильтры масляные (ФГОМ, ФЦОМ)
      • Сцепление  
        • Запасные части механизма сцепления
        • Муфты (подшипники выжимные)
        • Корзины (диски нажимные)
        • Диски ведомые
      • Прочие запчасти двигателя  
        • Ремкомплекты
        • Привод агрегатов
        • Натяжные устройства
        • Трубки
    • Запчасти ЯМЗ-534, ЯМЗ-536  
      • Основные запчасти двигателя  
        • Цилиндро-поршневая группа
        • Головка блока цилиндров и комплектующие
        • Блок цилиндров и комплектующие
        • Вал коленчатый и маховик
        • Вал распределительный
        • Клапаны и толкатели
        • ГУР (Гидроусилитель руля)
        • Система рециркуляции отработавших газов
        • Выпускной коллектор
      • Система питания  
        • Коллекторы и патрубки
        • Топливные фильтры
        • Турбокомпрессор
        • Топливные трубопроводы
      • Система смазки  
        • Масляный картер поддон
        • Масляный насос
        • Теплообменник /Водо-масляный радиатор
        • Фильтры масляные (ФГОМ, ФЦОМ)
      • Пневмокомпрессор и натяжное
      • Система охлаждения  
        • Водяной насос
        • Водяные трубы и патрубки
        • Муфты вязкостные, приводы, крыльчатки
      • Ремкомплекты
      • Сцепление
      • Электрооборудование
    • Запчасти ЯМЗ-650, ЯМЗ-651, DCi-11  
      • Основные запчасти двигателя  
        • Цилиндро-поршневая группа
        • Головка блока цилиндров и комплектующие
        • Блок цилиндров и комплектующие
        • Вал коленчатый и маховик
        • Выпускной коллектор
        • Вал распределительный
        • Клапаны и толкатели
        • ГУР (Гидроусилитель руля)
        • Система рециркуляции отработавших газов
      • Система питания  
        • Коллекторы и патрубки
        • Топливные трубопроводы
        • Топливные фильтры
        • Турбокомпрессор
      • Система смазки  
        • Масляный картер / поддон
        • Масляный насос
        • Теплообменник / Водо-масляный радиатор
        • Фильтры масляные (ФГОМ, ФЦОМ)
      • Система охлаждения  
        • Водяной насос
        • Водяные трубы и патрубки
        • Муфты вязкостные, приводы, крыльчатки
      • Ремкомплекты
      • Пневмокомпрессор и натяжное
      • Электрооборудование
      • Сцепление
    • Топливная аппаратура  
      • ЯЗДА  
        • Распылители
        • ТНВД
        • Форсунки
        • Топливный насос низкого давления
        • Пары плунжерные
        • Муфта опережения впрыска топлива
        • Запчасти и комплектующие ТНВД
      • НЗТА
      • АЗПИ  
        • Распылители
        • Форсунки
      • BOSCH
    • Запчасти УРАЛ  
      • Трансмиссия  
        • Коробка раздаточная
        • Передача карданная
        • Мост задний
        • Мост передний (ведущий)
        • Мост средний (промежуточный)
      • Кузов  
        • Дверь кабины
        • Капот, крылья, облицовка радиатора
        • Окно ветровое и заднее
        • Отопление и вентиляция кабины
        • Кабина
      • Механизмы управления  
        • Управление рулевое
        • Тормоза
      • Дополнительное оборудование  
        • Отбор мощности
        • Устройство седельное
      • Электрооборудование
      • Ходовая часть  
        • Колеса и ступицы
        • Ось передняя
        • Подвеска автомобиля
        • Рама
    • Запчасти МАЗ  
      • Трансмиссия  
        • Мост задний
        • Мост передний (ведущий)
        • Передача карданная
        • Мост средний (промежуточный)
      • Кузов  
        • Кабина
        • Дверь кабины
        • Детали основания кабины
        • Окно ветровое и заднее
        • Платформа
      • Механизмы управления  
        • Тормоза
        • Управление рулевое
      • Ходовая часть  
        • Колеса и ступицы
        • Ось передняя
        • Подвеска автомобиля
        • Рама
    • Запчасти КамАЗ  
      • Кузов  
        • Кабина
        • Капот, крылья, облицовка радиатора
        • Дверь кабины
        • Платформа
        • Окно ветровое и заднее
        • Устройство подъемное и опрокидывающее
        • Сиденье
        • Крыша кабины (крыша кузова)
        • Отопление и вентиляция кабины
      • Трансмиссия  
        • Коробка передач
        • Коробка раздаточная
        • Мост задний
        • Сцепление
        • Мост средний (промежуточный)
        • Передача карданная
        • Мост передний (ведущий)
      • Двигатель  
        • Основные запчасти двигателя
        • Система охлаждения
        • Система питания
        • Система смазки
      • Дополнительное оборудование  
        • Отбор мощности
        • Устройство седельное
      • Ходовая часть  
        • Подвеска автомобиля
        • Рама
        • Колеса и ступицы
        • Ось передняя
      • Механизмы управления  
        • Тормоза
        • Управление рулевое
      • Электрооборудование
    • Запчасти ММЗ
    • Ремни
  • Справочник
    • Грузовые автомобили
    • Автобусы
    • Сельхозтехника
    • Спецтехника
    • Двигатели
  • Как купить
    • Условия оплаты
    • Условия доставки
    • Гарантия на товар
    • Пункты выдачи
  • Услуги
    • Капитальный ремонт двигателей ЯМЗ
  • Акции
  • Статьи
  • Контакты
  • Компания
    • Реквизиты
    • Магазины
    • Оплата
    • Доставка
    • Лицензии и сертификаты
    • Новости
    • Вакансии
Избранное 0 Корзина 0
8-800-700-35-68

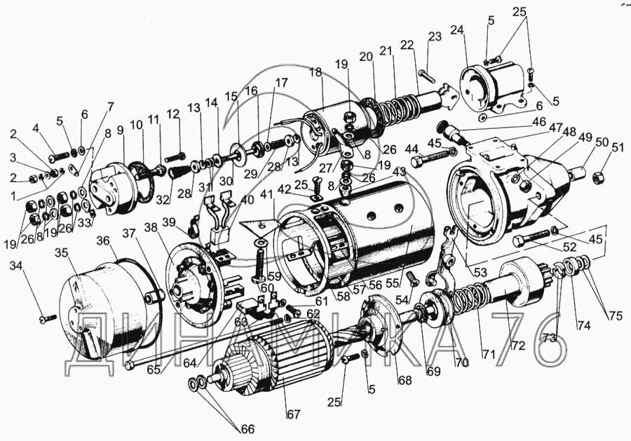
Стартер 24V на МТЗ-1005 (до 2008 г.)

Справочник
Главная
-
Автокаталог
-
Сельхозтехника
-
МТЗ
-
МТЗ-1005
Справочный каталог

Стартер 24V — МТЗ-1005:

2006.3708000 1 2 2 3 4 5 5 5 5 6 6 7 8 8 8 8 9 10 11 12 13 13 14 15 16 17 18 19 19 19 19 20 21 22 23 24 25 25 25 26 26 26 26 27 28 28 29 30 31 32 33 34 35 36 37 38 39 40 41 42 43 44 45 45 46 47 48 49 50 51 52 53 54 55 56 57 58 59 60 61 62 63 64 65 66 67 68 69 70 71 72 73 74 75
в наличии
нет в наличии
масштаб

В наличии
Нет в наличии

Перечень комплектующих от Стартер 24V на МТЗ-1005

Схемы запчастей предназначены для справочных целей! Мы продаем не все запчасти от Стартер 24V на МТЗ-1005, представленные в этом списке.
Наличие на складах по деталям с ценой смотрите в карточке товара.
Артикул: 2006-3708000
нет в наличии
Стартер 24V
Количество на схеме: 1
Информация
Стартер 24V
Количество
1
Англ. номер;Масса
2006.3708000;0;
Модель
2006
Группа
Электрооборудование
Подгруппа
Стартер
Порядковый номер детали
000
1
1
Артикул: Н-4001
нет в наличии
Шайба 5
Количество на схеме: 2
Информация
Шайба 5
Количество
2
Англ. номер;Масса
N-4001;0,0004;
2
2
Артикул: М11-90118
нет в наличии
Гайка М5
Количество на схеме: 2
Информация
Гайка М5
Количество
2
Англ. номер;Масса
M11-90118;0;
3
3
Артикул: Н-4034
нет в наличии
Шайба
Количество на схеме: 1
Информация
Шайба
Количество
1
Англ. номер;Масса
N-4034;0;
4
4
Артикул: МН-0840
нет в наличии
Винт
Количество на схеме: 2
Информация
Винт
Количество
2
Англ. номер;Масса
MN-0840;0,004;
5
5
Артикул: Н-1482
нет в наличии
Шайба
Количество на схеме: 12
Информация
Шайба
Количество
12
Англ. номер;Масса
N-1482;0;
6
6
Артикул: МН-0276
нет в наличии
Шайба
Количество на схеме: 3
Информация
Шайба
Количество
3
Англ. номер;Масса
MN-0276;0;
7
7
Артикул: СТ212-3708894
нет в наличии
Наконечник
Количество на схеме: 1
Информация
Наконечник
Количество
1
Англ. номер;Масса
ST212-3708894;0;
Модель
СТ212
Группа
Электрооборудование
Подгруппа
Стартер
Порядковый номер детали
894
8
8
Артикул: МН-0113
нет в наличии
Шайба
Количество на схеме: 5
Информация
Шайба
Количество
5
Англ. номер;Масса
MN-0113;0;
9
9
Артикул: СТ212-3708891
нет в наличии
Крышка
Количество на схеме: 1
Информация
Крышка
Количество
1
Англ. номер;Масса
ST212-3708891;0;
Модель
СТ212
Группа
Электрооборудование
Подгруппа
Стартер
Порядковый номер детали
891
10
10
Артикул: СТ212-3708809
нет в наличии
Прокладка
Количество на схеме: 1
Информация
Прокладка
Количество
1
Англ. номер;Масса
ST212-3708809;0;
Модель
СТ212
Группа
Электрооборудование
Подгруппа
Стартер
Порядковый номер детали
809
11
11
Артикул: СТ212-3708892
нет в наличии
Болт контактный
Количество на схеме: 1
Информация
Болт контактный
Количество
1
Англ. номер;Масса
ST212-3708892;0,039999999;
Модель
СТ212
Группа
Электрооборудование
Подгруппа
Стартер
Порядковый номер детали
892
12
12
Артикул: СТ222-3708832
нет в наличии
Винт клеммовый
Количество на схеме: 1
Информация
Винт клеммовый
Количество
1
Англ. номер;Масса
ST222-3708832;0;
Модель
СТ222
Группа
Электрооборудование
Подгруппа
Стартер
Порядковый номер детали
832
13
13
Артикул: СТ222-3708868
нет в наличии
Скоба
Количество на схеме: 2
Информация
Скоба
Количество
2
Англ. номер;Масса
ST222-3708868;0;
Модель
СТ222
Группа
Электрооборудование
Подгруппа
Стартер
Порядковый номер детали
868
14
14
Артикул: ВК14-3708067
нет в наличии
Шайба изоляционная
Количество на схеме: 1
Информация
Шайба изоляционная
Количество
1
Англ. номер;Масса
VK14-3708067;0;
Модель
ВК14
Группа
Электрооборудование
Подгруппа
Стартер
Порядковый номер детали
067
15
15
Артикул: СТ212-3708771
нет в наличии
Диск контактный
Количество на схеме: 1
Информация
Диск контактный
Количество
1
Англ. номер;Масса
ST212-3708771;0;
Модель
СТ212
Группа
Электрооборудование
Подгруппа
Стартер
Порядковый номер детали
771
16
16
Артикул: ВК14-3708066
нет в наличии
Втулка
Количество на схеме: 1
Информация
Втулка
Количество
1
Англ. номер;Масса
VK14-3708066;0;
Модель
ВК14
Группа
Электрооборудование
Подгруппа
Стартер
Порядковый номер детали
066
17
17
Артикул: HZ-1940-D
нет в наличии
Шайба
Количество на схеме: 1
Информация
Шайба
Количество
1
Англ. номер;Масса
HZ-1940-D;0;
18
18
Артикул: 20-3708830
нет в наличии
Ярмо
Количество на схеме: 1
Информация
Ярмо
Количество
1
Англ. номер;Масса
20.3708830;0;
Модель
20
Группа
Электрооборудование
Подгруппа
Стартер
Порядковый номер детали
830
19
19
Артикул: НО-3202
нет в наличии
Гайка
Количество на схеме: 6
Информация
Гайка
Количество
6
Англ. номер;Масса
NO-3202;0;
20
20
Артикул: СТ212А-3708048
нет в наличии
Прокладка
Количество на схеме: 1
Информация
Прокладка
Количество
1
Англ. номер;Масса
ST212A-3708048;0;
Модель
СТ212А
Группа
Электрооборудование
Подгруппа
Стартер
Порядковый номер детали
048
21
21
Артикул: СТ212-3708804
нет в наличии
Пружина
Количество на схеме: 1
Информация
Пружина
Количество
1
Англ. номер;Масса
ST212-3708804;0;
Модель
СТ212
Группа
Электрооборудование
Подгруппа
Стартер
Порядковый номер детали
804
22
22
Артикул: СТ212-3708810
нет в наличии
Якорь
Количество на схеме: 1
Информация
Якорь
Количество
1
Англ. номер;Масса
ST212-3708810;0;
Модель
СТ212
Группа
Электрооборудование
Подгруппа
Стартер
Порядковый номер детали
810
23
23
Артикул: СТ212-3708813
нет в наличии
Штифт
Количество на схеме: 1
Информация
Штифт
Количество
1
Англ. номер;Масса
ST212-3708813;0,005;
Модель
СТ212
Группа
Электрооборудование
Подгруппа
Стартер
Порядковый номер детали
813
24
24
Артикул: СТ212А-3708061-02
нет в наличии
Фланец
Количество на схеме: 1
Информация
Фланец
Количество
1
Англ. номер;Масса
ST212A-3708061-02;0;
Модель
СТ212А
Группа
Электрооборудование
Подгруппа
Стартер
Порядковый номер детали
061
25
25
Артикул: 6Н-1580
нет в наличии
Винт
Количество на схеме: 14
Информация
Винт
Количество
14
Англ. номер;Масса
6N-1580;0;
26
26
Артикул: МН-0142
нет в наличии
Шайба
Количество на схеме: 6
Информация
Шайба
Количество
6
Англ. номер;Масса
MN-0142;0;
27
27
Артикул: СТ212-3708091
нет в наличии
Шина соединительная
Количество на схеме: 1
Информация
Шина соединительная
Количество
1
Англ. номер;Масса
ST212-3708091;0,035;
Модель
СТ212
Группа
Электрооборудование
Подгруппа
Стартер
Порядковый номер детали
091
28
28
Артикул: СТ222-3708869
нет в наличии
Шайба специальная
Количество на схеме: 2
Информация
Шайба специальная
Количество
2
Англ. номер;Масса
ST222-3708869;0;
Модель
СТ222
Группа
Электрооборудование
Подгруппа
Стартер
Порядковый номер детали
869
29
29
Артикул: РС-14-3708007
нет в наличии
Пружина
Количество на схеме: 1
Информация
Пружина
Количество
1
Англ. номер;Масса
RS-14-3708007;0;
Модель
РС-14
Группа
Электрооборудование
Подгруппа
Стартер
Порядковый номер детали
007
30
30
Артикул: СТ222-3708861
нет в наличии
Плунжер
Количество на схеме: 1
Информация
Плунжер
Количество
1
Англ. номер;Масса
ST222-3708861;0;
Модель
СТ222
Группа
Электрооборудование
Подгруппа
Стартер
Порядковый номер детали
861
31
31
Артикул: НО-3002
нет в наличии
Шайба
Количество на схеме: 1-4
Информация
Шайба
Количество
1-4
Англ. номер;Масса
NO-3002;0;
32
32
Артикул: СТ222-3708867
нет в наличии
Пружина
Количество на схеме: 1
Информация
Пружина
Количество
1
Англ. номер;Масса
ST222-3708867;0;
Модель
СТ222
Группа
Электрооборудование
Подгруппа
Стартер
Порядковый номер детали
867
33
33
Артикул: СТ212-3708893
нет в наличии
Наконечник
Количество на схеме: 1
Информация
Наконечник
Количество
1
Англ. номер;Масса
ST212-3708893;0;
Модель
СТ212
Группа
Электрооборудование
Подгруппа
Стартер
Порядковый номер детали
893
34
34
Артикул: 8Н-1541
нет в наличии
Винт
Количество на схеме: 3
Информация
Винт
Количество
3
Англ. номер;Масса
8N-1541;0;
35
35
Артикул: СТ212А-3708U71-А
нет в наличии
Кожух
Количество на схеме: 1
Информация
Кожух
Количество
1
Англ. номер;Масса
ST212A-3708U71-A;0;
36
36
Артикул: СТ222-3708042
нет в наличии
Кольцо уплотнительное
Количество на схеме: 1
Информация
Кольцо уплотнительное
Количество
1
Англ. номер;Масса
ST222-3708042;0,004;
Модель
СТ222
Группа
Электрооборудование
Подгруппа
Стартер
Порядковый номер детали
042
37
37
Артикул: СТ50-3708302
нет в наличии
Вкладыш
Количество на схеме: 1
Информация
Вкладыш
Количество
1
Англ. номер;Масса
ST50-3708302;0;
Модель
СТ50
Группа
Электрооборудование
Подгруппа
Стартер
Порядковый номер детали
302
38
38
Артикул: 20-3708300
нет в наличии
Крышка
Количество на схеме: 1
Информация
Крышка
Количество
1
Англ. номер;Масса
20.3708300;0;
Модель
20
Группа
Электрооборудование
Подгруппа
Стартер
Порядковый номер детали
300
39
39
Артикул: СТ50-3708304
нет в наличии
Пружина
Количество на схеме: 8
Информация
Пружина
Количество
8
Англ. номер;Масса
ST50-3708304;0;
Модель
СТ50
Группа
Электрооборудование
Подгруппа
Стартер
Порядковый номер детали
304
40
40
Артикул: 20-3708025
нет в наличии
Щетка изолированная
Количество на схеме: 2
Информация
Щетка изолированная
Количество
2
Англ. номер;Масса
20.3708025;0,039999999;
Модель
20
Группа
Электрооборудование
Подгруппа
Стартер
Порядковый номер детали
025
41
41
Артикул: 24-3708106
нет в наличии
Изоляция вывода
Количество на схеме: 1
Информация
Изоляция вывода
Количество
1
Англ. номер;Масса
24.3708106;0;
Модель
24
Группа
Электрооборудование
Подгруппа
Стартер
Порядковый номер детали
106
42
42
Артикул: 8Н-1531-М
нет в наличии
Гайка
Количество на схеме: 4
Информация
Гайка
Количество
4
Англ. номер;Масса
8N-1531-M;0;
43
43
Артикул: СТ212А-3708104
нет в наличии
Втулка изоляционная
Количество на схеме: 1
Информация
Втулка изоляционная
Количество
1
Англ. номер;Масса
ST212A-3708104;0;
Модель
СТ212А
Группа
Электрооборудование
Подгруппа
Стартер
Порядковый номер детали
104
44
44
Артикул: М12х30
нет в наличии
Болт
Количество на схеме: 2
Информация
Болт
Количество
2
Англ. номер;Масса
M12x30;0;
45
45
Артикул: ШП12
нет в наличии
Шайба
Количество на схеме: 3
Информация
Шайба
Количество
3
Англ. номер;Масса
SHP12;0;
46
46
Артикул: СТ212А-3708014
нет в наличии
Ось рычага
Количество на схеме: 1
Информация
Ось рычага
Количество
1
Англ. номер;Масса
ST212A-3708014;0;
Модель
СТ212А
Группа
Электрооборудование
Подгруппа
Стартер
Порядковый номер детали
014
47
47
Артикул: СТ212А-3708400
нет в наличии
Крышка
Количество на схеме: 1
Информация
Крышка
Количество
1
Англ. номер;Масса
ST212A-3708400;0;
Модель
СТ212А
Группа
Электрооборудование
Подгруппа
Стартер
Порядковый номер детали
400
48
48
Артикул: Н-4069
нет в наличии
Шайба
Количество на схеме: 1
Информация
Шайба
Количество
1
Англ. номер;Масса
N-4069;0;
49
49
Артикул: 8Н-1537
нет в наличии
Гайка
Количество на схеме: 1
Информация
Гайка
Количество
1
Англ. номер;Масса
8N-1537;0;
50
50
Артикул: СТ212-3708402
нет в наличии
Вкладыш
Количество на схеме: 1
Информация
Вкладыш
Количество
1
Англ. номер;Масса
ST212-3708402;0;
Модель
СТ212
Группа
Электрооборудование
Подгруппа
Стартер
Порядковый номер детали
402
51
51
Артикул: М12
нет в наличии
Гайка
Количество на схеме: 1
Информация
Гайка
Количество
1
Англ. номер;Масса
M12;0;
52
52
Артикул: М12х45
нет в наличии
Болт
Количество на схеме: 1
Информация
Болт
Количество
1
Англ. номер;Масса
M12x45;0;
53
53
Артикул: СТ212А-3708020
нет в наличии
Рычаг отводки
Количество на схеме: 1
Информация
Рычаг отводки
Количество
1
Англ. номер;Масса
ST212A-3708020;0;
Модель
СТ212А
Группа
Электрооборудование
Подгруппа
Стартер
Порядковый номер детали
020
54
54
Артикул: 1-ГК-38
нет в наличии
Винт полюса
Количество на схеме: 8
Информация
Винт полюса
Количество
8
Англ. номер;Масса
1-GK-38;0;
55
55
Артикул: 20-3708101
нет в наличии
Корпус
Количество на схеме: 1
Информация
Корпус
Количество
1
Англ. номер;Масса
20.3708101;0;
Модель
20
Группа
Электрооборудование
Подгруппа
Стартер
Порядковый номер детали
101
56
56
Артикул: СТ212-3708102
нет в наличии
Полюс
Количество на схеме: 4
Информация
Полюс
Количество
4
Англ. номер;Масса
ST212-3708102;0;
Модель
СТ212
Группа
Электрооборудование
Подгруппа
Стартер
Порядковый номер детали
102
57
57
Артикул: 20-3708143
нет в наличии
Катушка
Количество на схеме: 1
Информация
Катушка
Количество
1
Англ. номер;Масса
20.3708143;0;
Модель
20
Группа
Электрооборудование
Подгруппа
Стартер
Порядковый номер детали
143
58
58
Артикул: 20-3708142
нет в наличии
Катушка
Количество на схеме: 1
Информация
Катушка
Количество
1
Англ. номер;Масса
20.3708142;0;
Модель
20
Группа
Электрооборудование
Подгруппа
Стартер
Порядковый номер детали
142
59
59
Артикул: МХ-0355
нет в наличии
Шайба
Количество на схеме: 1
Информация
Шайба
Количество
1
Англ. номер;Масса
MX-0355;0;
60
60
Артикул: 20-3708109
нет в наличии
Болт контактный
Количество на схеме: 1
Информация
Болт контактный
Количество
1
Англ. номер;Масса
20.3708109;0,025;
Модель
20
Группа
Электрооборудование
Подгруппа
Стартер
Порядковый номер детали
109
61
61
Артикул: Н-4237-01
нет в наличии
Винт
Количество на схеме: 4
Информация
Винт
Количество
4
Англ. номер;Масса
N-4237-01;0;
62
62
Артикул: МН-0246
нет в наличии
Шайба
Количество на схеме: 2
Информация
Шайба
Количество
2
Англ. номер;Масса
MN-0246;0;
63
63
Артикул: Н-1012
нет в наличии
Шайба
Количество на схеме: 3
Информация
Шайба
Количество
3
Англ. номер;Масса
N-1012;0;
64
64
Артикул: 20-3708115
нет в наличии
Щетка неизолированная
Количество на схеме: 2
Информация
Щетка неизолированная
Количество
2
Англ. номер;Масса
20.3708115;0,860000014;
Модель
20
Группа
Электрооборудование
Подгруппа
Стартер
Порядковый номер детали
115
65
65
Артикул: СТ50-3708080
нет в наличии
Болт стяжной
Количество на схеме: 2
Информация
Болт стяжной
Количество
2
Англ. номер;Масса
ST50-3708080;0,075000003;
Модель
СТ50
Группа
Электрооборудование
Подгруппа
Стартер
Порядковый номер детали
080
66
66
Артикул: НО-1001
нет в наличии
Шайба
Количество на схеме: 1-2
Информация
Шайба
Количество
1-2
Англ. номер;Масса
NO-1001;0;
67
67
Артикул: 20-3708200
нет в наличии
Якорь
Количество на схеме: 1
Информация
Якорь
Количество
1
Англ. номер;Масса
20.3708200;0;
Модель
20
Группа
Электрооборудование
Подгруппа
Стартер
Порядковый номер детали
200
68
68
Артикул: СТ212-3708050
нет в наличии
Подшипник
Количество на схеме: 1
Информация
Подшипник
Количество
1
Англ. номер;Масса
ST212-3708050;0,209999993;
Модель
СТ212
Группа
Электрооборудование
Подгруппа
Стартер
Порядковый номер детали
050
69
69
Артикул: СТ212А-3708604
нет в наличии
Кольцо
Количество на схеме: 1
Информация
Кольцо
Количество
1
Англ. номер;Масса
ST212A-3708604;0,028000001;
Модель
СТ212А
Группа
Электрооборудование
Подгруппа
Стартер
Порядковый номер детали
604
70
70
Артикул: СТ212-3708602
нет в наличии
Втулка отводки
Количество на схеме: 1
Информация
Втулка отводки
Количество
1
Англ. номер;Масса
ST212-3708602;0;
Модель
СТ212
Группа
Электрооборудование
Подгруппа
Стартер
Порядковый номер детали
602
71
71
Артикул: СТ212-3708615
нет в наличии
Пружина
Количество на схеме: 1
Информация
Пружина
Количество
1
Англ. номер;Масса
ST212-3708615;0;
Модель
СТ212
Группа
Электрооборудование
Подгруппа
Стартер
Порядковый номер детали
615
72
72
Артикул: СТ212-3708600-Б
нет в наличии
Привод
Количество на схеме: 1
Информация
Привод
Количество
1
Англ. номер;Масса
ST212-3708600-B;0;
Модель
СТ212
Группа
Электрооборудование
Подгруппа
Стартер
Порядковый номер детали
600
73
73
Артикул: СТ212А-3708004
нет в наличии
Полукольцо упорное
Количество на схеме: 2
Информация
Полукольцо упорное
Количество
2
Англ. номер;Масса
ST212A-3708004;0;
Модель
СТ212А
Группа
Электрооборудование
Подгруппа
Стартер
Порядковый номер детали
004
74
74
Артикул: СТ212А-3708006
нет в наличии
Обойма
Количество на схеме: 1
Информация
Обойма
Количество
1
Англ. номер;Масса
ST212A-3708006;0;
Модель
СТ212А
Группа
Электрооборудование
Подгруппа
Стартер
Порядковый номер детали
006
75
75
Артикул: СТ212-3708011
нет в наличии
Шайба
Количество на схеме: 2
Информация
Шайба
Количество
2
Англ. номер;Масса
ST212-3708011;0;
Модель
СТ212
Группа
Электрооборудование
Подгруппа
Стартер
Порядковый номер детали
011
  • Грузовые автомобили
  • Автобусы
  • Сельхозтехника
  • Спецтехника
  • Двигатели
Получить оптовый прайс-лист
Скачать прайс-лист от 06.05.2026 16:00
Специальное предложение от 06.05.2026 17:00
Производители:


  • WEICHAI
  • Автодизель ПАО (ЯМЗ)
  • Тутаевский МЗ
  • ЯЗДА
  • УралАЗ
  • МАЗ
  • АЗПИ
  • BOSCH
  • ММЗ
  • ШААЗ
  • FEDERAL MOGUL
  • ПРАМО
  • Мотордеталь
  • ТАИМ
  • АвтоКрАЗ
  • БЕЛКАРД
  • CZ Strakonice
  • КамАЗ
  • БЗА
  • ЧМЗ
  • BMZ
Новости
Все новости
25 марта 2024
Флагманский седельный тягач «Валдай 45» на выставке «TransRussia»
10 марта 2024
Современные автобусы «CITYMAX 9» и ЛиАЗ-5292 CNG
25 февраля 2024
Серийное производство средних дизельных двигателей повышенной мощности от ЯМЗ
Статьи
Все статьи
Датчики двигателя: за что они отвечают, признаки неисправности и как не прогадать с выбором
Двигатели ЯМЗ-534: история, технические характеристики и области применения
Двигатели ЯМЗ 650: углублённый технический обзор и история
Компания
О компании
Реквизиты
Новости
Политика
Магазины
Информация
Условия оплаты
Условия доставки
Гарантия на товар
Обмен и возврат товара
Помощь
Как оформить заказ
Полезные статьи
Бренды
Пункты выдачи
Оставайтесь на связи
  • Вконтакте
  • YouTube
  • Одноклассники
  • Google Plus
Увидели ошибку?
Выделите, нажав Ctrl + Enter
Наши контакты
8-800-700-35-68
sales@din76.ru
г. Ярославль, Ленинградский пр-т 33, ТЦ "ОМЕГА"
2026 © ООО «Динамика 76» - Все права защищены ООО "Динамика 76"
Предложения на сайте не являются публичной офертой.
На сайте обнаружена ошибка

Текст с ошибкой