Избранное 0 Корзина 0 Личный кабинет
logo
Каталог
Каталог
  • Справочник
    • Грузовые автомобили
    • Автобусы
    • Сельхозтехника
    • Спецтехника
    • Двигатели
  • Доставка
  • Оплата
  • О компании
    • Реквизиты
    • Магазины
    • Оплата
    • Доставка
    • Лицензии и сертификаты
    • Новости
    • Вакансии
  • Контакты
Отправить заявку
Личный кабинет
8 (800) 700-35-68
sales@din76.ru
Избранное 0 Корзина 0
8 (800) 700-35-68
Оптовый прайс-лист
Каталог
  • Двигатели
  • Запчасти WEICHAI
  • Запчасти ЯМЗ, ТМЗ (V-образные)
  • Запчасти ЯМЗ-534, ЯМЗ-536
  • Запчасти ЯМЗ-650, ЯМЗ-651, DCi-11
  • Топливная аппаратура
  • Запчасти УРАЛ
  • Запчасти МАЗ
  • Запчасти КамАЗ
  • Запчасти ММЗ
  • Ремни
Автокаталог (справочник)
  • Доставка
  • Оплата
  • О компании
  • Контакты
8 (800) 700-35-68
Написать в Whatsapp
sales@din76.ru
Динамика 76
Меню  
  • Каталог
    • Двигатели  
      • Двигатели ТМЗ  
        • Двигатели ТМЗ для автомобилей
        • Двигатели ТМЗ для тракторов
        • Специальные двигатели ТМЗ
        • Промышленные двигатели ТМЗ
      • Двигатели ЯМЗ  
        • ЯМЗ 236
        • ЯМЗ 238
        • ЯМЗ 240
        • ЯМЗ 751
        • ЯМЗ 840
        • ЯМЗ 850
        • ЯМЗ 656
        • ЯМЗ 658
        • ЯМЗ 534
        • ЯМЗ 536
        • ЯМЗ 650
        • Двигатели ЯМЗ для электростанций
      • Двигатели КАМАЗ
      • Двигатели ММЗ
      • Двигатели индивидуальной сборки
      • Комплекты переоборудования
    • Запчасти WEICHAI  
      • Основные запчасти двигателя  
        • Клапаны и толкатели
        • Шатуны
        • Вал коленчатый и маховик
        • Вал распределительный
        • Цилиндро-поршневая группа
      • Система питания  
        • Форсунки
        • Турбокомпрессор
      • Система смазки  
        • Насос масляный
      • Головка блока
      • Ремкомплекты
      • Система охлаждения  
        • Насос водяной
        • Муфта вязкостная и крыльчатка
      • Фильтры
      • Электрооборудование  
        • Генератор
        • Стартер
    • Запчасти ЯМЗ, ТМЗ (V-образные)  
      • Основные запчасти двигателя  
        • Блок двигателя и комплектующие
        • Валы распределительные и клапаны
        • Головка блока и комплектующие
        • Цилиндро-поршневая группа
        • Маховики и комплектующие
        • Валы коленчатые и комплектующие
        • Шатуны и комплектующие
      • Система питания  
        • Коллекторы и патрубки
        • Топливные трубопроводы
        • Турбокомпрессор
        • Топливные фильтры
      • Электрооборудование двигателя
      • Система охлаждения  
        • Вязкостные муфты и крыльчатки
        • Приводы вентилятора
        • Водяные насосы
        • Водяные трубы и термостаты
      • Коробки переключения передач  
        • 8 Ступенчатые КПП
        • 5 Ступенчатые КПП
        • 9 Ступенчатые КПП
        • Запасные части КПП ЯМЗ, ТМЗ
      • Система смазки  
        • Теплообменник и комплектующие
        • Масляные насосы
        • Фильтры масляные (ФГОМ, ФЦОМ)
      • Сцепление  
        • Запасные части механизма сцепления
        • Муфты (подшипники выжимные)
        • Корзины (диски нажимные)
        • Диски ведомые
      • Прочие запчасти двигателя  
        • Ремкомплекты
        • Привод агрегатов
        • Натяжные устройства
        • Трубки
    • Запчасти ЯМЗ-534, ЯМЗ-536  
      • Основные запчасти двигателя  
        • Цилиндро-поршневая группа
        • Головка блока цилиндров и комплектующие
        • Блок цилиндров и комплектующие
        • Вал коленчатый и маховик
        • Вал распределительный
        • Клапаны и толкатели
        • ГУР (Гидроусилитель руля)
        • Система рециркуляции отработавших газов
        • Выпускной коллектор
      • Система питания  
        • Коллекторы и патрубки
        • Топливные фильтры
        • Турбокомпрессор
        • Топливные трубопроводы
      • Система смазки  
        • Масляный картер поддон
        • Масляный насос
        • Теплообменник /Водо-масляный радиатор
        • Фильтры масляные (ФГОМ, ФЦОМ)
      • Пневмокомпрессор и натяжное
      • Система охлаждения  
        • Водяной насос
        • Водяные трубы и патрубки
        • Муфты вязкостные, приводы, крыльчатки
      • Ремкомплекты
      • Сцепление
      • Электрооборудование
    • Запчасти ЯМЗ-650, ЯМЗ-651, DCi-11  
      • Основные запчасти двигателя  
        • Цилиндро-поршневая группа
        • Головка блока цилиндров и комплектующие
        • Блок цилиндров и комплектующие
        • Вал коленчатый и маховик
        • Выпускной коллектор
        • Вал распределительный
        • Клапаны и толкатели
        • ГУР (Гидроусилитель руля)
        • Система рециркуляции отработавших газов
      • Система питания  
        • Коллекторы и патрубки
        • Топливные трубопроводы
        • Топливные фильтры
        • Турбокомпрессор
      • Система смазки  
        • Масляный картер / поддон
        • Масляный насос
        • Теплообменник / Водо-масляный радиатор
        • Фильтры масляные (ФГОМ, ФЦОМ)
      • Система охлаждения  
        • Водяной насос
        • Водяные трубы и патрубки
        • Муфты вязкостные, приводы, крыльчатки
      • Ремкомплекты
      • Пневмокомпрессор и натяжное
      • Электрооборудование
      • Сцепление
    • Топливная аппаратура  
      • ЯЗДА  
        • Распылители
        • ТНВД
        • Форсунки
        • Топливный насос низкого давления
        • Пары плунжерные
        • Муфта опережения впрыска топлива
        • Запчасти и комплектующие ТНВД
      • НЗТА
      • АЗПИ  
        • Распылители
        • Форсунки
      • BOSCH
    • Запчасти УРАЛ  
      • Трансмиссия  
        • Коробка раздаточная
        • Передача карданная
        • Мост задний
        • Мост передний (ведущий)
        • Мост средний (промежуточный)
      • Кузов  
        • Дверь кабины
        • Капот, крылья, облицовка радиатора
        • Окно ветровое и заднее
        • Отопление и вентиляция кабины
        • Кабина
      • Механизмы управления  
        • Управление рулевое
        • Тормоза
      • Дополнительное оборудование  
        • Отбор мощности
        • Устройство седельное
      • Электрооборудование
      • Ходовая часть  
        • Колеса и ступицы
        • Ось передняя
        • Подвеска автомобиля
        • Рама
    • Запчасти МАЗ  
      • Трансмиссия  
        • Мост задний
        • Мост передний (ведущий)
        • Передача карданная
        • Мост средний (промежуточный)
      • Кузов  
        • Кабина
        • Дверь кабины
        • Детали основания кабины
        • Окно ветровое и заднее
        • Платформа
      • Механизмы управления  
        • Тормоза
        • Управление рулевое
      • Ходовая часть  
        • Колеса и ступицы
        • Ось передняя
        • Подвеска автомобиля
        • Рама
    • Запчасти КамАЗ  
      • Кузов  
        • Кабина
        • Капот, крылья, облицовка радиатора
        • Дверь кабины
        • Платформа
        • Окно ветровое и заднее
        • Устройство подъемное и опрокидывающее
        • Сиденье
        • Крыша кабины (крыша кузова)
        • Отопление и вентиляция кабины
      • Трансмиссия  
        • Коробка передач
        • Коробка раздаточная
        • Мост задний
        • Сцепление
        • Мост средний (промежуточный)
        • Передача карданная
        • Мост передний (ведущий)
      • Двигатель  
        • Основные запчасти двигателя
        • Система охлаждения
        • Система питания
        • Система смазки
      • Дополнительное оборудование  
        • Отбор мощности
        • Устройство седельное
      • Ходовая часть  
        • Подвеска автомобиля
        • Рама
        • Колеса и ступицы
        • Ось передняя
      • Механизмы управления  
        • Тормоза
        • Управление рулевое
      • Электрооборудование
    • Запчасти ММЗ
    • Ремни
  • Справочник
    • Грузовые автомобили
    • Автобусы
    • Сельхозтехника
    • Спецтехника
    • Двигатели
  • Как купить
    • Условия оплаты
    • Условия доставки
    • Гарантия на товар
    • Пункты выдачи
  • Услуги
    • Капитальный ремонт двигателей ЯМЗ
  • Акции
  • Статьи
  • Контакты
  • Компания
    • Реквизиты
    • Магазины
    • Оплата
    • Доставка
    • Лицензии и сертификаты
    • Новости
    • Вакансии
Избранное 0 Корзина 0
8-800-700-35-68

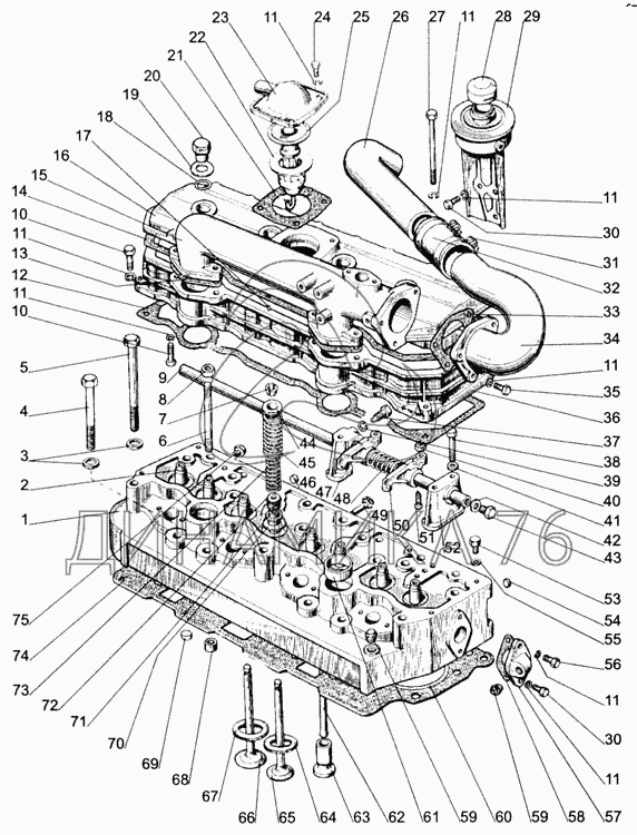
Головка цилиндров. Клапаны и толкатели клапанов на МТЗ-1005 (до 2008 г.)

Справочник
Главная
-
Автокаталог
-
Сельхозтехника
-
МТЗ
-
МТЗ-1005
Справочный каталог

Головка цилиндров. Клапаны и толкатели клапанов — МТЗ-1005:

240-1007151-В 240-1007152-В 1 1 1 2 3 4 5 6 7 8 9 10 10 11 11 11 11 11 11 11 11 12 13 14 15 16 17 18 19 20 21 22 23 24 25 26 27 28 29 29 30 30 31 32 33 34 35 36 36 37 38 39 40 41 42 43 44 45 46 47 48 49 50 50 51 51 52 53 54 55 56 57 58 59 59 60 61 62 62 63 63 64 65 65 66 66 67 68 69 70 71 72 73 74 75
в наличии
нет в наличии
масштаб

В наличии
Нет в наличии

Перечень комплектующих от Головка цилиндров. Клапаны и толкатели клапанов на МТЗ-1005

Схемы запчастей предназначены для справочных целей! Мы продаем не все запчасти от Головка цилиндров. Клапаны и толкатели клапанов на МТЗ-1005, представленные в этом списке.
Наличие на складах по деталям с ценой смотрите в карточке товара.
Артикул: 240-1007151-В
нет в наличии
Стойка передняя
Количество на схеме: 1
Информация
Стойка передняя
Количество
1
Англ. номер;Масса
240-1007151-V;0;
Модель
240
Группа
Двигатель
Подгруппа
Клапана и толкатели
Порядковый номер детали
151
Артикул: 240-1007152-В
нет в наличии
Стойка средняя вторая
Количество на схеме: 1
Информация
Стойка средняя вторая
Количество
1
Англ. номер;Масса
240-1007152-V;0;
Модель
240
Группа
Двигатель
Подгруппа
Клапана и толкатели
Порядковый номер детали
152
1
1
Артикул: 245-1003012
в наличии
Головка цилиндров в сборе
Количество на схеме: 1
Информация
Головка цилиндров в сборе
Количество
1
Англ. номер;Масса
245-1003012;0;
Модель
245
Группа
Двигатель
Подгруппа
Головка блока цилиндров
Порядковый номер детали
012
Головка блока ЗИЛ-5301,Д-245 в сборе ММЗ
Артикул: 245-1003012
Головка блока ЗИЛ-5301,Д-245 в сборе ММЗ
Код для заказа: 00028866
Цена: 61 625 ₽/шт.
Под заказ
Головка блока ЗИЛ-5301,Д-245 в сборе ММЗ
Артикул: 245-1003012
Код для заказа: 00028866
Головка блока ЗИЛ-5301,Д-245 в сборе ММЗ
Цена: 61 625 ₽/шт.
Под заказ
1
1
Артикул: 245-1003013-А-03
нет в наличии
Головка цилиндров
Количество на схеме: 1
Информация
Головка цилиндров
Количество
1
Англ. номер;Масса
245-1003013-A-03;43;
Модель
245
Группа
Двигатель
Подгруппа
Головка блока цилиндров
Порядковый номер детали
013
1
1
Артикул: 245-1003015-А-01
нет в наличии
Головка цилиндров
Количество на схеме: 1
Информация
Головка цилиндров
Количество
1
Англ. номер;Масса
245-1003015-A-01;40,84000015;
Модель
245
Группа
Двигатель
Подгруппа
Головка блока цилиндров
Порядковый номер детали
015
2
2
Артикул: 240-1007032-В-01
нет в наличии
Втулка направляющая
Количество на схеме: 8
Информация
Втулка направляющая
Количество
8
Англ. номер;Масса
240-1007032-V-01;0;
Модель
240
Группа
Двигатель
Подгруппа
Клапана и толкатели
Порядковый номер детали
032
3
3
Артикул: 48-1002318
нет в наличии
Шайба
Количество на схеме: 16
Информация
Шайба
Количество
16
Англ. номер;Масса
48-1002318;0,007;
Модель
48
Группа
Двигатель
Подгруппа
Блок цилиндров
Порядковый номер детали
318
4
4
Артикул: 240-1002047-01
нет в наличии
Болт
Количество на схеме: 4
Информация
Болт
Количество
4
Англ. номер;Масса
240-1002047-01;0,050000001;
Модель
240
Группа
Двигатель
Подгруппа
Блок цилиндров
Порядковый номер детали
047
5
5
Артикул: 240-1002047
в наличии
Болт
Количество на схеме: 12
Информация
Болт
Количество
12
Англ. номер;Масса
240-1002047;0,050000001;
Модель
240
Группа
Двигатель
Подгруппа
Блок цилиндров
Порядковый номер детали
047
Болт ЗИЛ-5301 головки блока длинный ММЗ
Артикул: 240-1002047
Болт ЗИЛ-5301 головки блока длинный ММЗ
Код для заказа: 00022310
Цена: 259 ₽/шт.
Под заказ
Болт ЗИЛ-5301 головки блока длинный ММЗ
Артикул: 240-1002047
Код для заказа: 00022310
Болт ЗИЛ-5301 головки блока длинный ММЗ
Цена: 259 ₽/шт.
Под заказ
6
6
Артикул: 50-1003112
нет в наличии
Шпилька
Количество на схеме: 4
Информация
Шпилька
Количество
4
Англ. номер;Масса
50-1003112;0,090000004;
Модель
50
Группа
Двигатель
Подгруппа
Головка блока цилиндров
Порядковый номер детали
112
7
7
Артикул: 50-1007053-А1
нет в наличии
Сухарь клапана
Количество на схеме: 16
Информация
Сухарь клапана
Количество
16
Англ. номер;Масса
50-1007053-A1;0,032000002;
Модель
50
Группа
Двигатель
Подгруппа
Клапана и толкатели
Порядковый номер детали
053
8
8
Артикул: М12
нет в наличии
Гайка
Количество на схеме: 4
Информация
Гайка
Количество
4
Англ. номер;Масса
M12;0;
9
9
Артикул: 50-1007102-А
нет в наличии
Ось
Количество на схеме: 1
Информация
Ось
Количество
1
Англ. номер;Масса
50-1007102-A;0,851000011;
Модель
50
Группа
Двигатель
Подгруппа
Клапана и толкатели
Порядковый номер детали
102
10
10
Артикул: М8х35
нет в наличии
Болт
Количество на схеме: 6
Информация
Болт
Количество
6
Англ. номер;Масса
M8x35;0;
11
11
Артикул: ШП8
нет в наличии
Шайба
Количество на схеме: 16
Информация
Шайба
Количество
16
Англ. номер;Масса
SHP8;0;
12
12
Артикул: 240-1003108
нет в наличии
Прокладка
Количество на схеме: 1
Информация
Прокладка
Количество
1
Англ. номер;Масса
240-1003108;0,064999998;
Модель
240
Группа
Двигатель
Подгруппа
Головка блока цилиндров
Порядковый номер детали
108
13
13
Артикул: 240-1003031
нет в наличии
Прокладка
Количество на схеме: 2
Информация
Прокладка
Количество
2
Англ. номер;Масса
240-1003031;0,009;
Модель
240
Группа
Двигатель
Подгруппа
Головка блока цилиндров
Порядковый номер детали
031
14
14
Артикул: 240-1003109
нет в наличии
Прокладка
Количество на схеме: 1
Информация
Прокладка
Количество
1
Англ. номер;Масса
240-1003109;0,055;
Модель
240
Группа
Двигатель
Подгруппа
Головка блока цилиндров
Порядковый номер детали
109
15
15
Артикул: 245-1003033-А-06
нет в наличии
Коллектор
Количество на схеме: 1
Информация
Коллектор
Количество
1
Англ. номер;Масса
245-1003033-A-06;0;
Модель
245
Группа
Двигатель
Подгруппа
Головка блока цилиндров
Порядковый номер детали
033
16
16
Артикул: 245-1003122-02
нет в наличии
Колпак
Количество на схеме: 1
Информация
Колпак
Количество
1
Англ. номер;Масса
245-1003122-02;1,809999943;
Модель
245
Группа
Двигатель
Подгруппа
Головка блока цилиндров
Порядковый номер детали
122
17
17
Артикул: 2,5х10
нет в наличии
Штифт
Количество на схеме: 2
Информация
Штифт
Количество
2
Англ. номер;Масса
2,5x10;0;
18
18
Артикул: 50-1003107-А-01
нет в наличии
Кольцо
Количество на схеме: 4
Информация
Кольцо
Количество
4
Англ. номер;Масса
50-1003107-A-01;0,001;
Модель
50
Группа
Двигатель
Подгруппа
Головка блока цилиндров
Порядковый номер детали
107
19
19
Артикул: 50-1003106
нет в наличии
Шайба
Количество на схеме: 4
Информация
Шайба
Количество
4
Англ. номер;Масса
50-1003106;0,015;
Модель
50
Группа
Двигатель
Подгруппа
Головка блока цилиндров
Порядковый номер детали
106
20
20
Артикул: 50-1003104-А
в наличии
Гайка колпака
Количество на схеме: 4
Информация
Гайка колпака
Количество
4
Англ. номер;Масса
50-1003104-A;0,026000001;
Модель
50
Группа
Двигатель
Подгруппа
Головка блока цилиндров
Порядковый номер детали
104
Гайка ЗИЛ-5301 колпака головки блока ММЗ
Артикул: 50-1003104-А
Гайка ЗИЛ-5301 колпака головки блока ММЗ
Код для заказа: 00027236
Цена: 178 ₽/шт.
Под заказ
Гайка ЗИЛ-5301 колпака головки блока ММЗ
Артикул: 50-1003104-А
Код для заказа: 00027236
Гайка ЗИЛ-5301 колпака головки блока ММЗ
Цена: 178 ₽/шт.
Под заказ
21
21
Артикул: 240-1002444-А
нет в наличии
Прокладка
Количество на схеме: 1
Информация
Прокладка
Количество
1
Англ. номер;Масса
240-1002444-A;0,006;
Модель
240
Группа
Двигатель
Подгруппа
Блок цилиндров
Порядковый номер детали
444
22
22
Артикул: 245-1014440
нет в наличии
Стакан
Количество на схеме: 1
Информация
Стакан
Количество
1
Англ. номер;Масса
245-1014440;0;
Модель
245
Группа
Двигатель
Подгруппа
Вентиляция масляного картера
Порядковый номер детали
440
23
23
Артикул: 245-1002430-02
нет в наличии
Корпус сапуна
Количество на схеме: 1
Информация
Корпус сапуна
Количество
1
Англ. номер;Масса
245-1002430-02;0;
Модель
245
Группа
Двигатель
Подгруппа
Блок цилиндров
Порядковый номер детали
430
24
24
Артикул: М8х16
нет в наличии
Болт
Количество на схеме: 4
Информация
Болт
Количество
4
Англ. номер;Масса
M8x16;0;
25
25
Артикул: 245-1014445
нет в наличии
Маслоотражатель
Количество на схеме: 1
Информация
Маслоотражатель
Количество
1
Англ. номер;Масса
245-1014445;0;
Модель
245
Группа
Двигатель
Подгруппа
Вентиляция масляного картера
Порядковый номер детали
445
26
26
Артикул: 245-2451003036-В
нет в наличии
Патрубок
Количество на схеме: 1
Информация
Патрубок
Количество
1
Англ. номер;Масса
245-2451003036-V;0;
Модель
245
Группа
Мост задний
Подгруппа
2451
Порядковый номер детали
003
Дополнительно
Не взаимозаменяема с деталью, выпущенной ранее под этим же номером
27
27
Артикул: М8х80
нет в наличии
Болт
Количество на схеме: 1
Информация
Болт
Количество
1
Англ. номер;Масса
M8x80;0;
28
28
Артикул: 240-3707200-01
нет в наличии
Пробка
Количество на схеме: 1
Информация
Пробка
Количество
1
Англ. номер;Масса
240-3707200-01;0,119999997;
Модель
240
Группа
Электрооборудование
Подгруппа
Свечи зажигания (запальные) и провода
Порядковый номер детали
200
29
29
Артикул: 242-3707140-А-01
нет в наличии
Бачок
Количество на схеме: 1
Информация
Бачок
Количество
1
Англ. номер;Масса
242-3707140-A-01;0,379999995;
Модель
242
Группа
Электрооборудование
Подгруппа
Свечи зажигания (запальные) и провода
Порядковый номер детали
140
29
29
Артикул: 245-3707220-А
нет в наличии
Бачок с пробкой
Количество на схеме: 1
Информация
Бачок с пробкой
Количество
1
Англ. номер;Масса
245-3707220-A;0,379999995;
Модель
245
Группа
Электрооборудование
Подгруппа
Свечи зажигания (запальные) и провода
Порядковый номер детали
220
30
30
Артикул: М8х20
нет в наличии
Болт
Количество на схеме: 4
Информация
Болт
Количество
4
Англ. номер;Масса
M8x20;0;
31
31
Артикул: 50-70
нет в наличии
Хомут фирмы Nоrmа
Количество на схеме: 4
Информация
Хомут фирмы Nоrmа
Количество
4
Англ. номер;Масса
50-70;0;
32
32
Артикул: 50-61-70-0,2
нет в наличии
Рукав
Количество на схеме: 2
Информация
Рукав
Количество
2
Англ. номер;Масса
50-61-70-0,2(2);0;
33
33
Артикул: 240-1003264-А
нет в наличии
Прокладка
Количество на схеме: 1
Информация
Прокладка
Количество
1
Англ. номер;Масса
240-1003264-A;0,005;
Модель
240
Группа
Двигатель
Подгруппа
Головка блока цилиндров
Порядковый номер детали
264
34
34
Артикул: 245-1003035-В
нет в наличии
Патрубок
Количество на схеме: 1
Информация
Патрубок
Количество
1
Англ. номер;Масса
245-1003035-V;0;
Модель
245
Группа
Двигатель
Подгруппа
Головка блока цилиндров
Порядковый номер детали
035
35
35
Артикул: М8х30
нет в наличии
Болт
Количество на схеме: 4
Информация
Болт
Количество
4
Англ. номер;Масса
M8x30;0;
36
36
Артикул: 240-1003032-А-02
нет в наличии
Крышка
Количество на схеме: 1
Информация
Крышка
Количество
1
Англ. номер;Масса
240-1003032-A-02;0;
Модель
240
Группа
Двигатель
Подгруппа
Головка блока цилиндров
Порядковый номер детали
032
36
36
Артикул: 245-1003030-08
нет в наличии
Крышка головки цилиндров
Количество на схеме: 1
Информация
Крышка головки цилиндров
Количество
1
Англ. номер;Масса
245-1003030-08;0;
Модель
245
Группа
Двигатель
Подгруппа
Головка блока цилиндров
Порядковый номер детали
030
37
37
Артикул: 240-1007185
нет в наличии
Фиксатор
Количество на схеме: 1
Информация
Фиксатор
Количество
1
Англ. номер;Масса
240-1007185;0,016000001;
Модель
240
Группа
Двигатель
Подгруппа
Клапана и толкатели
Порядковый номер детали
185
38
38
Артикул: М12х85
нет в наличии
Болт
Количество на схеме: 2
Информация
Болт
Количество
2
Англ. номер;Масса
M12x85;0;
39
39
Артикул: ШП10
нет в наличии
Шайба
Количество на схеме: 1
Информация
Шайба
Количество
1
Англ. номер;Масса
SHP10;0;
40
40
Артикул: Д02-063
в наличии
Гайка
Количество на схеме: 8
Информация
Гайка
Количество
8
Англ. номер;Масса
D02-063;0,005;
Гайка ЗИЛ Д-243,245,260 винта регулировки коромысла ММЗ
Артикул: Д02-063
Гайка ЗИЛ Д-243,245,260 винта регулировки коромысла ММЗ
Код для заказа: 00027231
Цена: 108 ₽/шт.
Под заказ
Гайка ЗИЛ Д-243,245,260 винта регулировки коромысла ММЗ
Артикул: Д02-063
Код для заказа: 00027231
Гайка ЗИЛ Д-243,245,260 винта регулировки коромысла ММЗ
Цена: 108 ₽/шт.
Под заказ
41
41
Артикул: ШЧ12
нет в наличии
Шайба
Количество на схеме: 2
Информация
Шайба
Количество
2
Англ. номер;Масса
SHCH12;0;
42
42
Артикул: 50-1007183
нет в наличии
Шайба пробки
Количество на схеме: 2
Информация
Шайба пробки
Количество
2
Англ. номер;Масса
50-1007183;0,003;
Модель
50
Группа
Двигатель
Подгруппа
Клапана и толкатели
Порядковый номер детали
183
43
43
Артикул: 50-1007182
нет в наличии
Пробка оси коромысел
Количество на схеме: 2
Информация
Пробка оси коромысел
Количество
2
Англ. номер;Масса
50-1007182;0,023;
Модель
50
Группа
Двигатель
Подгруппа
Клапана и толкатели
Порядковый номер детали
182
44
44
Артикул: 240-1007048
нет в наличии
Тарелка
Количество на схеме: 8
Информация
Тарелка
Количество
8
Англ. номер;Масса
240-1007048;0,043000001;
Модель
240
Группа
Двигатель
Подгруппа
Клапана и толкатели
Порядковый номер детали
048
45
45
Артикул: 240-1007045-А1
нет в наличии
Пружина клапана
Количество на схеме: 8
Информация
Пружина клапана
Количество
8
Англ. номер;Масса
240-1007045-A1;0;
Модель
240
Группа
Двигатель
Подгруппа
Клапана и толкатели
Порядковый номер детали
045
46
46
Артикул: Д02-003-А
нет в наличии
Заглушка
Количество на схеме: 4
Информация
Заглушка
Количество
4
Англ. номер;Масса
D02-003-A;0,007;
47
47
Артикул: 240-1007152-В-01
нет в наличии
Стойка оси коромысел средняя
Количество на схеме: 1
Информация
Стойка оси коромысел средняя
Количество
1
Англ. номер;Масса
240-1007152-V-01;0;
Модель
240
Группа
Двигатель
Подгруппа
Клапана и толкатели
Порядковый номер детали
152
48
48
Артикул: 50-1007103-А
нет в наличии
Пружина оси коромысел
Количество на схеме: 3
Информация
Пружина оси коромысел
Количество
3
Англ. номер;Масса
50-1007103-A;0,016000001;
Модель
50
Группа
Двигатель
Подгруппа
Клапана и толкатели
Порядковый номер детали
103
49
49
Артикул: М12х35
нет в наличии
Болт
Количество на схеме: 4
Информация
Болт
Количество
4
Англ. номер;Масса
M12x35;0;
50
50
Артикул: 50-1007212-А3
нет в наличии
Коромысло
Количество на схеме: 8
Информация
Коромысло
Количество
8
Англ. номер;Масса
50-1007212-A3;0,215000004;
Модель
50
Группа
Двигатель
Подгруппа
Клапана и толкатели
Порядковый номер детали
212
50
50
Артикул: 50-1007212-А4
нет в наличии
Коромысло клапана со втулкой
Количество на схеме: 8
Информация
Коромысло клапана со втулкой
Количество
8
Англ. номер;Масса
50-1007212-A4;0,215000004;
Модель
50
Группа
Двигатель
Подгруппа
Клапана и толкатели
Порядковый номер детали
212
51
51
Артикул: 50-1007170-В
нет в наличии
Винт регулировочный с гайкой
Количество на схеме: 8
Информация
Винт регулировочный с гайкой
Количество
8
Англ. номер;Масса
50-1007170-V;0,032000002;
Модель
50
Группа
Двигатель
Подгруппа
Клапана и толкатели
Порядковый номер детали
170
51
51
Артикул: 50-1007175-В1
нет в наличии
Винт регулировочный
Количество на схеме: 8
Информация
Винт регулировочный
Количество
8
Англ. номер;Масса
50-1007175-V1;0,032000002;
Модель
50
Группа
Двигатель
Подгруппа
Клапана и толкатели
Порядковый номер детали
175
52
52
Артикул: 240-1007151-В-01
нет в наличии
Стойка оси коромысел крайняя
Количество на схеме: 1
Информация
Стойка оси коромысел крайняя
Количество
1
Англ. номер;Масса
240-1007151-V-01;0;
Модель
240
Группа
Двигатель
Подгруппа
Клапана и толкатели
Порядковый номер детали
151
53
53
Артикул: 240-1003281
в наличии
Пробка
Количество на схеме: 1
Информация
Пробка
Количество
1
Англ. номер;Масса
240-1003281;0;
Модель
240
Группа
Двигатель
Подгруппа
Головка блока цилиндров
Порядковый номер детали
281
Пробка Д-260 теплообменника ММЗ
Артикул: 240-1003281
Пробка Д-260 теплообменника ММЗ
Код для заказа: 00046746
Цена: 76 ₽/шт.
Под заказ
Пробка Д-260 теплообменника ММЗ
Артикул: 240-1003281
Код для заказа: 00046746
Пробка Д-260 теплообменника ММЗ
Цена: 76 ₽/шт.
Под заказ
54
54
Артикул: 240-1003037
в наличии
Заглушка
Количество на схеме: 1
Информация
Заглушка
Количество
1
Англ. номер;Масса
240-1003037;0;
Модель
240
Группа
Двигатель
Подгруппа
Головка блока цилиндров
Порядковый номер детали
037
Заглушка Д-245 блока цилиндров (бобышка) ММЗ
Артикул: 240-1003037
Заглушка Д-245 блока цилиндров (бобышка) ММЗ
Код для заказа: 00030808
Цена: 61 ₽/шт.
Под заказ
Заглушка Д-245 блока цилиндров (бобышка) ММЗ
Артикул: 240-1003037
Код для заказа: 00030808
Заглушка Д-245 блока цилиндров (бобышка) ММЗ
Цена: 61 ₽/шт.
Под заказ
55
55
Артикул: 36-1104788-01
нет в наличии
Прокладка
Количество на схеме: 1
Информация
Прокладка
Количество
1
Англ. номер;Масса
36-1104788-01;0,003;
Модель
36
Группа
Cистема питания двигателя
Подгруппа
Трубопроводы топливные
Порядковый номер детали
788
56
56
Артикул: М8х25
нет в наличии
Болт
Количество на схеме: 1
Информация
Болт
Количество
1
Англ. номер;Масса
M8x25;0;
57
57
Артикул: 70-8115022-А
нет в наличии
Патрубок
Количество на схеме: 1
Информация
Патрубок
Количество
1
Англ. номер;Масса
70-8115022-A;0,059999999;
Модель
70
Группа
Отопление и вентиляция кабины
Подгруппа
8115
Порядковый номер детали
022
58
58
Артикул: 50-1015598
нет в наличии
Прокладка патрубка
Количество на схеме: 1
Информация
Прокладка патрубка
Количество
1
Англ. номер;Масса
50-1015598;0,008;
Модель
50
Группа
Двигатель
Подгруппа
Подогреватель пусковой двигателя
Порядковый номер детали
598
59
59
Артикул: КГ-3/8
нет в наличии
Пробка
Количество на схеме: 2
Информация
Пробка
Количество
2
Англ. номер;Масса
KG 3/8;0;
60
60
Артикул: Ф-4-118,3
нет в наличии
Кольцо
Количество на схеме: 4
Информация
Кольцо
Количество
4
Англ. номер;Масса
F-4.118,3;0;
61
61
Артикул: 50-1003103-А
нет в наличии
Стакан
Количество на схеме: 2
Информация
Стакан
Количество
2
Англ. номер;Масса
50-1003103-A;0,026000001;
Модель
50
Группа
Двигатель
Подгруппа
Головка блока цилиндров
Порядковый номер детали
103
62
62
Артикул: 240-1007310-В
нет в наличии
Штанга
Количество на схеме: 8
Информация
Штанга
Количество
8
Англ. номер;Масса
240-1007310-V;0;
Модель
240
Группа
Двигатель
Подгруппа
Клапана и толкатели
Порядковый номер детали
310
62
62
Артикул: 240-1007310-В1
нет в наличии
Штанга
Количество на схеме: 8
Информация
Штанга
Количество
8
Англ. номер;Масса
240-1007310-V1;0;
Модель
240
Группа
Двигатель
Подгруппа
Клапана и толкатели
Порядковый номер детали
310
63
63
Артикул: 240-1007375-А
нет в наличии
Толкатель
Количество на схеме: 8
Информация
Толкатель
Количество
8
Англ. номер;Масса
240-1007375-A;0;
Модель
240
Группа
Двигатель
Подгруппа
Клапана и толкатели
Порядковый номер детали
375
63
63
Артикул: 240-1007375-А1
нет в наличии
Толкатель клапана
Количество на схеме: 8
Информация
Толкатель клапана
Количество
8
Англ. номер;Масса
240-1007375-A1;0;
Модель
240
Группа
Двигатель
Подгруппа
Клапана и толкатели
Порядковый номер детали
375
64
64
Артикул: 245-1003018
нет в наличии
Седло впускного клапана
Количество на схеме: 4
Информация
Седло впускного клапана
Количество
4
Англ. номер;Масса
245-1003018;0;
Модель
245
Группа
Двигатель
Подгруппа
Головка блока цилиндров
Порядковый номер детали
018
65
65
Артикул: 240-1007015-В6
нет в наличии
Клапан выпускной
Количество на схеме: 4
Информация
Клапан выпускной
Количество
4
Англ. номер;Масса
240-1007015-V6;0;
Модель
240
Группа
Двигатель
Подгруппа
Клапана и толкатели
Порядковый номер детали
015
65
65
Артикул: 240-1007015-В7
нет в наличии
Клапан выпускной
Количество на схеме: 4
Информация
Клапан выпускной
Количество
4
Англ. номер;Масса
240-1007015-V7;0;
Модель
240
Группа
Двигатель
Подгруппа
Клапана и толкатели
Порядковый номер детали
015
66
66
Артикул: 240-1007014-В4
нет в наличии
Клапан впускной
Количество на схеме: 4
Информация
Клапан впускной
Количество
4
Англ. номер;Масса
240-1007014-V4;0;
Модель
240
Группа
Двигатель
Подгруппа
Клапана и толкатели
Порядковый номер детали
014
66
66
Артикул: 240-1007014-В7
нет в наличии
Клапан впускной
Количество на схеме: 4
Информация
Клапан впускной
Количество
4
Англ. номер;Масса
240-1007014-V7;0;
Модель
240
Группа
Двигатель
Подгруппа
Клапана и толкатели
Порядковый номер детали
014
67
67
Артикул: 245-1003019
нет в наличии
Седло выпускного клапана
Количество на схеме: 4
Информация
Седло выпускного клапана
Количество
4
Англ. номер;Масса
245-1003019;0;
Модель
245
Группа
Двигатель
Подгруппа
Головка блока цилиндров
Порядковый номер детали
019
68
68
Артикул: 240-1003029
нет в наличии
Втулка
Количество на схеме: 6
Информация
Втулка
Количество
6
Англ. номер;Масса
240-1003029;0;
Модель
240
Группа
Двигатель
Подгруппа
Головка блока цилиндров
Порядковый номер детали
029
69
69
Артикул: 240-1003027
нет в наличии
Заглушка
Количество на схеме: 5
Информация
Заглушка
Количество
5
Англ. номер;Масса
240-1003027;0,021;
Модель
240
Группа
Двигатель
Подгруппа
Головка блока цилиндров
Порядковый номер детали
027
70
70
Артикул: 240-1007054
нет в наличии
Шайба
Количество на схеме: 8
Информация
Шайба
Количество
8
Англ. номер;Масса
240-1007054;0,009;
Модель
240
Группа
Двигатель
Подгруппа
Клапана и толкатели
Порядковый номер детали
054
71
71
Артикул: 240-1007055
нет в наличии
Шайба
Количество на схеме: 8
Информация
Шайба
Количество
8
Англ. номер;Масса
240-1007055;0,006;
Модель
240
Группа
Двигатель
Подгруппа
Клапана и толкатели
Порядковый номер детали
055
72
72
Артикул: 240-1007020
в наличии
Манжета
Количество на схеме: 8
Информация
Манжета
Количество
8
Англ. номер;Масса
240-1007020;0,002;
Модель
240
Группа
Двигатель
Подгруппа
Клапана и толкатели
Порядковый номер детали
020
Колпачок маслоотражательный ЗИЛ-5301,МТЗ
Артикул: 240-1007020
Колпачок маслоотражательный ЗИЛ-5301,МТЗ
Код для заказа: 00008938
Цена: 77 ₽/шт.
Под заказ
Колпачок маслоотражательный ЗИЛ-5301,МТЗ
Артикул: 240-1007020
Код для заказа: 00008938
Колпачок маслоотражательный ЗИЛ-5301,МТЗ
Цена: 77 ₽/шт.
Под заказ
73
73
Артикул: 240-1007046-А1
нет в наличии
Пружина клапана
Количество на схеме: 8
Информация
Пружина клапана
Количество
8
Англ. номер;Масса
240-1007046-A1;0;
Модель
240
Группа
Двигатель
Подгруппа
Клапана и толкатели
Порядковый номер детали
046
74
74
Артикул: 50-1003020-А2-01
нет в наличии
Прокладка
Количество на схеме: 1
Информация
Прокладка
Количество
1
Англ. номер;Масса
50-1003020-A2-01;0,214000002;
Модель
50
Группа
Двигатель
Подгруппа
Головка блока цилиндров
Порядковый номер детали
020
75
75
Артикул: М12х85
нет в наличии
Болт
Количество на схеме: 2
Информация
Болт
Количество
2
Англ. номер;Масса
M12x85;0;
  • Грузовые автомобили
  • Автобусы
  • Сельхозтехника
  • Спецтехника
  • Двигатели
Получить оптовый прайс-лист
Скачать прайс-лист от 06.05.2026 16:00
Специальное предложение от 06.05.2026 17:00
Производители:


  • WEICHAI
  • Автодизель ПАО (ЯМЗ)
  • Тутаевский МЗ
  • ЯЗДА
  • УралАЗ
  • МАЗ
  • АЗПИ
  • BOSCH
  • ММЗ
  • ШААЗ
  • FEDERAL MOGUL
  • ПРАМО
  • Мотордеталь
  • ТАИМ
  • АвтоКрАЗ
  • БЕЛКАРД
  • CZ Strakonice
  • КамАЗ
  • БЗА
  • ЧМЗ
  • BMZ
Новости
Все новости
25 марта 2024
Флагманский седельный тягач «Валдай 45» на выставке «TransRussia»
10 марта 2024
Современные автобусы «CITYMAX 9» и ЛиАЗ-5292 CNG
25 февраля 2024
Серийное производство средних дизельных двигателей повышенной мощности от ЯМЗ
Статьи
Все статьи
Датчики двигателя: за что они отвечают, признаки неисправности и как не прогадать с выбором
Двигатели ЯМЗ-534: история, технические характеристики и области применения
Двигатели ЯМЗ 650: углублённый технический обзор и история
Компания
О компании
Реквизиты
Новости
Политика
Магазины
Информация
Условия оплаты
Условия доставки
Гарантия на товар
Обмен и возврат товара
Помощь
Как оформить заказ
Полезные статьи
Бренды
Пункты выдачи
Оставайтесь на связи
  • Вконтакте
  • YouTube
  • Одноклассники
  • Google Plus
Увидели ошибку?
Выделите, нажав Ctrl + Enter
Наши контакты
8-800-700-35-68
sales@din76.ru
г. Ярославль, Ленинградский пр-т 33, ТЦ "ОМЕГА"
2026 © ООО «Динамика 76» - Все права защищены ООО "Динамика 76"
Предложения на сайте не являются публичной офертой.
На сайте обнаружена ошибка

Текст с ошибкой