Избранное 0 Корзина 0 Личный кабинет
logo
Каталог
Каталог
  • Справочник
    • Грузовые автомобили
    • Автобусы
    • Сельхозтехника
    • Спецтехника
    • Двигатели
  • Доставка
  • Оплата
  • О компании
    • Реквизиты
    • Магазины
    • Оплата
    • Доставка
    • Лицензии и сертификаты
    • Новости
    • Вакансии
  • Контакты
Отправить заявку
Личный кабинет
8 (800) 700-35-68
sales@din76.ru
Избранное 0 Корзина 0
8 (800) 700-35-68
Оптовый прайс-лист
Каталог
  • Двигатели
  • Запчасти WEICHAI
  • Запчасти ЯМЗ, ТМЗ (V-образные)
  • Запчасти ЯМЗ-534, ЯМЗ-536
  • Запчасти ЯМЗ-650, ЯМЗ-651, DCi-11
  • Топливная аппаратура
  • Запчасти УРАЛ
  • Запчасти МАЗ
  • Запчасти КамАЗ
  • Запчасти ММЗ
  • Ремни
Автокаталог (справочник)
  • Доставка
  • Оплата
  • О компании
  • Контакты
8 (800) 700-35-68
Написать в Whatsapp
sales@din76.ru
Динамика 76
Меню  
  • Каталог
    • Двигатели  
      • Двигатели ТМЗ  
        • Двигатели ТМЗ для автомобилей
        • Двигатели ТМЗ для тракторов
        • Специальные двигатели ТМЗ
        • Промышленные двигатели ТМЗ
      • Двигатели ЯМЗ  
        • ЯМЗ 236
        • ЯМЗ 238
        • ЯМЗ 240
        • ЯМЗ 751
        • ЯМЗ 840
        • ЯМЗ 850
        • ЯМЗ 656
        • ЯМЗ 658
        • ЯМЗ 534
        • ЯМЗ 536
        • ЯМЗ 650
        • Двигатели ЯМЗ для электростанций
      • Двигатели КАМАЗ
      • Двигатели ММЗ
      • Двигатели индивидуальной сборки
      • Комплекты переоборудования
    • Запчасти WEICHAI  
      • Основные запчасти двигателя  
        • Клапаны и толкатели
        • Шатуны
        • Вал коленчатый и маховик
        • Вал распределительный
        • Цилиндро-поршневая группа
      • Система питания  
        • Форсунки
        • Турбокомпрессор
      • Система смазки  
        • Насос масляный
      • Головка блока
      • Ремкомплекты
      • Система охлаждения  
        • Насос водяной
        • Муфта вязкостная и крыльчатка
      • Фильтры
      • Электрооборудование  
        • Генератор
        • Стартер
    • Запчасти ЯМЗ, ТМЗ (V-образные)  
      • Основные запчасти двигателя  
        • Блок двигателя и комплектующие
        • Валы распределительные и клапаны
        • Головка блока и комплектующие
        • Цилиндро-поршневая группа
        • Маховики и комплектующие
        • Валы коленчатые и комплектующие
        • Шатуны и комплектующие
      • Система питания  
        • Коллекторы и патрубки
        • Топливные трубопроводы
        • Турбокомпрессор
        • Топливные фильтры
      • Электрооборудование двигателя
      • Система охлаждения  
        • Вязкостные муфты и крыльчатки
        • Приводы вентилятора
        • Водяные насосы
        • Водяные трубы и термостаты
      • Коробки переключения передач  
        • 8 Ступенчатые КПП
        • 5 Ступенчатые КПП
        • 9 Ступенчатые КПП
        • Запасные части КПП ЯМЗ, ТМЗ
      • Система смазки  
        • Теплообменник и комплектующие
        • Масляные насосы
        • Фильтры масляные (ФГОМ, ФЦОМ)
      • Сцепление  
        • Запасные части механизма сцепления
        • Муфты (подшипники выжимные)
        • Корзины (диски нажимные)
        • Диски ведомые
      • Прочие запчасти двигателя  
        • Ремкомплекты
        • Привод агрегатов
        • Натяжные устройства
        • Трубки
    • Запчасти ЯМЗ-534, ЯМЗ-536  
      • Основные запчасти двигателя  
        • Цилиндро-поршневая группа
        • Головка блока цилиндров и комплектующие
        • Блок цилиндров и комплектующие
        • Вал коленчатый и маховик
        • Вал распределительный
        • Клапаны и толкатели
        • ГУР (Гидроусилитель руля)
        • Система рециркуляции отработавших газов
        • Выпускной коллектор
      • Система питания  
        • Коллекторы и патрубки
        • Топливные фильтры
        • Турбокомпрессор
        • Топливные трубопроводы
      • Система смазки  
        • Масляный картер поддон
        • Масляный насос
        • Теплообменник /Водо-масляный радиатор
        • Фильтры масляные (ФГОМ, ФЦОМ)
      • Пневмокомпрессор и натяжное
      • Система охлаждения  
        • Водяной насос
        • Водяные трубы и патрубки
        • Муфты вязкостные, приводы, крыльчатки
      • Ремкомплекты
      • Сцепление
      • Электрооборудование
    • Запчасти ЯМЗ-650, ЯМЗ-651, DCi-11  
      • Основные запчасти двигателя  
        • Цилиндро-поршневая группа
        • Головка блока цилиндров и комплектующие
        • Блок цилиндров и комплектующие
        • Вал коленчатый и маховик
        • Выпускной коллектор
        • Вал распределительный
        • Клапаны и толкатели
        • ГУР (Гидроусилитель руля)
        • Система рециркуляции отработавших газов
      • Система питания  
        • Коллекторы и патрубки
        • Топливные трубопроводы
        • Топливные фильтры
        • Турбокомпрессор
      • Система смазки  
        • Масляный картер / поддон
        • Масляный насос
        • Теплообменник / Водо-масляный радиатор
        • Фильтры масляные (ФГОМ, ФЦОМ)
      • Система охлаждения  
        • Водяной насос
        • Водяные трубы и патрубки
        • Муфты вязкостные, приводы, крыльчатки
      • Ремкомплекты
      • Пневмокомпрессор и натяжное
      • Электрооборудование
      • Сцепление
    • Топливная аппаратура  
      • ЯЗДА  
        • Распылители
        • ТНВД
        • Форсунки
        • Топливный насос низкого давления
        • Пары плунжерные
        • Муфта опережения впрыска топлива
        • Запчасти и комплектующие ТНВД
      • НЗТА
      • АЗПИ  
        • Распылители
        • Форсунки
      • BOSCH
    • Запчасти УРАЛ  
      • Трансмиссия  
        • Коробка раздаточная
        • Передача карданная
        • Мост задний
        • Мост передний (ведущий)
        • Мост средний (промежуточный)
      • Кузов  
        • Дверь кабины
        • Капот, крылья, облицовка радиатора
        • Окно ветровое и заднее
        • Отопление и вентиляция кабины
        • Кабина
      • Механизмы управления  
        • Управление рулевое
        • Тормоза
      • Дополнительное оборудование  
        • Отбор мощности
        • Устройство седельное
      • Электрооборудование
      • Ходовая часть  
        • Колеса и ступицы
        • Ось передняя
        • Подвеска автомобиля
        • Рама
    • Запчасти МАЗ  
      • Трансмиссия  
        • Мост задний
        • Мост передний (ведущий)
        • Передача карданная
        • Мост средний (промежуточный)
      • Кузов  
        • Кабина
        • Дверь кабины
        • Детали основания кабины
        • Окно ветровое и заднее
        • Платформа
      • Механизмы управления  
        • Тормоза
        • Управление рулевое
      • Ходовая часть  
        • Колеса и ступицы
        • Ось передняя
        • Подвеска автомобиля
        • Рама
    • Запчасти КамАЗ  
      • Кузов  
        • Кабина
        • Капот, крылья, облицовка радиатора
        • Дверь кабины
        • Платформа
        • Окно ветровое и заднее
        • Устройство подъемное и опрокидывающее
        • Сиденье
        • Крыша кабины (крыша кузова)
        • Отопление и вентиляция кабины
      • Трансмиссия  
        • Коробка передач
        • Коробка раздаточная
        • Мост задний
        • Сцепление
        • Мост средний (промежуточный)
        • Передача карданная
        • Мост передний (ведущий)
      • Двигатель  
        • Основные запчасти двигателя
        • Система охлаждения
        • Система питания
        • Система смазки
      • Дополнительное оборудование  
        • Отбор мощности
        • Устройство седельное
      • Ходовая часть  
        • Подвеска автомобиля
        • Рама
        • Колеса и ступицы
        • Ось передняя
      • Механизмы управления  
        • Тормоза
        • Управление рулевое
      • Электрооборудование
    • Запчасти ММЗ
    • Ремни
  • Справочник
    • Грузовые автомобили
    • Автобусы
    • Сельхозтехника
    • Спецтехника
    • Двигатели
  • Как купить
    • Условия оплаты
    • Условия доставки
    • Гарантия на товар
    • Пункты выдачи
  • Услуги
    • Капитальный ремонт двигателей ЯМЗ
  • Акции
  • Статьи
  • Контакты
  • Компания
    • Реквизиты
    • Магазины
    • Оплата
    • Доставка
    • Лицензии и сертификаты
    • Новости
    • Вакансии
Избранное 0 Корзина 0
8-800-700-35-68

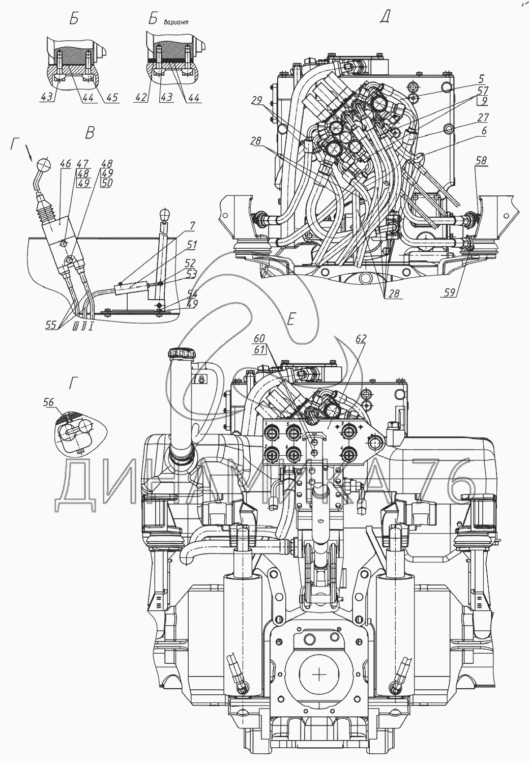
Гидроагрегаты и арматура на БЕЛАРУС 952.7 (до 2022 г.)

Справочник
Главная
-
Автокаталог
-
Сельхозтехника
-
МТЗ
-
БЕЛАРУС 952.7
Справочный каталог

Гидроагрегаты и арматура — БЕЛАРУС 952.7:

1200Р-4607580 1200Р-4607580-01 1200РД-4600010-02 80-4607455 Гидроагрегаты и арматура 1 2 3 4 5 6 7 8 9 10 11 12 13 14 15 16 17 18 19 24 25 26 27 28 28 28 28 28 28 29 30 35 36 37 38 39 40 41 42 43 43 44 44 45 46 47 48 48 49 49 49 50 51 52 53 54 55 56 57 58 59 60 61 62 62 62
в наличии
нет в наличии
масштаб

В наличии
Нет в наличии

Перечень комплектующих от Гидроагрегаты и арматура на БЕЛАРУС 952.7

Схемы запчастей предназначены для справочных целей! Мы продаем не все запчасти от Гидроагрегаты и арматура на БЕЛАРУС 952.7, представленные в этом списке.
Наличие на складах по деталям с ценой смотрите в карточке товара.
Артикул: 1200Р-4607580
нет в наличии
Кронштейн
Количество на схеме: 1
Информация
Кронштейн
Количество
1
Примечание
(2, 35, 58, 59), По заказу боковые выводы
Модель
1200Р
Подгруппа
4607
Порядковый номер детали
580
Артикул: 1200Р-4607580-01
нет в наличии
Кронштейн
Количество на схеме: 1
Информация
Кронштейн
Количество
1
Примечание
(2, 35, 40, 41), По заказу боковые выводы
Модель
1200Р
Подгруппа
4607
Порядковый номер детали
580
Артикул: 1200РД-4600010-02
нет в наличии
Гидросистема
Количество на схеме: ;
Информация
Гидросистема
Количество
;
Подгруппа
4600
Порядковый номер детали
010
Артикул: 80-4607455
нет в наличии
Болт
Количество на схеме: 1
Информация
Болт
Количество
1
Примечание
(37, 38)
Модель
80
Подгруппа
4607
Порядковый номер детали
455
Артикул: Гидроагрегаты-и-арматура
нет в наличии
Гидроагрегаты и арматура
Количество на схеме: ;
Информация
Гидроагрегаты и арматура
Количество
;
1
1
Артикул: 1200РД-4600015-01
нет в наличии
Корпус гидросистемы
Количество на схеме: 1
Информация
Корпус гидросистемы
Количество
1
Модель
1200РД
Подгруппа
4600
Порядковый номер детали
015
2
2
Артикул: 1200Р-4607017
нет в наличии
Кронштейн
Количество на схеме: 2
Информация
Кронштейн
Количество
2
Модель
1200Р
Подгруппа
4607
Порядковый номер детали
017
3
3
Артикул: Болт-М12-6gх30-88-35-019
нет в наличии
Болт
Количество на схеме: 1
Информация
Болт
Количество
1
Примечание
ГОСТ 7796-70
4
4
Артикул: Шайба-12-ОТ
нет в наличии
Шайба
Количество на схеме: 1
Информация
Шайба
Количество
1
Примечание
ОСТ 37.001.115-75
5
5
Артикул: 4600-613
нет в наличии
Рукав высокого давления
Количество на схеме: 1
Информация
Рукав высокого давления
Количество
1
Примечание
ф10х2SC 780-4607140-13, По заказу боковые выводы
6
6
Артикул: 4600-626
нет в наличии
Рукав высокого давления
Количество на схеме: 1
Информация
Рукав высокого давления
Количество
1
Примечание
ф10х2SC П200-4607140-08, По заказу боковые выводы
7
7
Артикул: Болт-М6-6gх14-88-35-019
нет в наличии
Болт
Количество на схеме: 3
Информация
Болт
Количество
3
Примечание
ГОСТ 7796-70
8
8
Артикул: Гайка-М6-6Н-6-019
нет в наличии
Гайка М6-6Н.6.019
Количество на схеме: 2
Информация
Гайка М6-6Н.6.019
Количество
2
Примечание
ГОСТ 5915-70
9
9
Артикул: Шайба-6-Т
нет в наличии
Шайба
Количество на схеме: 8
Информация
Шайба
Количество
8
Примечание
ОСТ 37.001.115-75
10
10
Артикул: C90-4607107-Б
нет в наличии
Пластина
Количество на схеме: 1
Информация
Пластина
Количество
1
Модель
C90
Подгруппа
4607
Порядковый номер детали
107
11
11
Артикул: К1221-4607011-04
нет в наличии
Шланг
Количество на схеме: 1
Информация
Шланг
Количество
1
Модель
К1221
Подгруппа
4607
Порядковый номер детали
011
12
12
Артикул: 5000-02
нет в наличии
Хомут с червячной резьбой 16-27
Количество на схеме: 2
Информация
Хомут с червячной резьбой 16-27
Количество
2
Примечание
16-27
13
13
Артикул: 1200Р-4607550
нет в наличии
Труба
Количество на схеме: 1
Информация
Труба
Количество
1
Модель
1200Р
Подгруппа
4607
Порядковый номер детали
550
14
14
Артикул: Кольцо-027-032-30-1-4
нет в наличии
Кольцо
Количество на схеме: 1
Информация
Кольцо
Количество
1
Примечание
ГОСТ 18829-73-ГОСТ 9833-73
15
15
Артикул: 85-4607034
нет в наличии
Штуцер
Количество на схеме: 1
Информация
Штуцер
Количество
1
Модель
85
Подгруппа
4607
Порядковый номер детали
034
16
16
Артикул: Р1221-4607070
нет в наличии
Штуцер
Количество на схеме: 1
Информация
Штуцер
Количество
1
Модель
Р1221
Подгруппа
4607
Порядковый номер детали
070
17
17
Артикул: 5000-04
нет в наличии
Хомут
Количество на схеме: 2
Информация
Хомут
Количество
2
Примечание
25-40
18
18
Артикул: 4600-22
нет в наличии
Шайба РМ24
Количество на схеме: 2
Информация
Шайба РМ24
Количество
2
Примечание
РМ24
19
19
Артикул: 820-4635160
нет в наличии
Клапан
Количество на схеме: 1
Информация
Клапан
Количество
1
Модель
820
Подгруппа
4635
Порядковый номер детали
160
24
24
Артикул: 80-3723045-01
нет в наличии
Манжета
Количество на схеме: 2
Информация
Манжета
Количество
2
Модель
80
Группа
Электрооборудование
Подгруппа
Соединители электропроводов
Порядковый номер детали
045
25
25
Артикул: ППР-50-03
нет в наличии
Профиль
Количество на схеме: 1
Информация
Профиль
Количество
1
26
26
Артикул: Р1221-4607013-01
нет в наличии
Хомут
Количество на схеме: 1
Информация
Хомут
Количество
1
Модель
Р1221
Подгруппа
4607
Порядковый номер детали
013
27
27
Артикул: 4600-161
нет в наличии
Рукав высокого давления
Количество на схеме: 1
Информация
Рукав высокого давления
Количество
1
Примечание
Ф16х2 952-4607140-11
28
28
Артикул: 4600-603
нет в наличии
Рукав высокого давления
Количество на схеме: 2
Информация
Рукав высокого давления
Количество
2
Примечание
ф10х2SC 780-4607140-03
28
28
Артикул: 4600-603
нет в наличии
Рукав высокого давления
Количество на схеме: 4
Информация
Рукав высокого давления
Количество
4
Примечание
ф10х2SC 780-4607140-03, По заказу три пары задних выводов
29
29
Артикул: 4600-612
нет в наличии
Рукав высокого давления
Количество на схеме: 2
Информация
Рукав высокого давления
Количество
2
Примечание
ф10х2SC 780-4607140-12, По заказу боковые выводы
30
30
Артикул: П80-4607012
нет в наличии
Шланг
Количество на схеме: 1
Информация
Шланг
Количество
1
Модель
П80
Подгруппа
4607
Порядковый номер детали
012
35
35
Артикул: Кольцо
нет в наличии
Кольцо стопорное
Количество на схеме: 8
Информация
Кольцо стопорное
Количество
8
Примечание
DIN 471-А38x1.75
36
36
Артикул: С80-4607380
нет в наличии
Труба
Количество на схеме: 1
Информация
Труба
Количество
1
Модель
С80
Подгруппа
4607
Порядковый номер детали
380
37
37
Артикул: 80-4607439
нет в наличии
Болт
Количество на схеме: 1
Информация
Болт
Количество
1
Модель
80
Подгруппа
4607
Порядковый номер детали
439
38
38
Артикул: 9901-04
нет в наличии
Пробка коническая
Количество на схеме: 1
Информация
Пробка коническая
Количество
1
Примечание
1-4"
39
39
Артикул: 4600-21
нет в наличии
Шайба РМ22
Количество на схеме: 2
Информация
Шайба РМ22
Количество
2
Примечание
РМ22
40
40
Артикул: 4600-091
нет в наличии
Муфта с красным клипсом
Количество на схеме: 1
Информация
Муфта с красным клипсом
Количество
1
Примечание
«+»
41
41
Артикул: 4600-092
нет в наличии
Муфта с красным клипсом
Количество на схеме: 1
Информация
Муфта с красным клипсом
Количество
1
Примечание
«-»
42
42
Артикул: 70-4608072
нет в наличии
Пластина
Количество на схеме: 1
Информация
Пластина
Количество
1
Модель
70
Подгруппа
4608
Порядковый номер детали
072
43
43
Артикул: Болт-М14х1,5-6gх45-88-35-019
нет в наличии
Болт
Количество на схеме: 4
Информация
Болт
Количество
4
Примечание
ГОСТ 7796-70
44
44
Артикул: 50-4608049
нет в наличии
Прокладка
Количество на схеме: 1
Информация
Прокладка
Количество
1
Модель
50
Подгруппа
4608
Порядковый номер детали
049
45
45
Артикул: 70-4607168
нет в наличии
Пластина
Количество на схеме: 2
Информация
Пластина
Количество
2
Модель
70
Подгруппа
4607
Порядковый номер детали
168
46
46
Артикул: РУ-1-ТАИС-303654-001-01
нет в наличии
Джойстик
Количество на схеме: 1
Информация
Джойстик
Количество
1
Покрытие
без покрытия
47
47
Артикул: 952-4607011-А
нет в наличии
Болт
Количество на схеме: 1
Информация
Болт
Количество
1
Модель
952
Подгруппа
4607
Порядковый номер детали
011
48
48
Артикул: Гайка-М8-6Н-6-019
нет в наличии
Гайка М8-6Н.6.019
Количество на схеме: 2
Информация
Гайка М8-6Н.6.019
Количество
2
Примечание
ГОСТ 5915-70
49
49
Артикул: Шайба-8Т
нет в наличии
Шайба 8Т
Количество на схеме: 6
Информация
Шайба 8Т
Количество
6
Примечание
ОСТ 37.001.115-75
50
50
Артикул: Болт-М8-6gх40-88-35-019
нет в наличии
Болт
Количество на схеме: 1
Информация
Болт
Количество
1
Примечание
ГОСТ 7795-70
51
51
Артикул: С90-4607100-01
нет в наличии
Управление
Количество на схеме: 1
Информация
Управление
Количество
1
Модель
С90
Подгруппа
4607
Порядковый номер детали
100
52
52
Артикул: Шайба-С-6-01-019
нет в наличии
Шайба
Количество на схеме: 1
Информация
Шайба
Количество
1
Примечание
ГОСТ 6958-78
53
53
Артикул: Шплинт-2,5х16-019
нет в наличии
Шплинт
Количество на схеме: 1
Информация
Шплинт
Количество
1
Примечание
ГОСТ 397-79
54
54
Артикул: Болт-М8-6gх20-88-35-019
нет в наличии
Болт
Количество на схеме: 4
Информация
Болт
Количество
4
Примечание
ГОСТ 7796-70
55
55
Артикул: 4600-361
нет в наличии
Трос
Количество на схеме: 3
Информация
Трос
Количество
3
Примечание
РП70 и джойстик
56
56
Артикул: 923-8400142-01
нет в наличии
Втулка
Количество на схеме: 2
Информация
Втулка
Количество
2
Модель
923
Группа
Оперение
Подгруппа
Оперение в сборе
Порядковый номер детали
142
57
57
Артикул: Болт-М6-6gх20-58-35-019
нет в наличии
Болт
Количество на схеме: 6
Информация
Болт
Количество
6
Примечание
ГОСТ 7798-70
58
58
Артикул: 4600-094
нет в наличии
Муфта с зеленым клипсом
Количество на схеме: 1
Информация
Муфта с зеленым клипсом
Количество
1
Примечание
«-»
59
59
Артикул: 4600-093
нет в наличии
Муфта с зеленым клипсом
Количество на схеме: 1
Информация
Муфта с зеленым клипсом
Количество
1
Примечание
«+»
60
60
Артикул: Болт-М10-6gх20-88-35-019
нет в наличии
Болт М10-6gх20.88.35.019
Количество на схеме: 2
Информация
Болт М10-6gх20.88.35.019
Количество
2
Примечание
ГОСТ 7796-70
61
61
Артикул: Шайба-10-ОТ
нет в наличии
Шайба
Количество на схеме: 2
Информация
Шайба
Количество
2
Примечание
ОСТ 37.001.115-75
62
62
Артикул: 1200Р-4607570
нет в наличии
Кронштейн
Количество на схеме: 1
Информация
Кронштейн
Количество
1
Примечание
По заказу три пары задних выводов
Модель
1200Р
Подгруппа
4607
Порядковый номер детали
570
62
62
Артикул: 1200Р-4607570-01
нет в наличии
Кронштейн
Количество на схеме: 1
Информация
Кронштейн
Количество
1
Модель
1200Р
Подгруппа
4607
Порядковый номер детали
570
62
62
Артикул: 4600-15
нет в наличии
Штекер
Количество на схеме: 6
Информация
Штекер
Количество
6
Примечание
(прилагается к трактору)
  • Грузовые автомобили
  • Автобусы
  • Сельхозтехника
  • Спецтехника
  • Двигатели
Получить оптовый прайс-лист
Скачать прайс-лист от 07.05.2026 16:00
Специальное предложение от 07.05.2026 17:00
Производители:


  • WEICHAI
  • Автодизель ПАО (ЯМЗ)
  • Тутаевский МЗ
  • ЯЗДА
  • УралАЗ
  • МАЗ
  • АЗПИ
  • BOSCH
  • ММЗ
  • ШААЗ
  • FEDERAL MOGUL
  • ПРАМО
  • Мотордеталь
  • ТАИМ
  • АвтоКрАЗ
  • БЕЛКАРД
  • CZ Strakonice
  • КамАЗ
  • БЗА
  • ЧМЗ
  • BMZ
Новости
Все новости
25 марта 2024
Флагманский седельный тягач «Валдай 45» на выставке «TransRussia»
10 марта 2024
Современные автобусы «CITYMAX 9» и ЛиАЗ-5292 CNG
25 февраля 2024
Серийное производство средних дизельных двигателей повышенной мощности от ЯМЗ
Статьи
Все статьи
Датчики двигателя: за что они отвечают, признаки неисправности и как не прогадать с выбором
Двигатели ЯМЗ-534: история, технические характеристики и области применения
Двигатели ЯМЗ 650: углублённый технический обзор и история
Компания
О компании
Реквизиты
Новости
Политика
Магазины
Информация
Условия оплаты
Условия доставки
Гарантия на товар
Обмен и возврат товара
Помощь
Как оформить заказ
Полезные статьи
Бренды
Пункты выдачи
Оставайтесь на связи
  • Вконтакте
  • YouTube
  • Одноклассники
  • Google Plus
Увидели ошибку?
Выделите, нажав Ctrl + Enter
Наши контакты
8-800-700-35-68
sales@din76.ru
г. Ярославль, Ленинградский пр-т 33, ТЦ "ОМЕГА"
2026 © ООО «Динамика 76» - Все права защищены ООО "Динамика 76"
Предложения на сайте не являются публичной офертой.
На сайте обнаружена ошибка

Текст с ошибкой