Избранное 0 Корзина 0 Личный кабинет
logo
Каталог
Каталог
  • Справочник
    • Грузовые автомобили
    • Автобусы
    • Сельхозтехника
    • Спецтехника
    • Двигатели
  • Доставка
  • Оплата
  • О компании
    • Реквизиты
    • Магазины
    • Оплата
    • Доставка
    • Лицензии и сертификаты
    • Новости
    • Вакансии
  • Контакты
Отправить заявку
Личный кабинет
8 (800) 700-35-68
sales@din76.ru
Избранное 0 Корзина 0
8 (800) 700-35-68
Оптовый прайс-лист
Каталог
  • Двигатели
  • Запчасти WEICHAI
  • Запчасти ЯМЗ, ТМЗ (V-образные)
  • Запчасти ЯМЗ-534, ЯМЗ-536
  • Запчасти ЯМЗ-650, ЯМЗ-651, DCi-11
  • Топливная аппаратура
  • Запчасти УРАЛ
  • Запчасти МАЗ
  • Запчасти КамАЗ
  • Запчасти ММЗ
  • Ремни
Автокаталог (справочник)
  • Доставка
  • Оплата
  • О компании
  • Контакты
8 (800) 700-35-68
Написать в Whatsapp
sales@din76.ru
Динамика 76
Меню  
  • Каталог
    • Двигатели  
      • Двигатели ТМЗ  
        • Двигатели ТМЗ для автомобилей
        • Двигатели ТМЗ для тракторов
        • Специальные двигатели ТМЗ
        • Промышленные двигатели ТМЗ
      • Двигатели ЯМЗ  
        • ЯМЗ 236
        • ЯМЗ 238
        • ЯМЗ 240
        • ЯМЗ 751
        • ЯМЗ 840
        • ЯМЗ 850
        • ЯМЗ 656
        • ЯМЗ 658
        • ЯМЗ 534
        • ЯМЗ 536
        • ЯМЗ 650
        • Двигатели ЯМЗ для электростанций
      • Двигатели КАМАЗ
      • Двигатели ММЗ
      • Двигатели индивидуальной сборки
      • Комплекты переоборудования
    • Запчасти WEICHAI  
      • Основные запчасти двигателя  
        • Клапаны и толкатели
        • Шатуны
        • Вал коленчатый и маховик
        • Вал распределительный
        • Цилиндро-поршневая группа
      • Система питания  
        • Форсунки
        • Турбокомпрессор
      • Система смазки  
        • Насос масляный
      • Головка блока
      • Ремкомплекты
      • Система охлаждения  
        • Насос водяной
        • Муфта вязкостная и крыльчатка
      • Фильтры
      • Электрооборудование  
        • Генератор
        • Стартер
    • Запчасти ЯМЗ, ТМЗ (V-образные)  
      • Основные запчасти двигателя  
        • Блок двигателя и комплектующие
        • Валы распределительные и клапаны
        • Головка блока и комплектующие
        • Цилиндро-поршневая группа
        • Маховики и комплектующие
        • Валы коленчатые и комплектующие
        • Шатуны и комплектующие
      • Система питания  
        • Коллекторы и патрубки
        • Топливные трубопроводы
        • Турбокомпрессор
        • Топливные фильтры
      • Электрооборудование двигателя
      • Система охлаждения  
        • Вязкостные муфты и крыльчатки
        • Приводы вентилятора
        • Водяные насосы
        • Водяные трубы и термостаты
      • Коробки переключения передач  
        • 8 Ступенчатые КПП
        • 5 Ступенчатые КПП
        • 9 Ступенчатые КПП
        • Запасные части КПП ЯМЗ, ТМЗ
      • Система смазки  
        • Теплообменник и комплектующие
        • Масляные насосы
        • Фильтры масляные (ФГОМ, ФЦОМ)
      • Сцепление  
        • Запасные части механизма сцепления
        • Муфты (подшипники выжимные)
        • Корзины (диски нажимные)
        • Диски ведомые
      • Прочие запчасти двигателя  
        • Ремкомплекты
        • Привод агрегатов
        • Натяжные устройства
        • Трубки
    • Запчасти ЯМЗ-534, ЯМЗ-536  
      • Основные запчасти двигателя  
        • Цилиндро-поршневая группа
        • Головка блока цилиндров и комплектующие
        • Блок цилиндров и комплектующие
        • Вал коленчатый и маховик
        • Вал распределительный
        • Клапаны и толкатели
        • ГУР (Гидроусилитель руля)
        • Система рециркуляции отработавших газов
        • Выпускной коллектор
      • Система питания  
        • Коллекторы и патрубки
        • Топливные фильтры
        • Турбокомпрессор
        • Топливные трубопроводы
      • Система смазки  
        • Масляный картер поддон
        • Масляный насос
        • Теплообменник /Водо-масляный радиатор
        • Фильтры масляные (ФГОМ, ФЦОМ)
      • Пневмокомпрессор и натяжное
      • Система охлаждения  
        • Водяной насос
        • Водяные трубы и патрубки
        • Муфты вязкостные, приводы, крыльчатки
      • Ремкомплекты
      • Сцепление
      • Электрооборудование
    • Запчасти ЯМЗ-650, ЯМЗ-651, DCi-11  
      • Основные запчасти двигателя  
        • Цилиндро-поршневая группа
        • Головка блока цилиндров и комплектующие
        • Блок цилиндров и комплектующие
        • Вал коленчатый и маховик
        • Выпускной коллектор
        • Вал распределительный
        • Клапаны и толкатели
        • ГУР (Гидроусилитель руля)
        • Система рециркуляции отработавших газов
      • Система питания  
        • Коллекторы и патрубки
        • Топливные трубопроводы
        • Топливные фильтры
        • Турбокомпрессор
      • Система смазки  
        • Масляный картер / поддон
        • Масляный насос
        • Теплообменник / Водо-масляный радиатор
        • Фильтры масляные (ФГОМ, ФЦОМ)
      • Система охлаждения  
        • Водяной насос
        • Водяные трубы и патрубки
        • Муфты вязкостные, приводы, крыльчатки
      • Ремкомплекты
      • Пневмокомпрессор и натяжное
      • Электрооборудование
      • Сцепление
    • Топливная аппаратура  
      • ЯЗДА  
        • Распылители
        • ТНВД
        • Форсунки
        • Топливный насос низкого давления
        • Пары плунжерные
        • Муфта опережения впрыска топлива
        • Запчасти и комплектующие ТНВД
      • НЗТА
      • АЗПИ  
        • Распылители
        • Форсунки
      • BOSCH
    • Запчасти УРАЛ  
      • Трансмиссия  
        • Коробка раздаточная
        • Передача карданная
        • Мост задний
        • Мост передний (ведущий)
        • Мост средний (промежуточный)
      • Кузов  
        • Дверь кабины
        • Капот, крылья, облицовка радиатора
        • Окно ветровое и заднее
        • Отопление и вентиляция кабины
        • Кабина
      • Механизмы управления  
        • Управление рулевое
        • Тормоза
      • Дополнительное оборудование  
        • Отбор мощности
        • Устройство седельное
      • Электрооборудование
      • Ходовая часть  
        • Колеса и ступицы
        • Ось передняя
        • Подвеска автомобиля
        • Рама
    • Запчасти МАЗ  
      • Трансмиссия  
        • Мост задний
        • Мост передний (ведущий)
        • Передача карданная
        • Мост средний (промежуточный)
      • Кузов  
        • Кабина
        • Дверь кабины
        • Детали основания кабины
        • Окно ветровое и заднее
        • Платформа
      • Механизмы управления  
        • Тормоза
        • Управление рулевое
      • Ходовая часть  
        • Колеса и ступицы
        • Ось передняя
        • Подвеска автомобиля
        • Рама
    • Запчасти КамАЗ  
      • Кузов  
        • Кабина
        • Капот, крылья, облицовка радиатора
        • Дверь кабины
        • Платформа
        • Окно ветровое и заднее
        • Устройство подъемное и опрокидывающее
        • Сиденье
        • Крыша кабины (крыша кузова)
        • Отопление и вентиляция кабины
      • Трансмиссия  
        • Коробка передач
        • Коробка раздаточная
        • Мост задний
        • Сцепление
        • Мост средний (промежуточный)
        • Передача карданная
        • Мост передний (ведущий)
      • Двигатель  
        • Основные запчасти двигателя
        • Система охлаждения
        • Система питания
        • Система смазки
      • Дополнительное оборудование  
        • Отбор мощности
        • Устройство седельное
      • Ходовая часть  
        • Подвеска автомобиля
        • Рама
        • Колеса и ступицы
        • Ось передняя
      • Механизмы управления  
        • Тормоза
        • Управление рулевое
      • Электрооборудование
    • Запчасти ММЗ
    • Ремни
  • Справочник
    • Грузовые автомобили
    • Автобусы
    • Сельхозтехника
    • Спецтехника
    • Двигатели
  • Как купить
    • Условия оплаты
    • Условия доставки
    • Гарантия на товар
    • Пункты выдачи
  • Услуги
    • Капитальный ремонт двигателей ЯМЗ
  • Акции
  • Статьи
  • Контакты
  • Компания
    • Реквизиты
    • Магазины
    • Оплата
    • Доставка
    • Лицензии и сертификаты
    • Новости
    • Вакансии
Избранное 0 Корзина 0
8-800-700-35-68

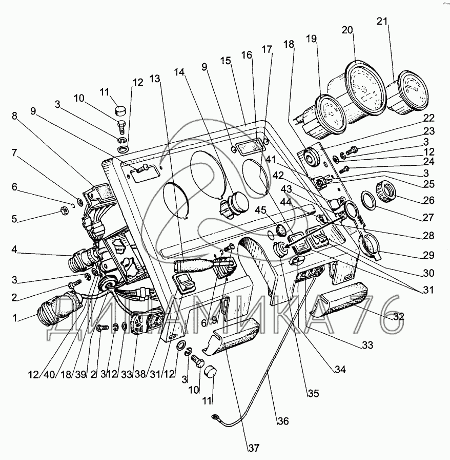
Щиток приборов;Dashboard на БЕЛАРУС 320 (до 1998 г.)

Справочник
Главная
-
Автокаталог
-
Сельхозтехника
-
МТЗ
-
БЕЛАРУС 320
Справочный каталог

Щиток приборов;Dashboard — БЕЛАРУС 320:

02-6,3-01 18.3803-08 18.3803-10 202.3704-03 220-3710012 220-3805019 225-3724240 225-3724520 225-3805010-04 245.3710 26.3710-25,52 50-3724082 600-3722005 600-3722005-01 600-3724390-V 600-374701 0-В 600-3805020-В-01 70-3723042-02 70-3723042-02 70-3801311-01 732.3747 80-3724410-06 80-3724616 80-3801021 80-3801021 80-3801327 80-3805014 8586.6/0031 90.3747 EI 8007-1 EI 8009-2 KD 8050 P14-3723 P147-04.29 PR-120 PR-120 PR-120 SHCH 4 SHCH6 SHCH6 SHCH6 SHCH6 SHCH6 SHP4 SHP4 SHP6 SHP6 SHP6 SHP6 SHP6 SHP6 VM6x12 А30.04.017 М4 М4х12 М4х12 М4х12 М6 М6х12 М6х14 М6х14 М6х18 М6х18 Пред0хранитель Пред0хранитель Пред0хранитель Пред0хранитель Пред0хранитель Пред0хранитель РКР-2
в наличии
нет в наличии
масштаб

В наличии
Нет в наличии

Перечень комплектующих от Щиток приборов;Dashboard на БЕЛАРУС 320

Схемы запчастей предназначены для справочных целей! Мы продаем не все запчасти от Щиток приборов;Dashboard на БЕЛАРУС 320, представленные в этом списке.
Наличие на складах по деталям с ценой смотрите в карточке товара.
Артикул: 02-6,3-01
нет в наличии
Колодка гнездовая
Количество на схеме: 1
Информация
Колодка гнездовая
Количество
1
Артикул: 18-3803-08
нет в наличии
Блок контрольных ламп
Количество на схеме: 1
Информация
Блок контрольных ламп
Количество
1
Артикул: 18-3803-10
нет в наличии
Блок контрольных ламп
Количество на схеме: 1
Информация
Блок контрольных ламп
Количество
1
Артикул: 202-3704-03
нет в наличии
Выключатель
Количество на схеме: 1
Информация
Выключатель
Количество
1
Артикул: 220-3710012
нет в наличии
Чехол
Количество на схеме: 1
Информация
Чехол
Количество
1
Модель
220
Группа
Электрооборудование
Подгруппа
Выключатели электрические (переключатель света ножной)
Порядковый номер детали
012
Артикул: 220-3805019
нет в наличии
Шайба
Количество на схеме: 1
Информация
Шайба
Количество
1
Модель
220
Группа
Приборы
Подгруппа
Щиток прибора
Порядковый номер детали
019
Артикул: 225-3724240
нет в наличии
Жгут
Количество на схеме: 1
Информация
Жгут
Количество
1
Модель
225
Группа
Электрооборудование
Подгруппа
Электропровода
Порядковый номер детали
240
Артикул: 225-3724520
нет в наличии
Жгут
Количество на схеме: 1
Информация
Жгут
Количество
1
Модель
225
Группа
Электрооборудование
Подгруппа
Электропровода
Порядковый номер детали
520
Артикул: 225-3805010-04
нет в наличии
Щиток приборов в сборе
Количество на схеме: 1
Информация
Щиток приборов в сборе
Количество
1
Модель
225
Группа
Приборы
Подгруппа
Щиток прибора
Порядковый номер детали
010
Артикул: 245-3710
нет в наличии
Выключатель аварийный
Количество на схеме: 1
Информация
Выключатель аварийный
Количество
1
Артикул: 26-3710-25,52
нет в наличии
Выключатель верхних фар
Количество на схеме: 1
Информация
Выключатель верхних фар
Количество
1
Артикул: 50-3724082
нет в наличии
Провод
Количество на схеме: 1
Информация
Провод
Количество
1
Модель
50
Группа
Электрооборудование
Подгруппа
Электропровода
Порядковый номер детали
082
Артикул: 600-3722005
нет в наличии
Крышка
Количество на схеме: 1
Информация
Крышка
Количество
1
Модель
600
Группа
Электрооборудование
Подгруппа
Предохранители (электрических цепей)
Порядковый номер детали
005
Артикул: 600-3722005-01
нет в наличии
Крышка
Количество на схеме: 1
Информация
Крышка
Количество
1
Модель
600
Группа
Электрооборудование
Подгруппа
Предохранители (электрических цепей)
Порядковый номер детали
005
Артикул: 600-3724390-V
нет в наличии
Жгут
Количество на схеме: 1
Информация
Жгут
Количество
1
Модель
600
Группа
Электрооборудование
Подгруппа
Электропровода
Порядковый номер детали
390
Артикул: 600-374701-0-В
нет в наличии
Пластина
Количество на схеме: 1
Информация
Пластина
Количество
1
Покрытие
без покрытия
Артикул: 600-3805020-В-01
нет в наличии
Панель приборов
Количество на схеме: 1
Информация
Панель приборов
Количество
1
Модель
600
Группа
Приборы
Подгруппа
Щиток прибора
Порядковый номер детали
020
Артикул: 70-3723042-02
нет в наличии
Втулка
Количество на схеме: 3
Информация
Втулка
Количество
3
Модель
70
Группа
Электрооборудование
Подгруппа
Соединители электропроводов
Порядковый номер детали
042
Артикул: 70-3801311-01
нет в наличии
Заглушка
Количество на схеме: 1
Информация
Заглушка
Количество
1
Модель
70
Группа
Приборы
Подгруппа
Щиток приборов (комбинация)
Порядковый номер детали
311
Артикул: 732-3747
нет в наличии
Реле стартера
Количество на схеме: 1
Информация
Реле стартера
Количество
1
Артикул: 80-3724410-06
нет в наличии
Провод
Количество на схеме: 2
Информация
Провод
Количество
2
Модель
80
Группа
Электрооборудование
Подгруппа
Электропровода
Порядковый номер детали
410
Артикул: 80-3724616
нет в наличии
Провод
Количество на схеме: 1
Информация
Провод
Количество
1
Модель
80
Группа
Электрооборудование
Подгруппа
Электропровода
Порядковый номер детали
616
Артикул: 80-3801021
нет в наличии
Гнездо выключателя
Количество на схеме: 3
Информация
Гнездо выключателя
Количество
3
Модель
80
Группа
Приборы
Подгруппа
Щиток приборов (комбинация)
Порядковый номер детали
021
Артикул: 80-3801327
нет в наличии
Заглушка
Количество на схеме: 1
Информация
Заглушка
Количество
1
Модель
80
Группа
Приборы
Подгруппа
Щиток приборов (комбинация)
Порядковый номер детали
327
Артикул: 80-3805014
нет в наличии
Гайка
Количество на схеме: 1
Информация
Гайка
Количество
1
Модель
80
Группа
Приборы
Подгруппа
Щиток прибора
Порядковый номер детали
014
Артикул: 8586-6/0031
нет в наличии
Прерыватель указателей поворота
Количество на схеме: 1
Информация
Прерыватель указателей поворота
Количество
1
Артикул: 90-3747
нет в наличии
Реле
Количество на схеме: 1
Информация
Реле
Количество
1
Артикул: EI-8007-1
нет в наличии
Индикатор уровня топлива
Количество на схеме: 1
Информация
Индикатор уровня топлива
Количество
1
Артикул: EI-8009-2
нет в наличии
Указатель давления воздуха
Количество на схеме: 1
Информация
Указатель давления воздуха
Количество
1
Артикул: KD-8050
нет в наличии
Тахоспидометр
Количество на схеме: 1
Информация
Тахоспидометр
Количество
1
Артикул: P14-3723
нет в наличии
Панель
Количество на схеме: 1
Информация
Панель
Количество
1
Артикул: P147-04-29
нет в наличии
Переключатель
Количество на схеме: 1
Информация
Переключатель
Количество
1
Артикул: PR-120
нет в наличии
Блок предохранителей
Количество на схеме: 2
Информация
Блок предохранителей
Количество
2
Артикул: SHCH-4
нет в наличии
Шайба
Количество на схеме: 4
Информация
Шайба
Количество
4
Артикул: SHCH6
нет в наличии
Шайба
Количество на схеме: 11
Информация
Шайба
Количество
11
Артикул: SHP4
нет в наличии
Шайба
Количество на схеме: 6
Информация
Шайба
Количество
6
Артикул: SHP6
нет в наличии
Шайба
Количество на схеме: 14
Информация
Шайба
Количество
14
Артикул: VM6x12
нет в наличии
Винт
Количество на схеме: 2
Информация
Винт
Количество
2
Артикул: А30-04-017
нет в наличии
Колпачок
Количество на схеме: 4
Информация
Колпачок
Количество
4
Артикул: М4
нет в наличии
Гайка
Количество на схеме: 4
Информация
Гайка
Количество
4
Артикул: М4х12
нет в наличии
Винт
Количество на схеме: 6
Информация
Винт
Количество
6
Артикул: М6
нет в наличии
Гайка
Количество на схеме: 2
Информация
Гайка
Количество
2
Артикул: М6х12
нет в наличии
Винт
Количество на схеме: 2
Информация
Винт
Количество
2
Артикул: М6х14
нет в наличии
Болт
Количество на схеме: 4
Информация
Болт
Количество
4
Артикул: М6х18
нет в наличии
Винт
Количество на схеме: 6
Информация
Винт
Количество
6
Артикул: Пред0хранитель
нет в наличии
Предохранитель
Количество на схеме: 2
Информация
Предохранитель
Количество
2
Примечание
Предохранитель 16А
Артикул: Пред0хранитель
нет в наличии
Предохранитель
Количество на схеме: 4
Информация
Предохранитель
Количество
4
Примечание
Предохранитель 8А
Артикул: РКР-2
нет в наличии
Переключатель указателей поворота, ближнего и дальнего света
Количество на схеме: 1
Информация
Переключатель указателей поворота, ближнего и дальнего света
Количество
1
  • Грузовые автомобили
  • Автобусы
  • Сельхозтехника
  • Спецтехника
  • Двигатели
Получить оптовый прайс-лист
Скачать прайс-лист от 07.05.2026 16:00
Специальное предложение от 07.05.2026 17:00
Производители:


  • WEICHAI
  • Автодизель ПАО (ЯМЗ)
  • Тутаевский МЗ
  • ЯЗДА
  • УралАЗ
  • МАЗ
  • АЗПИ
  • BOSCH
  • ММЗ
  • ШААЗ
  • FEDERAL MOGUL
  • ПРАМО
  • Мотордеталь
  • ТАИМ
  • АвтоКрАЗ
  • БЕЛКАРД
  • CZ Strakonice
  • КамАЗ
  • БЗА
  • ЧМЗ
  • BMZ
Новости
Все новости
25 марта 2024
Флагманский седельный тягач «Валдай 45» на выставке «TransRussia»
10 марта 2024
Современные автобусы «CITYMAX 9» и ЛиАЗ-5292 CNG
25 февраля 2024
Серийное производство средних дизельных двигателей повышенной мощности от ЯМЗ
Статьи
Все статьи
Датчики двигателя: за что они отвечают, признаки неисправности и как не прогадать с выбором
Двигатели ЯМЗ-534: история, технические характеристики и области применения
Двигатели ЯМЗ 650: углублённый технический обзор и история
Компания
О компании
Реквизиты
Новости
Политика
Магазины
Информация
Условия оплаты
Условия доставки
Гарантия на товар
Обмен и возврат товара
Помощь
Как оформить заказ
Полезные статьи
Бренды
Пункты выдачи
Оставайтесь на связи
  • Вконтакте
  • YouTube
  • Одноклассники
  • Google Plus
Увидели ошибку?
Выделите, нажав Ctrl + Enter
Наши контакты
8-800-700-35-68
sales@din76.ru
г. Ярославль, Ленинградский пр-т 33, ТЦ "ОМЕГА"
2026 © ООО «Динамика 76» - Все права защищены ООО "Динамика 76"
Предложения на сайте не являются публичной офертой.
На сайте обнаружена ошибка

Текст с ошибкой