Избранное 0 Корзина 0 Личный кабинет
logo
Каталог
Каталог
  • Справочник
    • Грузовые автомобили
    • Автобусы
    • Сельхозтехника
    • Спецтехника
    • Двигатели
  • Доставка
  • Оплата
  • О компании
    • Реквизиты
    • Магазины
    • Оплата
    • Доставка
    • Лицензии и сертификаты
    • Новости
    • Вакансии
  • Контакты
Отправить заявку
Личный кабинет
8 (800) 700-35-68
sales@din76.ru
Избранное 0 Корзина 0
8 (800) 700-35-68
Оптовый прайс-лист
Каталог
  • Двигатели
  • Запчасти WEICHAI
  • Запчасти ЯМЗ, ТМЗ (V-образные)
  • Запчасти ЯМЗ-534, ЯМЗ-536
  • Запчасти ЯМЗ-650, ЯМЗ-651, DCi-11
  • Топливная аппаратура
  • Запчасти УРАЛ
  • Запчасти МАЗ
  • Запчасти КамАЗ
  • Запчасти ММЗ
  • Ремни
Автокаталог (справочник)
  • Доставка
  • Оплата
  • О компании
  • Контакты
8 (800) 700-35-68
Написать в Whatsapp
sales@din76.ru
Динамика 76
Меню  
  • Каталог
    • Двигатели  
      • Двигатели ТМЗ  
        • Двигатели ТМЗ для автомобилей
        • Двигатели ТМЗ для тракторов
        • Специальные двигатели ТМЗ
        • Промышленные двигатели ТМЗ
      • Двигатели ЯМЗ  
        • ЯМЗ 236
        • ЯМЗ 238
        • ЯМЗ 240
        • ЯМЗ 751
        • ЯМЗ 840
        • ЯМЗ 850
        • ЯМЗ 656
        • ЯМЗ 658
        • ЯМЗ 534
        • ЯМЗ 536
        • ЯМЗ 650
        • Двигатели ЯМЗ для электростанций
      • Двигатели КАМАЗ
      • Двигатели ММЗ
      • Двигатели индивидуальной сборки
      • Комплекты переоборудования
    • Запчасти WEICHAI  
      • Основные запчасти двигателя  
        • Клапаны и толкатели
        • Шатуны
        • Вал коленчатый и маховик
        • Вал распределительный
        • Цилиндро-поршневая группа
      • Система питания  
        • Форсунки
        • Турбокомпрессор
      • Система смазки  
        • Насос масляный
      • Головка блока
      • Ремкомплекты
      • Система охлаждения  
        • Насос водяной
        • Муфта вязкостная и крыльчатка
      • Фильтры
      • Электрооборудование  
        • Генератор
        • Стартер
    • Запчасти ЯМЗ, ТМЗ (V-образные)  
      • Основные запчасти двигателя  
        • Блок двигателя и комплектующие
        • Валы распределительные и клапаны
        • Головка блока и комплектующие
        • Цилиндро-поршневая группа
        • Маховики и комплектующие
        • Валы коленчатые и комплектующие
        • Шатуны и комплектующие
      • Система питания  
        • Коллекторы и патрубки
        • Топливные трубопроводы
        • Турбокомпрессор
        • Топливные фильтры
      • Электрооборудование двигателя
      • Система охлаждения  
        • Вязкостные муфты и крыльчатки
        • Приводы вентилятора
        • Водяные насосы
        • Водяные трубы и термостаты
      • Коробки переключения передач  
        • 8 Ступенчатые КПП
        • 5 Ступенчатые КПП
        • 9 Ступенчатые КПП
        • Запасные части КПП ЯМЗ, ТМЗ
      • Система смазки  
        • Теплообменник и комплектующие
        • Масляные насосы
        • Фильтры масляные (ФГОМ, ФЦОМ)
      • Сцепление  
        • Запасные части механизма сцепления
        • Муфты (подшипники выжимные)
        • Корзины (диски нажимные)
        • Диски ведомые
      • Прочие запчасти двигателя  
        • Ремкомплекты
        • Привод агрегатов
        • Натяжные устройства
        • Трубки
    • Запчасти ЯМЗ-534, ЯМЗ-536  
      • Основные запчасти двигателя  
        • Цилиндро-поршневая группа
        • Головка блока цилиндров и комплектующие
        • Блок цилиндров и комплектующие
        • Вал коленчатый и маховик
        • Вал распределительный
        • Клапаны и толкатели
        • ГУР (Гидроусилитель руля)
        • Система рециркуляции отработавших газов
        • Выпускной коллектор
      • Система питания  
        • Коллекторы и патрубки
        • Топливные фильтры
        • Турбокомпрессор
        • Топливные трубопроводы
      • Система смазки  
        • Масляный картер поддон
        • Масляный насос
        • Теплообменник /Водо-масляный радиатор
        • Фильтры масляные (ФГОМ, ФЦОМ)
      • Пневмокомпрессор и натяжное
      • Система охлаждения  
        • Водяной насос
        • Водяные трубы и патрубки
        • Муфты вязкостные, приводы, крыльчатки
      • Ремкомплекты
      • Сцепление
      • Электрооборудование
    • Запчасти ЯМЗ-650, ЯМЗ-651, DCi-11  
      • Основные запчасти двигателя  
        • Цилиндро-поршневая группа
        • Головка блока цилиндров и комплектующие
        • Блок цилиндров и комплектующие
        • Вал коленчатый и маховик
        • Выпускной коллектор
        • Вал распределительный
        • Клапаны и толкатели
        • ГУР (Гидроусилитель руля)
        • Система рециркуляции отработавших газов
      • Система питания  
        • Коллекторы и патрубки
        • Топливные трубопроводы
        • Топливные фильтры
        • Турбокомпрессор
      • Система смазки  
        • Масляный картер / поддон
        • Масляный насос
        • Теплообменник / Водо-масляный радиатор
        • Фильтры масляные (ФГОМ, ФЦОМ)
      • Система охлаждения  
        • Водяной насос
        • Водяные трубы и патрубки
        • Муфты вязкостные, приводы, крыльчатки
      • Ремкомплекты
      • Пневмокомпрессор и натяжное
      • Электрооборудование
      • Сцепление
    • Топливная аппаратура  
      • ЯЗДА  
        • Распылители
        • ТНВД
        • Форсунки
        • Топливный насос низкого давления
        • Пары плунжерные
        • Муфта опережения впрыска топлива
        • Запчасти и комплектующие ТНВД
      • НЗТА
      • АЗПИ  
        • Распылители
        • Форсунки
      • BOSCH
    • Запчасти УРАЛ  
      • Трансмиссия  
        • Коробка раздаточная
        • Передача карданная
        • Мост задний
        • Мост передний (ведущий)
        • Мост средний (промежуточный)
      • Кузов  
        • Дверь кабины
        • Капот, крылья, облицовка радиатора
        • Окно ветровое и заднее
        • Отопление и вентиляция кабины
        • Кабина
      • Механизмы управления  
        • Управление рулевое
        • Тормоза
      • Дополнительное оборудование  
        • Отбор мощности
        • Устройство седельное
      • Электрооборудование
      • Ходовая часть  
        • Колеса и ступицы
        • Ось передняя
        • Подвеска автомобиля
        • Рама
    • Запчасти МАЗ  
      • Трансмиссия  
        • Мост задний
        • Мост передний (ведущий)
        • Передача карданная
        • Мост средний (промежуточный)
      • Кузов  
        • Кабина
        • Дверь кабины
        • Детали основания кабины
        • Окно ветровое и заднее
        • Платформа
      • Механизмы управления  
        • Тормоза
        • Управление рулевое
      • Ходовая часть  
        • Колеса и ступицы
        • Ось передняя
        • Подвеска автомобиля
        • Рама
    • Запчасти КамАЗ  
      • Кузов  
        • Кабина
        • Капот, крылья, облицовка радиатора
        • Дверь кабины
        • Платформа
        • Окно ветровое и заднее
        • Устройство подъемное и опрокидывающее
        • Сиденье
        • Крыша кабины (крыша кузова)
        • Отопление и вентиляция кабины
      • Трансмиссия  
        • Коробка передач
        • Коробка раздаточная
        • Мост задний
        • Сцепление
        • Мост средний (промежуточный)
        • Передача карданная
        • Мост передний (ведущий)
      • Двигатель  
        • Основные запчасти двигателя
        • Система охлаждения
        • Система питания
        • Система смазки
      • Дополнительное оборудование  
        • Отбор мощности
        • Устройство седельное
      • Ходовая часть  
        • Подвеска автомобиля
        • Рама
        • Колеса и ступицы
        • Ось передняя
      • Механизмы управления  
        • Тормоза
        • Управление рулевое
      • Электрооборудование
    • Запчасти ММЗ
    • Ремни
  • Справочник
    • Грузовые автомобили
    • Автобусы
    • Сельхозтехника
    • Спецтехника
    • Двигатели
  • Как купить
    • Условия оплаты
    • Условия доставки
    • Гарантия на товар
    • Пункты выдачи
  • Услуги
    • Капитальный ремонт двигателей ЯМЗ
  • Акции
  • Статьи
  • Контакты
  • Компания
    • Реквизиты
    • Магазины
    • Оплата
    • Доставка
    • Лицензии и сертификаты
    • Новости
    • Вакансии
Избранное 0 Корзина 0
8-800-700-35-68

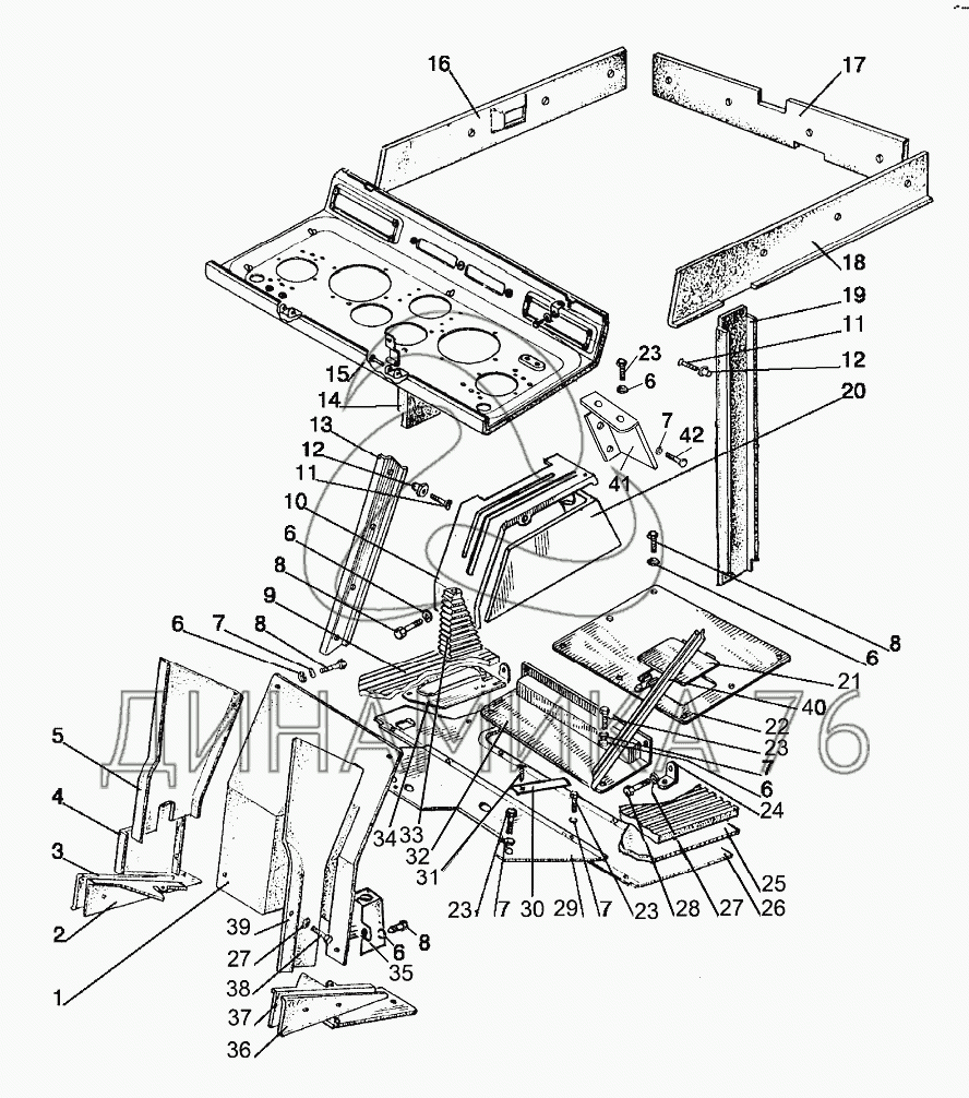
Пол кабины на 952.5 (до 2013 г.)

Справочник
Главная
-
Автокаталог
-
Сельхозтехника
-
МТЗ
-
952.5
Справочный каталог

Пол кабины — 952.5:

1 2 3 4 5 6 6 6 6 6 6 7 7 7 7 7 8 8 8 8 9 9 9 10 11 11 12 12 13 14 15 16 17 18 19 20 21 22 23 23 23 23 24 25 25 25 26 27 27 28 29 30 30 30 31 32 33 34 35 36 37 38 39 40 41 42
в наличии
нет в наличии
масштаб

В наличии
Нет в наличии

Перечень комплектующих от Пол кабины на 952.5

Схемы запчастей предназначены для справочных целей! Мы продаем не все запчасти от Пол кабины на 952.5, представленные в этом списке.
Наличие на складах по деталям с ценой смотрите в карточке товара.
1
1
Артикул: 80П-6700300
нет в наличии
Панель
Количество на схеме: 1
Информация
Панель
Количество
1
Модель
80П
Подгруппа
6700
Порядковый номер детали
300
2
2
Артикул: 80-6702330
нет в наличии
Боковина
Количество на схеме: 1
Информация
Боковина
Количество
1
Модель
80
Подгруппа
6702
Порядковый номер детали
330
3
3
Артикул: 80-6702328-01
нет в наличии
Накладка
Количество на схеме: 1
Информация
Накладка
Количество
1
Модель
80
Подгруппа
6702
Порядковый номер детали
328
4
4
Артикул: 80П-6700330-01
нет в наличии
Панель
Количество на схеме: 1
Информация
Панель
Количество
1
Модель
80П
Подгруппа
6700
Порядковый номер детали
330
5
5
Артикул: 80П-6700340-01
нет в наличии
Панель
Количество на схеме: 1
Информация
Панель
Количество
1
Модель
80П
Подгруппа
6700
Порядковый номер детали
340
6
6
Артикул: С6-01-019
нет в наличии
Шайба
Количество на схеме: 22
Информация
Шайба
Количество
22
Примечание
ГОСТ 6858-78
7
7
Артикул: 6Т
нет в наличии
Шайба
Количество на схеме: 22
Информация
Шайба
Количество
22
Примечание
ОСТ 37.001.115-75
8
8
Артикул: М6-6gх25-88-35-019
нет в наличии
Болт ГОСТ 7798-70
Количество на схеме: 14
Информация
Болт ГОСТ 7798-70
Количество
14
Примечание
ГОСТ 7796-70
9
9
Артикул: 80-6702337
нет в наличии
Коврик
Количество на схеме: 1
Информация
Коврик
Количество
1
Модель
80
Подгруппа
6702
Порядковый номер детали
337
9
9
Артикул: 80-6702337-А
нет в наличии
Коврик
Количество на схеме: 1
Информация
Коврик
Количество
1
Модель
80
Подгруппа
6702
Порядковый номер детали
337
10
10
Артикул: 1221-6700036
нет в наличии
Крышка пульта
Количество на схеме: 1
Информация
Крышка пульта
Количество
1
Модель
1221
Подгруппа
6700
Порядковый номер детали
036
11
11
Артикул: 1-4х25-019
нет в наличии
Шуруп
Количество на схеме: 28
Информация
Шуруп
Количество
28
Примечание
ГОСТ 1144-80
12
12
Артикул: А37-10-031
нет в наличии
Бонка
Количество на схеме: 28
Информация
Бонка
Количество
28
13
13
Артикул: 80-6702111-Б
нет в наличии
Прижим
Количество на схеме: 1
Информация
Прижим
Количество
1
Модель
80
Подгруппа
6702
Порядковый номер детали
111
14
14
Артикул: 1221Д-6700050
нет в наличии
Установка накладки
Количество на схеме: 1
Информация
Установка накладки
Количество
1
Модель
1221Д
Подгруппа
6700
Порядковый номер детали
050
15
15
Артикул: 80-8100100
нет в наличии
Панель
Количество на схеме: 1
Информация
Панель
Количество
1
Модель
80
Группа
Отопление и вентиляция кабины
Подгруппа
Отопление и вентиляция
Порядковый номер детали
100
16
16
Артикул: 1221-6700065
нет в наличии
Накладка
Количество на схеме: 1
Информация
Накладка
Количество
1
Модель
1221
Подгруппа
6700
Порядковый номер детали
065
17
17
Артикул: 80-6700205
нет в наличии
Накладка
Количество на схеме: 1
Информация
Накладка
Количество
1
Модель
80
Подгруппа
6700
Порядковый номер детали
205
18
18
Артикул: 1221-6700050
нет в наличии
Накладка
Количество на схеме: 1
Информация
Накладка
Количество
1
Модель
1221
Подгруппа
6700
Порядковый номер детали
050
19
19
Артикул: 1221-6700060
нет в наличии
Накладка
Количество на схеме: 1
Информация
Накладка
Количество
1
Модель
1221
Подгруппа
6700
Порядковый номер детали
060
20
20
Артикул: 85-6700040-Б
нет в наличии
Пульт
Количество на схеме: 1
Информация
Пульт
Количество
1
Модель
85
Подгруппа
6700
Порядковый номер детали
040
21
21
Артикул: 80-6702190-Б
нет в наличии
Крышка
Количество на схеме: 1
Информация
Крышка
Количество
1
Модель
80
Подгруппа
6702
Порядковый номер детали
190
22
22
Артикул: 85-6702390-Б
нет в наличии
Крышка
Количество на схеме: 1
Информация
Крышка
Количество
1
Модель
85
Подгруппа
6702
Порядковый номер детали
390
23
23
Артикул: М6-6gх16-88-35-019
нет в наличии
Болт
Количество на схеме: 19
Информация
Болт
Количество
19
Примечание
ГОСТ 7798-70
24
24
Артикул: 70-6702111
нет в наличии
Угольник
Количество на схеме: 2
Информация
Угольник
Количество
2
Модель
70
Подгруппа
6702
Порядковый номер детали
111
25
25
Артикул: 80-6702468-В
нет в наличии
Прокладка
Количество на схеме: 1
Информация
Прокладка
Количество
1
Модель
80
Подгруппа
6702
Порядковый номер детали
468
25
25
Артикул: 80-6702469-Л
нет в наличии
Прокладка
Количество на схеме: 1
Информация
Прокладка
Количество
1
Модель
80
Подгруппа
6702
Порядковый номер детали
469
26
26
Артикул: 80-6702315-Б
нет в наличии
Панель
Количество на схеме: 1
Информация
Панель
Количество
1
Модель
80
Подгруппа
6702
Порядковый номер детали
315
27
27
Артикул: С6-01-019
нет в наличии
Шайба
Количество на схеме: 10
Информация
Шайба
Количество
10
Примечание
ГОСТ 11371-78
28
28
Артикул: М8-6gх16-88-35-019
нет в наличии
Болт
Количество на схеме: 4
Информация
Болт
Количество
4
Примечание
ГОСТ 7796-70
29
29
Артикул: 80-6702310
нет в наличии
Полик
Количество на схеме: 1
Информация
Полик
Количество
1
Модель
80
Подгруппа
6702
Порядковый номер детали
310
30
30
Артикул: 80-6702348
нет в наличии
Прижим левый
Количество на схеме: 1
Информация
Прижим левый
Количество
1
Модель
80
Подгруппа
6702
Порядковый номер детали
348
30
30
Артикул: 80-6702348-01
нет в наличии
Прижим правый
Количество на схеме: 1
Информация
Прижим правый
Количество
1
Модель
80
Подгруппа
6702
Порядковый номер детали
348
31
31
Артикул: В-М6-6gх12-58-019
нет в наличии
Винт
Количество на схеме: 4
Информация
Винт
Количество
4
Примечание
ГОСТ 17473-80
32
32
Артикул: 85-6702085
нет в наличии
Крышка
Количество на схеме: 1
Информация
Крышка
Количество
1
Модель
85
Подгруппа
6702
Порядковый номер детали
085
33
33
Артикул: 80-6702243
нет в наличии
Чехол
Количество на схеме: 1
Информация
Чехол
Количество
1
Примечание
резиновый
Модель
80
Подгруппа
6702
Порядковый номер детали
243
34
34
Артикул: 80-6702820
нет в наличии
Накладка (для тракторов с ПВМ)
Количество на схеме: 1
Информация
Накладка (для тракторов с ПВМ)
Количество
1
Модель
80
Подгруппа
6702
Порядковый номер детали
820
35
35
Артикул: 80-6700370-Б
нет в наличии
Кожух
Количество на схеме: 1
Информация
Кожух
Количество
1
Модель
80
Подгруппа
6700
Порядковый номер детали
370
36
36
Артикул: 80-6702328
нет в наличии
Накладка
Количество на схеме: 1
Информация
Накладка
Количество
1
Модель
80
Подгруппа
6702
Порядковый номер детали
328
37
37
Артикул: 80-6702320
нет в наличии
Боковина
Количество на схеме: 1
Информация
Боковина
Количество
1
Модель
80
Подгруппа
6702
Порядковый номер детали
320
38
38
Артикул: М8-6gх40-88-35-019
нет в наличии
Болт
Количество на схеме: 2
Информация
Болт
Количество
2
Примечание
ГОСТ 7795-70
39
39
Артикул: 80П-6700320
нет в наличии
Панель
Количество на схеме: 1
Информация
Панель
Количество
1
Модель
80П
Подгруппа
6700
Порядковый номер детали
320
40
40
Артикул: 80-6702111
нет в наличии
Прижим
Количество на схеме: 1
Информация
Прижим
Количество
1
Модель
80
Подгруппа
6702
Порядковый номер детали
111
41
41
Артикул: 80-6700085
нет в наличии
Кронштейн
Количество на схеме: 1
Информация
Кронштейн
Количество
1
Модель
80
Подгруппа
6700
Порядковый номер детали
085
42
42
Артикул: М6-6gx20-88-35-019
нет в наличии
Болт
Количество на схеме: 5
Информация
Болт
Количество
5
Примечание
ГОСТ 7798-70
  • Грузовые автомобили
  • Автобусы
  • Сельхозтехника
  • Спецтехника
  • Двигатели
Получить оптовый прайс-лист
Скачать прайс-лист от 06.05.2026 16:00
Специальное предложение от 06.05.2026 17:00
Производители:


  • WEICHAI
  • Автодизель ПАО (ЯМЗ)
  • Тутаевский МЗ
  • ЯЗДА
  • УралАЗ
  • МАЗ
  • АЗПИ
  • BOSCH
  • ММЗ
  • ШААЗ
  • FEDERAL MOGUL
  • ПРАМО
  • Мотордеталь
  • ТАИМ
  • АвтоКрАЗ
  • БЕЛКАРД
  • CZ Strakonice
  • КамАЗ
  • БЗА
  • ЧМЗ
  • BMZ
Новости
Все новости
25 марта 2024
Флагманский седельный тягач «Валдай 45» на выставке «TransRussia»
10 марта 2024
Современные автобусы «CITYMAX 9» и ЛиАЗ-5292 CNG
25 февраля 2024
Серийное производство средних дизельных двигателей повышенной мощности от ЯМЗ
Статьи
Все статьи
Датчики двигателя: за что они отвечают, признаки неисправности и как не прогадать с выбором
Двигатели ЯМЗ-534: история, технические характеристики и области применения
Двигатели ЯМЗ 650: углублённый технический обзор и история
Компания
О компании
Реквизиты
Новости
Политика
Магазины
Информация
Условия оплаты
Условия доставки
Гарантия на товар
Обмен и возврат товара
Помощь
Как оформить заказ
Полезные статьи
Бренды
Пункты выдачи
Оставайтесь на связи
  • Вконтакте
  • YouTube
  • Одноклассники
  • Google Plus
Увидели ошибку?
Выделите, нажав Ctrl + Enter
Наши контакты
8-800-700-35-68
sales@din76.ru
г. Ярославль, Ленинградский пр-т 33, ТЦ "ОМЕГА"
2026 © ООО «Динамика 76» - Все права защищены ООО "Динамика 76"
Предложения на сайте не являются публичной офертой.
На сайте обнаружена ошибка

Текст с ошибкой