Избранное 0 Корзина 0 Личный кабинет
logo
Каталог
Каталог
  • Справочник
    • Грузовые автомобили
    • Автобусы
    • Сельхозтехника
    • Спецтехника
    • Двигатели
  • Доставка
  • Оплата
  • О компании
    • Реквизиты
    • Магазины
    • Оплата
    • Доставка
    • Лицензии и сертификаты
    • Новости
    • Вакансии
  • Контакты
Отправить заявку
Личный кабинет
8 (800) 700-35-68
sales@din76.ru
Избранное 0 Корзина 0
8 (800) 700-35-68
Оптовый прайс-лист
Каталог
  • Двигатели
  • Запчасти WEICHAI
  • Запчасти ЯМЗ, ТМЗ (V-образные)
  • Запчасти ЯМЗ-534, ЯМЗ-536
  • Запчасти ЯМЗ-650, ЯМЗ-651, DCi-11
  • Топливная аппаратура
  • Запчасти УРАЛ
  • Запчасти МАЗ
  • Запчасти КамАЗ
  • Запчасти ММЗ
  • Ремни
Автокаталог (справочник)
  • Доставка
  • Оплата
  • О компании
  • Контакты
8 (800) 700-35-68
Написать в Whatsapp
sales@din76.ru
Динамика 76
Меню  
  • Каталог
    • Двигатели  
      • Двигатели ТМЗ  
        • Двигатели ТМЗ для автомобилей
        • Двигатели ТМЗ для тракторов
        • Специальные двигатели ТМЗ
        • Промышленные двигатели ТМЗ
      • Двигатели ЯМЗ  
        • ЯМЗ 236
        • ЯМЗ 238
        • ЯМЗ 240
        • ЯМЗ 751
        • ЯМЗ 840
        • ЯМЗ 850
        • ЯМЗ 656
        • ЯМЗ 658
        • ЯМЗ 534
        • ЯМЗ 536
        • ЯМЗ 650
        • Двигатели ЯМЗ для электростанций
      • Двигатели КАМАЗ
      • Двигатели ММЗ
      • Двигатели индивидуальной сборки
      • Комплекты переоборудования
    • Запчасти WEICHAI  
      • Основные запчасти двигателя  
        • Клапаны и толкатели
        • Шатуны
        • Вал коленчатый и маховик
        • Вал распределительный
        • Цилиндро-поршневая группа
      • Система питания  
        • Форсунки
        • Турбокомпрессор
      • Система смазки  
        • Насос масляный
      • Головка блока
      • Ремкомплекты
      • Система охлаждения  
        • Насос водяной
        • Муфта вязкостная и крыльчатка
      • Фильтры
      • Электрооборудование  
        • Генератор
        • Стартер
    • Запчасти ЯМЗ, ТМЗ (V-образные)  
      • Основные запчасти двигателя  
        • Блок двигателя и комплектующие
        • Валы распределительные и клапаны
        • Головка блока и комплектующие
        • Цилиндро-поршневая группа
        • Маховики и комплектующие
        • Валы коленчатые и комплектующие
        • Шатуны и комплектующие
      • Система питания  
        • Коллекторы и патрубки
        • Топливные трубопроводы
        • Турбокомпрессор
        • Топливные фильтры
      • Электрооборудование двигателя
      • Система охлаждения  
        • Вязкостные муфты и крыльчатки
        • Приводы вентилятора
        • Водяные насосы
        • Водяные трубы и термостаты
      • Коробки переключения передач  
        • 8 Ступенчатые КПП
        • 5 Ступенчатые КПП
        • 9 Ступенчатые КПП
        • Запасные части КПП ЯМЗ, ТМЗ
      • Система смазки  
        • Теплообменник и комплектующие
        • Масляные насосы
        • Фильтры масляные (ФГОМ, ФЦОМ)
      • Сцепление  
        • Запасные части механизма сцепления
        • Муфты (подшипники выжимные)
        • Корзины (диски нажимные)
        • Диски ведомые
      • Прочие запчасти двигателя  
        • Ремкомплекты
        • Привод агрегатов
        • Натяжные устройства
        • Трубки
    • Запчасти ЯМЗ-534, ЯМЗ-536  
      • Основные запчасти двигателя  
        • Цилиндро-поршневая группа
        • Головка блока цилиндров и комплектующие
        • Блок цилиндров и комплектующие
        • Вал коленчатый и маховик
        • Вал распределительный
        • Клапаны и толкатели
        • ГУР (Гидроусилитель руля)
        • Система рециркуляции отработавших газов
        • Выпускной коллектор
      • Система питания  
        • Коллекторы и патрубки
        • Топливные фильтры
        • Турбокомпрессор
        • Топливные трубопроводы
      • Система смазки  
        • Масляный картер поддон
        • Масляный насос
        • Теплообменник /Водо-масляный радиатор
        • Фильтры масляные (ФГОМ, ФЦОМ)
      • Пневмокомпрессор и натяжное
      • Система охлаждения  
        • Водяной насос
        • Водяные трубы и патрубки
        • Муфты вязкостные, приводы, крыльчатки
      • Ремкомплекты
      • Сцепление
      • Электрооборудование
    • Запчасти ЯМЗ-650, ЯМЗ-651, DCi-11  
      • Основные запчасти двигателя  
        • Цилиндро-поршневая группа
        • Головка блока цилиндров и комплектующие
        • Блок цилиндров и комплектующие
        • Вал коленчатый и маховик
        • Выпускной коллектор
        • Вал распределительный
        • Клапаны и толкатели
        • ГУР (Гидроусилитель руля)
        • Система рециркуляции отработавших газов
      • Система питания  
        • Коллекторы и патрубки
        • Топливные трубопроводы
        • Топливные фильтры
        • Турбокомпрессор
      • Система смазки  
        • Масляный картер / поддон
        • Масляный насос
        • Теплообменник / Водо-масляный радиатор
        • Фильтры масляные (ФГОМ, ФЦОМ)
      • Система охлаждения  
        • Водяной насос
        • Водяные трубы и патрубки
        • Муфты вязкостные, приводы, крыльчатки
      • Ремкомплекты
      • Пневмокомпрессор и натяжное
      • Электрооборудование
      • Сцепление
    • Топливная аппаратура  
      • ЯЗДА  
        • Распылители
        • ТНВД
        • Форсунки
        • Топливный насос низкого давления
        • Пары плунжерные
        • Муфта опережения впрыска топлива
        • Запчасти и комплектующие ТНВД
      • НЗТА
      • АЗПИ  
        • Распылители
        • Форсунки
      • BOSCH
    • Запчасти УРАЛ  
      • Трансмиссия  
        • Коробка раздаточная
        • Передача карданная
        • Мост задний
        • Мост передний (ведущий)
        • Мост средний (промежуточный)
      • Кузов  
        • Дверь кабины
        • Капот, крылья, облицовка радиатора
        • Окно ветровое и заднее
        • Отопление и вентиляция кабины
        • Кабина
      • Механизмы управления  
        • Управление рулевое
        • Тормоза
      • Дополнительное оборудование  
        • Отбор мощности
        • Устройство седельное
      • Электрооборудование
      • Ходовая часть  
        • Колеса и ступицы
        • Ось передняя
        • Подвеска автомобиля
        • Рама
    • Запчасти МАЗ  
      • Трансмиссия  
        • Мост задний
        • Мост передний (ведущий)
        • Передача карданная
        • Мост средний (промежуточный)
      • Кузов  
        • Кабина
        • Дверь кабины
        • Детали основания кабины
        • Окно ветровое и заднее
        • Платформа
      • Механизмы управления  
        • Тормоза
        • Управление рулевое
      • Ходовая часть  
        • Колеса и ступицы
        • Ось передняя
        • Подвеска автомобиля
        • Рама
    • Запчасти КамАЗ  
      • Кузов  
        • Кабина
        • Капот, крылья, облицовка радиатора
        • Дверь кабины
        • Платформа
        • Окно ветровое и заднее
        • Устройство подъемное и опрокидывающее
        • Сиденье
        • Крыша кабины (крыша кузова)
        • Отопление и вентиляция кабины
      • Трансмиссия  
        • Коробка передач
        • Коробка раздаточная
        • Мост задний
        • Сцепление
        • Мост средний (промежуточный)
        • Передача карданная
        • Мост передний (ведущий)
      • Двигатель  
        • Основные запчасти двигателя
        • Система охлаждения
        • Система питания
        • Система смазки
      • Дополнительное оборудование  
        • Отбор мощности
        • Устройство седельное
      • Ходовая часть  
        • Подвеска автомобиля
        • Рама
        • Колеса и ступицы
        • Ось передняя
      • Механизмы управления  
        • Тормоза
        • Управление рулевое
      • Электрооборудование
    • Запчасти ММЗ
    • Ремни
  • Справочник
    • Грузовые автомобили
    • Автобусы
    • Сельхозтехника
    • Спецтехника
    • Двигатели
  • Как купить
    • Условия оплаты
    • Условия доставки
    • Гарантия на товар
    • Пункты выдачи
  • Услуги
    • Капитальный ремонт двигателей ЯМЗ
  • Акции
  • Статьи
  • Контакты
  • Компания
    • Реквизиты
    • Магазины
    • Оплата
    • Доставка
    • Лицензии и сертификаты
    • Новости
    • Вакансии
Избранное 0 Корзина 0
8-800-700-35-68

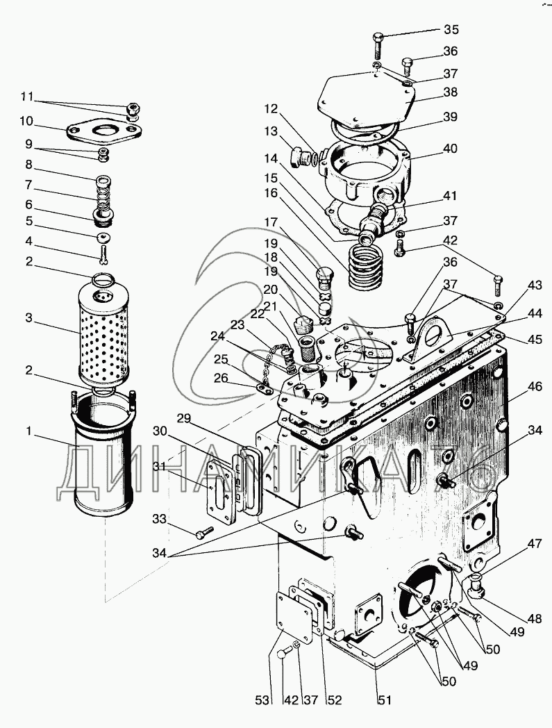
Корпус гидросистемы и фильтр на 952.5 (до 2013 г.)

Справочник
Главная
-
Автокаталог
-
Сельхозтехника
-
МТЗ
-
952.5
Справочный каталог

Корпус гидросистемы и фильтр — 952.5:

85-4608010 1 2 2 3 3 3 4 5 5 6 7 8 9 10 11 12 13 14 15 16 17 18 19 19 20 21 22 22 23 24 25 26 29 30 31 33 34 34 35 36 36 37 37 37 37 38 39 40 41 42 42 43 44 45 46 47 48 49 49 49 49 50 50 50 50 51 52 53
в наличии
нет в наличии
масштаб

В наличии
Нет в наличии

Перечень комплектующих от Корпус гидросистемы и фильтр на 952.5

Схемы запчастей предназначены для справочных целей! Мы продаем не все запчасти от Корпус гидросистемы и фильтр на 952.5, представленные в этом списке.
Наличие на складах по деталям с ценой смотрите в карточке товара.
Артикул: 85-4608010
нет в наличии
Корпус гидросистемы
Количество на схеме: 1
Информация
Корпус гидросистемы
Количество
1
Примечание
1-49, 53, 54
Модель
85
Подгруппа
4608
Порядковый номер детали
010
1
1
Артикул: A28-04-20-000-A1
нет в наличии
Корпус
Количество на схеме: 1
Информация
Корпус
Количество
1
2
2
Артикул: 042-050-46-2-4
нет в наличии
Кольцо
Количество на схеме: 2
Информация
Кольцо
Количество
2
Примечание
ГОСТ 18829-73, 9833-73
3
3
Артикул: ФЭГ3-25
нет в наличии
Элемент фильтрующий
Количество на схеме: 1
Информация
Элемент фильтрующий
Количество
1
3
3
Артикул: ЭФОМ635-1-06
нет в наличии
Элемент фильтрующий ЭФОМ 635-1-06
Количество на схеме: 1
Информация
Элемент фильтрующий ЭФОМ 635-1-06
Количество
1
4
4
Артикул: В-М6-6gх40-58-019
нет в наличии
Винт
Количество на схеме: 1
Информация
Винт
Количество
1
Примечание
ГОСТ 17475-80
5
5
Артикул: 8-20-004
нет в наличии
Клапан
Количество на схеме: 1
Информация
Клапан
Количество
1
5
5
Артикул: A28-04-10-000
нет в наличии
Клапан
Количество на схеме: 1
Информация
Клапан
Количество
1
Примечание
4-9
6
6
Артикул: A28-04-10-001
нет в наличии
Корпус клапана
Количество на схеме: 1
Информация
Корпус клапана
Количество
1
7
7
Артикул: 8-20-002
нет в наличии
Пружина
Количество на схеме: 1
Информация
Пружина
Количество
1
8
8
Артикул: 8-20-005
нет в наличии
Шайба опорная
Количество на схеме: 1
Информация
Шайба опорная
Количество
1
9
9
Артикул: М6-6Н-6-019
нет в наличии
Гайка
Количество на схеме: 2
Информация
Гайка
Количество
2
Примечание
ГОСТ 5915-70
10
10
Артикул: A28-04-00-001
нет в наличии
Ограничитель
Количество на схеме: 1
Информация
Ограничитель
Количество
1
11
11
Артикул: М6-6Н-6-019
нет в наличии
Гайка
Количество на схеме: 4
Информация
Гайка
Количество
4
Примечание
ГОСТ 5915-70
12
12
Артикул: РМ24
нет в наличии
Шайба
Количество на схеме: 1
Информация
Шайба
Количество
1
13
13
Артикул: 85-4608021
нет в наличии
Пробка
Количество на схеме: 1
Информация
Пробка
Количество
1
Модель
85
Подгруппа
4608
Порядковый номер детали
021
14
14
Артикул: 85-4608089
нет в наличии
Прокладка
Количество на схеме: 1
Информация
Прокладка
Количество
1
Модель
85
Подгруппа
4608
Порядковый номер детали
089
15
15
Артикул: 85-4607034
нет в наличии
Штуцер
Количество на схеме: 1
Информация
Штуцер
Количество
1
Модель
85
Подгруппа
4607
Порядковый номер детали
034
16
16
Артикул: 85-4608057
нет в наличии
Пружина
Количество на схеме: 1
Информация
Пружина
Количество
1
Модель
85
Подгруппа
4608
Порядковый номер детали
057
17
17
Артикул: 50-4608059
нет в наличии
Пробка сапуна
Количество на схеме: 1
Информация
Пробка сапуна
Количество
1
Модель
50
Подгруппа
4608
Порядковый номер детали
059
18
18
Артикул: 50-4608063
нет в наличии
Фильтр
Количество на схеме: 1
Информация
Фильтр
Количество
1
Модель
50
Подгруппа
4608
Порядковый номер детали
063
19
19
Артикул: 50-4608062
нет в наличии
Шайба сапуна
Количество на схеме: 2
Информация
Шайба сапуна
Количество
2
Модель
50
Подгруппа
4608
Порядковый номер детали
062
20
20
Артикул: КГ11/4dm
нет в наличии
Пробка
Количество на схеме: 1
Информация
Пробка
Количество
1
21
21
Артикул: A61-C06-A3
нет в наличии
Фильтр
Количество на схеме: 1
Информация
Фильтр
Количество
1
22
22
Артикул: 85-4608090
нет в наличии
Клапан 85-4608091 в сборе
Количество на схеме: 1
Информация
Клапан 85-4608091 в сборе
Количество
1
Примечание
22-26
Модель
85
Подгруппа
4608
Порядковый номер детали
090
22
22
Артикул: 85-4608091
нет в наличии
Клапан
Количество на схеме: 1
Информация
Клапан
Количество
1
Модель
85
Подгруппа
4608
Порядковый номер детали
091
23
23
Артикул: 50-1002450
нет в наличии
Цепочка
Количество на схеме: 1
Информация
Цепочка
Количество
1
Модель
50
Группа
Двигатель
Подгруппа
Блок цилиндров
Порядковый номер детали
450
24
24
Артикул: 011-015-25-2-4
нет в наличии
Кольцо
Количество на схеме: 2
Информация
Кольцо
Количество
2
Примечание
ГОСТ 18829-73, 9833-73
25
25
Артикул: 36-1101067
нет в наличии
Кольцо
Количество на схеме: 2
Информация
Кольцо
Количество
2
Модель
36
Группа
Cистема питания двигателя
Подгруппа
Бак топливный
Порядковый номер детали
067
26
26
Артикул: 50-3407069
нет в наличии
Чека
Количество на схеме: 1
Информация
Чека
Количество
1
Модель
50
Группа
Управление рулевое
Подгруппа
Насос гидроусилителя механизма рулевого управления
Порядковый номер детали
069
29
29
Артикул: 85-4608086-Б
нет в наличии
Уплотнитель
Количество на схеме: 1
Информация
Уплотнитель
Количество
1
Модель
85
Подгруппа
4608
Порядковый номер детали
086
30
30
Артикул: 85-4608087-Б
нет в наличии
Указатель
Количество на схеме: 1
Информация
Указатель
Количество
1
Модель
85
Подгруппа
4608
Порядковый номер детали
087
31
31
Артикул: 85-4608088-Б
нет в наличии
Корпус
Количество на схеме: 1
Информация
Корпус
Количество
1
Модель
85
Подгруппа
4608
Порядковый номер детали
088
33
33
Артикул: М6х20
нет в наличии
Винт
Количество на схеме: 6
Информация
Винт
Количество
6
Примечание
DIN EN 1665-98
34
34
Артикул: М103р/6gх20-66-019
нет в наличии
Шпилька
Количество на схеме: 3
Информация
Шпилька
Количество
3
Примечание
ГОСТ 22034-76
35
35
Артикул: М8-6gх80-88-35-019
нет в наличии
Болт
Количество на схеме: 1
Информация
Болт
Количество
1
Примечание
ГОСТ 7795-70
36
36
Артикул: М8-6gх25-88-35-019
нет в наличии
Болт
Количество на схеме: 5
Информация
Болт
Количество
5
Примечание
ГОСТ 7796-70
37
37
Артикул: 8Т
нет в наличии
Шайба
Количество на схеме: 30
Информация
Шайба
Количество
30
Примечание
ОСТ 37.001.115-75
38
38
Артикул: 85-4608022
нет в наличии
Крышка
Количество на схеме: 1
Информация
Крышка
Количество
1
Модель
85
Подгруппа
4608
Порядковый номер детали
022
39
39
Артикул: 130-135-30-1-4
нет в наличии
Кольцо
Количество на схеме: 1
Информация
Кольцо
Количество
1
Примечание
ГОСТ 18829-73, 9833-73
40
40
Артикул: 85-4608018
нет в наличии
Стакан
Количество на схеме: 1
Информация
Стакан
Количество
1
Модель
85
Подгруппа
4608
Порядковый номер детали
018
41
41
Артикул: 027-032-30-1-4
нет в наличии
Кольцо
Количество на схеме: 1
Информация
Кольцо
Количество
1
Примечание
ГОСТ 18829-73, 9833-73
42
42
Артикул: М8-6gх20-88-35-019
нет в наличии
Болт
Количество на схеме: 23
Информация
Болт
Количество
23
Примечание
ГОСТ 7796-70
43
43
Артикул: 85-4608025
нет в наличии
Крышка
Количество на схеме: 1
Информация
Крышка
Количество
1
Модель
85
Подгруппа
4608
Порядковый номер детали
025
44
44
Артикул: 80-4608073
нет в наличии
Кронштейн
Количество на схеме: 1
Информация
Кронштейн
Количество
1
Модель
80
Подгруппа
4608
Порядковый номер детали
073
45
45
Артикул: 85-4608031-Б
нет в наличии
Прокладка
Количество на схеме: 1
Информация
Прокладка
Количество
1
Модель
85
Подгруппа
4608
Порядковый номер детали
031
46
46
Артикул: 85-4608016-A
нет в наличии
Корпус гидросистемы
Количество на схеме: 1
Информация
Корпус гидросистемы
Количество
1
Модель
85
Подгруппа
4608
Порядковый номер детали
016
Дополнительно
Конструкция детали модернизирована, но сохранена взаимозаменяемость с ранее выпущенными
47
47
Артикул: РМ1/2
нет в наличии
Шайба
Количество на схеме: 1
Информация
Шайба
Количество
1
48
48
Артикул: 70-4607163
нет в наличии
Пробка
Количество на схеме: 1
Информация
Пробка
Количество
1
Модель
70
Подгруппа
4607
Порядковый номер детали
163
49
49
Артикул: М10-6Н-6-019
нет в наличии
Гайка
Количество на схеме: 2
Информация
Гайка
Количество
2
Примечание
ГОСТ 5915-70
49
49
Артикул: М103р/6gх35-66-019
нет в наличии
Шпилька
Количество на схеме: 2
Информация
Шпилька
Количество
2
Примечание
ГОСТ 22034-76
50
50
Артикул: 10ОТ
нет в наличии
Шайба ОСТ 37.001.115-75
Количество на схеме: 4
Информация
Шайба ОСТ 37.001.115-75
Количество
4
Примечание
ОСТ 37.001.115-75
50
50
Артикул: М10-6gх40-88-35-019
нет в наличии
Болт
Количество на схеме: 2
Информация
Болт
Количество
2
Примечание
ГОСТ 7796-70
51
51
Артикул: 50-4608049
нет в наличии
Прокладка
Количество на схеме: 1
Информация
Прокладка
Количество
1
Модель
50
Подгруппа
4608
Порядковый номер детали
049
52
52
Артикул: 70-4608033
нет в наличии
Прокладка
Количество на схеме: 1
Информация
Прокладка
Количество
1
Модель
70
Подгруппа
4608
Порядковый номер детали
033
53
53
Артикул: 70-4608019
нет в наличии
Крышка
Количество на схеме: 1
Информация
Крышка
Количество
1
Модель
70
Подгруппа
4608
Порядковый номер детали
019
  • Грузовые автомобили
  • Автобусы
  • Сельхозтехника
  • Спецтехника
  • Двигатели
Получить оптовый прайс-лист
Скачать прайс-лист от 06.05.2026 16:00
Специальное предложение от 06.05.2026 17:00
Производители:


  • WEICHAI
  • Автодизель ПАО (ЯМЗ)
  • Тутаевский МЗ
  • ЯЗДА
  • УралАЗ
  • МАЗ
  • АЗПИ
  • BOSCH
  • ММЗ
  • ШААЗ
  • FEDERAL MOGUL
  • ПРАМО
  • Мотордеталь
  • ТАИМ
  • АвтоКрАЗ
  • БЕЛКАРД
  • CZ Strakonice
  • КамАЗ
  • БЗА
  • ЧМЗ
  • BMZ
Новости
Все новости
25 марта 2024
Флагманский седельный тягач «Валдай 45» на выставке «TransRussia»
10 марта 2024
Современные автобусы «CITYMAX 9» и ЛиАЗ-5292 CNG
25 февраля 2024
Серийное производство средних дизельных двигателей повышенной мощности от ЯМЗ
Статьи
Все статьи
Датчики двигателя: за что они отвечают, признаки неисправности и как не прогадать с выбором
Двигатели ЯМЗ-534: история, технические характеристики и области применения
Двигатели ЯМЗ 650: углублённый технический обзор и история
Компания
О компании
Реквизиты
Новости
Политика
Магазины
Информация
Условия оплаты
Условия доставки
Гарантия на товар
Обмен и возврат товара
Помощь
Как оформить заказ
Полезные статьи
Бренды
Пункты выдачи
Оставайтесь на связи
  • Вконтакте
  • YouTube
  • Одноклассники
  • Google Plus
Увидели ошибку?
Выделите, нажав Ctrl + Enter
Наши контакты
8-800-700-35-68
sales@din76.ru
г. Ярославль, Ленинградский пр-т 33, ТЦ "ОМЕГА"
2026 © ООО «Динамика 76» - Все права защищены ООО "Динамика 76"
Предложения на сайте не являются публичной офертой.
На сайте обнаружена ошибка

Текст с ошибкой