Избранное 0 Корзина 0 Личный кабинет
logo
Каталог
Каталог
  • Справочник
    • Грузовые автомобили
    • Автобусы
    • Сельхозтехника
    • Спецтехника
    • Двигатели
  • Доставка
  • Оплата
  • О компании
    • Реквизиты
    • Магазины
    • Оплата
    • Доставка
    • Лицензии и сертификаты
    • Новости
    • Вакансии
  • Контакты
Отправить заявку
Личный кабинет
8 (800) 700-35-68
sales@din76.ru
Избранное 0 Корзина 0
8 (800) 700-35-68
Оптовый прайс-лист
Каталог
  • Двигатели
  • Запчасти WEICHAI
  • Запчасти ЯМЗ, ТМЗ (V-образные)
  • Запчасти ЯМЗ-534, ЯМЗ-536
  • Запчасти ЯМЗ-650, ЯМЗ-651, DCi-11
  • Топливная аппаратура
  • Запчасти УРАЛ
  • Запчасти МАЗ
  • Запчасти КамАЗ
  • Запчасти ММЗ
  • Ремни
Автокаталог (справочник)
  • Доставка
  • Оплата
  • О компании
  • Контакты
8 (800) 700-35-68
Написать в Whatsapp
sales@din76.ru
Динамика 76
Меню  
  • Каталог
    • Двигатели  
      • Двигатели ТМЗ  
        • Двигатели ТМЗ для автомобилей
        • Двигатели ТМЗ для тракторов
        • Специальные двигатели ТМЗ
        • Промышленные двигатели ТМЗ
      • Двигатели ЯМЗ  
        • ЯМЗ 236
        • ЯМЗ 238
        • ЯМЗ 240
        • ЯМЗ 751
        • ЯМЗ 840
        • ЯМЗ 850
        • ЯМЗ 656
        • ЯМЗ 658
        • ЯМЗ 534
        • ЯМЗ 536
        • ЯМЗ 650
        • Двигатели ЯМЗ для электростанций
      • Двигатели КАМАЗ
      • Двигатели ММЗ
      • Двигатели индивидуальной сборки
      • Комплекты переоборудования
    • Запчасти WEICHAI  
      • Основные запчасти двигателя  
        • Клапаны и толкатели
        • Шатуны
        • Вал коленчатый и маховик
        • Вал распределительный
        • Цилиндро-поршневая группа
      • Система питания  
        • Форсунки
        • Турбокомпрессор
      • Система смазки  
        • Насос масляный
      • Головка блока
      • Ремкомплекты
      • Система охлаждения  
        • Насос водяной
        • Муфта вязкостная и крыльчатка
      • Фильтры
      • Электрооборудование  
        • Генератор
        • Стартер
    • Запчасти ЯМЗ, ТМЗ (V-образные)  
      • Основные запчасти двигателя  
        • Блок двигателя и комплектующие
        • Валы распределительные и клапаны
        • Головка блока и комплектующие
        • Цилиндро-поршневая группа
        • Маховики и комплектующие
        • Валы коленчатые и комплектующие
        • Шатуны и комплектующие
      • Система питания  
        • Коллекторы и патрубки
        • Топливные трубопроводы
        • Турбокомпрессор
        • Топливные фильтры
      • Электрооборудование двигателя
      • Система охлаждения  
        • Вязкостные муфты и крыльчатки
        • Приводы вентилятора
        • Водяные насосы
        • Водяные трубы и термостаты
      • Коробки переключения передач  
        • 8 Ступенчатые КПП
        • 5 Ступенчатые КПП
        • 9 Ступенчатые КПП
        • Запасные части КПП ЯМЗ, ТМЗ
      • Система смазки  
        • Теплообменник и комплектующие
        • Масляные насосы
        • Фильтры масляные (ФГОМ, ФЦОМ)
      • Сцепление  
        • Запасные части механизма сцепления
        • Муфты (подшипники выжимные)
        • Корзины (диски нажимные)
        • Диски ведомые
      • Прочие запчасти двигателя  
        • Ремкомплекты
        • Привод агрегатов
        • Натяжные устройства
        • Трубки
    • Запчасти ЯМЗ-534, ЯМЗ-536  
      • Основные запчасти двигателя  
        • Цилиндро-поршневая группа
        • Головка блока цилиндров и комплектующие
        • Блок цилиндров и комплектующие
        • Вал коленчатый и маховик
        • Вал распределительный
        • Клапаны и толкатели
        • ГУР (Гидроусилитель руля)
        • Система рециркуляции отработавших газов
        • Выпускной коллектор
      • Система питания  
        • Коллекторы и патрубки
        • Топливные фильтры
        • Турбокомпрессор
        • Топливные трубопроводы
      • Система смазки  
        • Масляный картер поддон
        • Масляный насос
        • Теплообменник /Водо-масляный радиатор
        • Фильтры масляные (ФГОМ, ФЦОМ)
      • Пневмокомпрессор и натяжное
      • Система охлаждения  
        • Водяной насос
        • Водяные трубы и патрубки
        • Муфты вязкостные, приводы, крыльчатки
      • Ремкомплекты
      • Сцепление
      • Электрооборудование
    • Запчасти ЯМЗ-650, ЯМЗ-651, DCi-11  
      • Основные запчасти двигателя  
        • Цилиндро-поршневая группа
        • Головка блока цилиндров и комплектующие
        • Блок цилиндров и комплектующие
        • Вал коленчатый и маховик
        • Выпускной коллектор
        • Вал распределительный
        • Клапаны и толкатели
        • ГУР (Гидроусилитель руля)
        • Система рециркуляции отработавших газов
      • Система питания  
        • Коллекторы и патрубки
        • Топливные трубопроводы
        • Топливные фильтры
        • Турбокомпрессор
      • Система смазки  
        • Масляный картер / поддон
        • Масляный насос
        • Теплообменник / Водо-масляный радиатор
        • Фильтры масляные (ФГОМ, ФЦОМ)
      • Система охлаждения  
        • Водяной насос
        • Водяные трубы и патрубки
        • Муфты вязкостные, приводы, крыльчатки
      • Ремкомплекты
      • Пневмокомпрессор и натяжное
      • Электрооборудование
      • Сцепление
    • Топливная аппаратура  
      • ЯЗДА  
        • Распылители
        • ТНВД
        • Форсунки
        • Топливный насос низкого давления
        • Пары плунжерные
        • Муфта опережения впрыска топлива
        • Запчасти и комплектующие ТНВД
      • НЗТА
      • АЗПИ  
        • Распылители
        • Форсунки
      • BOSCH
    • Запчасти УРАЛ  
      • Трансмиссия  
        • Коробка раздаточная
        • Передача карданная
        • Мост задний
        • Мост передний (ведущий)
        • Мост средний (промежуточный)
      • Кузов  
        • Дверь кабины
        • Капот, крылья, облицовка радиатора
        • Окно ветровое и заднее
        • Отопление и вентиляция кабины
        • Кабина
      • Механизмы управления  
        • Управление рулевое
        • Тормоза
      • Дополнительное оборудование  
        • Отбор мощности
        • Устройство седельное
      • Электрооборудование
      • Ходовая часть  
        • Колеса и ступицы
        • Ось передняя
        • Подвеска автомобиля
        • Рама
    • Запчасти МАЗ  
      • Трансмиссия  
        • Мост задний
        • Мост передний (ведущий)
        • Передача карданная
        • Мост средний (промежуточный)
      • Кузов  
        • Кабина
        • Дверь кабины
        • Детали основания кабины
        • Окно ветровое и заднее
        • Платформа
      • Механизмы управления  
        • Тормоза
        • Управление рулевое
      • Ходовая часть  
        • Колеса и ступицы
        • Ось передняя
        • Подвеска автомобиля
        • Рама
    • Запчасти КамАЗ  
      • Кузов  
        • Кабина
        • Капот, крылья, облицовка радиатора
        • Дверь кабины
        • Платформа
        • Окно ветровое и заднее
        • Устройство подъемное и опрокидывающее
        • Сиденье
        • Крыша кабины (крыша кузова)
        • Отопление и вентиляция кабины
      • Трансмиссия  
        • Коробка передач
        • Коробка раздаточная
        • Мост задний
        • Сцепление
        • Мост средний (промежуточный)
        • Передача карданная
        • Мост передний (ведущий)
      • Двигатель  
        • Основные запчасти двигателя
        • Система охлаждения
        • Система питания
        • Система смазки
      • Дополнительное оборудование  
        • Отбор мощности
        • Устройство седельное
      • Ходовая часть  
        • Подвеска автомобиля
        • Рама
        • Колеса и ступицы
        • Ось передняя
      • Механизмы управления  
        • Тормоза
        • Управление рулевое
      • Электрооборудование
    • Запчасти ММЗ
    • Ремни
  • Справочник
    • Грузовые автомобили
    • Автобусы
    • Сельхозтехника
    • Спецтехника
    • Двигатели
  • Как купить
    • Условия оплаты
    • Условия доставки
    • Гарантия на товар
    • Пункты выдачи
  • Услуги
    • Капитальный ремонт двигателей ЯМЗ
  • Акции
  • Статьи
  • Контакты
  • Компания
    • Реквизиты
    • Магазины
    • Оплата
    • Доставка
    • Лицензии и сертификаты
    • Новости
    • Вакансии
Избранное 0 Корзина 0
8-800-700-35-68

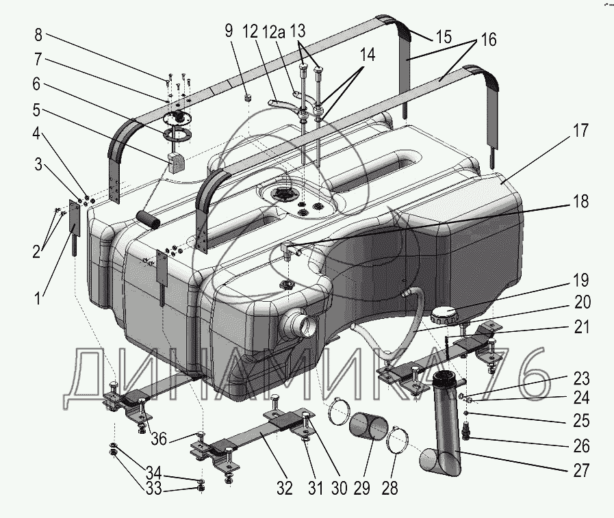
Бак топливный на 952.5 (до 2013 г.)

Справочник
Главная
-
Автокаталог
-
Сельхозтехника
-
МТЗ
-
952.5
Справочный каталог

Бак топливный — 952.5:

082-1103010 10ОТ 11.112-100 1221-1101130 1221-1101510 1221-1101530 1221-1101620 1221-1101680 1221-1101690-01 12ОТ 200-3806026 36-1101070 6Т 70-1101035-Б 80-1101067 822-1101081 85-1101002 8Т 920-1101162-10 920-1101162-11 920-1101260 920-1101600-03 XC-61 В.М5-6gх35.58.019 ДОТ.265Ч-01 КГ1/8dm.А12.019 М10-6gх25.88.35.019 М10-6Н.04.019 М12-6gх45.88.35.019 М6-6gx10.58.019 М6-6Н.6.019 М8-6gх20.88.35.019 ПР-43-03 РМ14 С8.01.019 ЯВАГ1221-1101510 ЯВАГ1221-1101510
в наличии
нет в наличии
масштаб

В наличии
Нет в наличии

Перечень комплектующих от Бак топливный на 952.5

Схемы запчастей предназначены для справочных целей! Мы продаем не все запчасти от Бак топливный на 952.5, представленные в этом списке.
Наличие на складах по деталям с ценой смотрите в карточке товара.
Артикул: 082-1103010
нет в наличии
Пробка
Количество на схеме: 1
Информация
Пробка
Количество
1
Модель
082
Группа
Cистема питания двигателя
Подгруппа
Пробка топливного бака
Порядковый номер детали
010
Артикул: 10ОТ
нет в наличии
Шайба ОСТ 37.001.115-75
Количество на схеме: 12
Информация
Шайба ОСТ 37.001.115-75
Количество
12
Примечание
ОСТ 37.001.115-75
Артикул: 11-112-100
нет в наличии
Шарик ГОСТ 3722-81
Количество на схеме: 1
Информация
Шарик ГОСТ 3722-81
Количество
1
Примечание
ГОСТ 3722-81
Артикул: 1221-1101130
нет в наличии
Кронштейн
Количество на схеме: 4
Информация
Кронштейн
Количество
4
Модель
1221
Группа
Cистема питания двигателя
Подгруппа
Бак топливный
Порядковый номер детали
130
Артикул: 1221-1101510
нет в наличии
Бак
Количество на схеме: 1
Информация
Бак
Количество
1
Модель
1221
Группа
Cистема питания двигателя
Подгруппа
Бак топливный
Порядковый номер детали
510
Артикул: 1221-1101530
нет в наличии
Топливозаборник
Количество на схеме: 2
Информация
Топливозаборник
Количество
2
Модель
1221
Группа
Cистема питания двигателя
Подгруппа
Бак топливный
Порядковый номер детали
530
Артикул: 1221-1101620
нет в наличии
Угольник
Количество на схеме: 1
Информация
Угольник
Количество
1
Модель
1221
Группа
Cистема питания двигателя
Подгруппа
Бак топливный
Порядковый номер детали
620
Артикул: 1221-1101680
нет в наличии
Хомут
Количество на схеме: 2
Информация
Хомут
Количество
2
Модель
1221
Группа
Cистема питания двигателя
Подгруппа
Бак топливный
Порядковый номер детали
680
Артикул: 1221-1101690-01
нет в наличии
Хомут
Количество на схеме: 2
Информация
Хомут
Количество
2
Модель
1221
Группа
Cистема питания двигателя
Подгруппа
Бак топливный
Порядковый номер детали
690
Артикул: 12ОТ
нет в наличии
Шайба ОСТ 37.001.115-75
Количество на схеме: 8
Информация
Шайба ОСТ 37.001.115-75
Количество
8
Примечание
ОСТ 37.001.115-75
Артикул: 200-3806026
нет в наличии
Прокладка
Количество на схеме: 1
Информация
Прокладка
Количество
1
Модель
200
Группа
Приборы
Подгруппа
Указатель уровня топлива
Порядковый номер детали
026
Артикул: 36-1101070
нет в наличии
Цепочка
Количество на схеме: 1
Информация
Цепочка
Количество
1
Модель
36
Группа
Cистема питания двигателя
Подгруппа
Бак топливный
Порядковый номер детали
070
Артикул: 6Т
нет в наличии
Шайба
Количество на схеме: 4
Информация
Шайба
Количество
4
Примечание
ОСТ 37.001.115-75
Артикул: 70-1101035-Б
нет в наличии
Рукав
Количество на схеме: 1
Информация
Рукав
Количество
1
Модель
70
Группа
Cистема питания двигателя
Подгруппа
Бак топливный
Порядковый номер детали
035
Артикул: 80-1101067
нет в наличии
Шайба
Количество на схеме: 5
Информация
Шайба
Количество
5
Модель
80
Группа
Cистема питания двигателя
Подгруппа
Бак топливный
Порядковый номер детали
067
Артикул: 822-1101081
нет в наличии
Штуцер
Количество на схеме: 2
Информация
Штуцер
Количество
2
Модель
822
Группа
Cистема питания двигателя
Подгруппа
Бак топливный
Порядковый номер детали
081
Артикул: 85-1101002
нет в наличии
Трубка
Количество на схеме: 1
Информация
Трубка
Количество
1
Модель
85
Группа
Cистема питания двигателя
Подгруппа
Бак топливный
Порядковый номер детали
002
Артикул: 8Т
нет в наличии
Шайба
Количество на схеме: 1
Информация
Шайба
Количество
1
Примечание
ОСТ 37.001.115-75
Артикул: 920-1101162-10
нет в наличии
Трубка
Количество на схеме: 1
Информация
Трубка
Количество
1
Модель
920
Группа
Cистема питания двигателя
Подгруппа
Бак топливный
Порядковый номер детали
162
Дополнительно
Не взаимозаменяема с деталью, выпущенной ранее под этим же номером
Артикул: 920-1101162-11
нет в наличии
Трубка
Количество на схеме: 1
Информация
Трубка
Количество
1
Модель
920
Группа
Cистема питания двигателя
Подгруппа
Бак топливный
Порядковый номер детали
162
Дополнительно
Не взаимозаменяема с деталью, выпущенной ранее под этим же номером
Артикул: 920-1101260
нет в наличии
Горловина заливная
Количество на схеме: 1
Информация
Горловина заливная
Количество
1
Модель
920
Группа
Cистема питания двигателя
Подгруппа
Бак топливный
Порядковый номер детали
260
Артикул: 920-1101600-03
нет в наличии
Бак
Количество на схеме: 1
Информация
Бак
Количество
1
Модель
920
Группа
Cистема питания двигателя
Подгруппа
Бак топливный
Порядковый номер детали
600
Артикул: XC-61
нет в наличии
Хомут
Количество на схеме: 2
Информация
Хомут
Количество
2
Артикул: В-М5-6gх35-58-019
нет в наличии
Винт
Количество на схеме: 5
Информация
Винт
Количество
5
Примечание
ГОСТ 17475-80
Артикул: ДОТ-265Ч-01
нет в наличии
Датчик
Количество на схеме: 1
Информация
Датчик
Количество
1
Артикул: КГ1/8dm-А12-019
нет в наличии
Пробка
Количество на схеме: 1
Информация
Пробка
Количество
1
Артикул: М10-6gх25-88-35-019
нет в наличии
Болт
Количество на схеме: 8
Информация
Болт
Количество
8
Примечание
ГОСТ 7796-70
Артикул: М10-6Н-04-019
нет в наличии
Гайка
Количество на схеме: 12
Информация
Гайка
Количество
12
Примечание
ГОСТ 5916-70
Артикул: М12-6gх45-88-35-019
нет в наличии
Болт
Количество на схеме: 8
Информация
Болт
Количество
8
Примечание
ГОСТ 7796-70
Артикул: М6-6gx10-58-019
нет в наличии
Винт
Количество на схеме: 4
Информация
Винт
Количество
4
Примечание
ГОСТ 17473-80
Артикул: М6-6Н-6-019
нет в наличии
Гайка
Количество на схеме: 4
Информация
Гайка
Количество
4
Примечание
ГОСТ 5915-70
Артикул: М8-6gх20-88-35-019
нет в наличии
Болт
Количество на схеме: 1
Информация
Болт
Количество
1
Примечание
ГОСТ 7796-70
Артикул: ПР-43-03
нет в наличии
Уплотнитель
Количество на схеме: 4
Информация
Уплотнитель
Количество
4
Артикул: РМ14
нет в наличии
Шайба
Количество на схеме: 6
Информация
Шайба
Количество
6
Артикул: С8-01-019
нет в наличии
Шайба
Количество на схеме: 1
Информация
Шайба
Количество
1
Примечание
ГОСТ 11371-78
Артикул: ЯВАГ1221-1101510
нет в наличии
Бак
Количество на схеме: 1
Информация
Бак
Количество
1
Модель
ЯВАГ1221
Группа
Cистема питания двигателя
Подгруппа
Бак топливный
Порядковый номер детали
510
  • Грузовые автомобили
  • Автобусы
  • Сельхозтехника
  • Спецтехника
  • Двигатели
Получить оптовый прайс-лист
Скачать прайс-лист от 06.05.2026 16:00
Специальное предложение от 06.05.2026 17:00
Производители:


  • WEICHAI
  • Автодизель ПАО (ЯМЗ)
  • Тутаевский МЗ
  • ЯЗДА
  • УралАЗ
  • МАЗ
  • АЗПИ
  • BOSCH
  • ММЗ
  • ШААЗ
  • FEDERAL MOGUL
  • ПРАМО
  • Мотордеталь
  • ТАИМ
  • АвтоКрАЗ
  • БЕЛКАРД
  • CZ Strakonice
  • КамАЗ
  • БЗА
  • ЧМЗ
  • BMZ
Новости
Все новости
25 марта 2024
Флагманский седельный тягач «Валдай 45» на выставке «TransRussia»
10 марта 2024
Современные автобусы «CITYMAX 9» и ЛиАЗ-5292 CNG
25 февраля 2024
Серийное производство средних дизельных двигателей повышенной мощности от ЯМЗ
Статьи
Все статьи
Датчики двигателя: за что они отвечают, признаки неисправности и как не прогадать с выбором
Двигатели ЯМЗ-534: история, технические характеристики и области применения
Двигатели ЯМЗ 650: углублённый технический обзор и история
Компания
О компании
Реквизиты
Новости
Политика
Магазины
Информация
Условия оплаты
Условия доставки
Гарантия на товар
Обмен и возврат товара
Помощь
Как оформить заказ
Полезные статьи
Бренды
Пункты выдачи
Оставайтесь на связи
  • Вконтакте
  • YouTube
  • Одноклассники
  • Google Plus
Увидели ошибку?
Выделите, нажав Ctrl + Enter
Наши контакты
8-800-700-35-68
sales@din76.ru
г. Ярославль, Ленинградский пр-т 33, ТЦ "ОМЕГА"
2026 © ООО «Динамика 76» - Все права защищены ООО "Динамика 76"
Предложения на сайте не являются публичной офертой.
На сайте обнаружена ошибка

Текст с ошибкой