Избранное 0 Корзина 0 Личный кабинет
logo
Каталог
Каталог
  • Справочник
    • Грузовые автомобили
    • Автобусы
    • Сельхозтехника
    • Спецтехника
    • Двигатели
  • Доставка
  • Оплата
  • О компании
    • Реквизиты
    • Магазины
    • Оплата
    • Доставка
    • Лицензии и сертификаты
    • Новости
    • Вакансии
  • Контакты
Отправить заявку
Личный кабинет
8 (800) 700-35-68
sales@din76.ru
Избранное 0 Корзина 0
8 (800) 700-35-68
Оптовый прайс-лист
Каталог
  • Двигатели
  • Запчасти WEICHAI
  • Запчасти ЯМЗ, ТМЗ (V-образные)
  • Запчасти ЯМЗ-534, ЯМЗ-536
  • Запчасти ЯМЗ-650, ЯМЗ-651, DCi-11
  • Топливная аппаратура
  • Запчасти УРАЛ
  • Запчасти МАЗ
  • Запчасти КамАЗ
  • Запчасти ММЗ
  • Ремни
Автокаталог (справочник)
  • Доставка
  • Оплата
  • О компании
  • Контакты
8 (800) 700-35-68
Написать в Whatsapp
sales@din76.ru
Динамика 76
Меню  
  • Каталог
    • Двигатели  
      • Двигатели ТМЗ  
        • Двигатели ТМЗ для автомобилей
        • Двигатели ТМЗ для тракторов
        • Специальные двигатели ТМЗ
        • Промышленные двигатели ТМЗ
      • Двигатели ЯМЗ  
        • ЯМЗ 236
        • ЯМЗ 238
        • ЯМЗ 240
        • ЯМЗ 751
        • ЯМЗ 840
        • ЯМЗ 850
        • ЯМЗ 656
        • ЯМЗ 658
        • ЯМЗ 534
        • ЯМЗ 536
        • ЯМЗ 650
        • Двигатели ЯМЗ для электростанций
      • Двигатели КАМАЗ
      • Двигатели ММЗ
      • Двигатели индивидуальной сборки
      • Комплекты переоборудования
    • Запчасти WEICHAI  
      • Основные запчасти двигателя  
        • Клапаны и толкатели
        • Шатуны
        • Вал коленчатый и маховик
        • Вал распределительный
        • Цилиндро-поршневая группа
      • Система питания  
        • Форсунки
        • Турбокомпрессор
      • Система смазки  
        • Насос масляный
      • Головка блока
      • Ремкомплекты
      • Система охлаждения  
        • Насос водяной
        • Муфта вязкостная и крыльчатка
      • Фильтры
      • Электрооборудование  
        • Генератор
        • Стартер
    • Запчасти ЯМЗ, ТМЗ (V-образные)  
      • Основные запчасти двигателя  
        • Блок двигателя и комплектующие
        • Валы распределительные и клапаны
        • Головка блока и комплектующие
        • Цилиндро-поршневая группа
        • Маховики и комплектующие
        • Валы коленчатые и комплектующие
        • Шатуны и комплектующие
      • Система питания  
        • Коллекторы и патрубки
        • Топливные трубопроводы
        • Турбокомпрессор
        • Топливные фильтры
      • Электрооборудование двигателя
      • Система охлаждения  
        • Вязкостные муфты и крыльчатки
        • Приводы вентилятора
        • Водяные насосы
        • Водяные трубы и термостаты
      • Коробки переключения передач  
        • 8 Ступенчатые КПП
        • 5 Ступенчатые КПП
        • 9 Ступенчатые КПП
        • Запасные части КПП ЯМЗ, ТМЗ
      • Система смазки  
        • Теплообменник и комплектующие
        • Масляные насосы
        • Фильтры масляные (ФГОМ, ФЦОМ)
      • Сцепление  
        • Запасные части механизма сцепления
        • Муфты (подшипники выжимные)
        • Корзины (диски нажимные)
        • Диски ведомые
      • Прочие запчасти двигателя  
        • Ремкомплекты
        • Привод агрегатов
        • Натяжные устройства
        • Трубки
    • Запчасти ЯМЗ-534, ЯМЗ-536  
      • Основные запчасти двигателя  
        • Цилиндро-поршневая группа
        • Головка блока цилиндров и комплектующие
        • Блок цилиндров и комплектующие
        • Вал коленчатый и маховик
        • Вал распределительный
        • Клапаны и толкатели
        • ГУР (Гидроусилитель руля)
        • Система рециркуляции отработавших газов
        • Выпускной коллектор
      • Система питания  
        • Коллекторы и патрубки
        • Топливные фильтры
        • Турбокомпрессор
        • Топливные трубопроводы
      • Система смазки  
        • Масляный картер поддон
        • Масляный насос
        • Теплообменник /Водо-масляный радиатор
        • Фильтры масляные (ФГОМ, ФЦОМ)
      • Пневмокомпрессор и натяжное
      • Система охлаждения  
        • Водяной насос
        • Водяные трубы и патрубки
        • Муфты вязкостные, приводы, крыльчатки
      • Ремкомплекты
      • Сцепление
      • Электрооборудование
    • Запчасти ЯМЗ-650, ЯМЗ-651, DCi-11  
      • Основные запчасти двигателя  
        • Цилиндро-поршневая группа
        • Головка блока цилиндров и комплектующие
        • Блок цилиндров и комплектующие
        • Вал коленчатый и маховик
        • Выпускной коллектор
        • Вал распределительный
        • Клапаны и толкатели
        • ГУР (Гидроусилитель руля)
        • Система рециркуляции отработавших газов
      • Система питания  
        • Коллекторы и патрубки
        • Топливные трубопроводы
        • Топливные фильтры
        • Турбокомпрессор
      • Система смазки  
        • Масляный картер / поддон
        • Масляный насос
        • Теплообменник / Водо-масляный радиатор
        • Фильтры масляные (ФГОМ, ФЦОМ)
      • Система охлаждения  
        • Водяной насос
        • Водяные трубы и патрубки
        • Муфты вязкостные, приводы, крыльчатки
      • Ремкомплекты
      • Пневмокомпрессор и натяжное
      • Электрооборудование
      • Сцепление
    • Топливная аппаратура  
      • ЯЗДА  
        • Распылители
        • ТНВД
        • Форсунки
        • Топливный насос низкого давления
        • Пары плунжерные
        • Муфта опережения впрыска топлива
        • Запчасти и комплектующие ТНВД
      • НЗТА
      • АЗПИ  
        • Распылители
        • Форсунки
      • BOSCH
    • Запчасти УРАЛ  
      • Трансмиссия  
        • Коробка раздаточная
        • Передача карданная
        • Мост задний
        • Мост передний (ведущий)
        • Мост средний (промежуточный)
      • Кузов  
        • Дверь кабины
        • Капот, крылья, облицовка радиатора
        • Окно ветровое и заднее
        • Отопление и вентиляция кабины
        • Кабина
      • Механизмы управления  
        • Управление рулевое
        • Тормоза
      • Дополнительное оборудование  
        • Отбор мощности
        • Устройство седельное
      • Электрооборудование
      • Ходовая часть  
        • Колеса и ступицы
        • Ось передняя
        • Подвеска автомобиля
        • Рама
    • Запчасти МАЗ  
      • Трансмиссия  
        • Мост задний
        • Мост передний (ведущий)
        • Передача карданная
        • Мост средний (промежуточный)
      • Кузов  
        • Кабина
        • Дверь кабины
        • Детали основания кабины
        • Окно ветровое и заднее
        • Платформа
      • Механизмы управления  
        • Тормоза
        • Управление рулевое
      • Ходовая часть  
        • Колеса и ступицы
        • Ось передняя
        • Подвеска автомобиля
        • Рама
    • Запчасти КамАЗ  
      • Кузов  
        • Кабина
        • Капот, крылья, облицовка радиатора
        • Дверь кабины
        • Платформа
        • Окно ветровое и заднее
        • Устройство подъемное и опрокидывающее
        • Сиденье
        • Крыша кабины (крыша кузова)
        • Отопление и вентиляция кабины
      • Трансмиссия  
        • Коробка передач
        • Коробка раздаточная
        • Мост задний
        • Сцепление
        • Мост средний (промежуточный)
        • Передача карданная
        • Мост передний (ведущий)
      • Двигатель  
        • Основные запчасти двигателя
        • Система охлаждения
        • Система питания
        • Система смазки
      • Дополнительное оборудование  
        • Отбор мощности
        • Устройство седельное
      • Ходовая часть  
        • Подвеска автомобиля
        • Рама
        • Колеса и ступицы
        • Ось передняя
      • Механизмы управления  
        • Тормоза
        • Управление рулевое
      • Электрооборудование
    • Запчасти ММЗ
    • Ремни
  • Справочник
    • Грузовые автомобили
    • Автобусы
    • Сельхозтехника
    • Спецтехника
    • Двигатели
  • Как купить
    • Условия оплаты
    • Условия доставки
    • Гарантия на товар
    • Пункты выдачи
  • Услуги
    • Капитальный ремонт двигателей ЯМЗ
  • Акции
  • Статьи
  • Контакты
  • Компания
    • Реквизиты
    • Магазины
    • Оплата
    • Доставка
    • Лицензии и сертификаты
    • Новости
    • Вакансии
Избранное 0 Корзина 0
8-800-700-35-68

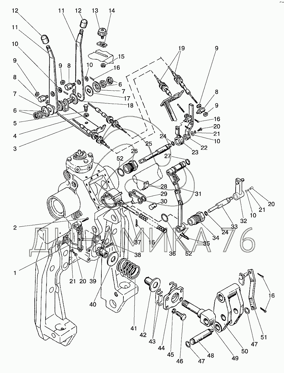
Управление гидроподъемником на 92П (до 2010 г.)

Справочник
Главная
-
Автокаталог
-
Сельхозтехника
-
МТЗ
-
92П
Справочный каталог

Управление гидроподъемником — 92П:

1221-4635010 820-4635005 820-4635020-A 820-4635060 820-4635090-Б 1 2 3 4 5 6 6 7 7 8 8 8 9 9 9 9 10 10 10 10 11 11 12 12 13 14 15 16 16 16 16 17 18 19 19 19 20 20 20 21 21 21 22 23 24 24 25 26 27 28 29 30 31 32 33 34 35 36 37 38 39 40 41 42 43 44 45 46 47 47 48 49 50 51 52 52
в наличии
нет в наличии
масштаб

В наличии
Нет в наличии

Перечень комплектующих от Управление гидроподъемником на 92П

Схемы запчастей предназначены для справочных целей! Мы продаем не все запчасти от Управление гидроподъемником на 92П, представленные в этом списке.
Наличие на складах по деталям с ценой смотрите в карточке товара.
Артикул: 1221-4635010
нет в наличии
Гидроподъемник
Количество на схеме: 1
Информация
Гидроподъемник
Количество
1
Примечание
1,2, 10, 20-52, рис. 46.13 поз. 1-37
Модель
1221
Подгруппа
4635
Порядковый номер детали
010
Артикул: 820-4635005
нет в наличии
Гидроподъемник
Количество на схеме: 1
Информация
Гидроподъемник
Количество
1
Примечание
3-19, 1221-4635010
Модель
820
Подгруппа
4635
Порядковый номер детали
005
Артикул: 820-4635020-A
нет в наличии
Датчик силовой
Количество на схеме: 1
Информация
Датчик силовой
Количество
1
Примечание
38-42, 44, 49
Модель
820
Подгруппа
4635
Порядковый номер детали
020
Дополнительно
Конструкция детали модернизирована, но сохранена взаимозаменяемость с ранее выпущенными
Артикул: 820-4635060
нет в наличии
Звено суммирующее
Количество на схеме: 1
Информация
Звено суммирующее
Количество
1
Примечание
16, 29, 30, 36, 37
Модель
820
Подгруппа
4635
Порядковый номер детали
060
Артикул: 820-4635090-Б
нет в наличии
Кронштейн
Количество на схеме: 1
Информация
Кронштейн
Количество
1
Примечание
3, 6,7, 11, 17
Модель
820
Подгруппа
4635
Порядковый номер детали
090
1
1
Артикул: 820-4635025
нет в наличии
Звено
Количество на схеме: 1
Информация
Звено
Количество
1
Модель
820
Подгруппа
4635
Порядковый номер детали
025
2
2
Артикул: 3,2x25-019
нет в наличии
Шплинт
Количество на схеме: 1
Информация
Шплинт
Количество
1
Примечание
ГОСТ 397-79
3
3
Артикул: 820-4635095-Б
нет в наличии
Кронштейн
Количество на схеме: 1
Информация
Кронштейн
Количество
1
Модель
820
Подгруппа
4635
Порядковый номер детали
095
4
4
Артикул: Шайба8Т
нет в наличии
Шайба 8Т
Количество на схеме: 4
Информация
Шайба 8Т
Количество
4
Примечание
ОСТ 37.001.115-75
5
5
Артикул: M8-6gx20-88-35-019
нет в наличии
Болт
Количество на схеме: 4
Информация
Болт
Количество
4
Примечание
ГОСТ 7796-70
6
6
Артикул: М14х1,5-6Н-6-019
нет в наличии
Гайка
Количество на схеме: 4
Информация
Гайка
Количество
4
Примечание
ГОСТ 5915-70
7
7
Артикул: 80B-1108347
нет в наличии
Пружина тарельчатая
Количество на схеме: 2
Информация
Пружина тарельчатая
Количество
2
Модель
80B
Группа
Cистема питания двигателя
Подгруппа
Управление карбюратором (акселератор - управление подачей топлива)
Порядковый номер детали
347
8
8
Артикул: 80B-1108317
нет в наличии
Бонка
Количество на схеме: 4
Информация
Бонка
Количество
4
Модель
80B
Группа
Cистема питания двигателя
Подгруппа
Управление карбюратором (акселератор - управление подачей топлива)
Порядковый номер детали
317
9
9
Артикул: М6-6Н-6-019
нет в наличии
Гайка
Количество на схеме: 8
Информация
Гайка
Количество
8
Примечание
ГОСТ 5915-70
10
10
Артикул: С6-01-019
нет в наличии
Шайба
Количество на схеме: 4
Информация
Шайба
Количество
4
Примечание
ГОСТ 6958-78
11
11
Артикул: 820-4635100-Б
нет в наличии
Рычаг позиционный
Количество на схеме: 2
Информация
Рычаг позиционный
Количество
2
Модель
820
Подгруппа
4635
Порядковый номер детали
100
12
12
Артикул: A13-11-000
нет в наличии
Рукоятка
Количество на схеме: 2
Информация
Рукоятка
Количество
2
13
13
Артикул: 80-4616070
нет в наличии
Винт
Количество на схеме: 1
Информация
Винт
Количество
1
Модель
80
Подгруппа
4616
Порядковый номер детали
070
14
14
Артикул: 820-4635082
нет в наличии
Упор
Количество на схеме: 1
Информация
Упор
Количество
1
Модель
820
Подгруппа
4635
Порядковый номер детали
082
15
15
Артикул: M6-6H-019
нет в наличии
Гайка
Количество на схеме: 1
Информация
Гайка
Количество
1
Примечание
ТУ 23.1.505-91
16
16
Артикул: Шплинт3,2x18-019
нет в наличии
Шплинт
Количество на схеме: 7
Информация
Шплинт
Количество
7
Примечание
ГОСТ 397-79
17
17
Артикул: 80-1108028
нет в наличии
Шайба
Количество на схеме: 2
Информация
Шайба
Количество
2
Модель
80
Группа
Cистема питания двигателя
Подгруппа
Управление карбюратором (акселератор - управление подачей топлива)
Порядковый номер детали
028
18
18
Артикул: 80-1108178
нет в наличии
Шайба фрикционная
Количество на схеме: 2
Информация
Шайба фрикционная
Количество
2
Модель
80
Группа
Cистема питания двигателя
Подгруппа
Управление карбюратором (акселератор - управление подачей топлива)
Порядковый номер детали
178
19
19
Артикул: 100-М4322-00900
нет в наличии
Трос
Количество на схеме: 2
Информация
Трос
Количество
2
19
19
Артикул: 23-588-1-1-2-00-01-01
нет в наличии
Трос
Количество на схеме: 2
Информация
Трос
Количество
2
19
19
Артикул: 772-L-TТ-75-900
нет в наличии
Трос дистанционного управления
Количество на схеме: 2
Информация
Трос дистанционного управления
Количество
2
20
20
Артикул: M6-6gx16-88-35-019
нет в наличии
Болт
Количество на схеме: 6
Информация
Болт
Количество
6
Примечание
ГОСТ 7798-70
21
21
Артикул: Шайба6Т
нет в наличии
Шайба
Количество на схеме: 6
Информация
Шайба
Количество
6
Примечание
ОСТ 37.001.115-75
22
22
Артикул: 820-4635080
нет в наличии
Рычаг
Количество на схеме: 1
Информация
Рычаг
Количество
1
Модель
820
Подгруппа
4635
Порядковый номер детали
080
23
23
Артикул: 820-4635075
нет в наличии
Рычаг
Количество на схеме: 1
Информация
Рычаг
Количество
1
Модель
820
Подгруппа
4635
Порядковый номер детали
075
24
24
Артикул: 011-015-25-2-4
нет в наличии
Кольцо
Количество на схеме: 2
Информация
Кольцо
Количество
2
Примечание
ГОСТ 18829-73, 9833-73
25
25
Артикул: 820-4635034
нет в наличии
Валик
Количество на схеме: 1
Информация
Валик
Количество
1
Модель
820
Подгруппа
4635
Порядковый номер детали
034
26
26
Артикул: 820-4635033-Б
нет в наличии
Втулка
Количество на схеме: 1
Информация
Втулка
Количество
1
Модель
820
Подгруппа
4635
Порядковый номер детали
033
27
27
Артикул: 019-023-25-2-4
нет в наличии
Кольцо
Количество на схеме: 1
Информация
Кольцо
Количество
1
Примечание
ГОСТ 18829-73, 9833-73
28
28
Артикул: 820-4635046
нет в наличии
Скоба
Количество на схеме: 1
Информация
Скоба
Количество
1
Модель
820
Подгруппа
4635
Порядковый номер детали
046
29
29
Артикул: 820-4635070
нет в наличии
Рычаг
Количество на схеме: 1
Информация
Рычаг
Количество
1
Модель
820
Подгруппа
4635
Порядковый номер детали
070
30
30
Артикул: 820-4635069
нет в наличии
Фиксатор
Количество на схеме: 1
Информация
Фиксатор
Количество
1
Модель
820
Подгруппа
4635
Порядковый номер детали
069
31
31
Артикул: 820-4635030
нет в наличии
Звено
Количество на схеме: 1
Информация
Звено
Количество
1
Модель
820
Подгруппа
4635
Порядковый номер детали
030
32
32
Артикул: 820-4635015-Б
нет в наличии
Рычаг
Количество на схеме: 1
Информация
Рычаг
Количество
1
Модель
820
Подгруппа
4635
Порядковый номер детали
015
33
33
Артикул: 820-4635016-B
нет в наличии
Валик
Количество на схеме: 1
Информация
Валик
Количество
1
Модель
820
Подгруппа
4635
Порядковый номер детали
016
Дополнительно
деталь новой конструкций НЕ взаимозаменяема с деталями прежних конструкций
34
34
Артикул: 820-4635032-Б
нет в наличии
Втулка
Количество на схеме: 1
Информация
Втулка
Количество
1
Модель
820
Подгруппа
4635
Порядковый номер детали
032
35
35
Артикул: 820-4635049
нет в наличии
Шплинт
Количество на схеме: 1
Информация
Шплинт
Количество
1
Модель
820
Подгруппа
4635
Порядковый номер детали
049
36
36
Артикул: 820-4635063
нет в наличии
Пружина
Количество на схеме: 1
Информация
Пружина
Количество
1
Модель
820
Подгруппа
4635
Порядковый номер детали
063
37
37
Артикул: 820-4635065
нет в наличии
Кронштейн
Количество на схеме: 1
Информация
Кронштейн
Количество
1
Модель
820
Подгруппа
4635
Порядковый номер детали
065
38
38
Артикул: Шплинт4x22-019
нет в наличии
Шплинт
Количество на схеме: 1
Информация
Шплинт
Количество
1
Примечание
ГОСТ 397-79
39
39
Артикул: 820-4635024
нет в наличии
Гайка
Количество на схеме: 1
Информация
Гайка
Количество
1
Модель
820
Подгруппа
4635
Порядковый номер детали
024
40
40
Артикул: 820-4635023
нет в наличии
Шайба
Количество на схеме: 1
Информация
Шайба
Количество
1
Модель
820
Подгруппа
4635
Порядковый номер детали
023
41
41
Артикул: 820-4635022
нет в наличии
Пружина
Количество на схеме: 1
Информация
Пружина
Количество
1
Модель
820
Подгруппа
4635
Порядковый номер детали
022
42
42
Артикул: 820-4635026-Б
нет в наличии
Втулка
Количество на схеме: 1
Информация
Втулка
Количество
1
Модель
820
Подгруппа
4635
Порядковый номер детали
026
43
43
Артикул: 820-4635044-Б
нет в наличии
Прокладка
Количество на схеме: 4
Информация
Прокладка
Количество
4
Модель
820
Подгруппа
4635
Порядковый номер детали
044
44
44
Артикул: 820-4635043-Б
нет в наличии
Крышка
Количество на схеме: 1
Информация
Крышка
Количество
1
Модель
820
Подгруппа
4635
Порядковый номер детали
043
45
45
Артикул: Шайба12-ОТ
нет в наличии
Шайба
Количество на схеме: 4
Информация
Шайба
Количество
4
Примечание
ОСТ 37.001.115-75
46
46
Артикул: М12-6gх30-88-35-019
нет в наличии
Болт
Количество на схеме: 4
Информация
Болт
Количество
4
Примечание
ГОСТ 7796-70
47
47
Артикул: С22
нет в наличии
Кольцо
Количество на схеме: 2
Информация
Кольцо
Количество
2
Примечание
ГОСТ 13940-86
48
48
Артикул: 820-4635018
нет в наличии
Палец
Количество на схеме: 1
Информация
Палец
Количество
1
Модель
820
Подгруппа
4635
Порядковый номер детали
018
49
49
Артикул: 820-4635021
нет в наличии
Шток
Количество на схеме: 1
Информация
Шток
Количество
1
Модель
820
Подгруппа
4635
Порядковый номер детали
021
50
50
Артикул: 820-4635019
нет в наличии
Серьга
Количество на схеме: 1
Информация
Серьга
Количество
1
Модель
820
Подгруппа
4635
Порядковый номер детали
019
51
51
Артикул: 820-4635048
нет в наличии
Тяга
Количество на схеме: 1
Информация
Тяга
Количество
1
Модель
820
Подгруппа
4635
Порядковый номер детали
048
52
52
Артикул: 027-032-30-1-4
нет в наличии
Кольцо
Количество на схеме: 2
Информация
Кольцо
Количество
2
Примечание
ГОСТ 18829-73, 9833-73
  • Грузовые автомобили
  • Автобусы
  • Сельхозтехника
  • Спецтехника
  • Двигатели
Получить оптовый прайс-лист
Скачать прайс-лист от 26.05.2026 16:00
Специальное предложение от 26.05.2026 17:00
Производители:


  • WEICHAI
  • Автодизель ПАО (ЯМЗ)
  • Тутаевский МЗ
  • ЯЗДА
  • УралАЗ
  • МАЗ
  • АЗПИ
  • BOSCH
  • ММЗ
  • ШААЗ
  • FEDERAL MOGUL
  • ПРАМО
  • Мотордеталь
  • ТАИМ
  • АвтоКрАЗ
  • БЕЛКАРД
  • CZ Strakonice
  • КамАЗ
  • БЗА
  • ЧМЗ
  • BMZ
Новости
Все новости
25 марта 2024
Флагманский седельный тягач «Валдай 45» на выставке «TransRussia»
10 марта 2024
Современные автобусы «CITYMAX 9» и ЛиАЗ-5292 CNG
25 февраля 2024
Серийное производство средних дизельных двигателей повышенной мощности от ЯМЗ
Статьи
Все статьи
Датчики двигателя: за что они отвечают, признаки неисправности и как не прогадать с выбором
Двигатели ЯМЗ-534: история, технические характеристики и области применения
Двигатели ЯМЗ 650: углублённый технический обзор и история
Компания
О компании
Реквизиты
Новости
Политика
Магазины
Информация
Условия оплаты
Условия доставки
Гарантия на товар
Обмен и возврат товара
Помощь
Как оформить заказ
Полезные статьи
Бренды
Пункты выдачи
Оставайтесь на связи
  • Вконтакте
  • YouTube
  • Одноклассники
  • Google Plus
Увидели ошибку?
Выделите, нажав Ctrl + Enter
Наши контакты
8-800-700-35-68
sales@din76.ru
г. Ярославль, Ленинградский пр-т 33, ТЦ "ОМЕГА"
2026 © ООО «Динамика 76» - Все права защищены ООО "Динамика 76"
Предложения на сайте не являются публичной офертой.
На сайте обнаружена ошибка

Текст с ошибкой