Избранное 0 Корзина 0 Личный кабинет
logo
Каталог
Каталог
  • Справочник
    • Грузовые автомобили
    • Автобусы
    • Сельхозтехника
    • Спецтехника
    • Двигатели
  • Доставка
  • Оплата
  • О компании
    • Реквизиты
    • Магазины
    • Оплата
    • Доставка
    • Лицензии и сертификаты
    • Новости
    • Вакансии
  • Контакты
Отправить заявку
Личный кабинет
8 (800) 700-35-68
sales@din76.ru
Избранное 0 Корзина 0
8 (800) 700-35-68
Оптовый прайс-лист
Каталог
  • Двигатели
  • Запчасти WEICHAI
  • Запчасти ЯМЗ, ТМЗ (V-образные)
  • Запчасти ЯМЗ-534, ЯМЗ-536
  • Запчасти ЯМЗ-650, ЯМЗ-651, DCi-11
  • Топливная аппаратура
  • Запчасти УРАЛ
  • Запчасти МАЗ
  • Запчасти КамАЗ
  • Запчасти ММЗ
  • Ремни
Автокаталог (справочник)
  • Доставка
  • Оплата
  • О компании
  • Контакты
8 (800) 700-35-68
Написать в Whatsapp
sales@din76.ru
Динамика 76
Меню  
  • Каталог
    • Двигатели  
      • Двигатели ТМЗ  
        • Двигатели ТМЗ для автомобилей
        • Двигатели ТМЗ для тракторов
        • Специальные двигатели ТМЗ
        • Промышленные двигатели ТМЗ
      • Двигатели ЯМЗ  
        • ЯМЗ 236
        • ЯМЗ 238
        • ЯМЗ 240
        • ЯМЗ 751
        • ЯМЗ 840
        • ЯМЗ 850
        • ЯМЗ 656
        • ЯМЗ 658
        • ЯМЗ 534
        • ЯМЗ 536
        • ЯМЗ 650
        • Двигатели ЯМЗ для электростанций
      • Двигатели КАМАЗ
      • Двигатели ММЗ
      • Двигатели индивидуальной сборки
      • Комплекты переоборудования
    • Запчасти WEICHAI  
      • Основные запчасти двигателя  
        • Клапаны и толкатели
        • Шатуны
        • Вал коленчатый и маховик
        • Вал распределительный
        • Цилиндро-поршневая группа
      • Система питания  
        • Форсунки
        • Турбокомпрессор
      • Система смазки  
        • Насос масляный
      • Головка блока
      • Ремкомплекты
      • Система охлаждения  
        • Насос водяной
        • Муфта вязкостная и крыльчатка
      • Фильтры
      • Электрооборудование  
        • Генератор
        • Стартер
    • Запчасти ЯМЗ, ТМЗ (V-образные)  
      • Основные запчасти двигателя  
        • Блок двигателя и комплектующие
        • Валы распределительные и клапаны
        • Головка блока и комплектующие
        • Цилиндро-поршневая группа
        • Маховики и комплектующие
        • Валы коленчатые и комплектующие
        • Шатуны и комплектующие
      • Система питания  
        • Коллекторы и патрубки
        • Топливные трубопроводы
        • Турбокомпрессор
        • Топливные фильтры
      • Электрооборудование двигателя
      • Система охлаждения  
        • Вязкостные муфты и крыльчатки
        • Приводы вентилятора
        • Водяные насосы
        • Водяные трубы и термостаты
      • Коробки переключения передач  
        • 8 Ступенчатые КПП
        • 5 Ступенчатые КПП
        • 9 Ступенчатые КПП
        • Запасные части КПП ЯМЗ, ТМЗ
      • Система смазки  
        • Теплообменник и комплектующие
        • Масляные насосы
        • Фильтры масляные (ФГОМ, ФЦОМ)
      • Сцепление  
        • Запасные части механизма сцепления
        • Муфты (подшипники выжимные)
        • Корзины (диски нажимные)
        • Диски ведомые
      • Прочие запчасти двигателя  
        • Ремкомплекты
        • Привод агрегатов
        • Натяжные устройства
        • Трубки
    • Запчасти ЯМЗ-534, ЯМЗ-536  
      • Основные запчасти двигателя  
        • Цилиндро-поршневая группа
        • Головка блока цилиндров и комплектующие
        • Блок цилиндров и комплектующие
        • Вал коленчатый и маховик
        • Вал распределительный
        • Клапаны и толкатели
        • ГУР (Гидроусилитель руля)
        • Система рециркуляции отработавших газов
        • Выпускной коллектор
      • Система питания  
        • Коллекторы и патрубки
        • Топливные фильтры
        • Турбокомпрессор
        • Топливные трубопроводы
      • Система смазки  
        • Масляный картер поддон
        • Масляный насос
        • Теплообменник /Водо-масляный радиатор
        • Фильтры масляные (ФГОМ, ФЦОМ)
      • Пневмокомпрессор и натяжное
      • Система охлаждения  
        • Водяной насос
        • Водяные трубы и патрубки
        • Муфты вязкостные, приводы, крыльчатки
      • Ремкомплекты
      • Сцепление
      • Электрооборудование
    • Запчасти ЯМЗ-650, ЯМЗ-651, DCi-11  
      • Основные запчасти двигателя  
        • Цилиндро-поршневая группа
        • Головка блока цилиндров и комплектующие
        • Блок цилиндров и комплектующие
        • Вал коленчатый и маховик
        • Выпускной коллектор
        • Вал распределительный
        • Клапаны и толкатели
        • ГУР (Гидроусилитель руля)
        • Система рециркуляции отработавших газов
      • Система питания  
        • Коллекторы и патрубки
        • Топливные трубопроводы
        • Топливные фильтры
        • Турбокомпрессор
      • Система смазки  
        • Масляный картер / поддон
        • Масляный насос
        • Теплообменник / Водо-масляный радиатор
        • Фильтры масляные (ФГОМ, ФЦОМ)
      • Система охлаждения  
        • Водяной насос
        • Водяные трубы и патрубки
        • Муфты вязкостные, приводы, крыльчатки
      • Ремкомплекты
      • Пневмокомпрессор и натяжное
      • Электрооборудование
      • Сцепление
    • Топливная аппаратура  
      • ЯЗДА  
        • Распылители
        • ТНВД
        • Форсунки
        • Топливный насос низкого давления
        • Пары плунжерные
        • Муфта опережения впрыска топлива
        • Запчасти и комплектующие ТНВД
      • НЗТА
      • АЗПИ  
        • Распылители
        • Форсунки
      • BOSCH
    • Запчасти УРАЛ  
      • Трансмиссия  
        • Коробка раздаточная
        • Передача карданная
        • Мост задний
        • Мост передний (ведущий)
        • Мост средний (промежуточный)
      • Кузов  
        • Дверь кабины
        • Капот, крылья, облицовка радиатора
        • Окно ветровое и заднее
        • Отопление и вентиляция кабины
        • Кабина
      • Механизмы управления  
        • Управление рулевое
        • Тормоза
      • Дополнительное оборудование  
        • Отбор мощности
        • Устройство седельное
      • Электрооборудование
      • Ходовая часть  
        • Колеса и ступицы
        • Ось передняя
        • Подвеска автомобиля
        • Рама
    • Запчасти МАЗ  
      • Трансмиссия  
        • Мост задний
        • Мост передний (ведущий)
        • Передача карданная
        • Мост средний (промежуточный)
      • Кузов  
        • Кабина
        • Дверь кабины
        • Детали основания кабины
        • Окно ветровое и заднее
        • Платформа
      • Механизмы управления  
        • Тормоза
        • Управление рулевое
      • Ходовая часть  
        • Колеса и ступицы
        • Ось передняя
        • Подвеска автомобиля
        • Рама
    • Запчасти КамАЗ  
      • Кузов  
        • Кабина
        • Капот, крылья, облицовка радиатора
        • Дверь кабины
        • Платформа
        • Окно ветровое и заднее
        • Устройство подъемное и опрокидывающее
        • Сиденье
        • Крыша кабины (крыша кузова)
        • Отопление и вентиляция кабины
      • Трансмиссия  
        • Коробка передач
        • Коробка раздаточная
        • Мост задний
        • Сцепление
        • Мост средний (промежуточный)
        • Передача карданная
        • Мост передний (ведущий)
      • Двигатель  
        • Основные запчасти двигателя
        • Система охлаждения
        • Система питания
        • Система смазки
      • Дополнительное оборудование  
        • Отбор мощности
        • Устройство седельное
      • Ходовая часть  
        • Подвеска автомобиля
        • Рама
        • Колеса и ступицы
        • Ось передняя
      • Механизмы управления  
        • Тормоза
        • Управление рулевое
      • Электрооборудование
    • Запчасти ММЗ
    • Ремни
  • Справочник
    • Грузовые автомобили
    • Автобусы
    • Сельхозтехника
    • Спецтехника
    • Двигатели
  • Как купить
    • Условия оплаты
    • Условия доставки
    • Гарантия на товар
    • Пункты выдачи
  • Услуги
    • Капитальный ремонт двигателей ЯМЗ
  • Акции
  • Статьи
  • Контакты
  • Компания
    • Реквизиты
    • Магазины
    • Оплата
    • Доставка
    • Лицензии и сертификаты
    • Новости
    • Вакансии
Избранное 0 Корзина 0
8-800-700-35-68

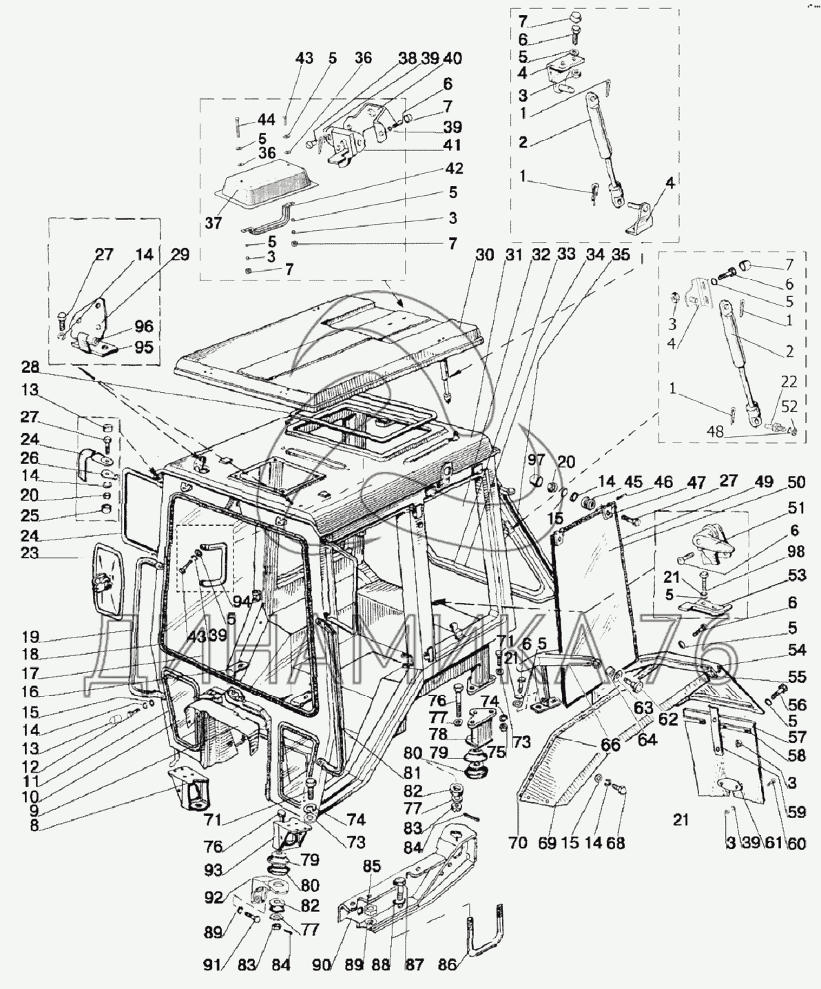
Кабина трактора. Крылья задние на 892 (до 2011 г.)

Справочник
Главная
-
Автокаталог
-
Сельхозтехника
-
МТЗ
-
892
Справочный каталог

Кабина трактора. Крылья задние — 892:

80-6700010-Б 80-6708210 80-6708900-03 1 1 1 1 2 2 3 3 3 3 3 3 4 4 4 5 5 5 5 5 5 5 5 5 5 5 6 6 6 6 6 6 7 7 7 7 7 8 9 10 10 11 12 13 13 14 14 14 14 14 15 15 15 16 17 17 18 19 20 20 21 21 21 22 23 24 24 25 26 27 27 27 28 29 30 31 32 32 33 34 35 36 36 37 38 39 39 39 39 40 41 42 43 43 44 45 46 47 48 49 50 50 51 52 52 53 54 54 55 56 57 58 59 60 61 62 63 64 65 66 67 68 69 69 70 71 71 73 73 74 74 75 76 76 77 77 77 78 78 79 79 80 80 81 82 82 83 83 84 84 85 86 87 87 88 89 89 90 90 91 92 92 93 94 95 96 97 98
в наличии
нет в наличии
масштаб

В наличии
Нет в наличии

Перечень комплектующих от Кабина трактора. Крылья задние на 892

Схемы запчастей предназначены для справочных целей! Мы продаем не все запчасти от Кабина трактора. Крылья задние на 892, представленные в этом списке.
Наличие на складах по деталям с ценой смотрите в карточке товара.
Артикул: 80-6700010-Б
нет в наличии
Кабина в сборе
Количество на схеме: 1
Информация
Кабина в сборе
Количество
1
Модель
80
Подгруппа
6700
Порядковый номер детали
010
Артикул: 80-6708210
нет в наличии
Рамка в сборе
Количество на схеме: 1
Информация
Рамка в сборе
Количество
1
Примечание
поз. 32-35
Модель
80
Подгруппа
6708
Порядковый номер детали
210
Артикул: 80-6708900-03
нет в наличии
Стекло в сборе
Количество на схеме: 2
Информация
Стекло в сборе
Количество
2
Примечание
поз. 13, 14, 19, 24, 45, 47-50
Модель
80
Подгруппа
6708
Порядковый номер детали
900
1
1
Артикул: Шплинт3,2х18-019
нет в наличии
Шплинт
Количество на схеме: 8
Информация
Шплинт
Количество
8
Примечание
ГОСТ 397-79
2
2
Артикул: 6700-01
нет в наличии
Пневмоподъемник
Количество на схеме: 4
Информация
Пневмоподъемник
Количество
4
3
3
Артикул: М6-6Н-6-019
нет в наличии
Гайка
Количество на схеме: 22
Информация
Гайка
Количество
22
Примечание
ГОСТ 5915-70
4
4
Артикул: 80-6708225
нет в наличии
Кронштейн
Количество на схеме: 6
Информация
Кронштейн
Количество
6
Модель
80
Подгруппа
6708
Порядковый номер детали
225
5
5
Артикул: С6-01-019
нет в наличии
Шайба
Количество на схеме: 32
Информация
Шайба
Количество
32
Примечание
ГОСТ 11371-78
6
6
Артикул: М6-6gx20-88-35-019
нет в наличии
Болт
Количество на схеме: 30
Информация
Болт
Количество
30
Примечание
ГОСТ 7798-70
7
7
Артикул: А30-04-017
нет в наличии
Колпачок
Количество на схеме: 8
Информация
Колпачок
Количество
8
8
8
Артикул: 80-6700031-Б-01
нет в наличии
Кронштейн правый
Количество на схеме: 1
Информация
Кронштейн правый
Количество
1
Модель
80
Подгруппа
6700
Порядковый номер детали
031
9
9
Артикул: 85-6703056
нет в наличии
Вставка
Количество на схеме: 1
Информация
Вставка
Количество
1
Модель
85
Подгруппа
6703
Порядковый номер детали
056
10
10
Артикул: 80-6703012-А
нет в наличии
Стекло
Количество на схеме: 2
Информация
Стекло
Количество
2
Модель
80
Подгруппа
6703
Порядковый номер детали
012
10
10
Артикул: 80-6703012-А1
нет в наличии
Стекло
Количество на схеме: 2
Информация
Стекло
Количество
2
Модель
80
Подгруппа
6703
Порядковый номер детали
012
11
11
Артикул: А37-08-043
нет в наличии
Уплотнитель
Количество на схеме: 2
Информация
Уплотнитель
Количество
2
12
12
Артикул: М8-6gx20-88-35-019
нет в наличии
Болт
Количество на схеме: 4
Информация
Болт
Количество
4
Примечание
ГОСТ 7796-70
13
13
Артикул: А30-04-017-01
нет в наличии
Колпачок
Количество на схеме: 4
Информация
Колпачок
Количество
4
14
14
Артикул: Шайба8Т
нет в наличии
Шайба 8Т
Количество на схеме: 24
Информация
Шайба 8Т
Количество
24
Примечание
ОСТ 37.001.115-75
15
15
Артикул: С8-01-019
нет в наличии
Шайба
Количество на схеме: 22
Информация
Шайба
Количество
22
Примечание
ГОСТ 11371-78
16
16
Артикул: 80-3805030
нет в наличии
Кронштейн
Количество на схеме: 2
Информация
Кронштейн
Количество
2
Модель
80
Группа
Приборы
Подгруппа
Щиток прибора
Порядковый номер детали
030
17
17
Артикул: 80-6703011-А
нет в наличии
Стекло
Количество на схеме: 1
Информация
Стекло
Количество
1
Модель
80
Подгруппа
6703
Порядковый номер детали
011
17
17
Артикул: 80-6703011-А1
нет в наличии
Стекло
Количество на схеме: 1
Информация
Стекло
Количество
1
Модель
80
Подгруппа
6703
Порядковый номер детали
011
18
18
Артикул: А37-08-043-01
нет в наличии
Уплотнитель
Количество на схеме: 1
Информация
Уплотнитель
Количество
1
Примечание
L=4200 mm
19
19
Артикул: 80-6703112-А
нет в наличии
Поручень правый
Количество на схеме: 1
Информация
Поручень правый
Количество
1
Примечание
правый
Модель
80
Подгруппа
6703
Порядковый номер детали
112
20
20
Артикул: М8-6Н-6-019
нет в наличии
Гайка
Количество на схеме: 8
Информация
Гайка
Количество
8
Примечание
ГОСТ 5915-70
21
21
Артикул: Шайба6Т
нет в наличии
Шайба
Количество на схеме: 8
Информация
Шайба
Количество
8
Примечание
ОСТ 37.001.115-75
22
22
Артикул: 85-6701033
нет в наличии
Палец
Количество на схеме: 2
Информация
Палец
Количество
2
Модель
85
Подгруппа
6701
Порядковый номер детали
033
23
23
Артикул: 80-8201050
нет в наличии
Зеркало наружное
Количество на схеме: 2
Информация
Зеркало наружное
Количество
2
Модель
80
Группа
Принадлежности кабины
Подгруппа
Зеркало заднего вида
Порядковый номер детали
050
24
24
Артикул: 80-8201106-Б
нет в наличии
Труба
Количество на схеме: 2
Информация
Труба
Количество
2
Модель
80
Группа
Принадлежности кабины
Подгруппа
Зеркало заднего вида
Порядковый номер детали
106
25
25
Артикул: А30-04-017-02
нет в наличии
Колпачок
Количество на схеме: 4
Информация
Колпачок
Количество
4
26
26
Артикул: 80-8201107
нет в наличии
Шайба
Количество на схеме: 4
Информация
Шайба
Количество
4
Модель
80
Группа
Принадлежности кабины
Подгруппа
Зеркало заднего вида
Порядковый номер детали
107
27
27
Артикул: М8-6gx30-88-35-019
нет в наличии
Болт
Количество на схеме: 8
Информация
Болт
Количество
8
Примечание
ГОСТ 7796-70
28
28
Артикул: А37-08-045
нет в наличии
Уплотнитель
Количество на схеме: 1
Информация
Уплотнитель
Количество
1
29
29
Артикул: 80-6707010-Б
нет в наличии
Петля
Количество на схеме: 2
Информация
Петля
Количество
2
Модель
80
Подгруппа
6707
Порядковый номер детали
010
30
30
Артикул: 80-6707025
нет в наличии
Крыша в сборе
Количество на схеме: 1
Информация
Крыша в сборе
Количество
1
Примечание
пластмассовая
Модель
80
Подгруппа
6707
Порядковый номер детали
025
31
31
Артикул: 80-6700020-Б
нет в наличии
Кабина
Количество на схеме: 1
Информация
Кабина
Количество
1
Примечание
каркас сварной
Модель
80
Подгруппа
6700
Порядковый номер детали
020
32
32
Артикул: 80-6708211-А
нет в наличии
Стекло
Количество на схеме: 1
Информация
Стекло
Количество
1
Модель
80
Подгруппа
6708
Порядковый номер детали
211
32
32
Артикул: 80-6708211-А1
нет в наличии
Стекло
Количество на схеме: 1
Информация
Стекло
Количество
1
Модель
80
Подгруппа
6708
Порядковый номер детали
211
33
33
Артикул: 80-6708215
нет в наличии
Рамка
Количество на схеме: 1
Информация
Рамка
Количество
1
Модель
80
Подгруппа
6708
Порядковый номер детали
215
34
34
Артикул: А34-08-043-05
нет в наличии
Уплотнитель
Количество на схеме: 1
Информация
Уплотнитель
Количество
1
35
35
Артикул: 80-6700021-01
нет в наличии
Профиль L=4080 мм
Количество на схеме: 1
Информация
Профиль L=4080 мм
Количество
1
Модель
80
Подгруппа
6700
Порядковый номер детали
021
36
36
Артикул: 549А-1305044
нет в наличии
Кольцо
Количество на схеме: 2
Информация
Кольцо
Количество
2
Модель
549А
Группа
Система охлаждения
Подгруппа
Кран сливной
Порядковый номер детали
044
37
37
Артикул: 80-6707082
нет в наличии
Облицовка
Количество на схеме: 1
Информация
Облицовка
Количество
1
Модель
80
Подгруппа
6707
Порядковый номер детали
082
38
38
Артикул: В-М6-6gx12-58-019
нет в наличии
Винт
Количество на схеме: 2
Информация
Винт
Количество
2
Примечание
ГОСТ 17473-80
39
39
Артикул: С6-01-019
нет в наличии
Шайба
Количество на схеме: 10
Информация
Шайба
Количество
10
Примечание
ГОСТ 6958-78
40
40
Артикул: 80-6707075
нет в наличии
Кронштейн
Количество на схеме: 1
Информация
Кронштейн
Количество
1
Модель
80
Подгруппа
6707
Порядковый номер детали
075
41
41
Артикул: А37-09-010
нет в наличии
Защелка
Количество на схеме: 1
Информация
Защелка
Количество
1
42
42
Артикул: 80-6707080
нет в наличии
Поручень
Количество на схеме: 1
Информация
Поручень
Количество
1
Модель
80
Подгруппа
6707
Порядковый номер детали
080
43
43
Артикул: В-М6-6gx20-58-019
нет в наличии
Винт
Количество на схеме: 3
Информация
Винт
Количество
3
Примечание
ГОСТ 17473-80
44
44
Артикул: В-М5-6gx50-58-019
нет в наличии
Винт
Количество на схеме: 1
Информация
Винт
Количество
1
Примечание
ГОСТ 17473-80
45
45
Артикул: 80-6708903
нет в наличии
Втулка
Количество на схеме: 4
Информация
Втулка
Количество
4
Модель
80
Подгруппа
6708
Порядковый номер детали
903
46
46
Артикул: Палец8х65
нет в наличии
Палец
Количество на схеме: 4
Информация
Палец
Количество
4
Примечание
ОСТ 37.001.163-75
47
47
Артикул: 80-6708902
нет в наличии
Петля
Количество на схеме: 4
Информация
Петля
Количество
4
Модель
80
Подгруппа
6708
Порядковый номер детали
902
48
48
Артикул: 10-ОТ
нет в наличии
Шайба
Количество на схеме: 2
Информация
Шайба
Количество
2
Примечание
ОСТ 37.001.115-75
49
49
Артикул: F-202
нет в наличии
Уплотнитель
Количество на схеме: 2
Информация
Уплотнитель
Количество
2
50
50
Артикул: 1221-6708901-А
нет в наличии
Стекло
Количество на схеме: 2
Информация
Стекло
Количество
2
Модель
1221
Подгруппа
6708
Порядковый номер детали
901
50
50
Артикул: 1221-6708901-А1
нет в наличии
Стекло
Количество на схеме: 2
Информация
Стекло
Количество
2
Модель
1221
Подгруппа
6708
Порядковый номер детали
901
51
51
Артикул: А37-05-025
нет в наличии
Фиксатор
Количество на схеме: 1
Информация
Фиксатор
Количество
1
52
52
Артикул: С10-01-019
нет в наличии
Шайба
Количество на схеме: 2
Информация
Шайба
Количество
2
Примечание
ГОСТ 6958-78
52
52
Артикул: С10-01-019
нет в наличии
Шайба
Количество на схеме: 2
Информация
Шайба
Количество
2
Примечание
ГОСТ 6958-78
53
53
Артикул: А37-05-021-Б
нет в наличии
Кронштейн
Количество на схеме: 1
Информация
Кронштейн
Количество
1
54
54
Артикул: 80-8404020-Б
нет в наличии
Закрылок левый
Количество на схеме: 1
Информация
Закрылок левый
Количество
1
Модель
80
Группа
Оперение
Подгруппа
Крыло заднее
Порядковый номер детали
020
54
54
Артикул: 80-8404020-Б-01
нет в наличии
Закрылок правый
Количество на схеме: 1
Информация
Закрылок правый
Количество
1
Модель
80
Группа
Оперение
Подгруппа
Крыло заднее
Порядковый номер детали
020
55
55
Артикул: 80-8404014-А
нет в наличии
Уплотнитель
Количество на схеме: 2
Информация
Уплотнитель
Количество
2
Модель
80
Группа
Оперение
Подгруппа
Крыло заднее
Порядковый номер детали
014
56
56
Артикул: М6-6gx20-88-35-019
нет в наличии
Болт
Количество на схеме: 12
Информация
Болт
Количество
12
Примечание
ГОСТ 7798-70
57
57
Артикул: 85-8404040-А
нет в наличии
Брызговик
Количество на схеме: 2
Информация
Брызговик
Количество
2
Модель
85
Группа
Оперение
Подгруппа
Крыло заднее
Порядковый номер детали
040
58
58
Артикул: 80-8404032
нет в наличии
Пластина
Количество на схеме: 4
Информация
Пластина
Количество
4
Модель
80
Группа
Оперение
Подгруппа
Крыло заднее
Порядковый номер детали
032
59
59
Артикул: 80-8404031-Б
нет в наличии
Пружина
Количество на схеме: 2
Информация
Пружина
Количество
2
Модель
80
Группа
Оперение
Подгруппа
Крыло заднее
Порядковый номер детали
031
60
60
Артикул: В-М6-6gx16-58-019
нет в наличии
Винт
Количество на схеме: 4
Информация
Винт
Количество
4
Примечание
ГОСТ 17473-80
61
61
Артикул: 80-8404034-А
нет в наличии
Пластина
Количество на схеме: 2
Информация
Пластина
Количество
2
Модель
80
Группа
Оперение
Подгруппа
Крыло заднее
Порядковый номер детали
034
62
62
Артикул: 80-6708975
нет в наличии
Винт
Количество на схеме: 2
Информация
Винт
Количество
2
Модель
80
Подгруппа
6708
Порядковый номер детали
975
63
63
Артикул: 80-6708904
нет в наличии
Прокладка
Количество на схеме: 2
Информация
Прокладка
Количество
2
Модель
80
Подгруппа
6708
Порядковый номер детали
904
64
64
Артикул: А37-01-041
нет в наличии
Втулка
Количество на схеме: 2
Информация
Втулка
Количество
2
65
65
Артикул: А37-04-053
нет в наличии
Гайка
Количество на схеме: 2
Информация
Гайка
Количество
2
66
66
Артикул: 80-6708970
нет в наличии
Ручка
Количество на схеме: 2
Информация
Ручка
Количество
2
Модель
80
Подгруппа
6708
Порядковый номер детали
970
67
67
Артикул: А37-04-052
нет в наличии
Рычаг
Количество на схеме: 2
Информация
Рычаг
Количество
2
68
68
Артикул: М8-6gx20-88-35-019
нет в наличии
Болт
Количество на схеме: 18
Информация
Болт
Количество
18
Примечание
ГОСТ 7796-70
69
69
Артикул: 80-8404011-Б
нет в наличии
Крыло левое
Количество на схеме: 1
Информация
Крыло левое
Количество
1
Модель
80
Группа
Оперение
Подгруппа
Крыло заднее
Порядковый номер детали
011
69
69
Артикул: 80-8404011-Б-01
нет в наличии
Крыло правое
Количество на схеме: 1
Информация
Крыло правое
Количество
1
Модель
80
Группа
Оперение
Подгруппа
Крыло заднее
Порядковый номер детали
011
70
70
Артикул: 80-8404013-А
нет в наличии
Уплотнитель
Количество на схеме: 2
Информация
Уплотнитель
Количество
2
Модель
80
Группа
Оперение
Подгруппа
Крыло заднее
Порядковый номер детали
013
71
71
Артикул: М12-6gx35-88-35-019
нет в наличии
Болт
Количество на схеме: 14
Информация
Болт
Количество
14
Примечание
ГОСТ 7796-70
73
73
Артикул: С12-01-019
нет в наличии
Шайба
Количество на схеме: 6
Информация
Шайба
Количество
6
Примечание
ГОСТ 11371-78
74
74
Артикул: 12-ОТ
нет в наличии
Шайба
Количество на схеме: 14
Информация
Шайба
Количество
14
Примечание
ОСТ 37.001.115-75
75
75
Артикул: М12-6Н-6-019
нет в наличии
Гайка
Количество на схеме: 14
Информация
Гайка
Количество
14
Примечание
ГОСТ 5915-70
76
76
Артикул: 80-6700029
нет в наличии
Болт
Количество на схеме: 4
Информация
Болт
Количество
4
Модель
80
Подгруппа
6700
Порядковый номер детали
029
77
77
Артикул: С16-01-019
нет в наличии
Шайба
Количество на схеме: 12
Информация
Шайба
Количество
12
Примечание
ГОСТ 11371-78
78
78
Артикул: 80-6700037-Б
нет в наличии
Опора левая
Количество на схеме: 1
Информация
Опора левая
Количество
1
Модель
80
Подгруппа
6700
Порядковый номер детали
037
78
78
Артикул: 80-6700037-Б-01
нет в наличии
Опора правая
Количество на схеме: 1
Информация
Опора правая
Количество
1
Модель
80
Подгруппа
6700
Порядковый номер детали
037
79
79
Артикул: 80-6700163
нет в наличии
Обойма
Количество на схеме: 4
Информация
Обойма
Количество
4
Модель
80
Подгруппа
6700
Порядковый номер детали
163
80
80
Артикул: 80-6700160
нет в наличии
Виброизолятор
Количество на схеме: 4
Информация
Виброизолятор
Количество
4
Модель
80
Подгруппа
6700
Порядковый номер детали
160
81
81
Артикул: 80-6703112-А
нет в наличии
Поручень правый
Количество на схеме: 1
Информация
Поручень правый
Количество
1
Примечание
левый
Модель
80
Подгруппа
6703
Порядковый номер детали
112
82
82
Артикул: 130-5001364-В
нет в наличии
Подушка нижняя
Количество на схеме: 4
Информация
Подушка нижняя
Количество
4
Модель
130
Группа
Кабина (Кузов)
Подгруппа
Крепление кабины (кузова)
Порядковый номер детали
364
83
83
Артикул: М16-6Н-6-019
нет в наличии
Гайка
Количество на схеме: 4
Информация
Гайка
Количество
4
Примечание
ГОСТ 5918-73
84
84
Артикул: Шплинт4х36-019
нет в наличии
Шплинт
Количество на схеме: 4
Информация
Шплинт
Количество
4
Примечание
ГОСТ 397-79
85
85
Артикул: М18х1,5-6Н-6-019
нет в наличии
Гайка
Количество на схеме: 4
Информация
Гайка
Количество
4
Примечание
ГОСТ 5915-70
86
86
Артикул: 80-6702022
нет в наличии
Хомут
Количество на схеме: 2
Информация
Хомут
Количество
2
Примечание
вариант
Модель
80
Подгруппа
6702
Порядковый номер детали
022
87
87
Артикул: 1221-6702301
нет в наличии
Болт
Количество на схеме: 4
Информация
Болт
Количество
4
Примечание
вариант
Модель
1221
Подгруппа
6702
Порядковый номер детали
301
87
87
Артикул: М20-6gx70-88-35-019
нет в наличии
Болт
Количество на схеме: 4
Информация
Болт
Количество
4
Примечание
вариант, ГОСТ 7796-70
88
88
Артикул: 20-ОТ
нет в наличии
Шайба
Количество на схеме: 4
Информация
Шайба
Количество
4
Примечание
ОСТ 37.001.115-75
89
89
Артикул: 18-ОТ
нет в наличии
Шайба
Количество на схеме: 8
Информация
Шайба
Количество
8
Примечание
ОСТ 37.001.115-75
90
90
Артикул: 70-6702300-01
нет в наличии
Кронштейн правый
Количество на схеме: 1
Информация
Кронштейн правый
Количество
1
Модель
70
Подгруппа
6702
Порядковый номер детали
300
90
90
Артикул: 70-6702300-02
нет в наличии
Кронштейн левый
Количество на схеме: 1
Информация
Кронштейн левый
Количество
1
Модель
70
Подгруппа
6702
Порядковый номер детали
300
91
91
Артикул: М16-6gx45-88-35-019
нет в наличии
Болт
Количество на схеме: 4
Информация
Болт
Количество
4
Примечание
ГОСТ 7796-70
92
92
Артикул: 80-6702068
нет в наличии
Кронштейн левый
Количество на схеме: 1
Информация
Кронштейн левый
Количество
1
Модель
80
Подгруппа
6702
Порядковый номер детали
068
92
92
Артикул: 80-6702069
нет в наличии
Кронштейн правый
Количество на схеме: 1
Информация
Кронштейн правый
Количество
1
Модель
80
Подгруппа
6702
Порядковый номер детали
069
93
93
Артикул: 80-6700031-Б
нет в наличии
Кронштейн
Количество на схеме: 1
Информация
Кронштейн
Количество
1
Модель
80
Подгруппа
6700
Порядковый номер детали
031
94
94
Артикул: 80-6708209
нет в наличии
Ручка
Количество на схеме: 1
Информация
Ручка
Количество
1
Модель
80
Подгруппа
6708
Порядковый номер детали
209
95
95
Артикул: 80-6707013
нет в наличии
Петля
Количество на схеме: 2
Информация
Петля
Количество
2
Модель
80
Подгруппа
6707
Порядковый номер детали
013
96
96
Артикул: 70-6708189
нет в наличии
Ось
Количество на схеме: 2
Информация
Ось
Количество
2
Модель
70
Подгруппа
6708
Порядковый номер детали
189
97
97
Артикул: А30-04-017-02
нет в наличии
Колпачок
Количество на схеме: 4
Информация
Колпачок
Количество
4
98
98
Артикул: М6-6gx14-88-35-019
нет в наличии
Болт
Количество на схеме: 2
Информация
Болт
Количество
2
Примечание
ГОСТ 7798-70
  • Грузовые автомобили
  • Автобусы
  • Сельхозтехника
  • Спецтехника
  • Двигатели
Получить оптовый прайс-лист
Скачать прайс-лист от 09.05.2026 08:00
Специальное предложение от 09.05.2026 09:00
Производители:


  • WEICHAI
  • Автодизель ПАО (ЯМЗ)
  • Тутаевский МЗ
  • ЯЗДА
  • УралАЗ
  • МАЗ
  • АЗПИ
  • BOSCH
  • ММЗ
  • ШААЗ
  • FEDERAL MOGUL
  • ПРАМО
  • Мотордеталь
  • ТАИМ
  • АвтоКрАЗ
  • БЕЛКАРД
  • CZ Strakonice
  • КамАЗ
  • БЗА
  • ЧМЗ
  • BMZ
Новости
Все новости
25 марта 2024
Флагманский седельный тягач «Валдай 45» на выставке «TransRussia»
10 марта 2024
Современные автобусы «CITYMAX 9» и ЛиАЗ-5292 CNG
25 февраля 2024
Серийное производство средних дизельных двигателей повышенной мощности от ЯМЗ
Статьи
Все статьи
Датчики двигателя: за что они отвечают, признаки неисправности и как не прогадать с выбором
Двигатели ЯМЗ-534: история, технические характеристики и области применения
Двигатели ЯМЗ 650: углублённый технический обзор и история
Компания
О компании
Реквизиты
Новости
Политика
Магазины
Информация
Условия оплаты
Условия доставки
Гарантия на товар
Обмен и возврат товара
Помощь
Как оформить заказ
Полезные статьи
Бренды
Пункты выдачи
Оставайтесь на связи
  • Вконтакте
  • YouTube
  • Одноклассники
  • Google Plus
Увидели ошибку?
Выделите, нажав Ctrl + Enter
Наши контакты
8-800-700-35-68
sales@din76.ru
г. Ярославль, Ленинградский пр-т 33, ТЦ "ОМЕГА"
2026 © ООО «Динамика 76» - Все права защищены ООО "Динамика 76"
Предложения на сайте не являются публичной офертой.
На сайте обнаружена ошибка

Текст с ошибкой