Избранное 0 Корзина 0 Личный кабинет
logo
Каталог
Каталог
  • Справочник
    • Грузовые автомобили
    • Автобусы
    • Сельхозтехника
    • Спецтехника
    • Двигатели
  • Доставка
  • Оплата
  • О компании
    • Реквизиты
    • Магазины
    • Оплата
    • Доставка
    • Лицензии и сертификаты
    • Новости
    • Вакансии
  • Контакты
Отправить заявку
Личный кабинет
8 (800) 700-35-68
sales@din76.ru
Избранное 0 Корзина 0
8 (800) 700-35-68
Оптовый прайс-лист
Каталог
  • Двигатели
  • Запчасти WEICHAI
  • Запчасти ЯМЗ, ТМЗ (V-образные)
  • Запчасти ЯМЗ-534, ЯМЗ-536
  • Запчасти ЯМЗ-650, ЯМЗ-651, DCi-11
  • Топливная аппаратура
  • Запчасти УРАЛ
  • Запчасти МАЗ
  • Запчасти КамАЗ
  • Запчасти ММЗ
  • Ремни
Автокаталог (справочник)
  • Доставка
  • Оплата
  • О компании
  • Контакты
8 (800) 700-35-68
Написать в Whatsapp
sales@din76.ru
Динамика 76
Меню  
  • Каталог
    • Двигатели  
      • Двигатели ТМЗ  
        • Двигатели ТМЗ для автомобилей
        • Двигатели ТМЗ для тракторов
        • Специальные двигатели ТМЗ
        • Промышленные двигатели ТМЗ
      • Двигатели ЯМЗ  
        • ЯМЗ 236
        • ЯМЗ 238
        • ЯМЗ 240
        • ЯМЗ 751
        • ЯМЗ 840
        • ЯМЗ 850
        • ЯМЗ 656
        • ЯМЗ 658
        • ЯМЗ 534
        • ЯМЗ 536
        • ЯМЗ 650
        • Двигатели ЯМЗ для электростанций
      • Двигатели КАМАЗ
      • Двигатели ММЗ
      • Двигатели индивидуальной сборки
      • Комплекты переоборудования
    • Запчасти WEICHAI  
      • Основные запчасти двигателя  
        • Клапаны и толкатели
        • Шатуны
        • Вал коленчатый и маховик
        • Вал распределительный
        • Цилиндро-поршневая группа
      • Система питания  
        • Форсунки
        • Турбокомпрессор
      • Система смазки  
        • Насос масляный
      • Головка блока
      • Ремкомплекты
      • Система охлаждения  
        • Насос водяной
        • Муфта вязкостная и крыльчатка
      • Фильтры
      • Электрооборудование  
        • Генератор
        • Стартер
    • Запчасти ЯМЗ, ТМЗ (V-образные)  
      • Основные запчасти двигателя  
        • Блок двигателя и комплектующие
        • Валы распределительные и клапаны
        • Головка блока и комплектующие
        • Цилиндро-поршневая группа
        • Маховики и комплектующие
        • Валы коленчатые и комплектующие
        • Шатуны и комплектующие
      • Система питания  
        • Коллекторы и патрубки
        • Топливные трубопроводы
        • Турбокомпрессор
        • Топливные фильтры
      • Электрооборудование двигателя
      • Система охлаждения  
        • Вязкостные муфты и крыльчатки
        • Приводы вентилятора
        • Водяные насосы
        • Водяные трубы и термостаты
      • Коробки переключения передач  
        • 8 Ступенчатые КПП
        • 5 Ступенчатые КПП
        • 9 Ступенчатые КПП
        • Запасные части КПП ЯМЗ, ТМЗ
      • Система смазки  
        • Теплообменник и комплектующие
        • Масляные насосы
        • Фильтры масляные (ФГОМ, ФЦОМ)
      • Сцепление  
        • Запасные части механизма сцепления
        • Муфты (подшипники выжимные)
        • Корзины (диски нажимные)
        • Диски ведомые
      • Прочие запчасти двигателя  
        • Ремкомплекты
        • Привод агрегатов
        • Натяжные устройства
        • Трубки
    • Запчасти ЯМЗ-534, ЯМЗ-536  
      • Основные запчасти двигателя  
        • Цилиндро-поршневая группа
        • Головка блока цилиндров и комплектующие
        • Блок цилиндров и комплектующие
        • Вал коленчатый и маховик
        • Вал распределительный
        • Клапаны и толкатели
        • ГУР (Гидроусилитель руля)
        • Система рециркуляции отработавших газов
        • Выпускной коллектор
      • Система питания  
        • Коллекторы и патрубки
        • Топливные фильтры
        • Турбокомпрессор
        • Топливные трубопроводы
      • Система смазки  
        • Масляный картер поддон
        • Масляный насос
        • Теплообменник /Водо-масляный радиатор
        • Фильтры масляные (ФГОМ, ФЦОМ)
      • Пневмокомпрессор и натяжное
      • Система охлаждения  
        • Водяной насос
        • Водяные трубы и патрубки
        • Муфты вязкостные, приводы, крыльчатки
      • Ремкомплекты
      • Сцепление
      • Электрооборудование
    • Запчасти ЯМЗ-650, ЯМЗ-651, DCi-11  
      • Основные запчасти двигателя  
        • Цилиндро-поршневая группа
        • Головка блока цилиндров и комплектующие
        • Блок цилиндров и комплектующие
        • Вал коленчатый и маховик
        • Выпускной коллектор
        • Вал распределительный
        • Клапаны и толкатели
        • ГУР (Гидроусилитель руля)
        • Система рециркуляции отработавших газов
      • Система питания  
        • Коллекторы и патрубки
        • Топливные трубопроводы
        • Топливные фильтры
        • Турбокомпрессор
      • Система смазки  
        • Масляный картер / поддон
        • Масляный насос
        • Теплообменник / Водо-масляный радиатор
        • Фильтры масляные (ФГОМ, ФЦОМ)
      • Система охлаждения  
        • Водяной насос
        • Водяные трубы и патрубки
        • Муфты вязкостные, приводы, крыльчатки
      • Ремкомплекты
      • Пневмокомпрессор и натяжное
      • Электрооборудование
      • Сцепление
    • Топливная аппаратура  
      • ЯЗДА  
        • Распылители
        • ТНВД
        • Форсунки
        • Топливный насос низкого давления
        • Пары плунжерные
        • Муфта опережения впрыска топлива
        • Запчасти и комплектующие ТНВД
      • НЗТА
      • АЗПИ  
        • Распылители
        • Форсунки
      • BOSCH
    • Запчасти УРАЛ  
      • Трансмиссия  
        • Коробка раздаточная
        • Передача карданная
        • Мост задний
        • Мост передний (ведущий)
        • Мост средний (промежуточный)
      • Кузов  
        • Дверь кабины
        • Капот, крылья, облицовка радиатора
        • Окно ветровое и заднее
        • Отопление и вентиляция кабины
        • Кабина
      • Механизмы управления  
        • Управление рулевое
        • Тормоза
      • Дополнительное оборудование  
        • Отбор мощности
        • Устройство седельное
      • Электрооборудование
      • Ходовая часть  
        • Колеса и ступицы
        • Ось передняя
        • Подвеска автомобиля
        • Рама
    • Запчасти МАЗ  
      • Трансмиссия  
        • Мост задний
        • Мост передний (ведущий)
        • Передача карданная
        • Мост средний (промежуточный)
      • Кузов  
        • Кабина
        • Дверь кабины
        • Детали основания кабины
        • Окно ветровое и заднее
        • Платформа
      • Механизмы управления  
        • Тормоза
        • Управление рулевое
      • Ходовая часть  
        • Колеса и ступицы
        • Ось передняя
        • Подвеска автомобиля
        • Рама
    • Запчасти КамАЗ  
      • Кузов  
        • Кабина
        • Капот, крылья, облицовка радиатора
        • Дверь кабины
        • Платформа
        • Окно ветровое и заднее
        • Устройство подъемное и опрокидывающее
        • Сиденье
        • Крыша кабины (крыша кузова)
        • Отопление и вентиляция кабины
      • Трансмиссия  
        • Коробка передач
        • Коробка раздаточная
        • Мост задний
        • Сцепление
        • Мост средний (промежуточный)
        • Передача карданная
        • Мост передний (ведущий)
      • Двигатель  
        • Основные запчасти двигателя
        • Система охлаждения
        • Система питания
        • Система смазки
      • Дополнительное оборудование  
        • Отбор мощности
        • Устройство седельное
      • Ходовая часть  
        • Подвеска автомобиля
        • Рама
        • Колеса и ступицы
        • Ось передняя
      • Механизмы управления  
        • Тормоза
        • Управление рулевое
      • Электрооборудование
    • Запчасти ММЗ
    • Ремни
  • Справочник
    • Грузовые автомобили
    • Автобусы
    • Сельхозтехника
    • Спецтехника
    • Двигатели
  • Как купить
    • Условия оплаты
    • Условия доставки
    • Гарантия на товар
    • Пункты выдачи
  • Услуги
    • Капитальный ремонт двигателей ЯМЗ
  • Акции
  • Статьи
  • Контакты
  • Компания
    • Реквизиты
    • Магазины
    • Оплата
    • Доставка
    • Лицензии и сертификаты
    • Новости
    • Вакансии
Избранное 0 Корзина 0
8-800-700-35-68

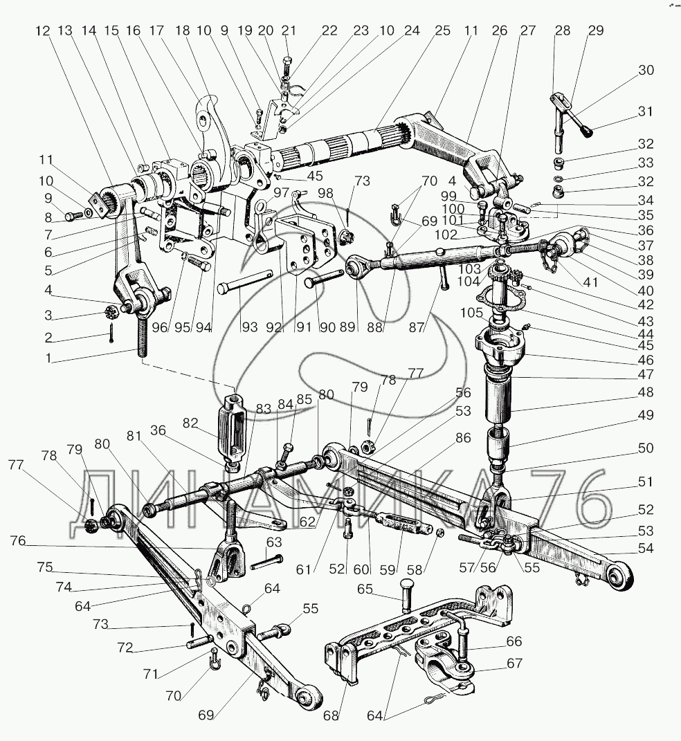
Механизм задней навески на 800/900 (до 2003 г.)

Справочник
Главная
-
Автокаталог
-
Сельхозтехника
-
МТЗ
-
800/900
Справочный каталог

Механизм задней навески — 800/900:

50-4605012 50-4605030-А3 50-4605035-А3 50-4605115 70-4605340 80-4605025 80-4605150-02 А61.03.000 А61.03.200 А61.03.200-01 А61.04.000 А61.05100-01 Р70-4605010 1 2 3 4 4 5 6 7 8 9 9 10 10 10 11 11 12 13 14 15 16 17 18 19 20 21 22 23 24 25 26 27 28 29 30 31 32 32 33 34 35 36 36 37 38 38 39 40 40 41 42 43 44 45 45 46 47 48 49 50 51 52 52 53 53 54 55 55 56 56 57 58 59 60 61 62 63 64 64 64 65 66 66 67 68 69 69 70 70 71 72 73 73 74 75 76 77 77 78 78 79 79 80 80 81 82 83 84 85 86 87 88 89 90 91 92 93 94 95 96 97 98 99 100 101 102 103 104 105
в наличии
нет в наличии
масштаб

В наличии
Нет в наличии

Перечень комплектующих от Механизм задней навески на 800/900

Схемы запчастей предназначены для справочных целей! Мы продаем не все запчасти от Механизм задней навески на 800/900, представленные в этом списке.
Наличие на складах по деталям с ценой смотрите в карточке товара.
Артикул: 50-4605012
нет в наличии
Раскос в сборе
Количество на схеме: 1
Информация
Раскос в сборе
Количество
1
Модель
50
Подгруппа
4605
Порядковый номер детали
012
Артикул: 50-4605030-А3
нет в наличии
Тяга правая в сборе
Количество на схеме: 1
Информация
Тяга правая в сборе
Количество
1
Модель
50
Подгруппа
4605
Порядковый номер детали
030
Артикул: 50-4605035-А3
нет в наличии
Тяга левая в сборе
Количество на схеме: 1
Информация
Тяга левая в сборе
Количество
1
Модель
50
Подгруппа
4605
Порядковый номер детали
035
Артикул: 50-4605115
нет в наличии
Стяжка
Количество на схеме: 2
Информация
Стяжка
Количество
2
Модель
50
Подгруппа
4605
Порядковый номер детали
115
Артикул: 70-4605340
нет в наличии
Рычаг с пальцем в сборе
Количество на схеме: 1
Информация
Рычаг с пальцем в сборе
Количество
1
Модель
70
Подгруппа
4605
Порядковый номер детали
340
Артикул: 80-4605025
нет в наличии
Поперечина в сборе
Количество на схеме: 1
Информация
Поперечина в сборе
Количество
1
Модель
80
Подгруппа
4605
Порядковый номер детали
025
Артикул: 80-4605150-02
нет в наличии
Раскос L=475 мм
Количество на схеме: 1
Информация
Раскос L=475 мм
Количество
1
Примечание
кол-во 2шт для по заказу, (L=475 мм)
Модель
80
Подгруппа
4605
Порядковый номер детали
150
Артикул: А61-03-000
нет в наличии
Тяга в сборе
Количество на схеме: 1
Информация
Тяга в сборе
Количество
1
Артикул: А61-03-200
нет в наличии
Винт в сборе
Количество на схеме: 1
Информация
Винт в сборе
Количество
1
Примечание
палец А61.03.001-02 022
Артикул: А61-03-200-01
нет в наличии
Винт
Количество на схеме: 1
Информация
Винт
Количество
1
Примечание
палец А61.03.001-01 025
Артикул: А61-04-000
нет в наличии
Стяжка
Количество на схеме: 2
Информация
Стяжка
Количество
2
Примечание
по заказу
Артикул: А61-05100-01
нет в наличии
Чека
Количество на схеме: 1
Информация
Чека
Количество
1
Артикул: Р70-4605010
нет в наличии
Механизм задней навески
Количество на схеме: 1
Информация
Механизм задней навески
Количество
1
Модель
Р70
Подгруппа
4605
Порядковый номер детали
010
1
1
Артикул: А61-02-100
нет в наличии
Винт
Количество на схеме: 1
Информация
Винт
Количество
1
2
2
Артикул: 4x36
нет в наличии
Шплинт
Количество на схеме: 1
Информация
Шплинт
Количество
1
3
3
Артикул: 70-3003032
нет в наличии
Гайка
Количество на схеме: 2
Информация
Гайка
Количество
2
Модель
70
Группа
Тяги рулевые. Оси передняя и задняя
Подгруппа
Тяги рулевые
Порядковый номер детали
032
4
4
Артикул: 50-4605076
нет в наличии
Палец
Количество на схеме: 2
Информация
Палец
Количество
2
Модель
50
Подгруппа
4605
Порядковый номер детали
076
5
5
Артикул: 70-4605317
нет в наличии
Ограничитель
Количество на схеме: 2
Информация
Ограничитель
Количество
2
Модель
70
Подгруппа
4605
Порядковый номер детали
317
6
6
Артикул: 21А-1601150
нет в наличии
Пружина
Количество на схеме: 4
Информация
Пружина
Количество
4
Модель
21А
Группа
Сцепление
Подгруппа
Сцепление
Порядковый номер детали
150
7
7
Артикул: 50-4605027
нет в наличии
Штифт
Количество на схеме: 2
Информация
Штифт
Количество
2
Модель
50
Подгруппа
4605
Порядковый номер детали
027
8
8
Артикул: 54-38-619
нет в наличии
Кольцо
Количество на схеме: 2
Информация
Кольцо
Количество
2
9
9
Артикул: М12x25
нет в наличии
Болт
Количество на схеме: 6
Информация
Болт
Количество
6
10
10
Артикул: ШП12
нет в наличии
Шайба
Количество на схеме: 6
Информация
Шайба
Количество
6
11
11
Артикул: 40-4605023-А2
нет в наличии
Шайба
Количество на схеме: 2
Информация
Шайба
Количество
2
Модель
40
Подгруппа
4605
Порядковый номер детали
023
12
12
Артикул: 80-4605021
нет в наличии
Рычаг левый
Количество на схеме: 1
Информация
Рычаг левый
Количество
1
Модель
80
Подгруппа
4605
Порядковый номер детали
021
13
13
Артикул: 70-4605032
нет в наличии
Втулка
Количество на схеме: 2
Информация
Втулка
Количество
2
Модель
70
Подгруппа
4605
Порядковый номер детали
032
14
14
Артикул: 70-4605308-Б
нет в наличии
Втулка
Количество на схеме: 2
Информация
Втулка
Количество
2
Модель
70
Подгруппа
4605
Порядковый номер детали
308
15
15
Артикул: 70-4605016-Б
нет в наличии
Кронштейн
Количество на схеме: 1
Информация
Кронштейн
Количество
1
Модель
70
Подгруппа
4605
Порядковый номер детали
016
16
16
Артикул: 80-4605313
нет в наличии
Палец
Количество на схеме: 1
Информация
Палец
Количество
1
Модель
80
Подгруппа
4605
Порядковый номер детали
313
17
17
Артикул: 70-4605024-А
нет в наличии
Рычаг поворотный
Количество на схеме: 1
Информация
Рычаг поворотный
Количество
1
Модель
70
Подгруппа
4605
Порядковый номер детали
024
18
18
Артикул: 2В65
нет в наличии
Кольцо
Количество на схеме: 1
Информация
Кольцо
Количество
1
19
19
Артикул: 50-4605069
нет в наличии
Втулка
Количество на схеме: 1
Информация
Втулка
Количество
1
Модель
50
Подгруппа
4605
Порядковый номер детали
069
20
20
Артикул: А61-07-002
нет в наличии
Пружина
Количество на схеме: 1
Информация
Пружина
Количество
1
21
21
Артикул: М12x35
нет в наличии
Болт
Количество на схеме: 1
Информация
Болт
Количество
1
22
22
Артикул: ШЧ12
нет в наличии
Шайба
Количество на схеме: 1
Информация
Шайба
Количество
1
23
23
Артикул: 70-4605240-А
нет в наличии
Кронштейн
Количество на схеме: 1
Информация
Кронштейн
Количество
1
Модель
70
Подгруппа
4605
Порядковый номер детали
240
24
24
Артикул: М12
нет в наличии
Гайка
Количество на схеме: 1
Информация
Гайка
Количество
1
25
25
Артикул: 70-4605023
нет в наличии
Вал поворотный
Количество на схеме: 1
Информация
Вал поворотный
Количество
1
Модель
70
Подгруппа
4605
Порядковый номер детали
023
26
26
Артикул: 80-4605022
нет в наличии
Рычаг правый
Количество на схеме: 1
Информация
Рычаг правый
Количество
1
Модель
80
Подгруппа
4605
Порядковый номер детали
022
27
27
Артикул: 70-4605168
нет в наличии
Серьга
Количество на схеме: 2
Информация
Серьга
Количество
2
Модель
70
Подгруппа
4605
Порядковый номер детали
168
28
28
Артикул: А61-01-016-Б
нет в наличии
Ось
Количество на схеме: 1
Информация
Ось
Количество
1
29
29
Артикул: А61-01-400
нет в наличии
Вилка
Количество на схеме: 1
Информация
Вилка
Количество
1
30
30
Артикул: А61-01-600
нет в наличии
Вал
Количество на схеме: 1
Информация
Вал
Количество
1
31
31
Артикул: А61-01-014
нет в наличии
Рукоятка
Количество на схеме: 1
Информация
Рукоятка
Количество
1
32
32
Артикул: Втулка
нет в наличии
Втулка
Количество на схеме: 2
Информация
Втулка
Количество
2
33
33
Артикул: 016-021-30-2-4
нет в наличии
Кольцо
Количество на схеме: 1
Информация
Кольцо
Количество
1
34
34
Артикул: А8x45
нет в наличии
Штифт
Количество на схеме: 1
Информация
Штифт
Количество
1
35
35
Артикул: А61-01-004
нет в наличии
Палец
Количество на схеме: 1
Информация
Палец
Количество
1
36
36
Артикул: А61-02-003
нет в наличии
Контргайка
Количество на схеме: 1
Информация
Контргайка
Количество
1
37
37
Артикул: А61-030-02
нет в наличии
Кольцо
Количество на схеме: 2
Информация
Кольцо
Количество
2
38
38
Артикул: А61-03-001-01
нет в наличии
Палец диаметр 25 мм
Количество на схеме: 1
Информация
Палец диаметр 25 мм
Количество
1
Примечание
d.25
38
38
Артикул: А61-03-001-02
нет в наличии
Палец
Количество на схеме: 1
Информация
Палец
Количество
1
Примечание
d.22
39
39
Артикул: А61-08-001-01
нет в наличии
Цепочка (9 звеньев)
Количество на схеме: 1
Информация
Цепочка (9 звеньев)
Количество
1
Примечание
(9 звеньев)
40
40
Артикул: А61-02-100-04
нет в наличии
Винт
Количество на схеме: 1
Информация
Винт
Количество
1
Примечание
(отверстие шарнира d.22,5)
40
40
Артикул: А61-02-100-05
нет в наличии
Винт диаметр 25
Количество на схеме: 1
Информация
Винт диаметр 25
Количество
1
Примечание
(отверстие шарнира d.25,7)
41
41
Артикул: А61-05-000
нет в наличии
Чека с кольцом
Количество на схеме: 1
Информация
Чека с кольцом
Количество
1
42
42
Артикул: А61-01-001
нет в наличии
Шестерня
Количество на схеме: 1
Информация
Шестерня
Количество
1
43
43
Артикул: А61-01-005
нет в наличии
Заклепка
Количество на схеме: 1
Информация
Заклепка
Количество
1
44
44
Артикул: А61-01-003
нет в наличии
Прокладка
Количество на схеме: 1
Информация
Прокладка
Количество
1
45
45
Артикул: 1-3-Ц6-xр
нет в наличии
Масленка
Количество на схеме: 3
Информация
Масленка
Количество
3
46
46
Артикул: А61-01-104
нет в наличии
Корпус
Количество на схеме: 1
Информация
Корпус
Количество
1
47
47
Артикул: А61-01-013
нет в наличии
Втулка
Количество на схеме: 1
Информация
Втулка
Количество
1
48
48
Артикул: А61-01-008
нет в наличии
Труба
Количество на схеме: 1
Информация
Труба
Количество
1
49
49
Артикул: А61-01-011
нет в наличии
Колпак
Количество на схеме: 1
Информация
Колпак
Количество
1
50
50
Артикул: А61-01-009
нет в наличии
Ограничитель
Количество на схеме: 1
Информация
Ограничитель
Количество
1
51
51
Артикул: 70-4605100
нет в наличии
Вилка
Количество на схеме: 1
Информация
Вилка
Количество
1
Модель
70
Подгруппа
4605
Порядковый номер детали
100
52
52
Артикул: 50-4605086
нет в наличии
Болт серьги
Количество на схеме: 4
Информация
Болт серьги
Количество
4
Примечание
По заказу
Модель
50
Подгруппа
4605
Порядковый номер детали
086
53
53
Артикул: М12
нет в наличии
Гайка
Количество на схеме: 4
Информация
Гайка
Количество
4
Примечание
По заказу
54
54
Артикул: 80-4605040
нет в наличии
Тяга
Количество на схеме: 1
Информация
Тяга
Количество
1
Модель
80
Подгруппа
4605
Порядковый номер детали
040
55
55
Артикул: 70-4605048-А
нет в наличии
Проушина
Количество на схеме: 2
Информация
Проушина
Количество
2
Модель
70
Подгруппа
4605
Порядковый номер детали
048
56
56
Артикул: 3,2x18
нет в наличии
Шплинт
Количество на схеме: 2
Информация
Шплинт
Количество
2
Примечание
По заказу
57
57
Артикул: А61-04-002-01
нет в наличии
Винт
Количество на схеме: 2
Информация
Винт
Количество
2
Примечание
По заказу
58
58
Артикул: М18
нет в наличии
Гайка
Количество на схеме: 2
Информация
Гайка
Количество
2
Примечание
По заказу
59
59
Артикул: А61-04-003
нет в наличии
Стяжка
Количество на схеме: 2
Информация
Стяжка
Количество
2
Примечание
По заказу
60
60
Артикул: А61-04-002
нет в наличии
Винт
Количество на схеме: 2
Информация
Винт
Количество
2
Примечание
По заказу
61
61
Артикул: А61-09-002
нет в наличии
Серьга
Количество на схеме: 4
Информация
Серьга
Количество
4
Примечание
По заказу
62
62
Артикул: 50-4605033-Б1
нет в наличии
Кронштейн
Количество на схеме: 2
Информация
Кронштейн
Количество
2
Примечание
По заказу
Модель
50
Подгруппа
4605
Порядковый номер детали
033
63
63
Артикул: Ф50-4605084
нет в наличии
Палец
Количество на схеме: 2
Информация
Палец
Количество
2
Модель
Ф50
Подгруппа
4605
Порядковый номер детали
084
64
64
Артикул: А61-07-001
нет в наличии
Шплинт
Количество на схеме: 4
Информация
Шплинт
Количество
4
65
65
Артикул: А61-10-002
нет в наличии
Палец
Количество на схеме: 2
Информация
Палец
Количество
2
66
66
Артикул: 50-4605079-Б
нет в наличии
Шкворень
Количество на схеме: 1
Информация
Шкворень
Количество
1
Модель
50
Подгруппа
4605
Порядковый номер детали
079
66
66
Артикул: 50-4605105-А
нет в наличии
Шкворень прицепа со шплинтом в сборе
Количество на схеме: 1
Информация
Шкворень прицепа со шплинтом в сборе
Количество
1
Модель
50
Подгруппа
4605
Порядковый номер детали
105
67
67
Артикул: А61-11-001
нет в наличии
Вилка
Количество на схеме: 1
Информация
Вилка
Количество
1
68
68
Артикул: 80-4605046
нет в наличии
Поперечина
Количество на схеме: 1
Информация
Поперечина
Количество
1
Модель
80
Подгруппа
4605
Порядковый номер детали
046
69
69
Артикул: 80-4605040-01
нет в наличии
Тяга
Количество на схеме: 1
Информация
Тяга
Количество
1
Модель
80
Подгруппа
4605
Порядковый номер детали
040
70
70
Артикул: А61-05-004
нет в наличии
Кольцо
Количество на схеме: 4
Информация
Кольцо
Количество
4
71
71
Артикул: А61-05-005
нет в наличии
Чека
Количество на схеме: 4
Информация
Чека
Количество
4
72
72
Артикул: 50-4605049-Б
нет в наличии
Палец
Количество на схеме: 2
Информация
Палец
Количество
2
Модель
50
Подгруппа
4605
Порядковый номер детали
049
73
73
Артикул: 5x36
нет в наличии
Шплинт
Количество на схеме: 3
Информация
Шплинт
Количество
3
74
74
Артикул: 70-4605055
нет в наличии
Тяга
Количество на схеме: 1
Информация
Тяга
Количество
1
Модель
70
Подгруппа
4605
Порядковый номер детали
055
75
75
Артикул: ШЧ18
нет в наличии
Шайба
Количество на схеме: 2
Информация
Шайба
Количество
2
76
76
Артикул: 50-4605100-Б
нет в наличии
Вилка раскоса
Количество на схеме: 1
Информация
Вилка раскоса
Количество
1
Модель
50
Подгруппа
4605
Порядковый номер детали
100
77
77
Артикул: А04-02-020
нет в наличии
Гайка
Количество на схеме: 2
Информация
Гайка
Количество
2
78
78
Артикул: 5x45
нет в наличии
Шплинт
Количество на схеме: 2
Информация
Шплинт
Количество
2
79
79
Артикул: 70-460547
нет в наличии
Втулка
Количество на схеме: 2
Информация
Втулка
Количество
2
Покрытие
без покрытия
80
80
Артикул: 50-4605068-Б1
нет в наличии
Втулка
Количество на схеме: 2
Информация
Втулка
Количество
2
Модель
50
Подгруппа
4605
Порядковый номер детали
068
81
81
Артикул: 70-4605026
нет в наличии
Ось
Количество на схеме: 1
Информация
Ось
Количество
1
Модель
70
Подгруппа
4605
Порядковый номер детали
026
82
82
Артикул: А61-02-001
нет в наличии
Стяжка раскоса
Количество на схеме: 1
Информация
Стяжка раскоса
Количество
1
83
83
Артикул: 50-4605018-Б
нет в наличии
Втулка
Количество на схеме: 1
Информация
Втулка
Количество
1
Модель
50
Подгруппа
4605
Порядковый номер детали
018
84
84
Артикул: М16
нет в наличии
Гайка
Количество на схеме: 2
Информация
Гайка
Количество
2
85
85
Артикул: 50-4605019
нет в наличии
Болт
Количество на схеме: 2
Информация
Болт
Количество
2
Модель
50
Подгруппа
4605
Порядковый номер детали
019
86
86
Артикул: 70-4605050
нет в наличии
Тяга
Количество на схеме: 1
Информация
Тяга
Количество
1
Модель
70
Подгруппа
4605
Порядковый номер детали
050
87
87
Артикул: А61-03-102
нет в наличии
Рукоятка
Количество на схеме: 1
Информация
Рукоятка
Количество
1
88
88
Артикул: А61-03-101
нет в наличии
Труба
Количество на схеме: 1
Информация
Труба
Количество
1
89
89
Артикул: А61-02-100-02
нет в наличии
Винт
Количество на схеме: 1
Информация
Винт
Количество
1
90
90
Артикул: А61-10-001-02
нет в наличии
Палец
Количество на схеме: 1
Информация
Палец
Количество
1
91
91
Артикул: 70-4605330-Б
нет в наличии
Серьга
Количество на схеме: 1
Информация
Серьга
Количество
1
Модель
70
Подгруппа
4605
Порядковый номер детали
330
92
92
Артикул: 70-4605302-Б
нет в наличии
Пружина
Количество на схеме: 1
Информация
Пружина
Количество
1
Модель
70
Подгруппа
4605
Порядковый номер детали
302
93
93
Артикул: А61-10-001
нет в наличии
Палец
Количество на схеме: 1
Информация
Палец
Количество
1
94
94
Артикул: 70-4605320
нет в наличии
Болт
Количество на схеме: 1
Информация
Болт
Количество
1
Модель
70
Подгруппа
4605
Порядковый номер детали
320
95
95
Артикул: 70-4605036
нет в наличии
Болт
Количество на схеме: 5
Информация
Болт
Количество
5
Модель
70
Подгруппа
4605
Порядковый номер детали
036
96
96
Артикул: ШП20
нет в наличии
Шайба
Количество на схеме: 5
Информация
Шайба
Количество
5
97
97
Артикул: 70-4605304-Б
нет в наличии
Шайба
Количество на схеме: 1
Информация
Шайба
Количество
1
Модель
70
Подгруппа
4605
Порядковый номер детали
304
98
98
Артикул: 70-4605316
нет в наличии
Гайка упорная
Количество на схеме: 1
Информация
Гайка упорная
Количество
1
Модель
70
Подгруппа
4605
Порядковый номер детали
316
99
99
Артикул: А61-01-006
нет в наличии
Болт раскоса
Количество на схеме: 2
Информация
Болт раскоса
Количество
2
100
100
Артикул: М14x40
нет в наличии
Болт
Количество на схеме: 2
Информация
Болт
Количество
2
101
101
Артикул: ШП14
нет в наличии
Шайба
Количество на схеме: 4
Информация
Шайба
Количество
4
102
102
Артикул: А61-01-204
нет в наличии
Крышка
Количество на схеме: 1
Информация
Крышка
Количество
1
103
103
Артикул: А61-01-012
нет в наличии
Ограничитель
Количество на схеме: 1
Информация
Ограничитель
Количество
1
104
104
Артикул: А61-01-300
нет в наличии
Труба с шестерней
Количество на схеме: 1
Информация
Труба с шестерней
Количество
1
105
105
Артикул: 8109
нет в наличии
Подшипник
Количество на схеме: 1
Информация
Подшипник
Количество
1
  • Грузовые автомобили
  • Автобусы
  • Сельхозтехника
  • Спецтехника
  • Двигатели
Получить оптовый прайс-лист
Скачать прайс-лист от 07.05.2026 08:00
Специальное предложение от 07.05.2026 09:00
Производители:


  • WEICHAI
  • Автодизель ПАО (ЯМЗ)
  • Тутаевский МЗ
  • ЯЗДА
  • УралАЗ
  • МАЗ
  • АЗПИ
  • BOSCH
  • ММЗ
  • ШААЗ
  • FEDERAL MOGUL
  • ПРАМО
  • Мотордеталь
  • ТАИМ
  • АвтоКрАЗ
  • БЕЛКАРД
  • CZ Strakonice
  • КамАЗ
  • БЗА
  • ЧМЗ
  • BMZ
Новости
Все новости
25 марта 2024
Флагманский седельный тягач «Валдай 45» на выставке «TransRussia»
10 марта 2024
Современные автобусы «CITYMAX 9» и ЛиАЗ-5292 CNG
25 февраля 2024
Серийное производство средних дизельных двигателей повышенной мощности от ЯМЗ
Статьи
Все статьи
Датчики двигателя: за что они отвечают, признаки неисправности и как не прогадать с выбором
Двигатели ЯМЗ-534: история, технические характеристики и области применения
Двигатели ЯМЗ 650: углублённый технический обзор и история
Компания
О компании
Реквизиты
Новости
Политика
Магазины
Информация
Условия оплаты
Условия доставки
Гарантия на товар
Обмен и возврат товара
Помощь
Как оформить заказ
Полезные статьи
Бренды
Пункты выдачи
Оставайтесь на связи
  • Вконтакте
  • YouTube
  • Одноклассники
  • Google Plus
Увидели ошибку?
Выделите, нажав Ctrl + Enter
Наши контакты
8-800-700-35-68
sales@din76.ru
г. Ярославль, Ленинградский пр-т 33, ТЦ "ОМЕГА"
2026 © ООО «Динамика 76» - Все права защищены ООО "Динамика 76"
Предложения на сайте не являются публичной офертой.
На сайте обнаружена ошибка

Текст с ошибкой