Избранное 0 Корзина 0 Личный кабинет
logo
Каталог
Каталог
  • Справочник
    • Грузовые автомобили
    • Автобусы
    • Сельхозтехника
    • Спецтехника
    • Двигатели
  • Доставка
  • Оплата
  • О компании
    • Реквизиты
    • Магазины
    • Оплата
    • Доставка
    • Лицензии и сертификаты
    • Новости
    • Вакансии
  • Контакты
Отправить заявку
Личный кабинет
8 (800) 700-35-68
sales@din76.ru
Избранное 0 Корзина 0
8 (800) 700-35-68
Оптовый прайс-лист
Каталог
  • Двигатели
  • Запчасти WEICHAI
  • Запчасти ЯМЗ, ТМЗ (V-образные)
  • Запчасти ЯМЗ-534, ЯМЗ-536
  • Запчасти ЯМЗ-650, ЯМЗ-651, DCi-11
  • Топливная аппаратура
  • Запчасти УРАЛ
  • Запчасти МАЗ
  • Запчасти КамАЗ
  • Запчасти ММЗ
  • Ремни
Автокаталог (справочник)
  • Доставка
  • Оплата
  • О компании
  • Контакты
8 (800) 700-35-68
Написать в Whatsapp
sales@din76.ru
Динамика 76
Меню  
  • Каталог
    • Двигатели  
      • Двигатели ТМЗ  
        • Двигатели ТМЗ для автомобилей
        • Двигатели ТМЗ для тракторов
        • Специальные двигатели ТМЗ
        • Промышленные двигатели ТМЗ
      • Двигатели ЯМЗ  
        • ЯМЗ 236
        • ЯМЗ 238
        • ЯМЗ 240
        • ЯМЗ 751
        • ЯМЗ 840
        • ЯМЗ 850
        • ЯМЗ 656
        • ЯМЗ 658
        • ЯМЗ 534
        • ЯМЗ 536
        • ЯМЗ 650
        • Двигатели ЯМЗ для электростанций
      • Двигатели КАМАЗ
      • Двигатели ММЗ
      • Двигатели индивидуальной сборки
      • Комплекты переоборудования
    • Запчасти WEICHAI  
      • Основные запчасти двигателя  
        • Клапаны и толкатели
        • Шатуны
        • Вал коленчатый и маховик
        • Вал распределительный
        • Цилиндро-поршневая группа
      • Система питания  
        • Форсунки
        • Турбокомпрессор
      • Система смазки  
        • Насос масляный
      • Головка блока
      • Ремкомплекты
      • Система охлаждения  
        • Насос водяной
        • Муфта вязкостная и крыльчатка
      • Фильтры
      • Электрооборудование  
        • Генератор
        • Стартер
    • Запчасти ЯМЗ, ТМЗ (V-образные)  
      • Основные запчасти двигателя  
        • Блок двигателя и комплектующие
        • Валы распределительные и клапаны
        • Головка блока и комплектующие
        • Цилиндро-поршневая группа
        • Маховики и комплектующие
        • Валы коленчатые и комплектующие
        • Шатуны и комплектующие
      • Система питания  
        • Коллекторы и патрубки
        • Топливные трубопроводы
        • Турбокомпрессор
        • Топливные фильтры
      • Электрооборудование двигателя
      • Система охлаждения  
        • Вязкостные муфты и крыльчатки
        • Приводы вентилятора
        • Водяные насосы
        • Водяные трубы и термостаты
      • Коробки переключения передач  
        • 8 Ступенчатые КПП
        • 5 Ступенчатые КПП
        • 9 Ступенчатые КПП
        • Запасные части КПП ЯМЗ, ТМЗ
      • Система смазки  
        • Теплообменник и комплектующие
        • Масляные насосы
        • Фильтры масляные (ФГОМ, ФЦОМ)
      • Сцепление  
        • Запасные части механизма сцепления
        • Муфты (подшипники выжимные)
        • Корзины (диски нажимные)
        • Диски ведомые
      • Прочие запчасти двигателя  
        • Ремкомплекты
        • Привод агрегатов
        • Натяжные устройства
        • Трубки
    • Запчасти ЯМЗ-534, ЯМЗ-536  
      • Основные запчасти двигателя  
        • Цилиндро-поршневая группа
        • Головка блока цилиндров и комплектующие
        • Блок цилиндров и комплектующие
        • Вал коленчатый и маховик
        • Вал распределительный
        • Клапаны и толкатели
        • ГУР (Гидроусилитель руля)
        • Система рециркуляции отработавших газов
        • Выпускной коллектор
      • Система питания  
        • Коллекторы и патрубки
        • Топливные фильтры
        • Турбокомпрессор
        • Топливные трубопроводы
      • Система смазки  
        • Масляный картер поддон
        • Масляный насос
        • Теплообменник /Водо-масляный радиатор
        • Фильтры масляные (ФГОМ, ФЦОМ)
      • Пневмокомпрессор и натяжное
      • Система охлаждения  
        • Водяной насос
        • Водяные трубы и патрубки
        • Муфты вязкостные, приводы, крыльчатки
      • Ремкомплекты
      • Сцепление
      • Электрооборудование
    • Запчасти ЯМЗ-650, ЯМЗ-651, DCi-11  
      • Основные запчасти двигателя  
        • Цилиндро-поршневая группа
        • Головка блока цилиндров и комплектующие
        • Блок цилиндров и комплектующие
        • Вал коленчатый и маховик
        • Выпускной коллектор
        • Вал распределительный
        • Клапаны и толкатели
        • ГУР (Гидроусилитель руля)
        • Система рециркуляции отработавших газов
      • Система питания  
        • Коллекторы и патрубки
        • Топливные трубопроводы
        • Топливные фильтры
        • Турбокомпрессор
      • Система смазки  
        • Масляный картер / поддон
        • Масляный насос
        • Теплообменник / Водо-масляный радиатор
        • Фильтры масляные (ФГОМ, ФЦОМ)
      • Система охлаждения  
        • Водяной насос
        • Водяные трубы и патрубки
        • Муфты вязкостные, приводы, крыльчатки
      • Ремкомплекты
      • Пневмокомпрессор и натяжное
      • Электрооборудование
      • Сцепление
    • Топливная аппаратура  
      • ЯЗДА  
        • Распылители
        • ТНВД
        • Форсунки
        • Топливный насос низкого давления
        • Пары плунжерные
        • Муфта опережения впрыска топлива
        • Запчасти и комплектующие ТНВД
      • НЗТА
      • АЗПИ  
        • Распылители
        • Форсунки
      • BOSCH
    • Запчасти УРАЛ  
      • Трансмиссия  
        • Коробка раздаточная
        • Передача карданная
        • Мост задний
        • Мост передний (ведущий)
        • Мост средний (промежуточный)
      • Кузов  
        • Дверь кабины
        • Капот, крылья, облицовка радиатора
        • Окно ветровое и заднее
        • Отопление и вентиляция кабины
        • Кабина
      • Механизмы управления  
        • Управление рулевое
        • Тормоза
      • Дополнительное оборудование  
        • Отбор мощности
        • Устройство седельное
      • Электрооборудование
      • Ходовая часть  
        • Колеса и ступицы
        • Ось передняя
        • Подвеска автомобиля
        • Рама
    • Запчасти МАЗ  
      • Трансмиссия  
        • Мост задний
        • Мост передний (ведущий)
        • Передача карданная
        • Мост средний (промежуточный)
      • Кузов  
        • Кабина
        • Дверь кабины
        • Детали основания кабины
        • Окно ветровое и заднее
        • Платформа
      • Механизмы управления  
        • Тормоза
        • Управление рулевое
      • Ходовая часть  
        • Колеса и ступицы
        • Ось передняя
        • Подвеска автомобиля
        • Рама
    • Запчасти КамАЗ  
      • Кузов  
        • Кабина
        • Капот, крылья, облицовка радиатора
        • Дверь кабины
        • Платформа
        • Окно ветровое и заднее
        • Устройство подъемное и опрокидывающее
        • Сиденье
        • Крыша кабины (крыша кузова)
        • Отопление и вентиляция кабины
      • Трансмиссия  
        • Коробка передач
        • Коробка раздаточная
        • Мост задний
        • Сцепление
        • Мост средний (промежуточный)
        • Передача карданная
        • Мост передний (ведущий)
      • Двигатель  
        • Основные запчасти двигателя
        • Система охлаждения
        • Система питания
        • Система смазки
      • Дополнительное оборудование  
        • Отбор мощности
        • Устройство седельное
      • Ходовая часть  
        • Подвеска автомобиля
        • Рама
        • Колеса и ступицы
        • Ось передняя
      • Механизмы управления  
        • Тормоза
        • Управление рулевое
      • Электрооборудование
    • Запчасти ММЗ
    • Ремни
  • Справочник
    • Грузовые автомобили
    • Автобусы
    • Сельхозтехника
    • Спецтехника
    • Двигатели
  • Как купить
    • Условия оплаты
    • Условия доставки
    • Гарантия на товар
    • Пункты выдачи
  • Услуги
    • Капитальный ремонт двигателей ЯМЗ
  • Акции
  • Статьи
  • Контакты
  • Компания
    • Реквизиты
    • Магазины
    • Оплата
    • Доставка
    • Лицензии и сертификаты
    • Новости
    • Вакансии
Избранное 0 Корзина 0
8-800-700-35-68

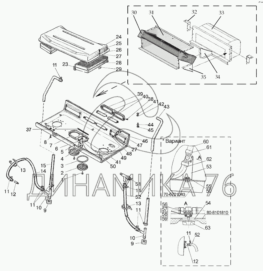
Отопитель на 1220.5 (до 2013 г.)

Справочник
Главная
-
Автокаталог
-
Сельхозтехника
-
МТЗ
-
1220.5
Справочный каталог

Отопитель — 1220.5:

1522-8101100-01 80-8101200 80-8101810 80-8101830 1 2 3 4 5 6 7 8 9 9 10 10 11 11 11 11 11 11 12 12 13 13 14 15 23 24 25 26 27 27 28 29 30 30 30 31 32 33 34 35 37 38 39 40 41 41 42 43 44 45 46 47 48 49 50 50 51 52 52 53 54 55 56 57 58 59 60 61 62 63
в наличии
нет в наличии
масштаб

В наличии
Нет в наличии

Перечень комплектующих от Отопитель на 1220.5

Схемы запчастей предназначены для справочных целей! Мы продаем не все запчасти от Отопитель на 1220.5, представленные в этом списке.
Наличие на складах по деталям с ценой смотрите в карточке товара.
Артикул: 1522-8101100-01
нет в наличии
Отопитель-вентилятор
Количество на схеме: ;
Информация
Отопитель-вентилятор
Количество
;
Группа
Отопление и вентиляция кабины
Подгруппа
Отопитель (кузова)
Порядковый номер детали
100
Артикул: 80-8101200
нет в наличии
Отопитель
Количество на схеме: ;
Информация
Отопитель
Количество
;
Группа
Отопление и вентиляция кабины
Подгруппа
Отопитель (кузова)
Порядковый номер детали
200
Артикул: 80-8101810
нет в наличии
Панель
Количество на схеме: ;
Информация
Панель
Количество
;
Группа
Отопление и вентиляция кабины
Подгруппа
Отопитель (кузова)
Порядковый номер детали
810
Артикул: 80-8101830
нет в наличии
Арматура отопителя
Количество на схеме: ;
Информация
Арматура отопителя
Количество
;
Группа
Отопление и вентиляция кабины
Подгруппа
Отопитель (кузова)
Порядковый номер детали
830
1
1
Артикул: 6х18
нет в наличии
Палец
Количество на схеме: 2
Информация
Палец
Количество
2
Примечание
ОСТ 37.001.163-75
2
2
Артикул: 150-95-301
нет в наличии
Воздухораспределитель
Количество на схеме: 2
Информация
Воздухораспределитель
Количество
2
3
3
Артикул: 80-8100013
нет в наличии
Накладка
Количество на схеме: 2
Информация
Накладка
Количество
2
Модель
80
Группа
Отопление и вентиляция кабины
Подгруппа
Отопление и вентиляция
Порядковый номер детали
013
4
4
Артикул: 2х12-019
нет в наличии
Шплинт
Количество на схеме: 2
Информация
Шплинт
Количество
2
Примечание
ГОСТ 397-79
5
5
Артикул: 50-8400031
нет в наличии
Ось
Количество на схеме: 2
Информация
Ось
Количество
2
Модель
50
Группа
Оперение
Подгруппа
Оперение в сборе
Порядковый номер детали
031
6
6
Артикул: 80-8100048
нет в наличии
Петля
Количество на схеме: 2
Информация
Петля
Количество
2
Модель
80
Группа
Отопление и вентиляция кабины
Подгруппа
Отопление и вентиляция
Порядковый номер детали
048
7
7
Артикул: 80-8101714-07
нет в наличии
Уплотнитель
Количество на схеме: 1
Информация
Уплотнитель
Количество
1
Модель
80
Группа
Отопление и вентиляция кабины
Подгруппа
Отопитель (кузова)
Порядковый номер детали
714
8
8
Артикул: 2х12-019
нет в наличии
Шплинт
Количество на схеме: 2
Информация
Шплинт
Количество
2
Примечание
ГОСТ 397-79
9
9
Артикул: 80-8100052
нет в наличии
Пробка
Количество на схеме: 2
Информация
Пробка
Количество
2
Модель
80
Группа
Отопление и вентиляция кабины
Подгруппа
Отопление и вентиляция
Порядковый номер детали
052
10
10
Артикул: 80-8100051
нет в наличии
Тройник
Количество на схеме: 2
Информация
Тройник
Количество
2
Модель
80
Группа
Отопление и вентиляция кабины
Подгруппа
Отопление и вентиляция
Порядковый номер детали
051
11
11
Артикул: XC-23
нет в наличии
Хомут
Количество на схеме: 8
Информация
Хомут
Количество
8
12
12
Артикул: 80-8100023
нет в наличии
Штуцер
Количество на схеме: 1
Информация
Штуцер
Количество
1
Модель
80
Группа
Отопление и вентиляция кабины
Подгруппа
Отопление и вентиляция
Порядковый номер детали
023
13
13
Артикул: 80-3723045-01
нет в наличии
Манжета
Количество на схеме: 3
Информация
Манжета
Количество
3
Модель
80
Группа
Электрооборудование
Подгруппа
Соединители электропроводов
Порядковый номер детали
045
14
14
Артикул: 80-8102015-02
нет в наличии
Шланг L=1840 мм
Количество на схеме: 1
Информация
Шланг L=1840 мм
Количество
1
Примечание
L=1740 мм
Модель
80
Группа
Отопление и вентиляция кабины
Подгруппа
Обогрев ветрового стекла
Порядковый номер детали
015
15
15
Артикул: 80-8101015
нет в наличии
Шланг
Количество на схеме: 1
Информация
Шланг
Количество
1
Примечание
L=2100 мм
Модель
80
Группа
Отопление и вентиляция кабины
Подгруппа
Отопитель (кузова)
Порядковый номер детали
015
23
23
Артикул: 80-8101714-04
нет в наличии
Уплотнитель
Количество на схеме: 2
Информация
Уплотнитель
Количество
2
Модель
80
Группа
Отопление и вентиляция кабины
Подгруппа
Отопитель (кузова)
Порядковый номер детали
714
24
24
Артикул: 80-8101760
нет в наличии
Крышка
Количество на схеме: 1
Информация
Крышка
Количество
1
Модель
80
Группа
Отопление и вентиляция кабины
Подгруппа
Отопитель (кузова)
Порядковый номер детали
760
25
25
Артикул: М6-6gx20-88-35-019
нет в наличии
Болт
Количество на схеме: 2
Информация
Болт
Количество
2
Примечание
ГОСТ 7798-70
26
26
Артикул: 6Т
нет в наличии
Шайба
Количество на схеме: 11
Информация
Шайба
Количество
11
Примечание
ОСТ 37.001.115-75
27
27
Артикул: С6-01-019
нет в наличии
Шайба
Количество на схеме: 4
Информация
Шайба
Количество
4
Примечание
ГОСТ 6958-78
28
28
Артикул: 80-8104070
нет в наличии
Фильтр
Количество на схеме: 2
Информация
Фильтр
Количество
2
Модель
80
Группа
Отопление и вентиляция кабины
Подгруппа
Вентиляция кабины (кузова)
Порядковый номер детали
070
29
29
Артикул: 80-8101820
нет в наличии
Подвеска
Количество на схеме: 1
Информация
Подвеска
Количество
1
Модель
80
Группа
Отопление и вентиляция кабины
Подгруппа
Отопитель (кузова)
Порядковый номер детали
820
30
30
Артикул: 128-8101060
нет в наличии
Радиатор отопителя
Количество на схеме: 1
Информация
Радиатор отопителя
Количество
1
Модель
128
Группа
Отопление и вентиляция кабины
Подгруппа
Отопитель (кузова)
Порядковый номер детали
060
30
30
Артикул: 1522-8101060
нет в наличии
Радиатор
Количество на схеме: 1
Информация
Радиатор
Количество
1
Модель
1522
Группа
Отопление и вентиляция кабины
Подгруппа
Отопитель (кузова)
Порядковый номер детали
060
30
30
Артикул: 90-8101060
нет в наличии
Радиатор отопителя
Количество на схеме: 1
Информация
Радиатор отопителя
Количество
1
Модель
90
Группа
Отопление и вентиляция кабины
Подгруппа
Отопитель (кузова)
Порядковый номер детали
060
31
31
Артикул: 1522-8101104
нет в наличии
Крышка
Количество на схеме: 1
Информация
Крышка
Количество
1
Модель
1522
Группа
Отопление и вентиляция кабины
Подгруппа
Отопитель (кузова)
Порядковый номер детали
104
32
32
Артикул: 80-8101201
нет в наличии
Кронштейн
Количество на схеме: 2
Информация
Кронштейн
Количество
2
Модель
80
Группа
Отопление и вентиляция кабины
Подгруппа
Отопитель (кузова)
Порядковый номер детали
201
33
33
Артикул: ЭВИ12-102
нет в наличии
Вентилятор
Количество на схеме: 1
Информация
Вентилятор
Количество
1
34
34
Артикул: 1522-8101101
нет в наличии
Косынка
Количество на схеме: 1
Информация
Косынка
Количество
1
Модель
1522
Группа
Отопление и вентиляция кабины
Подгруппа
Отопитель (кузова)
Порядковый номер детали
101
35
35
Артикул: 1522-8101102
нет в наличии
Стенка
Количество на схеме: 1
Информация
Стенка
Количество
1
Модель
1522
Группа
Отопление и вентиляция кабины
Подгруппа
Отопитель (кузова)
Порядковый номер детали
102
37
37
Артикул: 80-8100014-01
нет в наличии
Стержень
Количество на схеме: 1
Информация
Стержень
Количество
1
Модель
80
Группа
Отопление и вентиляция кабины
Подгруппа
Отопление и вентиляция
Порядковый номер детали
014
38
38
Артикул: В-М6-6gx20-58-019
нет в наличии
Винт
Количество на схеме: 6
Информация
Винт
Количество
6
Примечание
ГОСТ 17474-80
39
39
Артикул: 80-8100011-Б
нет в наличии
Крышка
Количество на схеме: 1
Информация
Крышка
Количество
1
Модель
80
Группа
Отопление и вентиляция кабины
Подгруппа
Отопление и вентиляция
Порядковый номер детали
011
40
40
Артикул: 80-8100012
нет в наличии
Заслонка
Количество на схеме: 2
Информация
Заслонка
Количество
2
Модель
80
Группа
Отопление и вентиляция кабины
Подгруппа
Отопление и вентиляция
Порядковый номер детали
012
41
41
Артикул: М8-6Н-6-019
нет в наличии
Гайка
Количество на схеме: 4
Информация
Гайка
Количество
4
Примечание
ГОСТ 5915-70
42
42
Артикул: С8-01-019
нет в наличии
Шайба
Количество на схеме: 2
Информация
Шайба
Количество
2
Примечание
ГОСТ 6958-78
43
43
Артикул: 80-8102015
нет в наличии
Шланг L=700 мм
Количество на схеме: 1
Информация
Шланг L=700 мм
Количество
1
Примечание
L=2230 мм
Модель
80
Группа
Отопление и вентиляция кабины
Подгруппа
Обогрев ветрового стекла
Порядковый номер детали
015
44
44
Артикул: М8-6gx35-88-35-019
нет в наличии
Болт
Количество на схеме: 2
Информация
Болт
Количество
2
Примечание
ГОСТ 7796-70
45
45
Артикул: A30-04-017-01
нет в наличии
Колпачек
Количество на схеме: 2
Информация
Колпачек
Количество
2
46
46
Артикул: 80-8100100
нет в наличии
Панель
Количество на схеме: 1
Информация
Панель
Количество
1
Модель
80
Группа
Отопление и вентиляция кабины
Подгруппа
Отопление и вентиляция
Порядковый номер детали
100
47
47
Артикул: 70-6702111
нет в наличии
Угольник
Количество на схеме: 2
Информация
Угольник
Количество
2
Модель
70
Подгруппа
6702
Порядковый номер детали
111
48
48
Артикул: М6-6gx16-88-35-019
нет в наличии
Болт
Количество на схеме: 2
Информация
Болт
Количество
2
Примечание
ГОСТ 7798-70
49
49
Артикул: 80-8101713
нет в наличии
Обивка
Количество на схеме: 1
Информация
Обивка
Количество
1
Модель
80
Группа
Отопление и вентиляция кабины
Подгруппа
Отопитель (кузова)
Порядковый номер детали
713
50
50
Артикул: 8Т
нет в наличии
Шайба
Количество на схеме: 4
Информация
Шайба
Количество
4
Примечание
ОСТ 37.001.115-75
51
51
Артикул: BC-11
нет в наличии
Кран
Количество на схеме: 1
Информация
Кран
Количество
1
52
52
Артикул: 80-8102015-03
нет в наличии
Шланг L=500 мм
Количество на схеме: 1
Информация
Шланг L=500 мм
Количество
1
Примечание
L=550 мм
Модель
80
Группа
Отопление и вентиляция кабины
Подгруппа
Обогрев ветрового стекла
Порядковый номер детали
015
53
53
Артикул: 80-8101021
нет в наличии
Шланг
Количество на схеме: 1
Информация
Шланг
Количество
1
Модель
80
Группа
Отопление и вентиляция кабины
Подгруппа
Отопитель (кузова)
Порядковый номер детали
021
54
54
Артикул: 80-8101811
нет в наличии
Накладка
Количество на схеме: 1
Информация
Накладка
Количество
1
Модель
80
Группа
Отопление и вентиляция кабины
Подгруппа
Отопитель (кузова)
Порядковый номер детали
811
55
55
Артикул: М8-6gx20-88-35-019
нет в наличии
Болт
Количество на схеме: 2
Информация
Болт
Количество
2
Примечание
ГОСТ 7796-70
56
56
Артикул: В-М5-6gx10-58-019
нет в наличии
Винт
Количество на схеме: 2
Информация
Винт
Количество
2
Примечание
ГОСТ 17473-80
57
57
Артикул: М5-6Н-6-019
нет в наличии
Гайка ГОСТ 5915-70
Количество на схеме: 2
Информация
Гайка ГОСТ 5915-70
Количество
2
Примечание
ГОСТ 5915-70
58
58
Артикул: С5-01-019
нет в наличии
Шайба
Количество на схеме: 2
Информация
Шайба
Количество
2
Примечание
ГОСТ 11371-78
59
59
Артикул: 5Т
нет в наличии
Шайба
Количество на схеме: 2
Информация
Шайба
Количество
2
Примечание
ОСТ 37.001.115-75
60
60
Артикул: 822-8101021
нет в наличии
Шланг
Количество на схеме: 1
Информация
Шланг
Количество
1
Модель
822
Группа
Отопление и вентиляция кабины
Подгруппа
Отопитель (кузова)
Порядковый номер детали
021
61
61
Артикул: ХС-23
нет в наличии
Хомут
Количество на схеме: 2
Информация
Хомут
Количество
2
62
62
Артикул: 80-8102015
нет в наличии
Шланг L=700 мм
Количество на схеме: 1
Информация
Шланг L=700 мм
Количество
1
Модель
80
Группа
Отопление и вентиляция кабины
Подгруппа
Обогрев ветрового стекла
Порядковый номер детали
015
63
63
Артикул: ПО11
нет в наличии
Кран
Количество на схеме: 1
Информация
Кран
Количество
1
  • Грузовые автомобили
  • Автобусы
  • Сельхозтехника
  • Спецтехника
  • Двигатели
Получить оптовый прайс-лист
Скачать прайс-лист от 07.05.2026 16:00
Специальное предложение от 07.05.2026 17:00
Производители:


  • WEICHAI
  • Автодизель ПАО (ЯМЗ)
  • Тутаевский МЗ
  • ЯЗДА
  • УралАЗ
  • МАЗ
  • АЗПИ
  • BOSCH
  • ММЗ
  • ШААЗ
  • FEDERAL MOGUL
  • ПРАМО
  • Мотордеталь
  • ТАИМ
  • АвтоКрАЗ
  • БЕЛКАРД
  • CZ Strakonice
  • КамАЗ
  • БЗА
  • ЧМЗ
  • BMZ
Новости
Все новости
25 марта 2024
Флагманский седельный тягач «Валдай 45» на выставке «TransRussia»
10 марта 2024
Современные автобусы «CITYMAX 9» и ЛиАЗ-5292 CNG
25 февраля 2024
Серийное производство средних дизельных двигателей повышенной мощности от ЯМЗ
Статьи
Все статьи
Датчики двигателя: за что они отвечают, признаки неисправности и как не прогадать с выбором
Двигатели ЯМЗ-534: история, технические характеристики и области применения
Двигатели ЯМЗ 650: углублённый технический обзор и история
Компания
О компании
Реквизиты
Новости
Политика
Магазины
Информация
Условия оплаты
Условия доставки
Гарантия на товар
Обмен и возврат товара
Помощь
Как оформить заказ
Полезные статьи
Бренды
Пункты выдачи
Оставайтесь на связи
  • Вконтакте
  • YouTube
  • Одноклассники
  • Google Plus
Увидели ошибку?
Выделите, нажав Ctrl + Enter
Наши контакты
8-800-700-35-68
sales@din76.ru
г. Ярославль, Ленинградский пр-т 33, ТЦ "ОМЕГА"
2026 © ООО «Динамика 76» - Все права защищены ООО "Динамика 76"
Предложения на сайте не являются публичной офертой.
На сайте обнаружена ошибка

Текст с ошибкой