Избранное 0 Корзина 0 Личный кабинет
logo
Каталог
Каталог
  • Справочник
    • Грузовые автомобили
    • Автобусы
    • Сельхозтехника
    • Спецтехника
    • Двигатели
  • Доставка
  • Оплата
  • О компании
    • Реквизиты
    • Магазины
    • Оплата
    • Доставка
    • Лицензии и сертификаты
    • Новости
    • Вакансии
  • Контакты
Отправить заявку
Личный кабинет
8 (800) 700-35-68
sales@din76.ru
Избранное 0 Корзина 0
8 (800) 700-35-68
Оптовый прайс-лист
Каталог
  • Двигатели
  • Запчасти WEICHAI
  • Запчасти ЯМЗ, ТМЗ (V-образные)
  • Запчасти ЯМЗ-534, ЯМЗ-536
  • Запчасти ЯМЗ-650, ЯМЗ-651, DCi-11
  • Топливная аппаратура
  • Запчасти УРАЛ
  • Запчасти МАЗ
  • Запчасти КамАЗ
  • Запчасти ММЗ
  • Ремни
Автокаталог (справочник)
  • Доставка
  • Оплата
  • О компании
  • Контакты
8 (800) 700-35-68
Написать в Whatsapp
sales@din76.ru
Динамика 76
Меню  
  • Каталог
    • Двигатели  
      • Двигатели ТМЗ  
        • Двигатели ТМЗ для автомобилей
        • Двигатели ТМЗ для тракторов
        • Специальные двигатели ТМЗ
        • Промышленные двигатели ТМЗ
      • Двигатели ЯМЗ  
        • ЯМЗ 236
        • ЯМЗ 238
        • ЯМЗ 240
        • ЯМЗ 751
        • ЯМЗ 840
        • ЯМЗ 850
        • ЯМЗ 656
        • ЯМЗ 658
        • ЯМЗ 534
        • ЯМЗ 536
        • ЯМЗ 650
        • Двигатели ЯМЗ для электростанций
      • Двигатели КАМАЗ
      • Двигатели ММЗ
      • Двигатели индивидуальной сборки
      • Комплекты переоборудования
    • Запчасти WEICHAI  
      • Основные запчасти двигателя  
        • Клапаны и толкатели
        • Шатуны
        • Вал коленчатый и маховик
        • Вал распределительный
        • Цилиндро-поршневая группа
      • Система питания  
        • Форсунки
        • Турбокомпрессор
      • Система смазки  
        • Насос масляный
      • Головка блока
      • Ремкомплекты
      • Система охлаждения  
        • Насос водяной
        • Муфта вязкостная и крыльчатка
      • Фильтры
      • Электрооборудование  
        • Генератор
        • Стартер
    • Запчасти ЯМЗ, ТМЗ (V-образные)  
      • Основные запчасти двигателя  
        • Блок двигателя и комплектующие
        • Валы распределительные и клапаны
        • Головка блока и комплектующие
        • Цилиндро-поршневая группа
        • Маховики и комплектующие
        • Валы коленчатые и комплектующие
        • Шатуны и комплектующие
      • Система питания  
        • Коллекторы и патрубки
        • Топливные трубопроводы
        • Турбокомпрессор
        • Топливные фильтры
      • Электрооборудование двигателя
      • Система охлаждения  
        • Вязкостные муфты и крыльчатки
        • Приводы вентилятора
        • Водяные насосы
        • Водяные трубы и термостаты
      • Коробки переключения передач  
        • 8 Ступенчатые КПП
        • 5 Ступенчатые КПП
        • 9 Ступенчатые КПП
        • Запасные части КПП ЯМЗ, ТМЗ
      • Система смазки  
        • Теплообменник и комплектующие
        • Масляные насосы
        • Фильтры масляные (ФГОМ, ФЦОМ)
      • Сцепление  
        • Запасные части механизма сцепления
        • Муфты (подшипники выжимные)
        • Корзины (диски нажимные)
        • Диски ведомые
      • Прочие запчасти двигателя  
        • Ремкомплекты
        • Привод агрегатов
        • Натяжные устройства
        • Трубки
    • Запчасти ЯМЗ-534, ЯМЗ-536  
      • Основные запчасти двигателя  
        • Цилиндро-поршневая группа
        • Головка блока цилиндров и комплектующие
        • Блок цилиндров и комплектующие
        • Вал коленчатый и маховик
        • Вал распределительный
        • Клапаны и толкатели
        • ГУР (Гидроусилитель руля)
        • Система рециркуляции отработавших газов
        • Выпускной коллектор
      • Система питания  
        • Коллекторы и патрубки
        • Топливные фильтры
        • Турбокомпрессор
        • Топливные трубопроводы
      • Система смазки  
        • Масляный картер поддон
        • Масляный насос
        • Теплообменник /Водо-масляный радиатор
        • Фильтры масляные (ФГОМ, ФЦОМ)
      • Пневмокомпрессор и натяжное
      • Система охлаждения  
        • Водяной насос
        • Водяные трубы и патрубки
        • Муфты вязкостные, приводы, крыльчатки
      • Ремкомплекты
      • Сцепление
      • Электрооборудование
    • Запчасти ЯМЗ-650, ЯМЗ-651, DCi-11  
      • Основные запчасти двигателя  
        • Цилиндро-поршневая группа
        • Головка блока цилиндров и комплектующие
        • Блок цилиндров и комплектующие
        • Вал коленчатый и маховик
        • Выпускной коллектор
        • Вал распределительный
        • Клапаны и толкатели
        • ГУР (Гидроусилитель руля)
        • Система рециркуляции отработавших газов
      • Система питания  
        • Коллекторы и патрубки
        • Топливные трубопроводы
        • Топливные фильтры
        • Турбокомпрессор
      • Система смазки  
        • Масляный картер / поддон
        • Масляный насос
        • Теплообменник / Водо-масляный радиатор
        • Фильтры масляные (ФГОМ, ФЦОМ)
      • Система охлаждения  
        • Водяной насос
        • Водяные трубы и патрубки
        • Муфты вязкостные, приводы, крыльчатки
      • Ремкомплекты
      • Пневмокомпрессор и натяжное
      • Электрооборудование
      • Сцепление
    • Топливная аппаратура  
      • ЯЗДА  
        • Распылители
        • ТНВД
        • Форсунки
        • Топливный насос низкого давления
        • Пары плунжерные
        • Муфта опережения впрыска топлива
        • Запчасти и комплектующие ТНВД
      • НЗТА
      • АЗПИ  
        • Распылители
        • Форсунки
      • BOSCH
    • Запчасти УРАЛ  
      • Трансмиссия  
        • Коробка раздаточная
        • Передача карданная
        • Мост задний
        • Мост передний (ведущий)
        • Мост средний (промежуточный)
      • Кузов  
        • Дверь кабины
        • Капот, крылья, облицовка радиатора
        • Окно ветровое и заднее
        • Отопление и вентиляция кабины
        • Кабина
      • Механизмы управления  
        • Управление рулевое
        • Тормоза
      • Дополнительное оборудование  
        • Отбор мощности
        • Устройство седельное
      • Электрооборудование
      • Ходовая часть  
        • Колеса и ступицы
        • Ось передняя
        • Подвеска автомобиля
        • Рама
    • Запчасти МАЗ  
      • Трансмиссия  
        • Мост задний
        • Мост передний (ведущий)
        • Передача карданная
        • Мост средний (промежуточный)
      • Кузов  
        • Кабина
        • Дверь кабины
        • Детали основания кабины
        • Окно ветровое и заднее
        • Платформа
      • Механизмы управления  
        • Тормоза
        • Управление рулевое
      • Ходовая часть  
        • Колеса и ступицы
        • Ось передняя
        • Подвеска автомобиля
        • Рама
    • Запчасти КамАЗ  
      • Кузов  
        • Кабина
        • Капот, крылья, облицовка радиатора
        • Дверь кабины
        • Платформа
        • Окно ветровое и заднее
        • Устройство подъемное и опрокидывающее
        • Сиденье
        • Крыша кабины (крыша кузова)
        • Отопление и вентиляция кабины
      • Трансмиссия  
        • Коробка передач
        • Коробка раздаточная
        • Мост задний
        • Сцепление
        • Мост средний (промежуточный)
        • Передача карданная
        • Мост передний (ведущий)
      • Двигатель  
        • Основные запчасти двигателя
        • Система охлаждения
        • Система питания
        • Система смазки
      • Дополнительное оборудование  
        • Отбор мощности
        • Устройство седельное
      • Ходовая часть  
        • Подвеска автомобиля
        • Рама
        • Колеса и ступицы
        • Ось передняя
      • Механизмы управления  
        • Тормоза
        • Управление рулевое
      • Электрооборудование
    • Запчасти ММЗ
    • Ремни
  • Справочник
    • Грузовые автомобили
    • Автобусы
    • Сельхозтехника
    • Спецтехника
    • Двигатели
  • Как купить
    • Условия оплаты
    • Условия доставки
    • Гарантия на товар
    • Пункты выдачи
  • Услуги
    • Капитальный ремонт двигателей ЯМЗ
  • Акции
  • Статьи
  • Контакты
  • Компания
    • Реквизиты
    • Магазины
    • Оплата
    • Доставка
    • Лицензии и сертификаты
    • Новости
    • Вакансии
Избранное 0 Корзина 0
8-800-700-35-68

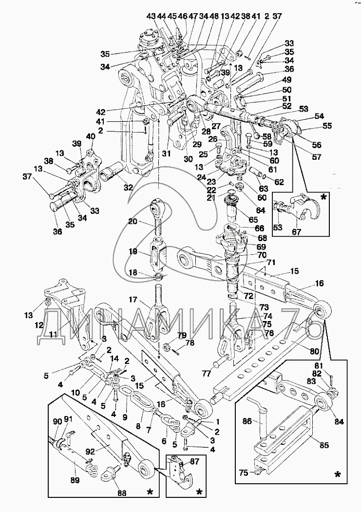
Механизм задней навески на 1025.5 (до 2013 г.)

Справочник
Главная
-
Автокаталог
-
Сельхозтехника
-
МТЗ
-
1025.5
Справочный каталог

Механизм задней навески — 1025.5:

1220-4605012-Б 1220-4605030-Б-02 1220-4605030-Б-04 1220-4605150-Б-01 1220-4605610-01 1220-4605612-01 80-4605280 80-4605690 822-4605510 А61.03.000 А61.03.000 А61.03.000-01 А61.03.000-01 1 2 2 2 2 2 3 3 3 4 4 4 4 5 5 5 5 6 7 8 8 9 10 11 11 11 12 13 13 13 13 13 13 13 14 15 15 16 16 16 16 17 17 17 18 19 20 21 22 23 24 25 26 27 28 29 30 31 32 33 33 34 34 34 34 35 35 35 36 36 37 37 38 38 39 39 40 41 41 41 42 42 43 44 45 46 47 48 49 50 51 52 53 53 54 54 54 55 56 56 56 57 58 59 60 60 61 62 63 64 65 66 67 68 69 70 71 72 73 74 74 74 75 75 76 77 77 77 78 79 80 81 82 83 84 85 85 86 87 87 87 87 87 87 87 88 89 90 91 92 92 92 92 92 92 92
в наличии
нет в наличии
масштаб

В наличии
Нет в наличии

Перечень комплектующих от Механизм задней навески на 1025.5

Схемы запчастей предназначены для справочных целей! Мы продаем не все запчасти от Механизм задней навески на 1025.5, представленные в этом списке.
Наличие на складах по деталям с ценой смотрите в карточке товара.
Артикул: 1220-4605012-Б
нет в наличии
Раскос винтовой
Количество на схеме: 1
Информация
Раскос винтовой
Количество
1
Примечание
17-20
Модель
1220
Подгруппа
4605
Порядковый номер детали
012
Артикул: 1220-4605030-Б-02
нет в наличии
Тяга L=38 мм
Количество на схеме: 2
Информация
Тяга L=38 мм
Количество
2
Примечание
1,15,16,78,79 b=38 мм
Модель
1220
Подгруппа
4605
Порядковый номер детали
030
Артикул: 1220-4605030-Б-04
нет в наличии
Тяга L=45 мм
Количество на схеме: 2
Информация
Тяга L=45 мм
Количество
2
Примечание
1,15,16,78,79 b=45 мм По заказу
Модель
1220
Подгруппа
4605
Порядковый номер детали
030
Артикул: 1220-4605150-Б-01
нет в наличии
Раскос регулируемый
Количество на схеме: 1
Информация
Раскос регулируемый
Количество
1
Примечание
13,21-26,49-51,58-74
Модель
1220
Подгруппа
4605
Порядковый номер детали
150
Артикул: 1220-4605610-01
нет в наличии
Раскос регулируемый
Количество на схеме: 1
Информация
Раскос регулируемый
Количество
1
Примечание
под цельную тягу
Модель
1220
Подгруппа
4605
Порядковый номер детали
610
Артикул: 1220-4605612-01
нет в наличии
Раскос винтовой
Количество на схеме: 1
Информация
Раскос винтовой
Количество
1
Примечание
под цельную тягу По заказу
Модель
1220
Подгруппа
4605
Порядковый номер детали
612
Артикул: 80-4605280
нет в наличии
Стяжка телескопическая
Количество на схеме: 2
Информация
Стяжка телескопическая
Количество
2
Примечание
89-91
Модель
80
Подгруппа
4605
Порядковый номер детали
280
Артикул: 80-4605690
нет в наличии
Тяга верхняя
Количество на схеме: 1
Информация
Тяга верхняя
Количество
1
Примечание
28,52-56,67 По заказу
Модель
80
Подгруппа
4605
Порядковый номер детали
690
Артикул: 822-4605510
нет в наличии
Устройство навесное
Количество на схеме: 1
Информация
Устройство навесное
Количество
1
Примечание
1-66,68-79
Модель
822
Подгруппа
4605
Порядковый номер детали
510
Артикул: А61-03-000
нет в наличии
Тяга в сборе
Количество на схеме: 1
Информация
Тяга в сборе
Количество
1
Примечание
28,52-57 поз.54 22 мм
Артикул: А61-03-000
нет в наличии
Тяга в сборе
Количество на схеме: 1
Информация
Тяга в сборе
Количество
1
Артикул: А61-03-000-01
нет в наличии
Тяга верхняя
Количество на схеме: 1
Информация
Тяга верхняя
Количество
1
Примечание
28,52-57 поз.54 25 мм По заказу
Артикул: А61-03-000-01
нет в наличии
Тяга верхняя
Количество на схеме: 1
Информация
Тяга верхняя
Количество
1
Примечание
По заказу
1
1
Артикул: 1220-4605108-01
нет в наличии
Проушина
Количество на схеме: 2
Информация
Проушина
Количество
2
Модель
1220
Подгруппа
4605
Порядковый номер детали
108
2
2
Артикул: 3,2х25-019
нет в наличии
Шплинт
Количество на схеме: 8
Информация
Шплинт
Количество
8
Примечание
ГОСТ 397-79
3
3
Артикул: М12-6Н-04-019
нет в наличии
Гайка
Количество на схеме: 8
Информация
Гайка
Количество
8
Примечание
ГОСТ 5919-73
4
4
Артикул: 50-4605086
нет в наличии
Болт серьги
Количество на схеме: 8
Информация
Болт серьги
Количество
8
Модель
50
Подгруппа
4605
Порядковый номер детали
086
5
5
Артикул: А61-09-002
нет в наличии
Серьга
Количество на схеме: 8
Информация
Серьга
Количество
8
6
6
Артикул: 1220-4605058
нет в наличии
Винт
Количество на схеме: 2
Информация
Винт
Количество
2
Модель
1220
Подгруппа
4605
Порядковый номер детали
058
7
7
Артикул: М20-6Н-04-019
нет в наличии
Гайка
Количество на схеме: 2
Информация
Гайка
Количество
2
Примечание
ГОСТ 5916-70
8
8
Артикул: 1220-4605580
нет в наличии
Стяжка
Количество на схеме: 2
Информация
Стяжка
Количество
2
Примечание
6-9
Модель
1220
Подгруппа
4605
Порядковый номер детали
580
8
8
Артикул: А61-04-003-01
нет в наличии
Стяжка
Количество на схеме: 2
Информация
Стяжка
Количество
2
9
9
Артикул: 1220-4605058-01
нет в наличии
Винт
Количество на схеме: 2
Информация
Винт
Количество
2
Модель
1220
Подгруппа
4605
Порядковый номер детали
058
10
10
Артикул: 40-4605098
нет в наличии
Кольцо
Количество на схеме: 2
Информация
Кольцо
Количество
2
Модель
40
Подгруппа
4605
Порядковый номер детали
098
11
11
Артикул: 80-4605091
нет в наличии
Кронштейн левый
Количество на схеме: 1
Информация
Кронштейн левый
Количество
1
Примечание
правый
Модель
80
Подгруппа
4605
Порядковый номер детали
091
11
11
Артикул: 80-4605091-01
нет в наличии
Кронштейн левый
Количество на схеме: 1
Информация
Кронштейн левый
Количество
1
Примечание
левый
Модель
80
Подгруппа
4605
Порядковый номер детали
091
12
12
Артикул: М16х1,5-6Н-6-019
нет в наличии
Гайка
Количество на схеме: 8
Информация
Гайка
Количество
8
Примечание
ГОСТ 5915-70
13
13
Артикул: 16-ОТ
нет в наличии
Шайба
Количество на схеме: 16
Информация
Шайба
Количество
16
Примечание
ОСТ 37.001.115-75
14
14
Артикул: Н50-4605060
нет в наличии
Цепочка с кольцом
Количество на схеме: 2
Информация
Цепочка с кольцом
Количество
2
Модель
Н50
Подгруппа
4605
Порядковый номер детали
060
15
15
Артикул: 1220-4605050-Б-01
нет в наличии
Тяга
Количество на схеме: 2
Информация
Тяга
Количество
2
Примечание
с цепочкой
Модель
1220
Подгруппа
4605
Порядковый номер детали
050
16
16
Артикул: 1220-4605040
нет в наличии
Тяга
Количество на схеме: 2
Информация
Тяга
Количество
2
Примечание
шарнир b=38 мм
Модель
1220
Подгруппа
4605
Порядковый номер детали
040
16
16
Артикул: 1220-4605040-02
нет в наличии
Тяга
Количество на схеме: 2
Информация
Тяга
Количество
2
Примечание
шарнир b=45 мм По заказу
Модель
1220
Подгруппа
4605
Порядковый номер детали
040
17
17
Артикул: 1220-4605200-Б
нет в наличии
Вилка
Количество на схеме: 1
Информация
Вилка
Количество
1
Модель
1220
Подгруппа
4605
Порядковый номер детали
200
17
17
Артикул: 1220-4605620-Б
нет в наличии
Вилка
Количество на схеме: 1
Информация
Вилка
Количество
1
Примечание
под цельную тягу По заказу
Модель
1220
Подгруппа
4605
Порядковый номер детали
620
18
18
Артикул: 142-4605424
нет в наличии
Контргайка
Количество на схеме: 1
Информация
Контргайка
Количество
1
Модель
142
Подгруппа
4605
Порядковый номер детали
424
19
19
Артикул: 142-4605422
нет в наличии
Стяжка
Количество на схеме: 1
Информация
Стяжка
Количество
1
Модель
142
Подгруппа
4605
Порядковый номер детали
422
20
20
Артикул: 1220-4605075
нет в наличии
Винт
Количество на схеме: 1
Информация
Винт
Количество
1
Модель
1220
Подгруппа
4605
Порядковый номер детали
075
21
21
Артикул: 142-4605403
нет в наличии
Ограничитель
Количество на схеме: 1
Информация
Ограничитель
Количество
1
Модель
142
Подгруппа
4605
Порядковый номер детали
403
22
22
Артикул: А61-01-005
нет в наличии
Заклепка
Количество на схеме: 1
Информация
Заклепка
Количество
1
23
23
Артикул: 142-4605421
нет в наличии
Прокладка
Количество на схеме: 1
Информация
Прокладка
Количество
1
Модель
142
Подгруппа
4605
Порядковый номер детали
421
24
24
Артикул: 142-4605418-Б
нет в наличии
Крышка
Количество на схеме: 1
Информация
Крышка
Количество
1
Модель
142
Подгруппа
4605
Порядковый номер детали
418
25
25
Артикул: 142-4605408
нет в наличии
Болт
Количество на схеме: 2
Информация
Болт
Количество
2
Модель
142
Подгруппа
4605
Порядковый номер детали
408
26
26
Артикул: 1220-4605668-Б
нет в наличии
Серьга
Количество на схеме: 1
Информация
Серьга
Количество
1
Модель
1220
Подгруппа
4605
Порядковый номер детали
668
27
27
Артикул: 1220-4605501
нет в наличии
Кронштейн правый
Количество на схеме: 1
Информация
Кронштейн правый
Количество
1
Модель
1220
Подгруппа
4605
Порядковый номер детали
501
28
28
Артикул: А61-02-100-03
нет в наличии
Винт
Количество на схеме: 1
Информация
Винт
Количество
1
29
29
Артикул: А61-05-005
нет в наличии
Чека
Количество на схеме: 1
Информация
Чека
Количество
1
30
30
Артикул: А61-05-004
нет в наличии
Кольцо
Количество на схеме: 1
Информация
Кольцо
Количество
1
31
31
Артикул: А61-10-001-02
нет в наличии
Палец
Количество на схеме: 1
Информация
Палец
Количество
1
32
32
Артикул: 1220-4605502
нет в наличии
Втулка
Количество на схеме: 2
Информация
Втулка
Количество
2
Модель
1220
Подгруппа
4605
Порядковый номер детали
502
33
33
Артикул: 1220-4605504
нет в наличии
Пластина
Количество на схеме: 2
Информация
Пластина
Количество
2
Модель
1220
Подгруппа
4605
Порядковый номер детали
504
34
34
Артикул: 12-ОТ
нет в наличии
Шайба
Количество на схеме: 4
Информация
Шайба
Количество
4
Примечание
ОСТ 37.001.115-75
35
35
Артикул: М12-6gх25-88-35-019
нет в наличии
Болт ГОСТ 7796-70
Количество на схеме: 4
Информация
Болт ГОСТ 7796-70
Количество
4
Примечание
ГОСТ 7796-70
36
36
Артикул: 1220-4605503
нет в наличии
Палец
Количество на схеме: 2
Информация
Палец
Количество
2
Модель
1220
Подгруппа
4605
Порядковый номер детали
503
37
37
Артикул: 70-2800016-01
нет в наличии
Болт
Количество на схеме: 2
Информация
Болт
Количество
2
Модель
70
Группа
Рама
Подгруппа
Рама в сборе
Порядковый номер детали
016
38
38
Артикул: 1220-4605506
нет в наличии
Болт
Количество на схеме: 6
Информация
Болт
Количество
6
Модель
1220
Подгруппа
4605
Порядковый номер детали
506
39
39
Артикул: 1220-4605507
нет в наличии
Штифт
Количество на схеме: 2
Информация
Штифт
Количество
2
Модель
1220
Подгруппа
4605
Порядковый номер детали
507
40
40
Артикул: 1220-4605501-01
нет в наличии
Кронштейн левый
Количество на схеме: 1
Информация
Кронштейн левый
Количество
1
Модель
1220
Подгруппа
4605
Порядковый номер детали
501
41
41
Артикул: М20х1,5-6Н-04-019
нет в наличии
Гайка
Количество на схеме: 2
Информация
Гайка
Количество
2
Примечание
ГОСТ 5919-73
42
42
Артикул: 142-4605076
нет в наличии
Палец
Количество на схеме: 2
Информация
Палец
Количество
2
Модель
142
Подгруппа
4605
Порядковый номер детали
076
43
43
Артикул: 1220-4605675
нет в наличии
Кронштейн
Количество на схеме: 1
Информация
Кронштейн
Количество
1
Модель
1220
Подгруппа
4605
Порядковый номер детали
675
44
44
Артикул: 50-4605069
нет в наличии
Втулка
Количество на схеме: 1
Информация
Втулка
Количество
1
Модель
50
Подгруппа
4605
Порядковый номер детали
069
45
45
Артикул: М12-6gх35-88-35-019
нет в наличии
Болт
Количество на схеме: 1
Информация
Болт
Количество
1
Примечание
ГОСТ 7796-70
46
46
Артикул: С12-01-019
нет в наличии
Шайба
Количество на схеме: 1
Информация
Шайба
Количество
1
Примечание
ГОСТ 11371-78
47
47
Артикул: А61-07-002
нет в наличии
Пружина
Количество на схеме: 1
Информация
Пружина
Количество
1
48
48
Артикул: М12-6Н-6-019
нет в наличии
Гайка
Количество на схеме: 1
Информация
Гайка
Количество
1
Примечание
ГОСТ 5915-70
49
49
Артикул: А61-01-016
нет в наличии
Ось
Количество на схеме: 1
Информация
Ось
Количество
1
50
50
Артикул: А-61-01-600
нет в наличии
Вал
Количество на схеме: 1
Информация
Вал
Количество
1
51
51
Артикул: А61-01-400
нет в наличии
Вилка
Количество на схеме: 1
Информация
Вилка
Количество
1
52
52
Артикул: А61-03-100
нет в наличии
Труба
Количество на схеме: 1
Информация
Труба
Количество
1
53
53
Артикул: А61-02-003
нет в наличии
Контргайка
Количество на схеме: 1
Информация
Контргайка
Количество
1
54
54
Артикул: А61-03-001-01
нет в наличии
Палец диаметр 25 мм
Количество на схеме: 1
Информация
Палец диаметр 25 мм
Количество
1
Примечание
25 мм По заказу
54
54
Артикул: А61-03-001-02
нет в наличии
Палец
Количество на схеме: 1
Информация
Палец
Количество
1
Примечание
22 мм
55
55
Артикул: А61-03-002
нет в наличии
Кольцо
Количество на схеме: 2
Информация
Кольцо
Количество
2
56
56
Артикул: А61-02-100-04
нет в наличии
Винт
Количество на схеме: 1
Информация
Винт
Количество
1
Примечание
22 мм
56
56
Артикул: А61-02-100-05
нет в наличии
Винт диаметр 25
Количество на схеме: 1
Информация
Винт диаметр 25
Количество
1
Примечание
25 мм По заказу
57
57
Артикул: А61-05-100
нет в наличии
Чека 9 звеньев
Количество на схеме: 1
Информация
Чека 9 звеньев
Количество
1
Примечание
9 звеньев
58
58
Артикул: А61-01-014
нет в наличии
Рукоятка
Количество на схеме: 1
Информация
Рукоятка
Количество
1
59
59
Артикул: М16-6gх40-88-35-019
нет в наличии
Болт
Количество на схеме: 2
Информация
Болт
Количество
2
Примечание
ГОСТ 7796-70
60
60
Артикул: А61-01-017
нет в наличии
Втулка
Количество на схеме: 2
Информация
Втулка
Количество
2
61
61
Артикул: 016-021-30-2-4
нет в наличии
Кольцо
Количество на схеме: 1
Информация
Кольцо
Количество
1
Примечание
ГОСТ 18829-73/9833-73
62
62
Артикул: 142-4605431
нет в наличии
Кольцо
Количество на схеме: 2
Информация
Кольцо
Количество
2
Модель
142
Подгруппа
4605
Порядковый номер детали
431
63
63
Артикул: 142-4605404-Б
нет в наличии
Палец
Количество на схеме: 1
Информация
Палец
Количество
1
Модель
142
Подгруппа
4605
Порядковый номер детали
404
64
64
Артикул: 142-4605413
нет в наличии
Шестерня
Количество на схеме: 1
Информация
Шестерня
Количество
1
Модель
142
Подгруппа
4605
Порядковый номер детали
413
65
65
Артикул: 142-4605425
нет в наличии
Труба
Количество на схеме: 1
Информация
Труба
Количество
1
Модель
142
Подгруппа
4605
Порядковый номер детали
425
66
66
Артикул: 8210
нет в наличии
Подшипник
Количество на схеме: 1
Информация
Подшипник
Количество
1
Примечание
ГОСТ 7872-89
67
67
Артикул: 80-4605685
нет в наличии
Захват
Количество на схеме: 1
Информация
Захват
Количество
1
Примечание
По заказу
Модель
80
Подгруппа
4605
Порядковый номер детали
685
68
68
Артикул: 1-3-Ц9-хр
нет в наличии
Масленка
Количество на схеме: 1
Информация
Масленка
Количество
1
Примечание
ГОСТ 19853-74
69
69
Артикул: 142-4605415
нет в наличии
Корпус
Количество на схеме: 1
Информация
Корпус
Количество
1
Модель
142
Подгруппа
4605
Порядковый номер детали
415
70
70
Артикул: 142-4605402
нет в наличии
Втулка
Количество на схеме: 1
Информация
Втулка
Количество
1
Модель
142
Подгруппа
4605
Порядковый номер детали
402
71
71
Артикул: 142-4605407
нет в наличии
Труба
Количество на схеме: 1
Информация
Труба
Количество
1
Модель
142
Подгруппа
4605
Порядковый номер детали
407
72
72
Артикул: 142-4605406
нет в наличии
Колпак
Количество на схеме: 1
Информация
Колпак
Количество
1
Модель
142
Подгруппа
4605
Порядковый номер детали
406
73
73
Артикул: 142-4605401
нет в наличии
Ограждение
Количество на схеме: 1
Информация
Ограждение
Количество
1
Модель
142
Подгруппа
4605
Порядковый номер детали
401
74
74
Артикул: 1220-4605100-Б
нет в наличии
Вилка
Количество на схеме: 1
Информация
Вилка
Количество
1
Модель
1220
Подгруппа
4605
Порядковый номер детали
100
74
74
Артикул: 1220-4605615
нет в наличии
Вилка
Количество на схеме: 1
Информация
Вилка
Количество
1
Примечание
под цельную тягу
Модель
1220
Подгруппа
4605
Порядковый номер детали
615
75
75
Артикул: А61-07-001
нет в наличии
Шплинт
Количество на схеме: 3
Информация
Шплинт
Количество
3
76
76
Артикул: 50-3503071
нет в наличии
Шайба
Количество на схеме: 2
Информация
Шайба
Количество
2
Модель
50
Группа
Тормоза
Подгруппа
3503
Порядковый номер детали
071
77
77
Артикул: 1220-4605084
нет в наличии
Палец
Количество на схеме: 2
Информация
Палец
Количество
2
Примечание
L=130 мм
Модель
1220
Подгруппа
4605
Порядковый номер детали
084
77
77
Артикул: 1220-4605084-01
нет в наличии
Палец
Количество на схеме: 2
Информация
Палец
Количество
2
Примечание
под цельную тягу L=100 мм
Модель
1220
Подгруппа
4605
Порядковый номер детали
084
78
78
Артикул: 5х36-019
нет в наличии
Шплинт
Количество на схеме: 2
Информация
Шплинт
Количество
2
Примечание
ГОСТ 397-79
79
79
Артикул: 70-4605316
нет в наличии
Гайка упорная
Количество на схеме: 2
Информация
Гайка упорная
Количество
2
Модель
70
Подгруппа
4605
Порядковый номер детали
316
80
80
Артикул: 1220-4605025
нет в наличии
Поперечина
Количество на схеме: 1
Информация
Поперечина
Количество
1
Модель
1220
Подгруппа
4605
Порядковый номер детали
025
81
81
Артикул: 5х45-019
нет в наличии
Шплинт 5х45.019
Количество на схеме: 2
Информация
Шплинт 5х45.019
Количество
2
Примечание
ГОСТ 397-79 По заказу
82
82
Артикул: А04-02-020
нет в наличии
Гайка
Количество на схеме: 2
Информация
Гайка
Количество
2
Примечание
По заказу
83
83
Артикул: 80-4605068
нет в наличии
Шайба
Количество на схеме: 2
Информация
Шайба
Количество
2
Примечание
По заказу
Модель
80
Подгруппа
4605
Порядковый номер детали
068
84
84
Артикул: 822-4605060
нет в наличии
Наконечник
Количество на схеме: 2
Информация
Наконечник
Количество
2
Примечание
По заказу
Модель
822
Подгруппа
4605
Порядковый номер детали
060
85
85
Артикул: 822-4605065
нет в наличии
Поперечина
Количество на схеме: 1
Информация
Поперечина
Количество
1
Примечание
По заказу
Модель
822
Подгруппа
4605
Порядковый номер детали
065
85
85
Артикул: 822-4605085
нет в наличии
Поперечина
Количество на схеме: 1
Информация
Поперечина
Количество
1
Примечание
75,81-86
Модель
822
Подгруппа
4605
Порядковый номер детали
085
86
86
Артикул: 822-4605070
нет в наличии
Шкворень
Количество на схеме: 1
Информация
Шкворень
Количество
1
Примечание
По заказу
Модель
822
Подгруппа
4605
Порядковый номер детали
070
87
87
Артикул: 1220-4605630-04
нет в наличии
Тяга правая без цепочки
Количество на схеме: 1
Информация
Тяга правая без цепочки
Количество
1
Примечание
с захватами, По заказу
Модель
1220
Подгруппа
4605
Порядковый номер детали
630
87
87
Артикул: 1220-4605630-05
нет в наличии
Тяга правая с цепочкой
Количество на схеме: 1
Информация
Тяга правая с цепочкой
Количество
1
Примечание
с захватами, По заказу
Модель
1220
Подгруппа
4605
Порядковый номер детали
630
87
87
Артикул: 1220-4605635-04
нет в наличии
Тяга левая без цепочки
Количество на схеме: 1
Информация
Тяга левая без цепочки
Количество
1
Примечание
с захватами, По заказу
Модель
1220
Подгруппа
4605
Порядковый номер детали
635
87
87
Артикул: 1220-4605635-05
нет в наличии
Тяга левая с цепочкой
Количество на схеме: 1
Информация
Тяга левая с цепочкой
Количество
1
Примечание
с захватами, По заказу
Модель
1220
Подгруппа
4605
Порядковый номер детали
635
88
88
Артикул: 1220-4605108
нет в наличии
Проушина
Количество на схеме: 2
Информация
Проушина
Количество
2
Примечание
По заказу
Модель
1220
Подгруппа
4605
Порядковый номер детали
108
89
89
Артикул: 80-4605285-Б
нет в наличии
Труба
Количество на схеме: 2
Информация
Труба
Количество
2
Примечание
По заказу
Модель
80
Подгруппа
4605
Порядковый номер детали
285
90
90
Артикул: 80-4605284
нет в наличии
Винт
Количество на схеме: 2
Информация
Винт
Количество
2
Примечание
По заказу
Модель
80
Подгруппа
4605
Порядковый номер детали
284
91
91
Артикул: 80-4605292
нет в наличии
Защелка
Количество на схеме: 2
Информация
Защелка
Количество
2
Примечание
По заказу
Модель
80
Подгруппа
4605
Порядковый номер детали
292
92
92
Артикул: 1220-4605530-04
нет в наличии
Тяга без цепочки
Количество на схеме: 2
Информация
Тяга без цепочки
Количество
2
Примечание
b=38 мм, По заказу
Модель
1220
Подгруппа
4605
Порядковый номер детали
530
92
92
Артикул: 1220-4605530-05
нет в наличии
Тяга с цепочкой
Количество на схеме: 2
Информация
Тяга с цепочкой
Количество
2
Примечание
b=38 мм, По заказу
Модель
1220
Подгруппа
4605
Порядковый номер детали
530
92
92
Артикул: 1220-4605530-06
нет в наличии
Тяга без цепочки
Количество на схеме: 2
Информация
Тяга без цепочки
Количество
2
Примечание
b=45 мм, По заказу
Модель
1220
Подгруппа
4605
Порядковый номер детали
530
92
92
Артикул: 1220-4605530-07
нет в наличии
Тяга с цепочкой
Количество на схеме: 2
Информация
Тяга с цепочкой
Количество
2
Примечание
b=45 мм, По заказу
Модель
1220
Подгруппа
4605
Порядковый номер детали
530
  • Грузовые автомобили
  • Автобусы
  • Сельхозтехника
  • Спецтехника
  • Двигатели
Получить оптовый прайс-лист
Скачать прайс-лист от 08.05.2026 12:00
Специальное предложение от 08.05.2026 13:00
Производители:


  • WEICHAI
  • Автодизель ПАО (ЯМЗ)
  • Тутаевский МЗ
  • ЯЗДА
  • УралАЗ
  • МАЗ
  • АЗПИ
  • BOSCH
  • ММЗ
  • ШААЗ
  • FEDERAL MOGUL
  • ПРАМО
  • Мотордеталь
  • ТАИМ
  • АвтоКрАЗ
  • БЕЛКАРД
  • CZ Strakonice
  • КамАЗ
  • БЗА
  • ЧМЗ
  • BMZ
Новости
Все новости
25 марта 2024
Флагманский седельный тягач «Валдай 45» на выставке «TransRussia»
10 марта 2024
Современные автобусы «CITYMAX 9» и ЛиАЗ-5292 CNG
25 февраля 2024
Серийное производство средних дизельных двигателей повышенной мощности от ЯМЗ
Статьи
Все статьи
Датчики двигателя: за что они отвечают, признаки неисправности и как не прогадать с выбором
Двигатели ЯМЗ-534: история, технические характеристики и области применения
Двигатели ЯМЗ 650: углублённый технический обзор и история
Компания
О компании
Реквизиты
Новости
Политика
Магазины
Информация
Условия оплаты
Условия доставки
Гарантия на товар
Обмен и возврат товара
Помощь
Как оформить заказ
Полезные статьи
Бренды
Пункты выдачи
Оставайтесь на связи
  • Вконтакте
  • YouTube
  • Одноклассники
  • Google Plus
Увидели ошибку?
Выделите, нажав Ctrl + Enter
Наши контакты
8-800-700-35-68
sales@din76.ru
г. Ярославль, Ленинградский пр-т 33, ТЦ "ОМЕГА"
2026 © ООО «Динамика 76» - Все права защищены ООО "Динамика 76"
Предложения на сайте не являются публичной офертой.
На сайте обнаружена ошибка

Текст с ошибкой