Избранное 0 Корзина 0 Личный кабинет
logo
Каталог
Каталог
  • Справочник
    • Грузовые автомобили
    • Автобусы
    • Сельхозтехника
    • Спецтехника
    • Двигатели
  • Доставка
  • Оплата
  • О компании
    • Реквизиты
    • Магазины
    • Оплата
    • Доставка
    • Лицензии и сертификаты
    • Новости
    • Вакансии
  • Контакты
Отправить заявку
Личный кабинет
8 (800) 700-35-68
sales@din76.ru
Избранное 0 Корзина 0
8 (800) 700-35-68
Оптовый прайс-лист
Каталог
  • Двигатели
  • Запчасти WEICHAI
  • Запчасти ЯМЗ, ТМЗ (V-образные)
  • Запчасти ЯМЗ-534, ЯМЗ-536
  • Запчасти ЯМЗ-650, ЯМЗ-651, DCi-11
  • Топливная аппаратура
  • Запчасти УРАЛ
  • Запчасти МАЗ
  • Запчасти КамАЗ
  • Запчасти ММЗ
  • Ремни
Автокаталог (справочник)
  • Доставка
  • Оплата
  • О компании
  • Контакты
8 (800) 700-35-68
Написать в Whatsapp
sales@din76.ru
Динамика 76
Меню  
  • Каталог
    • Двигатели  
      • Двигатели ТМЗ  
        • Двигатели ТМЗ для автомобилей
        • Двигатели ТМЗ для тракторов
        • Специальные двигатели ТМЗ
        • Промышленные двигатели ТМЗ
      • Двигатели ЯМЗ  
        • ЯМЗ 236
        • ЯМЗ 238
        • ЯМЗ 240
        • ЯМЗ 751
        • ЯМЗ 840
        • ЯМЗ 850
        • ЯМЗ 656
        • ЯМЗ 658
        • ЯМЗ 534
        • ЯМЗ 536
        • ЯМЗ 650
        • Двигатели ЯМЗ для электростанций
      • Двигатели КАМАЗ
      • Двигатели ММЗ
      • Двигатели индивидуальной сборки
      • Комплекты переоборудования
    • Запчасти WEICHAI  
      • Основные запчасти двигателя  
        • Клапаны и толкатели
        • Шатуны
        • Вал коленчатый и маховик
        • Вал распределительный
        • Цилиндро-поршневая группа
      • Система питания  
        • Форсунки
        • Турбокомпрессор
      • Система смазки  
        • Насос масляный
      • Головка блока
      • Ремкомплекты
      • Система охлаждения  
        • Насос водяной
        • Муфта вязкостная и крыльчатка
      • Фильтры
      • Электрооборудование  
        • Генератор
        • Стартер
    • Запчасти ЯМЗ, ТМЗ (V-образные)  
      • Основные запчасти двигателя  
        • Блок двигателя и комплектующие
        • Валы распределительные и клапаны
        • Головка блока и комплектующие
        • Цилиндро-поршневая группа
        • Маховики и комплектующие
        • Валы коленчатые и комплектующие
        • Шатуны и комплектующие
      • Система питания  
        • Коллекторы и патрубки
        • Топливные трубопроводы
        • Турбокомпрессор
        • Топливные фильтры
      • Электрооборудование двигателя
      • Система охлаждения  
        • Вязкостные муфты и крыльчатки
        • Приводы вентилятора
        • Водяные насосы
        • Водяные трубы и термостаты
      • Коробки переключения передач  
        • 8 Ступенчатые КПП
        • 5 Ступенчатые КПП
        • 9 Ступенчатые КПП
        • Запасные части КПП ЯМЗ, ТМЗ
      • Система смазки  
        • Теплообменник и комплектующие
        • Масляные насосы
        • Фильтры масляные (ФГОМ, ФЦОМ)
      • Сцепление  
        • Запасные части механизма сцепления
        • Муфты (подшипники выжимные)
        • Корзины (диски нажимные)
        • Диски ведомые
      • Прочие запчасти двигателя  
        • Ремкомплекты
        • Привод агрегатов
        • Натяжные устройства
        • Трубки
    • Запчасти ЯМЗ-534, ЯМЗ-536  
      • Основные запчасти двигателя  
        • Цилиндро-поршневая группа
        • Головка блока цилиндров и комплектующие
        • Блок цилиндров и комплектующие
        • Вал коленчатый и маховик
        • Вал распределительный
        • Клапаны и толкатели
        • ГУР (Гидроусилитель руля)
        • Система рециркуляции отработавших газов
        • Выпускной коллектор
      • Система питания  
        • Коллекторы и патрубки
        • Топливные фильтры
        • Турбокомпрессор
        • Топливные трубопроводы
      • Система смазки  
        • Масляный картер поддон
        • Масляный насос
        • Теплообменник /Водо-масляный радиатор
        • Фильтры масляные (ФГОМ, ФЦОМ)
      • Пневмокомпрессор и натяжное
      • Система охлаждения  
        • Водяной насос
        • Водяные трубы и патрубки
        • Муфты вязкостные, приводы, крыльчатки
      • Ремкомплекты
      • Сцепление
      • Электрооборудование
    • Запчасти ЯМЗ-650, ЯМЗ-651, DCi-11  
      • Основные запчасти двигателя  
        • Цилиндро-поршневая группа
        • Головка блока цилиндров и комплектующие
        • Блок цилиндров и комплектующие
        • Вал коленчатый и маховик
        • Выпускной коллектор
        • Вал распределительный
        • Клапаны и толкатели
        • ГУР (Гидроусилитель руля)
        • Система рециркуляции отработавших газов
      • Система питания  
        • Коллекторы и патрубки
        • Топливные трубопроводы
        • Топливные фильтры
        • Турбокомпрессор
      • Система смазки  
        • Масляный картер / поддон
        • Масляный насос
        • Теплообменник / Водо-масляный радиатор
        • Фильтры масляные (ФГОМ, ФЦОМ)
      • Система охлаждения  
        • Водяной насос
        • Водяные трубы и патрубки
        • Муфты вязкостные, приводы, крыльчатки
      • Ремкомплекты
      • Пневмокомпрессор и натяжное
      • Электрооборудование
      • Сцепление
    • Топливная аппаратура  
      • ЯЗДА  
        • Распылители
        • ТНВД
        • Форсунки
        • Топливный насос низкого давления
        • Пары плунжерные
        • Муфта опережения впрыска топлива
        • Запчасти и комплектующие ТНВД
      • НЗТА
      • АЗПИ  
        • Распылители
        • Форсунки
      • BOSCH
    • Запчасти УРАЛ  
      • Трансмиссия  
        • Коробка раздаточная
        • Передача карданная
        • Мост задний
        • Мост передний (ведущий)
        • Мост средний (промежуточный)
      • Кузов  
        • Дверь кабины
        • Капот, крылья, облицовка радиатора
        • Окно ветровое и заднее
        • Отопление и вентиляция кабины
        • Кабина
      • Механизмы управления  
        • Управление рулевое
        • Тормоза
      • Дополнительное оборудование  
        • Отбор мощности
        • Устройство седельное
      • Электрооборудование
      • Ходовая часть  
        • Колеса и ступицы
        • Ось передняя
        • Подвеска автомобиля
        • Рама
    • Запчасти МАЗ  
      • Трансмиссия  
        • Мост задний
        • Мост передний (ведущий)
        • Передача карданная
        • Мост средний (промежуточный)
      • Кузов  
        • Кабина
        • Дверь кабины
        • Детали основания кабины
        • Окно ветровое и заднее
        • Платформа
      • Механизмы управления  
        • Тормоза
        • Управление рулевое
      • Ходовая часть  
        • Колеса и ступицы
        • Ось передняя
        • Подвеска автомобиля
        • Рама
    • Запчасти КамАЗ  
      • Кузов  
        • Кабина
        • Капот, крылья, облицовка радиатора
        • Дверь кабины
        • Платформа
        • Окно ветровое и заднее
        • Устройство подъемное и опрокидывающее
        • Сиденье
        • Крыша кабины (крыша кузова)
        • Отопление и вентиляция кабины
      • Трансмиссия  
        • Коробка передач
        • Коробка раздаточная
        • Мост задний
        • Сцепление
        • Мост средний (промежуточный)
        • Передача карданная
        • Мост передний (ведущий)
      • Двигатель  
        • Основные запчасти двигателя
        • Система охлаждения
        • Система питания
        • Система смазки
      • Дополнительное оборудование  
        • Отбор мощности
        • Устройство седельное
      • Ходовая часть  
        • Подвеска автомобиля
        • Рама
        • Колеса и ступицы
        • Ось передняя
      • Механизмы управления  
        • Тормоза
        • Управление рулевое
      • Электрооборудование
    • Запчасти ММЗ
    • Ремни
  • Справочник
    • Грузовые автомобили
    • Автобусы
    • Сельхозтехника
    • Спецтехника
    • Двигатели
  • Как купить
    • Условия оплаты
    • Условия доставки
    • Гарантия на товар
    • Пункты выдачи
  • Услуги
    • Капитальный ремонт двигателей ЯМЗ
  • Акции
  • Статьи
  • Контакты
  • Компания
    • Реквизиты
    • Магазины
    • Оплата
    • Доставка
    • Лицензии и сертификаты
    • Новости
    • Вакансии
Избранное 0 Корзина 0
8-800-700-35-68

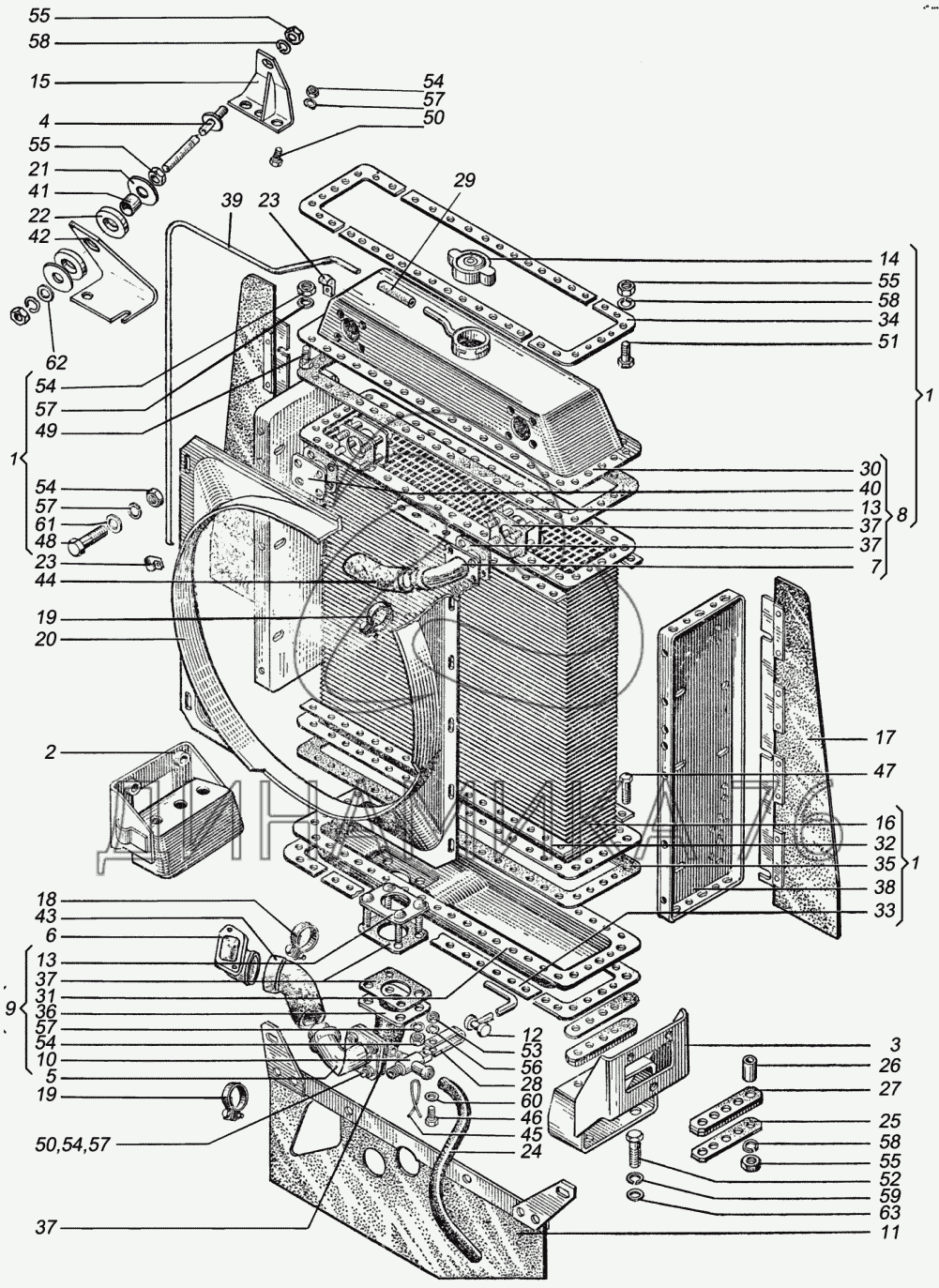
Система охлаждения двигателя на Т-151К (до 2006 г.)

Справочник
Главная
-
Автокаталог
-
Сельхозтехника
-
ХТЗ
-
Т-151К
Справочный каталог

Система охлаждения двигателя — Т-151К:

173.13.001 1 1 1 2 3 4 5 6 7 8 9 10 11 12 13 13 14 15 16 17 18 19 19 20 21 22 23 23 24 25 26 27 28 29 30 31 32 33 34 35 36 37 37 37 37 38 39 40 41 42 43 44 45 46 47 48 49 50 50 51 52 53 54 54 54 54 54 55 55 55 55 56 57 57 57 57 57 58 58 58 59 60 61 62 63
в наличии
нет в наличии
масштаб

В наличии
Нет в наличии

Перечень комплектующих от Система охлаждения двигателя на Т-151К

Схемы запчастей предназначены для справочных целей! Мы продаем не все запчасти от Система охлаждения двигателя на Т-151К, представленные в этом списке.
Наличие на складах по деталям с ценой смотрите в карточке товара.
Артикул: 173-13-001
нет в наличии
Система охлаждения двигателя
Количество на схеме: ;;;;
Информация
Система охлаждения двигателя
Количество
;;;;
1
1
Артикул: 173-13-010-1
нет в наличии
Радиатор
Количество на схеме: 1
Информация
Радиатор
Количество
1
2
2
Артикул: 173-13-012
нет в наличии
Кронштейн левый
Количество на схеме: 1
Информация
Кронштейн левый
Количество
1
3
3
Артикул: 173-13-022
нет в наличии
Кронштейн правый
Количество на схеме: 1
Информация
Кронштейн правый
Количество
1
4
4
Артикул: 173-13-025
нет в наличии
Тяга
Количество на схеме: 1
Информация
Тяга
Количество
1
5
5
Артикул: 173-13-030
нет в наличии
Патрубок
Количество на схеме: 1
Информация
Патрубок
Количество
1
6
6
Артикул: 173-13-032-1
нет в наличии
Патрубок
Количество на схеме: 1
Информация
Патрубок
Количество
1
7
7
Артикул: 173-13-046
нет в наличии
Патрубок
Количество на схеме: 1
Информация
Патрубок
Количество
1
8
8
Артикул: 173-13-086
нет в наличии
Бак
Количество на схеме: 1
Информация
Бак
Количество
1
9
9
Артикул: 173-13-087
нет в наличии
Бак
Количество на схеме: 1
Информация
Бак
Количество
1
10
10
Артикул: 01-176000
нет в наличии
Кран 01-176
Количество на схеме: 1
Информация
Кран 01-176
Количество
1
Покрытие
без покрытия
11
11
Артикул: 150-13-032
нет в наличии
Перегородка нижняя в сборе
Количество на схеме: 1
Информация
Перегородка нижняя в сборе
Количество
1
12
12
Артикул: 150-13-034А
нет в наличии
Рукоятка в сборе
Количество на схеме: 1
Информация
Рукоятка в сборе
Количество
1
13
13
Артикул: 150-13-091
нет в наличии
Фланец
Количество на схеме: ;;;;
Информация
Фланец
Количество
;;;;
14
14
Артикул: 150-13-093
нет в наличии
Пробка
Количество на схеме: 1
Информация
Пробка
Количество
1
15
15
Артикул: 163-13-027
нет в наличии
Кронштейн
Количество на схеме: 1
Информация
Кронштейн
Количество
1
16
16
Артикул: 180-13-085
нет в наличии
Сердцевина
Количество на схеме: 1
Информация
Сердцевина
Количество
1
17
17
Артикул: 180Р-13-030
нет в наличии
Перегородка
Количество на схеме: ;;;;
Информация
Перегородка
Количество
;;;;
18
18
Артикул: 5320-1303030
нет в наличии
Хомут
Количество на схеме: 1
Информация
Хомут
Количество
1
Примечание
ХСВА-80
Модель
5320
Группа
Система охлаждения
Подгруппа
Трубопроводы и шланги системы охлаждения
Порядковый номер детали
030
19
19
Артикул: 5320-1303030
нет в наличии
Хомут
Количество на схеме: ;;;;
Информация
Хомут
Количество
;;;;
Модель
5320
Группа
Система охлаждения
Подгруппа
Трубопроводы и шланги системы охлаждения
Порядковый номер детали
030
20
20
Артикул: 173-13-106
нет в наличии
Кожух
Количество на схеме: 1
Информация
Кожух
Количество
1
21
21
Артикул: 74-13-427
нет в наличии
Шайба
Количество на схеме: 2
Информация
Шайба
Количество
2
22
22
Артикул: 74-13-430
нет в наличии
Амортизатор тяги радиатора
Количество на схеме: 2
Информация
Амортизатор тяги радиатора
Количество
2
23
23
Артикул: 125-64-254
нет в наличии
Скоба
Количество на схеме: 2
Информация
Скоба
Количество
2
24
24
Артикул: 150-13-125-1
нет в наличии
Шланг
Количество на схеме: 1
Информация
Шланг
Количество
1
25
25
Артикул: 150-13-134
нет в наличии
Пластина
Количество на схеме: 4
Информация
Пластина
Количество
4
26
26
Артикул: 150-13-136
нет в наличии
Втулка распорная
Количество на схеме: 6
Информация
Втулка распорная
Количество
6
27
27
Артикул: 150-13-138
нет в наличии
Подушка радиатора
Количество на схеме: 4
Информация
Подушка радиатора
Количество
4
28
28
Артикул: 150-13-172
нет в наличии
Вилка
Количество на схеме: 1
Информация
Вилка
Количество
1
29
29
Артикул: 150-13-179-01
нет в наличии
Шланг
Количество на схеме: 1
Информация
Шланг
Количество
1
30
30
Артикул: 150-13-200
нет в наличии
Бак
Количество на схеме: 1
Информация
Бак
Количество
1
31
31
Артикул: 150-13-201
нет в наличии
Бак
Количество на схеме: 1
Информация
Бак
Количество
1
32
32
Артикул: 150-13-203
нет в наличии
Накладка
Количество на схеме: 4
Информация
Накладка
Количество
4
33
33
Артикул: 150-13-204
нет в наличии
Накладка
Количество на схеме: 4
Информация
Накладка
Количество
4
34
34
Артикул: 150-13-205
нет в наличии
Накладка
Количество на схеме: 4
Информация
Накладка
Количество
4
35
35
Артикул: 150-13-206
нет в наличии
Прокладка
Количество на схеме: 2
Информация
Прокладка
Количество
2
36
36
Артикул: 150-13-212А
нет в наличии
Патрубок
Количество на схеме: 1
Информация
Патрубок
Количество
1
37
37
Артикул: 150-13-215
нет в наличии
Прокладка
Количество на схеме: 7
Информация
Прокладка
Количество
7
38
38
Артикул: 151К-13-202
нет в наличии
Стойка
Количество на схеме: 2
Информация
Стойка
Количество
2
39
39
Артикул: 156А-13-114
нет в наличии
Трубка
Количество на схеме: 1
Информация
Трубка
Количество
1
40
40
Артикул: 156А-13-115
нет в наличии
Заглушка
Количество на схеме: 1
Информация
Заглушка
Количество
1
41
41
Артикул: 163-13-239
нет в наличии
Втулка
Количество на схеме: 1
Информация
Втулка
Количество
1
42
42
Артикул: 163-13-243
нет в наличии
Кронштейн
Количество на схеме: 1
Информация
Кронштейн
Количество
1
43
43
Артикул: 740-02-1303026
нет в наличии
Рукав
Количество на схеме: 1
Информация
Рукав
Количество
1
Модель
740.02
Группа
Система охлаждения
Подгруппа
Трубопроводы и шланги системы охлаждения
Порядковый номер детали
026
44
44
Артикул: 4320-1303010
в наличии
Шланг
Количество на схеме: 1
Информация
Шланг
Количество
1
Модель
4320
Группа
Система охлаждения
Подгруппа
Трубопроводы и шланги системы охлаждения
Порядковый номер детали
010
Патрубок УРАЛ дв.КАМАЗ радиатора комплект 2шт. силикон
Артикул: 4320-1303010
Патрубок УРАЛ дв.КАМАЗ радиатора комплект 2шт. силикон
Код для заказа: 00043853
Цена: 1 417 ₽/шт.
Под заказ
Патрубок УРАЛ дв.КАМАЗ радиатора комплект 2шт. силикон
Артикул: 4320-1303010
Код для заказа: 00043853
Патрубок УРАЛ дв.КАМАЗ радиатора комплект 2шт. силикон
Цена: 1 417 ₽/шт.
Под заказ
Патрубок УРАЛ радиатора верхний (L=120х100мм, d=60) ВПТ
Артикул: 4320-1303010
Патрубок УРАЛ радиатора верхний (L=120х100мм, d=60) ВПТ
Код для заказа: 00043875
Цена: 220 ₽/шт.
Под заказ
Патрубок УРАЛ радиатора верхний (L=120х100мм, d=60) ВПТ
Артикул: 4320-1303010
Код для заказа: 00043875
Патрубок УРАЛ радиатора верхний (L=120х100мм, d=60) ВПТ
Цена: 220 ₽/шт.
Под заказ
Патрубок УРАЛ радиатора верхний (L=120х100мм, d=60) силикон
Артикул: 4320-1303010
Патрубок УРАЛ радиатора верхний (L=120х100мм, d=60) силикон
Код для заказа: 00043876
Цена: 615 ₽/шт.
Под заказ
Патрубок УРАЛ радиатора верхний (L=120х100мм, d=60) силикон
Артикул: 4320-1303010
Код для заказа: 00043876
Патрубок УРАЛ радиатора верхний (L=120х100мм, d=60) силикон
Цена: 615 ₽/шт.
Под заказ
Патрубок УРАЛ радиатора верхний (L=130х130мм,d=60) силикон
Артикул: 4320-1303010
Патрубок УРАЛ радиатора верхний (L=130х130мм,d=60) силикон
Код для заказа: 00043877
Цена: 615 ₽/шт.
Под заказ
Патрубок УРАЛ радиатора верхний (L=130х130мм,d=60) силикон
Артикул: 4320-1303010
Код для заказа: 00043877
Патрубок УРАЛ радиатора верхний (L=130х130мм,d=60) силикон
Цена: 615 ₽/шт.
Под заказ
45
45
Артикул: ПЖ-1,6х100
нет в наличии
Проволока
Количество на схеме: 1
Информация
Проволока
Количество
1
46
46
Артикул: М6х30-7795
нет в наличии
Болт
Количество на схеме: 1
Информация
Болт
Количество
1
47
47
Артикул: М10х65-7795
нет в наличии
Болт
Количество на схеме: 6
Информация
Болт
Количество
6
48
48
Артикул: М8х20-7796
нет в наличии
Болт
Количество на схеме: 6
Информация
Болт
Количество
6
49
49
Артикул: М8х25-7796
нет в наличии
Болт
Количество на схеме: 73
Информация
Болт
Количество
73
50
50
Артикул: М8х30-7796
нет в наличии
Болт
Количество на схеме: 7
Информация
Болт
Количество
7
51
51
Артикул: М10х25-7796
нет в наличии
Болт
Количество на схеме: 6
Информация
Болт
Количество
6
52
52
Артикул: М12х25-7796
нет в наличии
Болт
Количество на схеме: 4
Информация
Болт
Количество
4
53
53
Артикул: М6-5915
нет в наличии
Гайка
Количество на схеме: 1
Информация
Гайка
Количество
1
54
54
Артикул: М8-5915
нет в наличии
Гайка
Количество на схеме: 104
Информация
Гайка
Количество
104
55
55
Артикул: М10-5915
нет в наличии
Гайка
Количество на схеме: 15
Информация
Гайка
Количество
15
56
56
Артикул: 6-65Г-6402
нет в наличии
Шайба
Количество на схеме: 1
Информация
Шайба
Количество
1
57
57
Артикул: 8-65Г-6402
нет в наличии
Шайба
Количество на схеме: 104
Информация
Шайба
Количество
104
58
58
Артикул: 10-65Г-6402
нет в наличии
Шайба
Количество на схеме: 14
Информация
Шайба
Количество
14
59
59
Артикул: 12-65Г-6402
нет в наличии
Шайба
Количество на схеме: 4
Информация
Шайба
Количество
4
60
60
Артикул: 6-04-11371
нет в наличии
Шайба
Количество на схеме: 2
Информация
Шайба
Количество
2
61
61
Артикул: 8-04-11371
нет в наличии
Шайба
Количество на схеме: 7
Информация
Шайба
Количество
7
62
62
Артикул: 10-04-11371
нет в наличии
Шайба
Количество на схеме: 1
Информация
Шайба
Количество
1
63
63
Артикул: 12-04-11371
нет в наличии
Шайба
Количество на схеме: 4
Информация
Шайба
Количество
4
  • Грузовые автомобили
  • Автобусы
  • Сельхозтехника
  • Спецтехника
  • Двигатели
Получить оптовый прайс-лист
Скачать прайс-лист от 07.05.2026 12:00
Специальное предложение от 07.05.2026 13:00
Производители:


  • WEICHAI
  • Автодизель ПАО (ЯМЗ)
  • Тутаевский МЗ
  • ЯЗДА
  • УралАЗ
  • МАЗ
  • АЗПИ
  • BOSCH
  • ММЗ
  • ШААЗ
  • FEDERAL MOGUL
  • ПРАМО
  • Мотордеталь
  • ТАИМ
  • АвтоКрАЗ
  • БЕЛКАРД
  • CZ Strakonice
  • КамАЗ
  • БЗА
  • ЧМЗ
  • BMZ
Новости
Все новости
25 марта 2024
Флагманский седельный тягач «Валдай 45» на выставке «TransRussia»
10 марта 2024
Современные автобусы «CITYMAX 9» и ЛиАЗ-5292 CNG
25 февраля 2024
Серийное производство средних дизельных двигателей повышенной мощности от ЯМЗ
Статьи
Все статьи
Датчики двигателя: за что они отвечают, признаки неисправности и как не прогадать с выбором
Двигатели ЯМЗ-534: история, технические характеристики и области применения
Двигатели ЯМЗ 650: углублённый технический обзор и история
Компания
О компании
Реквизиты
Новости
Политика
Магазины
Информация
Условия оплаты
Условия доставки
Гарантия на товар
Обмен и возврат товара
Помощь
Как оформить заказ
Полезные статьи
Бренды
Пункты выдачи
Оставайтесь на связи
  • Вконтакте
  • YouTube
  • Одноклассники
  • Google Plus
Увидели ошибку?
Выделите, нажав Ctrl + Enter
Наши контакты
8-800-700-35-68
sales@din76.ru
г. Ярославль, Ленинградский пр-т 33, ТЦ "ОМЕГА"
2026 © ООО «Динамика 76» - Все права защищены ООО "Динамика 76"
Предложения на сайте не являются публичной офертой.
На сайте обнаружена ошибка

Текст с ошибкой