Избранное 0 Корзина 0 Личный кабинет
logo
Каталог
Каталог
  • Справочник
    • Грузовые автомобили
    • Автобусы
    • Сельхозтехника
    • Спецтехника
    • Двигатели
  • Доставка
  • Оплата
  • О компании
    • Реквизиты
    • Магазины
    • Оплата
    • Доставка
    • Лицензии и сертификаты
    • Новости
    • Вакансии
  • Контакты
Отправить заявку
Личный кабинет
8 (800) 700-35-68
sales@din76.ru
Избранное 0 Корзина 0
8 (800) 700-35-68
Оптовый прайс-лист
Каталог
  • Двигатели
  • Запчасти WEICHAI
  • Запчасти ЯМЗ, ТМЗ (V-образные)
  • Запчасти ЯМЗ-534, ЯМЗ-536
  • Запчасти ЯМЗ-650, ЯМЗ-651, DCi-11
  • Топливная аппаратура
  • Запчасти УРАЛ
  • Запчасти МАЗ
  • Запчасти КамАЗ
  • Запчасти ММЗ
  • Ремни
Автокаталог (справочник)
  • Доставка
  • Оплата
  • О компании
  • Контакты
8 (800) 700-35-68
Написать в Whatsapp
sales@din76.ru
Динамика 76
Меню  
  • Каталог
    • Двигатели  
      • Двигатели ТМЗ  
        • Двигатели ТМЗ для автомобилей
        • Двигатели ТМЗ для тракторов
        • Специальные двигатели ТМЗ
        • Промышленные двигатели ТМЗ
      • Двигатели ЯМЗ  
        • ЯМЗ 236
        • ЯМЗ 238
        • ЯМЗ 240
        • ЯМЗ 751
        • ЯМЗ 840
        • ЯМЗ 850
        • ЯМЗ 656
        • ЯМЗ 658
        • ЯМЗ 534
        • ЯМЗ 536
        • ЯМЗ 650
        • Двигатели ЯМЗ для электростанций
      • Двигатели КАМАЗ
      • Двигатели ММЗ
      • Двигатели индивидуальной сборки
      • Комплекты переоборудования
    • Запчасти WEICHAI  
      • Основные запчасти двигателя  
        • Клапаны и толкатели
        • Шатуны
        • Вал коленчатый и маховик
        • Вал распределительный
        • Цилиндро-поршневая группа
      • Система питания  
        • Форсунки
        • Турбокомпрессор
      • Система смазки  
        • Насос масляный
      • Головка блока
      • Ремкомплекты
      • Система охлаждения  
        • Насос водяной
        • Муфта вязкостная и крыльчатка
      • Фильтры
      • Электрооборудование  
        • Генератор
        • Стартер
    • Запчасти ЯМЗ, ТМЗ (V-образные)  
      • Основные запчасти двигателя  
        • Блок двигателя и комплектующие
        • Валы распределительные и клапаны
        • Головка блока и комплектующие
        • Цилиндро-поршневая группа
        • Маховики и комплектующие
        • Валы коленчатые и комплектующие
        • Шатуны и комплектующие
      • Система питания  
        • Коллекторы и патрубки
        • Топливные трубопроводы
        • Турбокомпрессор
        • Топливные фильтры
      • Электрооборудование двигателя
      • Система охлаждения  
        • Вязкостные муфты и крыльчатки
        • Приводы вентилятора
        • Водяные насосы
        • Водяные трубы и термостаты
      • Коробки переключения передач  
        • 8 Ступенчатые КПП
        • 5 Ступенчатые КПП
        • 9 Ступенчатые КПП
        • Запасные части КПП ЯМЗ, ТМЗ
      • Система смазки  
        • Теплообменник и комплектующие
        • Масляные насосы
        • Фильтры масляные (ФГОМ, ФЦОМ)
      • Сцепление  
        • Запасные части механизма сцепления
        • Муфты (подшипники выжимные)
        • Корзины (диски нажимные)
        • Диски ведомые
      • Прочие запчасти двигателя  
        • Ремкомплекты
        • Привод агрегатов
        • Натяжные устройства
        • Трубки
    • Запчасти ЯМЗ-534, ЯМЗ-536  
      • Основные запчасти двигателя  
        • Цилиндро-поршневая группа
        • Головка блока цилиндров и комплектующие
        • Блок цилиндров и комплектующие
        • Вал коленчатый и маховик
        • Вал распределительный
        • Клапаны и толкатели
        • ГУР (Гидроусилитель руля)
        • Система рециркуляции отработавших газов
        • Выпускной коллектор
      • Система питания  
        • Коллекторы и патрубки
        • Топливные фильтры
        • Турбокомпрессор
        • Топливные трубопроводы
      • Система смазки  
        • Масляный картер поддон
        • Масляный насос
        • Теплообменник /Водо-масляный радиатор
        • Фильтры масляные (ФГОМ, ФЦОМ)
      • Пневмокомпрессор и натяжное
      • Система охлаждения  
        • Водяной насос
        • Водяные трубы и патрубки
        • Муфты вязкостные, приводы, крыльчатки
      • Ремкомплекты
      • Сцепление
      • Электрооборудование
    • Запчасти ЯМЗ-650, ЯМЗ-651, DCi-11  
      • Основные запчасти двигателя  
        • Цилиндро-поршневая группа
        • Головка блока цилиндров и комплектующие
        • Блок цилиндров и комплектующие
        • Вал коленчатый и маховик
        • Выпускной коллектор
        • Вал распределительный
        • Клапаны и толкатели
        • ГУР (Гидроусилитель руля)
        • Система рециркуляции отработавших газов
      • Система питания  
        • Коллекторы и патрубки
        • Топливные трубопроводы
        • Топливные фильтры
        • Турбокомпрессор
      • Система смазки  
        • Масляный картер / поддон
        • Масляный насос
        • Теплообменник / Водо-масляный радиатор
        • Фильтры масляные (ФГОМ, ФЦОМ)
      • Система охлаждения  
        • Водяной насос
        • Водяные трубы и патрубки
        • Муфты вязкостные, приводы, крыльчатки
      • Ремкомплекты
      • Пневмокомпрессор и натяжное
      • Электрооборудование
      • Сцепление
    • Топливная аппаратура  
      • ЯЗДА  
        • Распылители
        • ТНВД
        • Форсунки
        • Топливный насос низкого давления
        • Пары плунжерные
        • Муфта опережения впрыска топлива
        • Запчасти и комплектующие ТНВД
      • НЗТА
      • АЗПИ  
        • Распылители
        • Форсунки
      • BOSCH
    • Запчасти УРАЛ  
      • Трансмиссия  
        • Коробка раздаточная
        • Передача карданная
        • Мост задний
        • Мост передний (ведущий)
        • Мост средний (промежуточный)
      • Кузов  
        • Дверь кабины
        • Капот, крылья, облицовка радиатора
        • Окно ветровое и заднее
        • Отопление и вентиляция кабины
        • Кабина
      • Механизмы управления  
        • Управление рулевое
        • Тормоза
      • Дополнительное оборудование  
        • Отбор мощности
        • Устройство седельное
      • Электрооборудование
      • Ходовая часть  
        • Колеса и ступицы
        • Ось передняя
        • Подвеска автомобиля
        • Рама
    • Запчасти МАЗ  
      • Трансмиссия  
        • Мост задний
        • Мост передний (ведущий)
        • Передача карданная
        • Мост средний (промежуточный)
      • Кузов  
        • Кабина
        • Дверь кабины
        • Детали основания кабины
        • Окно ветровое и заднее
        • Платформа
      • Механизмы управления  
        • Тормоза
        • Управление рулевое
      • Ходовая часть  
        • Колеса и ступицы
        • Ось передняя
        • Подвеска автомобиля
        • Рама
    • Запчасти КамАЗ  
      • Кузов  
        • Кабина
        • Капот, крылья, облицовка радиатора
        • Дверь кабины
        • Платформа
        • Окно ветровое и заднее
        • Устройство подъемное и опрокидывающее
        • Сиденье
        • Крыша кабины (крыша кузова)
        • Отопление и вентиляция кабины
      • Трансмиссия  
        • Коробка передач
        • Коробка раздаточная
        • Мост задний
        • Сцепление
        • Мост средний (промежуточный)
        • Передача карданная
        • Мост передний (ведущий)
      • Двигатель  
        • Основные запчасти двигателя
        • Система охлаждения
        • Система питания
        • Система смазки
      • Дополнительное оборудование  
        • Отбор мощности
        • Устройство седельное
      • Ходовая часть  
        • Подвеска автомобиля
        • Рама
        • Колеса и ступицы
        • Ось передняя
      • Механизмы управления  
        • Тормоза
        • Управление рулевое
      • Электрооборудование
    • Запчасти ММЗ
    • Ремни
  • Справочник
    • Грузовые автомобили
    • Автобусы
    • Сельхозтехника
    • Спецтехника
    • Двигатели
  • Как купить
    • Условия оплаты
    • Условия доставки
    • Гарантия на товар
    • Пункты выдачи
  • Услуги
    • Капитальный ремонт двигателей ЯМЗ
  • Акции
  • Статьи
  • Контакты
  • Компания
    • Реквизиты
    • Магазины
    • Оплата
    • Доставка
    • Лицензии и сертификаты
    • Новости
    • Вакансии
Избранное 0 Корзина 0
8-800-700-35-68

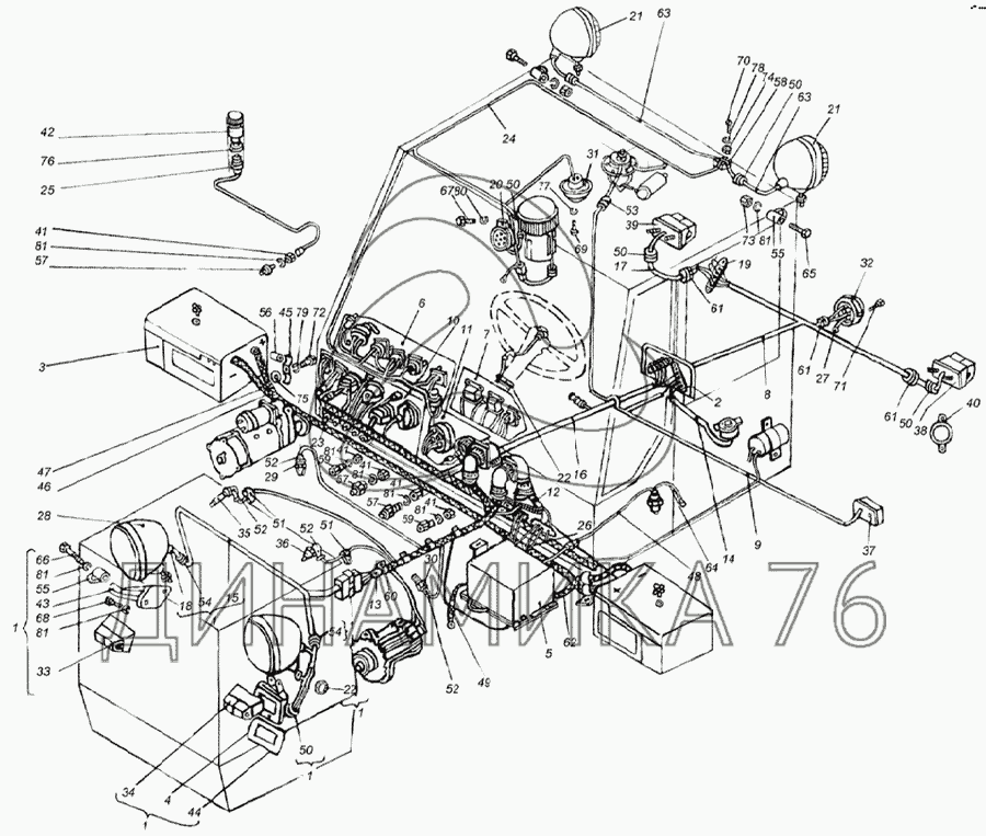
Электрооборудование и приборы на Т-150К (2004) (до 2004 г.)

Справочник
Главная
-
Автокаталог
-
Сельхозтехника
-
ХТЗ
-
Т-150К (2004)
Справочный каталог

Электрооборудование и приборы — Т-150К (2004):

151.48.001-3-01 151.48.001-3-02 151.48.001-3-06 ММ111В-3810600 1 1 1 1 1 1 2 3 4 5 5 6 7 8 9 10 10 11 11 12 13 13 13 14 15 16 17 18 19 20 21 21 22 22 23 24 25 26 27 28 29 30 31 32 33 34 35 36 37 38 39 40 41 41 41 41 41 42 43 44 45 46 47 48 49 50 50 50 50 50 51 51 52 52 52 52 53 54 54 55 55 56 57 57 57 58 59 59 60 61 61 61 62 63 63 64 65 66 67 68 69 70 71 72 73 74 75 76 77 78 79 80 81 81 81 81 81 81 81 81
в наличии
нет в наличии
масштаб

В наличии
Нет в наличии

Перечень комплектующих от Электрооборудование и приборы на Т-150К (2004)

Схемы запчастей предназначены для справочных целей! Мы продаем не все запчасти от Электрооборудование и приборы на Т-150К (2004), представленные в этом списке.
Наличие на складах по деталям с ценой смотрите в карточке товара.
Артикул: 151-48-001-3-01
нет в наличии
Электрооборудование и приборы
Количество на схеме: ;;;
Информация
Электрооборудование и приборы
Количество
;;;
Артикул: 151-48-001-3-02
нет в наличии
Электрооборудование и приборы
Количество на схеме: ;;;
Информация
Электрооборудование и приборы
Количество
;;;
Артикул: 151-48-001-3-06
нет в наличии
Электрооборудование и приборы
Количество на схеме: ;;;
Информация
Электрооборудование и приборы
Количество
;;;
Артикул: ММ111В-3810600
нет в наличии
Датчик аварийного давления масла
Количество на схеме: 1
Информация
Датчик аварийного давления масла
Количество
1
Модель
ММ111В
Группа
Приборы
Подгруппа
Манометры (указатель давления масла)
Порядковый номер детали
600
1
1
Артикул: 151-48-011-1
нет в наличии
Фары и фонари
Количество на схеме: 1
Информация
Фары и фонари
Количество
1
2
2
Артикул: 151-48-017-1
нет в наличии
Кронштейн
Количество на схеме: 1
Информация
Кронштейн
Количество
1
3
3
Артикул: 151-48-020
нет в наличии
Контейнер с батареей
Количество на схеме: 2
Информация
Контейнер с батареей
Количество
2
4
4
Артикул: 151-48-045-1A
нет в наличии
Кронштейн
Количество на схеме: 2
Информация
Кронштейн
Количество
2
5
5
Артикул: 151-48-050-1-01
нет в наличии
Преобразователь напряжения
Количество на схеме: 1
Информация
Преобразователь напряжения
Количество
1
5
5
Артикул: 151-48-050-1-02
нет в наличии
Преобразователь напряжения
Количество на схеме: 1
Информация
Преобразователь напряжения
Количество
1
6
6
Артикул: 151-48-052-3
нет в наличии
Панель
Количество на схеме: 1
Информация
Панель
Количество
1
7
7
Артикул: 151-48-053-01
нет в наличии
Панель
Количество на схеме: 1
Информация
Панель
Количество
1
8
8
Артикул: 151-48-062-7
нет в наличии
Жгут
Количество на схеме: 1
Информация
Жгут
Количество
1
9
9
Артикул: 151-48-065-1A
нет в наличии
Жгут
Количество на схеме: 1
Информация
Жгут
Количество
1
10
10
Артикул: 151-48-076-13
нет в наличии
Панель с приборами
Количество на схеме: 1
Информация
Панель с приборами
Количество
1
10
10
Артикул: 151-48-076-13-02
нет в наличии
Панель с приборами
Количество на схеме: 1
Информация
Панель с приборами
Количество
1
11
11
Артикул: 151-48-078
нет в наличии
Панель приборов
Количество на схеме: 1
Информация
Панель приборов
Количество
1
11
11
Артикул: 151-48-078-02
нет в наличии
Панель приборов
Количество на схеме: 1
Информация
Панель приборов
Количество
1
12
12
Артикул: 151-48-082-23-01
нет в наличии
Жгут
Количество на схеме: 1
Информация
Жгут
Количество
1
13
13
Артикул: 151K-48-083-06
нет в наличии
Жгут
Количество на схеме: 1
Информация
Жгут
Количество
1
13
13
Артикул: 151M-48-083-01
нет в наличии
Жгут
Количество на схеме: 1
Информация
Жгут
Количество
1
13
13
Артикул: 173-48-083-01
нет в наличии
Жгут
Количество на схеме: 1
Информация
Жгут
Количество
1
14
14
Артикул: 151-48-084-2
нет в наличии
Пучок проводов в сборе
Количество на схеме: 1
Информация
Пучок проводов в сборе
Количество
1
15
15
Артикул: 151-48-085-5
нет в наличии
Жгут
Количество на схеме: 1
Информация
Жгут
Количество
1
16
16
Артикул: 151-48-087-9A
нет в наличии
Жгут
Количество на схеме: 1
Информация
Жгут
Количество
1
17
17
Артикул: 151-48-088-3
нет в наличии
Жгут
Количество на схеме: 1
Информация
Жгут
Количество
1
18
18
Артикул: 02-6,3-02
нет в наличии
Колодка гнездовая
Количество на схеме: 2
Информация
Колодка гнездовая
Количество
2
19
19
Артикул: 17-3723000
нет в наличии
Панель
Количество на схеме: 1
Информация
Панель
Количество
1
Модель
17
Группа
Электрооборудование
Подгруппа
Соединители электропроводов
Порядковый номер детали
000
20
20
Артикул: 20-3721-02
нет в наличии
Звуковой сигнальный прибор
Количество на схеме: 2
Информация
Звуковой сигнальный прибор
Количество
2
21
21
Артикул: 30-3711-01
нет в наличии
Фара
Количество на схеме: 2
Информация
Фара
Количество
2
22
22
Артикул: 125-48-040
нет в наличии
Лента крепежная в сборе
Количество на схеме: 2
Информация
Лента крепежная в сборе
Количество
2
23
23
Артикул: 150-48-072-7
нет в наличии
Патроны ламп
Количество на схеме: 1
Информация
Патроны ламп
Количество
1
24
24
Артикул: 150-48-089-13-02
нет в наличии
Жгут
Количество на схеме: 1
Информация
Жгут
Количество
1
25
25
Артикул: 150-48-097
нет в наличии
Трубка индикатора
Количество на схеме: 1
Информация
Трубка индикатора
Количество
1
26
26
Артикул: 156A-48-059
нет в наличии
Жгут
Количество на схеме: 1
Информация
Жгут
Количество
1
27
27
Артикул: 170-48-079
нет в наличии
Провод
Количество на схеме: 1
Информация
Провод
Количество
1
28
28
Артикул: 312-3711010
нет в наличии
Фара
Количество на схеме: 2
Информация
Фара
Количество
2
Модель
312
Группа
Электрооборудование
Подгруппа
Фары
Порядковый номер детали
010
29
29
Артикул: ММ106Б-3810600
нет в наличии
Датчик аварийного давления масла
Количество на схеме: 1
Информация
Датчик аварийного давления масла
Количество
1
Модель
ММ106Б
Группа
Приборы
Подгруппа
Манометры (указатель давления масла)
Порядковый номер детали
600
30
30
Артикул: MM111A-3810600
нет в наличии
Датчик аварийного давления масла
Количество на схеме: 1
Информация
Датчик аварийного давления масла
Количество
1
Модель
MM111A
Группа
Приборы
Подгруппа
Манометры (указатель давления масла)
Порядковый номер детали
600
31
31
Артикул: ПК201-314010А
нет в наличии
Плафон
Количество на схеме: 1
Информация
Плафон
Количество
1
Покрытие
без покрытия
32
32
Артикул: ПС300А3-3723100
нет в наличии
Розетка
Количество на схеме: 1
Информация
Розетка
Количество
1
Модель
ПС300А3
Группа
Электрооборудование
Подгруппа
Соединители электропроводов
Порядковый номер детали
100
33
33
Артикул: ПФ204-3712000
нет в наличии
Фонарь тракторный передний правый ПФ204
Количество на схеме: 1
Информация
Фонарь тракторный передний правый ПФ204
Количество
1
Модель
ПФ204
Группа
Электрооборудование
Подгруппа
Подфарники
Порядковый номер детали
000
34
34
Артикул: ПФ204-3712000Б
нет в наличии
Фонарь передний левый
Количество на схеме: 1
Информация
Фонарь передний левый
Количество
1
Модель
ПФ204
Группа
Электрооборудование
Подгруппа
Подфарники
Порядковый номер детали
000
35
35
Артикул: ТМ100В-3808000
нет в наличии
Датчик температуры воды
Количество на схеме: 1
Информация
Датчик температуры воды
Количество
1
Модель
ТМ100В
Группа
Приборы
Подгруппа
Указатель температуры воды
Порядковый номер детали
000
36
36
Артикул: ТМ103-3808000
нет в наличии
Сигнализатор температуры воды
Количество на схеме: 1
Информация
Сигнализатор температуры воды
Количество
1
Модель
ТМ103
Группа
Приборы
Подгруппа
Указатель температуры воды
Порядковый номер детали
000
37
37
Артикул: ФП131-3717010
нет в наличии
Фонарь номерного знака
Количество на схеме: 1
Информация
Фонарь номерного знака
Количество
1
Модель
ФП131
Группа
Электрооборудование
Подгруппа
Фонарь освещения номерного знака
Порядковый номер детали
010
38
38
Артикул: ФП209-3716000
нет в наличии
Фонарь тракторный задний левый ФП209
Количество на схеме: 1
Информация
Фонарь тракторный задний левый ФП209
Количество
1
Модель
ФП209
Группа
Электрооборудование
Подгруппа
Фонари задние
Порядковый номер детали
000
39
39
Артикул: ФП209-3716000-Б
нет в наличии
Фонарь тракторный задний правый ФП209Б
Количество на схеме: 1
Информация
Фонарь тракторный задний правый ФП209Б
Количество
1
Модель
ФП209
Группа
Электрооборудование
Подгруппа
Фонари задние
Порядковый номер детали
000
40
40
Артикул: ФП310Е-3731000
нет в наличии
Световозвращатель
Количество на схеме: 2
Информация
Световозвращатель
Количество
2
Модель
ФП310Е
Группа
Электрооборудование
Подгруппа
Фонарь сигнальный
Порядковый номер детали
000
41
41
Артикул: ГПШ-М10
нет в наличии
Гайка
Количество на схеме: 5
Информация
Гайка
Количество
5
42
42
Артикул: И3В-700
нет в наличии
Индикатор засорённости воздухоочистителя
Количество на схеме: 1
Информация
Индикатор засорённости воздухоочистителя
Количество
1
43
43
Артикул: 151-48-126
нет в наличии
Кронштейн
Количество на схеме: 2
Информация
Кронштейн
Количество
2
44
44
Артикул: 151-48-150
нет в наличии
Прокладка
Количество на схеме: 4
Информация
Прокладка
Количество
4
45
45
Артикул: 151-48-348
нет в наличии
Скоба
Количество на схеме: 2
Информация
Скоба
Количество
2
46
46
Артикул: 151-48-407-1
нет в наличии
Провод
Количество на схеме: 1
Информация
Провод
Количество
1
47
47
Артикул: 15148408-1
нет в наличии
Провод
Количество на схеме: 1
Информация
Провод
Количество
1
Подгруппа
1514
Порядковый номер детали
840
48
48
Артикул: 151М-48-463-3
нет в наличии
Провод
Количество на схеме: 1
Информация
Провод
Количество
1
49
49
Артикул: 151-48-464
нет в наличии
Провод
Количество на схеме: 1
Информация
Провод
Количество
1
50
50
Артикул: 5-24-242
нет в наличии
Втулка стеклоочистителя
Количество на схеме: 7
Информация
Втулка стеклоочистителя
Количество
7
51
51
Артикул: 748-202
нет в наличии
Скоба
Количество на схеме: 2
Информация
Скоба
Количество
2
52
52
Артикул: 8-50-184
нет в наличии
Наконечник изоляционный
Количество на схеме: 2
Информация
Наконечник изоляционный
Количество
2
53
53
Артикул: 14-48-243
нет в наличии
Втулка изоляционная
Количество на схеме: 1
Информация
Втулка изоляционная
Количество
1
54
54
Артикул: 14-48-393
нет в наличии
Втулка
Количество на схеме: 2
Информация
Втулка
Количество
2
55
55
Артикул: 54-48-431-1
нет в наличии
Чашка
Количество на схеме: 4
Информация
Чашка
Количество
4
56
56
Артикул: 74-54-435
нет в наличии
Труба резиновая
Количество на схеме: 4
Информация
Труба резиновая
Количество
4
57
57
Артикул: 125-64-290
нет в наличии
Штуцер
Количество на схеме: 3
Информация
Штуцер
Количество
3
58
58
Артикул: 15048-190-1
нет в наличии
Переходник
Количество на схеме: 1
Информация
Переходник
Количество
1
59
59
Артикул: 15048-213-1
нет в наличии
Штуцер манометра
Количество на схеме: 2
Информация
Штуцер манометра
Количество
2
60
60
Артикул: 150-48-241
нет в наличии
Скоба
Количество на схеме: 4
Информация
Скоба
Количество
4
61
61
Артикул: 15048-250-05
нет в наличии
Втулка
Количество на схеме: 3
Информация
Втулка
Количество
3
62
62
Артикул: 150-48-409-1
нет в наличии
Провод
Количество на схеме: 1
Информация
Провод
Количество
1
63
63
Артикул: 150М-48-426-01
нет в наличии
Провод
Количество на схеме: 2
Информация
Провод
Количество
2
64
64
Артикул: 150М-48-466-2
нет в наличии
Провод
Количество на схеме: 1
Информация
Провод
Количество
1
65
65
Артикул: М10x55-7795
нет в наличии
Болт
Количество на схеме: 2
Информация
Болт
Количество
2
66
66
Артикул: М10x60-7795
нет в наличии
Болт
Количество на схеме: 2
Информация
Болт
Количество
2
67
67
Артикул: М8х16-7798
нет в наличии
Болт
Количество на схеме: 1
Информация
Болт
Количество
1
68
68
Артикул: М10х30-7798
нет в наличии
Болт
Количество на схеме: 4
Информация
Болт
Количество
4
69
69
Артикул: М4х8-17473
нет в наличии
Винт
Количество на схеме: 3
Информация
Винт
Количество
3
70
70
Артикул: М5х12-17473
нет в наличии
Винт
Количество на схеме: 1
Информация
Винт
Количество
1
71
71
Артикул: М5х35-17473
нет в наличии
Винт
Количество на схеме: 3
Информация
Винт
Количество
3
72
72
Артикул: М6х16-17473
нет в наличии
Винт
Количество на схеме: 2
Информация
Винт
Количество
2
73
73
Артикул: М10-5915
нет в наличии
Гайка
Количество на схеме: 2
Информация
Гайка
Количество
2
74
74
Артикул: М5-5927
нет в наличии
Гайка
Количество на схеме: 1
Информация
Гайка
Количество
1
75
75
Артикул: М6-5927
нет в наличии
Гайка
Количество на схеме: 2
Информация
Гайка
Количество
2
76
76
Артикул: М16х1,5-5929
нет в наличии
Гайка
Количество на схеме: 1
Информация
Гайка
Количество
1
77
77
Артикул: 465Г-6402
нет в наличии
Шайба
Количество на схеме: 3
Информация
Шайба
Количество
3
78
78
Артикул: 565Г-6402
нет в наличии
Шайба
Количество на схеме: 1
Информация
Шайба
Количество
1
79
79
Артикул: 665Г-6402
нет в наличии
Шайба
Количество на схеме: 2
Информация
Шайба
Количество
2
80
80
Артикул: 865Г-6402
нет в наличии
Шайба
Количество на схеме: 1
Информация
Шайба
Количество
1
81
81
Артикул: 1065Г-6402
нет в наличии
Шайба
Количество на схеме: 13
Информация
Шайба
Количество
13
  • Грузовые автомобили
  • Автобусы
  • Сельхозтехника
  • Спецтехника
  • Двигатели
Получить оптовый прайс-лист
Скачать прайс-лист от 06.05.2026 16:00
Специальное предложение от 06.05.2026 17:00
Производители:


  • WEICHAI
  • Автодизель ПАО (ЯМЗ)
  • Тутаевский МЗ
  • ЯЗДА
  • УралАЗ
  • МАЗ
  • АЗПИ
  • BOSCH
  • ММЗ
  • ШААЗ
  • FEDERAL MOGUL
  • ПРАМО
  • Мотордеталь
  • ТАИМ
  • АвтоКрАЗ
  • БЕЛКАРД
  • CZ Strakonice
  • КамАЗ
  • БЗА
  • ЧМЗ
  • BMZ
Новости
Все новости
25 марта 2024
Флагманский седельный тягач «Валдай 45» на выставке «TransRussia»
10 марта 2024
Современные автобусы «CITYMAX 9» и ЛиАЗ-5292 CNG
25 февраля 2024
Серийное производство средних дизельных двигателей повышенной мощности от ЯМЗ
Статьи
Все статьи
Датчики двигателя: за что они отвечают, признаки неисправности и как не прогадать с выбором
Двигатели ЯМЗ-534: история, технические характеристики и области применения
Двигатели ЯМЗ 650: углублённый технический обзор и история
Компания
О компании
Реквизиты
Новости
Политика
Магазины
Информация
Условия оплаты
Условия доставки
Гарантия на товар
Обмен и возврат товара
Помощь
Как оформить заказ
Полезные статьи
Бренды
Пункты выдачи
Оставайтесь на связи
  • Вконтакте
  • YouTube
  • Одноклассники
  • Google Plus
Увидели ошибку?
Выделите, нажав Ctrl + Enter
Наши контакты
8-800-700-35-68
sales@din76.ru
г. Ярославль, Ленинградский пр-т 33, ТЦ "ОМЕГА"
2026 © ООО «Динамика 76» - Все права защищены ООО "Динамика 76"
Предложения на сайте не являются публичной офертой.
На сайте обнаружена ошибка

Текст с ошибкой