Избранное 0 Корзина 0 Личный кабинет
logo
Каталог
Каталог
  • Справочник
    • Грузовые автомобили
    • Автобусы
    • Сельхозтехника
    • Спецтехника
    • Двигатели
  • Доставка
  • Оплата
  • О компании
    • Реквизиты
    • Магазины
    • Оплата
    • Доставка
    • Лицензии и сертификаты
    • Новости
    • Вакансии
  • Контакты
Отправить заявку
Личный кабинет
8 (800) 700-35-68
sales@din76.ru
Избранное 0 Корзина 0
8 (800) 700-35-68
Оптовый прайс-лист
Каталог
  • Двигатели
  • Запчасти WEICHAI
  • Запчасти ЯМЗ, ТМЗ (V-образные)
  • Запчасти ЯМЗ-534, ЯМЗ-536
  • Запчасти ЯМЗ-650, ЯМЗ-651, DCi-11
  • Топливная аппаратура
  • Запчасти УРАЛ
  • Запчасти МАЗ
  • Запчасти КамАЗ
  • Запчасти ММЗ
  • Ремни
Автокаталог (справочник)
  • Доставка
  • Оплата
  • О компании
  • Контакты
8 (800) 700-35-68
Написать в Whatsapp
sales@din76.ru
Динамика 76
Меню  
  • Каталог
    • Двигатели  
      • Двигатели ТМЗ  
        • Двигатели ТМЗ для автомобилей
        • Двигатели ТМЗ для тракторов
        • Специальные двигатели ТМЗ
        • Промышленные двигатели ТМЗ
      • Двигатели ЯМЗ  
        • ЯМЗ 236
        • ЯМЗ 238
        • ЯМЗ 240
        • ЯМЗ 751
        • ЯМЗ 840
        • ЯМЗ 850
        • ЯМЗ 656
        • ЯМЗ 658
        • ЯМЗ 534
        • ЯМЗ 536
        • ЯМЗ 650
        • Двигатели ЯМЗ для электростанций
      • Двигатели КАМАЗ
      • Двигатели ММЗ
      • Двигатели индивидуальной сборки
      • Комплекты переоборудования
    • Запчасти WEICHAI  
      • Основные запчасти двигателя  
        • Клапаны и толкатели
        • Шатуны
        • Вал коленчатый и маховик
        • Вал распределительный
        • Цилиндро-поршневая группа
      • Система питания  
        • Форсунки
        • Турбокомпрессор
      • Система смазки  
        • Насос масляный
      • Головка блока
      • Ремкомплекты
      • Система охлаждения  
        • Насос водяной
        • Муфта вязкостная и крыльчатка
      • Фильтры
      • Электрооборудование  
        • Генератор
        • Стартер
    • Запчасти ЯМЗ, ТМЗ (V-образные)  
      • Основные запчасти двигателя  
        • Блок двигателя и комплектующие
        • Валы распределительные и клапаны
        • Головка блока и комплектующие
        • Цилиндро-поршневая группа
        • Маховики и комплектующие
        • Валы коленчатые и комплектующие
        • Шатуны и комплектующие
      • Система питания  
        • Коллекторы и патрубки
        • Топливные трубопроводы
        • Турбокомпрессор
        • Топливные фильтры
      • Электрооборудование двигателя
      • Система охлаждения  
        • Вязкостные муфты и крыльчатки
        • Приводы вентилятора
        • Водяные насосы
        • Водяные трубы и термостаты
      • Коробки переключения передач  
        • 8 Ступенчатые КПП
        • 5 Ступенчатые КПП
        • 9 Ступенчатые КПП
        • Запасные части КПП ЯМЗ, ТМЗ
      • Система смазки  
        • Теплообменник и комплектующие
        • Масляные насосы
        • Фильтры масляные (ФГОМ, ФЦОМ)
      • Сцепление  
        • Запасные части механизма сцепления
        • Муфты (подшипники выжимные)
        • Корзины (диски нажимные)
        • Диски ведомые
      • Прочие запчасти двигателя  
        • Ремкомплекты
        • Привод агрегатов
        • Натяжные устройства
        • Трубки
    • Запчасти ЯМЗ-534, ЯМЗ-536  
      • Основные запчасти двигателя  
        • Цилиндро-поршневая группа
        • Головка блока цилиндров и комплектующие
        • Блок цилиндров и комплектующие
        • Вал коленчатый и маховик
        • Вал распределительный
        • Клапаны и толкатели
        • ГУР (Гидроусилитель руля)
        • Система рециркуляции отработавших газов
        • Выпускной коллектор
      • Система питания  
        • Коллекторы и патрубки
        • Топливные фильтры
        • Турбокомпрессор
        • Топливные трубопроводы
      • Система смазки  
        • Масляный картер поддон
        • Масляный насос
        • Теплообменник /Водо-масляный радиатор
        • Фильтры масляные (ФГОМ, ФЦОМ)
      • Пневмокомпрессор и натяжное
      • Система охлаждения  
        • Водяной насос
        • Водяные трубы и патрубки
        • Муфты вязкостные, приводы, крыльчатки
      • Ремкомплекты
      • Сцепление
      • Электрооборудование
    • Запчасти ЯМЗ-650, ЯМЗ-651, DCi-11  
      • Основные запчасти двигателя  
        • Цилиндро-поршневая группа
        • Головка блока цилиндров и комплектующие
        • Блок цилиндров и комплектующие
        • Вал коленчатый и маховик
        • Выпускной коллектор
        • Вал распределительный
        • Клапаны и толкатели
        • ГУР (Гидроусилитель руля)
        • Система рециркуляции отработавших газов
      • Система питания  
        • Коллекторы и патрубки
        • Топливные трубопроводы
        • Топливные фильтры
        • Турбокомпрессор
      • Система смазки  
        • Масляный картер / поддон
        • Масляный насос
        • Теплообменник / Водо-масляный радиатор
        • Фильтры масляные (ФГОМ, ФЦОМ)
      • Система охлаждения  
        • Водяной насос
        • Водяные трубы и патрубки
        • Муфты вязкостные, приводы, крыльчатки
      • Ремкомплекты
      • Пневмокомпрессор и натяжное
      • Электрооборудование
      • Сцепление
    • Топливная аппаратура  
      • ЯЗДА  
        • Распылители
        • ТНВД
        • Форсунки
        • Топливный насос низкого давления
        • Пары плунжерные
        • Муфта опережения впрыска топлива
        • Запчасти и комплектующие ТНВД
      • НЗТА
      • АЗПИ  
        • Распылители
        • Форсунки
      • BOSCH
    • Запчасти УРАЛ  
      • Трансмиссия  
        • Коробка раздаточная
        • Передача карданная
        • Мост задний
        • Мост передний (ведущий)
        • Мост средний (промежуточный)
      • Кузов  
        • Дверь кабины
        • Капот, крылья, облицовка радиатора
        • Окно ветровое и заднее
        • Отопление и вентиляция кабины
        • Кабина
      • Механизмы управления  
        • Управление рулевое
        • Тормоза
      • Дополнительное оборудование  
        • Отбор мощности
        • Устройство седельное
      • Электрооборудование
      • Ходовая часть  
        • Колеса и ступицы
        • Ось передняя
        • Подвеска автомобиля
        • Рама
    • Запчасти МАЗ  
      • Трансмиссия  
        • Мост задний
        • Мост передний (ведущий)
        • Передача карданная
        • Мост средний (промежуточный)
      • Кузов  
        • Кабина
        • Дверь кабины
        • Детали основания кабины
        • Окно ветровое и заднее
        • Платформа
      • Механизмы управления  
        • Тормоза
        • Управление рулевое
      • Ходовая часть  
        • Колеса и ступицы
        • Ось передняя
        • Подвеска автомобиля
        • Рама
    • Запчасти КамАЗ  
      • Кузов  
        • Кабина
        • Капот, крылья, облицовка радиатора
        • Дверь кабины
        • Платформа
        • Окно ветровое и заднее
        • Устройство подъемное и опрокидывающее
        • Сиденье
        • Крыша кабины (крыша кузова)
        • Отопление и вентиляция кабины
      • Трансмиссия  
        • Коробка передач
        • Коробка раздаточная
        • Мост задний
        • Сцепление
        • Мост средний (промежуточный)
        • Передача карданная
        • Мост передний (ведущий)
      • Двигатель  
        • Основные запчасти двигателя
        • Система охлаждения
        • Система питания
        • Система смазки
      • Дополнительное оборудование  
        • Отбор мощности
        • Устройство седельное
      • Ходовая часть  
        • Подвеска автомобиля
        • Рама
        • Колеса и ступицы
        • Ось передняя
      • Механизмы управления  
        • Тормоза
        • Управление рулевое
      • Электрооборудование
    • Запчасти ММЗ
    • Ремни
  • Справочник
    • Грузовые автомобили
    • Автобусы
    • Сельхозтехника
    • Спецтехника
    • Двигатели
  • Как купить
    • Условия оплаты
    • Условия доставки
    • Гарантия на товар
    • Пункты выдачи
  • Услуги
    • Капитальный ремонт двигателей ЯМЗ
  • Акции
  • Статьи
  • Контакты
  • Компания
    • Реквизиты
    • Магазины
    • Оплата
    • Доставка
    • Лицензии и сертификаты
    • Новости
    • Вакансии
Избранное 0 Корзина 0
8-800-700-35-68

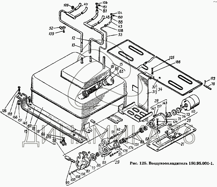
Воздухоохладитель 150.95.001-1 на Т-150К

Справочник
Главная
-
Автокаталог
-
Сельхозтехника
-
ХТЗ
-
Т-150К
Справочный каталог

Воздухоохладитель 150.95.001-1 — Т-150К:

12 13 15 15 16 18 19 21 29 29 29 31 32 34 42 43 48 49 50 52 53 63 65 66 67 68 70 71 72 73 74 83 84 85 86 87 88 90 91 92 108 108 109 113 121 124 125 126 136 139 143 145 147 150 150 150 150 150 150 151 154 156 157 158 158 158 158 158 158 159 159 159 159 159 160 161 166 166 166 173 174 175 176
в наличии
нет в наличии
масштаб

В наличии
Нет в наличии

Перечень комплектующих от Воздухоохладитель 150.95.001-1 на Т-150К

Схемы запчастей предназначены для справочных целей! Мы продаем не все запчасти от Воздухоохладитель 150.95.001-1 на Т-150К, представленные в этом списке.
Наличие на складах по деталям с ценой смотрите в карточке товара.
12
12
Артикул: 150-95-037
нет в наличии
Трубка слива левая в сборе
Количество на схеме: 1
Информация
Трубка слива левая в сборе
Количество
1
Входит в
150.95.001-1;
13
13
Артикул: 150-95-038
нет в наличии
Трубка слива правая в сборе
Количество на схеме: 1
Информация
Трубка слива правая в сборе
Количество
1
Входит в
150.95.001-1;
15
15
Артикул: 150-95-040-1
нет в наличии
Бак для воды в сборе
Количество на схеме: 1
Информация
Бак для воды в сборе
Количество
1
Входит в
150.95.001-1;
16
16
Артикул: 150-95-041-1
нет в наличии
Бак в сборе
Количество на схеме: 1
Информация
Бак в сборе
Количество
1
Входит в
150.95.040-1;
18
18
Артикул: 150-95-043
нет в наличии
Фильтр в сборе
Количество на схеме: 1
Информация
Фильтр в сборе
Количество
1
Входит в
150.95.040-1;
19
19
Артикул: 150-95-044
нет в наличии
Кронштейн бака в сборе
Количество на схеме: 2
Информация
Кронштейн бака в сборе
Количество
2
Входит в
150.95.040-1;
21
21
Артикул: 150-95-050
нет в наличии
Кронштейн в сборе
Количество на схеме: 1
Информация
Кронштейн в сборе
Количество
1
Входит в
150.95.040-1;
29
29
Артикул: 150-95-070-1
нет в наличии
Насос в сборе
Количество на схеме: 1
Информация
Насос в сборе
Количество
1
Входит в
150.95.040-1;
31
31
Артикул: 150-95-083
нет в наличии
Подножка в сборе
Количество на схеме: 1
Информация
Подножка в сборе
Количество
1
Входит в
150.95.086;
32
32
Артикул: 150-95-084
нет в наличии
Площадка в сборе
Количество на схеме: 1
Информация
Площадка в сборе
Количество
1
Входит в
150.95.086;
34
34
Артикул: 150-95-086
нет в наличии
Площадка с подножкой в сборе
Количество на схеме: 1
Информация
Площадка с подножкой в сборе
Количество
1
Входит в
150.95.001-1;
42
42
Артикул: 150-95-317
нет в наличии
Трубка подачи воды
Количество на схеме: 1
Информация
Трубка подачи воды
Количество
1
Входит в
150.95.012;
43
43
Артикул: 150-95-317-01
нет в наличии
Трубка
Количество на схеме: 1
Информация
Трубка
Количество
1
Входит в
150.95.012;
48
48
Артикул: 150-95-328
нет в наличии
Шланг
Количество на схеме: 1
Информация
Шланг
Количество
1
Входит в
150.95.001-1;
49
49
Артикул: 150-95-328-01
нет в наличии
Шланг
Количество на схеме: 4
Информация
Шланг
Количество
4
Входит в
150.95.001-1;
50
50
Артикул: 150-95-328-4
нет в наличии
Шланг
Количество на схеме: 1
Информация
Шланг
Количество
1
Входит в
150.95.001-1;
52
52
Артикул: 150-95-334
нет в наличии
Скоба
Количество на схеме: 7
Информация
Скоба
Количество
7
Входит в
150.95.001-1;
53
53
Артикул: 150-95-335
нет в наличии
Труба подачи воды
Количество на схеме: 1
Информация
Труба подачи воды
Количество
1
Входит в
150.95.001-1;
63
63
Артикул: 150-95-408
нет в наличии
Крышка
Количество на схеме: 1
Информация
Крышка
Количество
1
Входит в
150.95.040-1;
65
65
Артикул: 150-95-428
нет в наличии
Прокладка
Количество на схеме: 1
Информация
Прокладка
Количество
1
Входит в
150.95.040-1;
66
66
Артикул: 150-95-429
нет в наличии
Прокладка
Количество на схеме: 1
Информация
Прокладка
Количество
1
Входит в
150.95.040-1;
67
67
Артикул: 150-95-434
нет в наличии
Прокладка
Количество на схеме: 2
Информация
Прокладка
Количество
2
Входит в
150.95.040-1;
68
68
Артикул: 150-95-435
нет в наличии
Амортизатор
Количество на схеме: 4
Информация
Амортизатор
Количество
4
Входит в
150.95.040-1;
70
70
Артикул: 150-95-476
нет в наличии
Палец
Количество на схеме: 2
Информация
Палец
Количество
2
Входит в
150.95.001-1;
71
71
Артикул: 150-95-509-1
нет в наличии
Фланец двигателя
Количество на схеме: 1
Информация
Фланец двигателя
Количество
1
Входит в
150.95.070-1;
72
72
Артикул: 150-95-514
нет в наличии
Прокладка
Количество на схеме: 1
Информация
Прокладка
Количество
1
Входит в
150.95.070-1;
73
73
Артикул: 150-95-515
нет в наличии
Муфта
Количество на схеме: 2
Информация
Муфта
Количество
2
Входит в
150.95.070-1;
74
74
Артикул: 150-95-517
нет в наличии
Поводок
Количество на схеме: 1
Информация
Поводок
Количество
1
Входит в
150.95.070-1;
83
83
Артикул: 150-95-556
нет в наличии
Штуцер
Количество на схеме: 4
Информация
Штуцер
Количество
4
Входит в
150.95.012;
84
84
Артикул: 150-95-561-1
нет в наличии
Валик насоса
Количество на схеме: 1
Информация
Валик насоса
Количество
1
Входит в
150.95.070-1;
85
85
Артикул: 150-95-566-1
нет в наличии
Корпус насоса
Количество на схеме: 1
Информация
Корпус насоса
Количество
1
Входит в
150.95.070-1;
86
86
Артикул: 150-95-567А
нет в наличии
Крыльчатка
Количество на схеме: 1
Информация
Крыльчатка
Количество
1
Входит в
150.95.070-1;
87
87
Артикул: 150-95-570-1
нет в наличии
Фланец насоса
Количество на схеме: 1
Информация
Фланец насоса
Количество
1
Входит в
150.95.070-1;
88
88
Артикул: 150-95-592
нет в наличии
Штуцер
Количество на схеме: 1
Информация
Штуцер
Количество
1
Входит в
150.95.012;
90
90
Артикул: 150-95-617
нет в наличии
Штуцер всасывающий
Количество на схеме: 1
Информация
Штуцер всасывающий
Количество
1
Входит в
150.95.070-1;
91
91
Артикул: 150-95-618
нет в наличии
Крыльчатка
Количество на схеме: 1
Информация
Крыльчатка
Количество
1
Входит в
150.95.070-1;
92
92
Артикул: 150-95-619-1
нет в наличии
Прокладка
Количество на схеме: 1
Информация
Прокладка
Количество
1
Входит в
150.95.070-1;
108
108
Артикул: 14-48-392
нет в наличии
Втулка
Количество на схеме: 4
Информация
Втулка
Количество
4
Входит в
150.95.001-1;
108
108
Артикул: 14-48-392
нет в наличии
Втулка
Количество на схеме: 4
Информация
Втулка
Количество
4
Входит в
150.95.010;
109
109
Артикул: 14-48-393
нет в наличии
Втулка
Количество на схеме: 8
Информация
Втулка
Количество
8
Входит в
150.95.001-1;
113
113
Артикул: МЭ-226
нет в наличии
Электродвигатель
Количество на схеме: 1
Информация
Электродвигатель
Количество
1
Входит в
150.35.070-1;
121
121
Артикул: Подшипник-200-ГОСТ-8338-57
нет в наличии
Подшипник 200 ГОСТ 8338-57
Количество на схеме: 2
Информация
Подшипник 200 ГОСТ 8338-57
Количество
2
Входит в
150.95.070-1;
124
124
Артикул: Болт-М6-6gх30-55-019-ГОСТ-7795-70
нет в наличии
Болт М6-6gх30.55.019 ГОСТ 7795-70
Количество на схеме: 4
Информация
Болт М6-6gх30.55.019 ГОСТ 7795-70
Количество
4
Входит в
150.95.040-1;
125
125
Артикул: Болт-М8-6gх12-66-019-ГОСТ-7796-70
нет в наличии
Болт М8-6gх12.66.019 ГОСТ 7796-70
Количество на схеме: 2
Информация
Болт М8-6gх12.66.019 ГОСТ 7796-70
Количество
2
Входит в
150.95.086;
126
126
Артикул: Болт-М8-6gх16-66-019-ГОСТ-7796-70
нет в наличии
Болт М8-6gх16.66.019 ГОСТ 7796-70
Количество на схеме: 6
Информация
Болт М8-6gх16.66.019 ГОСТ 7796-70
Количество
6
Входит в
150.95.040-1;
136
136
Артикул: Шпилька-АМ6-То/6gх16(10/12)66-019-ГОСТ-1
нет в наличии
Шпилька АМ6 То/6gх16(10/12)66.019 ГОСТ 11765-66
Количество на схеме: 8
Информация
Шпилька АМ6 То/6gх16(10/12)66.019 ГОСТ 11765-66
Количество
8
Входит в
150.95.070-1;
139
139
Артикул: Винт-М6-6gх12-58-019-ГОСТ-1489-62
нет в наличии
Винт М6-6gх12.58.019 ГОСТ 1489-62
Количество на схеме: 7
Информация
Винт М6-6gх12.58.019 ГОСТ 1489-62
Количество
7
Входит в
150.95.001-1;
143
143
Артикул: Винт-М6-6gх8-66-019-ГОСТ-1477-64
нет в наличии
Винт М6-6gх8.66.019 ГОСТ 1477-64
Количество на схеме: 2
Информация
Винт М6-6gх8.66.019 ГОСТ 1477-64
Количество
2
Входит в
150.95.070-1;
145
145
Артикул: Винт-М8-6gх16-58-019-ГОСТ-1490-62
нет в наличии
Винт М8-6gх16.58.019 ГОСТ 1490-62
Количество на схеме: 2
Информация
Винт М8-6gх16.58.019 ГОСТ 1490-62
Количество
2
Входит в
150.95.040-1;
147
147
Артикул: Гайка-М5-6Н-8-019-ГОСТ-5927-70
нет в наличии
Гайка М5-6Н.8.019 ГОСТ 5927-70
Количество на схеме: 2
Информация
Гайка М5-6Н.8.019 ГОСТ 5927-70
Количество
2
Входит в
150.95.070-1;
150
150
Артикул: Гайка-М8-7Н-6-019-ГОСТ-5915-70
нет в наличии
Гайка М8-7Н.6.019 ГОСТ 5915-70
Количество на схеме: 34
Информация
Гайка М8-7Н.6.019 ГОСТ 5915-70
Количество
34
Входит в
150.95.001-1;
150
150
Артикул: Гайка-М8-7Н-6-019-ГОСТ-5915-70
нет в наличии
Гайка М8-7Н.6.019 ГОСТ 5915-70
Количество на схеме: 34
Информация
Гайка М8-7Н.6.019 ГОСТ 5915-70
Количество
34
Входит в
150.95.010;
150
150
Артикул: Гайка-М8-7Н-6-019-ГОСТ-5915-70
нет в наличии
Гайка М8-7Н.6.019 ГОСТ 5915-70
Количество на схеме: 34
Информация
Гайка М8-7Н.6.019 ГОСТ 5915-70
Количество
34
Входит в
150.95.012;
150
150
Артикул: Гайка-М8-7Н-6-019-ГОСТ-5915-70
нет в наличии
Гайка М8-7Н.6.019 ГОСТ 5915-70
Количество на схеме: 34
Информация
Гайка М8-7Н.6.019 ГОСТ 5915-70
Количество
34
Входит в
150.95.035;
150
150
Артикул: Гайка-М8-7Н-6-019-ГОСТ-5915-70
нет в наличии
Гайка М8-7Н.6.019 ГОСТ 5915-70
Количество на схеме: 34
Информация
Гайка М8-7Н.6.019 ГОСТ 5915-70
Количество
34
Входит в
150.95.090-1А;
150
150
Артикул: Гайка-М8-7Н-6-019-ГОСТ-5915-70
нет в наличии
Гайка М8-7Н.6.019 ГОСТ 5915-70
Количество на схеме: 34
Информация
Гайка М8-7Н.6.019 ГОСТ 5915-70
Количество
34
Входит в
150.95.091-1;
151
151
Артикул: Гайка-М8-6Н-8-019-ГОСТ-5927-70
нет в наличии
Гайка М8-6Н.8.019 ГОСТ 5927-70
Количество на схеме: 2
Информация
Гайка М8-6Н.8.019 ГОСТ 5927-70
Количество
2
Входит в
150.95.040-1;
154
154
Артикул: Гайка-М16-7Н-6-0П2-ГОСТ-5915-70
нет в наличии
Гайка М16-7Н.6.0П2 ГОСТ 5915-70
Количество на схеме: 1
Информация
Гайка М16-7Н.6.0П2 ГОСТ 5915-70
Количество
1
Входит в
150.95.012;
156
156
Артикул: Гайка-М18х1,5-7Н-6-ГОСТ-5915-70
нет в наличии
Гайка М18х1,5-7Н.6 ГОСТ 5915-70
Количество на схеме: 1
Информация
Гайка М18х1,5-7Н.6 ГОСТ 5915-70
Количество
1
Входит в
150.95.010;
157
157
Артикул: Шайба-5-04-0112-ГОСТ-11371-68
нет в наличии
Шайба 5-04.0112 ГОСТ 11371-68
Количество на схеме: 2
Информация
Шайба 5-04.0112 ГОСТ 11371-68
Количество
2
Входит в
150.95.070-1;
158
158
Артикул: Шайба-6-04-0112-ГОСТ-11371-68
нет в наличии
Шайба 6-04.0112 ГОСТ 11371-68
Количество на схеме: 114
Информация
Шайба 6-04.0112 ГОСТ 11371-68
Количество
114
Входит в
150.95.010;
158
158
Артикул: Шайба-6-04-0112-ГОСТ-11371-68
нет в наличии
Шайба 6-04.0112 ГОСТ 11371-68
Количество на схеме: 114
Информация
Шайба 6-04.0112 ГОСТ 11371-68
Количество
114
Входит в
150.95.012;
158
158
Артикул: Шайба-6-04-0112-ГОСТ-11371-68
нет в наличии
Шайба 6-04.0112 ГОСТ 11371-68
Количество на схеме: 114
Информация
Шайба 6-04.0112 ГОСТ 11371-68
Количество
114
Входит в
150.95.040-1;
158
158
Артикул: Шайба-6-04-0112-ГОСТ-11371-68
нет в наличии
Шайба 6-04.0112 ГОСТ 11371-68
Количество на схеме: 114
Информация
Шайба 6-04.0112 ГОСТ 11371-68
Количество
114
Входит в
150.95.070-1;
158
158
Артикул: Шайба-6-04-0112-ГОСТ-11371-68
нет в наличии
Шайба 6-04.0112 ГОСТ 11371-68
Количество на схеме: 114
Информация
Шайба 6-04.0112 ГОСТ 11371-68
Количество
114
Входит в
150.95.085;
158
158
Артикул: Шайба-6-04-0112-ГОСТ-11371-68
нет в наличии
Шайба 6-04.0112 ГОСТ 11371-68
Количество на схеме: 114
Информация
Шайба 6-04.0112 ГОСТ 11371-68
Количество
114
Входит в
150.95.090-1А;
159
159
Артикул: Шайба-8-04-0112-ГОСТ-11371-68
нет в наличии
Шайба 8-04.0112 ГОСТ 11371-68
Количество на схеме: 37
Информация
Шайба 8-04.0112 ГОСТ 11371-68
Количество
37
Входит в
150.95.001-1;
159
159
Артикул: Шайба-8-04-0112-ГОСТ-11371-68
нет в наличии
Шайба 8-04.0112 ГОСТ 11371-68
Количество на схеме: 37
Информация
Шайба 8-04.0112 ГОСТ 11371-68
Количество
37
Входит в
150.95.010;
159
159
Артикул: Шайба-8-04-0112-ГОСТ-11371-68
нет в наличии
Шайба 8-04.0112 ГОСТ 11371-68
Количество на схеме: 37
Информация
Шайба 8-04.0112 ГОСТ 11371-68
Количество
37
Входит в
150.95.012;
159
159
Артикул: Шайба-8-04-0112-ГОСТ-11371-68
нет в наличии
Шайба 8-04.0112 ГОСТ 11371-68
Количество на схеме: 37
Информация
Шайба 8-04.0112 ГОСТ 11371-68
Количество
37
Входит в
150.95.021;
159
159
Артикул: Шайба-8-04-0112-ГОСТ-11371-68
нет в наличии
Шайба 8-04.0112 ГОСТ 11371-68
Количество на схеме: 37
Информация
Шайба 8-04.0112 ГОСТ 11371-68
Количество
37
Входит в
150.95.040-1;
160
160
Артикул: Шайба-16-04-ГОСТ-11371-66
нет в наличии
Шайба 16-04 ГОСТ 11371-66
Количество на схеме: 1
Информация
Шайба 16-04 ГОСТ 11371-66
Количество
1
Входит в
150.95.012;
161
161
Артикул: Шайба-18-04-ГОСТ-11371-68
нет в наличии
Шайба 18-04 ГОСТ 11371-68
Количество на схеме: 4
Информация
Шайба 18-04 ГОСТ 11371-68
Количество
4
Входит в
150.95.012;
166
166
Артикул: Шайба-8-65Г-05-ГОСТ-6402-70
нет в наличии
Шайба 8.65Г.05 ГОСТ 6402-70
Количество на схеме: 10
Информация
Шайба 8.65Г.05 ГОСТ 6402-70
Количество
10
Входит в
150.95.035;
166
166
Артикул: Шайба-8-65Г-05-ГОСТ-6402-70
нет в наличии
Шайба 8.65Г.05 ГОСТ 6402-70
Количество на схеме: 10
Информация
Шайба 8.65Г.05 ГОСТ 6402-70
Количество
10
Входит в
150.95.040-1;
166
166
Артикул: Шайба-8-65Г-05-ГОСТ-6402-70
нет в наличии
Шайба 8.65Г.05 ГОСТ 6402-70
Количество на схеме: 10
Информация
Шайба 8.65Г.05 ГОСТ 6402-70
Количество
10
Входит в
150.95.086;
173
173
Артикул: Шплинт-2,5х16-005-ГОСТ-397-66
нет в наличии
Шплинт 2,5х16.005 ГОСТ 397-66
Количество на схеме: 4
Информация
Шплинт 2,5х16.005 ГОСТ 397-66
Количество
4
Входит в
150.95.001-1;
174
174
Артикул: Манжета-1-10х26-3-ГОСТ-8752-70
нет в наличии
Манжета 1-10х26-3 ГОСТ 8752-70
Количество на схеме: 6
Информация
Манжета 1-10х26-3 ГОСТ 8752-70
Количество
6
Входит в
150.95.070-1;
175
175
Артикул: Пробка-КГ1/8"
нет в наличии
Пробка КГ1/8"
Количество на схеме: 1
Информация
Пробка КГ1/8"
Количество
1
Входит в
150.95.070-1;
176
176
Артикул: Краник-КРС-3/8"
нет в наличии
Краник КРС 3/8"
Количество на схеме: 1
Информация
Краник КРС 3/8"
Количество
1
Входит в
150.95.001-1;
  • Грузовые автомобили
  • Автобусы
  • Сельхозтехника
  • Спецтехника
  • Двигатели
Получить оптовый прайс-лист
Скачать прайс-лист от 08.05.2026 16:00
Специальное предложение от 08.05.2026 17:00
Производители:


  • WEICHAI
  • Автодизель ПАО (ЯМЗ)
  • Тутаевский МЗ
  • ЯЗДА
  • УралАЗ
  • МАЗ
  • АЗПИ
  • BOSCH
  • ММЗ
  • ШААЗ
  • FEDERAL MOGUL
  • ПРАМО
  • Мотордеталь
  • ТАИМ
  • АвтоКрАЗ
  • БЕЛКАРД
  • CZ Strakonice
  • КамАЗ
  • БЗА
  • ЧМЗ
  • BMZ
Новости
Все новости
25 марта 2024
Флагманский седельный тягач «Валдай 45» на выставке «TransRussia»
10 марта 2024
Современные автобусы «CITYMAX 9» и ЛиАЗ-5292 CNG
25 февраля 2024
Серийное производство средних дизельных двигателей повышенной мощности от ЯМЗ
Статьи
Все статьи
Датчики двигателя: за что они отвечают, признаки неисправности и как не прогадать с выбором
Двигатели ЯМЗ-534: история, технические характеристики и области применения
Двигатели ЯМЗ 650: углублённый технический обзор и история
Компания
О компании
Реквизиты
Новости
Политика
Магазины
Информация
Условия оплаты
Условия доставки
Гарантия на товар
Обмен и возврат товара
Помощь
Как оформить заказ
Полезные статьи
Бренды
Пункты выдачи
Оставайтесь на связи
  • Вконтакте
  • YouTube
  • Одноклассники
  • Google Plus
Увидели ошибку?
Выделите, нажав Ctrl + Enter
Наши контакты
8-800-700-35-68
sales@din76.ru
г. Ярославль, Ленинградский пр-т 33, ТЦ "ОМЕГА"
2026 © ООО «Динамика 76» - Все права защищены ООО "Динамика 76"
Предложения на сайте не являются публичной офертой.
На сайте обнаружена ошибка

Текст с ошибкой