Избранное 0 Корзина 0 Личный кабинет
logo
Каталог
Каталог
  • Справочник
    • Грузовые автомобили
    • Автобусы
    • Сельхозтехника
    • Спецтехника
    • Двигатели
  • Доставка
  • Оплата
  • О компании
    • Реквизиты
    • Магазины
    • Оплата
    • Доставка
    • Лицензии и сертификаты
    • Новости
    • Вакансии
  • Контакты
Отправить заявку
Личный кабинет
8 (800) 700-35-68
sales@din76.ru
Избранное 0 Корзина 0
8 (800) 700-35-68
Оптовый прайс-лист
Каталог
  • Двигатели
  • Запчасти WEICHAI
  • Запчасти ЯМЗ, ТМЗ (V-образные)
  • Запчасти ЯМЗ-534, ЯМЗ-536
  • Запчасти ЯМЗ-650, ЯМЗ-651, DCi-11
  • Топливная аппаратура
  • Запчасти УРАЛ
  • Запчасти МАЗ
  • Запчасти КамАЗ
  • Запчасти ММЗ
  • Ремни
Автокаталог (справочник)
  • Доставка
  • Оплата
  • О компании
  • Контакты
8 (800) 700-35-68
Написать в Whatsapp
sales@din76.ru
Динамика 76
Меню  
  • Каталог
    • Двигатели  
      • Двигатели ТМЗ  
        • Двигатели ТМЗ для автомобилей
        • Двигатели ТМЗ для тракторов
        • Специальные двигатели ТМЗ
        • Промышленные двигатели ТМЗ
      • Двигатели ЯМЗ  
        • ЯМЗ 236
        • ЯМЗ 238
        • ЯМЗ 240
        • ЯМЗ 751
        • ЯМЗ 840
        • ЯМЗ 850
        • ЯМЗ 656
        • ЯМЗ 658
        • ЯМЗ 534
        • ЯМЗ 536
        • ЯМЗ 650
        • Двигатели ЯМЗ для электростанций
      • Двигатели КАМАЗ
      • Двигатели ММЗ
      • Двигатели индивидуальной сборки
      • Комплекты переоборудования
    • Запчасти WEICHAI  
      • Основные запчасти двигателя  
        • Клапаны и толкатели
        • Шатуны
        • Вал коленчатый и маховик
        • Вал распределительный
        • Цилиндро-поршневая группа
      • Система питания  
        • Форсунки
        • Турбокомпрессор
      • Система смазки  
        • Насос масляный
      • Головка блока
      • Ремкомплекты
      • Система охлаждения  
        • Насос водяной
        • Муфта вязкостная и крыльчатка
      • Фильтры
      • Электрооборудование  
        • Генератор
        • Стартер
    • Запчасти ЯМЗ, ТМЗ (V-образные)  
      • Основные запчасти двигателя  
        • Блок двигателя и комплектующие
        • Валы распределительные и клапаны
        • Головка блока и комплектующие
        • Цилиндро-поршневая группа
        • Маховики и комплектующие
        • Валы коленчатые и комплектующие
        • Шатуны и комплектующие
      • Система питания  
        • Коллекторы и патрубки
        • Топливные трубопроводы
        • Турбокомпрессор
        • Топливные фильтры
      • Электрооборудование двигателя
      • Система охлаждения  
        • Вязкостные муфты и крыльчатки
        • Приводы вентилятора
        • Водяные насосы
        • Водяные трубы и термостаты
      • Коробки переключения передач  
        • 8 Ступенчатые КПП
        • 5 Ступенчатые КПП
        • 9 Ступенчатые КПП
        • Запасные части КПП ЯМЗ, ТМЗ
      • Система смазки  
        • Теплообменник и комплектующие
        • Масляные насосы
        • Фильтры масляные (ФГОМ, ФЦОМ)
      • Сцепление  
        • Запасные части механизма сцепления
        • Муфты (подшипники выжимные)
        • Корзины (диски нажимные)
        • Диски ведомые
      • Прочие запчасти двигателя  
        • Ремкомплекты
        • Привод агрегатов
        • Натяжные устройства
        • Трубки
    • Запчасти ЯМЗ-534, ЯМЗ-536  
      • Основные запчасти двигателя  
        • Цилиндро-поршневая группа
        • Головка блока цилиндров и комплектующие
        • Блок цилиндров и комплектующие
        • Вал коленчатый и маховик
        • Вал распределительный
        • Клапаны и толкатели
        • ГУР (Гидроусилитель руля)
        • Система рециркуляции отработавших газов
        • Выпускной коллектор
      • Система питания  
        • Коллекторы и патрубки
        • Топливные фильтры
        • Турбокомпрессор
        • Топливные трубопроводы
      • Система смазки  
        • Масляный картер поддон
        • Масляный насос
        • Теплообменник /Водо-масляный радиатор
        • Фильтры масляные (ФГОМ, ФЦОМ)
      • Пневмокомпрессор и натяжное
      • Система охлаждения  
        • Водяной насос
        • Водяные трубы и патрубки
        • Муфты вязкостные, приводы, крыльчатки
      • Ремкомплекты
      • Сцепление
      • Электрооборудование
    • Запчасти ЯМЗ-650, ЯМЗ-651, DCi-11  
      • Основные запчасти двигателя  
        • Цилиндро-поршневая группа
        • Головка блока цилиндров и комплектующие
        • Блок цилиндров и комплектующие
        • Вал коленчатый и маховик
        • Выпускной коллектор
        • Вал распределительный
        • Клапаны и толкатели
        • ГУР (Гидроусилитель руля)
        • Система рециркуляции отработавших газов
      • Система питания  
        • Коллекторы и патрубки
        • Топливные трубопроводы
        • Топливные фильтры
        • Турбокомпрессор
      • Система смазки  
        • Масляный картер / поддон
        • Масляный насос
        • Теплообменник / Водо-масляный радиатор
        • Фильтры масляные (ФГОМ, ФЦОМ)
      • Система охлаждения  
        • Водяной насос
        • Водяные трубы и патрубки
        • Муфты вязкостные, приводы, крыльчатки
      • Ремкомплекты
      • Пневмокомпрессор и натяжное
      • Электрооборудование
      • Сцепление
    • Топливная аппаратура  
      • ЯЗДА  
        • Распылители
        • ТНВД
        • Форсунки
        • Топливный насос низкого давления
        • Пары плунжерные
        • Муфта опережения впрыска топлива
        • Запчасти и комплектующие ТНВД
      • НЗТА
      • АЗПИ  
        • Распылители
        • Форсунки
      • BOSCH
    • Запчасти УРАЛ  
      • Трансмиссия  
        • Коробка раздаточная
        • Передача карданная
        • Мост задний
        • Мост передний (ведущий)
        • Мост средний (промежуточный)
      • Кузов  
        • Дверь кабины
        • Капот, крылья, облицовка радиатора
        • Окно ветровое и заднее
        • Отопление и вентиляция кабины
        • Кабина
      • Механизмы управления  
        • Управление рулевое
        • Тормоза
      • Дополнительное оборудование  
        • Отбор мощности
        • Устройство седельное
      • Электрооборудование
      • Ходовая часть  
        • Колеса и ступицы
        • Ось передняя
        • Подвеска автомобиля
        • Рама
    • Запчасти МАЗ  
      • Трансмиссия  
        • Мост задний
        • Мост передний (ведущий)
        • Передача карданная
        • Мост средний (промежуточный)
      • Кузов  
        • Кабина
        • Дверь кабины
        • Детали основания кабины
        • Окно ветровое и заднее
        • Платформа
      • Механизмы управления  
        • Тормоза
        • Управление рулевое
      • Ходовая часть  
        • Колеса и ступицы
        • Ось передняя
        • Подвеска автомобиля
        • Рама
    • Запчасти КамАЗ  
      • Кузов  
        • Кабина
        • Капот, крылья, облицовка радиатора
        • Дверь кабины
        • Платформа
        • Окно ветровое и заднее
        • Устройство подъемное и опрокидывающее
        • Сиденье
        • Крыша кабины (крыша кузова)
        • Отопление и вентиляция кабины
      • Трансмиссия  
        • Коробка передач
        • Коробка раздаточная
        • Мост задний
        • Сцепление
        • Мост средний (промежуточный)
        • Передача карданная
        • Мост передний (ведущий)
      • Двигатель  
        • Основные запчасти двигателя
        • Система охлаждения
        • Система питания
        • Система смазки
      • Дополнительное оборудование  
        • Отбор мощности
        • Устройство седельное
      • Ходовая часть  
        • Подвеска автомобиля
        • Рама
        • Колеса и ступицы
        • Ось передняя
      • Механизмы управления  
        • Тормоза
        • Управление рулевое
      • Электрооборудование
    • Запчасти ММЗ
    • Ремни
  • Справочник
    • Грузовые автомобили
    • Автобусы
    • Сельхозтехника
    • Спецтехника
    • Двигатели
  • Как купить
    • Условия оплаты
    • Условия доставки
    • Гарантия на товар
    • Пункты выдачи
  • Услуги
    • Капитальный ремонт двигателей ЯМЗ
  • Акции
  • Статьи
  • Контакты
  • Компания
    • Реквизиты
    • Магазины
    • Оплата
    • Доставка
    • Лицензии и сертификаты
    • Новости
    • Вакансии
Избранное 0 Корзина 0
8-800-700-35-68

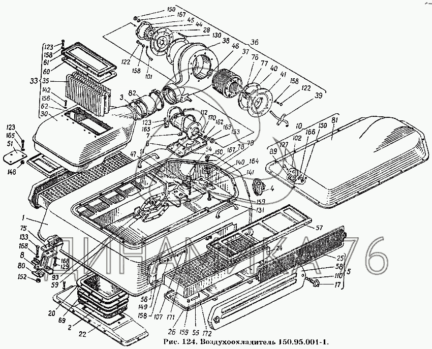
Воздухоохладитель 150.95.001-1 на Т-150К

Справочник
Главная
-
Автокаталог
-
Сельхозтехника
-
ХТЗ
-
Т-150К
Справочный каталог

Воздухоохладитель 150.95.001-1 — Т-150К:

150.95.001-1 150.95.012 1 2 3 4 5 6 7 8 10 11 17 20 22 24 25 26 28 30 33 35 36 37 38 39 40 41 44 45 46 47 51 54 55 56 57 58 59 60 61 62 69 69 75 76 77 78 79 80 81 82 89 93 101 102 107 110 112 122 122 123 123 123 127 129 130 131 133 140 141 142 142 148 148 148 149 150 150 150 150 150 150 153 158 158 158 158 158 158 158 162 164 165 165 166 166 166 167 167 167 167 167 168 168 169 169 170 171 172
в наличии
нет в наличии
масштаб

В наличии
Нет в наличии

Перечень комплектующих от Воздухоохладитель 150.95.001-1 на Т-150К

Схемы запчастей предназначены для справочных целей! Мы продаем не все запчасти от Воздухоохладитель 150.95.001-1 на Т-150К, представленные в этом списке.
Наличие на складах по деталям с ценой смотрите в карточке товара.
Артикул: 150-95-001-1
нет в наличии
Воздухоохладитель в сборе
Количество на схеме: 1
Информация
Воздухоохладитель в сборе
Количество
1
Входит в
;
Артикул: 150-95-012
нет в наличии
Воздухоохладитель в сборе
Количество на схеме: 1
Информация
Воздухоохладитель в сборе
Количество
1
Входит в
150.95.001-1;
1
1
Артикул: 150-95-013
нет в наличии
Обшивка в сборе
Количество на схеме: 1
Информация
Обшивка в сборе
Количество
1
Входит в
150.95.012;
2
2
Артикул: 150-95-015
нет в наличии
Обечайка в сборе
Количество на схеме: 1
Информация
Обечайка в сборе
Количество
1
Входит в
150.95.001-1;
3
3
Артикул: 150-95-020
нет в наличии
Хомутик в сборе
Количество на схеме: 2
Информация
Хомутик в сборе
Количество
2
Входит в
150.95.012;
4
4
Артикул: 150-95-021
нет в наличии
Крышка в сборе
Количество на схеме: 2
Информация
Крышка в сборе
Количество
2
Входит в
150.95.012;
5
5
Артикул: 150-95-025
нет в наличии
Рамка наружная в сборе
Количество на схеме: 2
Информация
Рамка наружная в сборе
Количество
2
Входит в
150.95.012;
6
6
Артикул: 150-95-030
нет в наличии
Опора двигателя в сборе
Количество на схеме: 1
Информация
Опора двигателя в сборе
Количество
1
Входит в
150.95.012;
7
7
Артикул: 150-95-031
нет в наличии
Лента крепежная в сборе
Количество на схеме: 2
Информация
Лента крепежная в сборе
Количество
2
Входит в
150.95.012;
8
8
Артикул: 150-95-032-1
нет в наличии
Опора в сборе
Количество на схеме: 1
Информация
Опора в сборе
Количество
1
Входит в
150.95.001-1;
10
10
Артикул: 150-95-035
нет в наличии
Крышка в сборе
Количество на схеме: 1
Информация
Крышка в сборе
Количество
1
Входит в
150.95.012;
11
11
Артикул: 150-95-036-1
нет в наличии
Панель в сборе
Количество на схеме: 1
Информация
Панель в сборе
Количество
1
Входит в
150.95.012;
17
17
Артикул: 150-95-042
нет в наличии
Кнопка в сборе
Количество на схеме: 2
Информация
Кнопка в сборе
Количество
2
Входит в
150.95.025;
20
20
Артикул: 150-95-048
нет в наличии
Рукав в сборе
Количество на схеме: 1
Информация
Рукав в сборе
Количество
1
Входит в
150:95.012;
22
22
Артикул: 150-95-054-1
нет в наличии
Переходник в сборе
Количество на схеме: 1
Информация
Переходник в сборе
Количество
1
Входит в
150.95.001-1;
24
24
Артикул: 150-95-060-1А
нет в наличии
Фильтр в сборе
Количество на схеме: 4
Информация
Фильтр в сборе
Количество
4
Входит в
150.95.012;
25
25
Артикул: 150-95-064
нет в наличии
Рамка в сборе
Количество на схеме: 2
Информация
Рамка в сборе
Количество
2
Входит в
150.95.025;
26
26
Артикул: 150-95-065
нет в наличии
Рамка в сборе
Количество на схеме: 2
Информация
Рамка в сборе
Количество
2
Входит в
150.95.012;
28
28
Артикул: 150-95-067
нет в наличии
Фланец двигателя в сборе
Количество на схеме: 1
Информация
Фланец двигателя в сборе
Количество
1
Входит в
150.95.090-1А;
30
30
Артикул: 150-95-081
нет в наличии
Воздуховод в сборе
Количество на схеме: 1
Информация
Воздуховод в сборе
Количество
1
Входит в
150.95.085;
33
33
Артикул: 150-95-085
нет в наличии
Воздуховод с каплеуловителем в сборе
Количество на схеме: 1
Информация
Воздуховод с каплеуловителем в сборе
Количество
1
Входит в
150.95.012;
35
35
Артикул: 150-95-087
нет в наличии
Каплеуловитель в сборе
Количество на схеме: 1
Информация
Каплеуловитель в сборе
Количество
1
Входит в
150.95.085;
36
36
Артикул: 150-95-090-1А
нет в наличии
Вентилятор-увлажнитель в сборе
Количество на схеме: 1
Информация
Вентилятор-увлажнитель в сборе
Количество
1
Входит в
150.95.012;
37
37
Артикул: 150-95-091-1
нет в наличии
Колесо вентилятора с увлажнителем в сборе
Количество на схеме: 1
Информация
Колесо вентилятора с увлажнителем в сборе
Количество
1
Входит в
150.95.090-1А;
38
38
Артикул: 150-95-093
нет в наличии
Кожух вентилятора в сборе
Количество на схеме: 1
Информация
Кожух вентилятора в сборе
Количество
1
Входит в
150.95.090-1А;
39
39
Артикул: 150-95-098
нет в наличии
Распылитель в сборе
Количество на схеме: 1
Информация
Распылитель в сборе
Количество
1
Входит в
150.95.090-1А;
40
40
Артикул: 150-95-315-1
нет в наличии
Колпачок
Количество на схеме: 1
Информация
Колпачок
Количество
1
Входит в
150.95.090-1А;
41
41
Артикул: 150-95-316
нет в наличии
Коллектор
Количество на схеме: 1
Информация
Коллектор
Количество
1
Входит в
150.95.090-1А;
44
44
Артикул: 150-95-618
нет в наличии
Крыльчатка
Количество на схеме: 1
Информация
Крыльчатка
Количество
1
Входит в
150.95.090-1А;
45
45
Артикул: 150-95-319
нет в наличии
Венец
Количество на схеме: 1
Информация
Венец
Количество
1
Входит в
150.95.090-1А;
46
46
Артикул: 150-95-320
нет в наличии
Шайба
Количество на схеме: 3
Информация
Шайба
Количество
3
Входит в
150.95.090-1А;
47
47
Артикул: 150-95-321
нет в наличии
Крышка панели
Количество на схеме: 1
Информация
Крышка панели
Количество
1
Входит в
150.95.012;
51
51
Артикул: 150-95-333
нет в наличии
Крышка
Количество на схеме: 1
Информация
Крышка
Количество
1
Входит в
150.95.001-1;
54
54
Артикул: 150-95-357
нет в наличии
Шпилька
Количество на схеме: 2
Информация
Шпилька
Количество
2
Входит в
150.95.012;
55
55
Артикул: 150-95-358
нет в наличии
Ось рамки фильтра
Количество на схеме: 4
Информация
Ось рамки фильтра
Количество
4
Входит в
150.95.012;
56
56
Артикул: 150-95-359
нет в наличии
Рычажок
Количество на схеме: 4
Информация
Рычажок
Количество
4
Входит в
150.95.012;
57
57
Артикул: 150-95-368
нет в наличии
Уплотнитель
Количество на схеме: 2
Информация
Уплотнитель
Количество
2
Входит в
150.95.012;
58
58
Артикул: 150-95-371
нет в наличии
Крышка фильтра
Количество на схеме: 2
Информация
Крышка фильтра
Количество
2
Входит в
150.95.025;
59
59
Артикул: 150-95-376
нет в наличии
Прокладка
Количество на схеме: 4
Информация
Прокладка
Количество
4
Входит в
150.95.012;
60
60
Артикул: 150-95-394
нет в наличии
Прокладка
Количество на схеме: 1
Информация
Прокладка
Количество
1
Входит в
150.95.085;
61
61
Артикул: 150-95-395
нет в наличии
Крышка
Количество на схеме: 1
Информация
Крышка
Количество
1
Входит в
150.95.085;
62
62
Артикул: 150-95-396
нет в наличии
Планка
Количество на схеме: 2
Информация
Планка
Количество
2
Входит в
150.95.085;
69
69
Артикул: 150-95-460
нет в наличии
Прокладка
Количество на схеме: 2
Информация
Прокладка
Количество
2
Входит в
150.95.001-1;
69
69
Артикул: 150-95-460
нет в наличии
Прокладка
Количество на схеме: 2
Информация
Прокладка
Количество
2
Входит в
150.95.012;
75
75
Артикул: 150-95-523
нет в наличии
Прокладка
Количество на схеме: 4
Информация
Прокладка
Количество
4
Входит в
150.95.001-1;
76
76
Артикул: 150-95-532
нет в наличии
Прокладка
Количество на схеме: 1
Информация
Прокладка
Количество
1
Входит в
150.95.090-1А;
77
77
Артикул: 150-95-533
нет в наличии
Прокладка
Количество на схеме: 2
Информация
Прокладка
Количество
2
Входит в
150.95.090-1А;
78
78
Артикул: 150-95-534
нет в наличии
Амортизатор
Количество на схеме: 8
Информация
Амортизатор
Количество
8
Входит в
150.95.012;
79
79
Артикул: 150-95-535
нет в наличии
Втулка амортизатора
Количество на схеме: 4
Информация
Втулка амортизатора
Количество
4
Входит в
150.95.012;
80
80
Артикул: 150-95-539-1
нет в наличии
Планка
Количество на схеме: 4
Информация
Планка
Количество
4
Входит в
150.95.001-1;
81
81
Артикул: 150-95-540
нет в наличии
Крышка
Количество на схеме: 1
Информация
Крышка
Количество
1
Входит в
150.95.035;
82
82
Артикул: 150-95-554
нет в наличии
Муфта
Количество на схеме: 1
Информация
Муфта
Количество
1
Входит в
150.95.012;
89
89
Артикул: 150-95-598
нет в наличии
Планка
Количество на схеме: 1
Информация
Планка
Количество
1
Входит в
150.95.035;
93
93
Артикул: 150-95-621
нет в наличии
Каркас
Количество на схеме: 1
Информация
Каркас
Количество
1
Входит в
150.95.012;
101
101
Артикул: 150-95-678
нет в наличии
Провод
Количество на схеме: 1
Информация
Провод
Количество
1
Входит в
150.95.010;
102
102
Артикул: 150-45-309
нет в наличии
Скоба
Количество на схеме: 1
Информация
Скоба
Количество
1
Входит в
150.95.035;
107
107
Артикул: 54-15-442
нет в наличии
Пружина краника
Количество на схеме: 4
Информация
Пружина краника
Количество
4
Входит в
150.95.012;
110
110
Артикул: 5-14-208-1
нет в наличии
Кольцо
Количество на схеме: 8
Информация
Кольцо
Количество
8
Входит в
150.95.025;
112
112
Артикул: МЭ-22
нет в наличии
Электродвигатель
Количество на схеме: 1
Информация
Электродвигатель
Количество
1
Входит в
150.95.090-1А;
122
122
Артикул: Болт-М6-6gх12-66-019-ГОСТ-7798-70
нет в наличии
Болт М6-6gх12.66.019 ГОСТ 7798-70
Количество на схеме: 16
Информация
Болт М6-6gх12.66.019 ГОСТ 7798-70
Количество
16
Входит в
150.95.090-1А;
123
123
Артикул: Болт-М6-6gх16-66-019-ГОСТ-7798-70
нет в наличии
Болт М6-6gх16.66.019 ГОСТ 7798-70
Количество на схеме: 71
Информация
Болт М6-6gх16.66.019 ГОСТ 7798-70
Количество
71
Входит в
150.95.001-1;
123
123
Артикул: Болт-М6-6gх16-66-019-ГОСТ-7798-70
нет в наличии
Болт М6-6gх16.66.019 ГОСТ 7798-70
Количество на схеме: 71
Информация
Болт М6-6gх16.66.019 ГОСТ 7798-70
Количество
71
Входит в
150.95.012;
123
123
Артикул: Болт-М6-6gх16-66-019-ГОСТ-7798-70
нет в наличии
Болт М6-6gх16.66.019 ГОСТ 7798-70
Количество на схеме: 71
Информация
Болт М6-6gх16.66.019 ГОСТ 7798-70
Количество
71
Входит в
150.95.085;
127
127
Артикул: Болт-М8-6gх20-66-019-ГОСТ-7796-70
нет в наличии
Болт М8-6gх20.66.019 ГОСТ 7796-70
Количество на схеме: 2
Информация
Болт М8-6gх20.66.019 ГОСТ 7796-70
Количество
2
Входит в
150.95.035;
129
129
Артикул: Болт-М8-6gх30-66-019-ГОСТ-7796-70
нет в наличии
Болт М8-6gх30.66.019 ГОСТ 7796-70
Количество на схеме: 8
Информация
Болт М8-6gх30.66.019 ГОСТ 7796-70
Количество
8
Входит в
150.95.001-1;
130
130
Артикул: Болт-М8-6gх35-66-019-ГОСТ-7795-70
нет в наличии
Болт М8-6gх35.66.019 ГОСТ 7795-70
Количество на схеме: 4
Информация
Болт М8-6gх35.66.019 ГОСТ 7795-70
Количество
4
Входит в
150.95.090-1А;
131
131
Артикул: Болт-М8-6gх40-66-019-ГОСТ-7795-70
нет в наличии
Болт М8-6gх40.66.019 ГОСТ 7795-70
Количество на схеме: 4
Информация
Болт М8-6gх40.66.019 ГОСТ 7795-70
Количество
4
Входит в
150.95.012;
133
133
Артикул: Болт-М10-6gх40-66-019-ГОСТ-7796-70
нет в наличии
Болт М10-6gх40.66.019 ГОСТ 7796-70
Количество на схеме: 4
Информация
Болт М10-6gх40.66.019 ГОСТ 7796-70
Количество
4
Входит в
150.95.001-1;
140
140
Артикул: Винт-М5-6gх12-58-019-ГОСТ-1489-62
нет в наличии
Винт М5-6gх12.58.019 ГОСТ 1489-62
Количество на схеме: 2
Информация
Винт М5-6gх12.58.019 ГОСТ 1489-62
Количество
2
Входит в
150.95.012;
141
141
Артикул: Винт-М5-6gх30-58-019-ГОСТ-1489-62
нет в наличии
Винт М5-6gх30.58.019 ГОСТ 1489-62
Количество на схеме: 2
Информация
Винт М5-6gх30.58.019 ГОСТ 1489-62
Количество
2
Входит в
150.95.012;
142
142
Артикул: Винт-М6-6gх12-58-019-ГОСТ-1490-62
нет в наличии
Винт М6-6gх12.58.019 ГОСТ 1490-62
Количество на схеме: 8
Информация
Винт М6-6gх12.58.019 ГОСТ 1490-62
Количество
8
Входит в
150.95.001-1;
142
142
Артикул: Винт-М6-6gх12-58-019-ГОСТ-1490-62
нет в наличии
Винт М6-6gх12.58.019 ГОСТ 1490-62
Количество на схеме: 8
Информация
Винт М6-6gх12.58.019 ГОСТ 1490-62
Количество
8
Входит в
150.95.085;
148
148
Артикул: Гайка-М6-7Н-6-019-ГОСТ-5915-70
нет в наличии
Гайка М6-7Н.6.019 ГОСТ 5915-70
Количество на схеме: 16
Информация
Гайка М6-7Н.6.019 ГОСТ 5915-70
Количество
16
Входит в
150.95.001-1;
148
148
Артикул: Гайка-М6-7Н-6-019-ГОСТ-5915-70
нет в наличии
Гайка М6-7Н.6.019 ГОСТ 5915-70
Количество на схеме: 16
Информация
Гайка М6-7Н.6.019 ГОСТ 5915-70
Количество
16
Входит в
150.95.012;
148
148
Артикул: Гайка-М6-7Н-6-019-ГОСТ-5915-70
нет в наличии
Гайка М6-7Н.6.019 ГОСТ 5915-70
Количество на схеме: 16
Информация
Гайка М6-7Н.6.019 ГОСТ 5915-70
Количество
16
Входит в
150.95.070-1;
149
149
Артикул: Гайка-М6-7Н-8-019-ГОСТ-3032-66
нет в наличии
Гайка М6-7Н.8.019 ГОСТ 3032-66
Количество на схеме: 4
Информация
Гайка М6-7Н.8.019 ГОСТ 3032-66
Количество
4
Входит в
150.95.012;
150
150
Артикул: Гайка-М8-7Н-6-019-ГОСТ-5915-70
нет в наличии
Гайка М8-7Н.6.019 ГОСТ 5915-70
Количество на схеме: 34
Информация
Гайка М8-7Н.6.019 ГОСТ 5915-70
Количество
34
Входит в
150.95.001-1;
150
150
Артикул: Гайка-М8-7Н-6-019-ГОСТ-5915-70
нет в наличии
Гайка М8-7Н.6.019 ГОСТ 5915-70
Количество на схеме: 34
Информация
Гайка М8-7Н.6.019 ГОСТ 5915-70
Количество
34
Входит в
150.95.010;
150
150
Артикул: Гайка-М8-7Н-6-019-ГОСТ-5915-70
нет в наличии
Гайка М8-7Н.6.019 ГОСТ 5915-70
Количество на схеме: 34
Информация
Гайка М8-7Н.6.019 ГОСТ 5915-70
Количество
34
Входит в
150.95.012;
150
150
Артикул: Гайка-М8-7Н-6-019-ГОСТ-5915-70
нет в наличии
Гайка М8-7Н.6.019 ГОСТ 5915-70
Количество на схеме: 34
Информация
Гайка М8-7Н.6.019 ГОСТ 5915-70
Количество
34
Входит в
150.95.035;
150
150
Артикул: Гайка-М8-7Н-6-019-ГОСТ-5915-70
нет в наличии
Гайка М8-7Н.6.019 ГОСТ 5915-70
Количество на схеме: 34
Информация
Гайка М8-7Н.6.019 ГОСТ 5915-70
Количество
34
Входит в
150.95.090-1А;
150
150
Артикул: Гайка-М8-7Н-6-019-ГОСТ-5915-70
нет в наличии
Гайка М8-7Н.6.019 ГОСТ 5915-70
Количество на схеме: 34
Информация
Гайка М8-7Н.6.019 ГОСТ 5915-70
Количество
34
Входит в
150.95.091-1;
153
153
Артикул: Гайка-М12х1,25-7Н-6-0112-ГОСТ-5915-70
нет в наличии
Гайка М12х1,25-7Н.6.0112 ГОСТ 5915-70
Количество на схеме: 1
Информация
Гайка М12х1,25-7Н.6.0112 ГОСТ 5915-70
Количество
1
Входит в
150.95.090-1А;
158
158
Артикул: Шайба-6-04-0112-ГОСТ-11371-68
нет в наличии
Шайба 6-04.0112 ГОСТ 11371-68
Количество на схеме: 114
Информация
Шайба 6-04.0112 ГОСТ 11371-68
Количество
114
Входит в
150.95.010;
158
158
Артикул: Шайба-6-04-0112-ГОСТ-11371-68
нет в наличии
Шайба 6-04.0112 ГОСТ 11371-68
Количество на схеме: 114
Информация
Шайба 6-04.0112 ГОСТ 11371-68
Количество
114
Входит в
150.95.012;
158
158
Артикул: Шайба-6-04-0112-ГОСТ-11371-68
нет в наличии
Шайба 6-04.0112 ГОСТ 11371-68
Количество на схеме: 114
Информация
Шайба 6-04.0112 ГОСТ 11371-68
Количество
114
Входит в
150.95.040-1;
158
158
Артикул: Шайба-6-04-0112-ГОСТ-11371-68
нет в наличии
Шайба 6-04.0112 ГОСТ 11371-68
Количество на схеме: 114
Информация
Шайба 6-04.0112 ГОСТ 11371-68
Количество
114
Входит в
150.95.070-1;
158
158
Артикул: Шайба-6-04-0112-ГОСТ-11371-68
нет в наличии
Шайба 6-04.0112 ГОСТ 11371-68
Количество на схеме: 114
Информация
Шайба 6-04.0112 ГОСТ 11371-68
Количество
114
Входит в
150.95.085;
158
158
Артикул: Шайба-6-04-0112-ГОСТ-11371-68
нет в наличии
Шайба 6-04.0112 ГОСТ 11371-68
Количество на схеме: 114
Информация
Шайба 6-04.0112 ГОСТ 11371-68
Количество
114
Входит в
150.95.090-1А;
162
162
Артикул: Шайба-12-04-0112-ГОСТ-11371-68
нет в наличии
Шайба 12-04.0112 ГОСТ 11371-68
Количество на схеме: 1
Информация
Шайба 12-04.0112 ГОСТ 11371-68
Количество
1
Входит в
150.95.093-1А;
164
164
Артикул: Шайба-5-65Г-099-ГОСТ-6402-70
нет в наличии
Шайба 5.65Г.099 ГОСТ 6402-70
Количество на схеме: 2
Информация
Шайба 5.65Г.099 ГОСТ 6402-70
Количество
2
Входит в
150.95.012;
165
165
Артикул: Шайба-6-65Г-099-ГОСТ-6402-70
нет в наличии
Шайба 6.65Г.099 ГОСТ 6402-70
Количество на схеме: 25
Информация
Шайба 6.65Г.099 ГОСТ 6402-70
Количество
25
Входит в
150.95.001-1;
165
165
Артикул: Шайба-6-65Г-099-ГОСТ-6402-70
нет в наличии
Шайба 6.65Г.099 ГОСТ 6402-70
Количество на схеме: 25
Информация
Шайба 6.65Г.099 ГОСТ 6402-70
Количество
25
Входит в
150.95.012;
166
166
Артикул: Шайба-8-65Г-05-ГОСТ-6402-70
нет в наличии
Шайба 8.65Г.05 ГОСТ 6402-70
Количество на схеме: 10
Информация
Шайба 8.65Г.05 ГОСТ 6402-70
Количество
10
Входит в
150.95.035;
166
166
Артикул: Шайба-8-65Г-05-ГОСТ-6402-70
нет в наличии
Шайба 8.65Г.05 ГОСТ 6402-70
Количество на схеме: 10
Информация
Шайба 8.65Г.05 ГОСТ 6402-70
Количество
10
Входит в
150.95.040-1;
166
166
Артикул: Шайба-8-65Г-05-ГОСТ-6402-70
нет в наличии
Шайба 8.65Г.05 ГОСТ 6402-70
Количество на схеме: 10
Информация
Шайба 8.65Г.05 ГОСТ 6402-70
Количество
10
Входит в
150.95.086;
167
167
Артикул: Шайба-8-65Г-099-ГОСТ-6402-70
нет в наличии
Шайба 8.65Г.099 ГОСТ 6402-70
Количество на схеме: 18
Информация
Шайба 8.65Г.099 ГОСТ 6402-70
Количество
18
Входит в
150.95.001-1;
167
167
Артикул: Шайба-8-65Г-099-ГОСТ-6402-70
нет в наличии
Шайба 8.65Г.099 ГОСТ 6402-70
Количество на схеме: 18
Информация
Шайба 8.65Г.099 ГОСТ 6402-70
Количество
18
Входит в
150.95.010;
167
167
Артикул: Шайба-8-65Г-099-ГОСТ-6402-70
нет в наличии
Шайба 8.65Г.099 ГОСТ 6402-70
Количество на схеме: 18
Информация
Шайба 8.65Г.099 ГОСТ 6402-70
Количество
18
Входит в
150.95.012;
167
167
Артикул: Шайба-8-65Г-099-ГОСТ-6402-70
нет в наличии
Шайба 8.65Г.099 ГОСТ 6402-70
Количество на схеме: 18
Информация
Шайба 8.65Г.099 ГОСТ 6402-70
Количество
18
Входит в
150.95.090-1А;
168
168
Артикул: Шайба-10-65Г-099-ГОСТ-6402-70
нет в наличии
Шайба 10.65Г.099 ГОСТ 6402-70
Количество на схеме: 8
Информация
Шайба 10.65Г.099 ГОСТ 6402-70
Количество
8
Входит в
150.95.01-1;
168
168
Артикул: Шайба-10-65Г-099-ГОСТ-6402-70
нет в наличии
Шайба 10.65Г.099 ГОСТ 6402-70
Количество на схеме: 8
Информация
Шайба 10.65Г.099 ГОСТ 6402-70
Количество
8
Входит в
150.95.010;
169
169
Артикул: Шайба-12-65Г-099-ГОСТ-6402-70
нет в наличии
Шайба 12.65Г.099 ГОСТ 6402-70
Количество на схеме: 5
Информация
Шайба 12.65Г.099 ГОСТ 6402-70
Количество
5
Входит в
150.95.010;
169
169
Артикул: Шайба-12-65Г-099-ГОСТ-6402-70
нет в наличии
Шайба 12.65Г.099 ГОСТ 6402-70
Количество на схеме: 5
Информация
Шайба 12.65Г.099 ГОСТ 6402-70
Количество
5
Входит в
150.95.090-1А;
170
170
Артикул: Шпонка-3х5-ГОСТ-8795-68
нет в наличии
Шпонка 3х5 ГОСТ 8795-68
Количество на схеме: 1
Информация
Шпонка 3х5 ГОСТ 8795-68
Количество
1
Входит в
150.95.090-1А;
171
171
Артикул: Шплинт-1,6х12-005-ГОСТ-397-66
нет в наличии
Шплинт 1,6х12.005 ГОСТ 397-66
Количество на схеме: 8
Информация
Шплинт 1,6х12.005 ГОСТ 397-66
Количество
8
Входит в
150.95.012;
172
172
Артикул: Шплинт-1,6х16-005-ГОСТ-397-66
нет в наличии
Шплинт 1,6х16.005 ГОСТ 397-66
Количество на схеме: 8
Информация
Шплинт 1,6х16.005 ГОСТ 397-66
Количество
8
Входит в
150.95.012;
  • Грузовые автомобили
  • Автобусы
  • Сельхозтехника
  • Спецтехника
  • Двигатели
Получить оптовый прайс-лист
Скачать прайс-лист от 08.05.2026 16:00
Специальное предложение от 08.05.2026 17:00
Производители:


  • WEICHAI
  • Автодизель ПАО (ЯМЗ)
  • Тутаевский МЗ
  • ЯЗДА
  • УралАЗ
  • МАЗ
  • АЗПИ
  • BOSCH
  • ММЗ
  • ШААЗ
  • FEDERAL MOGUL
  • ПРАМО
  • Мотордеталь
  • ТАИМ
  • АвтоКрАЗ
  • БЕЛКАРД
  • CZ Strakonice
  • КамАЗ
  • БЗА
  • ЧМЗ
  • BMZ
Новости
Все новости
25 марта 2024
Флагманский седельный тягач «Валдай 45» на выставке «TransRussia»
10 марта 2024
Современные автобусы «CITYMAX 9» и ЛиАЗ-5292 CNG
25 февраля 2024
Серийное производство средних дизельных двигателей повышенной мощности от ЯМЗ
Статьи
Все статьи
Датчики двигателя: за что они отвечают, признаки неисправности и как не прогадать с выбором
Двигатели ЯМЗ-534: история, технические характеристики и области применения
Двигатели ЯМЗ 650: углублённый технический обзор и история
Компания
О компании
Реквизиты
Новости
Политика
Магазины
Информация
Условия оплаты
Условия доставки
Гарантия на товар
Обмен и возврат товара
Помощь
Как оформить заказ
Полезные статьи
Бренды
Пункты выдачи
Оставайтесь на связи
  • Вконтакте
  • YouTube
  • Одноклассники
  • Google Plus
Увидели ошибку?
Выделите, нажав Ctrl + Enter
Наши контакты
8-800-700-35-68
sales@din76.ru
г. Ярославль, Ленинградский пр-т 33, ТЦ "ОМЕГА"
2026 © ООО «Динамика 76» - Все права защищены ООО "Динамика 76"
Предложения на сайте не являются публичной офертой.
На сайте обнаружена ошибка

Текст с ошибкой