Избранное 0 Корзина 0 Личный кабинет
logo
Каталог
Каталог
  • Справочник
    • Грузовые автомобили
    • Автобусы
    • Сельхозтехника
    • Спецтехника
    • Двигатели
  • Доставка
  • Оплата
  • О компании
    • Реквизиты
    • Магазины
    • Оплата
    • Доставка
    • Лицензии и сертификаты
    • Новости
    • Вакансии
  • Контакты
Отправить заявку
Личный кабинет
8 (800) 700-35-68
sales@din76.ru
Избранное 0 Корзина 0
8 (800) 700-35-68
Оптовый прайс-лист
Каталог
  • Двигатели
  • Запчасти WEICHAI
  • Запчасти ЯМЗ, ТМЗ (V-образные)
  • Запчасти ЯМЗ-534, ЯМЗ-536
  • Запчасти ЯМЗ-650, ЯМЗ-651, DCi-11
  • Топливная аппаратура
  • Запчасти УРАЛ
  • Запчасти МАЗ
  • Запчасти КамАЗ
  • Запчасти ММЗ
  • Ремни
Автокаталог (справочник)
  • Доставка
  • Оплата
  • О компании
  • Контакты
8 (800) 700-35-68
Написать в Whatsapp
sales@din76.ru
Динамика 76
Меню  
  • Каталог
    • Двигатели  
      • Двигатели ТМЗ  
        • Двигатели ТМЗ для автомобилей
        • Двигатели ТМЗ для тракторов
        • Специальные двигатели ТМЗ
        • Промышленные двигатели ТМЗ
      • Двигатели ЯМЗ  
        • ЯМЗ 236
        • ЯМЗ 238
        • ЯМЗ 240
        • ЯМЗ 751
        • ЯМЗ 840
        • ЯМЗ 850
        • ЯМЗ 656
        • ЯМЗ 658
        • ЯМЗ 534
        • ЯМЗ 536
        • ЯМЗ 650
        • Двигатели ЯМЗ для электростанций
      • Двигатели КАМАЗ
      • Двигатели ММЗ
      • Двигатели индивидуальной сборки
      • Комплекты переоборудования
    • Запчасти WEICHAI  
      • Основные запчасти двигателя  
        • Клапаны и толкатели
        • Шатуны
        • Вал коленчатый и маховик
        • Вал распределительный
        • Цилиндро-поршневая группа
      • Система питания  
        • Форсунки
        • Турбокомпрессор
      • Система смазки  
        • Насос масляный
      • Головка блока
      • Ремкомплекты
      • Система охлаждения  
        • Насос водяной
        • Муфта вязкостная и крыльчатка
      • Фильтры
      • Электрооборудование  
        • Генератор
        • Стартер
    • Запчасти ЯМЗ, ТМЗ (V-образные)  
      • Основные запчасти двигателя  
        • Блок двигателя и комплектующие
        • Валы распределительные и клапаны
        • Головка блока и комплектующие
        • Цилиндро-поршневая группа
        • Маховики и комплектующие
        • Валы коленчатые и комплектующие
        • Шатуны и комплектующие
      • Система питания  
        • Коллекторы и патрубки
        • Топливные трубопроводы
        • Турбокомпрессор
        • Топливные фильтры
      • Электрооборудование двигателя
      • Система охлаждения  
        • Вязкостные муфты и крыльчатки
        • Приводы вентилятора
        • Водяные насосы
        • Водяные трубы и термостаты
      • Коробки переключения передач  
        • 8 Ступенчатые КПП
        • 5 Ступенчатые КПП
        • 9 Ступенчатые КПП
        • Запасные части КПП ЯМЗ, ТМЗ
      • Система смазки  
        • Теплообменник и комплектующие
        • Масляные насосы
        • Фильтры масляные (ФГОМ, ФЦОМ)
      • Сцепление  
        • Запасные части механизма сцепления
        • Муфты (подшипники выжимные)
        • Корзины (диски нажимные)
        • Диски ведомые
      • Прочие запчасти двигателя  
        • Ремкомплекты
        • Привод агрегатов
        • Натяжные устройства
        • Трубки
    • Запчасти ЯМЗ-534, ЯМЗ-536  
      • Основные запчасти двигателя  
        • Цилиндро-поршневая группа
        • Головка блока цилиндров и комплектующие
        • Блок цилиндров и комплектующие
        • Вал коленчатый и маховик
        • Вал распределительный
        • Клапаны и толкатели
        • ГУР (Гидроусилитель руля)
        • Система рециркуляции отработавших газов
        • Выпускной коллектор
      • Система питания  
        • Коллекторы и патрубки
        • Топливные фильтры
        • Турбокомпрессор
        • Топливные трубопроводы
      • Система смазки  
        • Масляный картер поддон
        • Масляный насос
        • Теплообменник /Водо-масляный радиатор
        • Фильтры масляные (ФГОМ, ФЦОМ)
      • Пневмокомпрессор и натяжное
      • Система охлаждения  
        • Водяной насос
        • Водяные трубы и патрубки
        • Муфты вязкостные, приводы, крыльчатки
      • Ремкомплекты
      • Сцепление
      • Электрооборудование
    • Запчасти ЯМЗ-650, ЯМЗ-651, DCi-11  
      • Основные запчасти двигателя  
        • Цилиндро-поршневая группа
        • Головка блока цилиндров и комплектующие
        • Блок цилиндров и комплектующие
        • Вал коленчатый и маховик
        • Выпускной коллектор
        • Вал распределительный
        • Клапаны и толкатели
        • ГУР (Гидроусилитель руля)
        • Система рециркуляции отработавших газов
      • Система питания  
        • Коллекторы и патрубки
        • Топливные трубопроводы
        • Топливные фильтры
        • Турбокомпрессор
      • Система смазки  
        • Масляный картер / поддон
        • Масляный насос
        • Теплообменник / Водо-масляный радиатор
        • Фильтры масляные (ФГОМ, ФЦОМ)
      • Система охлаждения  
        • Водяной насос
        • Водяные трубы и патрубки
        • Муфты вязкостные, приводы, крыльчатки
      • Ремкомплекты
      • Пневмокомпрессор и натяжное
      • Электрооборудование
      • Сцепление
    • Топливная аппаратура  
      • ЯЗДА  
        • Распылители
        • ТНВД
        • Форсунки
        • Топливный насос низкого давления
        • Пары плунжерные
        • Муфта опережения впрыска топлива
        • Запчасти и комплектующие ТНВД
      • НЗТА
      • АЗПИ  
        • Распылители
        • Форсунки
      • BOSCH
    • Запчасти УРАЛ  
      • Трансмиссия  
        • Коробка раздаточная
        • Передача карданная
        • Мост задний
        • Мост передний (ведущий)
        • Мост средний (промежуточный)
      • Кузов  
        • Дверь кабины
        • Капот, крылья, облицовка радиатора
        • Окно ветровое и заднее
        • Отопление и вентиляция кабины
        • Кабина
      • Механизмы управления  
        • Управление рулевое
        • Тормоза
      • Дополнительное оборудование  
        • Отбор мощности
        • Устройство седельное
      • Электрооборудование
      • Ходовая часть  
        • Колеса и ступицы
        • Ось передняя
        • Подвеска автомобиля
        • Рама
    • Запчасти МАЗ  
      • Трансмиссия  
        • Мост задний
        • Мост передний (ведущий)
        • Передача карданная
        • Мост средний (промежуточный)
      • Кузов  
        • Кабина
        • Дверь кабины
        • Детали основания кабины
        • Окно ветровое и заднее
        • Платформа
      • Механизмы управления  
        • Тормоза
        • Управление рулевое
      • Ходовая часть  
        • Колеса и ступицы
        • Ось передняя
        • Подвеска автомобиля
        • Рама
    • Запчасти КамАЗ  
      • Кузов  
        • Кабина
        • Капот, крылья, облицовка радиатора
        • Дверь кабины
        • Платформа
        • Окно ветровое и заднее
        • Устройство подъемное и опрокидывающее
        • Сиденье
        • Крыша кабины (крыша кузова)
        • Отопление и вентиляция кабины
      • Трансмиссия  
        • Коробка передач
        • Коробка раздаточная
        • Мост задний
        • Сцепление
        • Мост средний (промежуточный)
        • Передача карданная
        • Мост передний (ведущий)
      • Двигатель  
        • Основные запчасти двигателя
        • Система охлаждения
        • Система питания
        • Система смазки
      • Дополнительное оборудование  
        • Отбор мощности
        • Устройство седельное
      • Ходовая часть  
        • Подвеска автомобиля
        • Рама
        • Колеса и ступицы
        • Ось передняя
      • Механизмы управления  
        • Тормоза
        • Управление рулевое
      • Электрооборудование
    • Запчасти ММЗ
    • Ремни
  • Справочник
    • Грузовые автомобили
    • Автобусы
    • Сельхозтехника
    • Спецтехника
    • Двигатели
  • Как купить
    • Условия оплаты
    • Условия доставки
    • Гарантия на товар
    • Пункты выдачи
  • Услуги
    • Капитальный ремонт двигателей ЯМЗ
  • Акции
  • Статьи
  • Контакты
  • Компания
    • Реквизиты
    • Магазины
    • Оплата
    • Доставка
    • Лицензии и сертификаты
    • Новости
    • Вакансии
Избранное 0 Корзина 0
8-800-700-35-68

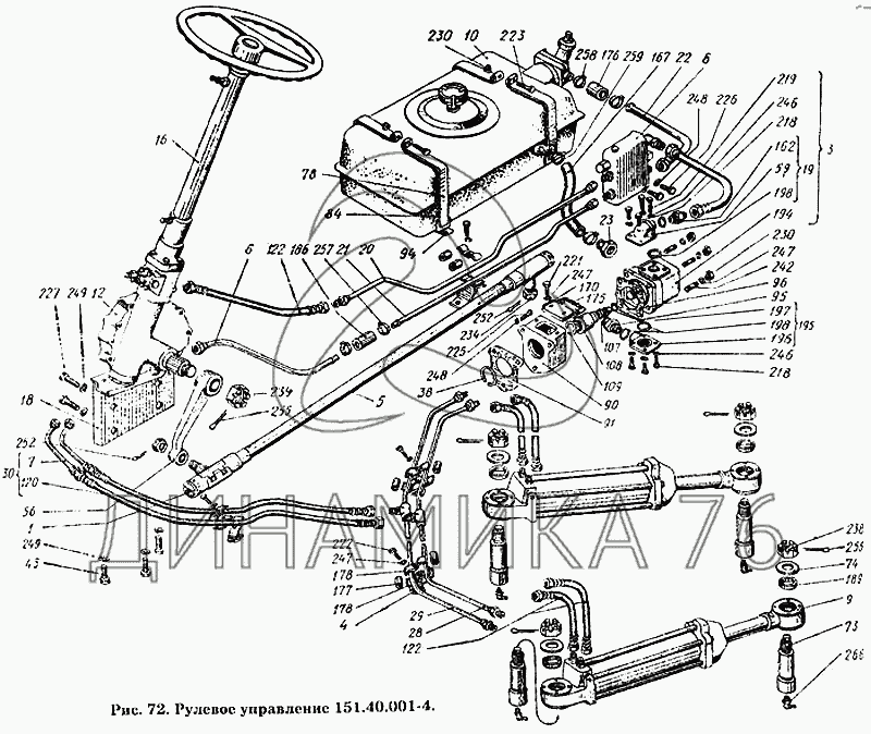
Рулевое управление 151.40.001-4 на Т-150К

Справочник
Главная
-
Автокаталог
-
Сельхозтехника
-
ХТЗ
-
Т-150К
Справочный каталог

Рулевое управление 151.40.001-4 — Т-150К:

151.40.001-4 1 3 4 5 6 7 8 9 10 12 16 18 19 20 21 22 23 28 29 30 38 43 56 59 73 74 78 84 90 91 94 95 96 107 108 109 120 122 122 162 167 170 175 176 177 178 178 186 189 194 195 196 197 198 198 198 198 198 218 218 218 219 219 221 221 222 222 223 225 226 227 230 230 234 234 238 242 244 246 246 246 247 247 247 247 248 248 248 249 249 252 252 255 255 255 257 258 259 266
в наличии
нет в наличии
масштаб

В наличии
Нет в наличии

Перечень комплектующих от Рулевое управление 151.40.001-4 на Т-150К

Схемы запчастей предназначены для справочных целей! Мы продаем не все запчасти от Рулевое управление 151.40.001-4 на Т-150К, представленные в этом списке.
Наличие на складах по деталям с ценой смотрите в карточке товара.
Артикул: 151-40-001-4
нет в наличии
Рулевое управление в сборе
Информация
Рулевое управление в сборе
1
1
Артикул: 151-40-022-2
нет в наличии
Тяга в сборе
Количество на схеме: 1
Информация
Тяга в сборе
Количество
1
Входит в
151.40.001-4;
3
3
Артикул: 151-40-026-1
нет в наличии
Насос в сборе
Количество на схеме: 1
Информация
Насос в сборе
Количество
1
Входит в
151.40.001-4;
4
4
Артикул: 151-40-027-1
нет в наличии
Кронштейн трубок в сборе
Количество на схеме: 3
Информация
Кронштейн трубок в сборе
Количество
3
Входит в
151.40.001-4;
5
5
Артикул: 151-40-028-1
нет в наличии
Кронштейн в сборе
Количество на схеме: 1
Информация
Кронштейн в сборе
Количество
1
Входит в
151.40.001-4;
6
6
Артикул: 151-40-029-1
нет в наличии
Труба сливная передняя в сборе
Количество на схеме: 1
Информация
Труба сливная передняя в сборе
Количество
1
Входит в
151.40.001-4;
7
7
Артикул: 151-40-032-3
нет в наличии
Труба от распределителя верхняя в сборе
Количество на схеме: 2
Информация
Труба от распределителя верхняя в сборе
Количество
2
Входит в
151.40.076;
8
8
Артикул: 151-40-039-1
нет в наличии
Клапан расхода в сборе
Количество на схеме: 1
Информация
Клапан расхода в сборе
Количество
1
Входит в
151.40.001-4;
9
9
Артикул: 151-40-040-3
нет в наличии
Гидроцилиндр в споре
Количество на схеме: 2
Информация
Гидроцилиндр в споре
Количество
2
Входит в
151.40.001-4;
10
10
Артикул: 151-40-044-4
нет в наличии
Бак гидросистемы в сборе
Количество на схеме: 1
Информация
Бак гидросистемы в сборе
Количество
1
Входит в
151.40.001-4;
12
12
Артикул: 151-40-051-1
нет в наличии
Рулевой механизм в сборе
Количество на схеме: 1
Информация
Рулевой механизм в сборе
Количество
1
Входит в
151.40.001-4;
16
16
Артикул: 151-40-056-1
нет в наличии
Колонка рулевого управления в сборе
Количество на схеме: 1
Информация
Колонка рулевого управления в сборе
Количество
1
Входит в
151.40.001-4;
18
18
Артикул: 151-40-058
нет в наличии
Кронштейн рулевого механизма в сборе
Количество на схеме: 1
Информация
Кронштейн рулевого механизма в сборе
Количество
1
Входит в
151.40.001-4;
19
19
Артикул: 151-40-061-1
нет в наличии
Муфта угловая в сборе
Количество на схеме: 1
Информация
Муфта угловая в сборе
Количество
1
Входит в
151.40.026;
20
20
Артикул: 151-40-063-2
нет в наличии
Труба от клапана к золотнику в сборе
Количество на схеме: 1
Информация
Труба от клапана к золотнику в сборе
Количество
1
Входит в
151.40.001-4;
21
21
Артикул: 151-40-064-2
нет в наличии
Труба сливная в сборе
Количество на схеме: 1
Информация
Труба сливная в сборе
Количество
1
Входит в
151.40.001-4;
22
22
Артикул: 151-40-065
нет в наличии
Труба от клапана к фильтру в сборе
Количество на схеме: 1
Информация
Труба от клапана к фильтру в сборе
Количество
1
Входит в
151.40.001-4;
23
23
Артикул: 151-40-066
нет в наличии
Труба от бака к насосу в сборе
Количество на схеме: 1
Информация
Труба от бака к насосу в сборе
Количество
1
Входит в
151.40.001-4;
28
28
Артикул: 151-40-074
нет в наличии
Труба верхняя в сборе
Количество на схеме: 1
Информация
Труба верхняя в сборе
Количество
1
Входит в
151.40.001-4;
29
29
Артикул: 151-40-075
нет в наличии
Труба нижняя в сборе
Количество на схеме: 1
Информация
Труба нижняя в сборе
Количество
1
Входит в
151.40.101-4;
30
30
Артикул: 151-40-076
нет в наличии
Труба со шлангом в сборе
Количество на схеме: 2
Информация
Труба со шлангом в сборе
Количество
2
Входит в
151.40.001-4;
38
38
Артикул: 151-40-148
нет в наличии
Кольцо 1В72 ГОСТ 13841-68
Количество на схеме: 4
Информация
Кольцо 1В72 ГОСТ 13841-68
Количество
4
Входит в
151.40.051-1;
43
43
Артикул: 151-40-183
нет в наличии
Болт 3М14.3х25.109 ГОСТ 7798-70
Количество на схеме: 3
Информация
Болт 3М14.3х25.109 ГОСТ 7798-70
Количество
3
Входит в
151.40.001-4;
56
56
Артикул: 151-40-216-1
нет в наличии
Сошка рулевого управления
Количество на схеме: 1
Информация
Сошка рулевого управления
Количество
1
Входит в
151.40.051-1;
59
59
Артикул: 151-40-226
нет в наличии
Муфта угловая
Количество на схеме: 1
Информация
Муфта угловая
Количество
1
Входит в
151.40.061-1;
73
73
Артикул: 151-40-278
нет в наличии
Палец
Количество на схеме: 4
Информация
Палец
Количество
4
Входит в
151.40.001-4;
74
74
Артикул: 151-40-296
нет в наличии
Шайба 36-015 ГОСТ 11371-68
Количество на схеме: 4
Информация
Шайба 36-015 ГОСТ 11371-68
Количество
4
Входит в
151.40.001-4;
78
78
Артикул: 151-57-036-2
нет в наличии
Лента крепления бака передняя в сборе
Количество на схеме: 4
Информация
Лента крепления бака передняя в сборе
Количество
4
Входит в
151.40.001-4;
84
84
Артикул: 151-57-147-1
нет в наличии
Прокладка верхняя
Количество на схеме: 4
Информация
Прокладка верхняя
Количество
4
Входит в
151.40.001-4;
90
90
Артикул: 151-57-201-1
нет в наличии
Корпус привода гидронасоса
Количество на схеме: 1
Информация
Корпус привода гидронасоса
Количество
1
Входит в
151.40.001-4;
91
91
Артикул: 151-57-206-1
нет в наличии
Прокладка
Количество на схеме: 1
Информация
Прокладка
Количество
1
Входит в
151.40.001-4;
94
94
Артикул: 151-57-246
нет в наличии
Прокладка
Количество на схеме: 4
Информация
Прокладка
Количество
4
Входит в
151.40.001-4;
95
95
Артикул: 151-57-272
нет в наличии
Кольцо 1Б25 ГОСТ 13940-68
Количество на схеме: 1
Информация
Кольцо 1Б25 ГОСТ 13940-68
Количество
1
Входит в
151.40.001-4;
96
96
Артикул: 151-57-275
нет в наличии
Прокладка
Количество на схеме: 1
Информация
Прокладка
Количество
1
Входит в
151.40.001-4;
107
107
Артикул: 150-53-131-1
нет в наличии
Втулка муфты
Количество на схеме: 1
Информация
Втулка муфты
Количество
1
Входит в
151.40.001-4;
108
108
Артикул: 150-53-132
нет в наличии
Муфта предохранительная
Количество на схеме: 1
Информация
Муфта предохранительная
Количество
1
Входит в
151.40.001-4;
109
109
Артикул: 150-53-133
нет в наличии
Кольцо упорное
Количество на схеме: 2
Информация
Кольцо упорное
Количество
2
Входит в
151.40.001-4;
120
120
Артикул: 150-61-010
нет в наличии
Рукав высокого давления П-3000 диаметр 16
Количество на схеме: 1
Информация
Рукав высокого давления П-3000 диаметр 16
Количество
1
Входит в
151.40.076;
122
122
Артикул: 125-40-046-1
нет в наличии
Шланг в сборе
Количество на схеме: 6
Информация
Шланг в сборе
Количество
6
Входит в
151.40.001-4;
162
162
Артикул: 125-40-242
нет в наличии
Штуцер насоса
Количество на схеме: 1
Информация
Штуцер насоса
Количество
1
Входит в
151.40.061-1;
167
167
Артикул: 125-40-255
нет в наличии
Шланг заборный
Количество на схеме: 1
Информация
Шланг заборный
Количество
1
Входит в
151.40.001-4;
170
170
Артикул: 125-40-336
нет в наличии
Крышка
Количество на схеме: 1
Информация
Крышка
Количество
1
Входит в
151.40.001-4;
175
175
Артикул: 125-57-207
нет в наличии
Прокладка
Количество на схеме: 1
Информация
Прокладка
Количество
1
Входит в
151.40.001-4;
176
176
Артикул: 125-57-208
нет в наличии
Шланг
Количество на схеме: 1
Информация
Шланг
Количество
1
Входит в
151.40.001-4;
177
177
Артикул: 74-54-435
нет в наличии
Труба резиновая
Количество на схеме: 6
Информация
Труба резиновая
Количество
6
Входит в
151.40.001-4;
178
178
Артикул: 74-54-437
нет в наличии
Зажим
Количество на схеме: 8
Информация
Зажим
Количество
8
Входит в
151.40.001-4;
186
186
Артикул: 8-24-143
нет в наличии
Шланг
Количество на схеме: 1
Информация
Шланг
Количество
1
Входит в
151.40.001-4;
189
189
Артикул: 700А-34-00-013
нет в наличии
Втулка
Количество на схеме: 4
Информация
Втулка
Количество
4
Входит в
151.40.001-4;
194
194
Артикул: НШ32-Л-2
нет в наличии
Насос шестеренный НШ32-Л-2 ГОСТ 8753-71
Количество на схеме: 1
Информация
Насос шестеренный НШ32-Л-2 ГОСТ 8753-71
Количество
1
Входит в
151.40.026-1;
195
195
Артикул: НШ32-0303004В
нет в наличии
Муфта угловая в сборе
Количество на схеме: 1
Информация
Муфта угловая в сборе
Количество
1
Входит в
151.40.026-1;
Модель
НШ32
Подгруппа
0303
Порядковый номер детали
004
196
196
Артикул: НШ32-0303035В
нет в наличии
Муфта угловая
Количество на схеме: 1
Информация
Муфта угловая
Количество
1
Входит в
НШ32-0303004В;
Модель
НШ32
Подгруппа
0303
Порядковый номер детали
035
197
197
Артикул: НШ32-0303036В
нет в наличии
Штуцер
Количество на схеме: 1
Информация
Штуцер
Количество
1
Входит в
НШ32-0303004В;
Модель
НШ32
Подгруппа
0303
Порядковый номер детали
036
198
198
Артикул: НШ46-0505037
нет в наличии
Кольцо уплотнительное
Количество на схеме: 9
Информация
Кольцо уплотнительное
Количество
9
Входит в
151.40.039-1;
Модель
НШ46
Подгруппа
0505
Порядковый номер детали
037
198
198
Артикул: НШ46-0505037
нет в наличии
Кольцо уплотнительное
Количество на схеме: 9
Информация
Кольцо уплотнительное
Количество
9
Входит в
151.40.051-1;
Модель
НШ46
Подгруппа
0505
Порядковый номер детали
037
198
198
Артикул: НШ46-0505037
нет в наличии
Кольцо уплотнительное
Количество на схеме: 9
Информация
Кольцо уплотнительное
Количество
9
Входит в
151.40.055;
Модель
НШ46
Подгруппа
0505
Порядковый номер детали
037
198
198
Артикул: НШ46-0505037
нет в наличии
Кольцо уплотнительное
Количество на схеме: 9
Информация
Кольцо уплотнительное
Количество
9
Входит в
151.40.061-1;
Модель
НШ46
Подгруппа
0505
Порядковый номер детали
037
198
198
Артикул: НШ46-0505037
нет в наличии
Кольцо уплотнительное
Количество на схеме: 9
Информация
Кольцо уплотнительное
Количество
9
Входит в
НШ32-0303004В;
Модель
НШ46
Подгруппа
0505
Порядковый номер детали
037
218
218
Артикул: Болт-М8-6gх25-66-ГОСТ-7796-70
нет в наличии
Болт М8-6gх25.66 ГОСТ 7796-70
Количество на схеме: 8
Информация
Болт М8-6gх25.66 ГОСТ 7796-70
Количество
8
Входит в
151.40.026-1;
218
218
Артикул: Болт-М8-6gх25-66-ГОСТ-7796-70
нет в наличии
Болт М8-6gх25.66 ГОСТ 7796-70
Количество на схеме: 8
Информация
Болт М8-6gх25.66 ГОСТ 7796-70
Количество
8
Входит в
151.40.044-4;
219
219
Артикул: Болт-М8-6gх55-66-ГОСТ-7795-70
нет в наличии
Болт М8-6gх55.66 ГОСТ 7795-70
Количество на схеме: 6
Информация
Болт М8-6gх55.66 ГОСТ 7795-70
Количество
6
Входит в
151.40.026-1;
219
219
Артикул: Болт-М8-6gх55-66-ГОСТ-7795-70
нет в наличии
Болт М8-6gх55.66 ГОСТ 7795-70
Количество на схеме: 6
Информация
Болт М8-6gх55.66 ГОСТ 7795-70
Количество
6
Входит в
151.40.039-1;
221
221
Артикул: Болт-М10-6gх25-66-ГОСТ-7796-70
нет в наличии
Болт М10-6gх25.66 ГОСТ 7796-70
Количество на схеме: 13
Информация
Болт М10-6gх25.66 ГОСТ 7796-70
Количество
13
Входит в
151.40.001-4;
221
221
Артикул: Болт-М10-6gх25-66-ГОСТ-7796-70
нет в наличии
Болт М10-6gх25.66 ГОСТ 7796-70
Количество на схеме: 13
Информация
Болт М10-6gх25.66 ГОСТ 7796-70
Количество
13
Входит в
151.40.051-1;
222
222
Артикул: Болт-М10-6gх30-66-ГОСТ-7796-70
нет в наличии
Болт М10-6gх30.66 ГОСТ 7796-70
Количество на схеме: 8
Информация
Болт М10-6gх30.66 ГОСТ 7796-70
Количество
8
Входит в
151.40.001-4;
222
222
Артикул: Болт-М10-6gх30-66-ГОСТ-7796-70
нет в наличии
Болт М10-6gх30.66 ГОСТ 7796-70
Количество на схеме: 8
Информация
Болт М10-6gх30.66 ГОСТ 7796-70
Количество
8
Входит в
151.40.051-1;
223
223
Артикул: Болт-М10-6gх65-66-ГОСТ-7795-70
нет в наличии
Болт М10-6gх65.66 ГОСТ 7795-70
Количество на схеме: 2
Информация
Болт М10-6gх65.66 ГОСТ 7795-70
Количество
2
Входит в
151.40.001-4;
225
225
Артикул: Болт-М12-6gх35-88-ГОСТ-7796-70
нет в наличии
Болт М12-6gх35.88 ГОСТ 7796-70
Количество на схеме: 3
Информация
Болт М12-6gх35.88 ГОСТ 7796-70
Количество
3
Входит в
151.40.001-4;
226
226
Артикул: Болт-М12-6gх70-88-35-ГОСТ-7795-70
нет в наличии
Болт М12-6gх70.88.35 ГОСТ 7795-70
Количество на схеме: 2
Информация
Болт М12-6gх70.88.35 ГОСТ 7795-70
Количество
2
Входит в
151.40.001-4;
227
227
Артикул: Болт-М14-6gх35-88-35-ГОСТ-7796-70
нет в наличии
Болт М14-6gх35.88.35 ГОСТ 7796-70
Количество на схеме: 6
Информация
Болт М14-6gх35.88.35 ГОСТ 7796-70
Количество
6
Входит в
151.40.001-4;
230
230
Артикул: Гайка-М10-7Н-6-ГОСТ-5915-70
нет в наличии
Гайка М10-7Н.6 ГОСТ 5915-70
Количество на схеме: 13
Информация
Гайка М10-7Н.6 ГОСТ 5915-70
Количество
13
Входит в
151.40.001-4;
230
230
Артикул: Гайка-М10-7Н-6-ГОСТ-5915-70
нет в наличии
Гайка М10-7Н.6 ГОСТ 5915-70
Количество на схеме: 13
Информация
Гайка М10-7Н.6 ГОСТ 5915-70
Количество
13
Входит в
151.40.051-1;
234
234
Артикул: Гайка-М16-6Н-8-ГОСТ-5933-62
нет в наличии
Гайка М16-6Н.8 ГОСТ 5933-62
Количество на схеме: 2
Информация
Гайка М16-6Н.8 ГОСТ 5933-62
Количество
2
Входит в
151.40.001-4;
238
238
Артикул: Гайка-М36х3-6Н-8-ГОСТ-5933-62
нет в наличии
Гайка М36х3-6Н.8 ГОСТ 5933-62
Количество на схеме: 4
Информация
Гайка М36х3-6Н.8 ГОСТ 5933-62
Количество
4
Входит в
151.40.001-4;
242
242
Артикул: Шпилька-БМ10-То/6gх25(12/18)66-ГОСТ-1176
нет в наличии
Шпилька БМ10 То/6gх25(12/18)66 ГОСТ 11765-66
Количество на схеме: 4
Информация
Шпилька БМ10 То/6gх25(12/18)66 ГОСТ 11765-66
Количество
4
Входит в
151.40.001-4;
244
244
Артикул: Шпилька-БМ12х1,75/1,5-То/6gх130(15/26)66
нет в наличии
Шпилька БМ12х1,75/1,5 То/6gх130(15/26)66 ГОСТ 11765-66
Количество на схеме: 4
Информация
Шпилька БМ12х1,75/1,5 То/6gх130(15/26)66 ГОСТ 11765-66
Количество
4
Входит в
151:40.051-1;
246
246
Артикул: Шайба-8-65Г-05-ГОСТ-6402-70
нет в наличии
Шайба 8.65Г.05 ГОСТ 6402-70
Количество на схеме: 14
Информация
Шайба 8.65Г.05 ГОСТ 6402-70
Количество
14
Входит в
151.40.026-1;
246
246
Артикул: Шайба-8-65Г-05-ГОСТ-6402-70
нет в наличии
Шайба 8.65Г.05 ГОСТ 6402-70
Количество на схеме: 14
Информация
Шайба 8.65Г.05 ГОСТ 6402-70
Количество
14
Входит в
151.40.039-1;
246
246
Артикул: Шайба-8-65Г-05-ГОСТ-6402-70
нет в наличии
Шайба 8.65Г.05 ГОСТ 6402-70
Количество на схеме: 14
Информация
Шайба 8.65Г.05 ГОСТ 6402-70
Количество
14
Входит в
151.40.044-4;
247
247
Артикул: Шайба-10-65Г-05-ГОСТ-6402-70
нет в наличии
Шайба 10.65Г.05 ГОСТ 6402-70
Количество на схеме: 33
Информация
Шайба 10.65Г.05 ГОСТ 6402-70
Количество
33
Входит в
151.04.040-3;
247
247
Артикул: Шайба-10-65Г-05-ГОСТ-6402-70
нет в наличии
Шайба 10.65Г.05 ГОСТ 6402-70
Количество на схеме: 33
Информация
Шайба 10.65Г.05 ГОСТ 6402-70
Количество
33
Входит в
151.40.001-4;
247
247
Артикул: Шайба-10-65Г-05-ГОСТ-6402-70
нет в наличии
Шайба 10.65Г.05 ГОСТ 6402-70
Количество на схеме: 33
Информация
Шайба 10.65Г.05 ГОСТ 6402-70
Количество
33
Входит в
151.40.051-1;
248
248
Артикул: Шайба-12-65Г-05-ГОСТ-6402-70
нет в наличии
Шайба 12.65Г.05 ГОСТ 6402-70
Количество на схеме: 10
Информация
Шайба 12.65Г.05 ГОСТ 6402-70
Количество
10
Входит в
151.40.001-3;
248
248
Артикул: Шайба-12-65Г-05-ГОСТ-6402-70
нет в наличии
Шайба 12.65Г.05 ГОСТ 6402-70
Количество на схеме: 10
Информация
Шайба 12.65Г.05 ГОСТ 6402-70
Количество
10
Входит в
151.40.051-1;
249
249
Артикул: ГКН-3М36
нет в наличии
Гайка
Количество на схеме: 1
Информация
Гайка
Количество
1
Входит в
151.40.051-1;
252
252
Артикул: Шплинт-4х32-ГОСТ-397-66
нет в наличии
Шплинт 4х32 ГОСТ 397-66
Количество на схеме: 2
Информация
Шплинт 4х32 ГОСТ 397-66
Количество
2
Входит в
151.40.001-4;
255
255
Артикул: Шплинт-6,3х50-ГОСТ-397-66
нет в наличии
Шплинт 6,3х50 ГОСТ 397-66
Количество на схеме: 5
Информация
Шплинт 6,3х50 ГОСТ 397-66
Количество
5
Входит в
151.40.001-4;
255
255
Артикул: Шплинт-6,3х50-ГОСТ-397-66
нет в наличии
Шплинт 6,3х50 ГОСТ 397-66
Количество на схеме: 5
Информация
Шплинт 6,3х50 ГОСТ 397-66
Количество
5
Входит в
151.40.051-1;
257
257
Артикул: ХСВ-26
нет в наличии
Хомутик стяжной винтовой
Количество на схеме: 2
Информация
Хомутик стяжной винтовой
Количество
2
Входит в
151.40.001-4;
258
258
Артикул: ХСВ-35
нет в наличии
Хомутик стяжной
Количество на схеме: 2
Информация
Хомутик стяжной
Количество
2
Входит в
151.40.001-4;
259
259
Артикул: ХСВ-43
нет в наличии
Хомутик стяжной
Количество на схеме: 2
Информация
Хомутик стяжной
Количество
2
Входит в
151.10.001-1;
266
266
Артикул: Масленка-II-А-90-ГОСТ-1303-56
нет в наличии
Масленка II-А-90 ГОСТ 1303-56
Количество на схеме: 4
Информация
Масленка II-А-90 ГОСТ 1303-56
Количество
4
Входит в
151.40.001-4;
  • Грузовые автомобили
  • Автобусы
  • Сельхозтехника
  • Спецтехника
  • Двигатели
Получить оптовый прайс-лист
Скачать прайс-лист от 08.05.2026 16:00
Специальное предложение от 08.05.2026 17:00
Производители:


  • WEICHAI
  • Автодизель ПАО (ЯМЗ)
  • Тутаевский МЗ
  • ЯЗДА
  • УралАЗ
  • МАЗ
  • АЗПИ
  • BOSCH
  • ММЗ
  • ШААЗ
  • FEDERAL MOGUL
  • ПРАМО
  • Мотордеталь
  • ТАИМ
  • АвтоКрАЗ
  • БЕЛКАРД
  • CZ Strakonice
  • КамАЗ
  • БЗА
  • ЧМЗ
  • BMZ
Новости
Все новости
25 марта 2024
Флагманский седельный тягач «Валдай 45» на выставке «TransRussia»
10 марта 2024
Современные автобусы «CITYMAX 9» и ЛиАЗ-5292 CNG
25 февраля 2024
Серийное производство средних дизельных двигателей повышенной мощности от ЯМЗ
Статьи
Все статьи
Датчики двигателя: за что они отвечают, признаки неисправности и как не прогадать с выбором
Двигатели ЯМЗ-534: история, технические характеристики и области применения
Двигатели ЯМЗ 650: углублённый технический обзор и история
Компания
О компании
Реквизиты
Новости
Политика
Магазины
Информация
Условия оплаты
Условия доставки
Гарантия на товар
Обмен и возврат товара
Помощь
Как оформить заказ
Полезные статьи
Бренды
Пункты выдачи
Оставайтесь на связи
  • Вконтакте
  • YouTube
  • Одноклассники
  • Google Plus
Увидели ошибку?
Выделите, нажав Ctrl + Enter
Наши контакты
8-800-700-35-68
sales@din76.ru
г. Ярославль, Ленинградский пр-т 33, ТЦ "ОМЕГА"
2026 © ООО «Динамика 76» - Все права защищены ООО "Динамика 76"
Предложения на сайте не являются публичной офертой.
На сайте обнаружена ошибка

Текст с ошибкой