Избранное 0 Корзина 0 Личный кабинет
logo
Каталог
Каталог
  • Справочник
    • Грузовые автомобили
    • Автобусы
    • Сельхозтехника
    • Спецтехника
    • Двигатели
  • Доставка
  • Оплата
  • О компании
    • Реквизиты
    • Магазины
    • Оплата
    • Доставка
    • Лицензии и сертификаты
    • Новости
    • Вакансии
  • Контакты
Отправить заявку
Личный кабинет
8 (800) 700-35-68
sales@din76.ru
Избранное 0 Корзина 0
8 (800) 700-35-68
Оптовый прайс-лист
Каталог
  • Двигатели
  • Запчасти WEICHAI
  • Запчасти ЯМЗ, ТМЗ (V-образные)
  • Запчасти ЯМЗ-534, ЯМЗ-536
  • Запчасти ЯМЗ-650, ЯМЗ-651, DCi-11
  • Топливная аппаратура
  • Запчасти УРАЛ
  • Запчасти МАЗ
  • Запчасти КамАЗ
  • Запчасти ММЗ
  • Ремни
Автокаталог (справочник)
  • Доставка
  • Оплата
  • О компании
  • Контакты
8 (800) 700-35-68
Написать в Whatsapp
sales@din76.ru
Динамика 76
Меню  
  • Каталог
    • Двигатели  
      • Двигатели ТМЗ  
        • Двигатели ТМЗ для автомобилей
        • Двигатели ТМЗ для тракторов
        • Специальные двигатели ТМЗ
        • Промышленные двигатели ТМЗ
      • Двигатели ЯМЗ  
        • ЯМЗ 236
        • ЯМЗ 238
        • ЯМЗ 240
        • ЯМЗ 751
        • ЯМЗ 840
        • ЯМЗ 850
        • ЯМЗ 656
        • ЯМЗ 658
        • ЯМЗ 534
        • ЯМЗ 536
        • ЯМЗ 650
        • Двигатели ЯМЗ для электростанций
      • Двигатели КАМАЗ
      • Двигатели ММЗ
      • Двигатели индивидуальной сборки
      • Комплекты переоборудования
    • Запчасти WEICHAI  
      • Основные запчасти двигателя  
        • Клапаны и толкатели
        • Шатуны
        • Вал коленчатый и маховик
        • Вал распределительный
        • Цилиндро-поршневая группа
      • Система питания  
        • Форсунки
        • Турбокомпрессор
      • Система смазки  
        • Насос масляный
      • Головка блока
      • Ремкомплекты
      • Система охлаждения  
        • Насос водяной
        • Муфта вязкостная и крыльчатка
      • Фильтры
      • Электрооборудование  
        • Генератор
        • Стартер
    • Запчасти ЯМЗ, ТМЗ (V-образные)  
      • Основные запчасти двигателя  
        • Блок двигателя и комплектующие
        • Валы распределительные и клапаны
        • Головка блока и комплектующие
        • Цилиндро-поршневая группа
        • Маховики и комплектующие
        • Валы коленчатые и комплектующие
        • Шатуны и комплектующие
      • Система питания  
        • Коллекторы и патрубки
        • Топливные трубопроводы
        • Турбокомпрессор
        • Топливные фильтры
      • Электрооборудование двигателя
      • Система охлаждения  
        • Вязкостные муфты и крыльчатки
        • Приводы вентилятора
        • Водяные насосы
        • Водяные трубы и термостаты
      • Коробки переключения передач  
        • 8 Ступенчатые КПП
        • 5 Ступенчатые КПП
        • 9 Ступенчатые КПП
        • Запасные части КПП ЯМЗ, ТМЗ
      • Система смазки  
        • Теплообменник и комплектующие
        • Масляные насосы
        • Фильтры масляные (ФГОМ, ФЦОМ)
      • Сцепление  
        • Запасные части механизма сцепления
        • Муфты (подшипники выжимные)
        • Корзины (диски нажимные)
        • Диски ведомые
      • Прочие запчасти двигателя  
        • Ремкомплекты
        • Привод агрегатов
        • Натяжные устройства
        • Трубки
    • Запчасти ЯМЗ-534, ЯМЗ-536  
      • Основные запчасти двигателя  
        • Цилиндро-поршневая группа
        • Головка блока цилиндров и комплектующие
        • Блок цилиндров и комплектующие
        • Вал коленчатый и маховик
        • Вал распределительный
        • Клапаны и толкатели
        • ГУР (Гидроусилитель руля)
        • Система рециркуляции отработавших газов
        • Выпускной коллектор
      • Система питания  
        • Коллекторы и патрубки
        • Топливные фильтры
        • Турбокомпрессор
        • Топливные трубопроводы
      • Система смазки  
        • Масляный картер поддон
        • Масляный насос
        • Теплообменник /Водо-масляный радиатор
        • Фильтры масляные (ФГОМ, ФЦОМ)
      • Пневмокомпрессор и натяжное
      • Система охлаждения  
        • Водяной насос
        • Водяные трубы и патрубки
        • Муфты вязкостные, приводы, крыльчатки
      • Ремкомплекты
      • Сцепление
      • Электрооборудование
    • Запчасти ЯМЗ-650, ЯМЗ-651, DCi-11  
      • Основные запчасти двигателя  
        • Цилиндро-поршневая группа
        • Головка блока цилиндров и комплектующие
        • Блок цилиндров и комплектующие
        • Вал коленчатый и маховик
        • Выпускной коллектор
        • Вал распределительный
        • Клапаны и толкатели
        • ГУР (Гидроусилитель руля)
        • Система рециркуляции отработавших газов
      • Система питания  
        • Коллекторы и патрубки
        • Топливные трубопроводы
        • Топливные фильтры
        • Турбокомпрессор
      • Система смазки  
        • Масляный картер / поддон
        • Масляный насос
        • Теплообменник / Водо-масляный радиатор
        • Фильтры масляные (ФГОМ, ФЦОМ)
      • Система охлаждения  
        • Водяной насос
        • Водяные трубы и патрубки
        • Муфты вязкостные, приводы, крыльчатки
      • Ремкомплекты
      • Пневмокомпрессор и натяжное
      • Электрооборудование
      • Сцепление
    • Топливная аппаратура  
      • ЯЗДА  
        • Распылители
        • ТНВД
        • Форсунки
        • Топливный насос низкого давления
        • Пары плунжерные
        • Муфта опережения впрыска топлива
        • Запчасти и комплектующие ТНВД
      • НЗТА
      • АЗПИ  
        • Распылители
        • Форсунки
      • BOSCH
    • Запчасти УРАЛ  
      • Трансмиссия  
        • Коробка раздаточная
        • Передача карданная
        • Мост задний
        • Мост передний (ведущий)
        • Мост средний (промежуточный)
      • Кузов  
        • Дверь кабины
        • Капот, крылья, облицовка радиатора
        • Окно ветровое и заднее
        • Отопление и вентиляция кабины
        • Кабина
      • Механизмы управления  
        • Управление рулевое
        • Тормоза
      • Дополнительное оборудование  
        • Отбор мощности
        • Устройство седельное
      • Электрооборудование
      • Ходовая часть  
        • Колеса и ступицы
        • Ось передняя
        • Подвеска автомобиля
        • Рама
    • Запчасти МАЗ  
      • Трансмиссия  
        • Мост задний
        • Мост передний (ведущий)
        • Передача карданная
        • Мост средний (промежуточный)
      • Кузов  
        • Кабина
        • Дверь кабины
        • Детали основания кабины
        • Окно ветровое и заднее
        • Платформа
      • Механизмы управления  
        • Тормоза
        • Управление рулевое
      • Ходовая часть  
        • Колеса и ступицы
        • Ось передняя
        • Подвеска автомобиля
        • Рама
    • Запчасти КамАЗ  
      • Кузов  
        • Кабина
        • Капот, крылья, облицовка радиатора
        • Дверь кабины
        • Платформа
        • Окно ветровое и заднее
        • Устройство подъемное и опрокидывающее
        • Сиденье
        • Крыша кабины (крыша кузова)
        • Отопление и вентиляция кабины
      • Трансмиссия  
        • Коробка передач
        • Коробка раздаточная
        • Мост задний
        • Сцепление
        • Мост средний (промежуточный)
        • Передача карданная
        • Мост передний (ведущий)
      • Двигатель  
        • Основные запчасти двигателя
        • Система охлаждения
        • Система питания
        • Система смазки
      • Дополнительное оборудование  
        • Отбор мощности
        • Устройство седельное
      • Ходовая часть  
        • Подвеска автомобиля
        • Рама
        • Колеса и ступицы
        • Ось передняя
      • Механизмы управления  
        • Тормоза
        • Управление рулевое
      • Электрооборудование
    • Запчасти ММЗ
    • Ремни
  • Справочник
    • Грузовые автомобили
    • Автобусы
    • Сельхозтехника
    • Спецтехника
    • Двигатели
  • Как купить
    • Условия оплаты
    • Условия доставки
    • Гарантия на товар
    • Пункты выдачи
  • Услуги
    • Капитальный ремонт двигателей ЯМЗ
  • Акции
  • Статьи
  • Контакты
  • Компания
    • Реквизиты
    • Магазины
    • Оплата
    • Доставка
    • Лицензии и сертификаты
    • Новости
    • Вакансии
Избранное 0 Корзина 0
8-800-700-35-68

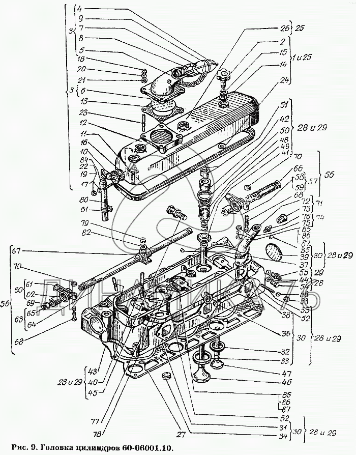
Головка цилиндров 60-06001.10 на Т-150К

Справочник
Главная
-
Автокаталог
-
Сельхозтехника
-
ХТЗ
-
Т-150К
Справочный каталог

Головка цилиндров 60-06001.10 — Т-150К:

60-06001.10 1 2 2 3 3 4 5 6 6 7 8 9 10 11 11 12 13 14 14 15 15 16 17 18 19 20 21 22 23 24 24 25 25 26 27 28 28 28 28 28 28 29 29 29 29 29 29 30 30 30 30 31 32 33 34 35 36 37 38 38 39 40 40 41 41 42 42 43 43 44 44 45 45 46 46 47 47 48 48 49 50 50 51 51 52 52 52 53 53 54 55 56 56 57 58 59 60 61 62 63 64 65 66 67 68 68 69 70 70 71 72 73 73 74 75 76 77 78 79 80 81 82 83 84 85 85 86 86 87 87 88
в наличии
нет в наличии
масштаб

В наличии
Нет в наличии

Перечень комплектующих от Головка цилиндров 60-06001.10 на Т-150К

Схемы запчастей предназначены для справочных целей! Мы продаем не все запчасти от Головка цилиндров 60-06001.10 на Т-150К, представленные в этом списке.
Наличие на складах по деталям с ценой смотрите в карточке товара.
Артикул: 60-06001-10
нет в наличии
Головка цилиндров
Количество на схеме: 1
Информация
Головка цилиндров
Количество
1
Входит в
;
Примечание
1 - Сборочные единицы двигателя в запчасть в сборе не поставляются \n2 - Заказывать вкладыши соответственного размера \n3 - По требованию сборки \n4 - Не более 4 \n5 - Сварной узел \n6 - Рукав с рабочим давлением 15140972,5Н/м2(166кгс/см2) \n7 - Рукав с рабочим давлением 29419950Н/м2 (301кгс/см2) устанавливается взамен Н.036.85.100 \n8 - Рукав с рабочим давлением 15140972,3Н/м2 (166кгс/см2) \n9 - Рукав с рабочим давлением 294199930Н/м2 (301кгс/см2)
1
1
Артикул: 60-06006-10
нет в наличии
Колпак головки левый
Количество на схеме: 1
Информация
Колпак головки левый
Количество
1
Входит в
60-06001.10;
2
2
Артикул: 60-06010-00
нет в наличии
Гайка колпака
Количество на схеме: 3
Информация
Гайка колпака
Количество
3
Входит в
60-06007.01;
2
2
Артикул: 60-06019-00
нет в наличии
Гайка колпака
Количество на схеме: 3
Информация
Гайка колпака
Количество
3
Входит в
60-06006.10;
3
3
Артикул: 60-06025-00
нет в наличии
Патрубок маслоналивной
Количество на схеме: 1
Информация
Патрубок маслоналивной
Количество
1
Входит в
60-06006.10;
4
4
Артикул: СМД1-0124
нет в наличии
Пружина крышки
Количество на схеме: 1
Информация
Пружина крышки
Количество
1
Входит в
60-06025.00;
5
5
Артикул: 60-06166-01
нет в наличии
Патрубок маслоналивной
Количество на схеме: 1
Информация
Патрубок маслоналивной
Количество
1
Входит в
60-06025.00;
6
6
Артикул: 60-06204-00
нет в наличии
Сетка
Количество на схеме: 1
Информация
Сетка
Количество
1
Входит в
60-06025.00;
6
6
Артикул: Гайка-М8-2-6-05-ГОСТ-2524-70
нет в наличии
Гайка М8.2.6.05 ГОСТ 2524-70
Количество на схеме: 1
Информация
Гайка М8.2.6.05 ГОСТ 2524-70
Количество
1
Входит в
60-07010.10;
7
7
Артикул: 14-0108
нет в наличии
Крышка патрубка
Количество на схеме: 1
Информация
Крышка патрубка
Количество
1
Входит в
60-06025.00;
8
8
Артикул: 14-0122
нет в наличии
Прокладка крышки патрубка
Количество на схеме: 1
Информация
Прокладка крышки патрубка
Количество
1
Входит в
60-06025.00;
9
9
Артикул: 14-01С11
нет в наличии
Цепочка
Количество на схеме: 1
Информация
Цепочка
Количество
1
Входит в
60-06025.00;
10
10
Артикул: 60-06026-00
нет в наличии
Сапун
Количество на схеме: 1
Информация
Сапун
Количество
1
Входит в
60-06006.10;
11
11
Артикул: 60-06127-00
нет в наличии
Прокладка колпака
Количество на схеме: 1
Информация
Прокладка колпака
Количество
1
Входит в
60-06006.10;
11
11
Артикул: 60-06127-00
нет в наличии
Прокладка колпака
Количество на схеме: 1
Информация
Прокладка колпака
Количество
1
Входит в
60-06007.01;
12
12
Артикул: 60-06163-01
нет в наличии
Колпак головки цилиндров
Количество на схеме: 1
Информация
Колпак головки цилиндров
Количество
1
Входит в
60-06006.10;
13
13
Артикул: 60-06167-00
нет в наличии
Прокладка
Количество на схеме: 1
Информация
Прокладка
Количество
1
Входит в
60-06006.10;
14
14
Артикул: 60-06205-11
нет в наличии
Кольцо уплотнительное
Количество на схеме: 3
Информация
Кольцо уплотнительное
Количество
3
Входит в
60-06006.10;
14
14
Артикул: 60-06205-11
нет в наличии
Кольцо уплотнительное
Количество на схеме: 3
Информация
Кольцо уплотнительное
Количество
3
Входит в
60-06007.01;
15
15
Артикул: 60-06206-00
нет в наличии
Шайба прижимная
Количество на схеме: 3
Информация
Шайба прижимная
Количество
3
Входит в
60-06006.10;
15
15
Артикул: 60-06206-00
нет в наличии
Шайба прижимная
Количество на схеме: 3
Информация
Шайба прижимная
Количество
3
Входит в
60-06007.01;
16
16
Артикул: 60-06220-00
нет в наличии
Прокладка сапуна
Количество на схеме: 1
Информация
Прокладка сапуна
Количество
1
Входит в
60-06006.10;
17
17
Артикул: Гайка-М8-2-6-05-ГОСТ-2524-70
нет в наличии
Гайка М8.2.6.05 ГОСТ 2524-70
Количество на схеме: 2
Информация
Гайка М8.2.6.05 ГОСТ 2524-70
Количество
2
Входит в
60-06006.10;
18
18
Артикул: Гайка-М10-2-6-05-ГОСТ-2524-70
нет в наличии
Гайка М10.2.6.05 ГОСТ 2524-70
Количество на схеме: 4
Информация
Гайка М10.2.6.05 ГОСТ 2524-70
Количество
4
Входит в
60-06006.10;
19
19
Артикул: Шайба-8-65Г-05-ГОСТ-6402-70
нет в наличии
Шайба 8.65Г.05 ГОСТ 6402-70
Количество на схеме: 2
Информация
Шайба 8.65Г.05 ГОСТ 6402-70
Количество
2
Входит в
60-06006.10;
20
20
Артикул: Шайба-10-65Г-05-ГОСТ-6402-70
нет в наличии
Шайба 10.65Г.05 ГОСТ 6402-70
Количество на схеме: 4
Информация
Шайба 10.65Г.05 ГОСТ 6402-70
Количество
4
Входит в
60-06006.10;
21
21
Артикул: Шайба-10х2-015-ГОСТ-10450-68
нет в наличии
Шайба 10х2-015 ГОСТ 10450-68
Количество на схеме: 4
Информация
Шайба 10х2-015 ГОСТ 10450-68
Количество
4
Входит в
60-06006.10;
22
22
Артикул: Шпилька-БМ8-кл--То/2х16(10/12)х055-ГОСТ
нет в наличии
Шпилька БМ8 кл. То/2х16(10/12)х055 ГОСТ 11765-66
Количество на схеме: 2
Информация
Шпилька БМ8 кл. То/2х16(10/12)х055 ГОСТ 11765-66
Количество
2
Входит в
60-06006.10;
23
23
Артикул: Шпилька-БМ10-кл--То/2х25(20/22)х40Х-ГОСТ
нет в наличии
Шпилька БМ10 кл. То/2х25(20/22)х40Х ГОСТ 11765-66
Количество на схеме: 4
Информация
Шпилька БМ10 кл. То/2х25(20/22)х40Х ГОСТ 11765-66
Количество
4
Входит в
60-06006.10;
24
24
Артикул: СМД1-0624
нет в наличии
Кольцо стопорное
Количество на схеме: 3
Информация
Кольцо стопорное
Количество
3
Входит в
60-06006.10;
24
24
Артикул: СМД1-0624
нет в наличии
Кольцо стопорное
Количество на схеме: 3
Информация
Кольцо стопорное
Количество
3
Входит в
60-06007.01;
25
25
Артикул: 60-06007-01
нет в наличии
Колпак головки правый
Количество на схеме: 1
Информация
Колпак головки правый
Количество
1
Входит в
60-06001.10;
26
26
Артикул: 60-06164-01
нет в наличии
Колпак головки цилиндров
Количество на схеме: 1
Информация
Колпак головки цилиндров
Количество
1
Входит в
60-06007.01;
27
27
Артикул: 60-06008-30
нет в наличии
Прокладка головки
Количество на схеме: 2
Информация
Прокладка головки
Количество
2
Входит в
60-06001.10;
28
28
Артикул: 60-06009-10
нет в наличии
Головка с клапанами
Количество на схеме: 1
Информация
Головка с клапанами
Количество
1
Входит в
60-06001.10;
29
29
Артикул: 60-06010-10
нет в наличии
Головка с клапанами
Количество на схеме: 1
Информация
Головка с клапанами
Количество
1
Входит в
60-06001.10;
30
30
Артикул: 60-06002-31
нет в наличии
Головка цилиндров
Количество на схеме: 1
Информация
Головка цилиндров
Количество
1
Входит в
60-06009.10;
30
30
Артикул: 60-06002-31
нет в наличии
Головка цилиндров
Количество на схеме: 1
Информация
Головка цилиндров
Количество
1
Входит в
60-06010.10;
31
31
Артикул: 60-06101-21
нет в наличии
Головка цилиндров
Количество на схеме: 1
Информация
Головка цилиндров
Количество
1
Входит в
60-06002.31;
32
32
Артикул: 60-06106-00
нет в наличии
Седло выпускного клапана
Количество на схеме: 3
Информация
Седло выпускного клапана
Количество
3
Входит в
60-06002.31;
33
33
Артикул: 60-06107-20
нет в наличии
Седло впускного клапана
Количество на схеме: 3
Информация
Седло впускного клапана
Количество
3
Входит в
60-06002.31;
34
34
Артикул: 60-06126-00
нет в наличии
Заглушка
Количество на схеме: 2
Информация
Заглушка
Количество
2
Входит в
60-06002.31;
35
35
Артикул: 60-06129-00
нет в наличии
Заглушка
Количество на схеме: 1
Информация
Заглушка
Количество
1
Входит в
60-06002.31;
36
36
Артикул: 60-06201-01
нет в наличии
Пробка резьбовая
Количество на схеме: 1
Информация
Пробка резьбовая
Количество
1
Входит в
60-06002.31;
37
37
Артикул: 60-06214-00
нет в наличии
Заглушка
Количество на схеме: 6
Информация
Заглушка
Количество
6
Входит в
60-06002.31;
38
38
Артикул: 236-10070-32
нет в наличии
Втулка направляющая или 60-06103.00
Количество на схеме: 6
Информация
Втулка направляющая или 60-06103.00
Количество
6
Входит в
60-06002.31;
38
38
Артикул: 60-06103-00
нет в наличии
Втулка направляющая или 236-10070.32
Количество на схеме: 6
Информация
Втулка направляющая или 236-10070.32
Количество
6
Входит в
60-06002.31;
39
39
Артикул: Заглушка-60-002-ГОСТ-3111-67
нет в наличии
Заглушка 60-002 ГОСТ 3111-67
Количество на схеме: 2
Информация
Заглушка 60-002 ГОСТ 3111-67
Количество
2
Входит в
60-06002.31;
40
40
Артикул: 60-06138-00
нет в наличии
Шпилька крепления стойки
Количество на схеме: 3
Информация
Шпилька крепления стойки
Количество
3
Входит в
60-06009.10;
40
40
Артикул: 60-06138-00
нет в наличии
Шпилька крепления стойки
Количество на схеме: 3
Информация
Шпилька крепления стойки
Количество
3
Входит в
60-06010.10;
41
41
Артикул: 60-06140-00
нет в наличии
Тарелка клапана
Количество на схеме: 6
Информация
Тарелка клапана
Количество
6
Входит в
60-06009.10;
41
41
Артикул: 60-06140-00
нет в наличии
Тарелка клапана
Количество на схеме: 6
Информация
Тарелка клапана
Количество
6
Входит в
60-06010.10;
42
42
Артикул: 60-06171-00
нет в наличии
Втулка тарелки клапана
Количество на схеме: 6
Информация
Втулка тарелки клапана
Количество
6
Входит в
60-06009.10;
42
42
Артикул: 60-06171-00
нет в наличии
Втулка тарелки клапана
Количество на схеме: 6
Информация
Втулка тарелки клапана
Количество
6
Входит в
60-06010.10;
43
43
Артикул: 60-06208-00
нет в наличии
Шпилька крепления форсунки
Количество на схеме: 6
Информация
Шпилька крепления форсунки
Количество
6
Входит в
60-06009.10;
43
43
Артикул: 60-06208-00
нет в наличии
Шпилька крепления форсунки
Количество на схеме: 6
Информация
Шпилька крепления форсунки
Количество
6
Входит в
60-06010.10;
44
44
Артикул: СМД7-0216-2
нет в наличии
Прокладка поворотного угольника
Количество на схеме: 2
Информация
Прокладка поворотного угольника
Количество
2
Входит в
60-06009.10;
44
44
Артикул: СМД7-0216-2
нет в наличии
Прокладка поворотного угольника
Количество на схеме: 2
Информация
Прокладка поворотного угольника
Количество
2
Входит в
60-06010.10;
45
45
Артикул: 236-10033-30
нет в наличии
Рым-болт
Количество на схеме: 2
Информация
Рым-болт
Количество
2
Входит в
60-06009.10;
45
45
Артикул: 236-10033-30
нет в наличии
Рым-болт
Количество на схеме: 2
Информация
Рым-болт
Количество
2
Входит в
60-06010.10;
46
46
Артикул: 236-10070-10В
нет в наличии
Клапан впускной
Количество на схеме: 3
Информация
Клапан впускной
Количество
3
Входит в
60-06009.10;
46
46
Артикул: 236-10070-10В
нет в наличии
Клапан впускной
Количество на схеме: 3
Информация
Клапан впускной
Количество
3
Входит в
60-06010.10;
47
47
Артикул: 236-10070-15В4
нет в наличии
Клапан выпускной
Количество на схеме: 3
Информация
Клапан выпускной
Количество
3
Входит в
60-06009.10;
47
47
Артикул: 236-10070-15В4
нет в наличии
Клапан выпускной
Количество на схеме: 3
Информация
Клапан выпускной
Количество
3
Входит в
60-06010.10;
48
48
Артикул: 236-10070-20
нет в наличии
Пружина клапана наружная
Количество на схеме: 6
Информация
Пружина клапана наружная
Количество
6
Входит в
60-06009.10;
48
48
Артикул: 236-10070-20
нет в наличии
Пружина клапана наружная
Количество на схеме: 6
Информация
Пружина клапана наружная
Количество
6
Входит в
60-06010.10;
49
49
Артикул: 236-10070-21
нет в наличии
Пружина клапана внутренняя
Количество на схеме: 6
Информация
Пружина клапана внутренняя
Количество
6
Входит в
60-06010.10;
50
50
Артикул: 236-10070-25
нет в наличии
Шайба пружины клапана
Количество на схеме: 6
Информация
Шайба пружины клапана
Количество
6
Входит в
60-06009.10;
50
50
Артикул: 236-10070-25
нет в наличии
Шайба пружины клапана
Количество на схеме: 6
Информация
Шайба пружины клапана
Количество
6
Входит в
60-06010.10;
51
51
Артикул: 236-10070-28
нет в наличии
Сухарь клапана
Количество на схеме: 12
Информация
Сухарь клапана
Количество
12
Входит в
60-06009.10;
51
51
Артикул: 236-10070-28
нет в наличии
Сухарь клапана
Количество на схеме: 12
Информация
Сухарь клапана
Количество
12
Входит в
60-06010.10;
52
52
Артикул: Шпилька-БМ8-кл--То/2х20(12/15)х055-ГОСТ
нет в наличии
Шпилька БМ8 кл. То/2х20(12/15)х055 ГОСТ 11765-66
Количество на схеме: 4
Информация
Шпилька БМ8 кл. То/2х20(12/15)х055 ГОСТ 11765-66
Количество
4
Входит в
60-06009.10;
52
52
Артикул: Шпилька-БМ8-кл--То/2х20(12/15)х055-ГОСТ
нет в наличии
Шпилька БМ8 кл. То/2х20(12/15)х055 ГОСТ 11765-66
Количество на схеме: 4
Информация
Шпилька БМ8 кл. То/2х20(12/15)х055 ГОСТ 11765-66
Количество
4
Входит в
60-06010.10;
53
53
Артикул: Шпилька-БМ10-кл--То/2-х35(15/26)х055-ГОС
нет в наличии
Шпилька БМ10 кл. То/2 х35(15/26)х055 ГОСТ 11765-66
Количество на схеме: 6
Информация
Шпилька БМ10 кл. То/2 х35(15/26)х055 ГОСТ 11765-66
Количество
6
Входит в
60-06009.10;
53
53
Артикул: Шпилька-БМ10-кл--То/2-х35(15/26)х055-ГОС
нет в наличии
Шпилька БМ10 кл. То/2 х35(15/26)х055 ГОСТ 11765-66
Количество на схеме: 6
Информация
Шпилька БМ10 кл. То/2 х35(15/26)х055 ГОСТ 11765-66
Количество
6
Входит в
60-06010.10;
54
54
Артикул: 60-06213-00
нет в наличии
Пробка резьбовая
Количество на схеме: 1
Информация
Пробка резьбовая
Количество
1
Входит в
60-06009.10;
55
55
Артикул: 60-06212-00
нет в наличии
Штуцер
Количество на схеме: 1
Информация
Штуцер
Количество
1
Входит в
60-06010.10;
56
56
Артикул: 60-06013-00
нет в наличии
Механизм распределения
Количество на схеме: 2
Информация
Механизм распределения
Количество
2
Входит в
60-06001.10;
57
57
Артикул: 60-06003-01
нет в наличии
Коромысло клапана правое со втулкой
Количество на схеме: 3
Информация
Коромысло клапана правое со втулкой
Количество
3
Входит в
60-06013.00;
58
58
Артикул: 60-06109-02
нет в наличии
Коромысло клапана правое
Количество на схеме: 1
Информация
Коромысло клапана правое
Количество
1
Входит в
60-06003.01;
59
59
Артикул: 60-06168-00
нет в наличии
Втулка коромысла клапана
Количество на схеме: 1
Информация
Втулка коромысла клапана
Количество
1
Входит в
60-06003.00;
60
60
Артикул: 60-06004-01
нет в наличии
Коромысло клапана левое со втулкой
Количество на схеме: 3
Информация
Коромысло клапана левое со втулкой
Количество
3
Входит в
60-06013.00;
61
61
Артикул: 60-06132-02
нет в наличии
Коромысло клапана левое
Количество на схеме: 1
Информация
Коромысло клапана левое
Количество
1
Входит в
60-06004.01;
62
62
Артикул: 60-06168-00
нет в наличии
Втулка коромысла клапана
Количество на схеме: 1
Информация
Втулка коромысла клапана
Количество
1
Входит в
60-06004.01;
63
63
Артикул: 60-06018-01
нет в наличии
Ось коромысел
Количество на схеме: 1
Информация
Ось коромысел
Количество
1
Входит в
60-06013.00;
64
64
Артикул: 60-06144-00
нет в наличии
Ось коромысел
Количество на схеме: 1
Информация
Ось коромысел
Количество
1
Входит в
60-06018.01;
65
65
Артикул: 60-06190-10
нет в наличии
Заглушка
Количество на схеме: 2
Информация
Заглушка
Количество
2
Входит в
60-06018.01;
66
66
Артикул: 60-06122-00
нет в наличии
Пружина распорная
Количество на схеме: 2
Информация
Пружина распорная
Количество
2
Входит в
60-06013.00;
67
67
Артикул: 60-06141-00
нет в наличии
Стойка осей коромысел
Количество на схеме: 3
Информация
Стойка осей коромысел
Количество
3
Входит в
60-06013.00;
68
68
Артикул: 60-06172-10
нет в наличии
Винт регулировочный
Количество на схеме: 6
Информация
Винт регулировочный
Количество
6
Входит в
60-06013.00;
69
69
Артикул: СМД7-0688
нет в наличии
Кольцо стопорное
Количество на схеме: 2
Информация
Кольцо стопорное
Количество
2
Входит в
60-06013.00;
70
70
Артикул: Гайка-М12х1,25-2а-6-05-ГОСТ-2524-70
нет в наличии
Гайка М12х1,25.2а.6.05 ГОСТ 2524-70
Количество на схеме: 6
Информация
Гайка М12х1,25.2а.6.05 ГОСТ 2524-70
Количество
6
Входит в
60-06013.00;
71
71
Артикул: 60-06016-10
нет в наличии
Патрубок водоотводящий правый
Количество на схеме: 1
Информация
Патрубок водоотводящий правый
Количество
1
Входит в
60-06001.10;
72
72
Артикул: 60-06183-10
нет в наличии
Патрубок водоотводящий правый
Количество на схеме: 1
Информация
Патрубок водоотводящий правый
Количество
1
Входит в
60-06016.10;
73
73
Артикул: 60-06159-00
нет в наличии
Штуцер
Количество на схеме: 1
Информация
Штуцер
Количество
1
Входит в
60-06016.10;
73
73
Артикул: 60-06159-00
нет в наличии
Штуцер
Количество на схеме: 1
Информация
Штуцер
Количество
1
Входит в
60-06017.10;
74
74
Артикул: 60-06017-10
нет в наличии
Патрубок водоотводящий левый
Количество на схеме: 1
Информация
Патрубок водоотводящий левый
Количество
1
Входит в
60-06001.10;
75
75
Артикул: 60-06182-10
нет в наличии
Патрубок водоотводящий левый
Количество на схеме: 1
Информация
Патрубок водоотводящий левый
Количество
1
Входит в
60-06017.10;
76
76
Артикул: Н-6081А
нет в наличии
Ниппель конечный (475313148)
Количество на схеме: 1
Информация
Ниппель конечный (475313148)
Количество
1
Входит в
60-06017.10;
77
77
Артикул: 60-06010-10
нет в наличии
Головка с клапанами
Количество на схеме: 4
Информация
Головка с клапанами
Количество
4
Входит в
60-06001.10;
78
78
Артикул: 60-06143-10
нет в наличии
Крышка
Количество на схеме: 2
Информация
Крышка
Количество
2
Входит в
60-06001.10;
79
79
Артикул: 60-06165-00
нет в наличии
Гайка крепления стойки
Количество на схеме: 6
Информация
Гайка крепления стойки
Количество
6
Входит в
60-06001.10;
80
80
Артикул: 60-06224-00
нет в наличии
Шланг сапуна
Количество на схеме: 1
Информация
Шланг сапуна
Количество
1
Входит в
60-06001.10;
81
81
Артикул: 60-06226-00
нет в наличии
Хомут
Количество на схеме: 1
Информация
Хомут
Количество
1
Входит в
60-06001.10;
82
82
Артикул: 60-06175-10
нет в наличии
Шайба контровочная
Количество на схеме: 1
Информация
Шайба контровочная
Количество
1
Входит в
60-06001.10;
83
83
Артикул: СМД7-0645
нет в наличии
Гайка крепления выхлопного коллектора
Количество на схеме: 12
Информация
Гайка крепления выхлопного коллектора
Количество
12
Входит в
60-06001.10;
84
84
Артикул: А23-02-160
нет в наличии
Хомут стяжной
Количество на схеме: 1
Информация
Хомут стяжной
Количество
1
Входит в
60-06001.10;
85
85
Артикул: Гайка-М8-2-6-05-ГОСТ-2524-70
нет в наличии
Гайка М8.2.6.05 ГОСТ 2524-70
Количество на схеме: 8
Информация
Гайка М8.2.6.05 ГОСТ 2524-70
Количество
8
Входит в
60-06001.10;
86
86
Артикул: Шайба-8-65Г-05-ГОСТ-6402-70
нет в наличии
Шайба 8.65Г.05 ГОСТ 6402-70
Количество на схеме: 8
Информация
Шайба 8.65Г.05 ГОСТ 6402-70
Количество
8
Входит в
60-06001.10;
87
87
Артикул: Шайба-8х1,5-015-ГОСТ-10450-68
нет в наличии
Шайба 8х1,5-015 ГОСТ 10450-68
Количество на схеме: 4
Информация
Шайба 8х1,5-015 ГОСТ 10450-68
Количество
4
Входит в
60-06001.10;
88
88
Артикул: Шайба-10х2-015-ГОСТ-10450-68
нет в наличии
Шайба 10х2-015 ГОСТ 10450-68
Количество на схеме: 12
Информация
Шайба 10х2-015 ГОСТ 10450-68
Количество
12
Входит в
60-07003.20;
  • Грузовые автомобили
  • Автобусы
  • Сельхозтехника
  • Спецтехника
  • Двигатели
Получить оптовый прайс-лист
Скачать прайс-лист от 08.05.2026 16:00
Специальное предложение от 08.05.2026 17:00
Производители:


  • WEICHAI
  • Автодизель ПАО (ЯМЗ)
  • Тутаевский МЗ
  • ЯЗДА
  • УралАЗ
  • МАЗ
  • АЗПИ
  • BOSCH
  • ММЗ
  • ШААЗ
  • FEDERAL MOGUL
  • ПРАМО
  • Мотордеталь
  • ТАИМ
  • АвтоКрАЗ
  • БЕЛКАРД
  • CZ Strakonice
  • КамАЗ
  • БЗА
  • ЧМЗ
  • BMZ
Новости
Все новости
25 марта 2024
Флагманский седельный тягач «Валдай 45» на выставке «TransRussia»
10 марта 2024
Современные автобусы «CITYMAX 9» и ЛиАЗ-5292 CNG
25 февраля 2024
Серийное производство средних дизельных двигателей повышенной мощности от ЯМЗ
Статьи
Все статьи
Датчики двигателя: за что они отвечают, признаки неисправности и как не прогадать с выбором
Двигатели ЯМЗ-534: история, технические характеристики и области применения
Двигатели ЯМЗ 650: углублённый технический обзор и история
Компания
О компании
Реквизиты
Новости
Политика
Магазины
Информация
Условия оплаты
Условия доставки
Гарантия на товар
Обмен и возврат товара
Помощь
Как оформить заказ
Полезные статьи
Бренды
Пункты выдачи
Оставайтесь на связи
  • Вконтакте
  • YouTube
  • Одноклассники
  • Google Plus
Увидели ошибку?
Выделите, нажав Ctrl + Enter
Наши контакты
8-800-700-35-68
sales@din76.ru
г. Ярославль, Ленинградский пр-т 33, ТЦ "ОМЕГА"
2026 © ООО «Динамика 76» - Все права защищены ООО "Динамика 76"
Предложения на сайте не являются публичной офертой.
На сайте обнаружена ошибка

Текст с ошибкой