Избранное 0 Корзина 0 Личный кабинет
logo
Каталог
Каталог
  • Справочник
    • Грузовые автомобили
    • Автобусы
    • Сельхозтехника
    • Спецтехника
    • Двигатели
  • Доставка
  • Оплата
  • О компании
    • Реквизиты
    • Магазины
    • Оплата
    • Доставка
    • Лицензии и сертификаты
    • Новости
    • Вакансии
  • Контакты
Отправить заявку
Личный кабинет
8 (800) 700-35-68
sales@din76.ru
Избранное 0 Корзина 0
8 (800) 700-35-68
Оптовый прайс-лист
Каталог
  • Двигатели
  • Запчасти WEICHAI
  • Запчасти ЯМЗ, ТМЗ (V-образные)
  • Запчасти ЯМЗ-534, ЯМЗ-536
  • Запчасти ЯМЗ-650, ЯМЗ-651, DCi-11
  • Топливная аппаратура
  • Запчасти УРАЛ
  • Запчасти МАЗ
  • Запчасти КамАЗ
  • Запчасти ММЗ
  • Ремни
Автокаталог (справочник)
  • Доставка
  • Оплата
  • О компании
  • Контакты
8 (800) 700-35-68
Написать в Whatsapp
sales@din76.ru
Динамика 76
Меню  
  • Каталог
    • Двигатели  
      • Двигатели ТМЗ  
        • Двигатели ТМЗ для автомобилей
        • Двигатели ТМЗ для тракторов
        • Специальные двигатели ТМЗ
        • Промышленные двигатели ТМЗ
      • Двигатели ЯМЗ  
        • ЯМЗ 236
        • ЯМЗ 238
        • ЯМЗ 240
        • ЯМЗ 751
        • ЯМЗ 840
        • ЯМЗ 850
        • ЯМЗ 656
        • ЯМЗ 658
        • ЯМЗ 534
        • ЯМЗ 536
        • ЯМЗ 650
        • Двигатели ЯМЗ для электростанций
      • Двигатели КАМАЗ
      • Двигатели ММЗ
      • Двигатели индивидуальной сборки
      • Комплекты переоборудования
    • Запчасти WEICHAI  
      • Основные запчасти двигателя  
        • Клапаны и толкатели
        • Шатуны
        • Вал коленчатый и маховик
        • Вал распределительный
        • Цилиндро-поршневая группа
      • Система питания  
        • Форсунки
        • Турбокомпрессор
      • Система смазки  
        • Насос масляный
      • Головка блока
      • Ремкомплекты
      • Система охлаждения  
        • Насос водяной
        • Муфта вязкостная и крыльчатка
      • Фильтры
      • Электрооборудование  
        • Генератор
        • Стартер
    • Запчасти ЯМЗ, ТМЗ (V-образные)  
      • Основные запчасти двигателя  
        • Блок двигателя и комплектующие
        • Валы распределительные и клапаны
        • Головка блока и комплектующие
        • Цилиндро-поршневая группа
        • Маховики и комплектующие
        • Валы коленчатые и комплектующие
        • Шатуны и комплектующие
      • Система питания  
        • Коллекторы и патрубки
        • Топливные трубопроводы
        • Турбокомпрессор
        • Топливные фильтры
      • Электрооборудование двигателя
      • Система охлаждения  
        • Вязкостные муфты и крыльчатки
        • Приводы вентилятора
        • Водяные насосы
        • Водяные трубы и термостаты
      • Коробки переключения передач  
        • 8 Ступенчатые КПП
        • 5 Ступенчатые КПП
        • 9 Ступенчатые КПП
        • Запасные части КПП ЯМЗ, ТМЗ
      • Система смазки  
        • Теплообменник и комплектующие
        • Масляные насосы
        • Фильтры масляные (ФГОМ, ФЦОМ)
      • Сцепление  
        • Запасные части механизма сцепления
        • Муфты (подшипники выжимные)
        • Корзины (диски нажимные)
        • Диски ведомые
      • Прочие запчасти двигателя  
        • Ремкомплекты
        • Привод агрегатов
        • Натяжные устройства
        • Трубки
    • Запчасти ЯМЗ-534, ЯМЗ-536  
      • Основные запчасти двигателя  
        • Цилиндро-поршневая группа
        • Головка блока цилиндров и комплектующие
        • Блок цилиндров и комплектующие
        • Вал коленчатый и маховик
        • Вал распределительный
        • Клапаны и толкатели
        • ГУР (Гидроусилитель руля)
        • Система рециркуляции отработавших газов
        • Выпускной коллектор
      • Система питания  
        • Коллекторы и патрубки
        • Топливные фильтры
        • Турбокомпрессор
        • Топливные трубопроводы
      • Система смазки  
        • Масляный картер поддон
        • Масляный насос
        • Теплообменник /Водо-масляный радиатор
        • Фильтры масляные (ФГОМ, ФЦОМ)
      • Пневмокомпрессор и натяжное
      • Система охлаждения  
        • Водяной насос
        • Водяные трубы и патрубки
        • Муфты вязкостные, приводы, крыльчатки
      • Ремкомплекты
      • Сцепление
      • Электрооборудование
    • Запчасти ЯМЗ-650, ЯМЗ-651, DCi-11  
      • Основные запчасти двигателя  
        • Цилиндро-поршневая группа
        • Головка блока цилиндров и комплектующие
        • Блок цилиндров и комплектующие
        • Вал коленчатый и маховик
        • Выпускной коллектор
        • Вал распределительный
        • Клапаны и толкатели
        • ГУР (Гидроусилитель руля)
        • Система рециркуляции отработавших газов
      • Система питания  
        • Коллекторы и патрубки
        • Топливные трубопроводы
        • Топливные фильтры
        • Турбокомпрессор
      • Система смазки  
        • Масляный картер / поддон
        • Масляный насос
        • Теплообменник / Водо-масляный радиатор
        • Фильтры масляные (ФГОМ, ФЦОМ)
      • Система охлаждения  
        • Водяной насос
        • Водяные трубы и патрубки
        • Муфты вязкостные, приводы, крыльчатки
      • Ремкомплекты
      • Пневмокомпрессор и натяжное
      • Электрооборудование
      • Сцепление
    • Топливная аппаратура  
      • ЯЗДА  
        • Распылители
        • ТНВД
        • Форсунки
        • Топливный насос низкого давления
        • Пары плунжерные
        • Муфта опережения впрыска топлива
        • Запчасти и комплектующие ТНВД
      • НЗТА
      • АЗПИ  
        • Распылители
        • Форсунки
      • BOSCH
    • Запчасти УРАЛ  
      • Трансмиссия  
        • Коробка раздаточная
        • Передача карданная
        • Мост задний
        • Мост передний (ведущий)
        • Мост средний (промежуточный)
      • Кузов  
        • Дверь кабины
        • Капот, крылья, облицовка радиатора
        • Окно ветровое и заднее
        • Отопление и вентиляция кабины
        • Кабина
      • Механизмы управления  
        • Управление рулевое
        • Тормоза
      • Дополнительное оборудование  
        • Отбор мощности
        • Устройство седельное
      • Электрооборудование
      • Ходовая часть  
        • Колеса и ступицы
        • Ось передняя
        • Подвеска автомобиля
        • Рама
    • Запчасти МАЗ  
      • Трансмиссия  
        • Мост задний
        • Мост передний (ведущий)
        • Передача карданная
        • Мост средний (промежуточный)
      • Кузов  
        • Кабина
        • Дверь кабины
        • Детали основания кабины
        • Окно ветровое и заднее
        • Платформа
      • Механизмы управления  
        • Тормоза
        • Управление рулевое
      • Ходовая часть  
        • Колеса и ступицы
        • Ось передняя
        • Подвеска автомобиля
        • Рама
    • Запчасти КамАЗ  
      • Кузов  
        • Кабина
        • Капот, крылья, облицовка радиатора
        • Дверь кабины
        • Платформа
        • Окно ветровое и заднее
        • Устройство подъемное и опрокидывающее
        • Сиденье
        • Крыша кабины (крыша кузова)
        • Отопление и вентиляция кабины
      • Трансмиссия  
        • Коробка передач
        • Коробка раздаточная
        • Мост задний
        • Сцепление
        • Мост средний (промежуточный)
        • Передача карданная
        • Мост передний (ведущий)
      • Двигатель  
        • Основные запчасти двигателя
        • Система охлаждения
        • Система питания
        • Система смазки
      • Дополнительное оборудование  
        • Отбор мощности
        • Устройство седельное
      • Ходовая часть  
        • Подвеска автомобиля
        • Рама
        • Колеса и ступицы
        • Ось передняя
      • Механизмы управления  
        • Тормоза
        • Управление рулевое
      • Электрооборудование
    • Запчасти ММЗ
    • Ремни
  • Справочник
    • Грузовые автомобили
    • Автобусы
    • Сельхозтехника
    • Спецтехника
    • Двигатели
  • Как купить
    • Условия оплаты
    • Условия доставки
    • Гарантия на товар
    • Пункты выдачи
  • Услуги
    • Капитальный ремонт двигателей ЯМЗ
  • Акции
  • Статьи
  • Контакты
  • Компания
    • Реквизиты
    • Магазины
    • Оплата
    • Доставка
    • Лицензии и сертификаты
    • Новости
    • Вакансии
Избранное 0 Корзина 0
8-800-700-35-68

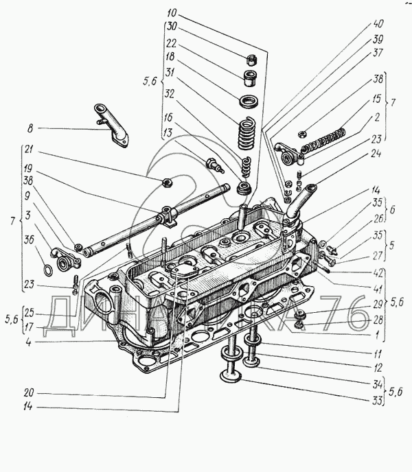
Головка цилиндров на Т-150

Справочник
Главная
-
Автокаталог
-
Сельхозтехника
-
ХТЗ
-
Т-150
Справочный каталог

Головка цилиндров — Т-150:

1 1 2 3 4 5 5 5 5 5 6 6 6 6 6 7 7 8 9 10 11 12 13 13 14 14 15 16 16 17 17 18 18 19 20 21 22 22 23 23 24 25 25 26 27 28 28 29 29 30 30 31 31 32 32 33 33 34 34 35 35 35 36 37 38 38 39 40 41 41 42 42
в наличии
нет в наличии
масштаб

В наличии
Нет в наличии

Перечень комплектующих от Головка цилиндров на Т-150

Схемы запчастей предназначены для справочных целей! Мы продаем не все запчасти от Головка цилиндров на Т-150, представленные в этом списке.
Наличие на складах по деталям с ценой смотрите в карточке товара.
1
1
Артикул: 60-06002-31
нет в наличии
Головка цилиндров
Количество на схеме: 1
Информация
Головка цилиндров
Количество
1
Входит в;Материал;Масса;
60-06009.10;;47,271;
1
1
Артикул: 60-06002-31
нет в наличии
Головка цилиндров
Количество на схеме: 1
Информация
Головка цилиндров
Количество
1
Входит в;Материал;Масса;
60-06009.10-01;;47,271;
2
2
Артикул: 60-06003-02
нет в наличии
Коромысло выпускного клапана
Количество на схеме: 3
Информация
Коромысло выпускного клапана
Количество
3
Входит в;Материал;Масса;
60-06013.00;;0,217;
3
3
Артикул: 60-06004-02
нет в наличии
Коромысло впускного клапана
Количество на схеме: 3
Информация
Коромысло впускного клапана
Количество
3
Входит в;Материал;Масса;
60-06013.00;;0,247;
4
4
Артикул: 60-06008-30
нет в наличии
Прокладка головки
Количество на схеме: 2
Информация
Прокладка головки
Количество
2
Входит в;Материал;Масса;
60-06001.11;;0,3;
5
5
Артикул: 60-06009-10
нет в наличии
Головка с клапанами
Количество на схеме: 1
Информация
Головка с клапанами
Количество
1
Входит в;Материал;Масса;
60-06001.11;;51,204;
6
6
Артикул: 60-06009-10-01
нет в наличии
Головка с клапанами
Количество на схеме: 1
Информация
Головка с клапанами
Количество
1
Входит в;Материал;Масса;
60-06001.11;;51,204;
7
7
Артикул: 60-06013-00
нет в наличии
Механизм распределения
Количество на схеме: 2
Информация
Механизм распределения
Количество
2
Входит в;Материал;Масса;
60-06001.11;;3,338;
8
8
Артикул: 60-06017-12
нет в наличии
Патрубок водоотводящий левый
Количество на схеме: 1
Информация
Патрубок водоотводящий левый
Количество
1
Входит в;Материал;Масса;
60-06001.11;;0,258;
9
9
Артикул: 60-06018-01
нет в наличии
Ось коромысел
Количество на схеме: 1
Информация
Ось коромысел
Количество
1
Входит в;Материал;Масса;
60-06013.00;;1,148;
10
10
Артикул: 60-06103-00
нет в наличии
Втулка направляющая или 236-10070.32
Количество на схеме: 6
Информация
Втулка направляющая или 236-10070.32
Количество
6
Входит в;Материал;Масса;
60-06002.31;Чугун специальный;0,09;
11
11
Артикул: 60-06106-00
нет в наличии
Седло выпускного клапана
Количество на схеме: 3
Информация
Седло выпускного клапана
Количество
3
Входит в;Материал;Масса;
60-06002.31;Сплав НХ16С2Р2 (ЭП 616);0,038;
12
12
Артикул: 60-06107-20
нет в наличии
Седло впускного клапана
Количество на схеме: 3
Информация
Седло впускного клапана
Количество
3
Входит в;Материал;Масса;
60-06002.31;Сплав НХ16С2Р2 (ЭП-616);0,065;
13
13
Артикул: 60-06112-00
нет в наличии
Рым-болт
Количество на схеме: 2
Информация
Рым-болт
Количество
2
Входит в;Материал;Масса;
60-06009.10;Сталь 35 ГОСТ 1050-74;0,18;
13
13
Артикул: 60-06112-00
нет в наличии
Рым-болт
Количество на схеме: 2
Информация
Рым-болт
Количество
2
Входит в;Материал;Масса;
60-06009.10-01;Сталь 35 ГОСТ 1050-74;0,18;
14
14
Артикул: 60-06117-10
нет в наличии
Прокладка водяного патрубка
Количество на схеме: 4
Информация
Прокладка водяного патрубка
Количество
4
Входит в;Материал;Масса;
6006001.11;Паронит ПОН 1 ГОСТ 481-80;0,003;
15
15
Артикул: 60-06122-00
нет в наличии
Пружина распорная
Количество на схеме: 2
Информация
Пружина распорная
Количество
2
Входит в;Материал;Масса;
60-06013.00;Проволока III-2,0 ГОСТ 9389-75;0,0467;
16
16
Артикул: 60-06125-00
нет в наличии
Шайба пружины клапана
Количество на схеме: 6
Информация
Шайба пружины клапана
Количество
6
Входит в;Материал;Масса;
60-06009.10;Сталь 20 ГОСТ 1050-74;0,029;
16
16
Артикул: 60-06125-00
нет в наличии
Шайба пружины клапана
Количество на схеме: 6
Информация
Шайба пружины клапана
Количество
6
Входит в;Материал;Масса;
60-06009.10-01;Сталь 20 ГОСТ 1050-74;0,029;
17
17
Артикул: 60-06138-00
нет в наличии
Шпилька крепления стойки
Количество на схеме: 3
Информация
Шпилька крепления стойки
Количество
3
Входит в;Материал;Масса;
60-06009.10;Сталь 40Х ГОСТ 4543-71;0,075;
17
17
Артикул: 60-06138-00
нет в наличии
Шпилька крепления стойки
Количество на схеме: 3
Информация
Шпилька крепления стойки
Количество
3
Входит в;Материал;Масса;
60-06009.10-01;Сталь 40Х ГОСТ 4543-71;0,075;
18
18
Артикул: 60-06140-00
нет в наличии
Тарелка клапана
Количество на схеме: 6
Информация
Тарелка клапана
Количество
6
Входит в;Материал;Масса;
60-06009.10;Сталь 20Х ГОСТ 4543-71;0,035;
18
18
Артикул: 60-06140-00
нет в наличии
Тарелка клапана
Количество на схеме: 6
Информация
Тарелка клапана
Количество
6
Входит в;Материал;Масса;
60-06009.10-01;Сталь 20Х ГОСТ 4543-71;0,035;
19
19
Артикул: 60-06141-01
нет в наличии
Стойка осей коромысел
Количество на схеме: 3
Информация
Стойка осей коромысел
Количество
3
Входит в;Материал;Масса;
60-06013.00;Отливка 45Л ГОСТ 977-75;213;
20
20
Артикул: 60-06143-10
нет в наличии
Крышка
Количество на схеме: 2
Информация
Крышка
Количество
2
Входит в;Материал;Масса;
60-06001.11;Сталь 20 ГОСТ 1050-74;7;
21
21
Артикул: 60-06165-00
нет в наличии
Гайка крепления стойки
Количество на схеме: 6
Информация
Гайка крепления стойки
Количество
6
Входит в;Материал;Масса;
60-06001.11;Сталь 40Х ГОСТ 4543-71;0,018;
22
22
Артикул: 60-06171-00
нет в наличии
Втулка тарелки клапана
Количество на схеме: 6
Информация
Втулка тарелки клапана
Количество
6
Входит в;Материал;Масса;
60-06009.10;Сталь 20Х ГОСТ 4543-71;0,028;
22
22
Артикул: 60-06171-00
нет в наличии
Втулка тарелки клапана
Количество на схеме: 6
Информация
Втулка тарелки клапана
Количество
6
Входит в;Материал;Масса;
60-06009.10-01;Сталь 20Х ГОСТ 4543-71;0,028;
23
23
Артикул: 60-06172-10
нет в наличии
Винт регулировочный
Количество на схеме: 6
Информация
Винт регулировочный
Количество
6
Входит в;Материал;Масса;
60-06013.00;Сталь 40Х ГОСТ 4543-71АЛ4 ГОСТ 2685-75;0,0375;
24
24
Артикул: 60-06183-11
нет в наличии
Патрубок водоотводящий правый
Количество на схеме: 1
Информация
Патрубок водоотводящий правый
Количество
1
Входит в;Материал;Масса;
60-06001.11;;0,206;
25
25
Артикул: 60-06208-00
нет в наличии
Шпилька крепления форсунки
Количество на схеме: 6
Информация
Шпилька крепления форсунки
Количество
6
Входит в;Материал;Масса;
60-06009.10;Сталь 40Х ГОСТ 4543-71;0,0225;
25
25
Артикул: 60-06208-00
нет в наличии
Шпилька крепления форсунки
Количество на схеме: 6
Информация
Шпилька крепления форсунки
Количество
6
Входит в;Материал;Масса;
60-06009.10-01;Сталь 40Х ГОСТ 4543-71;0,0225;
26
26
Артикул: 60-06212-00
нет в наличии
Штуцер
Количество на схеме: 1
Информация
Штуцер
Количество
1
Входит в;Материал;Масса;
60-06009.10-01;Сталь 35 В ГОСТ 1051-73;0,031;
27
27
Артикул: 60-06213-00
нет в наличии
Пробка резьбовая
Количество на схеме: 1
Информация
Пробка резьбовая
Количество
1
Входит в;Материал;Масса;
60-06009.10;Сталь 35 В ГОСТ 1051-73;0,034;
28
28
Артикул: 60-06227-00
нет в наличии
Втулка
Количество на схеме: 1
Информация
Втулка
Количество
1
Входит в;Материал;Масса;
60-06009.10;Сталь 35-В ГОСТ 1051-73;0,0024;
28
28
Артикул: 60-06227-00
нет в наличии
Втулка
Количество на схеме: 1
Информация
Втулка
Количество
1
Входит в;Материал;Масса;
60-06009.10-01;Сталь 35-В ГОСТ 1051-73;0,0024;
29
29
Артикул: 60-06228-00
нет в наличии
Кольцо
Количество на схеме: 1
Информация
Кольцо
Количество
1
Входит в;Материал;Масса;
60-05009.10;Резина ИРП-1314 ТУ 38.005.204-71;0,001;
29
29
Артикул: 60-06228-00
нет в наличии
Кольцо
Количество на схеме: 1
Информация
Кольцо
Количество
1
Входит в;Материал;Масса;
60-00009.10-01;Резина ИРП-1314 ТУ 38.005.204-71;0,001;
30
30
Артикул: 6Т2-0671Б
нет в наличии
Сухарь клапана
Количество на схеме: 12
Информация
Сухарь клапана
Количество
12
Входит в;Материал;Масса;
60-06009.10;Сталь 08кп ГОСТ 1050-74;0,0033;
30
30
Артикул: 6Т2-0671Б
нет в наличии
Сухарь клапана
Количество на схеме: 12
Информация
Сухарь клапана
Количество
12
Входит в;Материал;Масса;
60-06009.10-01;Сталь 08кп ГОСТ 1050-74;0,0033;
31
31
Артикул: 236-1007020
в наличии
Пружина клапана наружная
Количество на схеме: 6
Информация
Пружина клапана наружная
Количество
6
Входит в;Материал;Масса;
60-06009.10;Проволока пружинная 51ХФА ГОСТ 1071-67;0,133;
Модель
236
Группа
Двигатель
Подгруппа
Клапана и толкатели
Порядковый номер детали
020
Пружина ЯМЗ клапана наружная (236,238,7511)
Артикул: 236-1007020
Пружина ЯМЗ клапана наружная (236,238,7511)
Код для заказа: 00002449
Цена: 182 ₽/шт.
В наличии: 32 шт.
- +
В корзинуВ корзине
Пружина ЯМЗ клапана наружная (236,238,7511)
Артикул: 236-1007020
Код для заказа: 00002449
Пружина ЯМЗ клапана наружная (236,238,7511)
Цена: 182 ₽/шт.
В наличии: 32 шт.
- +
В корзинуВ корзине
31
31
Артикул: 236-1007020
в наличии
Пружина клапана наружная
Количество на схеме: 6
Информация
Пружина клапана наружная
Количество
6
Входит в;Материал;Масса;
60-06009.10-01;Проволока пружинная 51ХФА ГОСТ 1071-67;0,133;
Модель
236
Группа
Двигатель
Подгруппа
Клапана и толкатели
Порядковый номер детали
020
Пружина ЯМЗ клапана наружная (236,238,7511)
Артикул: 236-1007020
Пружина ЯМЗ клапана наружная (236,238,7511)
Код для заказа: 00002449
Цена: 182 ₽/шт.
В наличии: 32 шт.
- +
В корзинуВ корзине
Пружина ЯМЗ клапана наружная (236,238,7511)
Артикул: 236-1007020
Код для заказа: 00002449
Пружина ЯМЗ клапана наружная (236,238,7511)
Цена: 182 ₽/шт.
В наличии: 32 шт.
- +
В корзинуВ корзине
32
32
Артикул: 236-1007021
в наличии
Пружина клапана внутренняя
Количество на схеме: 6
Информация
Пружина клапана внутренняя
Количество
6
Входит в;Материал;Масса;
60-06009.10;Проволока пружинная 51ХФА ГОСТ 1071-67;0,056;
Модель
236
Группа
Двигатель
Подгруппа
Клапана и толкатели
Порядковый номер детали
021
Пружина клапана
Артикул: 236-1007021
Пружина клапана
Код для заказа: 00002440
Цена: 281 ₽/шт.
Под заказ
Пружина клапана
Артикул: 236-1007021
Код для заказа: 00002440
Пружина клапана
Цена: 281 ₽/шт.
Под заказ
32
32
Артикул: 236-1007021
в наличии
Пружина клапана внутренняя
Количество на схеме: 6
Информация
Пружина клапана внутренняя
Количество
6
Входит в;Материал;Масса;
60-06009.10-01;Проволока пружинная 51ХФА ГОСТ 1071-67;0,056;
Модель
236
Группа
Двигатель
Подгруппа
Клапана и толкатели
Порядковый номер детали
021
Пружина клапана
Артикул: 236-1007021
Пружина клапана
Код для заказа: 00002440
Цена: 281 ₽/шт.
Под заказ
Пружина клапана
Артикул: 236-1007021
Код для заказа: 00002440
Пружина клапана
Цена: 281 ₽/шт.
Под заказ
33
33
Артикул: А05-12-012
нет в наличии
Клапан впускной
Количество на схеме: 3
Информация
Клапан впускной
Количество
3
Входит в;Материал;Масса;
60-06009.10;Сталь 40x10С2М ГОСТ 5632-72;0,28;
33
33
Артикул: А05-12-012
нет в наличии
Клапан впускной
Количество на схеме: 3
Информация
Клапан впускной
Количество
3
Входит в;Материал;Масса;
60-06009.10-01;Сталь 40x10С2М ГОСТ 5632-72;0,28;
34
34
Артикул: А05-12-013
нет в наличии
Клапан выпускной
Количество на схеме: 3
Информация
Клапан выпускной
Количество
3
Входит в;Материал;Масса;
60-06009.10;;0,236;
34
34
Артикул: А05-12-013
нет в наличии
Клапан выпускной
Количество на схеме: 3
Информация
Клапан выпускной
Количество
3
Входит в;Материал;Масса;
60-06009.10-01;;1,236;
35
35
Артикул: СМД7-0216-2
нет в наличии
Прокладка поворотного угольника
Количество на схеме: 1
Информация
Прокладка поворотного угольника
Количество
1
Входит в;Материал;Масса;
60-06009.10;Лист АОМ-1 ГОСТ 21631-76;0,0001;
35
35
Артикул: СМД7-0216-2
нет в наличии
Прокладка поворотного угольника
Количество на схеме: 1
Информация
Прокладка поворотного угольника
Количество
1
Входит в;Материал;Масса;
60-06009.10-01;Лист АОМ-1 ГОСТ 21631-76;0,0001;
36
36
Артикул: СМД7-0688
нет в наличии
Кольцо стопорное
Количество на схеме: 2
Информация
Кольцо стопорное
Количество
2
Входит в;Материал;Масса;
60-06013.00;Проволока, II-2,5 ГОСТ 9389-75;0,001;
37
37
Артикул: Гайка-М8-6Н-6-016-ГОСТ-2524-70
нет в наличии
Гайка М8-6Н.6.016 ГОСТ 2524-70
Количество на схеме: 8
Информация
Гайка М8-6Н.6.016 ГОСТ 2524-70
Количество
8
Входит в;Материал;Масса;
60-06001.11;;0,004;
38
38
Артикул: Гайка-М12х1,25-6Н-6-05-ГОСТ-2524-70
нет в наличии
Гайка М12х1,25-6Н.6.05 ГОСТ 2524-70
Количество на схеме: 6
Информация
Гайка М12х1,25-6Н.6.05 ГОСТ 2524-70
Количество
6
Входит в;Материал;Масса;
60-06013.00;;0,007;
39
39
Артикул: Шайба-8-65Г-05-ГОСТ-6402-70
нет в наличии
Шайба 8 65Г 05 ГОСТ 6402-70
Количество на схеме: 8
Информация
Шайба 8 65Г 05 ГОСТ 6402-70
Количество
8
Входит в;Материал;Масса;
60-06001.11;;0,0009;
40
40
Артикул: Шайба-8х1,5-04-05-ГОСТ-10450-78
нет в наличии
Шайба 8х1,5.04.05 ГОСТ 10450-78
Количество на схеме: 4
Информация
Шайба 8х1,5.04.05 ГОСТ 10450-78
Количество
4
Входит в;Материал;Масса;
60-06001.11;;0,0016;
41
41
Артикул: Шпилька-М8(То/6g)х20-56-016-ГОСТ-22034-76
нет в наличии
Шпилька М8(То/6g)х20.56.016 ГОСТ 22034-76
Количество на схеме: 4
Информация
Шпилька М8(То/6g)х20.56.016 ГОСТ 22034-76
Количество
4
Входит в;Материал;Масса;
60-06009.10;;0,011;
41
41
Артикул: Шпилька-М8(То/6g)х20-56-016-ГОСТ-22034-76
нет в наличии
Шпилька М8(То/6g)х20.56.016 ГОСТ 22034-76
Количество на схеме: 4
Информация
Шпилька М8(То/6g)х20.56.016 ГОСТ 22034-76
Количество
4
Входит в;Материал;Масса;
60-06009.10-01;;0,011;
42
42
Артикул: Шпилька-М10(То/6g)х35-56-016-ГОСТ-22034-76
нет в наличии
Шпилька М10(То/6g)х35.56.016 ГОСТ 22034-76
Количество на схеме: 6
Информация
Шпилька М10(То/6g)х35.56.016 ГОСТ 22034-76
Количество
6
Входит в;Материал;Масса;
60-06009.10;;0,024;
42
42
Артикул: Шпилька-М10(То/6g)х35-56-016-ГОСТ-22034-76
нет в наличии
Шпилька М10(То/6g)х35.56.016 ГОСТ 22034-76
Количество на схеме: 6
Информация
Шпилька М10(То/6g)х35.56.016 ГОСТ 22034-76
Количество
6
Входит в;Материал;Масса;
60-06009.10-01;;0,024;
  • Грузовые автомобили
  • Автобусы
  • Сельхозтехника
  • Спецтехника
  • Двигатели
Получить оптовый прайс-лист
Скачать прайс-лист от 12.05.2026 16:00
Специальное предложение от 12.05.2026 17:00
Производители:


  • WEICHAI
  • Автодизель ПАО (ЯМЗ)
  • Тутаевский МЗ
  • ЯЗДА
  • УралАЗ
  • МАЗ
  • АЗПИ
  • BOSCH
  • ММЗ
  • ШААЗ
  • FEDERAL MOGUL
  • ПРАМО
  • Мотордеталь
  • ТАИМ
  • АвтоКрАЗ
  • БЕЛКАРД
  • CZ Strakonice
  • КамАЗ
  • БЗА
  • ЧМЗ
  • BMZ
Новости
Все новости
25 марта 2024
Флагманский седельный тягач «Валдай 45» на выставке «TransRussia»
10 марта 2024
Современные автобусы «CITYMAX 9» и ЛиАЗ-5292 CNG
25 февраля 2024
Серийное производство средних дизельных двигателей повышенной мощности от ЯМЗ
Статьи
Все статьи
Датчики двигателя: за что они отвечают, признаки неисправности и как не прогадать с выбором
Двигатели ЯМЗ-534: история, технические характеристики и области применения
Двигатели ЯМЗ 650: углублённый технический обзор и история
Компания
О компании
Реквизиты
Новости
Политика
Магазины
Информация
Условия оплаты
Условия доставки
Гарантия на товар
Обмен и возврат товара
Помощь
Как оформить заказ
Полезные статьи
Бренды
Пункты выдачи
Оставайтесь на связи
  • Вконтакте
  • YouTube
  • Одноклассники
  • Google Plus
Увидели ошибку?
Выделите, нажав Ctrl + Enter
Наши контакты
8-800-700-35-68
sales@din76.ru
г. Ярославль, Ленинградский пр-т 33, ТЦ "ОМЕГА"
2026 © ООО «Динамика 76» - Все права защищены ООО "Динамика 76"
Предложения на сайте не являются публичной офертой.
На сайте обнаружена ошибка

Текст с ошибкой