Избранное 0 Корзина 0 Личный кабинет
logo
Каталог
Каталог
  • Справочник
    • Грузовые автомобили
    • Автобусы
    • Сельхозтехника
    • Спецтехника
    • Двигатели
  • Доставка
  • Оплата
  • О компании
    • Реквизиты
    • Магазины
    • Оплата
    • Доставка
    • Лицензии и сертификаты
    • Новости
    • Вакансии
  • Контакты
Отправить заявку
Личный кабинет
8 (800) 700-35-68
sales@din76.ru
Избранное 0 Корзина 0
8 (800) 700-35-68
Оптовый прайс-лист
Каталог
  • Двигатели
  • Запчасти WEICHAI
  • Запчасти ЯМЗ, ТМЗ (V-образные)
  • Запчасти ЯМЗ-534, ЯМЗ-536
  • Запчасти ЯМЗ-650, ЯМЗ-651, DCi-11
  • Топливная аппаратура
  • Запчасти УРАЛ
  • Запчасти МАЗ
  • Запчасти КамАЗ
  • Запчасти ММЗ
  • Ремни
Автокаталог (справочник)
  • Доставка
  • Оплата
  • О компании
  • Контакты
8 (800) 700-35-68
Написать в Whatsapp
sales@din76.ru
Динамика 76
Меню  
  • Каталог
    • Двигатели  
      • Двигатели ТМЗ  
        • Двигатели ТМЗ для автомобилей
        • Двигатели ТМЗ для тракторов
        • Специальные двигатели ТМЗ
        • Промышленные двигатели ТМЗ
      • Двигатели ЯМЗ  
        • ЯМЗ 236
        • ЯМЗ 238
        • ЯМЗ 240
        • ЯМЗ 751
        • ЯМЗ 840
        • ЯМЗ 850
        • ЯМЗ 656
        • ЯМЗ 658
        • ЯМЗ 534
        • ЯМЗ 536
        • ЯМЗ 650
        • Двигатели ЯМЗ для электростанций
      • Двигатели КАМАЗ
      • Двигатели ММЗ
      • Двигатели индивидуальной сборки
      • Комплекты переоборудования
    • Запчасти WEICHAI  
      • Основные запчасти двигателя  
        • Клапаны и толкатели
        • Шатуны
        • Вал коленчатый и маховик
        • Вал распределительный
        • Цилиндро-поршневая группа
      • Система питания  
        • Форсунки
        • Турбокомпрессор
      • Система смазки  
        • Насос масляный
      • Головка блока
      • Ремкомплекты
      • Система охлаждения  
        • Насос водяной
        • Муфта вязкостная и крыльчатка
      • Фильтры
      • Электрооборудование  
        • Генератор
        • Стартер
    • Запчасти ЯМЗ, ТМЗ (V-образные)  
      • Основные запчасти двигателя  
        • Блок двигателя и комплектующие
        • Валы распределительные и клапаны
        • Головка блока и комплектующие
        • Цилиндро-поршневая группа
        • Маховики и комплектующие
        • Валы коленчатые и комплектующие
        • Шатуны и комплектующие
      • Система питания  
        • Коллекторы и патрубки
        • Топливные трубопроводы
        • Турбокомпрессор
        • Топливные фильтры
      • Электрооборудование двигателя
      • Система охлаждения  
        • Вязкостные муфты и крыльчатки
        • Приводы вентилятора
        • Водяные насосы
        • Водяные трубы и термостаты
      • Коробки переключения передач  
        • 8 Ступенчатые КПП
        • 5 Ступенчатые КПП
        • 9 Ступенчатые КПП
        • Запасные части КПП ЯМЗ, ТМЗ
      • Система смазки  
        • Теплообменник и комплектующие
        • Масляные насосы
        • Фильтры масляные (ФГОМ, ФЦОМ)
      • Сцепление  
        • Запасные части механизма сцепления
        • Муфты (подшипники выжимные)
        • Корзины (диски нажимные)
        • Диски ведомые
      • Прочие запчасти двигателя  
        • Ремкомплекты
        • Привод агрегатов
        • Натяжные устройства
        • Трубки
    • Запчасти ЯМЗ-534, ЯМЗ-536  
      • Основные запчасти двигателя  
        • Цилиндро-поршневая группа
        • Головка блока цилиндров и комплектующие
        • Блок цилиндров и комплектующие
        • Вал коленчатый и маховик
        • Вал распределительный
        • Клапаны и толкатели
        • ГУР (Гидроусилитель руля)
        • Система рециркуляции отработавших газов
        • Выпускной коллектор
      • Система питания  
        • Коллекторы и патрубки
        • Топливные фильтры
        • Турбокомпрессор
        • Топливные трубопроводы
      • Система смазки  
        • Масляный картер поддон
        • Масляный насос
        • Теплообменник /Водо-масляный радиатор
        • Фильтры масляные (ФГОМ, ФЦОМ)
      • Пневмокомпрессор и натяжное
      • Система охлаждения  
        • Водяной насос
        • Водяные трубы и патрубки
        • Муфты вязкостные, приводы, крыльчатки
      • Ремкомплекты
      • Сцепление
      • Электрооборудование
    • Запчасти ЯМЗ-650, ЯМЗ-651, DCi-11  
      • Основные запчасти двигателя  
        • Цилиндро-поршневая группа
        • Головка блока цилиндров и комплектующие
        • Блок цилиндров и комплектующие
        • Вал коленчатый и маховик
        • Выпускной коллектор
        • Вал распределительный
        • Клапаны и толкатели
        • ГУР (Гидроусилитель руля)
        • Система рециркуляции отработавших газов
      • Система питания  
        • Коллекторы и патрубки
        • Топливные трубопроводы
        • Топливные фильтры
        • Турбокомпрессор
      • Система смазки  
        • Масляный картер / поддон
        • Масляный насос
        • Теплообменник / Водо-масляный радиатор
        • Фильтры масляные (ФГОМ, ФЦОМ)
      • Система охлаждения  
        • Водяной насос
        • Водяные трубы и патрубки
        • Муфты вязкостные, приводы, крыльчатки
      • Ремкомплекты
      • Пневмокомпрессор и натяжное
      • Электрооборудование
      • Сцепление
    • Топливная аппаратура  
      • ЯЗДА  
        • Распылители
        • ТНВД
        • Форсунки
        • Топливный насос низкого давления
        • Пары плунжерные
        • Муфта опережения впрыска топлива
        • Запчасти и комплектующие ТНВД
      • НЗТА
      • АЗПИ  
        • Распылители
        • Форсунки
      • BOSCH
    • Запчасти УРАЛ  
      • Трансмиссия  
        • Коробка раздаточная
        • Передача карданная
        • Мост задний
        • Мост передний (ведущий)
        • Мост средний (промежуточный)
      • Кузов  
        • Дверь кабины
        • Капот, крылья, облицовка радиатора
        • Окно ветровое и заднее
        • Отопление и вентиляция кабины
        • Кабина
      • Механизмы управления  
        • Управление рулевое
        • Тормоза
      • Дополнительное оборудование  
        • Отбор мощности
        • Устройство седельное
      • Электрооборудование
      • Ходовая часть  
        • Колеса и ступицы
        • Ось передняя
        • Подвеска автомобиля
        • Рама
    • Запчасти МАЗ  
      • Трансмиссия  
        • Мост задний
        • Мост передний (ведущий)
        • Передача карданная
        • Мост средний (промежуточный)
      • Кузов  
        • Кабина
        • Дверь кабины
        • Детали основания кабины
        • Окно ветровое и заднее
        • Платформа
      • Механизмы управления  
        • Тормоза
        • Управление рулевое
      • Ходовая часть  
        • Колеса и ступицы
        • Ось передняя
        • Подвеска автомобиля
        • Рама
    • Запчасти КамАЗ  
      • Кузов  
        • Кабина
        • Капот, крылья, облицовка радиатора
        • Дверь кабины
        • Платформа
        • Окно ветровое и заднее
        • Устройство подъемное и опрокидывающее
        • Сиденье
        • Крыша кабины (крыша кузова)
        • Отопление и вентиляция кабины
      • Трансмиссия  
        • Коробка передач
        • Коробка раздаточная
        • Мост задний
        • Сцепление
        • Мост средний (промежуточный)
        • Передача карданная
        • Мост передний (ведущий)
      • Двигатель  
        • Основные запчасти двигателя
        • Система охлаждения
        • Система питания
        • Система смазки
      • Дополнительное оборудование  
        • Отбор мощности
        • Устройство седельное
      • Ходовая часть  
        • Подвеска автомобиля
        • Рама
        • Колеса и ступицы
        • Ось передняя
      • Механизмы управления  
        • Тормоза
        • Управление рулевое
      • Электрооборудование
    • Запчасти ММЗ
    • Ремни
  • Справочник
    • Грузовые автомобили
    • Автобусы
    • Сельхозтехника
    • Спецтехника
    • Двигатели
  • Как купить
    • Условия оплаты
    • Условия доставки
    • Гарантия на товар
    • Пункты выдачи
  • Услуги
    • Капитальный ремонт двигателей ЯМЗ
  • Акции
  • Статьи
  • Контакты
  • Компания
    • Реквизиты
    • Магазины
    • Оплата
    • Доставка
    • Лицензии и сертификаты
    • Новости
    • Вакансии
Избранное 0 Корзина 0
8-800-700-35-68

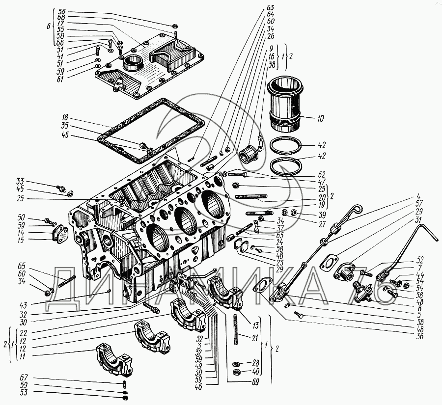
Блок-картер на Т-150

Справочник
Главная
-
Автокаталог
-
Сельхозтехника
-
ХТЗ
-
Т-150
Справочный каталог

Блок-картер — Т-150:

0-01013.00 1 1 1 2 2 2 2 3 4 5 6 7 8 9 10 11 12 12 13 14 15 16 17 18 19 20 21 22 23 24 25 25 26 27 28 29 29 30 30 31 32 32 32 33 34 34 34 35 36 37 38 39 40 41 42 42 43 44 45 45 46 47 48 48 48 49 50 51 51 52 53 54 54 55 56 57 58 58 58 58 58 59 59 59 59 59 60 60 61 62 63 64 65 65 66 67 68 69
в наличии
нет в наличии
масштаб

В наличии
Нет в наличии

Перечень комплектующих от Блок-картер на Т-150

Схемы запчастей предназначены для справочных целей! Мы продаем не все запчасти от Блок-картер на Т-150, представленные в этом списке.
Наличие на складах по деталям с ценой смотрите в карточке товара.
Артикул: 0-01013-00
нет в наличии
Блок-картер
Количество на схеме: 1
Информация
Блок-картер
Количество
1
Входит в;Материал;Масса;
;;;
1
1
Артикул: 60-01002-21
нет в наличии
Блок-картер
Количество на схеме: 1
Информация
Блок-картер
Количество
1
Входит в;Материал;Масса;
60-01003.02;;202,3;
Примечание
1 - Заказывать сборочной единицей 60-0101300 \n2 - Сборочная единица в запасные части не поставляется \n3 - Заказывать комплектом 60-03006.01 \n4 - Заказывать сборочной единицей 72-03002.00 \n5 - Заказывать комплектом А23.01-91-60Асб соответствующего номинального или ремонтного размера H1, Н2, Р1, Р2, Р3, Р4 \n6 - Заказывать комплектом 60-03006.01 \n7 - Поставляется сборочной единицей 60-04010.00 и комплекте с коренными, шатунными вкладышами и упорными полукольцами \n8 - Заказывать комплектом А23.01-98-60сб соответствующего номинального или ремонтного размера HI, Н2, Р1, Р2, Р3, Р4 \n9 - Заказывать сборочной единицей 60-04006.11 \n10 - Заказывать сборочнин единицей 60-15020.10 \n11 - Детали А23.11.000-02 и А23.11.100-02 - взаимозаменяемы \n12 - Количество По потребности \n13 - Наибольшее количество \n14 - Частота вращения- 1000 г/mm \n15 - Частота вращения- 540 г/mm \n16 - Только с вентилятором-пылеотделителем. С воздухоохладителем устанавливается 150.44.078-14 \n17 - Только с вентилятором-пылеотделителем. С воздухоохладителем устанавливается 150.95.0101-2 \n18 - При установке вентилятора-пылеотделителя \n19 - Устанавливается при отсутствии воздухоохладителя-отопителя \n20 - В редукторах выпуска до 1984 г. вместо дисков СМД2-1915 и СМД2-1916А допускается установка четырex дисков СМД2-1915-1 и трех дисков СМД2-1916-1, добавочный диск СМД2-1915-1 устанавливается со стороны прижимного диска \n21 - Электрооборудование и приборы с воздухоотделителем
2
2
Артикул: 60-01003-02
нет в наличии
Блок картер
Информация
Блок картер
Примечание
1 - Заказывать сборочной единицей 60-0101300 \n2 - Сборочная единица в запасные части не поставляется \n3 - Заказывать комплектом 60-03006.01 \n4 - Заказывать сборочной единицей 72-03002.00 \n5 - Заказывать комплектом А23.01-91-60Асб соответствующего номинального или ремонтного размера H1, Н2, Р1, Р2, Р3, Р4 \n6 - Заказывать комплектом 60-03006.01 \n7 - Поставляется сборочной единицей 60-04010.00 и комплекте с коренными, шатунными вкладышами и упорными полукольцами \n8 - Заказывать комплектом А23.01-98-60сб соответствующего номинального или ремонтного размера HI, Н2, Р1, Р2, Р3, Р4 \n9 - Заказывать сборочной единицей 60-04006.11 \n10 - Заказывать сборочнин единицей 60-15020.10 \n11 - Детали А23.11.000-02 и А23.11.100-02 - взаимозаменяемы \n12 - Количество По потребности \n13 - Наибольшее количество \n14 - Частота вращения- 1000 г/mm \n15 - Частота вращения- 540 г/mm \n16 - Только с вентилятором-пылеотделителем. С воздухоохладителем устанавливается 150.44.078-14 \n17 - Только с вентилятором-пылеотделителем. С воздухоохладителем устанавливается 150.95.0101-2 \n18 - При установке вентилятора-пылеотделителя \n19 - Устанавливается при отсутствии воздухоохладителя-отопителя \n20 - В редукторах выпуска до 1984 г. вместо дисков СМД2-1915 и СМД2-1916А допускается установка четырex дисков СМД2-1915-1 и трех дисков СМД2-1916-1, добавочный диск СМД2-1915-1 устанавливается со стороны прижимного диска \n21 - Электрооборудование и приборы с воздухоотделителем
3
3
Артикул: 60-01006-50
нет в наличии
Фланец
Количество на схеме: 1
Информация
Фланец
Количество
1
Входит в;Материал;Масса;
60-01001.21;;0,305;
4
4
Артикул: 60-01007-12
нет в наличии
Стержень масло измерителя
Количество на схеме: 1
Информация
Стержень масло измерителя
Количество
1
Входит в;Материал;Масса;
60-01001.21;;0,095;
5
5
Артикул: 60-01008-20
нет в наличии
Трубка маслоизмерителя
Количество на схеме: 1
Информация
Трубка маслоизмерителя
Количество
1
Входит в;Материал;Масса;
60-01001.21;;0,176;
6
6
Артикул: 60-01011-10
нет в наличии
Крышка ресивера
Количество на схеме: 1
Информация
Крышка ресивера
Количество
1
Входит в;Материал;Масса;
60-01001.21;;2,259;
7
7
Артикул: 60-01012-00
нет в наличии
Рукоятка краника
Количество на схеме: 2
Информация
Рукоятка краника
Количество
2
Входит в;Материал;Масса;
60-01001.21;;0,115;
8
8
Артикул: 01-176000
нет в наличии
Кран 01-176
Количество на схеме: 2
Информация
Кран 01-176
Количество
2
Входит в;Материал;Масса;
60-01001.21;;0,17;
Покрытие
без покрытия
9
9
Артикул: 72-01101-02
нет в наличии
Блок-картер
Количество на схеме: 1
Информация
Блок-картер
Количество
1
Входит в;Материал;Масса;
60-01002.21;Чугун серый легированный;180,8;
Примечание
1 - Заказывать сборочной единицей 60-0101300 \n2 - Сборочная единица в запасные части не поставляется \n3 - Заказывать комплектом 60-03006.01 \n4 - Заказывать сборочной единицей 72-03002.00 \n5 - Заказывать комплектом А23.01-91-60Асб соответствующего номинального или ремонтного размера H1, Н2, Р1, Р2, Р3, Р4 \n6 - Заказывать комплектом 60-03006.01 \n7 - Поставляется сборочной единицей 60-04010.00 и комплекте с коренными, шатунными вкладышами и упорными полукольцами \n8 - Заказывать комплектом А23.01-98-60сб соответствующего номинального или ремонтного размера HI, Н2, Р1, Р2, Р3, Р4 \n9 - Заказывать сборочной единицей 60-04006.11 \n10 - Заказывать сборочнин единицей 60-15020.10 \n11 - Детали А23.11.000-02 и А23.11.100-02 - взаимозаменяемы \n12 - Количество По потребности \n13 - Наибольшее количество \n14 - Частота вращения- 1000 г/mm \n15 - Частота вращения- 540 г/mm \n16 - Только с вентилятором-пылеотделителем. С воздухоохладителем устанавливается 150.44.078-14 \n17 - Только с вентилятором-пылеотделителем. С воздухоохладителем устанавливается 150.95.0101-2 \n18 - При установке вентилятора-пылеотделителя \n19 - Устанавливается при отсутствии воздухоохладителя-отопителя \n20 - В редукторах выпуска до 1984 г. вместо дисков СМД2-1915 и СМД2-1916А допускается установка четырex дисков СМД2-1915-1 и трех дисков СМД2-1916-1, добавочный диск СМД2-1915-1 устанавливается со стороны прижимного диска \n21 - Электрооборудование и приборы с воздухоотделителем
10
10
Артикул: 60-01102-10
нет в наличии
Гильза цилиндра
Количество на схеме: 6
Информация
Гильза цилиндра
Количество
6
Входит в;Материал;Масса;
60-01001.21;Чугун специальный;6,3;
11
11
Артикул: 60-01104-01
нет в наличии
Крышка подшипника передняя
Количество на схеме: 1
Информация
Крышка подшипника передняя
Количество
1
Входит в;Материал;Масса;
60-01002.21;ВЧ 40-2 ГОСТ 7293-79;4,2;
Примечание
1 - Заказывать сборочной единицей 60-0101300 \n2 - Сборочная единица в запасные части не поставляется \n3 - Заказывать комплектом 60-03006.01 \n4 - Заказывать сборочной единицей 72-03002.00 \n5 - Заказывать комплектом А23.01-91-60Асб соответствующего номинального или ремонтного размера H1, Н2, Р1, Р2, Р3, Р4 \n6 - Заказывать комплектом 60-03006.01 \n7 - Поставляется сборочной единицей 60-04010.00 и комплекте с коренными, шатунными вкладышами и упорными полукольцами \n8 - Заказывать комплектом А23.01-98-60сб соответствующего номинального или ремонтного размера HI, Н2, Р1, Р2, Р3, Р4 \n9 - Заказывать сборочной единицей 60-04006.11 \n10 - Заказывать сборочнин единицей 60-15020.10 \n11 - Детали А23.11.000-02 и А23.11.100-02 - взаимозаменяемы \n12 - Количество По потребности \n13 - Наибольшее количество \n14 - Частота вращения- 1000 г/mm \n15 - Частота вращения- 540 г/mm \n16 - Только с вентилятором-пылеотделителем. С воздухоохладителем устанавливается 150.44.078-14 \n17 - Только с вентилятором-пылеотделителем. С воздухоохладителем устанавливается 150.95.0101-2 \n18 - При установке вентилятора-пылеотделителя \n19 - Устанавливается при отсутствии воздухоохладителя-отопителя \n20 - В редукторах выпуска до 1984 г. вместо дисков СМД2-1915 и СМД2-1916А допускается установка четырex дисков СМД2-1915-1 и трех дисков СМД2-1916-1, добавочный диск СМД2-1915-1 устанавливается со стороны прижимного диска \n21 - Электрооборудование и приборы с воздухоотделителем
12
12
Артикул: 60-01105-01
нет в наличии
Крышка подшипника средняя
Количество на схеме: 2
Информация
Крышка подшипника средняя
Количество
2
Входит в;Материал;Масса;
60-01002.21;ВЧ 60-2 ГОСТ 7293-79;4;
Примечание
1 - Заказывать сборочной единицей 60-0101300 \n2 - Сборочная единица в запасные части не поставляется \n3 - Заказывать комплектом 60-03006.01 \n4 - Заказывать сборочной единицей 72-03002.00 \n5 - Заказывать комплектом А23.01-91-60Асб соответствующего номинального или ремонтного размера H1, Н2, Р1, Р2, Р3, Р4 \n6 - Заказывать комплектом 60-03006.01 \n7 - Поставляется сборочной единицей 60-04010.00 и комплекте с коренными, шатунными вкладышами и упорными полукольцами \n8 - Заказывать комплектом А23.01-98-60сб соответствующего номинального или ремонтного размера HI, Н2, Р1, Р2, Р3, Р4 \n9 - Заказывать сборочной единицей 60-04006.11 \n10 - Заказывать сборочнин единицей 60-15020.10 \n11 - Детали А23.11.000-02 и А23.11.100-02 - взаимозаменяемы \n12 - Количество По потребности \n13 - Наибольшее количество \n14 - Частота вращения- 1000 г/mm \n15 - Частота вращения- 540 г/mm \n16 - Только с вентилятором-пылеотделителем. С воздухоохладителем устанавливается 150.44.078-14 \n17 - Только с вентилятором-пылеотделителем. С воздухоохладителем устанавливается 150.95.0101-2 \n18 - При установке вентилятора-пылеотделителя \n19 - Устанавливается при отсутствии воздухоохладителя-отопителя \n20 - В редукторах выпуска до 1984 г. вместо дисков СМД2-1915 и СМД2-1916А допускается установка четырex дисков СМД2-1915-1 и трех дисков СМД2-1916-1, добавочный диск СМД2-1915-1 устанавливается со стороны прижимного диска \n21 - Электрооборудование и приборы с воздухоотделителем
13
13
Артикул: 60-01106-01
нет в наличии
Крышка подшипника задняя
Количество на схеме: 1
Информация
Крышка подшипника задняя
Количество
1
Входит в;Материал;Масса;
60-01002.21;ВЧ 60-2 ГОСТ 7293-79;4,2;
Примечание
1 - Заказывать сборочной единицей 60-0101300 \n2 - Сборочная единица в запасные части не поставляется \n3 - Заказывать комплектом 60-03006.01 \n4 - Заказывать сборочной единицей 72-03002.00 \n5 - Заказывать комплектом А23.01-91-60Асб соответствующего номинального или ремонтного размера H1, Н2, Р1, Р2, Р3, Р4 \n6 - Заказывать комплектом 60-03006.01 \n7 - Поставляется сборочной единицей 60-04010.00 и комплекте с коренными, шатунными вкладышами и упорными полукольцами \n8 - Заказывать комплектом А23.01-98-60сб соответствующего номинального или ремонтного размера HI, Н2, Р1, Р2, Р3, Р4 \n9 - Заказывать сборочной единицей 60-04006.11 \n10 - Заказывать сборочнин единицей 60-15020.10 \n11 - Детали А23.11.000-02 и А23.11.100-02 - взаимозаменяемы \n12 - Количество По потребности \n13 - Наибольшее количество \n14 - Частота вращения- 1000 г/mm \n15 - Частота вращения- 540 г/mm \n16 - Только с вентилятором-пылеотделителем. С воздухоохладителем устанавливается 150.44.078-14 \n17 - Только с вентилятором-пылеотделителем. С воздухоохладителем устанавливается 150.95.0101-2 \n18 - При установке вентилятора-пылеотделителя \n19 - Устанавливается при отсутствии воздухоохладителя-отопителя \n20 - В редукторах выпуска до 1984 г. вместо дисков СМД2-1915 и СМД2-1916А допускается установка четырex дисков СМД2-1915-1 и трех дисков СМД2-1916-1, добавочный диск СМД2-1915-1 устанавливается со стороны прижимного диска \n21 - Электрооборудование и приборы с воздухоотделителем
14
14
Артикул: 60-01107-00
нет в наличии
Заглушка
Количество на схеме: 1
Информация
Заглушка
Количество
1
Входит в;Материал;Масса;
60-01001.21;Сталь 20 ГОСТ 4041-71;0,16;
15
15
Артикул: 60-01108-00
нет в наличии
Прокладка
Количество на схеме: 1
Информация
Прокладка
Количество
1
Входит в;Материал;Масса;
60-01001.21;Паронит ПОН 1 ГОСТ 481-80;0,004;
16
16
Артикул: 60-01109-00
нет в наличии
Подшипник распределительного вала
Количество на схеме: 1
Информация
Подшипник распределительного вала
Количество
1
Входит в;Материал;Масса;
60-01002.21;Бронза БрО5Ц5С5 ГОСТ 613-79;0,37;
17
17
Артикул: 60-01112-11
нет в наличии
Крышка ресивера
Количество на схеме: 1
Информация
Крышка ресивера
Количество
1
Входит в;Материал;Масса;
60-01011.10;АЛ4 ГОСТ 2685-75;2,3;
18
18
Артикул: 60-01113-01
нет в наличии
Прокладка крышки
Количество на схеме: 1
Информация
Прокладка крышки
Количество
1
Входит в;Материал;Масса;
60-01001.21;Паронит ПОН 1 ГОСТ 421-80;0,012;
19
19
Артикул: 60-01115-00
нет в наличии
Шпилька крепления головки
Количество на схеме: 12
Информация
Шпилька крепления головки
Количество
12
Входит в;Материал;Масса;
60-01003.02;Сталь 40Х ГОСТ 4543-71;0,18;
20
20
Артикул: 60-01115-00-01
нет в наличии
Шпилька
Количество на схеме: 20
Информация
Шпилька
Количество
20
Входит в;Материал;Масса;
60-01003.02;Сталь 40Х ГОСТ 4543-71;0,233;
21
21
Артикул: 60-01117-00
нет в наличии
Шпилька подшипника
Количество на схеме: 8
Информация
Шпилька подшипника
Количество
8
Входит в;Материал;Масса;
60-01002.21;Сталь 40ХН ГОСТ 4543-71;0,335;
22
22
Артикул: 60-01120-00
нет в наличии
Болт специальный
Количество на схеме: 8
Информация
Болт специальный
Количество
8
Входит в;Материал;Масса;
60-01002.21;Сталь 40ХН ГОСТ 4543-71;0,15;
23
23
Артикул: 60-01123-00
нет в наличии
Фланец
Количество на схеме: 2
Информация
Фланец
Количество
2
Входит в;Материал;Масса;
60-01001.21;Сталь 20пс ГОСТ 1577-81;0,68;
24
24
Артикул: 60-01129-10
нет в наличии
Втулка направляющая
Количество на схеме: 1
Информация
Втулка направляющая
Количество
1
Входит в;Материал;Масса;
60-01013.00;Сталь 40Х ГОСТ 4543-71;0,075;
25
25
Артикул: 60-01133-00
нет в наличии
Втулка установочная
Количество на схеме: 5
Информация
Втулка установочная
Количество
5
Входит в;Материал;Масса;
60-01013.00;Сталь В 20 ГОСТ 8733-74;0,018;
26
26
Артикул: 60-01135-10
нет в наличии
Втулка
Количество на схеме: 1
Информация
Втулка
Количество
1
Входит в;Материал;Масса;
60-01013.00;Сталь 40Х ГОСТ 4543-71;55;
27
27
Артикул: 60-01150-00
нет в наличии
Шайба
Количество на схеме: 32
Информация
Шайба
Количество
32
Входит в;Материал;Масса;
60-01013.00;Сталь 45 ГОСТ 16523-70;0,005;
28
28
Артикул: 60-01168-00
нет в наличии
Шайба специальная
Количество на схеме: 8
Информация
Шайба специальная
Количество
8
Входит в;Материал;Масса;
60-01002.21;Сталь 45 ГОСТ 16523-70;0,011;
29
29
Артикул: 60-01175-00
нет в наличии
Прокладка фланца
Количество на схеме: 4
Информация
Прокладка фланца
Количество
4
Входит в;Материал;Масса;
60-01001.21;Картон марки А ГОСТ 9347-74;0,0015;
30
30
Артикул: 60-01195-10
нет в наличии
Фланец
Количество на схеме: 2
Информация
Фланец
Количество
2
Входит в;Материал;Масса;
60-01001.21;Сталь 20пс ГОСТ 1577-81;0,045;
31
31
Артикул: 60-01197-10
нет в наличии
Фланец сливного краника
Количество на схеме: 2
Информация
Фланец сливного краника
Количество
2
Входит в;Материал;Масса;
60-01001.21;СЧ 18 ГОСТ 1412-69;0,135;
32
32
Артикул: 60-01206-10
нет в наличии
Прокладка фланца
Количество на схеме: 3
Информация
Прокладка фланца
Количество
3
Входит в;Материал;Масса;
60-01001.21;Картон марки К ГОСТ 9347-74;0,0018;
33
33
Артикул: 60-01216-11
нет в наличии
Ниппель конечный
Количество на схеме: 1
Информация
Ниппель конечный
Количество
1
Входит в;Материал;Масса;
60-01001.21;Сталь 35 ГОСТ 1051-73;0,054;
34
34
Артикул: 60-01221-00
нет в наличии
Гайка
Количество на схеме: 14
Информация
Гайка
Количество
14
Входит в;Материал;Масса;
60-01013.00;Сталь 40Х В ГОСТ 1051-73;0,031;
35
35
Артикул: 60-01237-01
нет в наличии
Штуцер датчика
Количество на схеме: 1
Информация
Штуцер датчика
Количество
1
Входит в;Материал;Масса;
60-01001.21;Сталь 35 В ГОСТ 1051-73;0,069;
36
36
Артикул: 60-01240-00
нет в наличии
Прокладка
Количество на схеме: 1
Информация
Прокладка
Количество
1
Входит в;Материал;Масса;
60-01001.21;Паронит ПОН 1 ГОСТ 481-80;0,002;
37
37
Артикул: 60-01245-00
нет в наличии
Шайба замковая
Количество на схеме: 2
Информация
Шайба замковая
Количество
2
Входит в;Материал;Масса;
60-01013.00;Сталь 20 ГОСТ 16523-70;0,024;
38
38
Артикул: 60-01246-00
нет в наличии
Шайба замковая
Количество на схеме: 2
Информация
Шайба замковая
Количество
2
Входит в;Материал;Масса;
60-01013.00;Сталь 20 ГОСТ 16523-70;0,025;
39
39
Артикул: 14-0163
нет в наличии
Гайка
Количество на схеме: 32
Информация
Гайка
Количество
32
Входит в;Материал;Масса;
60-01013.00;Сталь 40Х ГОСТ 4543-71;0,035;
40
40
Артикул: СМД1-0118
нет в наличии
Гайка подшипника
Количество на схеме: 8
Информация
Гайка подшипника
Количество
8
Входит в;Материал;Масса;
60-01002.21;Сталь 40Х ГОСТ 4543- 71;0,055;
41
41
Артикул: СМД7-1591Д
нет в наличии
Прокладка
Количество на схеме: 2
Информация
Прокладка
Количество
2
Входит в;Материал;Масса;
60-01001.21;Лист АОМ 2 ГОСТ 21631-76;0,0004;
42
42
Артикул: СМД9-0128А
нет в наличии
Кольцо уплотняющее
Количество на схеме: 12
Информация
Кольцо уплотняющее
Количество
12
Входит в;Материал;Масса;
60-01001.21;Резина 7-ИРП-1345 ТУ 38.005.204-71;0,02;
43
43
Артикул: СМД55-0410
нет в наличии
Штифт установочный
Количество на схеме: 2
Информация
Штифт установочный
Количество
2
Входит в;Материал;Масса;
60-01013.00;Сталь 40Х ГОСТ 4543-71;0,036;
44
44
Артикул: СМД55-0652
нет в наличии
Пружина рукоятки
Количество на схеме: 2
Информация
Пружина рукоятки
Количество
2
Входит в;Материал;Масса;
60-01001.21;Проволока II-1,2 ГОСТ 9389-75;0,001;
45
45
Артикул: СМД55У-0927
нет в наличии
Прокладка
Количество на схеме: 2
Информация
Прокладка
Количество
2
Входит в;Материал;Масса;
60-01001.21;Лист ДПРНМНД 2 М3 ГОСТ 495-77;0,003;
46
46
Артикул: Болт-М10-6gх45-56-016-ГОСТ-7795-70
нет в наличии
Болт М10-6gх45.56.016 ГОСТ 7795-70
Количество на схеме: 2
Информация
Болт М10-6gх45.56.016 ГОСТ 7795-70
Количество
2
Входит в;Материал;Масса;
60-01001.21;;0,0327;
47
47
Артикул: Болт-М12-6gх70-56-016-ГОСТ-7795-70
нет в наличии
Болт М12-6gх70.56.016 ГОСТ 7795-70
Количество на схеме: 2
Информация
Болт М12-6gх70.56.016 ГОСТ 7795-70
Количество
2
Входит в;Материал;Масса;
60-01001.21;;0,068;
48
48
Артикул: Болт-М8-6gх20-56-016-ГОСТ-7796-70
нет в наличии
Болт М8-6gх20.56.016 ГОСТ 7796-70
Количество на схеме: 10
Информация
Болт М8-6gх20.56.016 ГОСТ 7796-70
Количество
10
Входит в;Материал;Масса;
60-01001.21;;0,012;
49
49
Артикул: Болт-М10-6gх20-56-016-ГОСТ-7796-70
нет в наличии
Болт М10-6gх20.56.016 ГОСТ 7796-70
Количество на схеме: 2
Информация
Болт М10-6gх20.56.016 ГОСТ 7796-70
Количество
2
Входит в;Материал;Масса;
60-01001.21;;0,019;
50
50
Артикул: Болт-М10-6gх25-56-016-ГОСТ-7796-70
нет в наличии
Болт М10-6gх25.56.016 ГОСТ 7796-70
Количество на схеме: 2
Информация
Болт М10-6gх25.56.016 ГОСТ 7796-70
Количество
2
Входит в;Материал;Масса;
60-01001.21;;0,022;
51
51
Артикул: Болт-М10-6gх30-56-016-ГОСТ-7796-70
нет в наличии
Болт М10-6gх30.56.016 ГОСТ 7796-70
Количество на схеме: 16
Информация
Болт М10-6gх30.56.016 ГОСТ 7796-70
Количество
16
Входит в;Материал;Масса;
60-01001.21;;0,0249;
52
52
Артикул: Болт-М6-6gх35-56-09-ГОСТ-7798-70
нет в наличии
Болт М6-6gх35.56.09 ГОСТ 7798-70
Количество на схеме: 2
Информация
Болт М6-6gх35.56.09 ГОСТ 7798-70
Количество
2
Входит в;Материал;Масса;
60-01001.21;;0,01;
53
53
Артикул: Гайка-М10-6Н-6-016-ГОСТ-2524-70
нет в наличии
Гайка М10-6Н.6.016 ГОСТ 2524-70
Количество на схеме: 4
Информация
Гайка М10-6Н.6.016 ГОСТ 2524-70
Количество
4
Входит в;Материал;Масса;
60-01013.00;;0,006;
54
54
Артикул: Гайка-М6-6Н-6-016-ГОСТ-5915-70
нет в наличии
Гайка М6-6Н.6.016 ГОСТ 5915-70
Количество на схеме: 4
Информация
Гайка М6-6Н.6.016 ГОСТ 5915-70
Количество
4
Входит в;Материал;Масса;
60-01001.21;;0,0024;
55
55
Артикул: Гайка-М8-6Н-6-086-ГОСТ-15523-70
нет в наличии
Гайка М8-6Н.6.086 ГОСТ 15523-70
Количество на схеме: 2
Информация
Гайка М8-6Н.6.086 ГОСТ 15523-70
Количество
2
Входит в;Материал;Масса;
60-01011.10;;0,00169;
56
56
Артикул: Гайка-М10-6Н-6-086-ГОСТ-15523-70
нет в наличии
Гайка М10-6Н.6.086 ГОСТ 15523-70
Количество на схеме: 4
Информация
Гайка М10-6Н.6.086 ГОСТ 15523-70
Количество
4
Входит в;Материал;Масса;
60-01011.10;;0,006;
57
57
Артикул: Кольцо-СП-22-6-8-ГОСТ-6308-71
нет в наличии
Кольцо СП-22-6-8 ГОСТ 6308-71
Количество на схеме: 1
Информация
Кольцо СП-22-6-8 ГОСТ 6308-71
Количество
1
Входит в;Материал;Масса;
60-01007.12;;0,0012;
58
58
Артикул: Шайба-8-65Г-05-ГОСТ-6402-70
нет в наличии
Шайба 8 65Г 05 ГОСТ 6402-70
Количество на схеме: 10
Информация
Шайба 8 65Г 05 ГОСТ 6402-70
Количество
10
Входит в;Материал;Масса;
60-01001.21;;0,0009;
58
58
Артикул: Шайба-8-65Г-05-ГОСТ-6402-70
нет в наличии
Шайба 8 65Г 05 ГОСТ 6402-70
Количество на схеме: 2
Информация
Шайба 8 65Г 05 ГОСТ 6402-70
Количество
2
Входит в;Материал;Масса;
60-01011.10;;;
59
59
Артикул: Шайба-10-65Г-05-ГОСТ-6402-70
нет в наличии
Шайба 10 65Г 05 ГОСТ 6402-70
Количество на схеме: 24
Информация
Шайба 10 65Г 05 ГОСТ 6402-70
Количество
24
Входит в;Материал;Масса;
60-01013.00;;0,0019;
60
60
Артикул: Шайба-14-65Г-05-ГОСТ-6402-70
нет в наличии
Шайба 14 65Г 05 ГОСТ 6402-70
Количество на схеме: 6
Информация
Шайба 14 65Г 05 ГОСТ 6402-70
Количество
6
Входит в;Материал;Масса;
60-01013.00;;0,005;
61
61
Артикул: Шайба-10х1-5-04-05-ГОСТ-10450-78
нет в наличии
Шайба 10х1.5.04.05 ГОСТ 10450-78
Количество на схеме: 14
Информация
Шайба 10х1.5.04.05 ГОСТ 10450-78
Количество
14
Входит в;Материал;Масса;
60-01001.21;;0,002;
62
62
Артикул: Шайба-12х2-04-05-ГОСТ-11371-78
нет в наличии
Шайба 12х2.04.05 ГОСТ 11371-78
Количество на схеме: 2
Информация
Шайба 12х2.04.05 ГОСТ 11371-78
Количество
2
Входит в;Материал;Масса;
60-01001.21;;0,006;
63
63
Артикул: Шпилька-М8(То/6g)х20-56-016-ГОСТ-22034-76
нет в наличии
Шпилька М8(То/6g)х20.56.016 ГОСТ 22034-76
Количество на схеме: 2
Информация
Шпилька М8(То/6g)х20.56.016 ГОСТ 22034-76
Количество
2
Входит в;Материал;Масса;
60-01001.21;;0,0098;
64
64
Артикул: Шпилька-М14(То/6g)х90-109-40х-011-ГОСТ-22034-76
нет в наличии
Шпилька М14(То/6g)х90.109.40х.011 ГОСТ 22034-76
Количество на схеме: 11
Информация
Шпилька М14(То/6g)х90.109.40х.011 ГОСТ 22034-76
Количество
11
Входит в;Материал;Масса;
60-01013.00;;0,0194;
65
65
Артикул: Шпилька-М14(То/6g)х105-109-40х-011-ГОСТ-22034-76
нет в наличии
Шпилька М14(То/6g)х105.109.40х.011 ГОСТ 22034-76
Количество на схеме: 3
Информация
Шпилька М14(То/6g)х105.109.40х.011 ГОСТ 22034-76
Количество
3
Входит в;Материал;Масса;
60-01013.00;;0,1375;
66
66
Артикул: Шпилька-М8(То/6g)х20-56-016-ГОСТ-22036-76
нет в наличии
Шпилька М8(То/6g)х20.56.016 ГОСТ 22036-76
Количество на схеме: 2
Информация
Шпилька М8(То/6g)х20.56.016 ГОСТ 22036-76
Количество
2
Входит в;Материал;Масса;
60-01011.10;;0,01114;
67
67
Артикул: Шпилька-М10(То/6g)х25-109-40х-05-ГОСТ-22036-76
нет в наличии
Шпилька М10(То/6g)х25.109.40х.05 ГОСТ 22036-76
Количество на схеме: 4
Информация
Шпилька М10(То/6g)х25.109.40х.05 ГОСТ 22036-76
Количество
4
Входит в;Материал;Масса;
60-01013.00;;0,021;
68
68
Артикул: Шпилька-М10(То/6g)х28-56-016-ГОСТ-22036-76
нет в наличии
Шпилька М10(То/6g)х28.56.016 ГОСТ 22036-76
Количество на схеме: 4
Информация
Шпилька М10(То/6g)х28.56.016 ГОСТ 22036-76
Количество
4
Входит в;Материал;Масса;
60-01011.10;;0,025;
69
69
Артикул: Штифт-5h-8х10-ГОСТ-3128-70
нет в наличии
Штифт 5h 8х10 ГОСТ 3128-70
Количество на схеме: 4
Информация
Штифт 5h 8х10 ГОСТ 3128-70
Количество
4
Входит в;Материал;Масса;
60-01003.02;;0,0015;
  • Грузовые автомобили
  • Автобусы
  • Сельхозтехника
  • Спецтехника
  • Двигатели
Получить оптовый прайс-лист
Скачать прайс-лист от 09.05.2026 12:00
Специальное предложение от 09.05.2026 13:00
Производители:


  • WEICHAI
  • Автодизель ПАО (ЯМЗ)
  • Тутаевский МЗ
  • ЯЗДА
  • УралАЗ
  • МАЗ
  • АЗПИ
  • BOSCH
  • ММЗ
  • ШААЗ
  • FEDERAL MOGUL
  • ПРАМО
  • Мотордеталь
  • ТАИМ
  • АвтоКрАЗ
  • БЕЛКАРД
  • CZ Strakonice
  • КамАЗ
  • БЗА
  • ЧМЗ
  • BMZ
Новости
Все новости
25 марта 2024
Флагманский седельный тягач «Валдай 45» на выставке «TransRussia»
10 марта 2024
Современные автобусы «CITYMAX 9» и ЛиАЗ-5292 CNG
25 февраля 2024
Серийное производство средних дизельных двигателей повышенной мощности от ЯМЗ
Статьи
Все статьи
Датчики двигателя: за что они отвечают, признаки неисправности и как не прогадать с выбором
Двигатели ЯМЗ-534: история, технические характеристики и области применения
Двигатели ЯМЗ 650: углублённый технический обзор и история
Компания
О компании
Реквизиты
Новости
Политика
Магазины
Информация
Условия оплаты
Условия доставки
Гарантия на товар
Обмен и возврат товара
Помощь
Как оформить заказ
Полезные статьи
Бренды
Пункты выдачи
Оставайтесь на связи
  • Вконтакте
  • YouTube
  • Одноклассники
  • Google Plus
Увидели ошибку?
Выделите, нажав Ctrl + Enter
Наши контакты
8-800-700-35-68
sales@din76.ru
г. Ярославль, Ленинградский пр-т 33, ТЦ "ОМЕГА"
2026 © ООО «Динамика 76» - Все права защищены ООО "Динамика 76"
Предложения на сайте не являются публичной офертой.
На сайте обнаружена ошибка

Текст с ошибкой