Избранное 0 Корзина 0 Личный кабинет
logo
Каталог
Каталог
  • Справочник
    • Грузовые автомобили
    • Автобусы
    • Сельхозтехника
    • Спецтехника
    • Двигатели
  • Доставка
  • Оплата
  • О компании
    • Реквизиты
    • Магазины
    • Оплата
    • Доставка
    • Лицензии и сертификаты
    • Новости
    • Вакансии
  • Контакты
Отправить заявку
Личный кабинет
8 (800) 700-35-68
sales@din76.ru
Избранное 0 Корзина 0
8 (800) 700-35-68
Оптовый прайс-лист
Каталог
  • Двигатели
  • Запчасти WEICHAI
  • Запчасти ЯМЗ, ТМЗ (V-образные)
  • Запчасти ЯМЗ-534, ЯМЗ-536
  • Запчасти ЯМЗ-650, ЯМЗ-651, DCi-11
  • Топливная аппаратура
  • Запчасти УРАЛ
  • Запчасти МАЗ
  • Запчасти КамАЗ
  • Запчасти ММЗ
  • Ремни
Автокаталог (справочник)
  • Доставка
  • Оплата
  • О компании
  • Контакты
8 (800) 700-35-68
Написать в Whatsapp
sales@din76.ru
Динамика 76
Меню  
  • Каталог
    • Двигатели  
      • Двигатели ТМЗ  
        • Двигатели ТМЗ для автомобилей
        • Двигатели ТМЗ для тракторов
        • Специальные двигатели ТМЗ
        • Промышленные двигатели ТМЗ
      • Двигатели ЯМЗ  
        • ЯМЗ 236
        • ЯМЗ 238
        • ЯМЗ 240
        • ЯМЗ 751
        • ЯМЗ 840
        • ЯМЗ 850
        • ЯМЗ 656
        • ЯМЗ 658
        • ЯМЗ 534
        • ЯМЗ 536
        • ЯМЗ 650
        • Двигатели ЯМЗ для электростанций
      • Двигатели КАМАЗ
      • Двигатели ММЗ
      • Двигатели индивидуальной сборки
      • Комплекты переоборудования
    • Запчасти WEICHAI  
      • Основные запчасти двигателя  
        • Клапаны и толкатели
        • Шатуны
        • Вал коленчатый и маховик
        • Вал распределительный
        • Цилиндро-поршневая группа
      • Система питания  
        • Форсунки
        • Турбокомпрессор
      • Система смазки  
        • Насос масляный
      • Головка блока
      • Ремкомплекты
      • Система охлаждения  
        • Насос водяной
        • Муфта вязкостная и крыльчатка
      • Фильтры
      • Электрооборудование  
        • Генератор
        • Стартер
    • Запчасти ЯМЗ, ТМЗ (V-образные)  
      • Основные запчасти двигателя  
        • Блок двигателя и комплектующие
        • Валы распределительные и клапаны
        • Головка блока и комплектующие
        • Цилиндро-поршневая группа
        • Маховики и комплектующие
        • Валы коленчатые и комплектующие
        • Шатуны и комплектующие
      • Система питания  
        • Коллекторы и патрубки
        • Топливные трубопроводы
        • Турбокомпрессор
        • Топливные фильтры
      • Электрооборудование двигателя
      • Система охлаждения  
        • Вязкостные муфты и крыльчатки
        • Приводы вентилятора
        • Водяные насосы
        • Водяные трубы и термостаты
      • Коробки переключения передач  
        • 8 Ступенчатые КПП
        • 5 Ступенчатые КПП
        • 9 Ступенчатые КПП
        • Запасные части КПП ЯМЗ, ТМЗ
      • Система смазки  
        • Теплообменник и комплектующие
        • Масляные насосы
        • Фильтры масляные (ФГОМ, ФЦОМ)
      • Сцепление  
        • Запасные части механизма сцепления
        • Муфты (подшипники выжимные)
        • Корзины (диски нажимные)
        • Диски ведомые
      • Прочие запчасти двигателя  
        • Ремкомплекты
        • Привод агрегатов
        • Натяжные устройства
        • Трубки
    • Запчасти ЯМЗ-534, ЯМЗ-536  
      • Основные запчасти двигателя  
        • Цилиндро-поршневая группа
        • Головка блока цилиндров и комплектующие
        • Блок цилиндров и комплектующие
        • Вал коленчатый и маховик
        • Вал распределительный
        • Клапаны и толкатели
        • ГУР (Гидроусилитель руля)
        • Система рециркуляции отработавших газов
        • Выпускной коллектор
      • Система питания  
        • Коллекторы и патрубки
        • Топливные фильтры
        • Турбокомпрессор
        • Топливные трубопроводы
      • Система смазки  
        • Масляный картер поддон
        • Масляный насос
        • Теплообменник /Водо-масляный радиатор
        • Фильтры масляные (ФГОМ, ФЦОМ)
      • Пневмокомпрессор и натяжное
      • Система охлаждения  
        • Водяной насос
        • Водяные трубы и патрубки
        • Муфты вязкостные, приводы, крыльчатки
      • Ремкомплекты
      • Сцепление
      • Электрооборудование
    • Запчасти ЯМЗ-650, ЯМЗ-651, DCi-11  
      • Основные запчасти двигателя  
        • Цилиндро-поршневая группа
        • Головка блока цилиндров и комплектующие
        • Блок цилиндров и комплектующие
        • Вал коленчатый и маховик
        • Выпускной коллектор
        • Вал распределительный
        • Клапаны и толкатели
        • ГУР (Гидроусилитель руля)
        • Система рециркуляции отработавших газов
      • Система питания  
        • Коллекторы и патрубки
        • Топливные трубопроводы
        • Топливные фильтры
        • Турбокомпрессор
      • Система смазки  
        • Масляный картер / поддон
        • Масляный насос
        • Теплообменник / Водо-масляный радиатор
        • Фильтры масляные (ФГОМ, ФЦОМ)
      • Система охлаждения  
        • Водяной насос
        • Водяные трубы и патрубки
        • Муфты вязкостные, приводы, крыльчатки
      • Ремкомплекты
      • Пневмокомпрессор и натяжное
      • Электрооборудование
      • Сцепление
    • Топливная аппаратура  
      • ЯЗДА  
        • Распылители
        • ТНВД
        • Форсунки
        • Топливный насос низкого давления
        • Пары плунжерные
        • Муфта опережения впрыска топлива
        • Запчасти и комплектующие ТНВД
      • НЗТА
      • АЗПИ  
        • Распылители
        • Форсунки
      • BOSCH
    • Запчасти УРАЛ  
      • Трансмиссия  
        • Коробка раздаточная
        • Передача карданная
        • Мост задний
        • Мост передний (ведущий)
        • Мост средний (промежуточный)
      • Кузов  
        • Дверь кабины
        • Капот, крылья, облицовка радиатора
        • Окно ветровое и заднее
        • Отопление и вентиляция кабины
        • Кабина
      • Механизмы управления  
        • Управление рулевое
        • Тормоза
      • Дополнительное оборудование  
        • Отбор мощности
        • Устройство седельное
      • Электрооборудование
      • Ходовая часть  
        • Колеса и ступицы
        • Ось передняя
        • Подвеска автомобиля
        • Рама
    • Запчасти МАЗ  
      • Трансмиссия  
        • Мост задний
        • Мост передний (ведущий)
        • Передача карданная
        • Мост средний (промежуточный)
      • Кузов  
        • Кабина
        • Дверь кабины
        • Детали основания кабины
        • Окно ветровое и заднее
        • Платформа
      • Механизмы управления  
        • Тормоза
        • Управление рулевое
      • Ходовая часть  
        • Колеса и ступицы
        • Ось передняя
        • Подвеска автомобиля
        • Рама
    • Запчасти КамАЗ  
      • Кузов  
        • Кабина
        • Капот, крылья, облицовка радиатора
        • Дверь кабины
        • Платформа
        • Окно ветровое и заднее
        • Устройство подъемное и опрокидывающее
        • Сиденье
        • Крыша кабины (крыша кузова)
        • Отопление и вентиляция кабины
      • Трансмиссия  
        • Коробка передач
        • Коробка раздаточная
        • Мост задний
        • Сцепление
        • Мост средний (промежуточный)
        • Передача карданная
        • Мост передний (ведущий)
      • Двигатель  
        • Основные запчасти двигателя
        • Система охлаждения
        • Система питания
        • Система смазки
      • Дополнительное оборудование  
        • Отбор мощности
        • Устройство седельное
      • Ходовая часть  
        • Подвеска автомобиля
        • Рама
        • Колеса и ступицы
        • Ось передняя
      • Механизмы управления  
        • Тормоза
        • Управление рулевое
      • Электрооборудование
    • Запчасти ММЗ
    • Ремни
  • Справочник
    • Грузовые автомобили
    • Автобусы
    • Сельхозтехника
    • Спецтехника
    • Двигатели
  • Как купить
    • Условия оплаты
    • Условия доставки
    • Гарантия на товар
    • Пункты выдачи
  • Услуги
    • Капитальный ремонт двигателей ЯМЗ
  • Акции
  • Статьи
  • Контакты
  • Компания
    • Реквизиты
    • Магазины
    • Оплата
    • Доставка
    • Лицензии и сертификаты
    • Новости
    • Вакансии
Избранное 0 Корзина 0
8-800-700-35-68

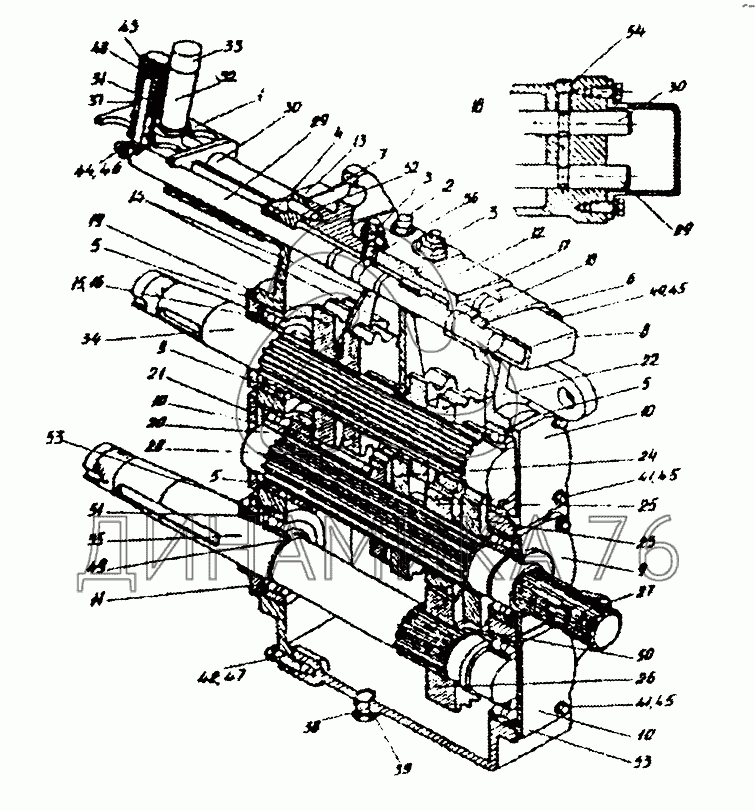
Коробка четырехскоростная (КЗР0114000Б) на КЗР-10 (до 2007 г.)

Справочник
Главная
-
Автокаталог
-
Сельхозтехника
-
Гомсельмаш
-
КЗР-10
Справочный каталог

Коробка четырехскоростная (КЗР0114000Б) — КЗР-10:

КЗР0114190А КЗР0114200В КЗР0114200В-01 1 2 3 3 4 5 5 5 6 7 8 9 9 10 10 10 11 12 13 14 14 15 16 17 17 18 18 19 20 21 22 23 24 25 26 27 28 29 29 30 30 31 32 33 34 35 36 37 38 39 40 41 41 42 43 44 45 45 45 46 47 48 49 50 51 52 53 53 54
в наличии
нет в наличии
масштаб

В наличии
Нет в наличии

Перечень комплектующих от Коробка четырехскоростная (КЗР0114000Б) на КЗР-10

Схемы запчастей предназначены для справочных целей! Мы продаем не все запчасти от Коробка четырехскоростная (КЗР0114000Б) на КЗР-10, представленные в этом списке.
Наличие на складах по деталям с ценой смотрите в карточке товара.
Артикул: КЗР0114190А
нет в наличии
Рукоятка
Количество на схеме: 2
Информация
Рукоятка
Количество
2
1061622;
Примечание
Входит в сборочную единицу: КЗР0114000Б
Модель
КЗ
Подгруппа
0114
Порядковый номер детали
190
Артикул: КЗР0114200В
нет в наличии
Шток
Количество на схеме: 1
Информация
Шток
Количество
1
1061623;
Примечание
Входит в сборочную единицу: КЗР0114000Б
Модель
КЗ
Подгруппа
0114
Порядковый номер детали
200
Артикул: КЗР0114200В-01
нет в наличии
Шток
Количество на схеме: 1
Информация
Шток
Количество
1
1061624;
Примечание
Входит в сборочную единицу: КЗР0114000Б
Модель
КЗ
Подгруппа
0114
Порядковый номер детали
200
1
1
Артикул: КЗР0114220Б
нет в наличии
Кронштейн
Количество на схеме: 1
Информация
Кронштейн
Количество
1
1061566;
Примечание
Входит в сборочную единицу: КЗР0114000Б
Модель
КЗ
Подгруппа
0114
Порядковый номер детали
220
2
2
Артикул: КЗР0114230
нет в наличии
Сапун
Количество на схеме: 1
Информация
Сапун
Количество
1
1061567;
Примечание
Входит в сборочную единицу: КЗР0114000Б
Модель
КЗ
Подгруппа
0114
Порядковый номер детали
230
3
3
Артикул: МКС0114130
нет в наличии
Фиксатор
Количество на схеме: 2
Информация
Фиксатор
Количество
2
1061568;
Примечание
Входит в сборочную единицу: КЗР0114000Б
Модель
МК
Подгруппа
0114
Порядковый номер детали
130
4
4
Артикул: КСЛ0506010
нет в наличии
Манжета
Количество на схеме: 4
Информация
Манжета
Количество
4
1061569;
Примечание
Входит в сборочную единицу: КЗР0114000Б
Модель
КС
Подгруппа
0506
Порядковый номер детали
010
5
5
Артикул: КЗР0114004А
нет в наличии
Прокладка
Количество на схеме: 6
Информация
Прокладка
Количество
6
1061570;
Примечание
Входит в сборочную единицу: КЗР0114000Б
Модель
КЗ
Подгруппа
0114
Порядковый номер детали
004
6
6
Артикул: КЗР0114015А
нет в наличии
Прокладка
Количество на схеме: 1
Информация
Прокладка
Количество
1
1061571;
Примечание
Входит в сборочную единицу: КЗР0114000Б
Модель
КЗ
Подгруппа
0114
Порядковый номер детали
015
7
7
Артикул: КЗР0114016А
нет в наличии
Прокладка
Количество на схеме: 1
Информация
Прокладка
Количество
1
1061572;
Примечание
Входит в сборочную единицу: КЗР0114000Е
Модель
КЗ
Подгруппа
0114
Порядковый номер детали
016
8
8
Артикул: КЗР0114101А
нет в наличии
Крышка
Количество на схеме: 1
Информация
Крышка
Количество
1
1061573;
Примечание
Входит в сборочную единицу: КЗР0114000Б
Модель
КЗ
Подгруппа
0114
Порядковый номер детали
101
9
9
Артикул: КЗР0114221А
нет в наличии
Крышка
Количество на схеме: 2
Информация
Крышка
Количество
2
1061574;
Примечание
Входит в сборочную единицу: КЗР0114000Б
Модель
КЗ
Подгруппа
0114
Порядковый номер детали
221
10
10
Артикул: КЗР0114222А
нет в наличии
Крышка
Количество на схеме: 3
Информация
Крышка
Количество
3
1061575;
Примечание
Входит в сборочную единицу: КЗР0114000Б
Модель
КЗ
Подгруппа
0114
Порядковый номер детали
222
11
11
Артикул: КЗР0114223Б
нет в наличии
Крышка
Количество на схеме: 1
Информация
Крышка
Количество
1
1061576;
Примечание
Входит в сборочную единицу: КЗР0114000Б
Модель
КЗ
Подгруппа
0114
Порядковый номер детали
223
12
12
Артикул: КЗР0114224Б
нет в наличии
Корпус
Количество на схеме: 1
Информация
Корпус
Количество
1
1061577;
Примечание
Входит в сборочную единицу: КЗР0114000Б
Модель
КЗ
Подгруппа
0114
Порядковый номер детали
224
13
13
Артикул: КЗР0114225В
нет в наличии
Крышка
Количество на схеме: 1
Информация
Крышка
Количество
1
1061578;
Примечание
Входит в сборочную единицу: КЗР0114000Б
Модель
КЗ
Подгруппа
0114
Порядковый номер детали
225
14
14
Артикул: КЗР0114305А
нет в наличии
Вилка
Количество на схеме: 1
Информация
Вилка
Количество
1
1061579;
Примечание
Входит в сборочную единицу: КЗР0114200В
Модель
КЗ
Подгруппа
0114
Порядковый номер детали
305
14
14
Артикул: КЗР0114305А
нет в наличии
Вилка
Количество на схеме: 1
Информация
Вилка
Количество
1
1061580;
Примечание
Входит в сборочную единицу: КЗР0114200В-01
Модель
КЗ
Подгруппа
0114
Порядковый номер детали
305
15
15
Артикул: КЗР0114501А
нет в наличии
Прокладка
Количество на схеме: 11
Информация
Прокладка
Количество
11
1061581;
Примечание
Входит в сборочную единицу: КЗР0114000Б
Модель
КЗ
Подгруппа
0114
Порядковый номер детали
501
16
16
Артикул: КЗР0114501А-01
нет в наличии
Прокладка
Количество на схеме: 12
Информация
Прокладка
Количество
12
1061582;
Примечание
Входит в сборочную единицу: КЗР0114000Б
Модель
КЗ
Подгруппа
0114
Порядковый номер детали
501
17
17
Артикул: КЗР0114619А
нет в наличии
Винт стопорный
Количество на схеме: 1
Информация
Винт стопорный
Количество
1
1061583;
Примечание
Входит в сборочную единицу: КЗР0114200В
Модель
КЗ
Подгруппа
0114
Порядковый номер детали
619
17
17
Артикул: КЗР0114619А
нет в наличии
Винт стопорный
Количество на схеме: 1
Информация
Винт стопорный
Количество
1
1061584;
Примечание
Входит в сборочную единицу: КЗР0114200В-01
Модель
КЗ
Подгруппа
0114
Порядковый номер детали
619
18
18
Артикул: КЗР0114621А
нет в наличии
Фиксатор
Количество на схеме: 1
Информация
Фиксатор
Количество
1
1061585;
Примечание
Входит в сборочную единицу: КЗР0114000Б
Модель
КЗ
Подгруппа
0114
Порядковый номер детали
621
19
19
Артикул: КЗР0114641А
нет в наличии
Шестерня
Количество на схеме: 1
Информация
Шестерня
Количество
1
1061586;
Примечание
Входит в сборочную единицу: КЗР0114000Б
Модель
КЗ
Подгруппа
0114
Порядковый номер детали
641
20
20
Артикул: КЗР0114642А
нет в наличии
Шестерня
Количество на схеме: 1
Информация
Шестерня
Количество
1
1061587;
Примечание
Входит в сборочную единицу: КЗР0114000Б
Модель
КЗ
Подгруппа
0114
Порядковый номер детали
642
21
21
Артикул: КЗР0114643А
нет в наличии
Шестерня
Количество на схеме: 1
Информация
Шестерня
Количество
1
1061588;
Примечание
Входит в сборочную единицу: КЗР0114000Б
Модель
КЗ
Подгруппа
0114
Порядковый номер детали
643
22
22
Артикул: КЗР0114644А
нет в наличии
Шестерня
Количество на схеме: 1
Информация
Шестерня
Количество
1
1061589;
Примечание
Входит в сборочную единицу: КЗР0114000Б
Модель
КЗ
Подгруппа
0114
Порядковый номер детали
644
23
23
Артикул: КЗР0114645А
нет в наличии
Шестерня
Количество на схеме: 1
Информация
Шестерня
Количество
1
1061590;
Примечание
Входит в сборочную единицу: КЗР0114000Б
Модель
КЗ
Подгруппа
0114
Порядковый номер детали
645
24
24
Артикул: КЗР0114646А
нет в наличии
Шестерня
Количество на схеме: 1
Информация
Шестерня
Количество
1
1061591;
Примечание
Входит в сборочную единицу: КЗР0114000Б
Модель
КЗ
Подгруппа
0114
Порядковый номер детали
646
25
25
Артикул: КЗР0114647Б
нет в наличии
Шестерня
Количество на схеме: 1
Информация
Шестерня
Количество
1
1061592;
Примечание
Входит в сборочную единицу: КЗР0114000Б
Модель
КЗ
Подгруппа
0114
Порядковый номер детали
647
26
26
Артикул: КЗР0114648Б
нет в наличии
Шестерня
Количество на схеме: 1
Информация
Шестерня
Количество
1
1061593;
Примечание
Входит в сборочную единицу: КЗР0114000Б
Модель
КЗ
Подгруппа
0114
Порядковый номер детали
648
27
27
Артикул: КЗР0114652А
нет в наличии
Вал
Количество на схеме: 1
Информация
Вал
Количество
1
1061594;
Примечание
Входит в сборочную единицу: КЗР0114000Б
Модель
КЗ
Подгруппа
0114
Порядковый номер детали
652
28
28
Артикул: КЗР0114653А
нет в наличии
Втулка
Количество на схеме: 1
Информация
Втулка
Количество
1
1061595;
Примечание
Входит в сборочную единицу: КЗР0114000Б
Модель
КЗ
Подгруппа
0114
Порядковый номер детали
653
29
29
Артикул: КЗР0114654В
нет в наличии
Шток
Количество на схеме: 1
Информация
Шток
Количество
1
1061596;
Примечание
Входит в сборочную единицу: КЗР0114200В
Модель
КЗ
Подгруппа
0114
Порядковый номер детали
654
30
30
Артикул: КЗР0114655В
нет в наличии
Шток
Количество на схеме: 1
Информация
Шток
Количество
1
1061597;
Примечание
Входит в сборочную единицу: КЗР0114200В-01
Модель
КЗ
Подгруппа
0114
Порядковый номер детали
655
31
31
Артикул: КЗР0114656Б
нет в наличии
Стержень
Количество на схеме: 1
Информация
Стержень
Количество
1
1061598;
Примечание
Входит в сборочную единицу: КЗР0114190А
Модель
КЗ
Подгруппа
0114
Порядковый номер детали
656
32
32
Артикул: КЗР0114657Б
нет в наличии
Рукоятка
Количество на схеме: 1
Информация
Рукоятка
Количество
1
1061599;
Примечание
Входит в сборочную единицу: КЗР0114190А
Модель
КЗ
Подгруппа
0114
Порядковый номер детали
657
33
33
Артикул: КЗР0114658А
нет в наличии
Колпачок
Количество на схеме: 1
Информация
Колпачок
Количество
1
1061600;
Примечание
Входит в сборочную единицу: КЗР0114190А
Модель
КЗ
Подгруппа
0114
Порядковый номер детали
658
34
34
Артикул: КЗР0114661
нет в наличии
Вал
Количество на схеме: 1
Информация
Вал
Количество
1
1061601;
Примечание
Входит в сборочную единицу: КЗР0114000Б
Модель
КЗ
Подгруппа
0114
Порядковый номер детали
661
35
35
Артикул: КЗР0114662
нет в наличии
Вал
Количество на схеме: 1
Информация
Вал
Количество
1
1061602;
Примечание
Входит в сборочную единицу: КЗР0114000Б
Модель
КЗ
Подгруппа
0114
Порядковый номер детали
662
36
36
Артикул: МКС0114009-01
нет в наличии
Прокладка
Количество на схеме: 2
Информация
Прокладка
Количество
2
1061603;
Примечание
Входит в сборочную единицу: КЗР0114000Б
Модель
МК
Подгруппа
0114
Порядковый номер детали
009
37
37
Артикул: КСН0107609
нет в наличии
Пружина
Количество на схеме: 1
Информация
Пружина
Количество
1
1061604;
Примечание
Входит в сборочную единицу: КЗР0114190А
Модель
КС
Подгруппа
0107
Порядковый номер детали
609
38
38
Артикул: КУЖ0110615
нет в наличии
Пробка
Количество на схеме: 2
Информация
Пробка
Количество
2
1061605;
Примечание
Входит в сборочную единицу: КЗР0114000Б
Модель
КУ
Подгруппа
0110
Порядковый номер детали
615
39
39
Артикул: РФ00-00-002
нет в наличии
Прокладка
Количество на схеме: 3
Информация
Прокладка
Количество
3
1061606;
Примечание
Входит в сборочную единицу: КЗР0114000Б
40
40
Артикул: [Болт-М8-6gх20-88-7796]
нет в наличии
Болт М8-6gх20.88-7796
Количество на схеме: 2
Информация
Болт М8-6gх20.88-7796
Количество
2
1061607;
Примечание
Входит в сборочную единицу: КЗР0114000Б
41
41
Артикул: [Болт-М8-6gх25-88-7796]
нет в наличии
Болт М8-6gх25.88-7796
Количество на схеме: 26
Информация
Болт М8-6gх25.88-7796
Количество
26
1061608;
Примечание
Входит в сборочную единицу: КЗР0114000Б
42
42
Артикул: [Болт-M12-6gх40-88-7796]
нет в наличии
Болт M12-6gх40.88-7796
Количество на схеме: 10
Информация
Болт M12-6gх40.88-7796
Количество
10
1061609;
Примечание
Входит в сборочную единицу: КЗР0114000Б
43
43
Артикул: [Гайка-М8-6g-6-5915]
нет в наличии
Гайка М8-6g.6-5915
Количество на схеме: 1
Информация
Гайка М8-6g.6-5915
Количество
1
1061610;
Примечание
Входит в сборочную единицу: КЗР0114190А
44
44
Артикул: [Гайка-М10-6g-6-5915]
нет в наличии
Гайка М10-6g.6-5915
Количество на схеме: 2
Информация
Гайка М10-6g.6-5915
Количество
2
1061611;
Примечание
Входит в сборочную единицу: КЗР0114000Б
45
45
Артикул: [Шайба-8-65Г-6402]
нет в наличии
Шайба 8.65Г-6402
Количество на схеме: 28
Информация
Шайба 8.65Г-6402
Количество
28
1061612;
Примечание
Входит в сборочную единицу: КЗР0114000Б
46
46
Артикул: [Шайба-10-65Г-6402]
нет в наличии
Шайба 10.65Г-6402
Количество на схеме: 2
Информация
Шайба 10.65Г-6402
Количество
2
1061613;
Примечание
Входит в сборочную единицу: КЗР0114000Б
47
47
Артикул: [Шайба-12Т-65Г-6402]
нет в наличии
Шайба 12Т.65Г-6402
Количество на схеме: 10
Информация
Шайба 12Т.65Г-6402
Количество
10
1061614;
Примечание
Входит в сборочную единицу: КЗР0114000Б
48
48
Артикул: [Шайбa-А8-01-10450]
нет в наличии
Шайбa А8.01-10450
Количество на схеме: 1
Информация
Шайбa А8.01-10450
Количество
1
1061615;
Примечание
Входит в сборочную единицу: КЗР0114190А
49
49
Артикул: [Кольцо-В50-13940]
нет в наличии
Кольцо В50-13940
Количество на схеме: 2
Информация
Кольцо В50-13940
Количество
2
1061616;
Примечание
Входит в сборочную единицу: КЗР0114000Б
50
50
Артикул: [Кольцо-В60-13940]
нет в наличии
Кольцо В60-13940
Количество на схеме: 2
Информация
Кольцо В60-13940
Количество
2
1061617;
Примечание
Входит в сборочную единицу: КЗР0114000Б
51
51
Артикул: [Манжета-2-2-50х70-1-8752]
нет в наличии
Манжета 2.2-50х70-1-8752
Количество на схеме: 4
Информация
Манжета 2.2-50х70-1-8752
Количество
4
1061618;
Примечание
Входит в сборочную единицу: КЗР0114000Б
52
52
Артикул: [Штифт-10х36-3128]
нет в наличии
Штифт 10х36-3128
Количество на схеме: 2
Информация
Штифт 10х36-3128
Количество
2
1061619;
Примечание
Входит в сборочную единицу: КЗР0114000Б
53
53
Артикул: [Подшипник-42310-5328]
нет в наличии
Подшипник 42310-5328
Количество на схеме: 6
Информация
Подшипник 42310-5328
Количество
6
1061620;
Примечание
Входит в сборочную единицу: КЗР0114000Б
54
54
Артикул: [Пробка-2-3МК12]
нет в наличии
Пробка 2-3МК12
Количество на схеме: 1
Информация
Пробка 2-3МК12
Количество
1
1061621;
Примечание
Входит в сборочную единицу: КЗР0114000Б
  • Грузовые автомобили
  • Автобусы
  • Сельхозтехника
  • Спецтехника
  • Двигатели
Получить оптовый прайс-лист
Скачать прайс-лист от 07.05.2026 12:00
Специальное предложение от 07.05.2026 09:00
Производители:


  • WEICHAI
  • Автодизель ПАО (ЯМЗ)
  • Тутаевский МЗ
  • ЯЗДА
  • УралАЗ
  • МАЗ
  • АЗПИ
  • BOSCH
  • ММЗ
  • ШААЗ
  • FEDERAL MOGUL
  • ПРАМО
  • Мотордеталь
  • ТАИМ
  • АвтоКрАЗ
  • БЕЛКАРД
  • CZ Strakonice
  • КамАЗ
  • БЗА
  • ЧМЗ
  • BMZ
Новости
Все новости
25 марта 2024
Флагманский седельный тягач «Валдай 45» на выставке «TransRussia»
10 марта 2024
Современные автобусы «CITYMAX 9» и ЛиАЗ-5292 CNG
25 февраля 2024
Серийное производство средних дизельных двигателей повышенной мощности от ЯМЗ
Статьи
Все статьи
Датчики двигателя: за что они отвечают, признаки неисправности и как не прогадать с выбором
Двигатели ЯМЗ-534: история, технические характеристики и области применения
Двигатели ЯМЗ 650: углублённый технический обзор и история
Компания
О компании
Реквизиты
Новости
Политика
Магазины
Информация
Условия оплаты
Условия доставки
Гарантия на товар
Обмен и возврат товара
Помощь
Как оформить заказ
Полезные статьи
Бренды
Пункты выдачи
Оставайтесь на связи
  • Вконтакте
  • YouTube
  • Одноклассники
  • Google Plus
Увидели ошибку?
Выделите, нажав Ctrl + Enter
Наши контакты
8-800-700-35-68
sales@din76.ru
г. Ярославль, Ленинградский пр-т 33, ТЦ "ОМЕГА"
2026 © ООО «Динамика 76» - Все права защищены ООО "Динамика 76"
Предложения на сайте не являются публичной офертой.
На сайте обнаружена ошибка

Текст с ошибкой