Избранное 0 Корзина 0 Личный кабинет
logo
Каталог
Каталог
  • Справочник
    • Грузовые автомобили
    • Автобусы
    • Сельхозтехника
    • Спецтехника
    • Двигатели
  • Доставка
  • Оплата
  • О компании
    • Реквизиты
    • Магазины
    • Оплата
    • Доставка
    • Лицензии и сертификаты
    • Новости
    • Вакансии
  • Контакты
Отправить заявку
Личный кабинет
8 (800) 700-35-68
sales@din76.ru
Избранное 0 Корзина 0
8 (800) 700-35-68
Оптовый прайс-лист
Каталог
  • Двигатели
  • Запчасти WEICHAI
  • Запчасти ЯМЗ, ТМЗ (V-образные)
  • Запчасти ЯМЗ-534, ЯМЗ-536
  • Запчасти ЯМЗ-650, ЯМЗ-651, DCi-11
  • Топливная аппаратура
  • Запчасти УРАЛ
  • Запчасти МАЗ
  • Запчасти КамАЗ
  • Запчасти ММЗ
  • Ремни
Автокаталог (справочник)
  • Доставка
  • Оплата
  • О компании
  • Контакты
8 (800) 700-35-68
Написать в Whatsapp
sales@din76.ru
Динамика 76
Меню  
  • Каталог
    • Двигатели  
      • Двигатели ТМЗ  
        • Двигатели ТМЗ для автомобилей
        • Двигатели ТМЗ для тракторов
        • Специальные двигатели ТМЗ
        • Промышленные двигатели ТМЗ
      • Двигатели ЯМЗ  
        • ЯМЗ 236
        • ЯМЗ 238
        • ЯМЗ 240
        • ЯМЗ 751
        • ЯМЗ 840
        • ЯМЗ 850
        • ЯМЗ 656
        • ЯМЗ 658
        • ЯМЗ 534
        • ЯМЗ 536
        • ЯМЗ 650
        • Двигатели ЯМЗ для электростанций
      • Двигатели КАМАЗ
      • Двигатели ММЗ
      • Двигатели индивидуальной сборки
      • Комплекты переоборудования
    • Запчасти WEICHAI  
      • Основные запчасти двигателя  
        • Клапаны и толкатели
        • Шатуны
        • Вал коленчатый и маховик
        • Вал распределительный
        • Цилиндро-поршневая группа
      • Система питания  
        • Форсунки
        • Турбокомпрессор
      • Система смазки  
        • Насос масляный
      • Головка блока
      • Ремкомплекты
      • Система охлаждения  
        • Насос водяной
        • Муфта вязкостная и крыльчатка
      • Фильтры
      • Электрооборудование  
        • Генератор
        • Стартер
    • Запчасти ЯМЗ, ТМЗ (V-образные)  
      • Основные запчасти двигателя  
        • Блок двигателя и комплектующие
        • Валы распределительные и клапаны
        • Головка блока и комплектующие
        • Цилиндро-поршневая группа
        • Маховики и комплектующие
        • Валы коленчатые и комплектующие
        • Шатуны и комплектующие
      • Система питания  
        • Коллекторы и патрубки
        • Топливные трубопроводы
        • Турбокомпрессор
        • Топливные фильтры
      • Электрооборудование двигателя
      • Система охлаждения  
        • Вязкостные муфты и крыльчатки
        • Приводы вентилятора
        • Водяные насосы
        • Водяные трубы и термостаты
      • Коробки переключения передач  
        • 8 Ступенчатые КПП
        • 5 Ступенчатые КПП
        • 9 Ступенчатые КПП
        • Запасные части КПП ЯМЗ, ТМЗ
      • Система смазки  
        • Теплообменник и комплектующие
        • Масляные насосы
        • Фильтры масляные (ФГОМ, ФЦОМ)
      • Сцепление  
        • Запасные части механизма сцепления
        • Муфты (подшипники выжимные)
        • Корзины (диски нажимные)
        • Диски ведомые
      • Прочие запчасти двигателя  
        • Ремкомплекты
        • Привод агрегатов
        • Натяжные устройства
        • Трубки
    • Запчасти ЯМЗ-534, ЯМЗ-536  
      • Основные запчасти двигателя  
        • Цилиндро-поршневая группа
        • Головка блока цилиндров и комплектующие
        • Блок цилиндров и комплектующие
        • Вал коленчатый и маховик
        • Вал распределительный
        • Клапаны и толкатели
        • ГУР (Гидроусилитель руля)
        • Система рециркуляции отработавших газов
        • Выпускной коллектор
      • Система питания  
        • Коллекторы и патрубки
        • Топливные фильтры
        • Турбокомпрессор
        • Топливные трубопроводы
      • Система смазки  
        • Масляный картер поддон
        • Масляный насос
        • Теплообменник /Водо-масляный радиатор
        • Фильтры масляные (ФГОМ, ФЦОМ)
      • Пневмокомпрессор и натяжное
      • Система охлаждения  
        • Водяной насос
        • Водяные трубы и патрубки
        • Муфты вязкостные, приводы, крыльчатки
      • Ремкомплекты
      • Сцепление
      • Электрооборудование
    • Запчасти ЯМЗ-650, ЯМЗ-651, DCi-11  
      • Основные запчасти двигателя  
        • Цилиндро-поршневая группа
        • Головка блока цилиндров и комплектующие
        • Блок цилиндров и комплектующие
        • Вал коленчатый и маховик
        • Выпускной коллектор
        • Вал распределительный
        • Клапаны и толкатели
        • ГУР (Гидроусилитель руля)
        • Система рециркуляции отработавших газов
      • Система питания  
        • Коллекторы и патрубки
        • Топливные трубопроводы
        • Топливные фильтры
        • Турбокомпрессор
      • Система смазки  
        • Масляный картер / поддон
        • Масляный насос
        • Теплообменник / Водо-масляный радиатор
        • Фильтры масляные (ФГОМ, ФЦОМ)
      • Система охлаждения  
        • Водяной насос
        • Водяные трубы и патрубки
        • Муфты вязкостные, приводы, крыльчатки
      • Ремкомплекты
      • Пневмокомпрессор и натяжное
      • Электрооборудование
      • Сцепление
    • Топливная аппаратура  
      • ЯЗДА  
        • Распылители
        • ТНВД
        • Форсунки
        • Топливный насос низкого давления
        • Пары плунжерные
        • Муфта опережения впрыска топлива
        • Запчасти и комплектующие ТНВД
      • НЗТА
      • АЗПИ  
        • Распылители
        • Форсунки
      • BOSCH
    • Запчасти УРАЛ  
      • Трансмиссия  
        • Коробка раздаточная
        • Передача карданная
        • Мост задний
        • Мост передний (ведущий)
        • Мост средний (промежуточный)
      • Кузов  
        • Дверь кабины
        • Капот, крылья, облицовка радиатора
        • Окно ветровое и заднее
        • Отопление и вентиляция кабины
        • Кабина
      • Механизмы управления  
        • Управление рулевое
        • Тормоза
      • Дополнительное оборудование  
        • Отбор мощности
        • Устройство седельное
      • Электрооборудование
      • Ходовая часть  
        • Колеса и ступицы
        • Ось передняя
        • Подвеска автомобиля
        • Рама
    • Запчасти МАЗ  
      • Трансмиссия  
        • Мост задний
        • Мост передний (ведущий)
        • Передача карданная
        • Мост средний (промежуточный)
      • Кузов  
        • Кабина
        • Дверь кабины
        • Детали основания кабины
        • Окно ветровое и заднее
        • Платформа
      • Механизмы управления  
        • Тормоза
        • Управление рулевое
      • Ходовая часть  
        • Колеса и ступицы
        • Ось передняя
        • Подвеска автомобиля
        • Рама
    • Запчасти КамАЗ  
      • Кузов  
        • Кабина
        • Капот, крылья, облицовка радиатора
        • Дверь кабины
        • Платформа
        • Окно ветровое и заднее
        • Устройство подъемное и опрокидывающее
        • Сиденье
        • Крыша кабины (крыша кузова)
        • Отопление и вентиляция кабины
      • Трансмиссия  
        • Коробка передач
        • Коробка раздаточная
        • Мост задний
        • Сцепление
        • Мост средний (промежуточный)
        • Передача карданная
        • Мост передний (ведущий)
      • Двигатель  
        • Основные запчасти двигателя
        • Система охлаждения
        • Система питания
        • Система смазки
      • Дополнительное оборудование  
        • Отбор мощности
        • Устройство седельное
      • Ходовая часть  
        • Подвеска автомобиля
        • Рама
        • Колеса и ступицы
        • Ось передняя
      • Механизмы управления  
        • Тормоза
        • Управление рулевое
      • Электрооборудование
    • Запчасти ММЗ
    • Ремни
  • Справочник
    • Грузовые автомобили
    • Автобусы
    • Сельхозтехника
    • Спецтехника
    • Двигатели
  • Как купить
    • Условия оплаты
    • Условия доставки
    • Гарантия на товар
    • Пункты выдачи
  • Услуги
    • Капитальный ремонт двигателей ЯМЗ
  • Акции
  • Статьи
  • Контакты
  • Компания
    • Реквизиты
    • Магазины
    • Оплата
    • Доставка
    • Лицензии и сертификаты
    • Новости
    • Вакансии
Избранное 0 Корзина 0
8-800-700-35-68

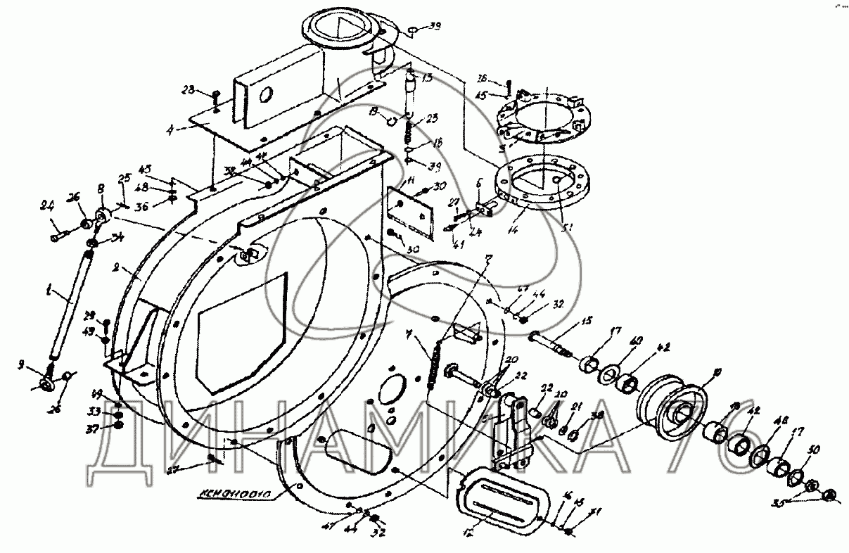
Швырялка (КСН0110000) на КСН-6 (до 2005 г.)

Справочник
Главная
-
Автокаталог
-
Сельхозтехника
-
Гомсельмаш
-
КСН-6
Справочный каталог

Швырялка (КСН0110000) — КСН-6:

КСН0100630 КСН0110000 КСН0110040 1 2 3 4 5 6 7 7 8 9 10 11 12 13 14 15 16 16 17 17 18 19 20 20 20 21 22 22 23 24 25 26 26 27 27 28 28 29 30 30 31 32 32 33 34 35 36 37 38 38 38 39 39 40 41 42 42 43 44 44 44 44 44 45 46 47 47 48 49 49 50 51
в наличии
нет в наличии
масштаб

В наличии
Нет в наличии

Перечень комплектующих от Швырялка (КСН0110000) на КСН-6

Схемы запчастей предназначены для справочных целей! Мы продаем не все запчасти от Швырялка (КСН0110000) на КСН-6, представленные в этом списке.
Наличие на складах по деталям с ценой смотрите в карточке товара.
Артикул: КСН0100630
нет в наличии
Тяга
Количество на схеме: 1
Информация
Тяга
Количество
1
1056923;
Примечание
Входит в сборочную единицу: КСН0100000
Модель
КС
Подгруппа
0100
Порядковый номер детали
630
Артикул: КСН0110000
нет в наличии
Швырялка
Количество на схеме: 1
Информация
Швырялка
Количество
1
1056924;
Примечание
Входит в сборочную единицу: КСН0100000
Модель
КС
Подгруппа
0110
Порядковый номер детали
000
Артикул: КСН0110040
нет в наличии
Натяжное устройство
Количество на схеме: 1
Информация
Натяжное устройство
Количество
1
1056922;
Примечание
Входит в сборочную единицу: КСН0110000
Модель
КС
Подгруппа
0110
Порядковый номер детали
040
1
1
Артикул: КСН0100640
нет в наличии
Труба
Количество на схеме: 1
Информация
Труба
Количество
1
1056870;
Примечание
Входит в сборочную единицу: КСН0100630
Модель
КС
Подгруппа
0100
Порядковый номер детали
640
2
2
Артикул: КСН0110020
нет в наличии
Каркас
Количество на схеме: 1
Информация
Каркас
Количество
1
1056871;
Примечание
Входит в сборочную единицу: КСН0110000
Модель
КС
Подгруппа
0110
Порядковый номер детали
020
3
3
Артикул: КСН0110030
нет в наличии
Опора
Количество на схеме: 1
Информация
Опора
Количество
1
1056872;
Примечание
Входит в сборочную единицу: КСН0110000
Модель
КС
Подгруппа
0110
Порядковый номер детали
030
4
4
Артикул: КСН0110070
нет в наличии
Горловина
Количество на схеме: 1
Информация
Горловина
Количество
1
1056873;
Примечание
Входит в сборочную единицу: КСН0110000
Модель
КС
Подгруппа
0110
Порядковый номер детали
070
5
5
Артикул: КСН0110130
нет в наличии
Рычаг
Количество на схеме: 1
Информация
Рычаг
Количество
1
1056874;
Примечание
Входит в сборочную единицу: КСН0110040
Модель
КС
Подгруппа
0110
Порядковый номер детали
130
6
6
Артикул: КСН0110140
нет в наличии
Пробка
Количество на схеме: 1
Информация
Пробка
Количество
1
1056875;
Примечание
Входит в сборочную единицу: КСН0110000
Модель
КС
Подгруппа
0110
Порядковый номер детали
140
7
7
Артикул: КСН0100651
нет в наличии
Пружина
Количество на схеме: 1
Информация
Пружина
Количество
1
1056876;
Примечание
Входит в сборочную единицу: КСН0100000
Модель
КС
Подгруппа
0100
Порядковый номер детали
651
8
8
Артикул: КСН0100653
нет в наличии
Головка
Количество на схеме: 1
Информация
Головка
Количество
1
1056877;
Примечание
Входит в сборочную единицу: КСН0100630
Модель
КС
Подгруппа
0100
Порядковый номер детали
653
9
9
Артикул: КСН0100653-01
нет в наличии
Головка
Количество на схеме: 1
Информация
Головка
Количество
1
1056878;
Примечание
Входит в сборочную единицу: КСН0100630
Модель
КС
Подгруппа
0100
Порядковый номер детали
653
10
10
Артикул: КСН0110202
нет в наличии
Ролик
Количество на схеме: 1
Информация
Ролик
Количество
1
1056879;
Примечание
Входит в сборочную единицу: КСН0110040
Модель
КС
Подгруппа
0110
Порядковый номер детали
202
11
11
Артикул: КСН0110424
нет в наличии
Пластина
Количество на схеме: 1
Информация
Пластина
Количество
1
1056880;
Примечание
Входит в сборочную единицу: КСН0110000
Модель
КС
Подгруппа
0110
Порядковый номер детали
424
12
12
Артикул: КСН0110428
нет в наличии
Крышка
Количество на схеме: 1
Информация
Крышка
Количество
1
1056881;
Примечание
Входит в сборочную единицу: КСН0110000
Модель
КС
Подгруппа
0110
Порядковый номер детали
428
13
13
Артикул: КСН0110604
нет в наличии
Фиксатор
Количество на схеме: 1
Информация
Фиксатор
Количество
1
1056882;
Примечание
Входит в сборочную единицу: КСН0110000
Модель
КС
Подгруппа
0110
Порядковый номер детали
604
14
14
Артикул: КСН0110606
нет в наличии
Кольцо пружинное
Количество на схеме: 1
Информация
Кольцо пружинное
Количество
1
1056883;
Примечание
Входит в сборочную единицу: КСН0110000
Модель
КС
Подгруппа
0110
Порядковый номер детали
606
15
15
Артикул: КСН0110611
нет в наличии
Ось
Количество на схеме: 1
Информация
Ось
Количество
1
1056884;
Примечание
Входит в сборочную единицу: КСН0110000
Модель
КС
Подгруппа
0110
Порядковый номер детали
611
16
16
Артикул: КСН0110801
нет в наличии
Кольцо
Количество на схеме: 1
Информация
Кольцо
Количество
1
1056885;
Примечание
Входит в сборочную единицу: КСН0110000
Модель
КС
Подгруппа
0110
Порядковый номер детали
801
17
17
Артикул: КСН0110804
нет в наличии
Кольцо
Количество на схеме: 2
Информация
Кольцо
Количество
2
1056886;
Примечание
Входит в сборочную единицу: КСН0110040
Модель
КС
Подгруппа
0110
Порядковый номер детали
804
18
18
Артикул: КСН0110805
нет в наличии
Втулка распорная
Количество на схеме: 1
Информация
Втулка распорная
Количество
1
1056887;
Примечание
Входит в сборочную единицу: КСН0110040
Модель
КС
Подгруппа
0110
Порядковый номер детали
805
19
19
Артикул: А61-05-001
нет в наличии
Кольцо
Количество на схеме: 1
Информация
Кольцо
Количество
1
1056888;
Примечание
Входит в сборочную единицу: КСН0110000
20
20
Артикул: КИС0103431
нет в наличии
Шайба регулировочная
Количество на схеме: 6
Информация
Шайба регулировочная
Количество
6
1056889;
Примечание
Входит в сборочную единицу: КСН0110000
Модель
КИ
Подгруппа
0103
Порядковый номер детали
431
20
20
Артикул: КИС0103431
нет в наличии
Шайба регулировочная
Количество на схеме: 4
Информация
Шайба регулировочная
Количество
4
1056890;
Примечание
Входит в сборочную единицу: КСН0110000
Модель
КИ
Подгруппа
0103
Порядковый номер детали
431
21
21
Артикул: КИС0602434
нет в наличии
Шайба регулировочная
Количество на схеме: 2
Информация
Шайба регулировочная
Количество
2
1056891;
Примечание
Входит в сборочную единицу: КСН0110640
Модель
КИ
Подгруппа
0602
Порядковый номер детали
434
22
22
Артикул: КРН0000001
нет в наличии
Втулка
Количество на схеме: 1
Информация
Втулка
Количество
1
1056892;
Примечание
Входит в сборочную единицу: КСН0110000
Модель
КР
Подгруппа
0000
Порядковый номер детали
001
23
23
Артикул: МКС0150603
нет в наличии
Пружина
Количество на схеме: 2
Информация
Пружина
Количество
2
1056893;
Примечание
Входит в сборочную единицу: КСН0100000
Модель
МК
Подгруппа
0150
Порядковый номер детали
603
24
24
Артикул: ПКК0450605
нет в наличии
Палец
Количество на схеме: 2
Информация
Палец
Количество
2
1056894;
Примечание
Входит в сборочную единицу: КСН01О0О00
Модель
ПК
Подгруппа
0450
Порядковый номер детали
605
25
25
Артикул: ЖКЛ0000609
нет в наличии
Шплинт
Количество на схеме: 1
Информация
Шплинт
Количество
1
1056895;
Примечание
Входит в сборочную единицу: КСН0100630
Модель
ЖК
Подгруппа
0000
Порядковый номер детали
609
26
26
Артикул: 6-12Ж-26015
нет в наличии
Шар
Количество на схеме: 1
Информация
Шар
Количество
1
1056896;
Примечание
Входит в сборочную единицу: КСН0100630-01
27
27
Артикул: [Болт-М10-6gх20-7796]
нет в наличии
Болт М10-6gх20-7796
Количество на схеме: 12
Информация
Болт М10-6gх20-7796
Количество
12
1056897;
Примечание
Входит в сборочную единицу: КСН0110000
28
28
Артикул: [Болт-М12-6gх35-7796]
нет в наличии
Болт М12-6gх35-7796
Количество на схеме: 6
Информация
Болт М12-6gх35-7796
Количество
6
1056898;
Примечание
Входит в сборочную единицу: КСН0110000
29
29
Артикул: [Болт-М16х1,5-6gх50-7796]
нет в наличии
Болт М16х1,5-6gх50-7796
Количество на схеме: 6
Информация
Болт М16х1,5-6gх50-7796
Количество
6
1056899;
Примечание
Входит в сборочную единицу: КСН0100000
30
30
Артикул: [Болт-М10-6gх25-7802]
нет в наличии
Болт М10-6gх25-7802
Количество на схеме: 4
Информация
Болт М10-6gх25-7802
Количество
4
1056900;
Примечание
Входит в сборочную единицу: КСН0110000
31
31
Артикул: [Гайка-М8-6g-2526]
нет в наличии
Гайка М8-6g-2526
Количество на схеме: 2
Информация
Гайка М8-6g-2526
Количество
2
1056901;
Примечание
Входит в сборочную единицу: КСН0110000
32
32
Артикул: [Гайка-М10-6g-2526]
нет в наличии
Гайка М10-6g-2526
Количество на схеме: 16
Информация
Гайка М10-6g-2526
Количество
16
1056902;
Примечание
Входит в сборочную единицу: КСН0110000
33
33
Артикул: [Гайка-М16х1,5-6g-2526]
нет в наличии
Гайка М16х1,5-6g-2526
Количество на схеме: 4
Информация
Гайка М16х1,5-6g-2526
Количество
4
1056903;
Примечание
Входит в сборочную единицу: КСН0100000
34
34
Артикул: [Гайка-М20-6g-2526]
нет в наличии
Гайка М20-6g-2526
Количество на схеме: 1
Информация
Гайка М20-6g-2526
Количество
1
1056904;
Примечание
Входит в сборочную единицу: КСН0100630
35
35
Артикул: [Гайка-М24-6g-2526]
нет в наличии
Гайка М24-6g-2526
Количество на схеме: 2
Информация
Гайка М24-6g-2526
Количество
2
1056905;
Примечание
Входит в сборочную единицу: КСН0110040
36
36
Артикул: [Гайка-М12-6g-5915]
нет в наличии
Гайка М12-6g-5915
Количество на схеме: 6
Информация
Гайка М12-6g-5915
Количество
6
1056906;
Примечание
Входит в сборочную единицу: КСН0110000
37
37
Артикул: [Гайка-М16х1,5-6g-5915]
нет в наличии
Гайка М16х1,5-6g-5915
Количество на схеме: 8
Информация
Гайка М16х1,5-6g-5915
Количество
8
1056907;
Примечание
Входит в сборочную единицу: КСН0110000
38
38
Артикул: [Кольцо-А30-13940]
нет в наличии
Кольцо А30-13940
Количество на схеме: 1
Информация
Кольцо А30-13940
Количество
1
1056908;
Примечание
Входит в сборочную единицу: КСН0110000
39
39
Артикул: [Кольцо-А35-13941]
нет в наличии
Кольцо А35-13941
Количество на схеме: 2
Информация
Кольцо А35-13941
Количество
2
1056909;
Примечание
Входит в сборочную единицу: КСН0110000
40
40
Артикул: [Кольцо-Б62-13941]
нет в наличии
Кольцо Б62-13941
Количество на схеме: 2
Информация
Кольцо Б62-13941
Количество
2
1056910;
Примечание
Входит в сборочную единицу: КСН0110000
41
41
Артикул: [Масленка-1-2-19853]
нет в наличии
Масленка 1.2-19853
Количество на схеме: 1
Информация
Масленка 1.2-19853
Количество
1
1056911;
Примечание
Входит в сборочную единицу: КСН0110000
42
42
Артикул: [Подшипник-180206-8889]
нет в наличии
Подшипник 180206-8889
Количество на схеме: 2
Информация
Подшипник 180206-8889
Количество
2
1056912;
Примечание
Входит в сборочную единицу: КСН0110040
Покрытие
без покрытия
43
43
Артикул: [Шайба-8-65Г-6402]
нет в наличии
Шайба 8.65Г-6402
Количество на схеме: 2
Информация
Шайба 8.65Г-6402
Количество
2
1056913;
Примечание
Входит в сборочную единицу: КСН0110000
44
44
Артикул: [Шайба-10-65Г-6402]
нет в наличии
Шайба 10.65Г-6402
Количество на схеме: 16
Информация
Шайба 10.65Г-6402
Количество
16
1056914;
Примечание
Входит в сборочную единицу: КСН0110000
45
45
Артикул: [Шайба-12-65Г-6402]
нет в наличии
Шайба 12.65Г-6402
Количество на схеме: 12
Информация
Шайба 12.65Г-6402
Количество
12
1056915;
Примечание
Входит в сборочную единицу: КСН0110000
46
46
Артикул: [Шайба-А8-65Г-6958]
нет в наличии
Шайба А8.65Г-6958
Количество на схеме: 2
Информация
Шайба А8.65Г-6958
Количество
2
1056916;
Примечание
Входит в сборочную единицу: КСН0110000
47
47
Артикул: [Шайба-А10-65Г-6958]
нет в наличии
Шайба А10.65Г-6958
Количество на схеме: 16
Информация
Шайба А10.65Г-6958
Количество
16
1056917;
Примечание
Входит в сборочную единицу: КСН0110000
48
48
Артикул: [Шайба-А12-65Г-6958]
нет в наличии
Шайба А12.65Г-6958
Количество на схеме: 6
Информация
Шайба А12.65Г-6958
Количество
6
1056918;
Примечание
Входит в сборочную единицу: КСН0110000
49
49
Артикул: [Шайба-16-01-11371]
нет в наличии
Шайба 16.01-11371
Количество на схеме: 8
Информация
Шайба 16.01-11371
Количество
8
1056919;
Примечание
Входит в сборочную единицу: КСН0100000
50
50
Артикул: [Шайба-С24-01-11371]
нет в наличии
Шайба С24.01-11371
Количество на схеме: 1
Информация
Шайба С24.01-11371
Количество
1
1056920;
Примечание
Входит в сборочную единицу: КСН0110040
51
51
Артикул: [Шарик-14-288-60]
нет в наличии
Шарик 14.288.60
Количество на схеме: 58
Информация
Шарик 14.288.60
Количество
58
1056921;
Примечание
Входит в сборочную единицу: КСН0110000
  • Грузовые автомобили
  • Автобусы
  • Сельхозтехника
  • Спецтехника
  • Двигатели
Получить оптовый прайс-лист
Скачать прайс-лист от 25.05.2026 16:00
Специальное предложение от 25.05.2026 17:00
Производители:


  • WEICHAI
  • Автодизель ПАО (ЯМЗ)
  • Тутаевский МЗ
  • ЯЗДА
  • УралАЗ
  • МАЗ
  • АЗПИ
  • BOSCH
  • ММЗ
  • ШААЗ
  • FEDERAL MOGUL
  • ПРАМО
  • Мотордеталь
  • ТАИМ
  • АвтоКрАЗ
  • БЕЛКАРД
  • CZ Strakonice
  • КамАЗ
  • БЗА
  • ЧМЗ
  • BMZ
Новости
Все новости
25 марта 2024
Флагманский седельный тягач «Валдай 45» на выставке «TransRussia»
10 марта 2024
Современные автобусы «CITYMAX 9» и ЛиАЗ-5292 CNG
25 февраля 2024
Серийное производство средних дизельных двигателей повышенной мощности от ЯМЗ
Статьи
Все статьи
Датчики двигателя: за что они отвечают, признаки неисправности и как не прогадать с выбором
Двигатели ЯМЗ-534: история, технические характеристики и области применения
Двигатели ЯМЗ 650: углублённый технический обзор и история
Компания
О компании
Реквизиты
Новости
Политика
Магазины
Информация
Условия оплаты
Условия доставки
Гарантия на товар
Обмен и возврат товара
Помощь
Как оформить заказ
Полезные статьи
Бренды
Пункты выдачи
Оставайтесь на связи
  • Вконтакте
  • YouTube
  • Одноклассники
  • Google Plus
Увидели ошибку?
Выделите, нажав Ctrl + Enter
Наши контакты
8-800-700-35-68
sales@din76.ru
г. Ярославль, Ленинградский пр-т 33, ТЦ "ОМЕГА"
2026 © ООО «Динамика 76» - Все права защищены ООО "Динамика 76"
Предложения на сайте не являются публичной офертой.
На сайте обнаружена ошибка

Текст с ошибкой