Избранное 0 Корзина 0 Личный кабинет
logo
Каталог
Каталог
  • Справочник
    • Грузовые автомобили
    • Автобусы
    • Сельхозтехника
    • Спецтехника
    • Двигатели
  • Доставка
  • Оплата
  • О компании
    • Реквизиты
    • Магазины
    • Оплата
    • Доставка
    • Лицензии и сертификаты
    • Новости
    • Вакансии
  • Контакты
Отправить заявку
Личный кабинет
8 (800) 700-35-68
sales@din76.ru
Избранное 0 Корзина 0
8 (800) 700-35-68
Оптовый прайс-лист
Каталог
  • Двигатели
  • Запчасти WEICHAI
  • Запчасти ЯМЗ, ТМЗ (V-образные)
  • Запчасти ЯМЗ-534, ЯМЗ-536
  • Запчасти ЯМЗ-650, ЯМЗ-651, DCi-11
  • Топливная аппаратура
  • Запчасти УРАЛ
  • Запчасти МАЗ
  • Запчасти КамАЗ
  • Запчасти ММЗ
  • Ремни
Автокаталог (справочник)
  • Доставка
  • Оплата
  • О компании
  • Контакты
8 (800) 700-35-68
Написать в Whatsapp
sales@din76.ru
Динамика 76
Меню  
  • Каталог
    • Двигатели  
      • Двигатели ТМЗ  
        • Двигатели ТМЗ для автомобилей
        • Двигатели ТМЗ для тракторов
        • Специальные двигатели ТМЗ
        • Промышленные двигатели ТМЗ
      • Двигатели ЯМЗ  
        • ЯМЗ 236
        • ЯМЗ 238
        • ЯМЗ 240
        • ЯМЗ 751
        • ЯМЗ 840
        • ЯМЗ 850
        • ЯМЗ 656
        • ЯМЗ 658
        • ЯМЗ 534
        • ЯМЗ 536
        • ЯМЗ 650
        • Двигатели ЯМЗ для электростанций
      • Двигатели КАМАЗ
      • Двигатели ММЗ
      • Двигатели индивидуальной сборки
      • Комплекты переоборудования
    • Запчасти WEICHAI  
      • Основные запчасти двигателя  
        • Клапаны и толкатели
        • Шатуны
        • Вал коленчатый и маховик
        • Вал распределительный
        • Цилиндро-поршневая группа
      • Система питания  
        • Форсунки
        • Турбокомпрессор
      • Система смазки  
        • Насос масляный
      • Головка блока
      • Ремкомплекты
      • Система охлаждения  
        • Насос водяной
        • Муфта вязкостная и крыльчатка
      • Фильтры
      • Электрооборудование  
        • Генератор
        • Стартер
    • Запчасти ЯМЗ, ТМЗ (V-образные)  
      • Основные запчасти двигателя  
        • Блок двигателя и комплектующие
        • Валы распределительные и клапаны
        • Головка блока и комплектующие
        • Цилиндро-поршневая группа
        • Маховики и комплектующие
        • Валы коленчатые и комплектующие
        • Шатуны и комплектующие
      • Система питания  
        • Коллекторы и патрубки
        • Топливные трубопроводы
        • Турбокомпрессор
        • Топливные фильтры
      • Электрооборудование двигателя
      • Система охлаждения  
        • Вязкостные муфты и крыльчатки
        • Приводы вентилятора
        • Водяные насосы
        • Водяные трубы и термостаты
      • Коробки переключения передач  
        • 8 Ступенчатые КПП
        • 5 Ступенчатые КПП
        • 9 Ступенчатые КПП
        • Запасные части КПП ЯМЗ, ТМЗ
      • Система смазки  
        • Теплообменник и комплектующие
        • Масляные насосы
        • Фильтры масляные (ФГОМ, ФЦОМ)
      • Сцепление  
        • Запасные части механизма сцепления
        • Муфты (подшипники выжимные)
        • Корзины (диски нажимные)
        • Диски ведомые
      • Прочие запчасти двигателя  
        • Ремкомплекты
        • Привод агрегатов
        • Натяжные устройства
        • Трубки
    • Запчасти ЯМЗ-534, ЯМЗ-536  
      • Основные запчасти двигателя  
        • Цилиндро-поршневая группа
        • Головка блока цилиндров и комплектующие
        • Блок цилиндров и комплектующие
        • Вал коленчатый и маховик
        • Вал распределительный
        • Клапаны и толкатели
        • ГУР (Гидроусилитель руля)
        • Система рециркуляции отработавших газов
        • Выпускной коллектор
      • Система питания  
        • Коллекторы и патрубки
        • Топливные фильтры
        • Турбокомпрессор
        • Топливные трубопроводы
      • Система смазки  
        • Масляный картер поддон
        • Масляный насос
        • Теплообменник /Водо-масляный радиатор
        • Фильтры масляные (ФГОМ, ФЦОМ)
      • Пневмокомпрессор и натяжное
      • Система охлаждения  
        • Водяной насос
        • Водяные трубы и патрубки
        • Муфты вязкостные, приводы, крыльчатки
      • Ремкомплекты
      • Сцепление
      • Электрооборудование
    • Запчасти ЯМЗ-650, ЯМЗ-651, DCi-11  
      • Основные запчасти двигателя  
        • Цилиндро-поршневая группа
        • Головка блока цилиндров и комплектующие
        • Блок цилиндров и комплектующие
        • Вал коленчатый и маховик
        • Выпускной коллектор
        • Вал распределительный
        • Клапаны и толкатели
        • ГУР (Гидроусилитель руля)
        • Система рециркуляции отработавших газов
      • Система питания  
        • Коллекторы и патрубки
        • Топливные трубопроводы
        • Топливные фильтры
        • Турбокомпрессор
      • Система смазки  
        • Масляный картер / поддон
        • Масляный насос
        • Теплообменник / Водо-масляный радиатор
        • Фильтры масляные (ФГОМ, ФЦОМ)
      • Система охлаждения  
        • Водяной насос
        • Водяные трубы и патрубки
        • Муфты вязкостные, приводы, крыльчатки
      • Ремкомплекты
      • Пневмокомпрессор и натяжное
      • Электрооборудование
      • Сцепление
    • Топливная аппаратура  
      • ЯЗДА  
        • Распылители
        • ТНВД
        • Форсунки
        • Топливный насос низкого давления
        • Пары плунжерные
        • Муфта опережения впрыска топлива
        • Запчасти и комплектующие ТНВД
      • НЗТА
      • АЗПИ  
        • Распылители
        • Форсунки
      • BOSCH
    • Запчасти УРАЛ  
      • Трансмиссия  
        • Коробка раздаточная
        • Передача карданная
        • Мост задний
        • Мост передний (ведущий)
        • Мост средний (промежуточный)
      • Кузов  
        • Дверь кабины
        • Капот, крылья, облицовка радиатора
        • Окно ветровое и заднее
        • Отопление и вентиляция кабины
        • Кабина
      • Механизмы управления  
        • Управление рулевое
        • Тормоза
      • Дополнительное оборудование  
        • Отбор мощности
        • Устройство седельное
      • Электрооборудование
      • Ходовая часть  
        • Колеса и ступицы
        • Ось передняя
        • Подвеска автомобиля
        • Рама
    • Запчасти МАЗ  
      • Трансмиссия  
        • Мост задний
        • Мост передний (ведущий)
        • Передача карданная
        • Мост средний (промежуточный)
      • Кузов  
        • Кабина
        • Дверь кабины
        • Детали основания кабины
        • Окно ветровое и заднее
        • Платформа
      • Механизмы управления  
        • Тормоза
        • Управление рулевое
      • Ходовая часть  
        • Колеса и ступицы
        • Ось передняя
        • Подвеска автомобиля
        • Рама
    • Запчасти КамАЗ  
      • Кузов  
        • Кабина
        • Капот, крылья, облицовка радиатора
        • Дверь кабины
        • Платформа
        • Окно ветровое и заднее
        • Устройство подъемное и опрокидывающее
        • Сиденье
        • Крыша кабины (крыша кузова)
        • Отопление и вентиляция кабины
      • Трансмиссия  
        • Коробка передач
        • Коробка раздаточная
        • Мост задний
        • Сцепление
        • Мост средний (промежуточный)
        • Передача карданная
        • Мост передний (ведущий)
      • Двигатель  
        • Основные запчасти двигателя
        • Система охлаждения
        • Система питания
        • Система смазки
      • Дополнительное оборудование  
        • Отбор мощности
        • Устройство седельное
      • Ходовая часть  
        • Подвеска автомобиля
        • Рама
        • Колеса и ступицы
        • Ось передняя
      • Механизмы управления  
        • Тормоза
        • Управление рулевое
      • Электрооборудование
    • Запчасти ММЗ
    • Ремни
  • Справочник
    • Грузовые автомобили
    • Автобусы
    • Сельхозтехника
    • Спецтехника
    • Двигатели
  • Как купить
    • Условия оплаты
    • Условия доставки
    • Гарантия на товар
    • Пункты выдачи
  • Услуги
    • Капитальный ремонт двигателей ЯМЗ
  • Акции
  • Статьи
  • Контакты
  • Компания
    • Реквизиты
    • Магазины
    • Оплата
    • Доставка
    • Лицензии и сертификаты
    • Новости
    • Вакансии
Избранное 0 Корзина 0
8-800-700-35-68

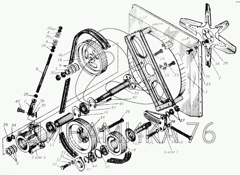
Установка привода вентилятора КИС 0106650В на КСК-100А (до 2002 г.)

Справочник
Главная
-
Автокаталог
-
Сельхозтехника
-
Гомсельмаш
-
КСК-100А
Справочный каталог

Установка привода вентилятора КИС 0106650В — КСК-100А:

К И Л 0106280 КИЛ 0106300 КИЛ 0106750 КИС 0106105А КИС 0106770 1 2 3 4 4 5 6 7 8 8 9 10 11 12 14 15 16 17 18 18 19 20 21 22 23 23 24 25 26 27 28 28 28 29 29 30 31 32 33 34 34 34 35 36 36 37 38 39 40 41 41 42 43 43 44 44 45 46
в наличии
нет в наличии
масштаб

В наличии
Нет в наличии

Перечень комплектующих от Установка привода вентилятора КИС 0106650В на КСК-100А

Схемы запчастей предназначены для справочных целей! Мы продаем не все запчасти от Установка привода вентилятора КИС 0106650В на КСК-100А, представленные в этом списке.
Наличие на складах по деталям с ценой смотрите в карточке товара.
Артикул: К-И-Л-0106280
нет в наличии
Привод вентилятора
Количество на схеме: 1
Информация
Привод вентилятора
Количество
1
Масса
7,265
Модель
К И Л
Подгруппа
0106
Порядковый номер детали
280
Артикул: КИЛ-0106300
нет в наличии
Привод вентилятора
Количество на схеме: 1
Информация
Привод вентилятора
Количество
1
Масса
31,617
Модель
КИЛ
Подгруппа
0106
Порядковый номер детали
300
Артикул: КИЛ-0106750
нет в наличии
Механизм натяжения
Количество на схеме: 1
Информация
Механизм натяжения
Количество
1
Масса
3,961
Модель
КИЛ
Подгруппа
0106
Порядковый номер детали
750
Артикул: КИС-0106105А
нет в наличии
Шкив вентилятора
Количество на схеме: 1
Информация
Шкив вентилятора
Количество
1
Масса
3,7
Модель
КИС
Подгруппа
0106
Порядковый номер детали
105
Артикул: КИС-0106770
нет в наличии
Ролик натяжной
Количество на схеме: 1
Информация
Ролик натяжной
Количество
1
Масса
2,93
Модель
КИС
Подгруппа
0106
Порядковый номер детали
770
1
1
Артикул: КИЛ-0106270
нет в наличии
Кожух вентилятора
Количество на схеме: 1
Информация
Кожух вентилятора
Количество
1
Масса
23,5
Модель
КИЛ
Подгруппа
0106
Порядковый номер детали
270
2
2
Артикул: 72-12310-01
нет в наличии
Вентилятор
Количество на схеме: 1
Информация
Вентилятор
Количество
1
Масса
3,27
3
3
Артикул: КИЛ-0106027
нет в наличии
Корпус
Количество на схеме: 1
Информация
Корпус
Количество
1
Масса
1,7
Примечание
18
Модель
КИЛ
Подгруппа
0106
Порядковый номер детали
027
4
4
Артикул: КИЛ-0106037
нет в наличии
Втулка
Количество на схеме: 1
Информация
Втулка
Количество
1
Масса
0,01
Модель
КИЛ
Подгруппа
0106
Порядковый номер детали
037
5
5
Артикул: КИЛ-0106101
нет в наличии
Корпус
Количество на схеме: 1
Информация
Корпус
Количество
1
Масса
4,5
Примечание
19
Модель
КИЛ
Подгруппа
0106
Порядковый номер детали
101
6
6
Артикул: КИЛ-0106297
нет в наличии
Кронштейн натяжного ролика
Количество на схеме: 1
Информация
Кронштейн натяжного ролика
Количество
1
Масса
1,25
Примечание
20
Модель
КИЛ
Подгруппа
0106
Порядковый номер детали
297
7
7
Артикул: КИЛ-0106301
нет в наличии
Кронштейн натяжного ролика
Количество на схеме: 1
Информация
Кронштейн натяжного ролика
Количество
1
Масса
0,801
Примечание
21
Модель
КИЛ
Подгруппа
0106
Порядковый номер детали
301
8
8
Артикул: КИЛ-0106482
нет в наличии
Шайба
Количество на схеме: 10
Информация
Шайба
Количество
10
Масса
0,016
Модель
КИЛ
Подгруппа
0106
Порядковый номер детали
482
9
9
Артикул: КИЛ-0106642
нет в наличии
Шпилька
Количество на схеме: 1
Информация
Шпилька
Количество
1
Масса
0,165
Модель
КИЛ
Подгруппа
0106
Порядковый номер детали
642
10
10
Артикул: КИЛ-0106677
нет в наличии
Вал привода вентилятора
Количество на схеме: 1
Информация
Вал привода вентилятора
Количество
1
Масса
1,9
Модель
КИЛ
Подгруппа
0106
Порядковый номер детали
677
11
11
Артикул: КИЛ-0106827
нет в наличии
Втулка
Количество на схеме: 1
Информация
Втулка
Количество
1
Масса
0,285
Модель
КИЛ
Подгруппа
0106
Порядковый номер детали
827
12
12
Артикул: КИС-0106053
нет в наличии
Щиток
Количество на схеме: 1
Информация
Щиток
Количество
1
Масса
0,01
Модель
КИС
Подгруппа
0106
Порядковый номер детали
053
14
14
Артикул: КИС-0106106А
нет в наличии
Шкив промежуточный
Количество на схеме: 1
Информация
Шкив промежуточный
Количество
1
Масса
4,3
Модель
КИС
Подгруппа
0106
Порядковый номер детали
106
15
15
Артикул: КИС-0106462А
нет в наличии
Пластина стопорная
Количество на схеме: 2
Информация
Пластина стопорная
Количество
2
Масса
0,015
Модель
КИС
Подгруппа
0106
Порядковый номер детали
462
16
16
Артикул: КИС-0106631А
нет в наличии
Болт натяжной
Количество на схеме: 1
Информация
Болт натяжной
Количество
1
Масса
0,0756
Модель
КИС
Подгруппа
0106
Порядковый номер детали
631
17
17
Артикул: КИС-0119318Б-04
нет в наличии
Вилка
Количество на схеме: 1
Информация
Вилка
Количество
1
Масса
0,225
Модель
КИС
Подгруппа
0119
Порядковый номер детали
318
18
18
Артикул: 60-13119-40
нет в наличии
Ролик натяжной
Количество на схеме: 1
Информация
Ролик натяжной
Количество
1
Масса
1,96
19
19
Артикул: 60-13120-30
нет в наличии
Ось
Количество на схеме: 1
Информация
Ось
Количество
1
Масса
0,406
20
20
Артикул: 60-13125-10
нет в наличии
Кольцо распорное
Количество на схеме: 1
Информация
Кольцо распорное
Количество
1
Масса
0,0/0
21
21
Артикул: 60-13153-20
нет в наличии
Крышка
Количество на схеме: 1
Информация
Крышка
Количество
1
Масса
0,07
22
22
Артикул: М8-6х20-56-016
нет в наличии
Болт ГОСТ 7796-70
Количество на схеме: 1
Информация
Болт ГОСТ 7796-70
Количество
1
23
23
Артикул: М12х25-56-019
нет в наличии
Болт ГОСТ 7796-70
Количество на схеме: 6
Информация
Болт ГОСТ 7796-70
Количество
6
24
24
Артикул: М12х40-56-019
нет в наличии
Болт ГОСТ 7796-70
Количество на схеме: 4
Информация
Болт ГОСТ 7796-70
Количество
4
25
25
Артикул: М12х55-56-019
нет в наличии
Болт ГОСТ 7796-70
Количество на схеме: 6
Информация
Болт ГОСТ 7796-70
Количество
6
26
26
Артикул: М12х1-25х70-56-019
нет в наличии
Болт ГОСТ 7796-70
Количество на схеме: 6
Информация
Болт ГОСТ 7796-70
Количество
6
27
27
Артикул: М22х1,5-6Н6-019
нет в наличии
Гайка ГОСТ 2526 -70
Количество на схеме: 2
Информация
Гайка ГОСТ 2526 -70
Количество
2
28
28
Артикул: М10-6-019
нет в наличии
Гайка ГОСТ 11860-73
Количество на схеме: 5
Информация
Гайка ГОСТ 11860-73
Количество
5
29
29
Артикул: М12-6-019
нет в наличии
Гайка ГОСТ 5915-70
Количество на схеме: 4
Информация
Гайка ГОСТ 5915-70
Количество
4
30
30
Артикул: М20х1,5-6Н-6А-019
нет в наличии
Гайка ГОСТ 5915-70
Количество на схеме: 2
Информация
Гайка ГОСТ 5915-70
Количество
2
31
31
Артикул: 12-01-019
нет в наличии
Шайба ГОСТ 11371-78
Количество на схеме: 6
Информация
Шайба ГОСТ 11371-78
Количество
6
32
32
Артикул: 8-65Г-65Г-019
нет в наличии
Шайба ГОСТ 6402-70
Количество на схеме: 2
Информация
Шайба ГОСТ 6402-70
Количество
2
33
33
Артикул: 10-65Г-019
нет в наличии
Шайба ГОСТ 6402-70
Количество на схеме: 1
Информация
Шайба ГОСТ 6402-70
Количество
1
34
34
Артикул: 12-65Г-019
нет в наличии
Шайба ГОСТ 6402-70
Количество на схеме: 10
Информация
Шайба ГОСТ 6402-70
Количество
10
35
35
Артикул: 8х1,4-01-019
нет в наличии
Шайба ГОСТ 10450 78
Количество на схеме: 2
Информация
Шайба ГОСТ 10450 78
Количество
2
36
36
Артикул: 10-01-019
нет в наличии
Шайба ГОСТ 11371-78
Количество на схеме: 3
Информация
Шайба ГОСТ 11371-78
Количество
3
37
37
Артикул: 20-01-019
нет в наличии
Шайба ГОСТ 13463-77
Количество на схеме: 2
Информация
Шайба ГОСТ 13463-77
Количество
2
38
38
Артикул: 22-01-019
нет в наличии
Шайба ГОСТ 11371-78
Количество на схеме: 1
Информация
Шайба ГОСТ 11371-78
Количество
1
39
39
Артикул: 2,5х18-2-019
нет в наличии
Шплинт ГОСТ 397-79
Количество на схеме: 1
Информация
Шплинт ГОСТ 397-79
Количество
1
40
40
Артикул: Б25
нет в наличии
Кольцо ГОСТ 13942-68
Количество на схеме: 1
Информация
Кольцо ГОСТ 13942-68
Количество
1
41
41
Артикул: В72
нет в наличии
Кольцо ГОСТ 13943-80
Количество на схеме: 1
Информация
Кольцо ГОСТ 13943-80
Количество
1
42
42
Артикул: 8х7х25
нет в наличии
Шпонка ГОСТ 23360-78
Количество на схеме: 1
Информация
Шпонка ГОСТ 23360-78
Количество
1
43
43
Артикул: 180207
нет в наличии
Подшипник ГОСТ 8882-75
Количество на схеме: 2
Информация
Подшипник ГОСТ 8882-75
Количество
2
Покрытие
без покрытия
44
44
Артикул: 180505
нет в наличии
Подшипник ГОСТ 8882-75
Количество на схеме: 2
Информация
Подшипник ГОСТ 8882-75
Количество
2
Покрытие
без покрытия
45
45
Артикул: 6х10в12х36-10Ц9-хр
нет в наличии
Ось ГОСТ 9650-80
Количество на схеме: 2
Информация
Ось ГОСТ 9650-80
Количество
2
46
46
Артикул: П-16х11х1450
нет в наличии
Ремень ГОСТ 5813-76
Количество на схеме: 2
Информация
Ремень ГОСТ 5813-76
Количество
2
  • Грузовые автомобили
  • Автобусы
  • Сельхозтехника
  • Спецтехника
  • Двигатели
Получить оптовый прайс-лист
Скачать прайс-лист от 08.05.2026 16:00
Специальное предложение от 08.05.2026 17:00
Производители:


  • WEICHAI
  • Автодизель ПАО (ЯМЗ)
  • Тутаевский МЗ
  • ЯЗДА
  • УралАЗ
  • МАЗ
  • АЗПИ
  • BOSCH
  • ММЗ
  • ШААЗ
  • FEDERAL MOGUL
  • ПРАМО
  • Мотордеталь
  • ТАИМ
  • АвтоКрАЗ
  • БЕЛКАРД
  • CZ Strakonice
  • КамАЗ
  • БЗА
  • ЧМЗ
  • BMZ
Новости
Все новости
25 марта 2024
Флагманский седельный тягач «Валдай 45» на выставке «TransRussia»
10 марта 2024
Современные автобусы «CITYMAX 9» и ЛиАЗ-5292 CNG
25 февраля 2024
Серийное производство средних дизельных двигателей повышенной мощности от ЯМЗ
Статьи
Все статьи
Датчики двигателя: за что они отвечают, признаки неисправности и как не прогадать с выбором
Двигатели ЯМЗ-534: история, технические характеристики и области применения
Двигатели ЯМЗ 650: углублённый технический обзор и история
Компания
О компании
Реквизиты
Новости
Политика
Магазины
Информация
Условия оплаты
Условия доставки
Гарантия на товар
Обмен и возврат товара
Помощь
Как оформить заказ
Полезные статьи
Бренды
Пункты выдачи
Оставайтесь на связи
  • Вконтакте
  • YouTube
  • Одноклассники
  • Google Plus
Увидели ошибку?
Выделите, нажав Ctrl + Enter
Наши контакты
8-800-700-35-68
sales@din76.ru
г. Ярославль, Ленинградский пр-т 33, ТЦ "ОМЕГА"
2026 © ООО «Динамика 76» - Все права защищены ООО "Динамика 76"
Предложения на сайте не являются публичной офертой.
На сайте обнаружена ошибка

Текст с ошибкой