Избранное 0 Корзина 0 Личный кабинет
logo
Каталог
Каталог
  • Справочник
    • Грузовые автомобили
    • Автобусы
    • Сельхозтехника
    • Спецтехника
    • Двигатели
  • Доставка
  • Оплата
  • О компании
    • Реквизиты
    • Магазины
    • Оплата
    • Доставка
    • Лицензии и сертификаты
    • Новости
    • Вакансии
  • Контакты
Отправить заявку
Личный кабинет
8 (800) 700-35-68
sales@din76.ru
Избранное 0 Корзина 0
8 (800) 700-35-68
Оптовый прайс-лист
Каталог
  • Двигатели
  • Запчасти WEICHAI
  • Запчасти ЯМЗ, ТМЗ (V-образные)
  • Запчасти ЯМЗ-534, ЯМЗ-536
  • Запчасти ЯМЗ-650, ЯМЗ-651, DCi-11
  • Топливная аппаратура
  • Запчасти УРАЛ
  • Запчасти МАЗ
  • Запчасти КамАЗ
  • Запчасти ММЗ
  • Ремни
Автокаталог (справочник)
  • Доставка
  • Оплата
  • О компании
  • Контакты
8 (800) 700-35-68
Написать в Whatsapp
sales@din76.ru
Динамика 76
Меню  
  • Каталог
    • Двигатели  
      • Двигатели ТМЗ  
        • Двигатели ТМЗ для автомобилей
        • Двигатели ТМЗ для тракторов
        • Специальные двигатели ТМЗ
        • Промышленные двигатели ТМЗ
      • Двигатели ЯМЗ  
        • ЯМЗ 236
        • ЯМЗ 238
        • ЯМЗ 240
        • ЯМЗ 751
        • ЯМЗ 840
        • ЯМЗ 850
        • ЯМЗ 656
        • ЯМЗ 658
        • ЯМЗ 534
        • ЯМЗ 536
        • ЯМЗ 650
        • Двигатели ЯМЗ для электростанций
      • Двигатели КАМАЗ
      • Двигатели ММЗ
      • Двигатели индивидуальной сборки
      • Комплекты переоборудования
    • Запчасти WEICHAI  
      • Основные запчасти двигателя  
        • Клапаны и толкатели
        • Шатуны
        • Вал коленчатый и маховик
        • Вал распределительный
        • Цилиндро-поршневая группа
      • Система питания  
        • Форсунки
        • Турбокомпрессор
      • Система смазки  
        • Насос масляный
      • Головка блока
      • Ремкомплекты
      • Система охлаждения  
        • Насос водяной
        • Муфта вязкостная и крыльчатка
      • Фильтры
      • Электрооборудование  
        • Генератор
        • Стартер
    • Запчасти ЯМЗ, ТМЗ (V-образные)  
      • Основные запчасти двигателя  
        • Блок двигателя и комплектующие
        • Валы распределительные и клапаны
        • Головка блока и комплектующие
        • Цилиндро-поршневая группа
        • Маховики и комплектующие
        • Валы коленчатые и комплектующие
        • Шатуны и комплектующие
      • Система питания  
        • Коллекторы и патрубки
        • Топливные трубопроводы
        • Турбокомпрессор
        • Топливные фильтры
      • Электрооборудование двигателя
      • Система охлаждения  
        • Вязкостные муфты и крыльчатки
        • Приводы вентилятора
        • Водяные насосы
        • Водяные трубы и термостаты
      • Коробки переключения передач  
        • 8 Ступенчатые КПП
        • 5 Ступенчатые КПП
        • 9 Ступенчатые КПП
        • Запасные части КПП ЯМЗ, ТМЗ
      • Система смазки  
        • Теплообменник и комплектующие
        • Масляные насосы
        • Фильтры масляные (ФГОМ, ФЦОМ)
      • Сцепление  
        • Запасные части механизма сцепления
        • Муфты (подшипники выжимные)
        • Корзины (диски нажимные)
        • Диски ведомые
      • Прочие запчасти двигателя  
        • Ремкомплекты
        • Привод агрегатов
        • Натяжные устройства
        • Трубки
    • Запчасти ЯМЗ-534, ЯМЗ-536  
      • Основные запчасти двигателя  
        • Цилиндро-поршневая группа
        • Головка блока цилиндров и комплектующие
        • Блок цилиндров и комплектующие
        • Вал коленчатый и маховик
        • Вал распределительный
        • Клапаны и толкатели
        • ГУР (Гидроусилитель руля)
        • Система рециркуляции отработавших газов
        • Выпускной коллектор
      • Система питания  
        • Коллекторы и патрубки
        • Топливные фильтры
        • Турбокомпрессор
        • Топливные трубопроводы
      • Система смазки  
        • Масляный картер поддон
        • Масляный насос
        • Теплообменник /Водо-масляный радиатор
        • Фильтры масляные (ФГОМ, ФЦОМ)
      • Пневмокомпрессор и натяжное
      • Система охлаждения  
        • Водяной насос
        • Водяные трубы и патрубки
        • Муфты вязкостные, приводы, крыльчатки
      • Ремкомплекты
      • Сцепление
      • Электрооборудование
    • Запчасти ЯМЗ-650, ЯМЗ-651, DCi-11  
      • Основные запчасти двигателя  
        • Цилиндро-поршневая группа
        • Головка блока цилиндров и комплектующие
        • Блок цилиндров и комплектующие
        • Вал коленчатый и маховик
        • Выпускной коллектор
        • Вал распределительный
        • Клапаны и толкатели
        • ГУР (Гидроусилитель руля)
        • Система рециркуляции отработавших газов
      • Система питания  
        • Коллекторы и патрубки
        • Топливные трубопроводы
        • Топливные фильтры
        • Турбокомпрессор
      • Система смазки  
        • Масляный картер / поддон
        • Масляный насос
        • Теплообменник / Водо-масляный радиатор
        • Фильтры масляные (ФГОМ, ФЦОМ)
      • Система охлаждения  
        • Водяной насос
        • Водяные трубы и патрубки
        • Муфты вязкостные, приводы, крыльчатки
      • Ремкомплекты
      • Пневмокомпрессор и натяжное
      • Электрооборудование
      • Сцепление
    • Топливная аппаратура  
      • ЯЗДА  
        • Распылители
        • ТНВД
        • Форсунки
        • Топливный насос низкого давления
        • Пары плунжерные
        • Муфта опережения впрыска топлива
        • Запчасти и комплектующие ТНВД
      • НЗТА
      • АЗПИ  
        • Распылители
        • Форсунки
      • BOSCH
    • Запчасти УРАЛ  
      • Трансмиссия  
        • Коробка раздаточная
        • Передача карданная
        • Мост задний
        • Мост передний (ведущий)
        • Мост средний (промежуточный)
      • Кузов  
        • Дверь кабины
        • Капот, крылья, облицовка радиатора
        • Окно ветровое и заднее
        • Отопление и вентиляция кабины
        • Кабина
      • Механизмы управления  
        • Управление рулевое
        • Тормоза
      • Дополнительное оборудование  
        • Отбор мощности
        • Устройство седельное
      • Электрооборудование
      • Ходовая часть  
        • Колеса и ступицы
        • Ось передняя
        • Подвеска автомобиля
        • Рама
    • Запчасти МАЗ  
      • Трансмиссия  
        • Мост задний
        • Мост передний (ведущий)
        • Передача карданная
        • Мост средний (промежуточный)
      • Кузов  
        • Кабина
        • Дверь кабины
        • Детали основания кабины
        • Окно ветровое и заднее
        • Платформа
      • Механизмы управления  
        • Тормоза
        • Управление рулевое
      • Ходовая часть  
        • Колеса и ступицы
        • Ось передняя
        • Подвеска автомобиля
        • Рама
    • Запчасти КамАЗ  
      • Кузов  
        • Кабина
        • Капот, крылья, облицовка радиатора
        • Дверь кабины
        • Платформа
        • Окно ветровое и заднее
        • Устройство подъемное и опрокидывающее
        • Сиденье
        • Крыша кабины (крыша кузова)
        • Отопление и вентиляция кабины
      • Трансмиссия  
        • Коробка передач
        • Коробка раздаточная
        • Мост задний
        • Сцепление
        • Мост средний (промежуточный)
        • Передача карданная
        • Мост передний (ведущий)
      • Двигатель  
        • Основные запчасти двигателя
        • Система охлаждения
        • Система питания
        • Система смазки
      • Дополнительное оборудование  
        • Отбор мощности
        • Устройство седельное
      • Ходовая часть  
        • Подвеска автомобиля
        • Рама
        • Колеса и ступицы
        • Ось передняя
      • Механизмы управления  
        • Тормоза
        • Управление рулевое
      • Электрооборудование
    • Запчасти ММЗ
    • Ремни
  • Справочник
    • Грузовые автомобили
    • Автобусы
    • Сельхозтехника
    • Спецтехника
    • Двигатели
  • Как купить
    • Условия оплаты
    • Условия доставки
    • Гарантия на товар
    • Пункты выдачи
  • Услуги
    • Капитальный ремонт двигателей ЯМЗ
  • Акции
  • Статьи
  • Контакты
  • Компания
    • Реквизиты
    • Магазины
    • Оплата
    • Доставка
    • Лицензии и сертификаты
    • Новости
    • Вакансии
Избранное 0 Корзина 0
8-800-700-35-68

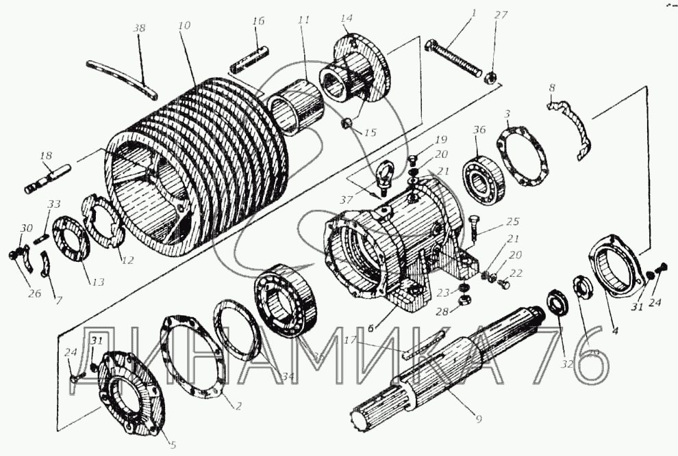
Контропривод главный КИЛ 0139000А на КСК-100А (до 2002 г.)

Справочник
Главная
-
Автокаталог
-
Сельхозтехника
-
Гомсельмаш
-
КСК-100А
Справочный каталог

Контропривод главный КИЛ 0139000А — КСК-100А:

КИЛ 0100602 КИЛ 0139000А КИС 0139010 1 2 3 4 5 6 7 8 9 10 11 12 13 14 15 16 17 18 19 20 20 21 21 22 23 24 24 25 26 28 29 30 31 31 32 33 34 35 36 37 38
в наличии
нет в наличии
масштаб

В наличии
Нет в наличии

Перечень комплектующих от Контропривод главный КИЛ 0139000А на КСК-100А

Схемы запчастей предназначены для справочных целей! Мы продаем не все запчасти от Контропривод главный КИЛ 0139000А на КСК-100А, представленные в этом списке.
Наличие на складах по деталям с ценой смотрите в карточке товара.
Артикул: КИЛ-0100602
нет в наличии
Болт натяжной
Количество на схеме: 3
Информация
Болт натяжной
Количество
3
Примечание
33
Модель
КИЛ
Подгруппа
0100
Порядковый номер детали
602
Артикул: КИЛ-0139000А
нет в наличии
Контрпривод
Количество на схеме: 1
Информация
Контрпривод
Количество
1
Модель
КИЛ
Подгруппа
0139
Порядковый номер детали
000
Артикул: КИС-0139010
нет в наличии
Шкив
Количество на схеме: 1
Информация
Шкив
Количество
1
Масса
27,31
Модель
КИС
Подгруппа
0139
Порядковый номер детали
010
1
1
Артикул: КИЛ-0100040
нет в наличии
Болт специальный
Количество на схеме: 3
Информация
Болт специальный
Количество
3
Масса
0,656
Примечание
30
Модель
КИЛ
Подгруппа
0100
Порядковый номер детали
040
2
2
Артикул: КИЛ-0139002
нет в наличии
Прокладка
Количество на схеме: 1
Информация
Прокладка
Количество
1
Масса
0,002
Модель
КИЛ
Подгруппа
0139
Порядковый номер детали
002
3
3
Артикул: КИЛ-0139003
нет в наличии
Прокладка
Количество на схеме: 1
Информация
Прокладка
Количество
1
Масса
6,001
Примечание
31
Модель
КИЛ
Подгруппа
0139
Порядковый номер детали
003
4
4
Артикул: КИЛ-0139005
нет в наличии
Крышка
Количество на схеме: 1
Информация
Крышка
Количество
1
Модель
КИЛ
Подгруппа
0139
Порядковый номер детали
005
5
5
Артикул: КИЛ-0139006
нет в наличии
Крышка
Количество на схеме: 1
Информация
Крышка
Количество
1
Модель
КИЛ
Подгруппа
0139
Порядковый номер детали
006
6
6
Артикул: КИЛ-0139101А
нет в наличии
Корпус
Количество на схеме: 1
Информация
Корпус
Количество
1
Модель
КИЛ
Подгруппа
0139
Порядковый номер детали
101
7
7
Артикул: КИЛ-0139404
нет в наличии
Пластина
Количество на схеме: 2
Информация
Пластина
Количество
2
Модель
КИЛ
Подгруппа
0139
Порядковый номер детали
404
8
8
Артикул: КИЛ-0139501
нет в наличии
Прокладка
Количество на схеме: 4
Информация
Прокладка
Количество
4
Примечание
32
Модель
КИЛ
Подгруппа
0139
Порядковый номер детали
501
9
9
Артикул: КИЛ-0139601
нет в наличии
Вал
Количество на схеме: 1
Информация
Вал
Количество
1
Модель
КИЛ
Подгруппа
0139
Порядковый номер детали
601
10
10
Артикул: КИС-0139001Б
нет в наличии
Шкив
Количество на схеме: 1
Информация
Шкив
Количество
1
Масса
25,6
Модель
КИС
Подгруппа
0139
Порядковый номер детали
001
11
11
Артикул: КИС-0139004А
нет в наличии
Втулка
Количество на схеме: 1
Информация
Втулка
Количество
1
Масса
1,41
Модель
КИС
Подгруппа
0139
Порядковый номер детали
004
12
12
Артикул: КИС-0139401
нет в наличии
Шайба
Количество на схеме: 1
Информация
Шайба
Количество
1
Масса
0,2
Модель
КИС
Подгруппа
0139
Порядковый номер детали
401
13
13
Артикул: КИС-0139402А
нет в наличии
Шайба
Количество на схеме: 1
Информация
Шайба
Количество
1
Масса
6,42
Модель
КИС
Подгруппа
0139
Порядковый номер детали
402
14
14
Артикул: КИС-0139603А
нет в наличии
Втулка шкива
Количество на схеме: 1
Информация
Втулка шкива
Количество
1
Масса
5,1
Модель
КИС
Подгруппа
0139
Порядковый номер детали
603
15
15
Артикул: КИС-0139605А
нет в наличии
Втулка
Количество на схеме: 2
Информация
Втулка
Количество
2
Масса
0,027
Модель
КИС
Подгруппа
0139
Порядковый номер детали
605
16
16
Артикул: КИС-0139606А
нет в наличии
Втулка
Количество на схеме: 2
Информация
Втулка
Количество
2
Масса
6,15
Модель
КИС
Подгруппа
0139
Порядковый номер детали
606
17
17
Артикул: КИС-0139607А
нет в наличии
Шпонка клиновая
Количество на схеме: 2
Информация
Шпонка клиновая
Количество
2
Масса
0,15
Модель
КИС
Подгруппа
0139
Порядковый номер детали
607
18
18
Артикул: КИС-0139609
нет в наличии
Штифт
Количество на схеме: 2
Информация
Штифт
Количество
2
Масса
0,145
Модель
КИС
Подгруппа
0139
Порядковый номер детали
609
19
19
Артикул: КИЛ-0104609
нет в наличии
Пробка
Количество на схеме: 1
Информация
Пробка
Количество
1
Масса
0,04
Модель
КИЛ
Подгруппа
0104
Порядковый номер детали
609
20
20
Артикул: КУЖ-0110004
нет в наличии
Прокладка
Количество на схеме: 3
Информация
Прокладка
Количество
3
Масса
0,0008
Модель
КУЖ
Подгруппа
0110
Порядковый номер детали
004
21
21
Артикул: КУЖ-0110401
нет в наличии
Шайба
Количество на схеме: 3
Информация
Шайба
Количество
3
Масса
о,ооз
Модель
КУЖ
Подгруппа
0110
Порядковый номер детали
401
21
21
Артикул: М22х1,5-6Н-019
нет в наличии
Гайка ГОСТ 2526-70
Количество на схеме: 3
Информация
Гайка ГОСТ 2526-70
Количество
3
22
22
Артикул: КУЖ-0110615
нет в наличии
Пробка
Количество на схеме: 2
Информация
Пробка
Количество
2
Масса
0,05
Модель
КУЖ
Подгруппа
0110
Порядковый номер детали
615
23
23
Артикул: КУЖ-0101422
нет в наличии
Шайба специальная
Количество на схеме: 4
Информация
Шайба специальная
Количество
4
Масса
0,028
Модель
КУЖ
Подгруппа
0101
Порядковый номер детали
422
24
24
Артикул: М10х30-56-019
нет в наличии
Болт ГОСТ 7796-70
Количество на схеме: 10
Информация
Болт ГОСТ 7796-70
Количество
10
25
25
Артикул: М16х75-56-019
нет в наличии
Болт ГОСТ 7796-70
Количество на схеме: 4
Информация
Болт ГОСТ 7796-70
Количество
4
26
26
Артикул: М8-6-019
нет в наличии
Гайка ГОСТ 5915-70
Количество на схеме: 4
Информация
Гайка ГОСТ 5915-70
Количество
4
28
28
Артикул: М16-6-019
нет в наличии
Гайка ГОСТ 5915-70
Количество на схеме: 4
Информация
Гайка ГОСТ 5915-70
Количество
4
29
29
Артикул: ВМ36х1,5-7Н-019
нет в наличии
Гайка ГОСТ 11371-86
Количество на схеме: 1
Информация
Гайка ГОСТ 11371-86
Количество
1
30
30
Артикул: 8-65Г-019
нет в наличии
Шайба ГОСТ 6402-70
Количество на схеме: 4
Информация
Шайба ГОСТ 6402-70
Количество
4
31
31
Артикул: 10-65Г-019
нет в наличии
Шайба ГОСТ 6402-70
Количество на схеме: 10
Информация
Шайба ГОСТ 6402-70
Количество
10
32
32
Артикул: 36-01-019
нет в наличии
Шайба ГОСТ 11872-80
Количество на схеме: 1
Информация
Шайба ГОСТ 11872-80
Количество
1
33
33
Артикул: М8х25-58-019
нет в наличии
Шпилька ГОСТ 221334-76
Количество на схеме: 4
Информация
Шпилька ГОСТ 221334-76
Количество
4
34
34
Артикул: 1-2-70х95-1
нет в наличии
Манжета ГОСТ 8752-79
Количество на схеме: 1
Информация
Манжета ГОСТ 8752-79
Количество
1
35
35
Артикул: 314
нет в наличии
Подшипник ГОСТ 8338-75
Количество на схеме: 1
Информация
Подшипник ГОСТ 8338-75
Количество
1
36
36
Артикул: 408
нет в наличии
Подшипник ГОСТ 8338-75
Количество на схеме: 1
Информация
Подшипник ГОСТ 8338-75
Количество
1
37
37
Артикул: М12-019
нет в наличии
Рым-болт ГОСТ 4751-73
Количество на схеме: 1
Информация
Рым-болт ГОСТ 4751-73
Количество
1
38
38
Артикул: В-2240Т
нет в наличии
Ремни ГОСТ 10286-75
Количество на схеме: 10
Информация
Ремни ГОСТ 10286-75
Количество
10
  • Грузовые автомобили
  • Автобусы
  • Сельхозтехника
  • Спецтехника
  • Двигатели
Получить оптовый прайс-лист
Скачать прайс-лист от 08.05.2026 16:00
Специальное предложение от 08.05.2026 17:00
Производители:


  • WEICHAI
  • Автодизель ПАО (ЯМЗ)
  • Тутаевский МЗ
  • ЯЗДА
  • УралАЗ
  • МАЗ
  • АЗПИ
  • BOSCH
  • ММЗ
  • ШААЗ
  • FEDERAL MOGUL
  • ПРАМО
  • Мотордеталь
  • ТАИМ
  • АвтоКрАЗ
  • БЕЛКАРД
  • CZ Strakonice
  • КамАЗ
  • БЗА
  • ЧМЗ
  • BMZ
Новости
Все новости
25 марта 2024
Флагманский седельный тягач «Валдай 45» на выставке «TransRussia»
10 марта 2024
Современные автобусы «CITYMAX 9» и ЛиАЗ-5292 CNG
25 февраля 2024
Серийное производство средних дизельных двигателей повышенной мощности от ЯМЗ
Статьи
Все статьи
Датчики двигателя: за что они отвечают, признаки неисправности и как не прогадать с выбором
Двигатели ЯМЗ-534: история, технические характеристики и области применения
Двигатели ЯМЗ 650: углублённый технический обзор и история
Компания
О компании
Реквизиты
Новости
Политика
Магазины
Информация
Условия оплаты
Условия доставки
Гарантия на товар
Обмен и возврат товара
Помощь
Как оформить заказ
Полезные статьи
Бренды
Пункты выдачи
Оставайтесь на связи
  • Вконтакте
  • YouTube
  • Одноклассники
  • Google Plus
Увидели ошибку?
Выделите, нажав Ctrl + Enter
Наши контакты
8-800-700-35-68
sales@din76.ru
г. Ярославль, Ленинградский пр-т 33, ТЦ "ОМЕГА"
2026 © ООО «Динамика 76» - Все права защищены ООО "Динамика 76"
Предложения на сайте не являются публичной офертой.
На сайте обнаружена ошибка

Текст с ошибкой