Избранное 0 Корзина 0 Личный кабинет
logo
Каталог
Каталог
  • Справочник
    • Грузовые автомобили
    • Автобусы
    • Сельхозтехника
    • Спецтехника
    • Двигатели
  • Доставка
  • Оплата
  • О компании
    • Реквизиты
    • Магазины
    • Оплата
    • Доставка
    • Лицензии и сертификаты
    • Новости
    • Вакансии
  • Контакты
Отправить заявку
Личный кабинет
8 (800) 700-35-68
sales@din76.ru
Избранное 0 Корзина 0
8 (800) 700-35-68
Оптовый прайс-лист
Каталог
  • Двигатели
  • Запчасти WEICHAI
  • Запчасти ЯМЗ, ТМЗ (V-образные)
  • Запчасти ЯМЗ-534, ЯМЗ-536
  • Запчасти ЯМЗ-650, ЯМЗ-651, DCi-11
  • Топливная аппаратура
  • Запчасти УРАЛ
  • Запчасти МАЗ
  • Запчасти КамАЗ
  • Запчасти ММЗ
  • Ремни
Автокаталог (справочник)
  • Доставка
  • Оплата
  • О компании
  • Контакты
8 (800) 700-35-68
Написать в Whatsapp
sales@din76.ru
Динамика 76
Меню  
  • Каталог
    • Двигатели  
      • Двигатели ТМЗ  
        • Двигатели ТМЗ для автомобилей
        • Двигатели ТМЗ для тракторов
        • Специальные двигатели ТМЗ
        • Промышленные двигатели ТМЗ
      • Двигатели ЯМЗ  
        • ЯМЗ 236
        • ЯМЗ 238
        • ЯМЗ 240
        • ЯМЗ 751
        • ЯМЗ 840
        • ЯМЗ 850
        • ЯМЗ 656
        • ЯМЗ 658
        • ЯМЗ 534
        • ЯМЗ 536
        • ЯМЗ 650
        • Двигатели ЯМЗ для электростанций
      • Двигатели КАМАЗ
      • Двигатели ММЗ
      • Двигатели индивидуальной сборки
      • Комплекты переоборудования
    • Запчасти WEICHAI  
      • Основные запчасти двигателя  
        • Клапаны и толкатели
        • Шатуны
        • Вал коленчатый и маховик
        • Вал распределительный
        • Цилиндро-поршневая группа
      • Система питания  
        • Форсунки
        • Турбокомпрессор
      • Система смазки  
        • Насос масляный
      • Головка блока
      • Ремкомплекты
      • Система охлаждения  
        • Насос водяной
        • Муфта вязкостная и крыльчатка
      • Фильтры
      • Электрооборудование  
        • Генератор
        • Стартер
    • Запчасти ЯМЗ, ТМЗ (V-образные)  
      • Основные запчасти двигателя  
        • Блок двигателя и комплектующие
        • Валы распределительные и клапаны
        • Головка блока и комплектующие
        • Цилиндро-поршневая группа
        • Маховики и комплектующие
        • Валы коленчатые и комплектующие
        • Шатуны и комплектующие
      • Система питания  
        • Коллекторы и патрубки
        • Топливные трубопроводы
        • Турбокомпрессор
        • Топливные фильтры
      • Электрооборудование двигателя
      • Система охлаждения  
        • Вязкостные муфты и крыльчатки
        • Приводы вентилятора
        • Водяные насосы
        • Водяные трубы и термостаты
      • Коробки переключения передач  
        • 8 Ступенчатые КПП
        • 5 Ступенчатые КПП
        • 9 Ступенчатые КПП
        • Запасные части КПП ЯМЗ, ТМЗ
      • Система смазки  
        • Теплообменник и комплектующие
        • Масляные насосы
        • Фильтры масляные (ФГОМ, ФЦОМ)
      • Сцепление  
        • Запасные части механизма сцепления
        • Муфты (подшипники выжимные)
        • Корзины (диски нажимные)
        • Диски ведомые
      • Прочие запчасти двигателя  
        • Ремкомплекты
        • Привод агрегатов
        • Натяжные устройства
        • Трубки
    • Запчасти ЯМЗ-534, ЯМЗ-536  
      • Основные запчасти двигателя  
        • Цилиндро-поршневая группа
        • Головка блока цилиндров и комплектующие
        • Блок цилиндров и комплектующие
        • Вал коленчатый и маховик
        • Вал распределительный
        • Клапаны и толкатели
        • ГУР (Гидроусилитель руля)
        • Система рециркуляции отработавших газов
        • Выпускной коллектор
      • Система питания  
        • Коллекторы и патрубки
        • Топливные фильтры
        • Турбокомпрессор
        • Топливные трубопроводы
      • Система смазки  
        • Масляный картер поддон
        • Масляный насос
        • Теплообменник /Водо-масляный радиатор
        • Фильтры масляные (ФГОМ, ФЦОМ)
      • Пневмокомпрессор и натяжное
      • Система охлаждения  
        • Водяной насос
        • Водяные трубы и патрубки
        • Муфты вязкостные, приводы, крыльчатки
      • Ремкомплекты
      • Сцепление
      • Электрооборудование
    • Запчасти ЯМЗ-650, ЯМЗ-651, DCi-11  
      • Основные запчасти двигателя  
        • Цилиндро-поршневая группа
        • Головка блока цилиндров и комплектующие
        • Блок цилиндров и комплектующие
        • Вал коленчатый и маховик
        • Выпускной коллектор
        • Вал распределительный
        • Клапаны и толкатели
        • ГУР (Гидроусилитель руля)
        • Система рециркуляции отработавших газов
      • Система питания  
        • Коллекторы и патрубки
        • Топливные трубопроводы
        • Топливные фильтры
        • Турбокомпрессор
      • Система смазки  
        • Масляный картер / поддон
        • Масляный насос
        • Теплообменник / Водо-масляный радиатор
        • Фильтры масляные (ФГОМ, ФЦОМ)
      • Система охлаждения  
        • Водяной насос
        • Водяные трубы и патрубки
        • Муфты вязкостные, приводы, крыльчатки
      • Ремкомплекты
      • Пневмокомпрессор и натяжное
      • Электрооборудование
      • Сцепление
    • Топливная аппаратура  
      • ЯЗДА  
        • Распылители
        • ТНВД
        • Форсунки
        • Топливный насос низкого давления
        • Пары плунжерные
        • Муфта опережения впрыска топлива
        • Запчасти и комплектующие ТНВД
      • НЗТА
      • АЗПИ  
        • Распылители
        • Форсунки
      • BOSCH
    • Запчасти УРАЛ  
      • Трансмиссия  
        • Коробка раздаточная
        • Передача карданная
        • Мост задний
        • Мост передний (ведущий)
        • Мост средний (промежуточный)
      • Кузов  
        • Дверь кабины
        • Капот, крылья, облицовка радиатора
        • Окно ветровое и заднее
        • Отопление и вентиляция кабины
        • Кабина
      • Механизмы управления  
        • Управление рулевое
        • Тормоза
      • Дополнительное оборудование  
        • Отбор мощности
        • Устройство седельное
      • Электрооборудование
      • Ходовая часть  
        • Колеса и ступицы
        • Ось передняя
        • Подвеска автомобиля
        • Рама
    • Запчасти МАЗ  
      • Трансмиссия  
        • Мост задний
        • Мост передний (ведущий)
        • Передача карданная
        • Мост средний (промежуточный)
      • Кузов  
        • Кабина
        • Дверь кабины
        • Детали основания кабины
        • Окно ветровое и заднее
        • Платформа
      • Механизмы управления  
        • Тормоза
        • Управление рулевое
      • Ходовая часть  
        • Колеса и ступицы
        • Ось передняя
        • Подвеска автомобиля
        • Рама
    • Запчасти КамАЗ  
      • Кузов  
        • Кабина
        • Капот, крылья, облицовка радиатора
        • Дверь кабины
        • Платформа
        • Окно ветровое и заднее
        • Устройство подъемное и опрокидывающее
        • Сиденье
        • Крыша кабины (крыша кузова)
        • Отопление и вентиляция кабины
      • Трансмиссия  
        • Коробка передач
        • Коробка раздаточная
        • Мост задний
        • Сцепление
        • Мост средний (промежуточный)
        • Передача карданная
        • Мост передний (ведущий)
      • Двигатель  
        • Основные запчасти двигателя
        • Система охлаждения
        • Система питания
        • Система смазки
      • Дополнительное оборудование  
        • Отбор мощности
        • Устройство седельное
      • Ходовая часть  
        • Подвеска автомобиля
        • Рама
        • Колеса и ступицы
        • Ось передняя
      • Механизмы управления  
        • Тормоза
        • Управление рулевое
      • Электрооборудование
    • Запчасти ММЗ
    • Ремни
  • Справочник
    • Грузовые автомобили
    • Автобусы
    • Сельхозтехника
    • Спецтехника
    • Двигатели
  • Как купить
    • Условия оплаты
    • Условия доставки
    • Гарантия на товар
    • Пункты выдачи
  • Услуги
    • Капитальный ремонт двигателей ЯМЗ
  • Акции
  • Статьи
  • Контакты
  • Компания
    • Реквизиты
    • Магазины
    • Оплата
    • Доставка
    • Лицензии и сертификаты
    • Новости
    • Вакансии
Избранное 0 Корзина 0
8-800-700-35-68

Колесо боковое (КПР6205000-01) на КПР-6 (до 2005 г.)

Справочник
Главная
-
Автокаталог
-
Сельхозтехника
-
Гомсельмаш
-
КПР-6
Справочный каталог

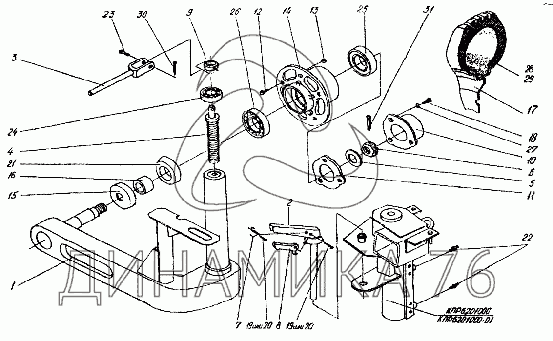
Колесо боковое (КПР6205000-01) — КПР-6:

КПР6102020 КПР6205020 КПР6216000 1 2 3 4 5 6 7 8 9 10 10 11 11 12 12 13 13 14 15 16 17 18 19 19 20 20 21 22 23 24 25 26 27 28 29 30 31
в наличии
нет в наличии
масштаб

В наличии
Нет в наличии

Перечень комплектующих от Колесо боковое (КПР6205000-01) на КПР-6

Схемы запчастей предназначены для справочных целей! Мы продаем не все запчасти от Колесо боковое (КПР6205000-01) на КПР-6, представленные в этом списке.
Наличие на складах по деталям с ценой смотрите в карточке товара.
Артикул: КПР6102020
нет в наличии
Колесо
Количество на схеме: 1
Информация
Колесо
Количество
1
1060193;
Примечание
Входит в сборочную единицу: КПР6205000-01
Модель
КП
Группа
Дверь кабины (передняя)
Подгруппа
Обивка передней двери
Порядковый номер детали
020
Артикул: КПР6205020
нет в наличии
Колесо боковое
Количество на схеме: 1
Информация
Колесо боковое
Количество
1
1060194;
Примечание
Входит в сборочную единицу: КПР6200000-01
Модель
КП
Группа
Дверь задняя
Подгруппа
Замок и ручки задней двери
Порядковый номер детали
020
Артикул: КПР6216000
нет в наличии
Ручка-фиксатор
Количество на схеме: 1
Информация
Ручка-фиксатор
Количество
1
1060195;
Примечание
Входит в сборочную единицу: КПР6200000-01
Модель
КП
Группа
Дверь задняя
Подгруппа
6216
Порядковый номер детали
000
1
1
Артикул: КПР6105010-01
нет в наличии
Стойка колеса
Количество на схеме: 1
Информация
Стойка колеса
Количество
1
1060158;
Примечание
Входит в сборочную единицу: КПР6205000-01
Модель
КП
Группа
Дверь кабины (передняя)
Подгруппа
Замок и ручки (передней) двери
Порядковый номер детали
010
2
2
Артикул: КПР6216010
нет в наличии
Ручка-фиксатор
Количество на схеме: 1
Информация
Ручка-фиксатор
Количество
1
1060159;
Примечание
Входит в сборочную единицу: КПР6216000
Модель
КП
Группа
Дверь задняя
Подгруппа
6216
Порядковый номер детали
010
3
3
Артикул: ПКК0143040
нет в наличии
Рычаг
Количество на схеме: 1
Информация
Рычаг
Количество
1
1060160;
Примечание
Входит в сборочную единицу: КПР6200000-01
Модель
ПК
Подгруппа
0143
Порядковый номер детали
040
4
4
Артикул: КПР6105605
нет в наличии
Винт
Количество на схеме: 1
Информация
Винт
Количество
1
1060161;
Примечание
Входит в сборочную единицу: КПР6205000-01
Модель
КП
Группа
Дверь кабины (передняя)
Подгруппа
Замок и ручки (передней) двери
Порядковый номер детали
605
5
5
Артикул: КСН0107421
нет в наличии
Шайба
Количество на схеме: 1
Информация
Шайба
Количество
1
1060162;
Примечание
Входит в сборочную единицу: КПР6205000-01
Модель
КС
Подгруппа
0107
Порядковый номер детали
421
6
6
Артикул: КСН0107631
нет в наличии
Гайка
Количество на схеме: 1
Информация
Гайка
Количество
1
1060163;
Примечание
Входит в сборочную единицу: КПР6205000-01
Модель
КС
Подгруппа
0107
Порядковый номер детали
631
7
7
Артикул: ПДВ0180601
нет в наличии
Пружина
Количество на схеме: 1
Информация
Пружина
Количество
1
1060164;
Примечание
Входит в сборочную единицу: КПР6216000
Модель
ПД
Подгруппа
0180
Порядковый номер детали
601
8
8
Артикул: ПДВ0180602
нет в наличии
Фиксатор
Количество на схеме: 1
Информация
Фиксатор
Количество
1
1060165;
Примечание
Входит в сборочную единицу: КПР6216000
Модель
ПД
Подгруппа
0180
Порядковый номер детали
602
9
9
Артикул: ПКК0143602
нет в наличии
Втулка
Количество на схеме: 1
Информация
Втулка
Количество
1
1060166;
Примечание
Входит в сборочную единицу: КПР6200000-01
Модель
ПК
Подгруппа
0143
Порядковый номер детали
602
10
10
Артикул: 50-3103484
нет в наличии
Крышка переднего колеса
Количество на схеме: 1
Информация
Крышка переднего колеса
Количество
1
1060167;
Примечание
Входит в сборочную единицу: КПР6205000-01
Модель
50
Группа
Колеса и ступицы
Подгруппа
Ступицы передних колес
Порядковый номер детали
484
10
10
Артикул: А04-02-013
нет в наличии
Крышка переднего колеса
Количество на схеме: 1
Информация
Крышка переднего колеса
Количество
1
1060168;
Примечание
Входит в сборочную единицу: КПР6205000-01
11
11
Артикул: 50-3103019
нет в наличии
Прокладка
Количество на схеме: 1
Информация
Прокладка
Количество
1
1060169;
Примечание
Входит в сборочную единицу: КПР6205000-01
Модель
50
Группа
Колеса и ступицы
Подгруппа
Ступицы передних колес
Порядковый номер детали
019
11
11
Артикул: А04-02-014
нет в наличии
Прокладка
Количество на схеме: 1
Информация
Прокладка
Количество
1
1060170;
Примечание
Входит в сборочную единицу: КПР6205000-01
12
12
Артикул: 40-3103016-01
нет в наличии
Болт переднего колеса
Количество на схеме: 5
Информация
Болт переднего колеса
Количество
5
1060171;
Примечание
Входит в сборочную единицу: КПР6205000-01
Модель
40
Группа
Колеса и ступицы
Подгруппа
Ступицы передних колес
Порядковый номер детали
016
12
12
Артикул: А04-02-017
нет в наличии
Болт переднего колеса
Количество на схеме: 5
Информация
Болт переднего колеса
Количество
5
1060172;
Примечание
Входит в сборочную единицу: КПР6205000-01
13
13
Артикул: 40-3103017
нет в наличии
Гайка крепления колеса
Количество на схеме: 5
Информация
Гайка крепления колеса
Количество
5
1060173;
Примечание
Входит в сборочную единицу: КПР6205000-01
Модель
40
Группа
Колеса и ступицы
Подгруппа
Ступицы передних колес
Порядковый номер детали
017
13
13
Артикул: А04-02-018
нет в наличии
Гайка крепления диска колеса
Количество на схеме: 5
Информация
Гайка крепления диска колеса
Количество
5
1060174;
Примечание
Входит в сборочную единицу: КПР6205000-01
14
14
Артикул: Н-130-02-201-02
нет в наличии
Ступица
Количество на схеме: 1
Информация
Ступица
Количество
1
1060175;
Примечание
Входит в сборочную единицу: КПР6205000-01
15
15
Артикул: Н-130-02-403-02
нет в наличии
Колпачек
Количество на схеме: 1
Информация
Колпачек
Количество
1
1060176;
Примечание
Входит в сборочную единицу: КПР6205000-01
16
16
Артикул: Н-130-03-601
нет в наличии
Втулка
Количество на схеме: 1
Информация
Втулка
Количество
1
1060177;
Примечание
Входит в сборочную единицу: КПР6205000-01
17
17
Артикул: 36-3101010-А2
нет в наличии
Колесо в сборе
Количество на схеме: 1
Информация
Колесо в сборе
Количество
1
1060178;
Примечание
Входит в сборочную единицу: КПР6102020
Модель
36
Группа
Колеса и ступицы
Подгруппа
Колеса
Порядковый номер детали
010
18
18
Артикул: [Болт-М8-6gх16-7796]
нет в наличии
Болт М8-6gх16-7796
Количество на схеме: 3
Информация
Болт М8-6gх16-7796
Количество
3
1060179;
Примечание
Входит в сборочную единицу: КПР6205000-01
19
19
Артикул: [Заклепка-5х22-01-10300]
нет в наличии
Заклепка 5х22.01-10300
Количество на схеме: 2
Информация
Заклепка 5х22.01-10300
Количество
2
1060180;
Примечание
Входит в сборочную единицу: КПР6216000
20
20
Артикул: [Заклепка-5х22-37-10300]
нет в наличии
Заклепка 5х22.37-10300
Количество на схеме: 2
Информация
Заклепка 5х22.37-10300
Количество
2
1060181;
Примечание
Входит в сборочную единицу: КПР6216000
21
21
Артикул: [Манжета-2-2-55х80-8752]
нет в наличии
Манжета 2.2-55х80-8752
Количество на схеме: 1
Информация
Манжета 2.2-55х80-8752
Количество
1
1060182;
Примечание
Входит в сборочную единицу: КПР6205000-01
22
22
Артикул: [Масленка-1-2-19853]
нет в наличии
Масленка 1.2-19853
Количество на схеме: 2
Информация
Масленка 1.2-19853
Количество
2
1060183;
Примечание
Входит в сборочную единицу: КПР6200000-01
23
23
Артикул: [Ось-6-8B12х65-9650]
нет в наличии
Ось 6-8B12х65-9650
Количество на схеме: 1
Информация
Ось 6-8B12х65-9650
Количество
1
1060184;
Примечание
Входит в сборочную единицу: КПР6200000-01
24
24
Артикул: [Подшипник-8204-7872]
нет в наличии
Подшипник 8204-7872
Количество на схеме: 1
Информация
Подшипник 8204-7872
Количество
1
1060185;
Примечание
Входит в сборочную единицу: КПР6205000-01
25
25
Артикул: [Подшипник-7207А-27365]
нет в наличии
Подшипник 7207А-27365
Количество на схеме: 1
Информация
Подшипник 7207А-27365
Количество
1
1060186;
Примечание
Входит в сборочную единицу: КПР6205000-01
26
26
Артикул: [Подшипник-7208А-27365]
нет в наличии
Подшипник 7208А-27365
Количество на схеме: 1
Информация
Подшипник 7208А-27365
Количество
1
1060187;
Примечание
Входит в сборочную единицу: КПР6205000-01
27
27
Артикул: [Шайба-8-65Г-6402]
нет в наличии
Шайба 8.65Г-6402
Количество на схеме: 3
Информация
Шайба 8.65Г-6402
Количество
3
1060188;
Примечание
Входит в сборочную единицу: КПР6205000-01
28
28
Артикул: [Шина-5-50-16-122НС8]
нет в наличии
Шина 5.50-16 122НС8
Количество на схеме: 1
Информация
Шина 5.50-16 122НС8
Количество
1
1060189;
Примечание
Входит в сборочную единицу: КПР6102020
29
29
Артикул: [Шина-5-50-16-Бел256]
нет в наличии
Шина 5.50-16 Бел256
Количество на схеме: 1
Информация
Шина 5.50-16 Бел256
Количество
1
1060190;
Примечание
Входит в сборочную единицу: КПР6102020
30
30
Артикул: [Шплинт-2х18-397]
нет в наличии
Шплинт 2х18-397
Количество на схеме: 1
Информация
Шплинт 2х18-397
Количество
1
1060191;
Примечание
Входит в сборочную единицу: КПР6200000-01
31
31
Артикул: [Шплинт-5х40-397]
нет в наличии
Шплинт 5х40-397
Количество на схеме: 1
Информация
Шплинт 5х40-397
Количество
1
1060192;
Примечание
Входит в сборочную единицу: КПР6200000-01
  • Грузовые автомобили
  • Автобусы
  • Сельхозтехника
  • Спецтехника
  • Двигатели
Получить оптовый прайс-лист
Скачать прайс-лист от 09.05.2026 16:00
Специальное предложение от 09.05.2026 13:00
Производители:


  • WEICHAI
  • Автодизель ПАО (ЯМЗ)
  • Тутаевский МЗ
  • ЯЗДА
  • УралАЗ
  • МАЗ
  • АЗПИ
  • BOSCH
  • ММЗ
  • ШААЗ
  • FEDERAL MOGUL
  • ПРАМО
  • Мотордеталь
  • ТАИМ
  • АвтоКрАЗ
  • БЕЛКАРД
  • CZ Strakonice
  • КамАЗ
  • БЗА
  • ЧМЗ
  • BMZ
Новости
Все новости
25 марта 2024
Флагманский седельный тягач «Валдай 45» на выставке «TransRussia»
10 марта 2024
Современные автобусы «CITYMAX 9» и ЛиАЗ-5292 CNG
25 февраля 2024
Серийное производство средних дизельных двигателей повышенной мощности от ЯМЗ
Статьи
Все статьи
Датчики двигателя: за что они отвечают, признаки неисправности и как не прогадать с выбором
Двигатели ЯМЗ-534: история, технические характеристики и области применения
Двигатели ЯМЗ 650: углублённый технический обзор и история
Компания
О компании
Реквизиты
Новости
Политика
Магазины
Информация
Условия оплаты
Условия доставки
Гарантия на товар
Обмен и возврат товара
Помощь
Как оформить заказ
Полезные статьи
Бренды
Пункты выдачи
Оставайтесь на связи
  • Вконтакте
  • YouTube
  • Одноклассники
  • Google Plus
Увидели ошибку?
Выделите, нажав Ctrl + Enter
Наши контакты
8-800-700-35-68
sales@din76.ru
г. Ярославль, Ленинградский пр-т 33, ТЦ "ОМЕГА"
2026 © ООО «Динамика 76» - Все права защищены ООО "Динамика 76"
Предложения на сайте не являются публичной офертой.
На сайте обнаружена ошибка

Текст с ошибкой