Избранное 0 Корзина 0 Личный кабинет
logo
Каталог
Каталог
  • Справочник
    • Грузовые автомобили
    • Автобусы
    • Сельхозтехника
    • Спецтехника
    • Двигатели
  • Доставка
  • Оплата
  • О компании
    • Реквизиты
    • Магазины
    • Оплата
    • Доставка
    • Лицензии и сертификаты
    • Новости
    • Вакансии
  • Контакты
Отправить заявку
Личный кабинет
8 (800) 700-35-68
sales@din76.ru
Избранное 0 Корзина 0
8 (800) 700-35-68
Оптовый прайс-лист
Каталог
  • Двигатели
  • Запчасти WEICHAI
  • Запчасти ЯМЗ, ТМЗ (V-образные)
  • Запчасти ЯМЗ-534, ЯМЗ-536
  • Запчасти ЯМЗ-650, ЯМЗ-651, DCi-11
  • Топливная аппаратура
  • Запчасти УРАЛ
  • Запчасти МАЗ
  • Запчасти КамАЗ
  • Запчасти ММЗ
  • Ремни
Автокаталог (справочник)
  • Доставка
  • Оплата
  • О компании
  • Контакты
8 (800) 700-35-68
Написать в Whatsapp
sales@din76.ru
Динамика 76
Меню  
  • Каталог
    • Двигатели  
      • Двигатели ТМЗ  
        • Двигатели ТМЗ для автомобилей
        • Двигатели ТМЗ для тракторов
        • Специальные двигатели ТМЗ
        • Промышленные двигатели ТМЗ
      • Двигатели ЯМЗ  
        • ЯМЗ 236
        • ЯМЗ 238
        • ЯМЗ 240
        • ЯМЗ 751
        • ЯМЗ 840
        • ЯМЗ 850
        • ЯМЗ 656
        • ЯМЗ 658
        • ЯМЗ 534
        • ЯМЗ 536
        • ЯМЗ 650
        • Двигатели ЯМЗ для электростанций
      • Двигатели КАМАЗ
      • Двигатели ММЗ
      • Двигатели индивидуальной сборки
      • Комплекты переоборудования
    • Запчасти WEICHAI  
      • Основные запчасти двигателя  
        • Клапаны и толкатели
        • Шатуны
        • Вал коленчатый и маховик
        • Вал распределительный
        • Цилиндро-поршневая группа
      • Система питания  
        • Форсунки
        • Турбокомпрессор
      • Система смазки  
        • Насос масляный
      • Головка блока
      • Ремкомплекты
      • Система охлаждения  
        • Насос водяной
        • Муфта вязкостная и крыльчатка
      • Фильтры
      • Электрооборудование  
        • Генератор
        • Стартер
    • Запчасти ЯМЗ, ТМЗ (V-образные)  
      • Основные запчасти двигателя  
        • Блок двигателя и комплектующие
        • Валы распределительные и клапаны
        • Головка блока и комплектующие
        • Цилиндро-поршневая группа
        • Маховики и комплектующие
        • Валы коленчатые и комплектующие
        • Шатуны и комплектующие
      • Система питания  
        • Коллекторы и патрубки
        • Топливные трубопроводы
        • Турбокомпрессор
        • Топливные фильтры
      • Электрооборудование двигателя
      • Система охлаждения  
        • Вязкостные муфты и крыльчатки
        • Приводы вентилятора
        • Водяные насосы
        • Водяные трубы и термостаты
      • Коробки переключения передач  
        • 8 Ступенчатые КПП
        • 5 Ступенчатые КПП
        • 9 Ступенчатые КПП
        • Запасные части КПП ЯМЗ, ТМЗ
      • Система смазки  
        • Теплообменник и комплектующие
        • Масляные насосы
        • Фильтры масляные (ФГОМ, ФЦОМ)
      • Сцепление  
        • Запасные части механизма сцепления
        • Муфты (подшипники выжимные)
        • Корзины (диски нажимные)
        • Диски ведомые
      • Прочие запчасти двигателя  
        • Ремкомплекты
        • Привод агрегатов
        • Натяжные устройства
        • Трубки
    • Запчасти ЯМЗ-534, ЯМЗ-536  
      • Основные запчасти двигателя  
        • Цилиндро-поршневая группа
        • Головка блока цилиндров и комплектующие
        • Блок цилиндров и комплектующие
        • Вал коленчатый и маховик
        • Вал распределительный
        • Клапаны и толкатели
        • ГУР (Гидроусилитель руля)
        • Система рециркуляции отработавших газов
        • Выпускной коллектор
      • Система питания  
        • Коллекторы и патрубки
        • Топливные фильтры
        • Турбокомпрессор
        • Топливные трубопроводы
      • Система смазки  
        • Масляный картер поддон
        • Масляный насос
        • Теплообменник /Водо-масляный радиатор
        • Фильтры масляные (ФГОМ, ФЦОМ)
      • Пневмокомпрессор и натяжное
      • Система охлаждения  
        • Водяной насос
        • Водяные трубы и патрубки
        • Муфты вязкостные, приводы, крыльчатки
      • Ремкомплекты
      • Сцепление
      • Электрооборудование
    • Запчасти ЯМЗ-650, ЯМЗ-651, DCi-11  
      • Основные запчасти двигателя  
        • Цилиндро-поршневая группа
        • Головка блока цилиндров и комплектующие
        • Блок цилиндров и комплектующие
        • Вал коленчатый и маховик
        • Выпускной коллектор
        • Вал распределительный
        • Клапаны и толкатели
        • ГУР (Гидроусилитель руля)
        • Система рециркуляции отработавших газов
      • Система питания  
        • Коллекторы и патрубки
        • Топливные трубопроводы
        • Топливные фильтры
        • Турбокомпрессор
      • Система смазки  
        • Масляный картер / поддон
        • Масляный насос
        • Теплообменник / Водо-масляный радиатор
        • Фильтры масляные (ФГОМ, ФЦОМ)
      • Система охлаждения  
        • Водяной насос
        • Водяные трубы и патрубки
        • Муфты вязкостные, приводы, крыльчатки
      • Ремкомплекты
      • Пневмокомпрессор и натяжное
      • Электрооборудование
      • Сцепление
    • Топливная аппаратура  
      • ЯЗДА  
        • Распылители
        • ТНВД
        • Форсунки
        • Топливный насос низкого давления
        • Пары плунжерные
        • Муфта опережения впрыска топлива
        • Запчасти и комплектующие ТНВД
      • НЗТА
      • АЗПИ  
        • Распылители
        • Форсунки
      • BOSCH
    • Запчасти УРАЛ  
      • Трансмиссия  
        • Коробка раздаточная
        • Передача карданная
        • Мост задний
        • Мост передний (ведущий)
        • Мост средний (промежуточный)
      • Кузов  
        • Дверь кабины
        • Капот, крылья, облицовка радиатора
        • Окно ветровое и заднее
        • Отопление и вентиляция кабины
        • Кабина
      • Механизмы управления  
        • Управление рулевое
        • Тормоза
      • Дополнительное оборудование  
        • Отбор мощности
        • Устройство седельное
      • Электрооборудование
      • Ходовая часть  
        • Колеса и ступицы
        • Ось передняя
        • Подвеска автомобиля
        • Рама
    • Запчасти МАЗ  
      • Трансмиссия  
        • Мост задний
        • Мост передний (ведущий)
        • Передача карданная
        • Мост средний (промежуточный)
      • Кузов  
        • Кабина
        • Дверь кабины
        • Детали основания кабины
        • Окно ветровое и заднее
        • Платформа
      • Механизмы управления  
        • Тормоза
        • Управление рулевое
      • Ходовая часть  
        • Колеса и ступицы
        • Ось передняя
        • Подвеска автомобиля
        • Рама
    • Запчасти КамАЗ  
      • Кузов  
        • Кабина
        • Капот, крылья, облицовка радиатора
        • Дверь кабины
        • Платформа
        • Окно ветровое и заднее
        • Устройство подъемное и опрокидывающее
        • Сиденье
        • Крыша кабины (крыша кузова)
        • Отопление и вентиляция кабины
      • Трансмиссия  
        • Коробка передач
        • Коробка раздаточная
        • Мост задний
        • Сцепление
        • Мост средний (промежуточный)
        • Передача карданная
        • Мост передний (ведущий)
      • Двигатель  
        • Основные запчасти двигателя
        • Система охлаждения
        • Система питания
        • Система смазки
      • Дополнительное оборудование  
        • Отбор мощности
        • Устройство седельное
      • Ходовая часть  
        • Подвеска автомобиля
        • Рама
        • Колеса и ступицы
        • Ось передняя
      • Механизмы управления  
        • Тормоза
        • Управление рулевое
      • Электрооборудование
    • Запчасти ММЗ
    • Ремни
  • Справочник
    • Грузовые автомобили
    • Автобусы
    • Сельхозтехника
    • Спецтехника
    • Двигатели
  • Как купить
    • Условия оплаты
    • Условия доставки
    • Гарантия на товар
    • Пункты выдачи
  • Услуги
    • Капитальный ремонт двигателей ЯМЗ
  • Акции
  • Статьи
  • Контакты
  • Компания
    • Реквизиты
    • Магазины
    • Оплата
    • Доставка
    • Лицензии и сертификаты
    • Новости
    • Вакансии
Избранное 0 Корзина 0
8-800-700-35-68

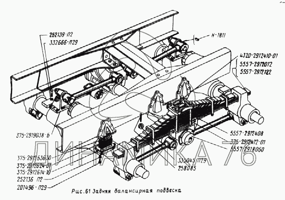
Задняя балансирная подвеска на УРАЛ-5557

Справочник
Главная
-
Автокаталог
-
Грузовые автомобили и прицепы
-
УралАЗ
-
УРАЛ-5557
Справочный каталог

Задняя балансирная подвеска — УРАЛ-5557:

201496-П29 252136-П2 252139-П2 258085 332666-П29 335045-П29 375-2912412-01 375-2912614-10 375-2912624-01 375-2912636-30 375-2918026-Б 375-2919006-05 375-2919010-05 375-2919022-Б 375-2919024-В 375-2919024-Г 375-2919030-02 375-2919038-Б 4320-2912410-01 5557-2912012 5557-2912122 5557-2912408 5557-2918050 Н-1811
в наличии
нет в наличии
масштаб

В наличии
Нет в наличии

Перечень комплектующих от Задняя балансирная подвеска на УРАЛ-5557

Схемы запчастей предназначены для справочных целей! Мы продаем не все запчасти от Задняя балансирная подвеска на УРАЛ-5557, представленные в этом списке.
Наличие на складах по деталям с ценой смотрите в карточке товара.
Артикул: 201496-П29
в наличии
Болт М10-6gх22
Информация
Болт М10-6gх22
Болт М10х22 крышки картера редуктора УРАЛ (АО АЗ УРАЛ)
Артикул: 201496-П29
Болт М10х22 крышки картера редуктора УРАЛ (АО АЗ УРАЛ)
Код для заказа: 00022552
Цена: 46 ₽/шт.
Под заказ
Болт М10х22 крышки картера редуктора УРАЛ (АО АЗ УРАЛ)
Артикул: 201496-П29
Код для заказа: 00022552
Болт М10х22 крышки картера редуктора УРАЛ (АО АЗ УРАЛ)
Цена: 46 ₽/шт.
Под заказ
Артикул: 252136-П2
в наличии
Шайба 10 пружинная
Информация
Шайба 10 пружинная
Шайба 10.2х2.5 пружинная цинк ЭТНА
Артикул: 252136-П2
Шайба 10.2х2.5 пружинная цинк ЭТНА
Код для заказа: 00062958
Цена: 10 ₽/шт.
Под заказ
Шайба 10.2х2.5 пружинная цинк ЭТНА
Артикул: 252136-П2
Код для заказа: 00062958
Шайба 10.2х2.5 пружинная цинк ЭТНА
Цена: 10 ₽/шт.
Под заказ
Шайба гроверная 17,1х10,1х3,5
Артикул: 252136-П2
Шайба гроверная 17,1х10,1х3,5
Код для заказа: 00006018
Цена: 10 ₽/шт.
Под заказ
Шайба гроверная 17,1х10,1х3,5
Артикул: 252136-П2
Код для заказа: 00006018
Шайба гроверная 17,1х10,1х3,5
Цена: 10 ₽/шт.
Под заказ
Артикул: 252139-П2
в наличии
Шайба 16
Информация
Шайба 16
Шайба 16 пружинная подвески двигателя УРАЛ (АО АЗ УРАЛ)
Артикул: 252139-П2
Шайба 16 пружинная подвески двигателя УРАЛ (АО АЗ УРАЛ)
Код для заказа: 00062994
Цена: 12 ₽/шт.
Под заказ
Шайба 16 пружинная подвески двигателя УРАЛ (АО АЗ УРАЛ)
Артикул: 252139-П2
Код для заказа: 00062994
Шайба 16 пружинная подвески двигателя УРАЛ (АО АЗ УРАЛ)
Цена: 12 ₽/шт.
Под заказ
Артикул: 258085
нет в наличии
Шплинт 6х50
Информация
Шплинт 6х50
Артикул: 332666-П29
нет в наличии
Болт М16х1,5х50
Информация
Болт М16х1,5х50
Артикул: 335045-П29
в наличии
Гайка М30х1,5
Информация
Гайка М30х1,5
Гайка М30х1.5 штанги реактивной УРАЛ (АО АЗ УРАЛ)
Артикул: 335045-П29
Гайка М30х1.5 штанги реактивной УРАЛ (АО АЗ УРАЛ)
Код для заказа: 00027609
Цена: 271 ₽/шт.
Под заказ
Гайка М30х1.5 штанги реактивной УРАЛ (АО АЗ УРАЛ)
Артикул: 335045-П29
Код для заказа: 00027609
Гайка М30х1.5 штанги реактивной УРАЛ (АО АЗ УРАЛ)
Цена: 271 ₽/шт.
Под заказ
Артикул: 375-2912412-01
нет в наличии
Накладка стремянок
Информация
Накладка стремянок
Группа
Подвеска автомобиля
Подгруппа
Рессоры задние (пружины задней подвески)
Порядковый номер детали
412
Артикул: 375-2912614-10
в наличии
Обойма буфера
Информация
Обойма буфера
Группа
Подвеска автомобиля
Подгруппа
Рессоры задние (пружины задней подвески)
Порядковый номер детали
614
Дополнительно
Не взаимозаменяема с деталью, выпущенной ранее под этим же номером
Обойма УРАЛ буфера (АО АЗ УРАЛ)
Артикул: 375-2912614-10
Обойма УРАЛ буфера (АО АЗ УРАЛ)
Код для заказа: 00041290
Цена: 1 187 ₽/шт.
Под заказ
Обойма УРАЛ буфера (АО АЗ УРАЛ)
Артикул: 375-2912614-10
Код для заказа: 00041290
Обойма УРАЛ буфера (АО АЗ УРАЛ)
Цена: 1 187 ₽/шт.
Под заказ
Артикул: 375-2912624-01
в наличии
Буфер задней подвески
Информация
Буфер задней подвески
Группа
Подвеска автомобиля
Подгруппа
Рессоры задние (пружины задней подвески)
Порядковый номер детали
624
Буфер УРАЛ,ЧМЗАП рессоры задней
Артикул: 375-2912624-01
Буфер УРАЛ,ЧМЗАП рессоры задней
Код для заказа: 00023592
Цена: 272 ₽/шт.
Под заказ
Буфер УРАЛ,ЧМЗАП рессоры задней
Артикул: 375-2912624-01
Код для заказа: 00023592
Буфер УРАЛ,ЧМЗАП рессоры задней
Цена: 272 ₽/шт.
Под заказ
Артикул: 375-2912636-30
нет в наличии
Подкладка буфера
Информация
Подкладка буфера
Группа
Подвеска автомобиля
Подгруппа
Рессоры задние (пружины задней подвески)
Порядковый номер детали
636
Дополнительно
Не взаимозаменяема с деталью, выпущенной ранее под этим же номером
Артикул: 375-2918026-Б
нет в наличии
Втулка упорная балансира
Количество на схеме: 4
Информация
Втулка упорная балансира
Количество
4
Количество на год
30;
Модель
375
Группа
Подвеска автомобиля
Подгруппа
Подвеска балансирная задняя
Порядковый номер детали
026
Артикул: 375-2919006-05
в наличии
Штанга реактивная верхняя с пальцами в сборе
Количество на схеме: 2
Информация
Штанга реактивная верхняя с пальцами в сборе
Количество
2
Количество на год
10;
Модель
375
Группа
Подвеска автомобиля
Подгруппа
Штанги реактивные задней подвески
Порядковый номер детали
006
Штанга реактивная УРАЛ-375,4320 верхняя в сборе
Артикул: 375-2919006-05
Штанга реактивная УРАЛ-375,4320 верхняя в сборе
Код для заказа: 00018879
Цена: 6 188 ₽/шт.
Под заказ
Штанга реактивная УРАЛ-375,4320 верхняя в сборе
Артикул: 375-2919006-05
Код для заказа: 00018879
Штанга реактивная УРАЛ-375,4320 верхняя в сборе
Цена: 6 188 ₽/шт.
Под заказ
Штанга реактивная УРАЛ-375,4320 верхняя с РМШ в сборе
Артикул: 375-2919006-05
Штанга реактивная УРАЛ-375,4320 верхняя с РМШ в сборе
Код для заказа: 00066189
Цена: 6 188 ₽/шт.
Под заказ
Штанга реактивная УРАЛ-375,4320 верхняя с РМШ в сборе
Артикул: 375-2919006-05
Код для заказа: 00066189
Штанга реактивная УРАЛ-375,4320 верхняя с РМШ в сборе
Цена: 6 188 ₽/шт.
Под заказ
Артикул: 375-2919010-05
в наличии
Штанга реактивная нижняя с пальцами в сборе
Количество на схеме: 4
Информация
Штанга реактивная нижняя с пальцами в сборе
Количество
4
Количество на год
20;
Модель
375
Группа
Подвеска автомобиля
Подгруппа
Штанги реактивные задней подвески
Порядковый номер детали
010
Штанга реактивная УРАЛ-375,4320 нижняя в сборе
Артикул: 375-2919010-05
Штанга реактивная УРАЛ-375,4320 нижняя в сборе
Код для заказа: 00066190
Цена: 6 188 ₽/шт.
Под заказ
Штанга реактивная УРАЛ-375,4320 нижняя в сборе
Артикул: 375-2919010-05
Код для заказа: 00066190
Штанга реактивная УРАЛ-375,4320 нижняя в сборе
Цена: 6 188 ₽/шт.
Под заказ
Штанга реактивная УРАЛ-375,4320 нижняя с РМШ в сборе
Артикул: 375-2919010-05
Штанга реактивная УРАЛ-375,4320 нижняя с РМШ в сборе
Код для заказа: 00066191
Цена: 6 188 ₽/шт.
Под заказ
Штанга реактивная УРАЛ-375,4320 нижняя с РМШ в сборе
Артикул: 375-2919010-05
Код для заказа: 00066191
Штанга реактивная УРАЛ-375,4320 нижняя с РМШ в сборе
Цена: 6 188 ₽/шт.
Под заказ
Артикул: 375-2919022-Б
в наличии
Пружина головки реактивной штанги
Количество на схеме: 12
Информация
Пружина головки реактивной штанги
Количество
12
Количество на год
36;
Модель
375
Группа
Подвеска автомобиля
Подгруппа
Штанги реактивные задней подвески
Порядковый номер детали
022
Пружина УРАЛ пальца штанги реактивной (АО АЗ УРАЛ)
Артикул: 375-2919022-Б
Пружина УРАЛ пальца штанги реактивной (АО АЗ УРАЛ)
Код для заказа: 00049055
Цена: 171 ₽/шт.
Под заказ
Пружина УРАЛ пальца штанги реактивной (АО АЗ УРАЛ)
Артикул: 375-2919022-Б
Код для заказа: 00049055
Пружина УРАЛ пальца штанги реактивной (АО АЗ УРАЛ)
Цена: 171 ₽/шт.
Под заказ
Артикул: 375-2919024-В
в наличии
Палец шаровой
Количество на схеме: 10
Информация
Палец шаровой
Количество
10
Количество на год
80;
Модель
375
Группа
Подвеска автомобиля
Подгруппа
Штанги реактивные задней подвески
Порядковый номер детали
024
Палец штанги реактивной УРАЛ верхней в сборе (комплект на штангу) ТК МЕХАНИК
Артикул: 375-2919024-В
Палец штанги реактивной УРАЛ верхней в сборе (комплект на штангу) ТК МЕХАНИК
Код для заказа: 00042589
Цена: 3 278 ₽/шт.
Под заказ
Палец штанги реактивной УРАЛ верхней в сборе (комплект на штангу) ТК МЕХАНИК
Артикул: 375-2919024-В
Код для заказа: 00042589
Палец штанги реактивной УРАЛ верхней в сборе (комплект на штангу) ТК МЕХАНИК
Цена: 3 278 ₽/шт.
Под заказ
Палец штанги реактивной УРАЛ нижней в сборе (комплект на штангу) ТК МЕХАНИК
Артикул: 375-2919024-В
Палец штанги реактивной УРАЛ нижней в сборе (комплект на штангу) ТК МЕХАНИК
Код для заказа: 00042594
Цена: 3 278 ₽/шт.
Под заказ
Палец штанги реактивной УРАЛ нижней в сборе (комплект на штангу) ТК МЕХАНИК
Артикул: 375-2919024-В
Код для заказа: 00042594
Палец штанги реактивной УРАЛ нижней в сборе (комплект на штангу) ТК МЕХАНИК
Цена: 3 278 ₽/шт.
Под заказ
Палец штанги реактивной УРАЛ нижней без шпонки СПЕКТР
Артикул: 375-2919024-В
Палец штанги реактивной УРАЛ нижней без шпонки СПЕКТР
Код для заказа: 00042592
Цена: 1 043 ₽/шт.
Под заказ
Палец штанги реактивной УРАЛ нижней без шпонки СПЕКТР
Артикул: 375-2919024-В
Код для заказа: 00042592
Палец штанги реактивной УРАЛ нижней без шпонки СПЕКТР
Цена: 1 043 ₽/шт.
Под заказ
Артикул: 375-2919024-Г
нет в наличии
Палец шаровой верхних реактивных штанг
Количество на схеме: 2
Информация
Палец шаровой верхних реактивных штанг
Количество
2
Количество на год
14;
Модель
375
Группа
Подвеска автомобиля
Подгруппа
Штанги реактивные задней подвески
Порядковый номер детали
024
Артикул: 375-2919030-02
в наличии
Кольцо уплотнительное
Количество на схеме: 12
Информация
Кольцо уплотнительное
Количество
12
Количество на год
120;
Примечание
Кг. РТИ
Модель
375
Группа
Подвеска автомобиля
Подгруппа
Штанги реактивные задней подвески
Порядковый номер детали
030
Кольцо УРАЛ уплотнительное штанги реактивной
Артикул: 375-2919030-02
Кольцо УРАЛ уплотнительное штанги реактивной
Код для заказа: 00033963
Цена: 116 ₽/шт.
Под заказ
Кольцо УРАЛ уплотнительное штанги реактивной
Артикул: 375-2919030-02
Код для заказа: 00033963
Кольцо УРАЛ уплотнительное штанги реактивной
Цена: 116 ₽/шт.
Под заказ
Артикул: 375-2919038-Б
нет в наличии
Кронштейн верхней реактивной штанги
Информация
Кронштейн верхней реактивной штанги
Группа
Подвеска автомобиля
Подгруппа
Штанги реактивные задней подвески
Порядковый номер детали
038
Артикул: 4320-2912410-01
в наличии
Гайка стремянки М24х2
Информация
Гайка стремянки М24х2
Группа
Подвеска автомобиля
Подгруппа
Рессоры задние (пружины задней подвески)
Порядковый номер детали
410
Гайка М24х2.0 стремянки задней УРАЛ (АО АЗ УРАЛ)
Артикул: 4320-2912410-01
Гайка М24х2.0 стремянки задней УРАЛ (АО АЗ УРАЛ)
Код для заказа: 00027584
Цена: 315 ₽/шт.
Под заказ
Гайка М24х2.0 стремянки задней УРАЛ (АО АЗ УРАЛ)
Артикул: 4320-2912410-01
Код для заказа: 00027584
Гайка М24х2.0 стремянки задней УРАЛ (АО АЗ УРАЛ)
Цена: 315 ₽/шт.
Под заказ
Артикул: 5557-2912012
нет в наличии
Рессора задняя в сборе
Информация
Рессора задняя в сборе
Группа
Подвеска автомобиля
Подгруппа
Рессоры задние (пружины задней подвески)
Порядковый номер детали
012
Артикул: 5557-2912122
нет в наличии
Рессора задняя со скобами в сборе
Информация
Рессора задняя со скобами в сборе
Группа
Подвеска автомобиля
Подгруппа
Рессоры задние (пружины задней подвески)
Порядковый номер детали
122
Артикул: 5557-2912408
в наличии
Стремянка задней рессоры
Информация
Стремянка задней рессоры
Группа
Подвеска автомобиля
Подгруппа
Рессоры задние (пружины задней подвески)
Порядковый номер детали
408
Стремянка УРАЛ рессоры задней L=355мм;М24х2.0мм (до 1999г.) (АО АЗ УРАЛ)
Артикул: 5557-2912408
Стремянка УРАЛ рессоры задней L=355мм;М24х2.0мм (до 1999г.) (АО АЗ УРАЛ)
Код для заказа: 00055935
Цена: 2 954 ₽/шт.
Под заказ
Стремянка УРАЛ рессоры задней L=355мм;М24х2.0мм (до 1999г.) (АО АЗ УРАЛ)
Артикул: 5557-2912408
Код для заказа: 00055935
Стремянка УРАЛ рессоры задней L=355мм;М24х2.0мм (до 1999г.) (АО АЗ УРАЛ)
Цена: 2 954 ₽/шт.
Под заказ
Артикул: 5557-2918050
нет в наличии
Ось задней балансирной подвески в сборе
Информация
Ось задней балансирной подвески в сборе
Группа
Подвеска автомобиля
Подгруппа
Подвеска балансирная задняя
Порядковый номер детали
050
Артикул: Н-1811
в наличии
Шпонка 7х14 сегментная
Информация
Шпонка 7х14 сегментная
Шпонка УРАЛ пальца штанги реактивной 7х14 (АО АЗ УРАЛ)
Артикул: Н-1811
Шпонка УРАЛ пальца штанги реактивной 7х14 (АО АЗ УРАЛ)
Код для заказа: 00066062
Цена: 115 ₽/шт.
Под заказ
Шпонка УРАЛ пальца штанги реактивной 7х14 (АО АЗ УРАЛ)
Артикул: Н-1811
Код для заказа: 00066062
Шпонка УРАЛ пальца штанги реактивной 7х14 (АО АЗ УРАЛ)
Цена: 115 ₽/шт.
Под заказ
  • Грузовые автомобили
  • Автобусы
  • Сельхозтехника
  • Спецтехника
  • Двигатели
Получить оптовый прайс-лист
Скачать прайс-лист от 09.05.2026 16:00
Специальное предложение от 09.05.2026 17:00
Производители:


  • WEICHAI
  • Автодизель ПАО (ЯМЗ)
  • Тутаевский МЗ
  • ЯЗДА
  • УралАЗ
  • МАЗ
  • АЗПИ
  • BOSCH
  • ММЗ
  • ШААЗ
  • FEDERAL MOGUL
  • ПРАМО
  • Мотордеталь
  • ТАИМ
  • АвтоКрАЗ
  • БЕЛКАРД
  • CZ Strakonice
  • КамАЗ
  • БЗА
  • ЧМЗ
  • BMZ
Новости
Все новости
25 марта 2024
Флагманский седельный тягач «Валдай 45» на выставке «TransRussia»
10 марта 2024
Современные автобусы «CITYMAX 9» и ЛиАЗ-5292 CNG
25 февраля 2024
Серийное производство средних дизельных двигателей повышенной мощности от ЯМЗ
Статьи
Все статьи
Датчики двигателя: за что они отвечают, признаки неисправности и как не прогадать с выбором
Двигатели ЯМЗ-534: история, технические характеристики и области применения
Двигатели ЯМЗ 650: углублённый технический обзор и история
Компания
О компании
Реквизиты
Новости
Политика
Магазины
Информация
Условия оплаты
Условия доставки
Гарантия на товар
Обмен и возврат товара
Помощь
Как оформить заказ
Полезные статьи
Бренды
Пункты выдачи
Оставайтесь на связи
  • Вконтакте
  • YouTube
  • Одноклассники
  • Google Plus
Увидели ошибку?
Выделите, нажав Ctrl + Enter
Наши контакты
8-800-700-35-68
sales@din76.ru
г. Ярославль, Ленинградский пр-т 33, ТЦ "ОМЕГА"
2026 © ООО «Динамика 76» - Все права защищены ООО "Динамика 76"
Предложения на сайте не являются публичной офертой.
На сайте обнаружена ошибка

Текст с ошибкой