Избранное 0 Корзина 0 Личный кабинет
logo
Каталог
Каталог
  • Справочник
    • Грузовые автомобили
    • Автобусы
    • Сельхозтехника
    • Спецтехника
    • Двигатели
  • Доставка
  • Оплата
  • О компании
    • Реквизиты
    • Магазины
    • Оплата
    • Доставка
    • Лицензии и сертификаты
    • Новости
    • Вакансии
  • Контакты
Отправить заявку
Личный кабинет
8 (800) 700-35-68
sales@din76.ru
Избранное 0 Корзина 0
8 (800) 700-35-68
Оптовый прайс-лист
Каталог
  • Двигатели
  • Запчасти WEICHAI
  • Запчасти ЯМЗ, ТМЗ (V-образные)
  • Запчасти ЯМЗ-534, ЯМЗ-536
  • Запчасти ЯМЗ-650, ЯМЗ-651, DCi-11
  • Топливная аппаратура
  • Запчасти УРАЛ
  • Запчасти МАЗ
  • Запчасти КамАЗ
  • Запчасти ММЗ
  • Ремни
Автокаталог (справочник)
  • Доставка
  • Оплата
  • О компании
  • Контакты
8 (800) 700-35-68
Написать в Whatsapp
sales@din76.ru
Динамика 76
Меню  
  • Каталог
    • Двигатели  
      • Двигатели ТМЗ  
        • Двигатели ТМЗ для автомобилей
        • Двигатели ТМЗ для тракторов
        • Специальные двигатели ТМЗ
        • Промышленные двигатели ТМЗ
      • Двигатели ЯМЗ  
        • ЯМЗ 236
        • ЯМЗ 238
        • ЯМЗ 240
        • ЯМЗ 751
        • ЯМЗ 840
        • ЯМЗ 850
        • ЯМЗ 656
        • ЯМЗ 658
        • ЯМЗ 534
        • ЯМЗ 536
        • ЯМЗ 650
        • Двигатели ЯМЗ для электростанций
      • Двигатели КАМАЗ
      • Двигатели ММЗ
      • Двигатели индивидуальной сборки
      • Комплекты переоборудования
    • Запчасти WEICHAI  
      • Основные запчасти двигателя  
        • Клапаны и толкатели
        • Шатуны
        • Вал коленчатый и маховик
        • Вал распределительный
        • Цилиндро-поршневая группа
      • Система питания  
        • Форсунки
        • Турбокомпрессор
      • Система смазки  
        • Насос масляный
      • Головка блока
      • Ремкомплекты
      • Система охлаждения  
        • Насос водяной
        • Муфта вязкостная и крыльчатка
      • Фильтры
      • Электрооборудование  
        • Генератор
        • Стартер
    • Запчасти ЯМЗ, ТМЗ (V-образные)  
      • Основные запчасти двигателя  
        • Блок двигателя и комплектующие
        • Валы распределительные и клапаны
        • Головка блока и комплектующие
        • Цилиндро-поршневая группа
        • Маховики и комплектующие
        • Валы коленчатые и комплектующие
        • Шатуны и комплектующие
      • Система питания  
        • Коллекторы и патрубки
        • Топливные трубопроводы
        • Турбокомпрессор
        • Топливные фильтры
      • Электрооборудование двигателя
      • Система охлаждения  
        • Вязкостные муфты и крыльчатки
        • Приводы вентилятора
        • Водяные насосы
        • Водяные трубы и термостаты
      • Коробки переключения передач  
        • 8 Ступенчатые КПП
        • 5 Ступенчатые КПП
        • 9 Ступенчатые КПП
        • Запасные части КПП ЯМЗ, ТМЗ
      • Система смазки  
        • Теплообменник и комплектующие
        • Масляные насосы
        • Фильтры масляные (ФГОМ, ФЦОМ)
      • Сцепление  
        • Запасные части механизма сцепления
        • Муфты (подшипники выжимные)
        • Корзины (диски нажимные)
        • Диски ведомые
      • Прочие запчасти двигателя  
        • Ремкомплекты
        • Привод агрегатов
        • Натяжные устройства
        • Трубки
    • Запчасти ЯМЗ-534, ЯМЗ-536  
      • Основные запчасти двигателя  
        • Цилиндро-поршневая группа
        • Головка блока цилиндров и комплектующие
        • Блок цилиндров и комплектующие
        • Вал коленчатый и маховик
        • Вал распределительный
        • Клапаны и толкатели
        • ГУР (Гидроусилитель руля)
        • Система рециркуляции отработавших газов
        • Выпускной коллектор
      • Система питания  
        • Коллекторы и патрубки
        • Топливные фильтры
        • Турбокомпрессор
        • Топливные трубопроводы
      • Система смазки  
        • Масляный картер поддон
        • Масляный насос
        • Теплообменник /Водо-масляный радиатор
        • Фильтры масляные (ФГОМ, ФЦОМ)
      • Пневмокомпрессор и натяжное
      • Система охлаждения  
        • Водяной насос
        • Водяные трубы и патрубки
        • Муфты вязкостные, приводы, крыльчатки
      • Ремкомплекты
      • Сцепление
      • Электрооборудование
    • Запчасти ЯМЗ-650, ЯМЗ-651, DCi-11  
      • Основные запчасти двигателя  
        • Цилиндро-поршневая группа
        • Головка блока цилиндров и комплектующие
        • Блок цилиндров и комплектующие
        • Вал коленчатый и маховик
        • Выпускной коллектор
        • Вал распределительный
        • Клапаны и толкатели
        • ГУР (Гидроусилитель руля)
        • Система рециркуляции отработавших газов
      • Система питания  
        • Коллекторы и патрубки
        • Топливные трубопроводы
        • Топливные фильтры
        • Турбокомпрессор
      • Система смазки  
        • Масляный картер / поддон
        • Масляный насос
        • Теплообменник / Водо-масляный радиатор
        • Фильтры масляные (ФГОМ, ФЦОМ)
      • Система охлаждения  
        • Водяной насос
        • Водяные трубы и патрубки
        • Муфты вязкостные, приводы, крыльчатки
      • Ремкомплекты
      • Пневмокомпрессор и натяжное
      • Электрооборудование
      • Сцепление
    • Топливная аппаратура  
      • ЯЗДА  
        • Распылители
        • ТНВД
        • Форсунки
        • Топливный насос низкого давления
        • Пары плунжерные
        • Муфта опережения впрыска топлива
        • Запчасти и комплектующие ТНВД
      • НЗТА
      • АЗПИ  
        • Распылители
        • Форсунки
      • BOSCH
    • Запчасти УРАЛ  
      • Трансмиссия  
        • Коробка раздаточная
        • Передача карданная
        • Мост задний
        • Мост передний (ведущий)
        • Мост средний (промежуточный)
      • Кузов  
        • Дверь кабины
        • Капот, крылья, облицовка радиатора
        • Окно ветровое и заднее
        • Отопление и вентиляция кабины
        • Кабина
      • Механизмы управления  
        • Управление рулевое
        • Тормоза
      • Дополнительное оборудование  
        • Отбор мощности
        • Устройство седельное
      • Электрооборудование
      • Ходовая часть  
        • Колеса и ступицы
        • Ось передняя
        • Подвеска автомобиля
        • Рама
    • Запчасти МАЗ  
      • Трансмиссия  
        • Мост задний
        • Мост передний (ведущий)
        • Передача карданная
        • Мост средний (промежуточный)
      • Кузов  
        • Кабина
        • Дверь кабины
        • Детали основания кабины
        • Окно ветровое и заднее
        • Платформа
      • Механизмы управления  
        • Тормоза
        • Управление рулевое
      • Ходовая часть  
        • Колеса и ступицы
        • Ось передняя
        • Подвеска автомобиля
        • Рама
    • Запчасти КамАЗ  
      • Кузов  
        • Кабина
        • Капот, крылья, облицовка радиатора
        • Дверь кабины
        • Платформа
        • Окно ветровое и заднее
        • Устройство подъемное и опрокидывающее
        • Сиденье
        • Крыша кабины (крыша кузова)
        • Отопление и вентиляция кабины
      • Трансмиссия  
        • Коробка передач
        • Коробка раздаточная
        • Мост задний
        • Сцепление
        • Мост средний (промежуточный)
        • Передача карданная
        • Мост передний (ведущий)
      • Двигатель  
        • Основные запчасти двигателя
        • Система охлаждения
        • Система питания
        • Система смазки
      • Дополнительное оборудование  
        • Отбор мощности
        • Устройство седельное
      • Ходовая часть  
        • Подвеска автомобиля
        • Рама
        • Колеса и ступицы
        • Ось передняя
      • Механизмы управления  
        • Тормоза
        • Управление рулевое
      • Электрооборудование
    • Запчасти ММЗ
    • Ремни
  • Справочник
    • Грузовые автомобили
    • Автобусы
    • Сельхозтехника
    • Спецтехника
    • Двигатели
  • Как купить
    • Условия оплаты
    • Условия доставки
    • Гарантия на товар
    • Пункты выдачи
  • Услуги
    • Капитальный ремонт двигателей ЯМЗ
  • Акции
  • Статьи
  • Контакты
  • Компания
    • Реквизиты
    • Магазины
    • Оплата
    • Доставка
    • Лицензии и сертификаты
    • Новости
    • Вакансии
Избранное 0 Корзина 0
8-800-700-35-68

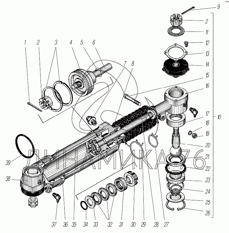
Усилительный механизм на УРАЛ-532361 (до 2015 г.)

Справочник
Главная
-
Автокаталог
-
Грузовые автомобили и прицепы
-
УралАЗ
-
УРАЛ-532361
Справочный каталог

Усилительный механизм — УРАЛ-532361:

1 2 2 3 4 5 6 7 8 9 10 11 12 13 14 15 16 17 18 19 20 21 22 23 24 25 26 27 28 29 30 31 32 33 34 35 36 37 38 39
в наличии
нет в наличии
масштаб

В наличии
Нет в наличии

Перечень комплектующих от Усилительный механизм на УРАЛ-532361

Схемы запчастей предназначены для справочных целей! Мы продаем не все запчасти от Усилительный механизм на УРАЛ-532361, представленные в этом списке.
Наличие на складах по деталям с ценой смотрите в карточке товара.
1
1
Артикул: 258053
нет в наличии
Шплинт 4х25
Количество на схеме: 1
Информация
Шплинт 4х25
Количество
1
Покрытие
без покрытия
2
2
Артикул: 334933-П29
в наличии
Гайка М22х1,5
Количество на схеме: 3
Информация
Гайка М22х1,5
Количество
3
Покрытие
цинкование и пассивирование (цинковое с хроматированием)
Гайка М22х1.5 пальца рулевого Н/О УРАЛ (АО АЗ УРАЛ)
Артикул: 334933-П29
Гайка М22х1.5 пальца рулевого Н/О УРАЛ (АО АЗ УРАЛ)
Код для заказа: 00027561
Цена: 166 ₽/шт.
Под заказ
Гайка М22х1.5 пальца рулевого Н/О УРАЛ (АО АЗ УРАЛ)
Артикул: 334933-П29
Код для заказа: 00027561
Гайка М22х1.5 пальца рулевого Н/О УРАЛ (АО АЗ УРАЛ)
Цена: 166 ₽/шт.
Под заказ
3
3
Артикул: 21083-1004025
нет в наличии
Кольцо компрессионное
Количество на схеме: 2
Информация
Кольцо компрессионное
Количество
2
Модель
21083
Группа
Двигатель
Подгруппа
Поршни и шатуны
Порядковый номер детали
025
4
4
Артикул: 5323-3405042
нет в наличии
Поршень
Количество на схеме: 1
Информация
Поршень
Количество
1
Модель
5323
Группа
Управление рулевое
Подгруппа
Цилиндр силовой гидроусилителя
Порядковый номер детали
042
5
5
Артикул: 375-3405041
нет в наличии
Полукольцо штока
Количество на схеме: 2
Информация
Полукольцо штока
Количество
2
Модель
375
Группа
Управление рулевое
Подгруппа
Цилиндр силовой гидроусилителя
Порядковый номер детали
041
6
6
Артикул: 5323-3405046
нет в наличии
Шток
Количество на схеме: 1
Информация
Шток
Количество
1
Модель
5323
Группа
Управление рулевое
Подгруппа
Цилиндр силовой гидроусилителя
Порядковый номер детали
046
7
7
Артикул: 375-3407603-Б
в наличии
Штуцер
Количество на схеме: 2
Информация
Штуцер
Количество
2
Модель
375
Группа
Управление рулевое
Подгруппа
Насос гидроусилителя механизма рулевого управления
Порядковый номер детали
603
Штуцер УРАЛ механизма рулевого (АО АЗ УРАЛ)
Артикул: 375-3407603-Б
Штуцер УРАЛ механизма рулевого (АО АЗ УРАЛ)
Код для заказа: 00066529
Цена: 265 ₽/шт.
Под заказ
Штуцер УРАЛ механизма рулевого (АО АЗ УРАЛ)
Артикул: 375-3407603-Б
Код для заказа: 00066529
Штуцер УРАЛ механизма рулевого (АО АЗ УРАЛ)
Цена: 265 ₽/шт.
Под заказ
8
8
Артикул: 375-3405051-01
в наличии
Муфта защитная штока
Количество на схеме: 1
Информация
Муфта защитная штока
Количество
1
Примечание
Допускается замена на 375-3405051-02
Модель
375
Группа
Управление рулевое
Подгруппа
Цилиндр силовой гидроусилителя
Порядковый номер детали
051
Муфта УРАЛ-375 штока ГУР защитная
Артикул: 375-3405051-01
Муфта УРАЛ-375 штока ГУР защитная
Код для заказа: 00039608
Цена: 147 ₽/шт.
Под заказ
Муфта УРАЛ-375 штока ГУР защитная
Артикул: 375-3405051-01
Код для заказа: 00039608
Муфта УРАЛ-375 штока ГУР защитная
Цена: 147 ₽/шт.
Под заказ
9
9
Артикул: 258054-П29
нет в наличии
Шплинт 4х32
Количество на схеме: 2
Информация
Шплинт 4х32
Количество
2
Покрытие
цинкование и пассивирование (цинковое с хроматированием)
10
10
Артикул: 5323-3405060
в наличии
Наконечник штока в сборе
Количество на схеме: 1
Информация
Наконечник штока в сборе
Количество
1
Модель
5323
Группа
Управление рулевое
Подгруппа
Цилиндр силовой гидроусилителя
Порядковый номер детали
060
Наконечник УРАЛ штока ГУРа усиленный палец (резьба штока М22х1.5мм) в сборе (АО АЗ УРАЛ)
Артикул: 5323-3405060
Наконечник УРАЛ штока ГУРа усиленный палец (резьба штока М22х1.5мм) в сборе (АО АЗ УРАЛ)
Код для заказа: 00040274
Цена: 6 396 ₽/шт.
Под заказ
Наконечник УРАЛ штока ГУРа усиленный палец (резьба штока М22х1.5мм) в сборе (АО АЗ УРАЛ)
Артикул: 5323-3405060
Код для заказа: 00040274
Наконечник УРАЛ штока ГУРа усиленный палец (резьба штока М22х1.5мм) в сборе (АО АЗ УРАЛ)
Цена: 6 396 ₽/шт.
Под заказ
11
11
Артикул: 4320-3414095
в наличии
Шайба
Количество на схеме: 2
Информация
Шайба
Количество
2
Модель
4320
Группа
Управление рулевое
Подгруппа
Тяги рулевые
Порядковый номер детали
095
Шайба УРАЛ наконечника (АО АЗ УРАЛ)
Артикул: 4320-3414095
Шайба УРАЛ наконечника (АО АЗ УРАЛ)
Код для заказа: 00063467
Цена: 59 ₽/шт.
Под заказ
Шайба УРАЛ наконечника (АО АЗ УРАЛ)
Артикул: 4320-3414095
Код для заказа: 00063467
Шайба УРАЛ наконечника (АО АЗ УРАЛ)
Цена: 59 ₽/шт.
Под заказ
12
12
Артикул: 4320-3414081
нет в наличии
Винт М8х12
Количество на схеме: 8
Информация
Винт М8х12
Количество
8
Модель
4320
Группа
Управление рулевое
Подгруппа
Тяги рулевые
Порядковый номер детали
081
13
13
Артикул: 4320-3414078
в наличии
Накладка муфты
Количество на схеме: 2
Информация
Накладка муфты
Количество
2
Модель
4320
Группа
Управление рулевое
Подгруппа
Тяги рулевые
Порядковый номер детали
078
Накладка УРАЛ муфты под болты (АО АЗ УРАЛ)
Артикул: 4320-3414078
Накладка УРАЛ муфты под болты (АО АЗ УРАЛ)
Код для заказа: 00040046
Цена: 75 ₽/шт.
Под заказ
Накладка УРАЛ муфты под болты (АО АЗ УРАЛ)
Артикул: 4320-3414078
Код для заказа: 00040046
Накладка УРАЛ муфты под болты (АО АЗ УРАЛ)
Цена: 75 ₽/шт.
Под заказ
14
14
Артикул: 4320-3414076-01
в наличии
Муфта защитная в сборе
Количество на схеме: 2
Информация
Муфта защитная в сборе
Количество
2
Модель
4320
Группа
Управление рулевое
Подгруппа
Тяги рулевые
Порядковый номер детали
076
Муфта УРАЛ-4320,5557,5323 защитная под болты (АО АЗ УРАЛ)
Артикул: 4320-3414076-01
Муфта УРАЛ-4320,5557,5323 защитная под болты (АО АЗ УРАЛ)
Код для заказа: 00039609
Цена: 238 ₽/шт.
Под заказ
Муфта УРАЛ-4320,5557,5323 защитная под болты (АО АЗ УРАЛ)
Артикул: 4320-3414076-01
Код для заказа: 00039609
Муфта УРАЛ-4320,5557,5323 защитная под болты (АО АЗ УРАЛ)
Цена: 238 ₽/шт.
Под заказ
Муфта УРАЛ-4320,5557,5323 защитная с металлической обоймой под болты в сборе
Артикул: 4320-3414076-01
Муфта УРАЛ-4320,5557,5323 защитная с металлической обоймой под болты в сборе
Код для заказа: 00039610
Цена: 64 ₽/шт.
Под заказ
Муфта УРАЛ-4320,5557,5323 защитная с металлической обоймой под болты в сборе
Артикул: 4320-3414076-01
Код для заказа: 00039610
Муфта УРАЛ-4320,5557,5323 защитная с металлической обоймой под болты в сборе
Цена: 64 ₽/шт.
Под заказ
15
15
Артикул: 201593-П29
в наличии
Болт М14-6gх50
Количество на схеме: 1
Информация
Болт М14-6gх50
Количество
1
Покрытие
цинкование и пассивирование (цинковое с хроматированием)
Болт М14х2х50 крепления опоры кабины задней УРАЛ (АО АЗ УРАЛ)
Артикул: 201593-П29
Болт М14х2х50 крепления опоры кабины задней УРАЛ (АО АЗ УРАЛ)
Код для заказа: 00022783
Цена: 91 ₽/шт.
Под заказ
Болт М14х2х50 крепления опоры кабины задней УРАЛ (АО АЗ УРАЛ)
Артикул: 201593-П29
Код для заказа: 00022783
Болт М14х2х50 крепления опоры кабины задней УРАЛ (АО АЗ УРАЛ)
Цена: 91 ₽/шт.
Под заказ
16
16
Артикул: 5323-3005061-01
нет в наличии
Наконечник штока
Количество на схеме: 2
Информация
Наконечник штока
Количество
2
Модель
5323
Группа
Тяги рулевые. Оси передняя и задняя
Подгруппа
3005
Порядковый номер детали
061
17
17
Артикул: 375-3003058-10
нет в наличии
Вкладыш верхний
Количество на схеме: 2
Информация
Вкладыш верхний
Количество
2
Модель
375
Группа
Тяги рулевые. Оси передняя и задняя
Подгруппа
Тяги рулевые
Порядковый номер детали
058
Дополнительно
Не взаимозаменяема с деталью, выпущенной ранее под этим же номером
18
18
Артикул: 252138-П2
нет в наличии
Шайба 14 пружинная
Количество на схеме: 1
Информация
Шайба 14 пружинная
Количество
1
Покрытие
фосфатирование и промасливание
19
19
Артикул: 250558-П29
нет в наличии
Гайка М14-6Н
Количество на схеме: 1
Информация
Гайка М14-6Н
Количество
1
Покрытие
цинкование и пассивирование (цинковое с хроматированием)
20
20
Артикул: 5323-3405282
нет в наличии
Палец
Количество на схеме: 2
Информация
Палец
Количество
2
Модель
5323
Группа
Управление рулевое
Подгруппа
Цилиндр силовой гидроусилителя
Порядковый номер детали
282
21
21
Артикул: 375-3003059
нет в наличии
Вкладыш нижний
Количество на схеме: 2
Информация
Вкладыш нижний
Количество
2
Модель
375
Группа
Тяги рулевые. Оси передняя и задняя
Подгруппа
Тяги рулевые
Порядковый номер детали
059
22
22
Артикул: 4320-3414127
нет в наличии
Уплотнитель
Количество на схеме: 2
Информация
Уплотнитель
Количество
2
Примечание
Допускается замена на 4320-3414127-01
Модель
4320
Группа
Управление рулевое
Подгруппа
Тяги рулевые
Порядковый номер детали
127
23
23
Артикул: 4320-3414085
в наличии
Обойма пружины
Количество на схеме: 2
Информация
Обойма пружины
Количество
2
Модель
4320
Группа
Управление рулевое
Подгруппа
Тяги рулевые
Порядковый номер детали
085
Обойма УРАЛ пружины наконечника (АО АЗ УРАЛ)
Артикул: 4320-3414085
Обойма УРАЛ пружины наконечника (АО АЗ УРАЛ)
Код для заказа: 00041296
Цена: 66 ₽/шт.
Под заказ
Обойма УРАЛ пружины наконечника (АО АЗ УРАЛ)
Артикул: 4320-3414085
Код для заказа: 00041296
Обойма УРАЛ пружины наконечника (АО АЗ УРАЛ)
Цена: 66 ₽/шт.
Под заказ
24
24
Артикул: 375-3003128
в наличии
Пружина
Количество на схеме: 2
Информация
Пружина
Количество
2
Модель
375
Группа
Тяги рулевые. Оси передняя и задняя
Подгруппа
Тяги рулевые
Порядковый номер детали
128
Пружина УРАЛ пальца рулевой тяги (АО АЗ УРАЛ)
Артикул: 375-3003128
Пружина УРАЛ пальца рулевой тяги (АО АЗ УРАЛ)
Код для заказа: 00049054
Цена: 57 ₽/шт.
Под заказ
Пружина УРАЛ пальца рулевой тяги (АО АЗ УРАЛ)
Артикул: 375-3003128
Код для заказа: 00049054
Пружина УРАЛ пальца рулевой тяги (АО АЗ УРАЛ)
Цена: 57 ₽/шт.
Под заказ
25
25
Артикул: 375-3003129
в наличии
Заглушка
Количество на схеме: 2
Информация
Заглушка
Количество
2
Модель
375
Группа
Тяги рулевые. Оси передняя и задняя
Подгруппа
Тяги рулевые
Порядковый номер детали
129
Заглушка УРАЛ наконечника (АО АЗ УРАЛ)
Артикул: 375-3003129
Заглушка УРАЛ наконечника (АО АЗ УРАЛ)
Код для заказа: 00030858
Цена: 58 ₽/шт.
Под заказ
Заглушка УРАЛ наконечника (АО АЗ УРАЛ)
Артикул: 375-3003129
Код для заказа: 00030858
Заглушка УРАЛ наконечника (АО АЗ УРАЛ)
Цена: 58 ₽/шт.
Под заказ
26
26
Артикул: 375-3003122
в наличии
Кольцо стопорное
Количество на схеме: 2
Информация
Кольцо стопорное
Количество
2
Модель
375
Группа
Тяги рулевые. Оси передняя и задняя
Подгруппа
Тяги рулевые
Порядковый номер детали
122
Кольцо УРАЛ стопорное (АО АЗ УРАЛ)
Артикул: 375-3003122
Кольцо УРАЛ стопорное (АО АЗ УРАЛ)
Код для заказа: 00033953
Цена: 265 ₽/шт.
Под заказ
Кольцо УРАЛ стопорное (АО АЗ УРАЛ)
Артикул: 375-3003122
Код для заказа: 00033953
Кольцо УРАЛ стопорное (АО АЗ УРАЛ)
Цена: 265 ₽/шт.
Под заказ
27
27
Артикул: 339945-П2
нет в наличии
Хомут
Количество на схеме: 1
Информация
Хомут
Количество
1
Покрытие
фосфатирование и промасливание
28
28
Артикул: 5323-3405038
нет в наличии
Поршень со штоком в сбором
Количество на схеме: 1
Информация
Поршень со штоком в сбором
Количество
1
Модель
5323
Группа
Управление рулевое
Подгруппа
Цилиндр силовой гидроусилителя
Порядковый номер детали
038
29
29
Артикул: 339946-П2
нет в наличии
Хомут
Количество на схеме: 1
Информация
Хомут
Количество
1
Покрытие
фосфатирование и промасливание
30
30
Артикул: 335058
нет в наличии
Гайка
Количество на схеме: 1
Информация
Гайка
Количество
1
Покрытие
без покрытия
31
31
Артикул: 375-3405050
нет в наличии
Кольцо нажимное в сборе
Количество на схеме: 1
Информация
Кольцо нажимное в сборе
Количество
1
Модель
375
Группа
Управление рулевое
Подгруппа
Цилиндр силовой гидроусилителя
Порядковый номер детали
050
32
32
Артикул: М22х42-2
нет в наличии
Манжета М22х42-2
Количество на схеме: 3
Информация
Манжета М22х42-2
Количество
3
33
33
Артикул: КО22х42-2
нет в наличии
Кольцо опорное
Количество на схеме: 1
Информация
Кольцо опорное
Количество
1
34
34
Артикул: 022-028-36-2-2
нет в наличии
Кольцо уплотнительное
Количество на схеме: 1
Информация
Кольцо уплотнительное
Количество
1
35
35
Артикул: 5323-3405024
нет в наличии
Цилиндр в сборе
Количество на схеме: 1
Информация
Цилиндр в сборе
Количество
1
Модель
5323
Группа
Управление рулевое
Подгруппа
Цилиндр силовой гидроусилителя
Порядковый номер детали
024
36
36
Артикул: 5323-3405081
нет в наличии
Гайка наконечника
Количество на схеме: 1
Информация
Гайка наконечника
Количество
1
Модель
5323
Группа
Управление рулевое
Подгруппа
Цилиндр силовой гидроусилителя
Порядковый номер детали
081
37
37
Артикул: 264040-П29
нет в наличии
Масленка 2.3.90.01 в сборе
Количество на схеме: 2
Информация
Масленка 2.3.90.01 в сборе
Количество
2
Покрытие
цинкование и пассивирование (цинковое с хроматированием)
38
38
Артикул: 5323-3405075
в наличии
Наконечник цилиндра гидроусилителя в сборе
Количество на схеме: 1
Информация
Наконечник цилиндра гидроусилителя в сборе
Количество
1
Модель
5323
Группа
Управление рулевое
Подгруппа
Цилиндр силовой гидроусилителя
Порядковый номер детали
075
Наконечник УРАЛ цилиндра ГУРа усиленный палец (М22х1.5мм) (АО АЗ УРАЛ)
Артикул: 5323-3405075
Наконечник УРАЛ цилиндра ГУРа усиленный палец (М22х1.5мм) (АО АЗ УРАЛ)
Код для заказа: 00040269
Цена: 8 673 ₽/шт.
Под заказ
Наконечник УРАЛ цилиндра ГУРа усиленный палец (М22х1.5мм) (АО АЗ УРАЛ)
Артикул: 5323-3405075
Код для заказа: 00040269
Наконечник УРАЛ цилиндра ГУРа усиленный палец (М22х1.5мм) (АО АЗ УРАЛ)
Цена: 8 673 ₽/шт.
Под заказ
39
39
Артикул: 090-098-46-2-2
нет в наличии
Кольцо
Количество на схеме: 1
Информация
Кольцо
Количество
1
  • Грузовые автомобили
  • Автобусы
  • Сельхозтехника
  • Спецтехника
  • Двигатели
Получить оптовый прайс-лист
Скачать прайс-лист от 07.05.2026 16:00
Специальное предложение от 07.05.2026 17:00
Производители:


  • WEICHAI
  • Автодизель ПАО (ЯМЗ)
  • Тутаевский МЗ
  • ЯЗДА
  • УралАЗ
  • МАЗ
  • АЗПИ
  • BOSCH
  • ММЗ
  • ШААЗ
  • FEDERAL MOGUL
  • ПРАМО
  • Мотордеталь
  • ТАИМ
  • АвтоКрАЗ
  • БЕЛКАРД
  • CZ Strakonice
  • КамАЗ
  • БЗА
  • ЧМЗ
  • BMZ
Новости
Все новости
25 марта 2024
Флагманский седельный тягач «Валдай 45» на выставке «TransRussia»
10 марта 2024
Современные автобусы «CITYMAX 9» и ЛиАЗ-5292 CNG
25 февраля 2024
Серийное производство средних дизельных двигателей повышенной мощности от ЯМЗ
Статьи
Все статьи
Датчики двигателя: за что они отвечают, признаки неисправности и как не прогадать с выбором
Двигатели ЯМЗ-534: история, технические характеристики и области применения
Двигатели ЯМЗ 650: углублённый технический обзор и история
Компания
О компании
Реквизиты
Новости
Политика
Магазины
Информация
Условия оплаты
Условия доставки
Гарантия на товар
Обмен и возврат товара
Помощь
Как оформить заказ
Полезные статьи
Бренды
Пункты выдачи
Оставайтесь на связи
  • Вконтакте
  • YouTube
  • Одноклассники
  • Google Plus
Увидели ошибку?
Выделите, нажав Ctrl + Enter
Наши контакты
8-800-700-35-68
sales@din76.ru
г. Ярославль, Ленинградский пр-т 33, ТЦ "ОМЕГА"
2026 © ООО «Динамика 76» - Все права защищены ООО "Динамика 76"
Предложения на сайте не являются публичной офертой.
На сайте обнаружена ошибка

Текст с ошибкой