Избранное 0 Корзина 0 Личный кабинет
logo
Каталог
Каталог
  • Справочник
    • Грузовые автомобили
    • Автобусы
    • Сельхозтехника
    • Спецтехника
    • Двигатели
  • Доставка
  • Оплата
  • О компании
    • Реквизиты
    • Магазины
    • Оплата
    • Доставка
    • Лицензии и сертификаты
    • Новости
    • Вакансии
  • Контакты
Отправить заявку
Личный кабинет
8 (800) 700-35-68
sales@din76.ru
Избранное 0 Корзина 0
8 (800) 700-35-68
Оптовый прайс-лист
Каталог
  • Двигатели
  • Запчасти WEICHAI
  • Запчасти ЯМЗ, ТМЗ (V-образные)
  • Запчасти ЯМЗ-534, ЯМЗ-536
  • Запчасти ЯМЗ-650, ЯМЗ-651, DCi-11
  • Топливная аппаратура
  • Запчасти УРАЛ
  • Запчасти МАЗ
  • Запчасти КамАЗ
  • Запчасти ММЗ
  • Ремни
Автокаталог (справочник)
  • Доставка
  • Оплата
  • О компании
  • Контакты
8 (800) 700-35-68
Написать в Whatsapp
sales@din76.ru
Динамика 76
Меню  
  • Каталог
    • Двигатели  
      • Двигатели ТМЗ  
        • Двигатели ТМЗ для автомобилей
        • Двигатели ТМЗ для тракторов
        • Специальные двигатели ТМЗ
        • Промышленные двигатели ТМЗ
      • Двигатели ЯМЗ  
        • ЯМЗ 236
        • ЯМЗ 238
        • ЯМЗ 240
        • ЯМЗ 751
        • ЯМЗ 840
        • ЯМЗ 850
        • ЯМЗ 656
        • ЯМЗ 658
        • ЯМЗ 534
        • ЯМЗ 536
        • ЯМЗ 650
        • Двигатели ЯМЗ для электростанций
      • Двигатели КАМАЗ
      • Двигатели ММЗ
      • Двигатели индивидуальной сборки
      • Комплекты переоборудования
    • Запчасти WEICHAI  
      • Основные запчасти двигателя  
        • Клапаны и толкатели
        • Шатуны
        • Вал коленчатый и маховик
        • Вал распределительный
        • Цилиндро-поршневая группа
      • Система питания  
        • Форсунки
        • Турбокомпрессор
      • Система смазки  
        • Насос масляный
      • Головка блока
      • Ремкомплекты
      • Система охлаждения  
        • Насос водяной
        • Муфта вязкостная и крыльчатка
      • Фильтры
      • Электрооборудование  
        • Генератор
        • Стартер
    • Запчасти ЯМЗ, ТМЗ (V-образные)  
      • Основные запчасти двигателя  
        • Блок двигателя и комплектующие
        • Валы распределительные и клапаны
        • Головка блока и комплектующие
        • Цилиндро-поршневая группа
        • Маховики и комплектующие
        • Валы коленчатые и комплектующие
        • Шатуны и комплектующие
      • Система питания  
        • Коллекторы и патрубки
        • Топливные трубопроводы
        • Турбокомпрессор
        • Топливные фильтры
      • Электрооборудование двигателя
      • Система охлаждения  
        • Вязкостные муфты и крыльчатки
        • Приводы вентилятора
        • Водяные насосы
        • Водяные трубы и термостаты
      • Коробки переключения передач  
        • 8 Ступенчатые КПП
        • 5 Ступенчатые КПП
        • 9 Ступенчатые КПП
        • Запасные части КПП ЯМЗ, ТМЗ
      • Система смазки  
        • Теплообменник и комплектующие
        • Масляные насосы
        • Фильтры масляные (ФГОМ, ФЦОМ)
      • Сцепление  
        • Запасные части механизма сцепления
        • Муфты (подшипники выжимные)
        • Корзины (диски нажимные)
        • Диски ведомые
      • Прочие запчасти двигателя  
        • Ремкомплекты
        • Привод агрегатов
        • Натяжные устройства
        • Трубки
    • Запчасти ЯМЗ-534, ЯМЗ-536  
      • Основные запчасти двигателя  
        • Цилиндро-поршневая группа
        • Головка блока цилиндров и комплектующие
        • Блок цилиндров и комплектующие
        • Вал коленчатый и маховик
        • Вал распределительный
        • Клапаны и толкатели
        • ГУР (Гидроусилитель руля)
        • Система рециркуляции отработавших газов
        • Выпускной коллектор
      • Система питания  
        • Коллекторы и патрубки
        • Топливные фильтры
        • Турбокомпрессор
        • Топливные трубопроводы
      • Система смазки  
        • Масляный картер поддон
        • Масляный насос
        • Теплообменник /Водо-масляный радиатор
        • Фильтры масляные (ФГОМ, ФЦОМ)
      • Пневмокомпрессор и натяжное
      • Система охлаждения  
        • Водяной насос
        • Водяные трубы и патрубки
        • Муфты вязкостные, приводы, крыльчатки
      • Ремкомплекты
      • Сцепление
      • Электрооборудование
    • Запчасти ЯМЗ-650, ЯМЗ-651, DCi-11  
      • Основные запчасти двигателя  
        • Цилиндро-поршневая группа
        • Головка блока цилиндров и комплектующие
        • Блок цилиндров и комплектующие
        • Вал коленчатый и маховик
        • Выпускной коллектор
        • Вал распределительный
        • Клапаны и толкатели
        • ГУР (Гидроусилитель руля)
        • Система рециркуляции отработавших газов
      • Система питания  
        • Коллекторы и патрубки
        • Топливные трубопроводы
        • Топливные фильтры
        • Турбокомпрессор
      • Система смазки  
        • Масляный картер / поддон
        • Масляный насос
        • Теплообменник / Водо-масляный радиатор
        • Фильтры масляные (ФГОМ, ФЦОМ)
      • Система охлаждения  
        • Водяной насос
        • Водяные трубы и патрубки
        • Муфты вязкостные, приводы, крыльчатки
      • Ремкомплекты
      • Пневмокомпрессор и натяжное
      • Электрооборудование
      • Сцепление
    • Топливная аппаратура  
      • ЯЗДА  
        • Распылители
        • ТНВД
        • Форсунки
        • Топливный насос низкого давления
        • Пары плунжерные
        • Муфта опережения впрыска топлива
        • Запчасти и комплектующие ТНВД
      • НЗТА
      • АЗПИ  
        • Распылители
        • Форсунки
      • BOSCH
    • Запчасти УРАЛ  
      • Трансмиссия  
        • Коробка раздаточная
        • Передача карданная
        • Мост задний
        • Мост передний (ведущий)
        • Мост средний (промежуточный)
      • Кузов  
        • Дверь кабины
        • Капот, крылья, облицовка радиатора
        • Окно ветровое и заднее
        • Отопление и вентиляция кабины
        • Кабина
      • Механизмы управления  
        • Управление рулевое
        • Тормоза
      • Дополнительное оборудование  
        • Отбор мощности
        • Устройство седельное
      • Электрооборудование
      • Ходовая часть  
        • Колеса и ступицы
        • Ось передняя
        • Подвеска автомобиля
        • Рама
    • Запчасти МАЗ  
      • Трансмиссия  
        • Мост задний
        • Мост передний (ведущий)
        • Передача карданная
        • Мост средний (промежуточный)
      • Кузов  
        • Кабина
        • Дверь кабины
        • Детали основания кабины
        • Окно ветровое и заднее
        • Платформа
      • Механизмы управления  
        • Тормоза
        • Управление рулевое
      • Ходовая часть  
        • Колеса и ступицы
        • Ось передняя
        • Подвеска автомобиля
        • Рама
    • Запчасти КамАЗ  
      • Кузов  
        • Кабина
        • Капот, крылья, облицовка радиатора
        • Дверь кабины
        • Платформа
        • Окно ветровое и заднее
        • Устройство подъемное и опрокидывающее
        • Сиденье
        • Крыша кабины (крыша кузова)
        • Отопление и вентиляция кабины
      • Трансмиссия  
        • Коробка передач
        • Коробка раздаточная
        • Мост задний
        • Сцепление
        • Мост средний (промежуточный)
        • Передача карданная
        • Мост передний (ведущий)
      • Двигатель  
        • Основные запчасти двигателя
        • Система охлаждения
        • Система питания
        • Система смазки
      • Дополнительное оборудование  
        • Отбор мощности
        • Устройство седельное
      • Ходовая часть  
        • Подвеска автомобиля
        • Рама
        • Колеса и ступицы
        • Ось передняя
      • Механизмы управления  
        • Тормоза
        • Управление рулевое
      • Электрооборудование
    • Запчасти ММЗ
    • Ремни
  • Справочник
    • Грузовые автомобили
    • Автобусы
    • Сельхозтехника
    • Спецтехника
    • Двигатели
  • Как купить
    • Условия оплаты
    • Условия доставки
    • Гарантия на товар
    • Пункты выдачи
  • Услуги
    • Капитальный ремонт двигателей ЯМЗ
  • Акции
  • Статьи
  • Контакты
  • Компания
    • Реквизиты
    • Магазины
    • Оплата
    • Доставка
    • Лицензии и сертификаты
    • Новости
    • Вакансии
Избранное 0 Корзина 0
8-800-700-35-68

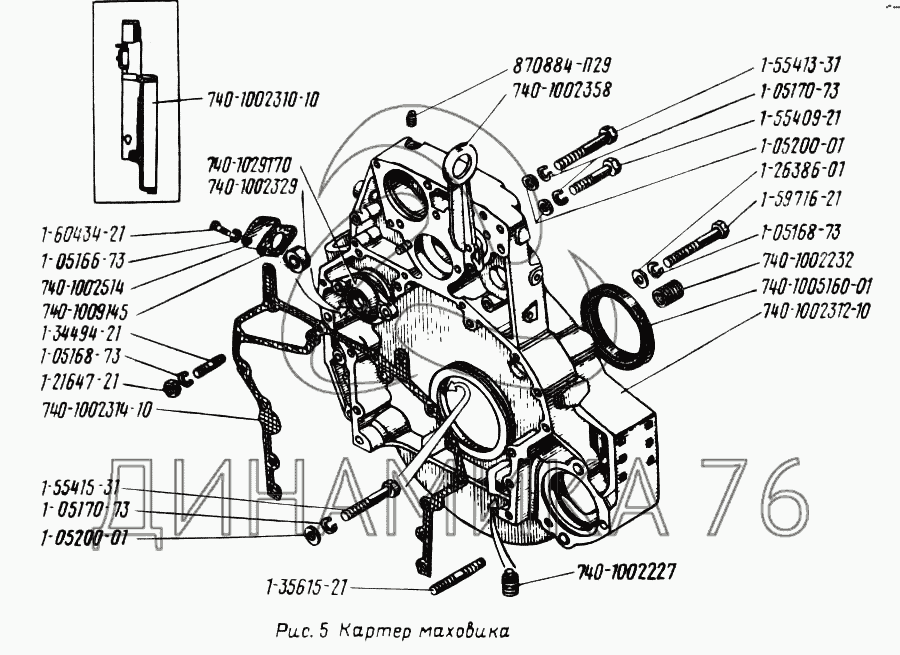
Картер маховика на УРАЛ-4320

Справочник
Главная
-
Автокаталог
-
Грузовые автомобили и прицепы
-
УралАЗ
-
УРАЛ-4320
Справочный каталог

Картер маховика — УРАЛ-4320:

1-05166-73 1-05168-73 1-05168-73 1-05170-73 1-05170-73 1-05200-01 1-05200-01 1-21647-21 1-26386-01 1-34494-21 1-35615-21 1-55409-21 1-55413-31 1-55415-31 1-59716-21 1-60434-21 740-1002227 740-1002232 740-1002310-10 740-1002312-10 740-1002314-10 740-1002329 740-1002358 740-1002514 740-1005160-01 740-1009010-20 740-1009040-10 740-1009145 740-1029170 870884-П29
в наличии
нет в наличии
масштаб

В наличии
Нет в наличии

Перечень комплектующих от Картер маховика на УРАЛ-4320

Схемы запчастей предназначены для справочных целей! Мы продаем не все запчасти от Картер маховика на УРАЛ-4320, представленные в этом списке.
Наличие на складах по деталям с ценой смотрите в карточке товара.
Артикул: 1-05166-73
нет в наличии
Шайба 8 пружинная
Информация
Шайба 8 пружинная
Материал
другие металлические материалы, т. е. не сталь, не латунь, не легкий сплав, не медь
Покрытие
фосфатирование
Артикул: 1-05168-73
нет в наличии
Шайба 10 пружинная
Информация
Шайба 10 пружинная
Материал
другие металлические материалы, т. е. не сталь, не латунь, не легкий сплав, не медь
Покрытие
фосфатирование
Артикул: 1-05170-73
нет в наличии
Шайба 12 пружинная
Информация
Шайба 12 пружинная
Материал
другие металлические материалы, т. е. не сталь, не латунь, не легкий сплав, не медь
Покрытие
фосфатирование
Артикул: 1-05200-01
нет в наличии
Шайба 12
Информация
Шайба 12
Материал
сталь 40 (сталь с пределом прочности на разрыв 333-490 (34-50) МПа (кг/мм2)
Покрытие
цинкование
Артикул: 1-21647-21
нет в наличии
Гайка М10х1,25
Информация
Гайка М10х1,25
Материал
сталь 80 (сталь с пределом прочности на разрыв 784-980 (80-100) МПа (кг/мм2)
Покрытие
цинкование
Артикул: 1-26386-01
нет в наличии
Шайба 10
Информация
Шайба 10
Материал
сталь 40 (сталь с пределом прочности на разрыв 333-490 (34-50) МПа (кг/мм2)
Покрытие
цинкование
Артикул: 1-34494-21
нет в наличии
Шпилька М10х1,25х22
Информация
Шпилька М10х1,25х22
Материал
сталь 80 (сталь с пределом прочности на разрыв 784-980 (80-100) МПа (кг/мм2)
Покрытие
цинкование
Артикул: 1-35615-21
нет в наличии
Шпилька М16х1,5х32х40
Информация
Шпилька М16х1,5х32х40
Материал
сталь 80 (сталь с пределом прочности на разрыв 784-980 (80-100) МПа (кг/мм2)
Покрытие
цинкование
Артикул: 1-55409-21
нет в наличии
Болт М12х1,25х55
Информация
Болт М12х1,25х55
Материал
сталь 80 (сталь с пределом прочности на разрыв 784-980 (80-100) МПа (кг/мм2)
Покрытие
цинкование
Артикул: 1-55413-31
нет в наличии
Болт М12х1,25х75
Информация
Болт М12х1,25х75
Материал
сталь 100 (сталь с пределом прочности на разрыв 980-1176 (100-120) МПа (кг/мм2)
Покрытие
цинкование
Артикул: 1-55415-31
нет в наличии
Болт М12х1,25х90
Информация
Болт М12х1,25х90
Материал
сталь 100 (сталь с пределом прочности на разрыв 980-1176 (100-120) МПа (кг/мм2)
Покрытие
цинкование
Артикул: 1-59716-21
нет в наличии
Болт М10х1,25х90
Информация
Болт М10х1,25х90
Материал
сталь 80 (сталь с пределом прочности на разрыв 784-980 (80-100) МПа (кг/мм2)
Покрытие
цинкование
Артикул: 1-60434-21
нет в наличии
Болт М8х20
Информация
Болт М8х20
Материал
сталь 80 (сталь с пределом прочности на разрыв 784-980 (80-100) МПа (кг/мм2)
Покрытие
цинкование
Артикул: 740-1002227
нет в наличии
Ввертыш М14х1,5-М8
Информация
Ввертыш М14х1,5-М8
Группа
Двигатель
Подгруппа
Блок цилиндров
Порядковый номер детали
227
Артикул: 740-1002232
нет в наличии
Ввертыш М18х1,5-М12х1,25
Информация
Ввертыш М18х1,5-М12х1,25
Группа
Двигатель
Подгруппа
Блок цилиндров
Порядковый номер детали
232
Артикул: 740-1002310-10
нет в наличии
Картер маховика
Количество на схеме: 1
Информация
Картер маховика
Количество
1
Кол. на год
1;
Модель
740
Группа
Двигатель
Подгруппа
Блок цилиндров
Порядковый номер детали
310
Дополнительно
Не взаимозаменяема с деталью, выпущенной ранее под этим же номером
Артикул: 740-1002312-10
нет в наличии
Картер маховика
Информация
Картер маховика
Группа
Двигатель
Подгруппа
Блок цилиндров
Порядковый номер детали
312
Дополнительно
Не взаимозаменяема с деталью, выпущенной ранее под этим же номером
Артикул: 740-1002314-10
нет в наличии
Прокладка
Информация
Прокладка
Группа
Двигатель
Подгруппа
Блок цилиндров
Порядковый номер детали
314
Дополнительно
Не взаимозаменяема с деталью, выпущенной ранее под этим же номером
Артикул: 740-1002329
нет в наличии
Вставка картера маховика
Информация
Вставка картера маховика
Группа
Двигатель
Подгруппа
Блок цилиндров
Порядковый номер детали
329
Артикул: 740-1002358
нет в наличии
Рым задний
Информация
Рым задний
Группа
Двигатель
Подгруппа
Блок цилиндров
Порядковый номер детали
358
Артикул: 740-1002514
нет в наличии
Заглушка отверстия под маслоналивную горловину
Информация
Заглушка отверстия под маслоналивную горловину
Группа
Двигатель
Подгруппа
Блок цилиндров
Порядковый номер детали
514
Артикул: 740-1005160-01
нет в наличии
Манжета коленчатого вала
Количество на схеме: 1
Информация
Манжета коленчатого вала
Количество
1
Кол. на год
25;
Модель
740
Группа
Двигатель
Подгруппа
Вал коленчатый и маховик
Порядковый номер детали
160
Артикул: 740-1009010-20
в наличии
Картер масляный
Количество на схеме: 1
Информация
Картер масляный
Количество
1
Кол. на год
1;
Модель
740
Группа
Двигатель
Подгруппа
Картер масляный
Порядковый номер детали
010
Дополнительно
Не взаимозаменяема с деталью, выпущенной ранее под этим же номером
Картер УРАЛ (дв.КАМАЗ) масляный (ОАО КАМАЗ)
Артикул: 740-1009010-20
Картер УРАЛ (дв.КАМАЗ) масляный (ОАО КАМАЗ)
Код для заказа: 00031878
Цена: 7 925 ₽/шт.
Под заказ
Картер УРАЛ (дв.КАМАЗ) масляный (ОАО КАМАЗ)
Артикул: 740-1009010-20
Код для заказа: 00031878
Картер УРАЛ (дв.КАМАЗ) масляный (ОАО КАМАЗ)
Цена: 7 925 ₽/шт.
Под заказ
Артикул: 740-1009040-10
нет в наличии
Прокладка картера масляного
Количество на схеме: 1
Информация
Прокладка картера масляного
Количество
1
Кол. на год
25;
Модель
740
Группа
Двигатель
Подгруппа
Картер масляный
Порядковый номер детали
040
Дополнительно
Не взаимозаменяема с деталью, выпущенной ранее под этим же номером
Артикул: 740-1009145
нет в наличии
Прокладка заглушки
Информация
Прокладка заглушки
Группа
Двигатель
Подгруппа
Картер масляный
Порядковый номер детали
145
Артикул: 740-1029170
в наличии
Корпус переднего подшипника
Количество на схеме: 1
Информация
Корпус переднего подшипника
Количество
1
Кол. на год
1;
Модель
740
Группа
Двигатель
Подгруппа
Привод агрегатов
Порядковый номер детали
170
Корпус КАМАЗ подшипника переднего в сборе (ОАО КАМАЗ)
Артикул: 740-1029170
Корпус КАМАЗ подшипника переднего в сборе (ОАО КАМАЗ)
Код для заказа: 00034745
Цена: 2 156 ₽/шт.
Под заказ
Корпус КАМАЗ подшипника переднего в сборе (ОАО КАМАЗ)
Артикул: 740-1029170
Код для заказа: 00034745
Корпус КАМАЗ подшипника переднего в сборе (ОАО КАМАЗ)
Цена: 2 156 ₽/шт.
Под заказ
Артикул: 870884-П29
нет в наличии
Пробка КГ1/8
Информация
Пробка КГ1/8
  • Грузовые автомобили
  • Автобусы
  • Сельхозтехника
  • Спецтехника
  • Двигатели
Получить оптовый прайс-лист
Скачать прайс-лист от 07.05.2026 12:00
Специальное предложение от 07.05.2026 13:00
Производители:


  • WEICHAI
  • Автодизель ПАО (ЯМЗ)
  • Тутаевский МЗ
  • ЯЗДА
  • УралАЗ
  • МАЗ
  • АЗПИ
  • BOSCH
  • ММЗ
  • ШААЗ
  • FEDERAL MOGUL
  • ПРАМО
  • Мотордеталь
  • ТАИМ
  • АвтоКрАЗ
  • БЕЛКАРД
  • CZ Strakonice
  • КамАЗ
  • БЗА
  • ЧМЗ
  • BMZ
Новости
Все новости
25 марта 2024
Флагманский седельный тягач «Валдай 45» на выставке «TransRussia»
10 марта 2024
Современные автобусы «CITYMAX 9» и ЛиАЗ-5292 CNG
25 февраля 2024
Серийное производство средних дизельных двигателей повышенной мощности от ЯМЗ
Статьи
Все статьи
Датчики двигателя: за что они отвечают, признаки неисправности и как не прогадать с выбором
Двигатели ЯМЗ-534: история, технические характеристики и области применения
Двигатели ЯМЗ 650: углублённый технический обзор и история
Компания
О компании
Реквизиты
Новости
Политика
Магазины
Информация
Условия оплаты
Условия доставки
Гарантия на товар
Обмен и возврат товара
Помощь
Как оформить заказ
Полезные статьи
Бренды
Пункты выдачи
Оставайтесь на связи
  • Вконтакте
  • YouTube
  • Одноклассники
  • Google Plus
Увидели ошибку?
Выделите, нажав Ctrl + Enter
Наши контакты
8-800-700-35-68
sales@din76.ru
г. Ярославль, Ленинградский пр-т 33, ТЦ "ОМЕГА"
2026 © ООО «Динамика 76» - Все права защищены ООО "Динамика 76"
Предложения на сайте не являются публичной офертой.
На сайте обнаружена ошибка

Текст с ошибкой