Избранное 0 Корзина 0 Личный кабинет
logo
Каталог
Каталог
  • Справочник
    • Грузовые автомобили
    • Автобусы
    • Сельхозтехника
    • Спецтехника
    • Двигатели
  • Доставка
  • Оплата
  • О компании
    • Реквизиты
    • Магазины
    • Оплата
    • Доставка
    • Лицензии и сертификаты
    • Новости
    • Вакансии
  • Контакты
Отправить заявку
Личный кабинет
8 (800) 700-35-68
sales@din76.ru
Избранное 0 Корзина 0
8 (800) 700-35-68
Оптовый прайс-лист
Каталог
  • Двигатели
  • Запчасти WEICHAI
  • Запчасти ЯМЗ, ТМЗ (V-образные)
  • Запчасти ЯМЗ-534, ЯМЗ-536
  • Запчасти ЯМЗ-650, ЯМЗ-651, DCi-11
  • Топливная аппаратура
  • Запчасти УРАЛ
  • Запчасти МАЗ
  • Запчасти КамАЗ
  • Запчасти ММЗ
  • Ремни
Автокаталог (справочник)
  • Доставка
  • Оплата
  • О компании
  • Контакты
8 (800) 700-35-68
Написать в Whatsapp
sales@din76.ru
Динамика 76
Меню  
  • Каталог
    • Двигатели  
      • Двигатели ТМЗ  
        • Двигатели ТМЗ для автомобилей
        • Двигатели ТМЗ для тракторов
        • Специальные двигатели ТМЗ
        • Промышленные двигатели ТМЗ
      • Двигатели ЯМЗ  
        • ЯМЗ 236
        • ЯМЗ 238
        • ЯМЗ 240
        • ЯМЗ 751
        • ЯМЗ 840
        • ЯМЗ 850
        • ЯМЗ 656
        • ЯМЗ 658
        • ЯМЗ 534
        • ЯМЗ 536
        • ЯМЗ 650
        • Двигатели ЯМЗ для электростанций
      • Двигатели КАМАЗ
      • Двигатели ММЗ
      • Двигатели индивидуальной сборки
      • Комплекты переоборудования
    • Запчасти WEICHAI  
      • Основные запчасти двигателя  
        • Клапаны и толкатели
        • Шатуны
        • Вал коленчатый и маховик
        • Вал распределительный
        • Цилиндро-поршневая группа
      • Система питания  
        • Форсунки
        • Турбокомпрессор
      • Система смазки  
        • Насос масляный
      • Головка блока
      • Ремкомплекты
      • Система охлаждения  
        • Насос водяной
        • Муфта вязкостная и крыльчатка
      • Фильтры
      • Электрооборудование  
        • Генератор
        • Стартер
    • Запчасти ЯМЗ, ТМЗ (V-образные)  
      • Основные запчасти двигателя  
        • Блок двигателя и комплектующие
        • Валы распределительные и клапаны
        • Головка блока и комплектующие
        • Цилиндро-поршневая группа
        • Маховики и комплектующие
        • Валы коленчатые и комплектующие
        • Шатуны и комплектующие
      • Система питания  
        • Коллекторы и патрубки
        • Топливные трубопроводы
        • Турбокомпрессор
        • Топливные фильтры
      • Электрооборудование двигателя
      • Система охлаждения  
        • Вязкостные муфты и крыльчатки
        • Приводы вентилятора
        • Водяные насосы
        • Водяные трубы и термостаты
      • Коробки переключения передач  
        • 8 Ступенчатые КПП
        • 5 Ступенчатые КПП
        • 9 Ступенчатые КПП
        • Запасные части КПП ЯМЗ, ТМЗ
      • Система смазки  
        • Теплообменник и комплектующие
        • Масляные насосы
        • Фильтры масляные (ФГОМ, ФЦОМ)
      • Сцепление  
        • Запасные части механизма сцепления
        • Муфты (подшипники выжимные)
        • Корзины (диски нажимные)
        • Диски ведомые
      • Прочие запчасти двигателя  
        • Ремкомплекты
        • Привод агрегатов
        • Натяжные устройства
        • Трубки
    • Запчасти ЯМЗ-534, ЯМЗ-536  
      • Основные запчасти двигателя  
        • Цилиндро-поршневая группа
        • Головка блока цилиндров и комплектующие
        • Блок цилиндров и комплектующие
        • Вал коленчатый и маховик
        • Вал распределительный
        • Клапаны и толкатели
        • ГУР (Гидроусилитель руля)
        • Система рециркуляции отработавших газов
        • Выпускной коллектор
      • Система питания  
        • Коллекторы и патрубки
        • Топливные фильтры
        • Турбокомпрессор
        • Топливные трубопроводы
      • Система смазки  
        • Масляный картер поддон
        • Масляный насос
        • Теплообменник /Водо-масляный радиатор
        • Фильтры масляные (ФГОМ, ФЦОМ)
      • Пневмокомпрессор и натяжное
      • Система охлаждения  
        • Водяной насос
        • Водяные трубы и патрубки
        • Муфты вязкостные, приводы, крыльчатки
      • Ремкомплекты
      • Сцепление
      • Электрооборудование
    • Запчасти ЯМЗ-650, ЯМЗ-651, DCi-11  
      • Основные запчасти двигателя  
        • Цилиндро-поршневая группа
        • Головка блока цилиндров и комплектующие
        • Блок цилиндров и комплектующие
        • Вал коленчатый и маховик
        • Выпускной коллектор
        • Вал распределительный
        • Клапаны и толкатели
        • ГУР (Гидроусилитель руля)
        • Система рециркуляции отработавших газов
      • Система питания  
        • Коллекторы и патрубки
        • Топливные трубопроводы
        • Топливные фильтры
        • Турбокомпрессор
      • Система смазки  
        • Масляный картер / поддон
        • Масляный насос
        • Теплообменник / Водо-масляный радиатор
        • Фильтры масляные (ФГОМ, ФЦОМ)
      • Система охлаждения  
        • Водяной насос
        • Водяные трубы и патрубки
        • Муфты вязкостные, приводы, крыльчатки
      • Ремкомплекты
      • Пневмокомпрессор и натяжное
      • Электрооборудование
      • Сцепление
    • Топливная аппаратура  
      • ЯЗДА  
        • Распылители
        • ТНВД
        • Форсунки
        • Топливный насос низкого давления
        • Пары плунжерные
        • Муфта опережения впрыска топлива
        • Запчасти и комплектующие ТНВД
      • НЗТА
      • АЗПИ  
        • Распылители
        • Форсунки
      • BOSCH
    • Запчасти УРАЛ  
      • Трансмиссия  
        • Коробка раздаточная
        • Передача карданная
        • Мост задний
        • Мост передний (ведущий)
        • Мост средний (промежуточный)
      • Кузов  
        • Дверь кабины
        • Капот, крылья, облицовка радиатора
        • Окно ветровое и заднее
        • Отопление и вентиляция кабины
        • Кабина
      • Механизмы управления  
        • Управление рулевое
        • Тормоза
      • Дополнительное оборудование  
        • Отбор мощности
        • Устройство седельное
      • Электрооборудование
      • Ходовая часть  
        • Колеса и ступицы
        • Ось передняя
        • Подвеска автомобиля
        • Рама
    • Запчасти МАЗ  
      • Трансмиссия  
        • Мост задний
        • Мост передний (ведущий)
        • Передача карданная
        • Мост средний (промежуточный)
      • Кузов  
        • Кабина
        • Дверь кабины
        • Детали основания кабины
        • Окно ветровое и заднее
        • Платформа
      • Механизмы управления  
        • Тормоза
        • Управление рулевое
      • Ходовая часть  
        • Колеса и ступицы
        • Ось передняя
        • Подвеска автомобиля
        • Рама
    • Запчасти КамАЗ  
      • Кузов  
        • Кабина
        • Капот, крылья, облицовка радиатора
        • Дверь кабины
        • Платформа
        • Окно ветровое и заднее
        • Устройство подъемное и опрокидывающее
        • Сиденье
        • Крыша кабины (крыша кузова)
        • Отопление и вентиляция кабины
      • Трансмиссия  
        • Коробка передач
        • Коробка раздаточная
        • Мост задний
        • Сцепление
        • Мост средний (промежуточный)
        • Передача карданная
        • Мост передний (ведущий)
      • Двигатель  
        • Основные запчасти двигателя
        • Система охлаждения
        • Система питания
        • Система смазки
      • Дополнительное оборудование  
        • Отбор мощности
        • Устройство седельное
      • Ходовая часть  
        • Подвеска автомобиля
        • Рама
        • Колеса и ступицы
        • Ось передняя
      • Механизмы управления  
        • Тормоза
        • Управление рулевое
      • Электрооборудование
    • Запчасти ММЗ
    • Ремни
  • Справочник
    • Грузовые автомобили
    • Автобусы
    • Сельхозтехника
    • Спецтехника
    • Двигатели
  • Как купить
    • Условия оплаты
    • Условия доставки
    • Гарантия на товар
    • Пункты выдачи
  • Услуги
    • Капитальный ремонт двигателей ЯМЗ
  • Акции
  • Статьи
  • Контакты
  • Компания
    • Реквизиты
    • Магазины
    • Оплата
    • Доставка
    • Лицензии и сертификаты
    • Новости
    • Вакансии
Избранное 0 Корзина 0
8-800-700-35-68

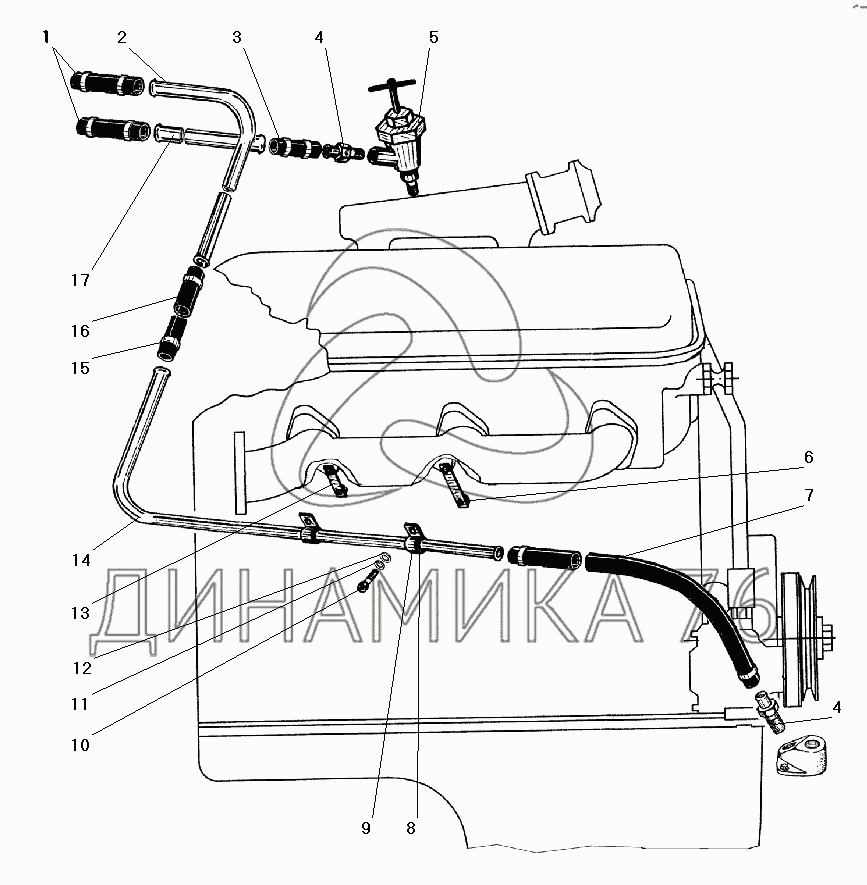
Трубопроводы системы отопления кабины на УРАЛ-4320-41

Справочник
Главная
-
Автокаталог
-
Грузовые автомобили и прицепы
-
УралАЗ
-
УРАЛ-4320-41
Справочный каталог

Трубопроводы системы отопления кабины — УРАЛ-4320-41:

1 2 3 4 4 5 6 7 8 9 10 11 12 13 14 15 16 17
в наличии
нет в наличии
масштаб

В наличии
Нет в наличии

Перечень комплектующих от Трубопроводы системы отопления кабины на УРАЛ-4320-41

Схемы запчастей предназначены для справочных целей! Мы продаем не все запчасти от Трубопроводы системы отопления кабины на УРАЛ-4320-41, представленные в этом списке.
Наличие на складах по деталям с ценой смотрите в карточке товара.
1
1
Артикул: 4320Я3-8101170
нет в наличии
Рукав 16х25-1,47 L=60
Количество на схеме: 2
Информация
Рукав 16х25-1,47 L=60
Количество
2
Модель
4320Я3
Группа
Отопление и вентиляция кабины
Подгруппа
Отопитель (кузова)
Порядковый номер детали
170
2
2
Артикул: 4320Я3-8101207
нет в наличии
Труба отопителя отводящая
Количество на схеме: 1
Информация
Труба отопителя отводящая
Количество
1
Модель
4320Я3
Группа
Отопление и вентиляция кабины
Подгруппа
Отопитель (кузова)
Порядковый номер детали
207
3
3
Артикул: 4320Я3-8101171
нет в наличии
Шланг
Количество на схеме: 1
Информация
Шланг
Количество
1
Модель
4320Я3
Группа
Отопление и вентиляция кабины
Подгруппа
Отопитель (кузова)
Порядковый номер детали
171
4
4
Артикул: 4320-1013123
в наличии
Штуцер
Количество на схеме: 2
Информация
Штуцер
Количество
2
Модель
4320
Группа
Двигатель
Подгруппа
Радиатор масляный
Порядковый номер детали
123
Штуцер УРАЛ крана радиатора масляного (АО АЗ УРАЛ)
Артикул: 4320-1013123
Штуцер УРАЛ крана радиатора масляного (АО АЗ УРАЛ)
Код для заказа: 00066527
Цена: 224 ₽/шт.
Под заказ
Штуцер УРАЛ крана радиатора масляного (АО АЗ УРАЛ)
Артикул: 4320-1013123
Код для заказа: 00066527
Штуцер УРАЛ крана радиатора масляного (АО АЗ УРАЛ)
Цена: 224 ₽/шт.
Под заказ
5
5
Артикул: 5557-8101180
в наличии
Кран масляного радиатора в сборе
Количество на схеме: 1
Информация
Кран масляного радиатора в сборе
Количество
1
Модель
5557
Группа
Отопление и вентиляция кабины
Подгруппа
Отопитель (кузова)
Порядковый номер детали
180
Кран УРАЛ отопителя, радиатора масляного (АО АЗ УРАЛ)
Артикул: 5557-8101180
Кран УРАЛ отопителя, радиатора масляного (АО АЗ УРАЛ)
Код для заказа: 00035285
Цена: 655 ₽/шт.
Под заказ
Кран УРАЛ отопителя, радиатора масляного (АО АЗ УРАЛ)
Артикул: 5557-8101180
Код для заказа: 00035285
Кран УРАЛ отопителя, радиатора масляного (АО АЗ УРАЛ)
Цена: 655 ₽/шт.
Под заказ
6
6
Артикул: 4320Я-8101298
нет в наличии
Кронштейн трубы отопителя задний
Количество на схеме: 1
Информация
Кронштейн трубы отопителя задний
Количество
1
Модель
4320Я
Группа
Отопление и вентиляция кабины
Подгруппа
Отопитель (кузова)
Порядковый номер детали
298
7
7
Артикул: 4320-1013105
в наличии
Шланг водоотводящий отопителя нижний
Количество на схеме: 1
Информация
Шланг водоотводящий отопителя нижний
Количество
1
Модель
4320
Группа
Двигатель
Подгруппа
Радиатор масляный
Порядковый номер детали
105
Шланг УРАЛ отопителя нижний d=16х25мм, L=400мм дв.ЯМЗ УРАЛАЗ-УВК
Артикул: 4320-1013105
Шланг УРАЛ отопителя нижний d=16х25мм, L=400мм дв.ЯМЗ УРАЛАЗ-УВК
Код для заказа: 00065724
Цена: 511 ₽/шт.
Под заказ
Шланг УРАЛ отопителя нижний d=16х25мм, L=400мм дв.ЯМЗ УРАЛАЗ-УВК
Артикул: 4320-1013105
Код для заказа: 00065724
Шланг УРАЛ отопителя нижний d=16х25мм, L=400мм дв.ЯМЗ УРАЛАЗ-УВК
Цена: 511 ₽/шт.
Под заказ
8
8
Артикул: 375-3506023
нет в наличии
Прокладка хомута
Количество на схеме: 2
Информация
Прокладка хомута
Количество
2
Модель
375
Группа
Тормоза
Подгруппа
Трубопроводы пневмотормозов
Порядковый номер детали
023
9
9
Артикул: 339098-П29
нет в наличии
Хомут крепления шланга
Количество на схеме: 2
Информация
Хомут крепления шланга
Количество
2
Покрытие
цинкование и пассивирование (цинковое с хроматированием)
10
10
Артикул: 201452-П29
нет в наличии
Болт М8х12
Количество на схеме: 2
Информация
Болт М8х12
Количество
2
Покрытие
цинкование и пассивирование (цинковое с хроматированием)
11
11
Артикул: 252155-П2
нет в наличии
Шайба 8 пружинная
Количество на схеме: 2
Информация
Шайба 8 пружинная
Количество
2
Покрытие
фосфатирование и промасливание
12
12
Артикул: 252038-П29
нет в наличии
Шайба 8,5
Количество на схеме: 2
Информация
Шайба 8,5
Количество
2
Покрытие
цинкование и пассивирование (цинковое с хроматированием)
13
13
Артикул: 4320Я-8101291
нет в наличии
Кронштейн трубы отопителя передний
Количество на схеме: 1
Информация
Кронштейн трубы отопителя передний
Количество
1
Модель
4320Я
Группа
Отопление и вентиляция кабины
Подгруппа
Отопитель (кузова)
Порядковый номер детали
291
14
14
Артикул: 4320Я3-8101210
нет в наличии
Труба отопителя отводящая
Количество на схеме: 1
Информация
Труба отопителя отводящая
Количество
1
Модель
4320Я3
Группа
Отопление и вентиляция кабины
Подгруппа
Отопитель (кузова)
Порядковый номер детали
210
15
15
Артикул: 00-10-00-02
нет в наличии
Хомут
Количество на схеме: 10
Информация
Хомут
Количество
10
16
16
Артикул: 4320Я3-8101172
нет в наличии
Шланг водоотводящий отопителя верхний
Количество на схеме: 1
Информация
Шланг водоотводящий отопителя верхний
Количество
1
Модель
4320Я3
Группа
Отопление и вентиляция кабины
Подгруппа
Отопитель (кузова)
Порядковый номер детали
172
17
17
Артикул: 4320Я3-8101206
нет в наличии
Труба отопителя подводящая
Количество на схеме: 1
Информация
Труба отопителя подводящая
Количество
1
Модель
4320Я3
Группа
Отопление и вентиляция кабины
Подгруппа
Отопитель (кузова)
Порядковый номер детали
206
  • Грузовые автомобили
  • Автобусы
  • Сельхозтехника
  • Спецтехника
  • Двигатели
Получить оптовый прайс-лист
Скачать прайс-лист от 15.04.2026 16:00
Специальное предложение от 15.04.2026 17:00
Производители:


  • WEICHAI
  • Автодизель ПАО (ЯМЗ)
  • Тутаевский МЗ
  • ЯЗДА
  • УралАЗ
  • МАЗ
  • АЗПИ
  • BOSCH
  • ММЗ
  • ШААЗ
  • FEDERAL MOGUL
  • ПРАМО
  • Мотордеталь
  • ТАИМ
  • АвтоКрАЗ
  • БЕЛКАРД
  • CZ Strakonice
  • КамАЗ
  • БЗА
  • ЧМЗ
  • BMZ
Новости
Все новости
25 марта 2024
Флагманский седельный тягач «Валдай 45» на выставке «TransRussia»
10 марта 2024
Современные автобусы «CITYMAX 9» и ЛиАЗ-5292 CNG
25 февраля 2024
Серийное производство средних дизельных двигателей повышенной мощности от ЯМЗ
Статьи
Все статьи
Датчики двигателя: за что они отвечают, признаки неисправности и как не прогадать с выбором
Двигатели ЯМЗ-534: история, технические характеристики и области применения
Двигатели ЯМЗ 650: углублённый технический обзор и история
Компания
О компании
Реквизиты
Новости
Политика
Магазины
Информация
Условия оплаты
Условия доставки
Гарантия на товар
Обмен и возврат товара
Помощь
Как оформить заказ
Полезные статьи
Бренды
Пункты выдачи
Оставайтесь на связи
  • Вконтакте
  • YouTube
  • Одноклассники
  • Google Plus
Увидели ошибку?
Выделите, нажав Ctrl + Enter
Наши контакты
8-800-700-35-68
sales@din76.ru
г. Ярославль, Ленинградский пр-т 33, ТЦ "ОМЕГА"
2026 © ООО «Динамика 76» - Все права защищены ООО "Динамика 76"
Предложения на сайте не являются публичной офертой.
На сайте обнаружена ошибка

Текст с ошибкой